项目教学(活塞环三隙的测量)
- 格式:doc
- 大小:81.00 KB
- 文档页数:3
《汽车发动机构造与维修》活塞连杆组的修理—活塞环的三隙检测教学设计方案一、教学目标一)专业能力目标:1.了解活塞环的耗损形式及其原因;2..掌握活塞环的三隙检验方法;3.能正确的使用量具。
二)社会能力目标:1、培养学生的沟通能力及团队协作精神;2、培养学生分析问题、解决问题的能力;3、培养学生勇于创新、敬业乐业的工作作风;4、培养学生的自我管理、自我约束能力;5、培养学生的环保意识、质量意识、安全意识。
三)情感目标:1、培养学生谦虚、好学的能力;2、培养学生勤于思考、做事认真的良好作风3、培养学生自学能力与自我发展能力4、培养学生创新能力5、培养学生良好的职业道德。
二、分析教材使用教材:高等教育出版社《发动机构造与维修》主编:孔宪峰教材特点:该教材是中职汽车应用与维修专业的主干课程,是中等职业教育国家规划教材。
教材的基本结构以发动机的基本组成部分为单元,按结构原理、检修、故障诊断与排除的顺序展开,文字简练、图文并茂、层次分明。
在实际的教学过程中,具有较强的实用性、可操作性。
教材的地位和作用:本节课是学习曲柄连杆机构检修的核心内容,并为掌握发动机检修及故障诊断打下基础。
本课在教材中的作用和地位:本课是《发动机构造与维修》中曲柄连杆机构检修的核心内容。
曲柄连杆机构是发动机两大机构之一,在发动机运转中有不可忽视的作用。
之前,已学习了曲柄连杆机构的构造与工作原理,为本节课的学习奠定了基础,因此本节课既是前面章节的延续,同时也是培养学生维修基本技能的重要一节。
教学内容分析:知识点:1.活塞环的损伤分析2.活塞环的三隙技能点:1.游标卡尺与塞尺的正确使用2.活塞环“三隙”的检验三、分析教学对象知识结构:教学班级为职业中专二年级学生,已经学习汽车材料等相关知识,对发动机结构也有初步认识,并且具备一定的理解和分析能力。
性格特点:活泼、好动、喜欢表达、好胜心强;能力特点:有想法、动手能力强、理论基础较差。
四、教学重点与难点教学重点:活塞环三隙检验方法。
项目教学(活塞环三隙的测量)
注意事项
1、操作规定时间: 20分钟(含准备时间)。
2、请首先按要求在作业表上填写你的姓名、班级。
3、请仔细阅读各种题目的回答或操作要求,在规定的时间和地点完成相应的项目。
4、不要在作业表上乱写乱画,填写无关的内容。
1、本题分值:45分
采用现场实物检测方式对指定的活塞环三隙进行测量,并完成作业表及确定相应的维修方案。
操作要求:
1、合理选择和规范使用工具、仪器、仪表、量具;
2、作业项目齐全;作业流程合理;
3、量具的使用、读数方法、读数结果正确;
4、按要求对活塞环的端隙、侧隙进行检测,并根据检测结果提出维修方案;
5、口述活塞环背隙的检测方法并记录;
6、相应数据的计算方法及结果正确;
7、安全与文明作业。
检测所需工量具
活塞环三隙检测评分表
班级:姓名:用时:分钟总得分:
《活塞环“三隙”检测》操作工单(考试选手填写)
确认签名:考核人:。
第一节《活塞连杆组的拆装与检修》实训教案1.实训内容及目的1)掌握活塞连杆组的组成、结构、装配关系和工作原理。
2)熟练活塞连杆组的拆装工艺。
3)掌握活塞连杆组各零部件间的相互连接关系及其装配关系。
2.技术标准及要求1)按正确的操作步骤进行拆装。
2)有关技术参数必须符合维修技术标准要求。
3)在拆装过程中,特别要注意装配记号。
3.实训器材和用具发动机若干台、机油少许;活塞连杆组总成若干套。
常用工具若干套,维修专用工具若干套;相应挂图或图册、维修手册。
4.实训注意事项1)拆卸、安装活塞时一定要注意记号,若无记号,拆卸前必须做标记。
2)安装活塞销时,要用专用工具或加热到60℃进行。
3)拆下的零部件按顺序放好,并注意不要损坏零件。
4)严格按操作规程进行操作,并注意操作安全。
5)奥迪发动机活塞连杆组组件如图2-7所示。
5.实训操作步骤(1)活塞连杆组的拆卸1)将要拆卸的活塞连杆组(有两个缸)转到活塞处于下止点,并检查活塞顶、连杆大端处有无记号。
如无记号,应按次序在活塞顶、连杆大端上作上记号。
图2-7 奥迪发动机活塞连杆组组件2)拆下连杆螺母,取下连杆端盖、衬垫和连杆轴承,并按顺序放好,以免相互搞错。
3)用手将连杆向上推,使连杆与连杆轴颈分离。
用橡胶锤或手锤木柄推出活塞连杆组。
如缸口磨成了台肩或有积炭,应先刮平,以免损坏活塞环等,另外注意不要硬撬、硬敲,以免损伤气缸。
4)取出活塞连杆组后,应将连杆盖、衬垫、螺栓和螺母按原样装回,不可错乱。
(2)活塞连杆组的分解用活塞环装卸钳拆下活塞环(图2-8),观察活塞环装配记号。
完成上述作业后,仔细观察活塞连杆组各零件的结构、作用和特点,及其各零件间的相互联接关系。
(3)活塞连杆组的装合1)用汽油清洗活塞组各零件,用钢丝通各油孔油道,清除污垢,然后用高压空气吹干各零件。
2)按顺序、标记分组放好,并清点零件。
3)安装活塞销。
将活塞置于水中加热60~80℃后,取出活塞迅速擦净座孔,用拇指力量将涂有润滑油的活塞销推入活塞的一端销孔内,随即在连杆小头的衬套内涂上一层润滑油,将小头伸入活塞内;继续用拇指力量将活塞销推入连杆衬套,直至活塞的另一端销孔边缘,使活塞销端面与活塞销卡环槽的内端面平齐为止(严禁用手锤打入);再装入卡环。
16 汽车维护与修理 2021·06下半月根据江苏省中等职业教育汽车运用与维修专业汽车发动机构造与维修课程标准、江苏省中等职业教育汽车运用与维修专业指导性人才培养方案,结合汽车维修服务工作岗位的要求,中职院校需要提高课堂教学质量,着重培养学生的核心素养。
本文以活塞环三隙的检测课程为例,进行活力课堂教学设计。
教师课前通过学习平台进行线上教学,课中使用微课、任务驱动、情境教学等方法进行线下教学,并通过小组竞赛的方式激发学生的学习兴趣;学生则经过自主学习、小组讨论、合作探究等一系列方法突破教学难点,强化知识要点。
1 教学设计1.1 预习导航,情境导入课堂要“活”起来,学生必须要“动”起来,学生能否主动参与学习至关重要,为提高学生参与学习的积极性,需要创设以学生为中心的学习环境。
课前,学生登陆教学平台播放活塞环微视频进行自主学习,并完成教学平台上的理论知识检测。
教师通过分析检测结果掌握学情,经知识点梳理后将“掌握工量具的使用方法”和“能够对活塞环三隙进行检测”确定为本节课的教学重、难点。
课上组织学生使用磨损过的针筒橡胶塞做抽水和注水实验,并说出实验现象(由于橡胶塞磨损间隙过大出现漏水的现象),从而引入教学内容。
小实验的操作能增添课堂的活力,同时提高学生的参与度,让学生在“做”中学,在“乐”中学,而实验的直观现象能够帮助学生理解活塞环间隙的重要性。
将学生按照组间同质、组内异质进行分组,以良性竞赛的方式学习,获得星星最多的小组在评价部分予以加分。
这样不仅能够激发学生的学习兴趣,而且增添了课堂乐趣,突出了学生在课堂中的主体地位。
1.2 探索新知,巩固练习在知识探索的环节里,教师可以结合文本资源、设备资源、平台资源和信息资源,综合运用任务驱动法、小组讨论法、合作探究法帮助学生快速高效地解决问题,培养学生勇于探究、勤于反思、乐于实践创新的核心素养。
(1)明确位置,夯实基础。
要想让所有的学习难题都能迎刃而解,就要打好扎实的基础,巩固丰富的知识。
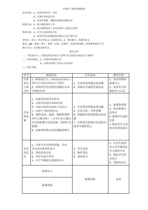
活塞环三隙的检测教案
知识目标:1、活塞环的作用、类型
2、活塞环的拆装方法
3、活塞环端隙、侧隙和背隙的检测方法
技能目标:1、能正确的使用工具
2、能正确的使用工具对活塞环三隙进行检测
情感目标:1、同学之间的团结合作
2、培养同学们的踊跃的积极向上的上课心态
重难点:重点:知识目标1、2技能目标:2 预设难点:技能目标2
教具:ppt、教案、图片、教材、活塞、活塞环、活塞环拆装钳、厚薄规和游标卡尺教学方法:任务驱动教学法
教学过程
一、项目的引入:活塞连杆组里面什么部件可以导致发动机动力下降呢?
二、项目的确定:1、活塞环的检测方法
2、活塞环检测工具的认识及使用
三、项目实施:。
简述活塞环三隙的检测方法活塞环三隙是活塞环的重要结构部件,它以其高强度和灵活性,在内燃机中发挥着重要作用。
为了确保活塞环的正常使用,必须按照规定的检测标准进行定期检测,以确保活塞环三隙满足设计要求。
活塞环三隙的检测方法有多种,包括量具检测、声学检测、游标卡尺检测、厚度计检测、X射线检测等,其中最常用的是游标卡尺检测,它是利用游标卡尺测出活塞环三隙的厚度,并进一步确定其状态。
游标卡尺检测一般包括以下几步:1、将游标卡尺对准活塞环的表面;2、将游标卡尺的指针滑动到测量线上,并调整滑动杆位置;3、打开游标卡尺的按钮,将游标卡尺在活塞环的表面滑动,直到钢尺的指针接触活塞环的端部;4、重新调整滑动杆位置,使指针在测量线上;5、读取游标卡尺的数字,并相应地记录下来;6、将游标卡尺滑动到活塞环的另一端,再重复上述步骤,直到活塞环的三隙厚度被全部测量完毕;7、将测量出来的活塞环三隙厚度与标准值进行比较,以确定活塞环的状态。
此外,还可以通过声学检测、厚度计检测和X射线检测等检测方法来检测活塞环三隙的厚度,以帮助技术人员更好地评估活塞环的状况。
声学检测是把触摸器放置在活塞环表面上,然后通过解析检测仪表所产生的声音信号,从而推断出活塞环三隙宽度。
此外,还可以利用活塞环表面的垂直度,进而得到活塞环三隙的宽度。
厚度计检测是通过测量活塞环表面的粗糙度,来预测活塞环三隙的厚度。
此外,可以利用高频光栅测量仪,或者采用X射线技术测量活塞环材料的厚度,了解活塞环状态的变化。
活塞环三隙的检测是内燃机安全性能评估的重要组成部分,因此,必须确保活塞环三隙符合设计要求,以保证内燃机安全性能。
检测方法上以游标卡尺测量最为常用,而采用其他检测方式时,也要根据活塞环的结构及使用条件,选择最合适的检测方法,以确保活塞环的正常使用。
本文通过介绍活塞环三隙的检测方法,以帮助技术人员更好地评估活塞环的状况。
它介绍了游标卡尺检测的各步骤,以及可以采用的其他检测方法,包括声学检测、厚度计检测和X射线检测。
一、实习目的本次实习旨在通过实际操作,学习并掌握活塞环三隙(侧隙、端隙、背隙)的检测方法,了解活塞环三隙对发动机性能的影响,提高对汽车维修和保养的认识。
二、实习时间2023年3月1日至2023年3月5日三、实习地点XX汽车维修中心四、实习内容1. 活塞环三隙的基本概念活塞环是发动机中用于密封气缸内部气体的重要部件,其主要作用是防止燃烧室内的气体泄漏,提高发动机的热效率。
活塞环三隙包括侧隙、端隙、背隙。
2. 活塞环三隙的检测方法(1)侧隙检测将活塞环平正地放入气缸内,从活塞顶部将其推平。
使用塞尺测量活塞环侧面与活塞环槽之间的间隙。
侧隙的标准范围一般为0.04-1.10mm。
(2)端隙检测将活塞环平整放置在活塞上,将活塞推至上止点。
使用厚薄规测量活塞环开口处的间隙。
端隙的标准范围一般为0.25-0.50mm。
(3)背隙检测将活塞环插入环槽内,使用游标卡尺测量活塞环内圆柱面与活塞环槽底部的间隙。
背隙的标准范围一般为0.50mm-1.00mm。
3. 活塞环三隙检测注意事项(1)测量前需确保活塞环、活塞、气缸壁等部件清洁,避免油污和积碳影响测量准确性。
(2)测量时,确保活塞环与活塞环槽、气缸内壁配合良好,防止活塞环卡死或折断。
(3)测量过程中,使用合适的工具,如塞尺、厚薄规、游标卡尺等,确保测量精度。
五、实习心得1. 通过本次实习,我对活塞环三隙有了更深入的了解,认识到其在发动机性能中的重要性。
2. 实践操作过程中,我学会了如何使用塞尺、厚薄规、游标卡尺等工具进行测量,提高了自己的动手能力。
3. 活塞环三隙的检测对发动机维修和保养具有重要意义,掌握检测方法有助于及时发现并解决发动机问题,延长发动机使用寿命。
4. 在实习过程中,我认识到团队协作的重要性。
在遇到问题时,与同学们共同讨论、解决,提高了自己的沟通能力。
六、总结本次实习使我掌握了活塞环三隙的检测方法,提高了自己的动手能力和实践能力。
在今后的学习和工作中,我会继续努力,为成为一名优秀的汽车维修和保养人才而努力。
项目教学(活塞环三隙的测量)
注意事项
1、操作规定时间: 20分钟(含准备时间)。
2、请首先按要求在作业表上填写你的姓名、班级。
3、请仔细阅读各种题目的回答或操作要求,在规定的时间和地点完成相应的项目。
4、不要在作业表上乱写乱画,填写无关的内容。
1、本题分值:45分
采用现场实物检测方式对指定的活塞环三隙进行测量,并完成作业表及确定相应的维修方案。
操作要求:
1、合理选择和规范使用工具、仪器、仪表、量具;
2、作业项目齐全;作业流程合理;
3、量具的使用、读数方法、读数结果正确;
4、按要求对活塞环的端隙、侧隙进行检测,并根据检测结果提出维修方案;
5、口述活塞环背隙的检测方法并记录;
6、相应数据的计算方法及结果正确;
7、安全与文明作业。
检测所需工量具
活塞环三隙检测评分表
班级:姓名:用时:分钟总得分:
《活塞环“三隙”检测》操作工单(考试选手填写)
确认签名:考核人:。