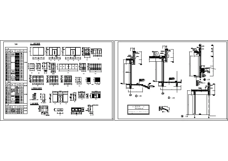
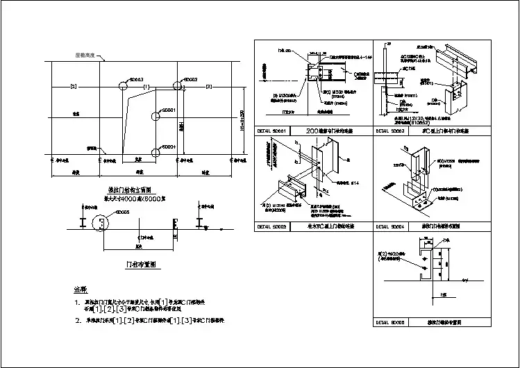
移门节点详图
- 格式:pdf
- 大小:136.62 KB
- 文档页数:1
平移门安装方法及图解家庭安装铝合金机匣横梁时,请注意使之保持水平,误差为1mm,如不水平会导致门体行走时出现力道不均匀的现象,造成机器寿命降低。
门体吊挂的安装,用附带的门体吊挂螺栓组件把吊架装置安装到门体上指定位置。
安装时,吊架装置的滑轮中心应与门体平行,否则会缩短滑轮的寿命。
将悬挂装置的滑轮悬挂在动力梁上。
安装时,请不要伤害动力梁中的其他部件和导轨,否则会造成部件故障或滑轮寿命、噪音、异响等。
智能平移门—限位装置安装松开限位器的安装螺栓。
确保限位装置嵌入动力梁的导轨中。
先移动门体,确定门体的开闭位置,再确定限位器的位置。
设定限位器装置的位置时,在接触到限位器的橡胶垫后,使悬挂装置停止。
用六角扳手拧紧固定安装螺栓。
调整门的高度和间隙,松开固定吊架的螺母。
对调节螺栓进行安全调节。
拧紧固定吊架的螺母。
行走时确认阻力。
确保门移动时没有停滞现象,没有摩擦声。
如果有任何问题,请确认以下事项。
吊架是否垂直固定在门体上。
智能平移门—吊挂装置是否与动力梁有摩擦门体与门框之间是否有摩擦门体动扇与地面高度一般保持在10mm。
动扇与定扇之间缝隙为5mm。
皮带张力的调整,将张紧轮装置向左用力拉,使皮带保持绷紧,然后拧紧四个压板螺栓。
拧松四个调节固定螺栓沿顺时针方向旋转张力调整螺栓,调整皮带张力。
拧紧四个调节板固定螺栓。
地轮的安装,在安装时地轮的中心位置根据门体动扇宽度的一半加上5mm。
前提为动扇底部内有滑道的,如果没有滑道直接是包饰板的应考虑其在内部的空间距离,根据实际来计算。
安装后请确保门体上下缝隙相同,以免时间长损坏地轮。
智能平移门—控制系统的调整一般情况下不需要调整,保持出厂设置就好。
调整前,请用手推动移门风扇几次,以确保门能够顺畅。
设置左右开关,根据门的开启方向设置向左或向右。
当它是双门时,开关被设置到右边。
设置感应模式。
开关在右侧时为第一感应模式,在左侧时为第二感应模式。
当门关闭时,打开电源开关。
控制箱上旋钮的调节方式,前提是按下控制箱的测试按钮,在开门和关门的同时调节所有项目。
自动平移门安装步骤详解自动滑动门可以说是我们生活中的无处不在。
进入或离开大型购物中心,住宅区甚至银行时,每个人都可以看到它。
一前进,门就会自动打开。
很方便,那么如何安装这种门?快来看看!自动推拉门安装步骤说明如何安装自动推拉门很多人认为安装门是装修师傅的事,你不必了解它,其实,它不是,了解它的安装技巧,对我们来说以后的应用和使用是有帮助的。
当门自动平移时,有必要掌握门体的安装顺序,也就是说,我们必须按照复制地平线的过程- 地面轨道- 梁- 电机- 门扇- 来调试这样的一个过程。
由于顺序或无法正常进行,执行以避免自动门安装工程的泄漏。
1)安装门体悬架:1。
使用附带的门体悬挂螺栓组件将吊架装置安装到门体上的指定位置。
2。
将悬挂装置的滑轮悬挂在动力梁上。
2)限制设备安装:1。
松开止动器的安装螺栓。
2。
将止动装置嵌入动力梁的导轨中。
3。
首先移动门以确定门的打开和关闭位置,然后确定止动器的位置。
4。
用六角扳手拧紧安装螺栓。
3)调整皮带张力:1。
将张紧器单元向左拉动以保持皮带紧固,然后拧紧四个压板螺栓。
2。
松开四个调节螺栓。
2。
顺时针旋转张力调节螺栓以调节皮带张力。
4。
拧紧四个调节板固定螺栓。
自动滑门安装步骤详细说明4)控制系统调整:1。
请在调整前推动门体多次移动风扇,确保门体顺畅切换。
2。
设置左右开关,根据开门方向向左或向右设置。
门双开时,开关设置在右侧。
3。
设置感应模式。
当开关在右侧时,它是第一感应模式,在左侧,它是次级感应模式。
4。
门关闭时打开电源开关。
5)探针安装:1。
传感器开口:安装前,使用螺丝刀从探头背面打开探头外壳。
2。
传感器安装准备:将图像放在盒子中,待安装位置,按图所示打孔,然后将探针线从引线中穿出。
3。
接线和安装:将电线穿过引出孔并拧紧两个螺钉。
要保留的导线足以连接到接线盒。
4。
调整探头照明的角度。
根据站点环境选择合适的角度。
小心不要用手触摸平面天线。
以免造成故障。