墙身节点详图
- 格式:pdf
- 大小:558.23 KB
- 文档页数:16
建筑构造课程设计----墙和楼地层构造设计1.设计条件以调研的教学楼(或其它)为框架结构,(层高约 3.30m-3.60m,室内外地面高差为0.45m-0.60m。
)外墙为黄河淤泥砖墙,厚度为240mm,楼板采用钢筋混凝土板,设计所需的其他条件自定。
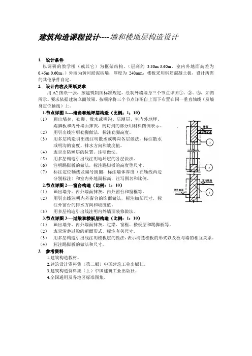
2.设计内容及图纸要求用A2图纸一张,按建筑制图标准规定,绘制外墙墙身三个节点详图①、②、③,如图所示。
要求依据建筑立面效果,按顺序将三个节点详图自上而下布置在同一垂直轴线(及墙身定位轴线)上。
1.节点详图1----墙角和地坪层构造(比例:1:10)(1)画出墙身、勒脚、散水或明沟、防潮层、室内外地坪、踢脚板和内外墙面抹灰,剖切到的部分用材料图例表示。
(2)用引出线注明勒脚做法,标注勒脚高度。
(3)用多层构造引出线注明散水或明沟各层做法,标注散水或明沟的宽度、排水方向和坡度值。
(4)表示出防潮层的位置,注明做法。
(5)用多层构造引出线注明地坪层的各层做法。
(6)注明踢脚板的做法,标注踢脚板的高度等尺寸。
(7)标注定位轴线及编号圆圈,标注墙体厚度(在轴线两边分别标注)和室内外地面标高,注写图名和比例。
2.节点详图2----窗台构造(比例:1:10)(1)画出墙身、内外墙面抹灰、内外窗台和窗框等。
(2)用引出线注明内外窗台的饰面做法,标注细部尺寸,标注外窗台的排水方向和坡度值。
(3)用多层构造引出线注明内外墙面装修做法。
3.节点详图3----过梁和楼板层构造(比例:1:10)(1)画出墙身、内外墙面抹灰、过梁、窗框、楼板层和踢脚板等。
(2)表示清楚过梁的断面形式,标注有关尺寸。
(3)用多层构造引出线注明楼板层的做法,表示清楚楼板的形式以及板与墙的相互关系。
(4)标注踢脚板的做法和尺寸。
3.参考资料1.建筑构造教材。
2.建筑设计资料集(第二版)中国建筑工业出版社。
3.建筑构造资料集(上)中国建筑工业出版社。
4.全国通用及各地区标准图集。
作业1:墙体构造设计一、学习目标1. 掌握墙体的细部构造,了解其相应作用。
2. 熟悉墙体与楼板的连接关系。
3. 熟悉墙体和楼地面的饰面构造层次与材料做法。
4. 熟悉墙身构造的设计要点和步骤。
5. 熟悉墙身大样图的识读,增强图纸表达能力。
学习重点1. 勒脚、踢脚、防潮层、散水、窗台、过梁、圈梁等构造要点。
2. 墙与楼板的连接构造。
3. 墙体和楼地面饰面材料的选用与常用做法。
4. 墙体大样图的主要内容和标注。
二、工程设计条件1、自选校内建筑或自己设计建筑的外墙构造设计2、按三层设计。
层高为3600mm,室内外高差450mm,窗台距室内地面900mm高。
外墙为砖墙,其厚度不小于240mm。
楼板采用现浇钢筋混凝土楼板、圈梁,楼板厚100mm。
采用木门窗。
内外墙均做抹灰饰面。
楼地面做法、散水(明沟)自定。
设计中所需的其它条件自定。
三、设计内容和深度用一张竖向Α3图纸,以铅笔绘制。
按建筑制图标准,绘制外墙身节点详图,如图1-1所示。
要求按顺序将节点详图自下而上布置在同一垂直轴线(即墙身定位轴线)上,标注定位轴线及编号圆圈,标注墙体厚度(在轴线两边分别标注)。
详图编号:画完该节点详图后,在详图的右下角画详图编号圆圈,然后在编号圆圈的右侧注写详图比例。
图1-1 外墙身节点内容及要求1.节点详图1——墙脚和地坪层构造(比例1∶10)画出墙身、勒脚、散水或明沟、防潮层、室内外地坪和内外墙面抹灰,剖切到的部分用材料图例表示。
(1)用引出线注明勒脚做法,标明勒脚高度。
(2)用多层构造引出线注明散水或明沟各层做法,标注散水或明沟的宽度、排水方向和坡度值。
(3)表示出防潮层的位置,注明做法。
(4)用多层构造引出线注明地坪层的各层做法。
(5)标注室内外地面标高。
2、节点详图2——窗台构造(比例1∶10)(1)画出墙身、内外墙面抹灰、内外窗台和窗框等。
(2)用引出线注明内外窗台的饰面做法,标注细部尺寸,标注外窗台的排水方向和坡度值。
工程设计文件8BJ2-5 墙身一轻胡龙骨(2007) 纸面石膏板华北地区建筑设计标准化办公室.妄■日由宀坨芒西北地区建筑标准设计协作办公室芸豕上申疋推存墙身一加气混凝土被取代原88J第1版已被停止使用的图集2007年5月班廬=禺(第2版)墙身-轻钢龙骨纸面石膏板(2007)前言88J是我们编制的建筑构造标准(通用)图集,是建筑设计文件的一部分。
早期的标准设计文件曾以蓝图形式出现。
随着建筑规模的扩大,使用量的增多,这种方式及图版规格不能满足使用需要,逐渐形成现在全国普遍釆用的标准设计文件形态,但其功能性质不变,仍是设计文件的一部分。
本图集自上世纪问世以来,已历时十余年。
在此期间获得了广大用户的支持与关心,收到了各方面的建议和意见。
鉴于新的建筑材料和建筑技术不断出现,一些标准和规范也有修改,为此,我们在听取各方面意见后,决定在新世纪初实施全面的二次修编。
二次修编原则仍如既往规定,即(一)以满足常用的一般标准的民用建筑构造为主,适当兼顾部分较高标准的需要。
(二)尽量反映新技术新材料的发展状况。
(三)力求适应工厂化配件制品的发展,并在图集附录中提供部分产品情况。
(四)努力做到构造技术先进,材料选用适当,品种类型多样,设计采用方便•由于“88J ”已在国家商标局进行商标注册,已经不是编制年份的含义。
故2001年开始的第二次修编,仍沿用“88J”的名称。
为便于区别,在前言上以“第2版”表示,敬请用户注意。
关于图集的编排次序,凡与初编图内容相同者,均用原册号. 凡新增内容的各册序号,均在后排列。
同时在各册序号后增加“―X”小序列,表示该册内容中有若干分册。
例如:“88J2—1”, 前面的“2 ”字表示墙身册的序号,而后列的小序列“-1 ”表示墙身册的第1分册,“一2 "为墙身册的第2分册……在进行二次修编时将对初编图进行筛选,或淘汰或继续使用,在各册中将分别说明•考虑到标准设计图集属推荐性标准,而非强制性标准,不应用行政手段推行地区性保护政策。
建筑剖面图的绘制
墙身节点详图绘制
墙身节点详图基本知识
墙身节点详图实际上是建筑剖面图外墙部分的局部放大图,主要用于表达外墙与地面、楼面、屋面的构造情况,以及檐口、女儿墙、窗台、勒脚、散水等部位的尺寸、材料和做法等情况。
在多层房屋中,如果各层墙体构造情况一致,可以只绘制底层、顶层或加一个中间层来表示,在绘制时,可在窗洞中间断开。
绘制步骤
(1)打开AutoCAD2016中文版,新建一个图形文件,工作空间选为“草图与注释”。
(2)在功能区【默认】选项卡的【图层】面板中选择【图层特性】工具,在弹出的【图层特性管理器】对话框中,依次建立图层“轴线”、“轮廓线”、“门窗”、“材料填充”、“抹灰层”、“尺寸标注”、“文字标注”。
(3)将图层切换到“轴线”,利用【直线】工具,绘制出墙身节点详图的定位轴线。
(4)将图层切换到“轮廓线”,利用【直线】工具绘制出墙体轮廓。
如图1所示。
图1 结构轮廓线图2 抹灰层轮廓
(5)在“抹灰层”图层,利用【多段线】工具,连续绘制出墙面抹灰层轮廓线。
结果如图2所示。
(6)将图层切换到“窗”,利用【多线】工具绘制出剖面窗的图样。
(7)将图层切换到“材料填充”,利用【填充】工具对图中的墙和梁板进行图案填充。
墙体填充选择图案“ANSI31”,填充比例为20。
对于混凝土梁板填充应选择图案“ANSI31”和“AR-SND”,“AR-SND”的填充比例设为。
结果如图3所示。
图3 材料填充图4 “文字标注”
(8)将图层切换到“文字”,使用【直线】工具绘制出标注引线,使用【多行文字】工具进行墙身做法文字标注。
结果如图4所示。