模板荷载计算.doc
- 格式:doc
- 大小:30.00 KB
- 文档页数:7
本方案是以木模板、钢管脚手排架的模板支撑系统为研究对象,在泵送、预拌商品混凝土、机械振捣的施工工艺条件下,对施工荷载进行了计算,并应用了统计学原理,获得不同截面梁、板的施工荷载值,不仅减化了计算工作量,并能方便查找应用。
关键词:模板钢管支撑混凝土施工荷载分项系数侧压力荷载组合1施工荷载计算的计算依据施工荷载的计算方法应符合《建筑结构荷载规范》GB50009-2001的规定。
本文仅适用于木模板、钢管脚手排架、钢管顶撑、支撑托的模板支撑系统;采用泵送、预拌商品混凝土,机械振捣的施工工艺,并依据原《混凝土结构工程施工验收规范》GB50204-92,附录中有关“普通模板及其支架荷载标准值及分项系数”的取值标准。
2模板支撑系统及其新浇钢筋混凝土自重的计算参数:模板及其支架的自重标准值应根据模板设计图确定,新浇混凝土自重标准值可根据实际重力密度确定,钢筋自重标准值可根据设计图纸确定,也可以按下表采用:钢筋混凝土和模板及其支架自重标准值和设计值统计表3施工人员及设备荷载的取值标准:施工活荷载的取值标准应根据不同的验算对象,对照下表选取,对于大型设备如上料平台、混凝土输送泵、配料机、集料斗等的施工荷载,应根据实际情况计算,并在大型设备的布置点,采取有针对性的加固措施。
施工活荷载标准值和设计值统计表4混凝土楼板的施工荷载计算:现浇混凝土楼面板的施工荷载主要有新浇混凝土、钢筋、模板和支撑系统的自重,以及施工活荷载组成,针对验算的具体对象,采用相应的荷载组合方式,现以100mm厚的混凝土楼面板举例,进行施工荷载组合设计值的计算,依此类推得到不同厚度楼板的施工荷载组合设计值,以便查表应用。
100mm楼板施工阶段恒荷载的计算与统计楼板施工活荷载的计算与统计100mm楼板的施工荷载组合计算与统计不同厚度楼板施工荷载组合设计值的统计表5混凝土梁的施工荷载计算:现浇混凝土梁的施工荷载主要有新浇混凝土、钢筋、模板和支撑系统的自重,以及振捣混凝土时产生的施工活荷载组成,通过荷载组合,作为梁底板木模板及支架的验算依据,现以300mm×700 mm的混凝土梁举例,进行施工荷载组合设计值的计算,依此类推得到不同截面的混凝土梁施工荷载的组合设计值,以便查表应用。
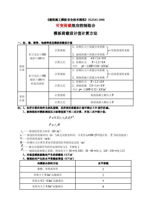
《建筑施工模板安全技术规范》JGJ162-2008可变荷载效应控制组合 模板荷载设计值计算方法一、柱、墙、梁帮、池壁等垂直模板荷载设计值注:1、如所计算的构件为热轧型钢,其所受的荷载设计值可乘以0.95进行折减。
2、新浇筑砼对模板侧面压力标准值按下列二式计算,并取二式中较小值:2121022.0V t F C ββγ=H F C γ=C γ——新浇砼的重力密度(kN /m 3)t 0——新浇砼的初凝时间(h )当缺乏试验资料时,可采用t 0=200/ (T+15)计算,(T 为砼的温度) V ——砼的浇筑速度(m/h )H ——砼侧压力计算位置处至新浇筑砼顶面的总高度(m )1β——掺具有缓凝作用的外加剂时取1.2,不掺取12β——塌落度影响修正系数,坍落度小于30㎜取0.85;50~90㎜取1;110~150㎜取1.153、对垂直模板振捣砼产生的荷载取4 kN/㎡二、平板楼板模板及支架荷载设计值三、梁底、拱底模板及支架荷载设计值接下页《建筑施工模板安全技术规范》JGJ162-2008永久荷载效应控制组合 模板荷载设计值计算方法一、柱、墙、梁帮、池壁等垂直模板荷载设计值注:1、如所计算的构件为热轧型钢,其所受的荷载设计值可乘以0.95进行折减。
2、新浇筑砼对模板侧面压力标准值按下列二式计算,并取二式中较小值:2121022.0V t F C ββγ=H F C γ=C γ——新浇砼的重力密度(kN /m 3)t 0——新浇砼的初凝时间(h )当缺乏试验资料时,可采用t 0=200/ (T+15)计算,(T 为砼的温度) V ——砼的浇筑速度(m/h )H ——砼侧压力计算位置处至新浇筑砼顶面的总高度(m )1β——掺具有缓凝作用的外加剂时取1.2,不掺取12β——塌落度影响修正系数,坍落度小于30㎜取0.85;50~90㎜取1;110~150㎜取1.153、对垂直模板振捣砼产生的荷载取4 kN/㎡二、平板楼板模板及支架荷载设计值三、梁底、拱底模板及支架荷载设计值。
【关键字】模板荷载计算及计算公式小知识1、脚手架参数立杆横距(m): 0.6;立杆纵距(m): 0.6;横杆步距(m): 0.6;板底支撑材料: 方木;板底支撑间距(mm) : 600;模板支架立杆伸出顶层横向水平杆中心线至模板支撑点长度(m):0.2;模板支架计算高度(m): 1.7;采用的钢管(mm): Ф48×3.5;扣件抗滑力系数(KN): 8;2、荷载参数模板自重(kN/m2): 0.5;钢筋自重(kN/m3) : 1.28;混凝土自重(kN/m3): 25;施工均布荷载标准值(kN/m2): 1;振捣荷载标准值(kN/m2): 23、楼板参数钢筋级别: 二级钢HRB 335(20MnSi);楼板混凝土强度等级: C30;楼板的计算宽度(m): 12.65;楼板的计算跨度(m): 7.25;楼板的计算厚度(mm): 700;施工平均温度(℃): 25;4、材料参数模板类型:600mm×1500mm×55mm钢模板;模板弹性模量E(N/mm2):210000;模板抗弯强度设计值fm(N/mm2):205;木材品种:柏木;木材弹性模量E(N/mm2):9000;木材抗弯强度设计值fm(N/mm2):13;木材抗剪强度设计值fv(N/mm2):1.3;Φ48×3.5mm钢管、扣件、碗扣式立杆、横杆、立杆座垫、顶托。
16a槽钢。
锤子、打眼电钻、活动板手、手锯、水平尺、线坠、撬棒、吊装索具等。
脱模剂:水质脱模剂。
辅助材料:双面胶纸、海绵等。
1)荷载计算:(1)钢筋混凝土板自重(kN/m):q1=(25+1.28)×0.6×0.7=11.04kN/m;(2)模板的自重线荷载(kN/m):q2=0.5×0.6=0.3kN/m ;(3)活荷载为施工荷载标准值(kN):q3=(1+2)×0.6 =1.8kN;q=1.2×(q1+q2)+1.4×q3=1.2×(11.04+0.3)+1.4×1.8=16.128kN/m2)抗弯强度计算f = M / W < [f]其中f ——模板的抗弯强度计算值(N/mm2);M ——模板的最大弯距(N.mm);W ——模板的净截面抵抗矩;W= 5940mm3;[f] ——模板的抗弯强度设计值;M =0.1ql2= 0.100×16.128×0.6×0.6=0.581kN.m故f = 0.581×1000×1000/5940=97.8N/mm2模板的抗弯强度验算f < [f]=205 N/mm2,满足要求!3)挠度计算v =0.677ql4/100EI<[v]=l/150=4mm模板最大挠度计算值v=0.677×(11.04+0.3)×6004/(100×210000×269700)=0.175mm 模板的最大挠度小于[v],满足要求!4)模板支撑方木的计算方木按照均布荷载下两跨连续梁计算。
高大模板的确定和荷载计算方法一、高大模板的定义:根据《危险性较大的分部分项工程安全管理办法》(建质[2009]87号)和《建设工程高大模板支撑系统施工安全监督管理导则》(建质[2009]254号)规定:搭设高度8m及以上;搭设跨度18m及以上,施工总荷载15kN/m2及以上;集中线荷载20 kN/m及以上的模板支撑系统属于高大模板。
二、施工总荷载的计算方法:(一)荷载的组成施工荷载=永久荷载(钢筋砼自重+模板木方钢管的自重)×分项系数+施工均布活荷载×分项系数钢筋砼自重=板厚(m)×25KN/m3(25KN/m3为钢筋砼比重换算成KN/m3为单位,在计算均荷载时钢筋砼比重取值为25KN/m3。
)模板木方钢管的自重:0.3KN/m2(计算均荷载时取值为0.3KN/m2)施工均布活荷载:2KN/m2分项系数:永久荷载分项系数取1.2;施工均布活荷载分项系数取1.4(二)计算实例:(25×M+0.3)×1.2+2×1.4=15M=[(15-1.4x2-1.2 x0.3]/25=0.474米取整M=474mm,即板厚达到或超过474MM时,需要专家论证。
三、集中线荷载的计算方法:(一)荷载的组成集中线荷载=永久荷载(钢筋砼自重+模板木方钢管的自重)×分项系数+施工均布活荷载×分项系数钢筋砼自重=梁的截面积(m2)×26KN/m3(26KN/m3为钢筋砼比重换算成KN/m3为单位,在计算集中线荷载时钢筋砼比重取值为26KN/m3。
)模板木方的自重=梁截面模板的周长(m)×0.5KN/m2(计算集中线荷载时取值为0.5KN/m2)施工均布活荷载=梁宽m×3KN/m2 分项系数永久荷载分项系数取1.2;施工均布活荷载分项系数取1.4(二)计算实例:1、梁高700,梁宽7001.2x[0.70x0.70x26+(0.70+0.7+0.70)*0.50]+0.70x3x1.40=19.488<20 ,不需论证。
附表三:箱涵盖板模板受力计算书一、盖板标准模板系统说明盖板底模板采用δ=15 mm的竹编胶合模板,底模楞采用间距0.3米的80×80mm方木。
二、支架计算1、荷载分析①新浇砼容重按26kN/m3计算,则盖板自重面集度:盖板底—13 KPa;②模板自重(含内模、侧模及支架)以砼自重的5%计,则模板自重面集度:箱底—0.65KPa;③施工人员、施工料具堆放、运输荷载面集度: 2.0kPa;④浇筑混凝土时产生的冲击荷载: 2.0kPa;⑤振捣混凝土产生的荷载: 2.5kPa。
荷载组合:强度组合:1.2×(①+②)+1.4×(③+④+⑤)=25.48 KN刚度组合:1.0×(①+②) =13.65 KN2、底模计算底模采用δ=15 mm的竹编胶合模板,直接搁置于间距L=0.3米的方木小楞上,按三跨连续梁考虑,取单位长度(1.0米)板宽进行计算。
①荷载组合强度验算组合:q1=1.2*(13+0.65)+1.4*(2+2+2.5)=25.48 KN刚度验算组合:q2=13+0.65=13.65 KN②材料力学性能指标和截面特性竹胶板容许应力[σ]=80MPa,E=6×103MPa。
截面特性:W=bh2/6=1000×152/6=3.75×104mm3i=bh3/12=1000×153/12=2.81×105mm3③强度验算M max=q1l2/10=25.48*0.32/10=0.2293 KN.Mσmax= M max/W=0.2293*106/3.75*104=6.1 Mpa<[σ]=80MPa④刚度验算f max=q2l4/(150EI)=13.65*3004/(150*6000*2.81*105)=0.44mm<300/4 00=0.75mm。
3、横楞方木的计算模板结构构件中的横楞属于受弯构件,按连续梁计算,竖楞大于三跨,因此按照三跨连续梁计算。
模板工程计算书(1)计算标准荷载:模板及支架自重标准值(全部采用竹胶模板及木楞(次龙骨))取F1=0.40KN/m3新浇砼自重标准值取F2=25 .00 KN/m3钢筋自重标准值楼板取F.3= 1.1KN/m3框架梁取F3′= 1.5 KN/m3;施工荷载取F4=2.5 KN/m2振捣砼产生荷载标准值水平模板取F5=4.0KN/m2垂直模板取F5′=2.0 KN/m2新浇筑混凝土对模板侧面的压力标准值F=0.22γC t0β1β2υ1/2F′=γC H其中:γC—混凝土的密度取为25KN/m3t0 =200/(T+15)T——混凝土的温度取T=25℃t0=200/(25+15)=5.0℃β1—外加剂修正系数,因采用泵送砼故取为1.2β2—砼坍落度影响系数采用泵送砼,坍落度在110~140之间,故β2取为1.15υ——浇筑速度根据施工经验取υ=1m/h则:F=0.22×25×5.0×1.2×1.15X11/2=37.95KN/m2F′=γC H=6.1×25=152.5KN/m2取F1、F2二者之间的大值则标准值为F6==F′=37.95 KN/m2倾倒砼产生的荷载标准值取F7 =2 KN/m2(2)墙体模板系统验算计算参数:本工程混凝土墙体大面积采用2400×1200×12(l×b×h)的高强覆塑竹胶模板,对于模板模数不足的采用木板补缝。
次龙骨采用b×h=100×50@300落叶松木方,主龙骨采用Φ48@50的Q235双钢管,并用Φ16@600×500的对拉螺栓穿墙对拉(具体见模板图)。
计算荷载组合:承载能力计算荷载:F′=1.2F6×0.9+1.4×F7=43.76KN/m2刚度验算荷载:F=1.2 F6×0.9=40.99 KN/m2其中0.9为计算析减系数。
模板荷载计算书一、墙模板(1)地下室组合钢模板本工程地下室墙体模板采用组合钢模板组拼,墙高3.5m,厚度为250mm和200mm,内钢楞采用2根φ48×3.5钢管,间距为450mm,外钢楞采用同一规格钢管,间距为750mm。
对拉螺栓采用M14,间距为450mm。
混凝土自重(γc)为24KN/m3,强度等级为C30,坍落度为16cm,采用混凝土输送泵浇筑,浇筑速度为1.8m/小时,混凝土温度为300C,用插入式振捣棒振捣。
钢材抗拉强度设计值:Q235钢为215N/mm2,普通螺栓为170 N/mm2。
钢模的允许挠度:面板为1.5mm,钢楞为3mm。
1.荷载设计值混凝土侧压力混凝土侧压力标准值按《建筑施工手册》(第三版)公式17-1和17-2计算。
其中t0=200/(30+15)=4.44F1=0.22γ c t0β1β2V1/2=0.22×24×4.44×1.2×1.15×1.81/2=43.4KN/ m2 F2=γcH=24×3.5=84 KN/ m2取两者之中的最小值,即F1=43.4KN/ m22)混凝土侧压力设计值:F=43.4×1.2×0.85=44.27KN/ m2(2)倾倒混凝土时产生的水平荷载查表17-78为2KN/ m2荷载设计值为2×1.4×0.85=2.38KN/ m2(3)按表17-78进行荷载组合F’=44.27+2.38=46.65 KN/ m22.验算(1)钢模板验算查表17-83,钢模板截面特征Ixj=269700mm4,Wxj=5940mm3。
1)计算简图:。
2)抗弯强度验算:查表17-87得:m2/2= 13.995×3752/2=98.4×104N.mmM=q1σ=M/W=98.4×104/5940=164 N/mm2<215 N/mm2,可以。
本方案是以木模板、钢管脚手排架的模板支撑系统为研究对象,在泵送、预拌商品混凝土、机械振捣的施工工艺条件下,对施工荷载进行了计算,并应用了统计学原理,获得不同截面梁、板的施工荷载值,不仅减化了计算工作量,并能方便查找应用。
关键词:模板钢管支撑混凝土施工荷载分项系数侧压力荷载组合1施工荷载计算的计算依据施工荷载的计算方法应符合《建筑结构荷载规范》GB50009-2001的规定。
本文仅适用于木模板、钢管脚手排架、钢管顶撑、支撑托的模板支撑系统;采用泵送、预拌商品混凝土,机械振捣的施工工艺,并依据原《混凝土结构工程施工验收规范》GB50204-92,附录中有关“普通模板及其支架荷载标准值及分项系数”的取值标准。
2模板支撑系统及其新浇钢筋混凝土自重的计算参数:模板及其支架的自重标准值应根据模板设计图确定,新浇混凝土自重标准值可根据实际重力密度确定,钢筋自重标准值可根据设计图纸确定,也可以按下表采用:钢筋混凝土和模板及其支架自重标准值和设计值统计表3施工人员及设备荷载的取值标准:施工活荷载的取值标准应根据不同的验算对象,对照下表选取,对于大型设备如上料平台、混凝土输送泵、配料机、集料斗等的施工荷载,应根据实际情况计算,并在大型设备的布置点,采取有针对性的加固措施。
施工活荷载标准值和设计值统计表4混凝土楼板的施工荷载计算:现浇混凝土楼面板的施工荷载主要有新浇混凝土、钢筋、模板和支撑系统的自重,以及施工活荷载组成,针对验算的具体对象,采用相应的荷载组合方式,现以100mm厚的混凝土楼面板举例,进行施工荷载组合设计值的计算,依此类推得到不同厚度楼板的施工荷载组合设计值,以便查表应用。
100mm楼板施工阶段恒荷载的计算与统计楼板施工活荷载的计算与统计100mm楼板的施工荷载组合计算与统计不同厚度楼板施工荷载组合设计值的统计表5混凝土梁的施工荷载计算:现浇混凝土梁的施工荷载主要有新浇混凝土、钢筋、模板和支撑系统的自重,以及振捣混凝土时产生的施工活荷载组成,通过荷载组合,作为梁底板木模板及支架的验算依据,现以300mm×700 mm的混凝土梁举例,进行施工荷载组合设计值的计算,依此类推得到不同截面的混凝土梁施工荷载的组合设计值,以便查表应用。
模板设计计算书一.模板设计计算依据(一).模板的荷载1.模板及支架自重模板构件名称自重(kgf/m2)钢模板及连接件重量50钢模板、连接件及钢楞重量75楼板模板及支架重量(楼层高度4米以下)1102. 新灌砼重量:2500kg/m33.钢筋重量:梁板结构每M3楼板 110kgf/m3梁 150kgf/m34.施工人员、灌浇设备及砼堆集的重量:(1) 计算模板和直接支承模版的钢楞时,均布荷载为250kgf/m2,另应以集中荷载250kgf进行验算,两者产生弯距取大者。
(2) 计算直接支承钢楞的结构构件时,均布荷载为150kgf/m2。
(3) 计算支架立柱及其他支承构件时,均布荷载为100kgf/m2。
5.振捣砼时产生的荷载水平模板为 200kgf/m2;垂直模板为400kgf/m26.新浇砼对模板面的压力(见第2页)7.倾倒砼时产生的荷载供料方法水平荷载(kgf/m2)用溜槽、串筒或导管200小于0.2m3的运输器具2000.2—0.8m3的运输器具4000.8m3以上的运输器具600(二).混凝土侧压力计算公式:1.P=0.4+150/(T+30)×Ks×Kw×V1/3m=2.5H2.PmP――新灌砼最大侧压力mV―――浇筑速度T―――入模温度H―――侧压力计算点至新浇筑砼顶面总高度――坍落度修正系数Ks(现场搅拌坍落度3-5时取1.0;商品砼取1.15) Kw――外加剂修正系数(不加外加剂时 Kw=1;掺缓凝剂时 Kw=1.2)(三).钢模板及配件容许挠度钢模板面板 1.5 钢楞、柱箍 3.0 钢模板结构体系 L/1000(四).砼柱模板设计计算柱箍间距:按抗弯强度计算 L1≤8[б]W A/P m (L 22+4L 3W) 按挠度计算 L1≤384[f]EI/5P m L 24 P m ――混凝土侧压力L 2――长边柱箍跨距(=长边柱宽+两侧钢模肋高) L 3――短边柱箍跨距(=短边柱宽+两侧钢模肋高) P――柱箍受轴向拉力 A――柱箍截面积(见附表) W――截面最小抵抗矩(见附表) [б]-钢材抗拉、抗压和抗弯的容许应力 I――截面惯性矩(见附表)E――钢材弹性模量 2.1×106kgf/cm 2各种型钢力学性能表 (表一)规 格 (mm) 截面积A(cm 2) 重量(kg/m) 截面惯性矩Ix(cm 4) 截面最小抵抗矩Wx(cm 3) 扁钢 -70*5 3.5 2.75 14.29 4.08 ∠75*25*3 2.91 2.28 17.17 3.76 角 钢 ∠80*35*3 3.30 2.59 22.44 4.17 φ48*3 4.24 3.33 10.78 4.49 φ48*3.5 4.89 3.84 12.19 5.08 钢 管 φ51*3.5 5.22 4.10 14.81 5.81 □60*40*2.5 4.57 3.59 21.88 7.29 □80*40*2.0 4.52 3.55 37.13 9.28 矩形 钢管 □100*50*38.64 6.78 112.12 22.4 [ 80*40*34.50 3.53 43.9210.98冷弯槽 钢 [ 80*40*3 4.50 3.53 43.92 10.98 冷弯槽 钢 [ 100*50*3 5.70 4.47 88.52 12.2 [ 80*40*15*3. 5.08 3.99 48.92 12.23 [ 100*50*20*3 6.58 5.16 100.28 20.06 槽钢[ 8 10.248.04101.325.3二、柱模板设计实例:一高层钢筋砼柱序号4,断面1000×800mm,净高5.15m 砼浇筑速度为v=6m/h,入模温度为29℃,求作配板设计?解:(1)柱宽800方向,取2块300mm加1块200mm模板,宽1000方向,取2块300mm加2块200mm模板;(2)高度方向:取3块1500mm 加1块600mm,共计5100mm,余500mm 拼木料; (3)砼最大侧压力为:Pm=0.4+150/(29+30) ×1×1×61/3 =5.02tf/m 2(4) 求柱箍间距:取箍 100×50×20×3作柱箍,从表1中查: W=20.06 A=6.58 I=100.28L 1≤8×1600×20.06×6.58/0.502(1102×6.58+4×90×20.06) =38.76cm=388mmL 1≤384[f]EI/5P m L 24=384×0.3×2.1×106×100.28/5× 0.502×1104=66cm=660mm 所以:取柱箍380mm,共布13道。
高大模板的确定和荷载计算方法一、高大模板的定义:根据《危险性较大的分部分项工程安全管理办法》(建质[2009]87号)和《建设工程高大模板支撑系统施工安全监督管理导则》(建质[2009]254号)规定:搭设高度8m及以上;搭设跨度18m及以上,施工总荷载15kN/m2及以上;集中线荷载20 kN/m及以上的模板支撑系统属于高大模板。
二、施工总荷载的计算方法:(一)荷载的组成施工荷载=永久荷载(钢筋砼自重+模板木方钢管的自重)×分项系数+施工均布活荷载×分项系数钢筋砼自重=板厚(m)×25KN/m3(25KN/m3为钢筋砼比重换算成KN/m3为单位,在计算均荷载时钢筋砼比重取值为25KN/m3。
)模板木方钢管的自重:0.3KN/m2(计算均荷载时取值为0.3KN/m2)施工均布活荷载:2KN/m2分项系数:永久荷载分项系数取1.2;施工均布活荷载分项系数取1.4(二)计算实例:(25×M+0.3)×1.2+2×1.4=15M=[(15-1.4x2-1.2 x0.3]/25=0.474米取整M=474mm,即板厚达到或超过474MM时,需要专家论证。
三、集中线荷载的计算方法:(一)荷载的组成集中线荷载=永久荷载(钢筋砼自重+模板木方钢管的自重)×分项系数+施工均布活荷载×分项系数钢筋砼自重=梁的截面积(m2)×26KN/m3(26KN/m3为钢筋砼比重换算成KN/m3为单位,在计算集中线荷载时钢筋砼比重取值为26KN/m3。
)模板木方的自重=梁截面模板的周长(m)×0.5KN/m2(计算集中线荷载时取值为0.5KN/m2)施工均布活荷载=梁宽m×3KN/m2分项系数永久荷载分项系数取1.2;施工均布活荷载分项系数取1.4(二)计算实例:1、梁高700,梁宽7001.2x[0.70x0.70x26+(0.70+0.7+0.70)*0.50]+0.70x3x1.40=19.488<20,不需论证。
高大模板的确定和荷载计算方法一、高大模板的定义:根据《危险性较大的分部分项工程安全管理办法》(建质[2009]87号)和《建设工程高大模板支撑系统施工安全监督管理导则》(建质[2009]254号)规定:搭设高度8m及以上;搭设跨度18m及以上,施工总荷载15kN/m2及以上;集中线荷载20 kN/m及以上的模板支撑系统属于高大模板。
二、施工总荷载的计算方法:(一)荷载的组成施工荷载=永久荷载(钢筋砼自重+模板木方钢管的自重)×分项系数+施工均布活荷载×分项系数钢筋砼自重=板厚(m)×25KN/m3(25KN/m3为钢筋砼比重换算成KN/m3为单位,在计算均荷载时钢筋砼比重取值为25KN/m3。
)模板木方钢管的自重:0.3KN/m2(计算均荷载时取值为0.3KN/m2)施工均布活荷载:2KN/m2分项系数:永久荷载分项系数取1.2;施工均布活荷载分项系数取1.4(二)计算实例:(25×M+0.3)×1.2+2×1.4=15M=[(15-1.4x2)/1.2 -0.3]/25=0.394米取整M=394mm,即板厚达到或超过394MM时,需要专家论证。
三、集中线荷载的计算方法:(一)荷载的组成集中线荷载=永久荷载(钢筋砼自重+模板木方钢管的自重)×分项系数+施工均布活荷载×分项系数钢筋砼自重=梁的截面积(m2)×26KN/m3(26KN/m3为钢筋砼比重换算成KN/m3为单位,在计算集中线荷载时钢筋砼比重取值为26KN/m3。
)模板木方的自重=梁截面模板的周长(m)×0.5KN/m2(计算集中线荷载时取值为0.5KN/m2)施工均布活荷载=梁宽m×3KN/m2 分项系数永久荷载分项系数取1.2;施工均布活荷载分项系数取1.4(二)计算实例:1、梁高700,梁宽7001.2x[0.70x0.70x26+(0.70+0.7+0.70)*0.50]+0.70x3x1.40=19.488<20 ,不需论证。
荷载计算模板毕业设计教学楼荷载计算模板目录梁截面估算: ........................................ - 0 - 柱截面估算: ........................................ - 0 -楼面荷载计算: ...................................... - 2 - 梁荷计算:.......................................... - 3 - 底层、标准层平面图荷载数据..................... - 3 - 填充墙线荷载:........................... - 3 -楼梯荷载计算:........................... - 3 -大楼梯荷载:............................. - 3 - 屋顶平面图荷载数据............................ - 4 - 填充墙线荷载:........................... - 4 -女儿墙线荷载:........................... - 5 -梁截面估算:主梁:L=3000mmh=(1/8~1/12)L=250mm~375mm,取h=300mmb=(1/2~1/3)h=100mm~150mm ,取b=450mm取: b*h=250mm*450mmL=7200mmh=(1/8~1/12)L=600mm~900mm,取h=700mmb=(1/2~1/3)h=233.3mm~350mm ,取b=250mm取: b*h=250mm*700mmL=6600mmh=(1/8~1/12)L=550mm~825mm,取h=600mmb=(1/2~1/3)h=200mm~300mm ,取b=250mm取: b*h=250mm*600mm次梁:L=7200mmh=(1/8~1/12)L=600mm~900mm ,取h=700mmb=(1/2~1/3)h=233.3mm~350mm ,取b=250mm取: b*h=250mm*700mmL=3000mmh=(1/8~1/12)L=250mm~375mm ,取h=300mmb=(1/2~1/3)h=100mm~150mm ,取b=250mm取: b*h=250mm*450mm柱截面估算:抗震等级为三级时,轴压比限值为0.9 用C30混凝土2/14mm N f c =由公式:N c =负荷面积*fc*层数 N c =3.6*1.5*14*4=3.024KN 2400014*9.010*4.302*3===N c c c f N A μ取:400*400mmN c =(3.6+1.5)*1.5*14*4=4.284KN 3400014*9.010*4.428*3===N c c c f N A μ取:450*450mmN c =(1.5+1.5)*14*4=3*14*4=1.68KN 1333314*9.010*168*3===N c c c f N A μ取:350*350mmN c =(1.5+1.8)*3.6*14*4=11.88*14*4=6.6528KN 5280014*9.010*28.665*3===N c c c f N A μ取:500*500mmN c =(3.6+1.5)*(1.5+1.8)*14*4=16.83*14*4=9.452KN5.7480114*9.010*5.942*3===N c c c f N A μ取:550*550mmN c =(3.3+3)*3.6*14*4=22.68*14*4=12.7008KN 10080014*9.010*08.1270*3===N c c c f N A μ取:600*600mmN c =(3.6+1.5)*(3.3+3)*14*4=32.13*14*4=17.99KN 7.14277714*9.010*1799*3===N c c c f N A μ取:650*650mm楼面荷载计算:恒载:楼面板厚100mm ,采用钢筋混泥土材料,其重度为20KN/m3,双面抹灰采用水泥砂浆,厚度每面20mm 其重量20KN/m3。
建筑施工模板荷载及变形值的规定1荷载标准值1.1恒荷载标准值应符合下列规定:(1)模板及其支架自重标准值( )应根据模板设计图纸计算确定。
肋形或无梁楼板模板自重标准值应按下表采用。
模板构件的名称 木模板 定型组合钢模板 平板的模板及小梁 0.30 0.50楼板模板(其中包括梁的模板) 0.500.75楼板模板及其支架(楼层高度为4m 以下)0.75 1.10注:除钢、木外,其它材质模板重量见附录A 中的附表A 。
(2)新浇筑混凝土自重标准值( ),对普通混凝土可采用24kN/m3,其它混凝土可根据实际重力密度按本规范附表A 确定。
(3)钢筋自重标准值( )应根据工程设计图确定。
对一般梁板结构每立方米钢筋混凝土的钢筋自重标准值:楼板可取1.1kN ;梁可取1.5kN 。
(4)当采用内部振捣器时,新浇筑的混凝土作用于模板的最大侧压力标准值( ),可按下列公式计算,并取其中的较小值:(1.1—1)(1.1—2)式中:──新浇筑混凝土对模板的最大侧压力(kN/m2);──混凝土的重力密度(kN/m3);──混凝土的浇筑速度(m/h );──新浇混凝土的初凝时间(h ),可按试验确定。
当缺乏试验资料时,可采用(为混凝土的温度ºC);──外加剂影响修正系数。
不掺外加剂时取1.0,掺具有缓凝作用的外加剂时取1.2;──混凝土坍落度影响修正系数。
当坍落度小于30mm时,取0.85;坍落度为50~90mm时,取1.00;坍落度为110~150mm时,取1.15;──混凝土侧压力计算位置处至新浇混凝土顶面的总高度(m)。
混凝土侧压力的计算分布图形如下图所示,图中,为有效压头高度。
混凝土侧压力计算分布图形1.2活荷载标准值应符合下列规定:(1)施工人员及设备荷载标准值(),当计算模板和直接支承模板的小梁时,均布活荷载可取2.5kN/m2,再用集中荷载2.5kN进行验算,比较两者所得的弯矩值取其大值;当计算直接支承小梁的主梁时,均布活荷载标准值可取 1.5kN/m2;当计算支架立柱及其它支承结构构件时,均布活荷载标准值可取1.0kN/m2。
扣件钢管楼板模板支架计算书模板支架的计算参照《建筑施工扣件式钢管脚手架安全技术规范》(JGJ130-2001)。
模板支架搭设高度为2.8米,搭设尺寸为:立杆的纵距 b=1.00米,立杆的横距 l=0.90米,立杆的步距h=1.30米。
图1 楼板支撑架立面简图图2 楼板支撑架荷载计算单元采用的钢管类型为48×3.0。
一、模板面板计算面板为受弯结构,需要验算其抗弯强度和刚度。
模板面板的按照三跨连续梁计算。
静荷载标准值 q1 = 25.000×0.120×0.900+0.350×0.900=3.015kN/m活荷载标准值 q2 = (2.000+1.000)×0.900=2.700kN/m面板的截面惯性矩I和截面抵抗矩W分别为:本算例中,截面惯性矩I和截面抵抗矩W分别为:W = 90.00×1.80×1.80/6 = 48.60cm3;I = 90.00×1.80×1.80×1.80/12 = 43.74cm4;(1)抗弯强度计算f = M / W < [f]其中 f ——面板的抗弯强度计算值(N/mm2);M ——面板的最大弯距(N.mm);W ——面板的净截面抵抗矩;[f] ——面板的抗弯强度设计值,取15.00N/mm2;M = 0.100ql2其中 q ——荷载设计值(kN/m);经计算得到 M = 0.100×(1.2×3.015+1.4×2.700)×0.300×0.300=0.067kN.m经计算得到面板抗弯强度计算值 f = 0.067×1000×1000/48600=1.370N/mm2面板的抗弯强度验算 f < [f],满足要求!(2)抗剪计算T = 3Q/2bh < [T]其中最大剪力 Q=0.600×(1.2×3.015+1.4×2.700)×0.300=1.332kN 截面抗剪强度计算值 T=3×1332.0/(2×900.000×18.000)=0.123N/mm2截面抗剪强度设计值 [T]=1.40N/mm2抗剪强度验算 T < [T],满足要求!(3)挠度计算v = 0.677ql4 / 100EI < [v] = l / 250面板最大挠度计算值 v = 0.677×5.715×3004/(100×6000×437400)=0.119mm面板的最大挠度小于300.0/250,满足要求!二、模板支撑方木的计算方木按照均布荷载下三跨连续梁计算。
3. 现浇梁板支模方案现浇板采用15mm厚双面覆膜竹胶板做面板,下铺方木间距150-200mm,板支撑采用满堂红碗扣钢管架,钢管架立杆间距900mm。
面板四周交接处用海绵毡条塞实,胶带封严以防漏浆。
见图4-6。
图4-6现浇板支撑示意图图4-7所有次梁及外墙简支梁、阳台挑梁配置定型钢模板,其他简支梁配置木模板。
梁模面板:直梁的底模与侧模均采用15mm厚多层板,龙骨:采用50×70mm单面刨光方木。
梁侧模、梁底模按图纸尺寸进行现场加工,由塔吊车运至作业面组合拼装。
然后加方楞并利用支撑体系将梁两侧夹紧,当梁高大于500时,加对拉螺杆加固,在梁h/2处加Φ12穿墙螺栓@600。
梁底钢管支撑加固。
所有跨度大于或等于4米的梁,均需在跨中起拱0.3%L,悬挑梁均需在悬臂端起拱0.6%。
梁板支撑固定系统采用Φ48钢管和扣件支撑固定。
现浇板模板采用满堂红钢管脚手架支撑架,梁模支撑当梁断面小于400×700 mm,层高小于4.5米时,可采用双排立杆。
4.楼梯支模方案采用木模板。
板底、板侧模板均采用1.5mm双面覆膜竹胶板做面板,50×70mm 方木板楞;踏步板配置木模板,用2根50×70做踏步板背楞,横向踏步梯板宽度用15mm多层板板按踏步设计尺寸。
楼梯模板采用钢管架子支撑。
4.4.2施工准备1.模板:1.5㎝双面覆膜竹胶板。
2.钢管:采用Φ48和铸铁扣件,作为模板的支撑体系。
3.其他支模用具:Φ32锥形/Φ14对拉螺栓(地下外墙带止水片)、80×100mm 方木、钢筋撑子、脱模剂、海绵条(单、双面胶条)、硬质塑料套管、钢丝网片、各种连接螺栓等。
4.机具:空压机、角磨机、扳手、盒尺等。
4.4.7模板计算书(含模板支撑验算)1.现浇板模板计算楼板厚度100mm 、120mm模板板面采用15mm层板,次龙骨采用50×70mm,E=104N/mm2,I=bh3/12=40×703/12=1.63×104mm4,方木主龙骨采用50×70mm方木。
模板荷载计算.3. 现浇梁板支模方案现浇板采用15mm厚双面覆膜竹胶板做面板,下铺方木间距150-200mm,板支撑采用满堂红碗扣钢管架,钢管架立杆间距900mm。
面板四周交接处用海绵毡条塞实,胶带封严以防漏浆。
见图4-面板四周交接处用海绵毡条塞实,胶带封严以防漏浆。
见图4:直梁的底模与侧模均采用15mm厚多层板,龙骨:采用50×70mm 单面刨光方木。
梁侧模、梁底模按图纸尺寸进行现场加工,由塔吊车运至作业面组合拼装。
然后加方楞并利用支撑体系将梁两侧夹紧,当梁高大于500时,加对拉螺杆加固,在梁h/2处加Φ12穿墙螺栓@600。
梁底钢管支撑加固。
所有跨度大于或等于4米的梁,均需在跨中起拱0.3%L,悬挑梁均需在悬臂端起拱0.6%。
梁板支撑固定系统采用Φ48钢管和扣件支撑固定。
现浇板模板采用满堂红钢管脚手架支撑架,梁模支撑当梁断面小于400×700 mm,层高小于4.5米时,可采用双排立杆。
4.楼梯支模方案采用木模板。
板底、板侧模板均采用1.5mm双面覆膜竹胶板做面板,50×70mm方木板楞;踏步板配置木模板,用2根50×70做踏步板背楞,横向踏步梯板宽度用15mm多层板板按踏步设计尺寸。
楼梯模板采用钢管架子支撑。
4.4.2施工准备1.模板:1.5㎝双面覆膜竹胶板。
2.钢管:采用Φ48和铸铁扣件,作为模板的支撑体系。
3.其他支模用具:Φ32锥形/Φ14对拉螺栓(地下外墙带止水片)、80×100mm 方木、钢筋撑子、脱模剂、海绵条(单、双面胶条)、硬质塑料套管、钢丝网片、各种连接螺栓等。
4.机具:空压机、角磨机、扳手、盒尺等。
4.4.7模板计算书(含模板支撑验算)1.现浇板模板计算楼板厚度100mm 、120mm模板板面采用15mm层板,次龙骨采用50×70mm,E=104N/mm2,I=bh3/12=40×703/12=1.63×104mm4,方木主龙骨采用50×70mm方木。
1)荷载计算模板及支架自重标准值:0.3KN/m2混凝土标准值:2.4 KN/m2 钢筋自重标准值:1.1 KN/m2施工人员及设备荷载标准值:2.5 KN/m2楼板按100mm厚算,荷载标准值:F1=9.9Kn荷载标准值:F2=12.38Kn2)计算次龙骨间距新浇筑的混凝土均匀作用在胶合板上,单位宽度的面板可以为梁、次龙骨作为梁支点按三跨连续考虑,梁宽取250mm。
板厚按120mm计算。
(1)抗弯强度验算式中:M——弯距设计值(N.mm)q1——作用在顶板模板上的均布荷载(N/mm),按《建筑施工手册》(第四版)表8-采用50×70mm 单面刨光方木。
梁侧模、梁底模按图纸尺寸进行现场加工,由塔吊车运至作业面组合拼装。
然后加方楞并利用支撑体系将梁两侧夹紧,当梁高大于500时,加对拉螺杆加固,在梁h/2处加Φ12穿墙螺栓@600。
梁底钢管支撑加固。
所有跨度大于或等于4米的梁,均需在跨中起拱0.3%L,悬挑梁均需在悬臂端起拱0.6%。
梁板支撑固定系统采用Φ48钢管和扣件支撑固定。
现浇板模板采用满堂红钢管脚手架支撑架,梁模支撑当梁断面小于400×700 mm,层高小于4.5米时,可采用双排立杆。
4.楼梯支模方案采用木模板。
板底、板侧模板均采用1.5mm双面覆膜竹胶板做面板,50×70mm方木板楞;踏步板配置木模板,用2根50×70做踏步板背楞,横向踏步梯板宽度用15mm多层板板按踏步设计尺寸。
楼梯模板采用钢管架子支撑。
4.4.2施工准备1.模板:1.5㎝双面覆膜竹胶板。
2.钢管:采用Φ48和铸铁扣件,作为模板的支撑体系。
3.其他支模用具:Φ32锥形/Φ14对拉螺栓(地下外墙带止水片)、80×100mm 方木、钢筋撑子、脱模剂、海绵条(单、双面胶条)、硬质塑料套管、钢丝网片、各种连接螺栓等。
4.机具:空压机、角磨机、扳手、盒尺等。
4.4.7模板计算书(含模板支撑验算)1.现浇板模板计算楼板厚度100mm 、120mm模板板面采用15mm层板,次龙骨采用50×70mm,E=104N/mm2,I=bh3/12=40×703/12=1.63×104mm4,方木主龙骨采用50×70mm方木。
1)荷载计算模板及支架自重标准值:0.3KN/m2混凝土标准值:2.4 KN/m2 钢筋自重标准值:1.1 KN/m2施工人员及设备荷载标准值:2.5 KN/m2楼板按100mm厚算,荷载标准值:F1=9.9Kn荷载标准值:F2=12.38Kn2)计算次龙骨间距新浇筑的混凝土均匀作用在胶合板上,单位宽度的面板可以为梁、次龙骨作为梁支点按三跨连续考虑,梁宽取250mm。
板厚按120mm计算。
(1)抗弯强度验算式中:M——弯距设计值(N.mm)q1——作用在顶板模板上的均布荷载(N/mm),按《建筑施工手册》(第四版)表8:1.5×0.45×0.8×1.2=0.648振捣混凝土荷载:2×0.45×1.2=1.08合计:q1=12.204 乘以折减系数0.9 则q1×0.9=q2=10.98kN/mb.抗弯承载力验算:底模下的楞木间距为0.2m,是一个多等多跨连续梁,考虑木材的长度有限,故按四等跨计算。
按最不利荷载部之中结构静力表示得。
弯矩系数:km=-2×0.45×1.2=1.08合计:q1=12.204 乘以折减系数0.9 则q1×0.9=q2=10.98kN/mb.抗弯承载力验算:底模下的楞木间距为0.2m,是一个多等多跨连续梁,考虑木材的长度有限,故按四等跨计算。
按最不利荷载部之中结构静力表示得。
弯矩系数:km=:kv=-0 .620挠度系数:kw=0.967则M=kM×ql2=-kw=0.967则M=kM×ql2=:v=kvq1=-0.620×10.98×0.2=1.36kN剪应力:τ=3v/(2bh)=3×1.36×103/(2×450×40)=0.113n/mm2<fv=1.4n/mm2(3) 挠度验算:荷载不包括振捣混凝土载荷。
则q1=11.24则q2=10.012kN/m0.967×10.012×2004/(100×9×103×450×403/12)=0.00717<[w]=1/720=200/720=0.278(满足要求)2) 侧模验算:(1) 荷载验算:假设T=30℃,则;a.侧压力:F1=0.22rctoβ1β2v0.5=0.22×24×200/(30+15) ×12×1×20.5=39.82kN/mF2=rch=24×0.8=19.2kN/m取两者较小值,即F2=19.2kN/m乘以分项系数:F=19.2×1.2=23.04 kN/m2b.振捣混凝土时产生荷载:4 kN/m2乘以分项系数4×1.4=5.6 kN/m2上两项系数合计23.04+5.6=28.64 kN/m根据立档间距为600mm的条件,则载荷为:乘以折减系数,则q=17.184×0.9=15.4656n/mm(2) 抗弯强度验算:仍按四等跨计算,其km,kv,kww于前述相同设侧模用50mm 厚则:m=kmql2=-τ=3v/(2bh)=3×1.36×103/(2×450×40)=0.113n/mm2<fv=1.4n/mm2(3) 挠度验算:荷载不包括振捣混凝土载荷。
则q1=11.24则q2=10.012kN/m0.967×10.012×2004/(100×9×103×450×403/12)=0.00717<[w]=1/720=200/720=0.278(满足要求)2) 侧模验算:(1) 荷载验算:假设T=30℃,则;a.侧压力:F1=0.22rctoβ1β2v0.5=0.22×24×200/(30+15) ×12×1×20.5=39.82kN/mF2=rch=24×0.8=19.2kN/m取两者较小值,即F2=19.2kN/m乘以分项系数:F=19.2×1.2=23.04 kN/m2b.振捣混凝土时产生荷载:4 kN/m2乘以分项系数4×1.4=5.6 kN/m2上两项系数合计23.04+5.6=28.64 kN/m根据立档间距为600mm的条件,则载荷为:乘以折减系数,则q=17.184×0.9=15.4656n/mm(2) 抗弯强度验算:仍按四等跨计算,其km,kv,kww于前述相同设侧模用50mm 厚则:m=kmql2=:v=0.620ql=0.620×10.98×600=4084.56N=4.85kN 剪应力:(满足要求)(4) 挠度验算:取侧压力f=23.04kN/m2化为线荷载23.04×0.6=13.82kN/m乘以折减系数q=0.9×13.82=12.24kN/mw=0.967ql4/(100EI)=0.967×12.24×6004×12/(1 00×9×103×600×403)=0.533mm<[w]=1/400=600/400d=1.5mm(满足要求)(5) 钢管支柱验算(按1250mm验算):(满足要求)欢迎您的光临,wdrd文档下载后可以修改编辑。
双击可以删除页眉页脚。
谢谢!单纯的课本内容,并不能满足学生的需要,通过补充,达到内容的完善教育之通病是教用脑的人不用手,不教用手的人用脑,所以一无所能。
教育革命的对策是手脑联盟,结果是手与脑的力量都可以大到不可思议。
. 达到当天最大量API KEY 超过次数限制。