2019最新11图集与03图集钢筋平法讲座语文
- 格式:ppt
- 大小:8.52 MB
- 文档页数:118
平法系列(一)——梁在平法图集03G101-1中,对于梁的规定多而复杂;在实际工程中,对于梁钢筋的计算多种多样。
为了便于大家更好地掌握梁中钢筋的计算方法,下面我们就为大家介绍一下在平法图集中梁的相关内容。
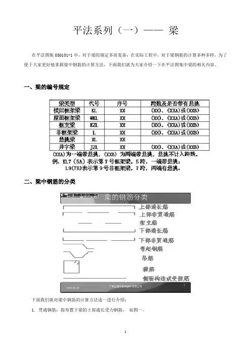
一、梁的编号规定二、梁中钢筋的分类下面我们就对梁中钢筋的计算方法逐一进行介绍:1. 贯通钢筋:指布置于梁的上部通长受力钢筋,如图一。
L=各跨长之和-左支座内侧长度-右支座内侧长度+锚固长度+搭接长度端支座锚固长度的判别条件:a.锚固 LAEb.支座宽度-保护层厚度+15*dc.当楼层框架梁的纵向钢筋直锚长度>=Lae且>= 0.5hc+5d时,可不必往上(下)弯锚,即支座宽度-保护层>=Lae且>=0.5hc+5d,取锚固长度。
从03G101-1第54页中,我们可以知道KL梁因其情况不同,端支座有不同的锚固方式。
对于以上这些不同的锚固计算方法,GGJ9.0软件提供了两种处理方式,如下图。
大家可以根据实际情况进行选择。
2. 支座负筋:指布置于梁的上部支座处的负弯矩钢筋。
(1)端支座负筋,如图二。
计算公式:(Ln净跨长)上排钢筋长度=Ln/3+锚固长度下排钢筋长度=Ln/4+锚固长度锚固同梁上部贯通筋端支座的锚固。
(2)中间支座负筋,如图三。
计算公式:(Ln净跨长)注:P28中LN取支座两边较大一跨的净跨值。
上排钢筋长度=2*Ln/3+支座宽度下排钢筋长度=2*Ln/4+支座宽度3. 架立筋:指梁上部连接两支座负弯矩钢筋的连接构造钢筋,起稳固箍筋的作用,如图四。
计算公式:(Ln净跨长)架立筋长度=Ln/3+2*搭接长度(现在软件中是150mm)平法中规定,当贯通筋和架立筋同时存在时,取150mm。
4. 下部钢筋:指布置于梁的下部通长受力钢筋,如图五。
计算公式:(Ln净跨长;注:下部钢筋,不分上下排)框架梁下部钢筋=净跨长度+2*锚固长度(或0.5Hc+5D)5. 跨中支座负筋注:指中间梁跨是短跨的时候,可以直接通过的负筋,如图六。
读《11G101-1~3》图集心得平法定义平法制图是将各类钢筋混凝土结构构件的尺寸、配筋等相关内容,按照平面整体的制图方法,依次直接表达在各类构件的结构平面布置图上,再与标准构造详图相配合,即构成一套完整的结构设计图。
混凝土平法系列的图集包括:11G101-1《混凝土结构施工图平面整体表示方法制图规则和构造详图(现浇混凝土框架、剪力墙、梁、板)》11G101-2《混凝土结构施工图平面整体表示方法制图规则和构造详图(现浇混凝土板式楼梯)》11G101-3《混凝土结构施工图平面整体表示方法制图规则和构造详图(独立基础、条形基础、筏板基础及桩承台基础)》一、11G101-1图集1、本图集囊括了基础顶面以上的现浇钢筋混凝土柱、剪力墙、梁、板(包括有梁楼盖和无梁楼盖)等构件的平法制图规则和标准构造详图两部分内容。
2、为了规范使用建筑结构施工图平面整体设计方法,保证按平法设计绘制的结构施工图实现全国统一,确保设计、施工质量,特制定本制图规则。
其适用于非抗震和抗震设防烈度为6~9度地区,现浇混凝土框架、剪力墙、框架-剪力墙和部分框支剪力墙等基础顶面以上的主体结构施工图的设计,以及各类结构中的现浇混凝土板(包括有梁楼盖和无梁楼盖)、地下室结构部分混凝土墙体、柱、梁、板结构施工图的设计。
3、结构层楼面标高是结构施工图的重要组成部分,其系指将建筑图中的各层地面和楼面标高值扣除建筑面层及垫层做法厚度后的标高,结构层号应与建筑楼层号对应一致。
结构层楼面标高和结构层高在单项工程中必须统一,以保证基础、柱与墙、梁、板、楼梯等用同一标准竖向定位,为了施工方便,应将统一的结构层楼面标高和结构层高分别放在柱、墙、梁等各类构件的平法施工图中。
4、柱平法施工图制图规则柱平法施工图系在柱平面布置图上采用列表注写方式和截面注写方式。
(1)针对列表注写方式,是在柱平面布置图上,分别在同一编号的柱中选择一个(有时需要选择几个)截面标注几何参数代号;在柱表中注写柱编号、柱段起止标高、几何尺寸与配筋的具体数值,并配以各种截面形状及其箍筋类型图的方式,来表达柱平法施工图。
深度解析钢筋平法11G101系列[附高清图集下载]11G101系列新平法2011年9月1日正式实施:《混凝土结构施工图平面整体表示方法制图规则和构造详图(现浇混凝土框架、剪力墙、梁、板)》11G101-1《混凝土结构施工图平面整体表示方法制图规则和构造详图(现浇混凝土板式楼梯)》11G101-2《混凝土结构施工图平面整体表示方法制图规则和构造详图(独立基础、条形基础、筏形基础及桩基承台)》11G101-311G101系统平法图集较03G101系列图集较大变化有:一、适用范围变化:11G101-1适用于非抗震和抗震设防烈度为6~9度地区的现浇混凝土框架、剪力墙、框架-剪力墙和部分框支剪力墙等主体结构施工图的设计,以及各类结构中的现浇混凝土板(包括有梁楼盖和无梁楼盖)、地下室结构部分现浇混凝土墙体、柱、梁、板结构施工图的设计。
包括基础顶面以上的现浇混凝土柱、剪力墙、梁、板(包括有梁楼盖和无梁楼盖)等构件的平法制图规则和标准构造详图两大部分。
11G101-3适用于各种结构类型下现浇混凝土独立基础、条形基础、筏形基础(分梁板式和平板式)、桩基承台施工图设计。
包括常用的现浇混凝土独立基础、条形基础、筏形基础(分梁板式和平板式)、桩基承台的平法制图规则和标准构造详图两大部分内容。
二、受拉钢筋锚固长度等一般构造变化:11G101系列平法图集依据新规范确定了受拉钢筋的基本锚固长度lab、labe,以及锚固长度la、lae的计算方式。
较03G101系列平法图集取值方式、修正系数、最小锚固长度都发生了变化。
三、构件标准构造详图变化:11G101-1中抗震KZ边柱和角柱柱顶纵筋构造,较03G101有如下变化:1、新图集中各个节点可以进行组合使用;2、柱外侧纵筋不少于柱外侧全部纵筋的65%伸入梁内;(与原图集一致)3、A节点,外侧伸入梁内钢筋不小于梁上部钢筋时,可以弯入梁内作为梁上部纵向钢筋。
(新增的构造)4、所有节点内侧钢筋按中柱节点走;5、BC节点,区分了外侧钢筋从梁底算起1.5labe是否超过柱内侧边缘;超过的,外侧配筋率>1.2%分批截断,错开20d;没有超过的,弯折部分要>=15d,总长>1.5labe,同样错开20d;6、D节点是未伸入梁内的外侧钢筋构造,(与原图集一致)7、E节点是梁、柱纵向钢筋接头沿节点柱顶外侧直线布置的情况,与节点A组合使用;外侧柱纵筋到柱顶截断;梁上部钢筋伸入柱1.7labe。
平法钢筋11G101图集相关知识点1、什么叫平法?平法的表达方式,概括来讲,是把结构构件的尺寸和配筋等,按照平面整体表示制图规则,整体直接表达在各类构件的结构平面布置图上,再与标准构造详图相配合,即构成一套新型的完整的设计。
2、什么叫结构层楼面标高?结构层楼面标高系指将建筑图中的各层地面和楼面标高值扣除建筑面层及垫层做法厚度后的标高,结构层号应与建筑楼层号对应一致。
11G101平法系列图集共有三本,包括:11G101-1(主要讲的是现浇砼框架、剪力墙、梁、板部分的平面整体表示方法制图规则和构造详图)本图集包括基础顶面以上的现浇砼柱、剪力墙、梁、板(包括有梁楼盖和无梁楼盖)等构件的平法制图规则和标准构造图两大部分。
本图集适用于非抗震和抗震设防烈度为6~9度地区的现浇砼框架、剪力墙、框架-剪力墙和部分框支剪力墙等主体结构施工图的设计,以及各类结构中的现浇板(包括有梁楼盖和无梁楼盖)、地下室结构部分现浇砼墙体、柱、梁、板结构施工图的设计。
11G101-2(主要讲的是现浇砼板式楼梯部分的平面整体表示方法制图规则和构造详图)本图集包括现浇砼板式楼梯制图和标准构造图两大部分。
本图集适用于非抗震和抗震设防烈度为6~9度地区的现浇钢筋砼板式楼梯。
11G101-3(主要讲的是独立基础、条形基础、筏形基础及桩基承台部分的平面整体表示方法制图规则和构造详图)本图集包括常用的现浇砼独立基础、条形基础、筏形基础及桩基承台的平法制图规则和标准构造图两大部分。
本图集适用于各种结构类型的现浇砼独立基础、条形基础、筏形基础及桩基承台施工图设计。
第一部分制图规则柱平法施工图系在柱平面布置图采用列表注写方式或截面注写方式表达。
一、柱1、柱要计算哪些钢筋?柱要计算的钢筋主要有纵筋(基础插筋、中间层纵筋、顶层纵筋、变截面纵筋)、箍筋、拉筋。
这里要注意的是1、只有顶层纵筋才分边柱、角柱、中柱,其它层无须划分。
2、变截面纵筋要注意斜通上层和当前层锚固。
钢筋平法计算手册第一章钢筋计算相关知识一、“平法”基本原理“平法”视全部设计过程与施工过程为一个完整的主系统,主系统由多个子系统构成:基础结构、柱墙结构、梁结构、板结构,各子系统有明确的层次性、关联性和相对完整性。
1、层次性:基础→柱、墙→梁→板,均为完整的子系统;2、关联性:柱、墙以基础为支座→柱、墙与基础关联;梁以柱为支座→梁与柱关联;板以梁为支座→板与梁关联;3、相对完整性:基础自成体系,柱、墙自成体系,梁自成体系,板自成体系。
二、“平法”应用原理1、将结构设计分为“创造性设计”内容与“重复性”(非创造性)设计内容两部分,两部分为对应互补关系,合并构成完整的结构设计;2、设计工程师以数字化、符号化的平面整体设计制图规则完成其创造性设计内容部分;3、重复性设计内容部分:主要是节点构造和杆件构造以《广义标准化》方式编制成国家建筑标准构造设计。
正是由于“平法”设计的图纸拥有这样的特性,因此我们在计算钢筋工程量时首先结合“平法”的基本原理准确理解数字化、符号化的内容,才能正确的计算钢筋工程量。
三、钢筋计算原理我们在计算钢筋工程量时,其最终原理就是就算钢筋的长度。
如(图1)(图1)四、钢筋的公称截面面积、计算截面面积及理论重量――GB50010-2002注:表中直径d=8.2mm的计算截面面积及理论重量仅适用于有纵肋的热处理钢筋五、混凝土结构的抗震等级――GB50010-2002注:1、丙类建筑应按本地区的设防烈度直接由本表确定抗震等级;其他设防类别的建筑,应按现行国家标准《建筑抗震设计规范》GB50011的规定调整设防烈度后,再按本表确定抗震等级;2、建筑场地为I类时,除6度设防烈度外,应允许按本地区设防烈度降低一度所对应的抗震等级采取抗震构造措施,但相应的计算要求不应降低;3、框架-剪力墙结构,当按基本振型计算地震作用时,若框架部分承受的地震倾覆力矩大于结构总地震倾覆力矩的50%,框架部分应按表中框架结构相应的抗震等级设计;4、部分框支剪力墙结构中,剪力墙加强部位以上的一般部位,应按剪力墙结构中的剪力墙确定其抗震等级。