426超前小导管注浆工程检验批质量验收记录表
- 格式:xls
- 大小:28.50 KB
- 文档页数:1
注浆防水检验批质量验收记录表
说明
主控项目
1.注浆防水选用的注浆材料质量应符合设计要求。
检验数量:施工单位按进场批次检验,监理单位按20%比例见证检验。
检验方法:施工单位进行试验,监理单位检查产品合格证、试验报告,见证检验。
2.浆液配合比设计应符合设计要求。
检验数量:施工单位、监理单位全部检查。
检验方法:施工单位进行配合比试验,监理单位检查配合比试验单、见证试验。
3.注浆效果必须符合设计要求。
检验数量:每100 m2抽查一处,每处10 m2,且不少于3处。
检验方法:施工单位采用钻孔取芯、压水(或空气)等方法检查,监理单位查检查报告,见证检查。
一般项目
1.注浆压力、注浆量、注浆时间等注浆参数应符合设计要求。
检验数量:施工单位全部检查。
检验方法:现场观察。
2.注浆孔数量、布置、间距、孔深应符合设计要求。
检验数量:施工单位全部检查。
检验方法:尺量,观察。
3.注浆对地表的影响应符合设计要求。
检验数量:施工单位全部检查。
检验方法:尺量,观察。
4.注浆应符合下列规定:
(1)超前预注浆后的漏水量应小于设计值,浆液固结体达到设计强度后方可开挖;
(2)初期支护衬砌背后注浆应在初期支护强度达到100%后进行。
检验数量:施工单位全部检查。
检验方法:观察,查施工记录。
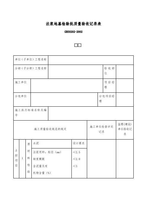
注浆地基工程检验批质量验收记录表说明主控项目:1—1 水泥。
符合设计要求。
检查产品合格证或检验报告。
1—2注浆用砂。
粒径<2.5mm。
检查试验报告。
细度模数<2.0%。
检查试验报告。
含泥量及有机物含量<3%。
检查试验报告。
1—3注浆用粘土。
塑性指数>14粘粒含量>25%含砂量<5%有机物含量<3%。
检查试验报告。
1—4粉煤灰。
细度。
不粗于同时使用的水泥。
烧失量。
<3%。
检查试验报告。
1—5水玻璃模数。
2.5~3.3。
检查试验报告。
1—6其它化学浆液。
符合设计要求。
检查试验报告。
2、注浆体强度。
符合设计要求。
检查试验报告。
3、地基承载力。
由设计提出要求,在施工结束后,一定时间后进行地基的承载力检验。
其检验方法也因各地设计单位的习惯、经验等不同,选用标贯、静力触探及十字板剪切强度等方法。
按设计指定方法检验。
其结果必须达到设计要求的标准。
2222抽以上,每点;3000m3点,1000m300m以上,每100m抽查1每个单位工程不少于查1点;独立柱每柱1点,基槽每20延长米1点。
注浆后15天(砂土、黄土)或60天(粘性土)检验。
检查孔数总量的2~5%,不合格率<20%,否则应进行二次注浆。
一般项目:1、各种注浆材料称量误差:<3%。
检查称量记录及抽样检查。
2、注浆孔位:±20mm。
尺量检查。
3、注浆孔深:≤100mm。
尺量检查注浆管的长度。
4、注浆压力(与设计参数比):±10%。
检查压力表数据。
施工前检查注浆点位置、浆液配比、注浆技术参数、材料质量及注浆设备状况。
施工中应抽查,浆液配比、注浆技术性能、注浆顺序、压力控制等技术参数。
施工结束对注体.强度、承载能力等进行检测。
检查后形成施工记录或检验报告。
检查施工记录和检验报告。
本文档可编辑,内容仅供参考,需要结合您的实际情况进行修改调整。
编辑技巧分享:了,这时我们可以通过设置ctrl+z是office软件撤回的操作,但是一般计算机默认只可以撤几步就不能撤word选项-高级,来设置可取消操作数即可,按编辑文档时如果想要快速插入时间可以按shift+alt+d,时间显示的方式以天为单位,比如2018/3/22 ,时间显示以当天分钟为单位:08:31。
预注浆、后注浆工程检验批质量验收记录表
GB50208—2002
说明
010514 按注浆加固或堵漏面积每100m2抽查一处,每处10m2,且不得少于3处。
主控项目:
1、配制浆液的原材料及配合比必须符合设计要求。
同时应符合第7.1.2条规定。
检查出厂合格证、质量检验报告、计量措施和试验报告。
2、注浆效果必须符合设计要求。
采用钻孔取芯、压水(或空气)等方法检查。
一般项目:
1、注浆孔的数量、布置间距、钻孔深度及角度应符合设计要求。
检查隐蔽工程验收记录。
2、注浆各阶段的控制压力和进浆量应符合设计要求。
检查隐蔽工程验收记录。
3、注浆时浆液不得溢出地面和超出有效注浆范围。
观察检查。
4、注浆对地面产生的沉降量不得超过30mm,地面的隆起不得超过20mm。
用水准仪测量。
超前小导管施工检查一览表
隧道名称:部位编号:所属标段(工区:)序
过程检查内容合格不合格号
1 检查分项工程开工报告是否已批复、首件总结是否完成
事前 2 项目部对原材料的检验是否已合格,
对原材料是否抽检合格
总监办工地试验室施工前是否进行三级安全、技术交底,检查三级交底是
3
否完成
超前小导管注浆浆液强度、配合比、注浆压力和注浆量4
是否满足设计要求,浆液是否充满钢管及周围的空隙
5超前小导管的打入角度是否符合施工技术规范规定
事中 6 两组小导管之间纵向水平搭接长度不小于1m
7超求前小导管的长度、数量、孔位、孔深是否符合设计要
8钢管尾端与钢架焊接有无假焊、漏焊
9相关记录表格(影像资料)是否齐全
事后
10对上道工序是否签认,现场技术人员是否到岗
符合要求:√不符合要求:×施工员:主管工程师:日期:
监理:日期:。