车库顶板防水卷材铺设技术交底
- 格式:doc
- 大小:461.00 KB
- 文档页数:9
工程名称 交底日期
Xx
施工单位
交底名称 车库顶板防水施工技术交底
交底提要 车库顶板防水、防水卷材、防水涂料
交底内容:
审核人 交底人
接受交底人
本表由施工单位填写,交底单位与接受交底单位各存一份。
现象,应及时进行处理。
6)细部处理:所有的阴阳角、突出车库顶板的检查井等处必须有附加层,附加层宽度300~500mm ,两边均匀搭接,要求进行满粘;附加层宽度在由3个面组成的阴角、底板外侧与平面交接处阴角、以及防水容易被外侧损坏的地方,还需在防水外面加第二层附加保护层。
附加层必须经项目质检员验收合格后方可进入下道工序,如下图:
阳角折裁图
折线
裁线
阳角附加层图250
250
阳角折式图
阳角成型图
250
250卷材阳角裁剪配件。
1、施工准备:1.1、材料准备:1.1.1、卷材:3厚高聚物弹性改性沥青(PY-2型聚氨酯)防水卷材、4mm厚化学阻根耐穿刺防水卷材1.1.2、基层处理剂(冷底子油):采用再生橡胶改性沥青的汽油溶液为基层处理剂1.1.3、接缝密封材料:采用橡胶沥青嵌缝膏,用于立面防水卷材收头密封。
1.1.4、辅助材料:主要是工业汽油,用于粘结剂稀释,机具清洗和热熔施工时汽油喷灯的燃料。
1.1.5、防水材料的技术性能应符合国家或行业产品标准一等品以上的质量要求。
1.2、工机具准备:高压吹风机、扫帚、汽油喷灯、小平铲、滚动刷、铁桶、压子、手持压滚、剪刀、皮卷尺、钢卷尺、小线绳、彩色粉、粉笔、灭火器1.3、施工条件:1.3.1、车库顶板施工完毕,混凝土原浆收光,经养护后干燥(含水率不大于9%)、平整、牢固,无空鼓开裂、不起砂。
阴阳角处抹成半径50mm的圆弧形(用PVC管抹)。
1.3.2、涂冷底子油前,将基层表面浮灰、垃圾等其它杂物清理干净。
1.3.3、施工用料均为易燃,应准备好相应的消防器材。
2、施工工艺2.1工艺流程:2.2、基层清理:涂刷冷底子油前,仔细将基层表面的垃圾、尘土等清除干净,必要时可采用喷灯局部喷烤,但喷烤时间不宜过长,防止爆裂、起砂。
报监理验收合格后,进行下一道工序。
2.3、涂刷基层处理剂:基层含水率不超过9%,(检验含水率的简便方法为:剪一块1000mm*1000mm见方的卷材平铺于基层表面,压紧,保持2小时,然后揭开卷材观察其下方基层面,如有明显的水珠,则表明含水率过大,不宜施工;如仅有潮气则可满足施工条件。
)在基层表面满刷一道冷底子油,涂刷要应均匀一致、不露底,待表面干燥后方可铺贴卷材。
2.4、铺贴附加层:阴阳角部位加铺一层同质卷材附加层,将卷材裁成相应的形状进行热熔满贴,宽度500mm,两侧各250mm,细部做法如下图所示。
附加层施工必须粘贴牢固,施工要细心。
项目质检员对此部位专门做隐蔽工程检查。
1、阴阳角、平面与立面的转角处等细节部分先进行刷涂,厚度宜为2mm,并将卷材裁成相应形状附上。
待做完附加层后进行全面施工,确保整体涂层保持一致的厚度。
2、阴阳角附加层按图纸要求采用500mm宽4厚SBS附加层,两侧各250mm宽。
(四) SBS防水卷材施工1、非固化橡胶沥青喷涂后,及时覆盖防水卷材,避免涂料冷却及现场中过多的灰尘粘结于涂料表层而降低涂料与防水卷材的粘结性。
2、若非固化橡胶沥青冷却而未及时覆盖防水卷材,则可使用喷灯对涂料表面进行加热,随后覆盖卷材。
3、SBS防水卷材搭接宽度不得小于100mm,应错幅搭接,具体应满足规范要求。
(五) 主要施工节点1、顶板后浇带节点2、地下室外墙与车库顶板处交接节点3、车库顶板风井处节点技术交底记录工程名称交底日期年月日分项工程名称地下室外墙防水分部工程防水工程(六)应注意的质量问题1、空鼓:发生在找平层与涂膜之间,其原因是基层含水率过大,施工时要控制基层含水率,接缝处认真操作。
2、渗漏:一般发生在地漏、管根、伸缩缝等处,施工中要加强检查:认真操作。
(七)应注意的安全文明施工事项1、操作工人进场应进行三级安全教育,接受项目部施工安全技术交底。
2、工人进场应统一着装、佩戴安全帽系帽带,做到安全文明施工,工完场清。
3、夜间施工应有足够的照明。
4、施工前须取得动火审批;施工时应注意防火,配备灭火器材。
(八)成品保护1、操作人员不得穿钉子鞋在已施工完成的防水层上作业。
2、穿过地面、墙面等处的管根、地漏不得碰损变位。
3、地漏、排水口等处应及时保护覆盖,保护畅通,禁止堵塞。
4、施工时应注意保护窗口、墙等成品,防止污染。
5、防水班组应自行做好成品保护以及施工过程中的保护工作。
6、在防水保护层砼施工时,应安排专人进行旁站,如有防水层破坏随时就行维修处理。
交底内容:一、施工准备1.机具准备:小平铲,扫帚,汽油喷灯,滚动刷,铁桶,压子,剪刀,钢卷尺,小线绳,粉笔,灭火器等;2.材料准备:防水卷材:3mmSBS防水卷材、4mm耐根穿刺,低温柔度-20℃,耐高温≥90℃,卷材幅宽为1m,每卷卷材长10m;基层处理剂:采用再生橡胶改性沥青的汽油溶液为基层处理剂;接缝密封材料:采用焦油聚氨酯密封材料,用于立面防水卷材收头密封及外墙管根等特殊部位的粘结处理;二、作业部位具体施工部位为:地下车库顶板;三、作业条件1.防水基层基础垫层隐蔽验收合格,结构队与防水队办理完工序交接手续;2.防水卷材合格证、准用证、检验报告、复试报告齐全,材料现场见证取样送检合格;3.防水施工分包单位资质齐备,现场管理人员和操作人员持证上岗;4.防水卷材和配套材料均为易燃材料,集中存放,有专人管理,并准备干粉灭火器;5.基坑边已用钢管做好围护,并通过验收;6.阴阳角部位做成圆弧形,圆弧半径为50mm;四、施工工艺1.工艺流程:基层清理→基层处理剂涂刷→附加层施工→验收→第一层SBS防水卷材铺贴→验收→第二层SBS防水卷材铺贴→卷材收头粘结、接头密封→验收→防水保护层2.地下车库顶板防水卷材施工基层处理:铺贴卷材前将基层表面的突起物、砂浆、疙瘩等杂物清除,把尘土清理干净;基层干燥,检测方法:将1m2的卷材平铺在找平层上,在中午太阳直射3小时后掀开,找平层覆盖部位与卷材上未见水印即可做防水层施工;基层处理剂涂刷:采用专用基层处理剂,稀释后在基层表面均匀涂刷一遍;涂刷基层处理剂时,要按一个方向进行,厚薄均匀,不漏底、不堆积;待基层处理剂干燥后干燥4小时,手感不粘,即可进行阴阳角附加层施工及墙面卷材的施工;铺贴附加层:后浇带、阴阳角等部位加铺一层同质卷材附加层,将卷材裁成相应的形状进行点粘,宽度500mm超过转折处或后浇带250mm;附加层施工必须粘贴牢固;项目质检员对此部位专门做隐蔽工程检查,并作书面记录;SBS防水卷材铺贴:为保证卷材铺贴质量,方便操作,卷材施工应按工序施工,依次如下:⑴用小白线和彩色粉弹线分档、确定卷材实际铺贴位置、铺贴间距,应符合有关卷材铺贴技术要求见第三条“技术质量要求及注意事项”所述;⑵然后选择底板西南角一个区范围做样板;经项目验收合格后,进行大面积施工;⑶按分档位置要求,将改性沥青防水卷材按铺贴长度和弹线尺寸裁剪并卷好备用,操作时将已卷好的卷材端头比齐开始铺的起点,点燃汽油喷灯,烘烤卷材底面与基层交界处,使卷材底面的改性沥青熔化,沿卷材幅宽往返加热,边烘烤边向前滚动卷材,用压辊滚压,排除卷材与基层间的气体,使卷材与基层粘结牢固;要求用力均匀、不窝气,掌握好铺设压边宽度;火焰喷灯与卷材底面的距离控制在300~500mm;卷材铺帖,必须按弹出的分档线进行,减少大面积的接头;⑷对于平面与立面相连的卷材如:永久性保护墙立面卷材,应先铺贴平面部分,然后由下向上满粘铺贴立面卷材,同时注意使卷材紧贴阴、阳角;形式见下图⑸永久保护墙上铺贴的卷材,里侧卷材留设600mm接头长度,外侧卷材留设300mm接头长度,以与将来外墙立面防水卷材搭接连接;对于该段防水卷材甩头,虚铺于保护墙上平面,并彩条布,上砌两皮红机砖临时保护墙进行保护;热熔封边:加热基层与卷材、卷材与卷材接缝处,观察当卷材的沥青刚刚熔化时,压合至边缘挤出沥青粘牢;大面积的卷材横纵接缝处必须溢出不间断的沥青,宽度2~3mm为宜;第二层SBS防水卷材铺贴:上下两层卷材的长边接缝应错开1/3~1/2幅宽,相邻两幅卷材的短边应错开500mm;且两层卷材不得相互垂直铺贴;封边及收头:卷材外露接缝、收头部位、管道包裹部位用专用密封膏密封严密;检查验收:卷材施工完毕,经施工队自检合格后,报项目部质检验收;完后,交结构队进行下道工序;3.地下车库挡土墙防水卷材施工墙体防水卷材施工工艺与地下车库顶板防水卷材施工工艺基本相同;以下几点需要注意:附加层施工:外墙防水附加层同前面地下室顶板要求,同时:管根、阴阳角等薄弱部位异形部位也必须加附加层;卷材与管根连接要求见下图:铺贴外墙立面防水卷材:立面防水卷材亦采用热熔法施工,其搭接位置、搭接长度、及卷材收头等要求同地下室顶板防水卷材施工要求,外墙防水层直接从地下室顶板甩出的接头开始,按搭接要求从下往上进行外墙防水层施工;也可同地下室顶板防水卷材同时一次性施工;卷材末端收头:接缝处用喷灯热熔卷材缝边缘,待表面熔化后随即用小铁抹子将边缝封好,再用喷灯均匀细致地将边缝烤一遍保证接头密封,以免翘边;卷材收头位置在室内首层楼板上,收头长度为400mm;六、注意问题1.铺贴卷材严禁在雨天施工;五级风及其以上时不得施工;2.铺贴时应展平压实,卷材与基面和各层卷材间必须粘贴紧密;3.搭接要求:相邻卷材的短边搭接不小于100mm,长边搭接不小于100mm;4.铺设规定:卷材铺贴时沿长方向进行,两层卷材必须平行铺贴,禁止垂直铺贴,铺贴时先平面后立面,交接处应交叉搭接;七、质量标准高聚物改性沥青防水卷材的规格、性能、配合比必须达标,并有合格的出厂证明;2.后浇带、阴阳角等防水卷材层特殊部位的细部做法要做附加层;3.防水层严禁有破损和露胎现象;4.基层要平整,无空鼓、起砂,阴阳角要弧形或钝角;5.冷底子油涂刷要均匀,不得有漏刷、透底和麻点现象;6.防水卷材铺附加层接头要嵌牢固;7.卷材粘结要牢固,无空鼓、损伤、滑移翘边、起泡、皱折等缺陷;八、安全环保要求1.进入现场必须戴安全帽,操作人员必须持证上岗;2.施工人员进场后,作业前统一进行安全教育,提高施工队管理人员和工人的安全意识;3.施工用的材料和辅助材料多为易燃物质,存放仓库及现场必须通风良好和严禁烟火,备有充足的消防器材;4.雨天、五级以上大风天气均不得施工;5.产品保存时要密封、防潮;存放时应保持通风、干澡、防止日光照射;6.搬运防水材料、稀料和汽油等要轻拿轻放,严禁扔放,避免摔坏包装罐体造成泄露7.防水材料堆放时要求码放整齐,按类堆放,堆放高度不宜超过三层;8.防水施工过程中的废弃物严禁随意丢弃,必须统一交到垃圾站有毒有害不可回收进行处理;9.在施工过程中,严格做好通风工作,防止中毒事故的发生;发现险情,立即抢救;。
地下车库顶板耐根穿刺防水卷材技术交底.doc 地下车库顶板耐根穿刺防水卷材技术交底一、引言本文档旨在对地下车库顶板耐根穿刺防水卷材的技术要求和施工细节进行交底,并提供相关资料和法律名词的注释。
二、技术要求1. 材料选择1.1 选择具有耐根穿刺性能的防水卷材,符合国家标准GB/T 23457-2009的要求。
1.2 防水卷材应具备良好的抗老化性能和耐温性能。
2. 施工方法2.1 准备工作2.1.1 清理施工区域,确保地下车库顶板表面干净、平整。
2.1.2 检查地下车库顶板结构是否有明显缺陷或病害,确保施工的安全和可靠。
2.1.3 按照设计要求布置防水层缝。
2.2 防水卷材的铺设2.2.1 对地下车库顶板进行预处理,涂刷专用的防水底涂剂。
2.2.2 从地下车库顶板的一个角开始,按照设计要求铺设防水卷材,并用专用刀具将卷材割接。
2.2.3 防水卷材的铺设要求平整、无褶皱,卷材之间的接缝要紧密、牢固。
2.2.4 在防水卷材的表面涂刷一层防护涂料,以提高其耐久性和耐根穿刺性能。
3. 质量控制3.1 施工前进行检查,确认施工材料和设备的质量达到要求。
3.2 施工过程中,定期进行质量检查,确保施工质量和防水卷材的性能符合要求。
3.3 施工完成后,进行终验,确保防水层的质量和性能满足设计要求。
附件:地下车库顶板耐根穿刺防水卷材选型表、施工工艺图等。
法律名词及注释:1. 防水卷材:也称防水卷材材料,是一种用于保护建筑物和结构防水的材料,常用于地下车库、屋顶等场所。
2. 耐根穿刺性能:指防水卷材能够抵抗根系穿刺进入防水层,保护建筑物和结构不受根系侵害的性能。
-----------------------------------------------------------------------------------------------------------------------------------地下车库顶板耐根穿刺防水卷材技术交底一、前言为了保障地下车库顶板的防水效果,本文档旨在交底地下车库顶板耐根穿刺防水卷材的技术要求和施工细节,并附上相关资料和法律名词注释,以供参考和实施。
技术交底记录编号:工程名称施工单位分项工程名称交底时间交底地点接受交底人员技术交底内容技术交底对象:现场专业工长及相关管理人员技术交底内容:车库顶板及主楼外墙防水1、防水卷材本工程主楼外墙及车库顶板防水卷材采用4厚自粘性聚酯胎SBS橡胶改性沥青防水卷材,3#变电室为一级防水,采用3+3自粘性聚酯胎SBS橡胶改性沥青防水卷材。
主楼防水卷材铺贴至建筑标高±0.00,即高出室外地面300。
2、施工工艺卷材与基层、卷材与卷材必须全粘贴。
2.1施工顺序:基层处理(1:2水泥砂浆找平层)、附加层铺贴、卷材铺贴、干铺油毡保护层、C20细石混凝土保护层。
基层处理:基层必须平整光滑,不得有松动、裂缝、空鼓、凹坑、起砂、掉灰等现象。
阴阳角处做成平整光滑的圆弧,圆弧半径为50mm。
在涂刷基层处理剂之前必须将基层清理干净。
2.2在大面积铺贴卷材之前,应对卷材转角处、后浇带等薄弱部位先铺贴卷材附加层。
卷材转角处附加层为转角两侧伸出长度≥25cm,后浇带增加两道防水附加层,第一道从后浇带边缘外伸50cm,第二道外伸70cm。
2.3车库顶板防水施工卷材铺贴:卷材的长边应沿统一方向铺贴,卷材应推滚铺贴,卷材搭接宽度≥10cm。
当基层与卷材表面的胶粘剂达到要求的干燥度后,即将卷材松弛地反卷在纸筒芯上,胶结面朝外,由两个人手持卷芯两端,匀速进行铺贴,另一个人用长柄压辊粘铺卷材并予以排气,排气时先滚压卷材中部,再从中部斜向上往两边排气,最后用手持压辊将卷材压实粘牢。
墙面卷材采用自下而上铺贴,全部全粘。
2.4立面铺贴卷材还应注意保护好已铺卷材不受损坏,以及避免人身安全事故,以防打滑和压破卷材。
2.5卷材收头处理卷材收头是防水层密封质量的关键,因此须以密封膏进行处理:卷材收头必须用搭接胶带或聚氨酯嵌缝膏封闭,封闭处固化后,在收头处再涂刷一层聚氨酯涂膜防水材料。
3、干铺油毡保护层干铺油毡保护层搭接宽度10cm,细石混凝土保护层有A6@150双层钢筋网必须保证干铺油毡满铺,无漏洞,搭接处压实。
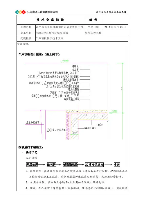
交底内容:一、防水做法:1、 20 厚 1:5 水泥增稠粉沙浆找平2、C20豆石混凝土找坡, 50 至 150 厚,找坡层内配筋φ 6@200双向钢筋网,分块浇筑6M× 6M,缝内填沥青砂子3、 4 厚 SHD耐根穿刺防水卷材层4、 3 厚聚酯胎基Ⅱ型SBS5、 20 厚 1:3 水泥沙浆找平层6、素水泥浆一道二、主要机具:长把滚刷、毛刷、喷灯、橡皮铁辊、扫帚、刮刀、灭火器械钢筋钩子、钢筋扳子、钢筋套丝机、绑扎架、。
三、资料要求:冷底子油,聚酯胎基Ⅱ型SBS,SHD 耐根穿刺防水卷材等资料,均使用北京市建委认证产品,并有资料查验报告,出厂质量证明书,使用说明书及防伪标记、,经复试合格后方可使用。
四、作业条件:1、施工前审查图纸,编制防水工程施工方案,并进行技术交底;车库顶板防水一定由专业队施工,持证上岗。
2、铺贴防水层的基层表面,应将灰尘、杂物完全消除干净。
3、卷材及配套资料一定查收合格,规格、技术性能一定切合设计要求及标准的规定。
寄存易燃资料应避开火源。
4、铺贴防水层的基层平坦、坚固,并没有起砂、空鼓、开裂等现象,阴阳角处做成R= 50 圆弧。
5、防水层铺贴在非雨天、雪天、以及五级以上狂风天施工,施工环境温度不低于-10℃。
6、基层一定干燥,含水率一定小于9%。
将 1m2见方的卷材铺于基层2-3 小时,若基层表面无水印,且紧贴基层一侧的卷材也无凝固水痕,即为合格。
7、钢筋绑扎前,应检查有无锈蚀,除锈以后再运至绑扎部位五、施工工艺:1、工艺流程:清理基层→水泥浆找平→铺贴卷材附带层→铺贴卷材→热熔封边→绑扎安装钢筋网→浇筑混凝土找坡层→铺贴疏水板→铺贴土工布→回填土2、基层清理:待垫层表面干燥后,将基层上的灰尘、杂物打扫干净。
3、依据卷材铺贴方向、卷材宽度,在地面上弹出卷材铺贴墨线。
4、涂刷冷底子油:用长把滚刷平均涂刷冷底子油,要求厚度一致,不得有漏刷和透底现象,阴阳角处用毛刷涂刷,待其手感不粘时即可进行下道工序。
车库顶板防水卷材铺设技术交底
1.1、材料准备:
1.1.1、卷材:3厚高聚物弹性改性沥青(PY-2型聚氨酯)防水卷材、
4mm厚化学阻根耐穿刺防水卷材
1.1.2、基层处理剂(冷底子油):采用再生橡胶改性沥青的汽油溶液为基层处理剂
1.1.3、接缝密封材料:采用橡胶沥青嵌缝膏,用于立面防水卷材收头密封。
1.1.4、辅助材料:主要是工业汽油,用于粘结剂稀释,机具清洗和热熔施工时汽油喷灯的燃料。
1.1.5、防水材料的技术性能应符合国家或行业产品标准一等品以上的质量要求。
1.2、工机具准备:
高压吹风机、扫帚、汽油喷灯、小平铲、滚动刷、铁桶、压子、手持压滚、剪刀、皮卷尺、钢卷尺、小线绳、彩色粉、粉笔、灭火器
1.3、施工条件:
1.3.1、车库顶板施工完毕,混凝土原浆收光,经养护后干燥(含水率不
大于9%)、平整、牢固,无空鼓开裂、不起砂。
阴阳角处抹成
半径50mm的圆弧形(用PVC管抹)。
1.3.2、涂冷底子油前,将基层表面浮灰、垃圾等其它杂物清理干净。
1.3.3、施工用料均为易燃,应准备好相应的消防器材。
2.1工艺流程:
2.2、基层清理:涂刷冷底子油前,仔细将基层表面的垃圾、尘土
等清除干净,必要时可采用喷灯局部喷烤,但喷烤时间不宜过长,防止爆裂、起砂。
报监理验收合格后,进行下一道工序。
2.3、涂刷基层处理剂:基层含水率不超过9%,(检验含水率的简
便方法为:剪一块1000mm*1000mm见方的卷材平铺于基层表面,压紧,保持2小时,然后揭开卷材观察其下方基层面,如有明显的水珠,则表明含水率过大,不宜施工;如仅有潮气则可满足施工条件。
)在基层表面满刷一道冷底子油,涂刷要应均匀一致、不露底,待表面干燥后方可铺贴卷材。
2.4、铺贴附加层:阴阳角部位加铺一层同质卷材附加层,将卷材裁
成相应的形状进行热熔满贴,宽度500mm,两侧各250mm,细部做法如下图所示。
附加层施工必须粘贴牢固,施工要细心。
项目质检员对此部位专门做隐蔽工程检查。