钣金喷涂件出厂检验报告
- 格式:doc
- 大小:951.00 KB
- 文档页数:10
钣金喷涂件出厂检验报告
一、基本情况
1、合格产品型号:**************
2、供应商名称:***************
3、检验日期:*****
4、检验批次:*****
5、检验数量:*****
6、检验人:*****
二、检验项目
1、钣金喷涂件尺寸:
检验钣金喷涂件的尺寸,通过数据量测设备对长度、宽度、厚度及其他特殊尺寸进行精密测量,确保尺寸精度符合设计要求。
2、钣金喷涂件的表面质量:
检验钣金喷涂件的表面质量,采用视觉技术、十二面双面尺、程序性玻璃平板、表面粗糙度仪等仪器,确保钣金喷涂件表面质量符合图纸设计要求。
3、涂层厚度及涂层硬度:
检验涂层厚度及涂层硬度,采用厚度仪、硬度仪等仪器,确保涂层厚度及硬度符合图纸设计要求。
4、钣金喷涂件外观质量:
检验钣金喷涂件的外观质量,采用视觉技术,检查钣金喷漆件是否有明显焊接缺陷、划伤、变形、脱粉等质量缺陷,确保钣金喷涂件外观质量符合图纸设计要求。
三、检验结论
本次检验结果合格,钣金喷涂件尺寸、表面质量、涂层厚度及硬度、外观质量均能满足图纸设计要求。
四、检验意见
建议对检验合格的钣金喷涂件进行进一步的检测。
钣金件质量检验报告单___技术(北京)有限公司钣金件质量检验报告单项目编号:本报告单针对___技术(北京)有限公司生产的钣金件进行质量检验。
以下是检验项目及结果:外形尺寸:钣金件的外形尺寸需要符合要求。
经检验,所有产品的外形尺寸均一致,检验结果为√合格。
配件数量:每个钣金件的配件数量需要满足生产要求。
经检验,所有产品的配件数量均符合要求,检验结果为√合格。
颜色:钣金件的颜色需要一致。
经检验,有单体产品颜色不一致现象,但成批产品颜色一致,检验结果为□不一致。
镀锌:钣金件需要进行镀锌处理。
经检验,所有产品均进行了镀锌处理,检验结果为√是。
喷塑:钣金件需要进行喷塑处理。
经检验,所有产品均进行了喷塑处理,检验结果为√是。
钣金件强度:钣金件需要具备一定强度。
经检验,所有产品的钣金件强度均符合要求,检验结果为√合格。
划痕:钣金件表面不能有较明显的划痕。
经检验,有轻微的划痕现象,但均在不明显处,检验结果为√轻微。
变形:钣金件不能有明显的变形。
经检验,有轻微的变形现象,但用直角尺测量不垂直,肉眼看不是很明显,检验结果为√轻微。
焊接:钣金件需要进行焊接处理。
经检验,所有产品的焊接均符合要求,检验结果为√合格。
装配:钣金件需要进行装配。
经检验,有轻微的缝隙现象,但在可接受范围内,检验结果为√轻微。
其他问题:除以上检验项目外,未发现其他问题。
处理意见:经检验,所有产品的质量符合要求,处理意见为√接收。
说明:1.在检验结构中只能填写合格或不合格。
2.■/√□、□代表评审结论标注;■/√□:选择;□:不选择;。
喷漆件检测报告(二)引言概述:本文档是对喷漆件的检测结果进行详细报告的第二部分,旨在提供关于喷漆件质量的全面分析及评估。
该报告将按照以下五个大点进行阐述,每个大点包含5-9个小点,从多个角度对喷漆件进行全面检测与分析。
正文:一、外观检测1. 检查喷漆件表面是否平整2. 分析是否存在凹凸不平的缺陷3. 检测表面光洁度,评估是否有粗糙或表面不均匀的问题4. 观察喷漆件颜色是否一致5. 检查表面是否存在涂布剥离或剥落的情况二、涂层厚度测量1. 使用专业工具测量喷漆件涂层的厚度2. 检查涂层厚度是否符合规定要求3. 分析涂层厚度的均匀性和一致性4. 对涂层厚度不合格的喷漆件进行记录和分析5. 提出相应的改进措施以提高涂层厚度的一致性三、附着力测试1. 采用合适的试验方法进行附着力测试2. 评估附着力的强度和一致性3. 对附着力不合格的喷漆件进行记录和分析4. 提出改进建议以提高附着力的质量5. 检测附着力与喷漆件表面处理之间的关系四、耐候性测试1. 进行人工老化试验,模拟喷漆件在不同环境下的使用情况2. 评估喷漆件在不同耐候条件下的质量表现3. 分析喷漆件在不同耐候条件下的变化和破坏4. 检测喷漆件的色差、褪色和表面龟裂情况5. 提出改进建议以提高喷漆件的耐候性能五、标识与包装1. 检查喷漆件的标识是否清晰2. 评估标识的持久性和耐磨性3. 检测包装的完整性和防护性能4. 对标识或包装存在问题的喷漆件进行记录和分析5. 提出相关建议以提升标识与包装的质量表现总结:本文档对喷漆件的外观检测、涂层厚度测量、附着力测试、耐候性测试以及标识与包装进行了全面的检测与分析。
通过以上测试,我们能够综合评估喷漆件的质量情况,并提出相应的改进建议,以提高产品的质量稳定性和客户满意度。
我们相信,通过不断优化和改进,喷漆件的质量将得到进一步提升。
喷涂检测报告(二)引言概述:本文档为喷涂检测报告(二),通过对喷涂产品进行检测分析,全面评估其质量状况。
本报告涵盖了五个主要方面,包括喷涂产品外观、粘度、涂层厚度、附着力和耐候性等重要指标。
通过详细的测试方法和结果分析,提供对喷涂产品质量的综合评估。
正文:一、喷涂产品外观1.观察喷涂产品表面是否有颜色不均匀、斑点、起皮等缺陷2.检查喷涂产品表面是否有明显划痕或凹陷3.评估喷涂产品表面是否平整、光滑,是否存在毛刺或气泡二、喷涂产品粘度1.使用粘度计对喷涂产品进行粘度测量2.检查粘度是否符合生产标准要求3.分析粘度数值与涂料施工过程中的涂布性能和流动性之间的关系三、喷涂产品涂层厚度1.使用涂膜厚度测量仪对喷涂产品进行厚度测量2.比较测量结果与设计要求之间的差距3.评估涂层厚度是否足够保护基材,是否满足防腐、防尘等要求四、喷涂产品附着力1.使用拉力试验机对喷涂产品进行拉伸试验2.评估喷涂产品在受力情况下的附着能力3.比较试验结果与相关标准之间的符合程度五、喷涂产品耐候性1.通过模拟气候实验对喷涂产品进行耐候性测试2.观察喷涂产品在不同环境条件下的表面状况变化3.评估喷涂产品对紫外线、湿度、温度等因素的耐受能力总结:通过对喷涂产品外观、粘度、涂层厚度、附着力和耐候性等方面的测试和分析,我们得出以下结论:喷涂产品外观无明显缺陷,表面光滑平整;粘度符合标准要求,涂布性能良好;涂层厚度满足设计要求,能有效保护基材;附着力良好,能够承受一定拉伸力;耐候性良好,能够抵御紫外线和恶劣气候条件的影响。
综上所述,喷涂产品质量良好,符合相关要求。
钣金件检验报告范文一、引言本次钣金件检验报告主要对产品的钣金件进行检验分析。
钣金件是利用金属薄板经过裁剪、冲压、弯曲、折叠和焊接等工艺形成的零部件。
钣金件广泛应用于汽车、航空、家电等领域,对其质量和性能要求较高。
本次检验旨在确认钣金件的尺寸、表面光洁度和机械性能是否符合设计要求,为进一步工艺优化和产品质量改进提供依据。
二、检验对象本次检验的钣金件产品的机壳外壳,材质为2.0mm冷轧钢板,表面喷涂。
三、检验内容1.尺寸测量:测量钣金件的长度、宽度、高度、厚度等尺寸,与设计图纸进行对比,判断是否符合要求。
2.表面光洁度检测:利用表面光洁度仪对钣金件进行检测,测量其光洁度数值,并与标准要求进行对比。
3.弯曲性能检测:将钣金件进行弯曲试验,检测其弯曲角度和弯曲后是否出现开裂等缺陷。
4.冲压性能检测:对钣金件进行冲压试验,检测其表面是否出现皱褶、裂纹等缺陷。
5.焊接质量检测:对钣金件进行焊接质量检测,检测焊接缺陷、焊缝强度等指标是否符合要求。
四、检验方法1. 尺寸测量:使用数字卡尺进行测量,准确度为0.01mm。
2.表面光洁度检测:使用表面光洁度仪进行测量,按照ISO8503标准进行评级。
3.弯曲性能检测:采用万能试验机进行弯曲试验,设定一定的载荷和弯曲角度,并记录钣金件的断裂载荷和断裂弯曲角度。
4.冲压性能检测:采用冲压设备对钣金件进行冲压试验,观察是否出现皱褶、裂纹等缺陷。
5.焊接质量检测:采用焊缝探伤仪对钣金件的焊缝进行探伤,观察是否出现焊接缺陷。
五、检验结果与分析1.尺寸测量结果如下表所示:测量项,设计要求(mm),实际尺寸(mm),是否合格:----------:,:--------------:,:--------------:,:--------:长度,500,500,是宽度,300,300,是高度,100,99.8,否厚度,2.0,2.1,否从上表可以看出,钣金件的长度和宽度尺寸符合设计要求,而高度和厚度稍有偏差。
喷涂首件确认检验报告一、报告背景据悉,XX公司的XX产品需要进行喷涂工艺的处理,为了保证产品的质量和外观效果,特进行喷涂首件确认检验。
本报告旨在对喷涂首件的相关检验结果进行详细记录和分析,以便对后续喷涂生产工艺进行调整和改进。
二、检验目的1.验证喷涂工艺的可行性和稳定性;2.确保喷涂后的产品满足相关质量标准;3.发现和解决喷涂过程中可能存在的问题。
三、检验内容1.喷涂前准备工作:对喷涂前的产品进行清洁处理,并确保产品表面无尘、无油污、无杂质等;2.喷涂操作参数:记录喷涂操作中的参数,如喷涂压力、喷涂速度、喷涂距离等;3.喷涂质量评估:对喷涂后的产品进行质量评估,包括颜色均匀性、喷涂层厚度、喷涂附着力等;4.外观检验:对喷涂后的产品进行外观检验,如漆膜光泽度、漆面平整度、无气泡、无划伤等;5.温度和湿度控制:记录喷涂过程中的环境温度和湿度,并评估其对喷涂效果的影响;6.检验结果分析和总结。
四、检验结果经过对喷涂首件的全面检验,我们得到了以下结论:1.喷涂工艺的可行性和稳定性得到验证,喷涂操作参数的设定相对合理;2.喷涂后的产品颜色均匀性好、喷涂层厚度符合要求、喷涂附着力良好;3.产品的外观质量达到预期目标,漆膜光泽度高、漆面平整度好,无气泡、无划伤;4.温度和湿度对喷涂效果的影响较小,当前环境条件可满足喷涂要求。
五、问题分析和改进方案在检验过程中,我们也发现了一些问题,并提出了改进方案:1.喷涂层厚度不够均匀:可能是喷枪操作不到位导致的问题,建议加强操作培训,并对操作人员进行技能评估;2.喷涂后出现少量气泡:可能是环境湿度较高导致的问题,可以通过调整环境湿度和增加喷涂前的干燥处理来改善;3.喷涂附着力不稳定:可能是喷涂前产品表面处理不完整导致的问题,建议加强清洁和处理工作,确保产品表面无油污和杂质。
六、结论与建议本次喷涂首件确认检验表明,当前的喷涂工艺和操作参数较为合理,并且喷涂后的产品质量满足预期目标。
喷涂出货检验报告(出货检验报告单)(一)引言概述:本文档是关于喷涂出货检验报告(出货检验报告单)的一部分,旨在对喷涂产品进行质量检验并记录检验结果。
本文档将对喷涂出货检验的流程和标准进行介绍,并详细列出了五个主要检验点,每个检验点包含多个小点。
正文内容:1. 出货检验流程1.1 准备相应检验设备和工具1.2 检查货物数量和完整性1.3 进行外观检验1.4 进行物理性能检验1.5 进行化学性能检验2. 检验点一:外观检验2.1 检查涂层表面平整度2.2 检查是否有明显划痕或凹陷2.3 检查涂层颜色是否一致2.4 检查涂层是否有明显的起泡或脱落2.5 检查喷涂产品是否符合相关标识要求3. 检验点二:物理性能检验3.1 检测涂层硬度是否达标3.2 测试涂层的耐磨性3.3 检查涂层的耐腐蚀性能3.4 测试涂层的附着力3.5 检测涂层的耐温度性能4. 检验点三:化学性能检验4.1 进行涂层的化学成分分析4.2 检测涂层是否含有有害物质4.3 测试涂层的耐化学品性能4.4 检查涂层是否具有防火性能4.5 检测涂层的耐光性能5. 检验点四:包装和标识检验5.1 检查产品包装是否完好5.2 检查包装标识是否清晰可读5.3 检查包装是否符合运输要求5.4 检查包装和标识是否与订单信息一致5.5 检查是否有缺漏或损坏6. 检验点五:其他特殊要求检验6.1 根据客户要求进行特殊尺寸检验6.2 检查是否满足特殊环境要求6.3 验证产品符合相关行业标准6.4 进行特殊性能测试6.5 检查是否符合其他特殊要求总结:本文档针对喷涂出货的检验工作进行了详细的阐述,包括检验流程、五个主要检验点以及每个检验点的具体要点。
通过对喷涂产品的外观、物理性能、化学性能、包装和标识以及其他特殊要求的检验,可以确保产品的质量符合标准,并为客户提供满意的产品。
钣金喷涂件出厂检验报告
本检验标准适用于本公司所有钣金喷涂产品表面质量检验,按光源标准要求区分产品的等级面,所有等级面涂膜应无基材露底、剥离等缺陷,所有表面应无划痕、气泡、针孔,积粉等不良等现象。
颜色及纹路:由承制方按要求制作样板,双方确认。
验收按样板,不得有明显色差(不得大于3度),纹路符合样板。
一、表面缺陷判定:
二、性能判定:
三、包装防护与搬运标准:
出厂检验结果分析:
1.表面缺陷综合判定结果:表面质量达到出厂要求
2.性能综合判定结果:性能标准达到出厂要求
3. 包装防护与搬运综合判定结果:产品包装达到出厂标准
结论:
质检部长签字:。
钣金件质量检验报告单模板
1. 产品信息
- 产品名称:[填写产品名称]
- 产品编号:[填写产品编号]
- 经销商:[填写经销商名称]
- 生产日期:[填写生产日期]
- 检验日期:[填写检验日期]
2. 检验标准
[说明所使用的检验标准及相关要求]
3. 检验设备和工具
- 测量仪器:[填写所使用的测量仪器名称]
- 工具:[填写所使用的工具名称]
4. 检验项目及结果
检验项目技术要求抽样位置检测结果
-
[填写检验项目1] [填写技术要求1] [填写抽样位置1] [填写检测结果1]
[填写检验项目2] [填写技术要求2] [填写抽样位置2] [填写检测结果
2]
[填写检验项目3] [填写技术要求3] [填写抽样位置3] [填写检测结果3]
... ... ... ...
5. 检验结论
[根据检验结果给出相应的结论和意见]
6. 检验员
- 姓名:[填写检验员姓名]
- 职务:[填写检验员职务]
- 签名:[检验员签名]
7. 审核员
- 姓名:[填写审核员姓名]
- 职务:[填写审核员职务]
- 签名:[审核员签名]
8. 备注
[填写其他需要说明的内容]
注意:此检验报告只针对具体的产品样品,不代表整批产品的质量状况。
报告中的检验结果仅限于所测试样品。
钣金件的检测报告1. 引言本文档为钣金件的检测报告,通过对钣金件的检测和分析,评估其质量和符合性。
钣金件是一种常见的加工制造件,广泛应用于汽车、航空航天、建筑等领域。
钣金件的质量直接影响到产品的性能和可靠性,因此对其进行严格的检测和评估至关重要。
2. 检测方法钣金件的检测通常采用以下几种方法:2.1 目视检测目视检测是最简单且最常见的检测方法之一。
通过人眼对钣金件的外观进行观察,检查是否存在裂纹、划痕、凹陷等表面缺陷。
2.2 尺寸测量钣金件的尺寸测量是评估其加工精度和尺寸合格性的重要方法。
常用的尺寸测量工具包括游标卡尺、千分尺、测微计等。
2.3 超声波检测超声波检测是一种非破坏性检测方法,通过超声波的传播和反射来检测钣金件内部的缺陷,如气孔、夹杂、裂纹等。
2.4 X射线检测X射线检测是一种常用的非破坏性检测方法,通过照射钣金件并记录其透射或散射的X射线图像来检测内部缺陷。
3. 检测结果根据以上的检测方法和步骤,对钣金件进行了一系列的检测和分析,得到如下结果:3.1 外观检测在目视检测中,未观察到明显的裂纹、划痕或凹陷等表面缺陷。
钣金件的外观符合要求。
3.2 尺寸测量通过使用游标卡尺和千分尺等工具,对钣金件的尺寸进行了测量。
结果表明,尺寸在设计要求的公差范围内,并且符合规定的精度要求。
3.3 超声波检测应用超声波检测仪对钣金件进行了检测。
未发现明显的气孔、夹杂或裂纹等内部缺陷。
钣金件的内部质量良好。
3.4 X射线检测通过X射线检测设备对钣金件进行了检测。
X射线图像显示未发现明显的内部缺陷或不良区域。
4. 结论通过对钣金件的检测结果进行分析,得出以下结论:•钣金件在外观检测中未观察到明显的表面缺陷;•各项尺寸测量在设计要求的公差范围内,并且满足要求的精度;•钣金件内部未发现明显的气孔、夹杂或裂纹等缺陷;•通过X射线检测,未发现明显的内部缺陷或不良区域。
综上所述,钣金件在本次检测中符合质量要求和相应规范的符合性。
喷涂出货检验报告(出货检验报告单)(二)引言概述:本报告为喷涂产品的出货检验报告,旨在对喷涂产品进行全面评估,确保产品质量符合标准要求。
本文将从五个大点进行详细阐述,包括外观检验、涂层厚度检测、粘结力测试、耐腐蚀性能测试和包装检查。
正文内容:一、外观检验:1. 检查涂层表面是否平整;2. 观察是否有划痕、气泡、漏涂等缺陷;3. 检查涂层颜色是否与要求一致;4. 观察涂层附着力是否良好;5. 检查涂层边缘是否清晰,无模糊现象。
二、涂层厚度检测:1. 使用涂层测厚仪测量涂层厚度;2. 按照标准要求,检查涂层厚度是否符合规定范围;3. 对于涂层不均匀的情况,进行多点测量以确定平均值。
三、粘结力测试:1. 使用剪切试验或拉伸试验,检测涂层的粘结强度;2. 根据标准要求,确定粘结强度的合格范围;3. 注意测试的样品数量和位置的选择;4. 记录测试结果并进行分析。
四、耐腐蚀性能测试:1. 使用盐雾试验、湿热试验或者腐蚀药液浸泡等方法,对涂层的耐腐蚀性能进行评估;2. 根据标准要求,确定测试条件和试验周期;3. 观察涂层表面是否出现腐蚀、起泡等现象;4. 记录测试结果并进行分析。
五、包装检查:1. 检查包装是否完好无损;2. 检查包装标签是否齐全,并符合产品规格和数量;3. 检查内包装材料是否防潮、防震;4. 观察是否有明显的运输损坏;5. 记录包装情况和检查结果。
总结:本文对喷涂产品的出货检验工作进行了详细阐述。
通过外观检验、涂层厚度检测、粘结力测试、耐腐蚀性能测试和包装检查等步骤,确保产品质量符合标准要求。
同时,应加强对检验记录和结果的分析,及时采取措施改善产品质量,以提高客户满意度和企业竞争力。
清能德创电气技术(北京)有限公司
钣金件质量检验报告单
项目编号产品名称
检验项目检验说明检验数量检验结果备注
外形尺寸
配
件
数量□一致□不一致
颜色√□合格□单体产品颜色不一致□成批产品颜色不一致
镀锌√□是□否
喷塑√□合格□轻微(局部突起或脱落)□严重(大范围脱落)
钣金件强度√□合格□基本合格□不合格
划痕□合格√□轻微(划痕很小或在不明显处)□严重(划痕很大或在明显部位)
□合格√□轻微(用直角尺会量出不垂直但肉眼看不是很明显)变形
□严重(肉眼直接就能看出)
焊接√□合格□基本合格□不合格
√□合格□轻微(缝隙在可接受范围内)
装配
□严重(装配后缝隙很大,影响产品的使用安全)
其他问题
处理意见√□接收□让步接收□返工□判退
1、在检验结构中只能填写合格或不合格。
说明
2、■/√□、□代表评审结论标注;■/√□:选择;□:不选择;
检验人检验日期。
引言概述:喷涂出货检验报告(出货检验报告单)是制造企业向客户出货之前进行的一项重要检验工作。
在喷涂产品的生产过程中,出现次品率过高或质量不合格的情况可能会影响到客户的满意度和产品的市场竞争力。
因此,进行出货检验是确保产品符合要求的关键环节之一。
本文将介绍喷涂出货检验报告(出货检验报告单)的详细内容和结构。
正文内容:一、外观检验1.1外观检验是喷涂出货检验报告的重要部分之一。
外观检验主要包括产品表面的平整度、颜色一致性、涂层的附着力等方面。
1.2平整度是指涂层表面平面度的检验,可以通过目测或借助工具进行测量。
1.3颜色一致性是指涂层表面颜色是否均匀,可以通过人眼观察或使用专业的色差仪进行检测。
1.4涂层的附着力是指涂层与基材的结合牢度,可以使用划割测试、刮擦测试等方法进行检测。
二、厚度检验2.1喷涂产品的厚度是其质量的重要指标之一,也是客户关注的重点之一。
2.2厚度检验可以通过使用厚度测量仪进行。
常用的方法有磁性涂层测厚仪、涂层测厚仪等。
2.3厚度检验结果应与产品规格要求进行对比,确保产品的厚度符合要求。
三、耐候性检验3.1喷涂产品在使用过程中,常常会受到不同环境的影响,如阳光、雨水、化学气体等。
3.2耐候性检验是对喷涂产品在不同环境条件下的抗氧化、耐腐蚀等性能进行评估。
3.3耐候性检验可以通过人工模拟环境条件,如盐雾腐蚀试验、湿热循环试验等进行。
四、机械性能检验4.1喷涂产品在使用过程中,可能会遭受不同程度的机械力作用,如冲击、拉伸、弯曲等。
4.2机械性能检验是对喷涂产品的强度、韧性等性能进行评估。
4.3常用的机械性能检验方法有冲击试验、拉伸试验、弯曲试验等。
五、环境安全性检验5.1喷涂产品可能会含有一些化学成分,这些成分对人体和环境可能会造成一定的危害。
5.2环境安全性检验是对喷涂产品的化学成分进行检测,确保产品在使用过程中不会对人体和环境造成危害。
5.3常用的环境安全性检验方法有挥发性有机化合物(VOC)检测、重金属含量检测等。
钣金喷漆质量鉴定报告
甲方:XXX公司
乙方:XXX喷漆厂
鉴定请求:
甲方委托乙方对其汽车进行钣金喷漆质量鉴定。
鉴定目的:
鉴定该汽车的钣金喷漆质量是否符合行业标准和约定要求。
鉴定过程:
1. 双方共同对汽车进行外观检查,包括但不限于整体涂装质量、颜色匹配性、涂层平整度等方面的鉴定;
2. 乙方对汽车进行钣金部位的薄膜厚度测量;
3. 乙方对汽车进行颜色测试,以确认颜色和色差是否符合要求;
4. 根据鉴定结果,乙方将编写鉴定报告。
鉴定结果:
1. 外观检查:汽车整体涂装质量良好,涂层平整度较高,未发现明显的涂装缺陷。
2. 薄膜厚度测量:各部位的薄膜厚度均符合行业标准,未发现过薄或过厚的情况。
3. 颜色测试:颜色与约定要求一致,色差在正常范围内。
综上所述,根据鉴定过程与结果,本次汽车钣金喷漆质量鉴定结果正常。
如有其他问题或质量异议,可联系相关责任方进行解决。
鉴定单位(盖章):日期:XXX年XX月XX 日。
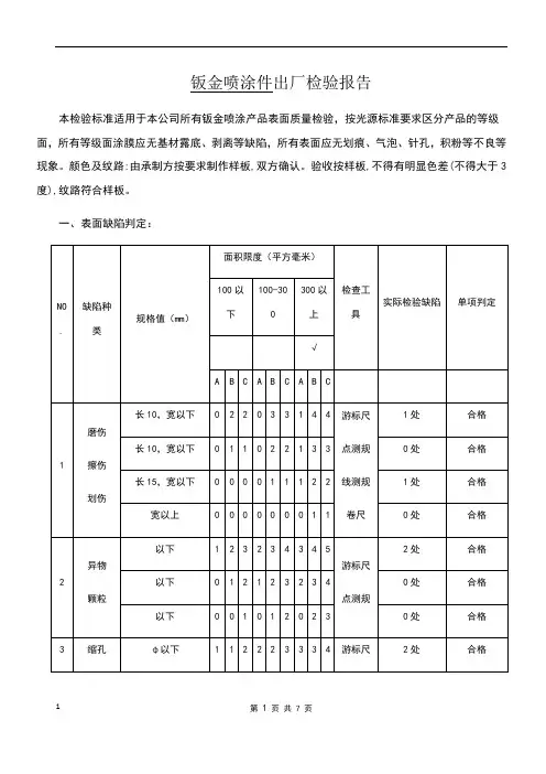
钣金喷涂件出厂检验报告
本检验标准适用于本公司所有钣金喷涂产品表面质量检验,按光源标准要求区分产品的等级面,所有等级面涂膜应无基材露底、剥离等缺陷,所有表面应无划痕、气泡、针孔,积粉等不良等现象。
颜色及纹路:由承制方按要求制作样板,双方确认。
验收按样板,不得有明显色差(不得大于3度),纹路符合样板。
一、表面缺陷判定:
二、性能判定:
三、包装防护与搬运标准:
出厂检验结果分析:
1.表面缺陷综合判定结果:表面质量达到出厂要求
2.性能综合判定结果:性能标准达到出厂要求
3. 包装防护与搬运综合判定结果:产品包装达到出厂标准
结论:
质检部长签字:。