(完整版)道路交通事故现场图绘制
- 格式:ppt
- 大小:56.03 MB
- 文档页数:138
道路交通事故现场图绘制道路交通事故是指在道路上发生的交通事故,不同的交通事故类型有不同的特点,交通事故现场图是记录交通事故过程和现场情况的一种方式。
本文将介绍绘制道路交通事故现场图的流程和步骤,以及注意事项。
绘制道路交通事故现场图的流程和步骤步骤一:确定现场位置和情况首先需确定事发地点,然后考察事故现场,包括道路状态、标记、交通标志、周围环境等,确保现场记录的准确和全面。
步骤二:测量现场尺寸和距离在现场做法之前,需要通过现场勘查和测量,测量重要现场元素的尺寸和距离,包括车辆、行人、路标、路障等。
必要时借助工具进行测量。
例如,测量车辆的长度、宽度、轴距、车轮痕迹等。
步骤三:记录现场元素位置和方向利用现场照片,标明不同元素在现场中的位置和方向,这应该是精确和准确的。
可以使用简单的图形表示,如用箭头表示行驶方向,用圆圈表示重要元素等。
步骤四:预备绘制材料在绘制现场图之前,需要准备好相关工具和材料,包括绘图板、图形工具、尺子、平衡器、液体白色纸等。
步骤五:绘制现场图在预先准备好的液体白色纸上,使用图形工具、尺子和平衡器,绘制现场图。
在绘制过程中,要注意符号的标准化和测量的准确性。
同时,要避免模糊和失真。
注意事项注意事项一:现场勘查在涉及到人身伤害和重大财产损失时,应首先进行现场勘查和调查,在确定好所有证据和资料之后,再对现场进行移动等处理。
注意事项二:测量准确性在勘查和测量过程中,必须保证度量尺和仪器的准确性,测量误差不能太大,以免影响现场重现和分析。
注意事项三:标志符号的标准化在绘制现场图时,要注意符号的标准化,必须符合规范,否则会影响事故现场图的效能,不利于后续处理和研究。
注意事项四:绘制的细节绘制现场图是非常重要的,需要花费大量的精力和时间,因此,绘制现场图具有很高的细节要求,要注意细节的处理和掌握绘图技巧。
绘制现场图是记录道路交通事故的重要手段之一,需要拥有一定的技能和知识。
在绘制过程中,需要充分利用现代技术手段和工具,如定位系统、高清摄像机、测距仪等。
道路交通事故现场图绘制1.绘图的一般要求1.1适用普通程序处理的各类交通事故均应绘制现场记录图。
现场比例图、现场断面图、现场立面图、现场分析图可根据需要选择绘制。
适用简易程序处理的交通事故,可不绘制现场图。
1.2现场记录图是记载和固定交通事故现场客观事实的证据材料,应全面、形象地表现交通事故现场客观情况。
但一般案情简明的交通事故,在能够表现现场客观情况的前提下,可力求制图简便。
1.3绘制各类现场图需要做到客观、准确、清晰、形象,图栏各项内容填写齐备,数据完整,尺寸准确,标注清楚。
用绘图笔或翠水笔绘制、书写。
1.4现场记录图、现场比例图、现场分析以正投影俯视图形式表示。
1.5交通事故现场图各类图形符合应按实际方向绘制。
1.6交通事故现场的方向,应按实际情况形在现场图右上方用方向标标注;难以判断方向的,可用“←”或“→”直接标注在道路图例内,注明道路走向通往的地名。
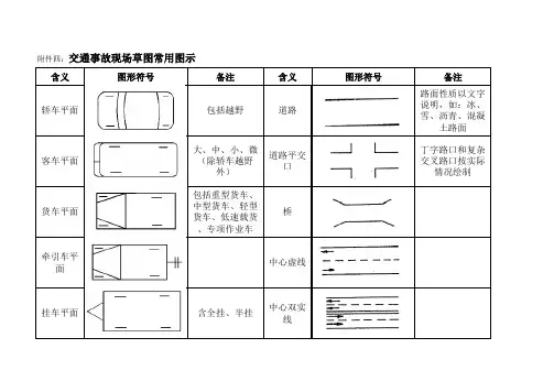
2.图线规格及图形符合2.1各种图形的名称、形式、代号以及在图上的一般应用如表B1(补充件)所示。
2.2图线宽度:0.25~2.0mm间选择。
在同一图中同类图形符号的图线应基本一致。
2.3绘制现场图的图形符合应符合《道路交通事故现场图形符号》标准的规定。
《道路交通事故现场图形符合》标准中未作规定的,可按实际情况绘制,但应在说明栏中注明。
3.比例3.1本标准中的比例是指现场比例图中各要素和相互关系的线性尺寸与现场实际相应尺寸之比。
3.2绘制现场比例图时可优先采用1∶200比例。
也可根据需要选择其他比例。
3.3绘制比例图时应采用同一比例,有特殊情况的需注明。
3.4绘制比例应标注在图中比例栏内。
3.5图形符合的比例要求。
3.5.1须按比例绘制的图形符合:a.机动车、非机动车图形符号;b.道路形式、结构;c.动态痕迹的长度;道路隔离带(桩);d.图中各主要要素间的图形符号。
3.5.2可不按比例绘制的图形符号:a.人体、牲畜;b.交通安全设施;c.动态痕迹的宽度;d.其他图形符号。