qbz80矿用隔爆型真空电磁起动器
- 格式:doc
- 大小:992.00 KB
- 文档页数:13
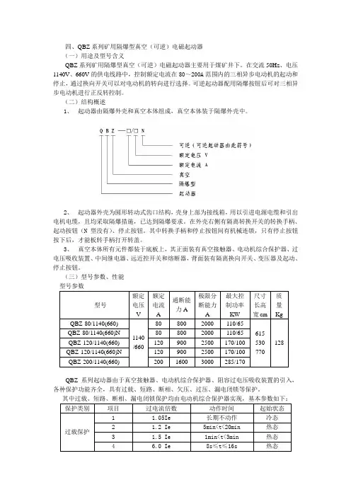
四、QBZ 系列矿用隔爆型真空(可逆)电磁起动器 (一)用途及型号含义QBZ 系列矿用隔爆型真空(可逆)电磁起动器主要用于煤矿井下。
在交流50Hz 、电压1140V 、660V 的供电线路中,控制额定电流在80~200A 范围内的三相异步电动机的起动和停止,通过换向开关可以对电动机的转向进行选择。
可逆起动器配用隔爆按钮后可对三相异步电动机进行正反转控制。
(二)结构概述1、 起动器由隔爆外壳和真空本体组成,真空本体装于隔爆外壳中。
2、 起动器外壳为圆形转动式齿口结构,壳身上部为接线箱,用以引进电源电缆和引出电机电缆,且均采取隔爆措施,已达到隔爆要求。
在外壳右侧有隔离转换开关的转换手柄、起动按钮(N 型没有)、停止按钮。
其中转换手柄和停止按钮间有机械连锁,只有停止按钮按下后,才能板转手柄打开转盖。
3、 真空本体所有元件都装于底板上,其正面装有真空接触器、电动机综合保护器、过电压吸收装置、中间继电器、远近控开关和熔断器,背面装有隔离换向开关、变压器及起动、停止按钮。
(三)型号参数、性能QBZ 系列起动器由于真空接触器、电动机综合保护器、阻容过电压吸收装置的引入,各种保护功能齐全,具有过载、短路、断相、欠压、过压、漏电闭锁等保护。
(四)工作原理QBZ系列起动器是QC83系列起动器的升级替代产品,它们之间的工作原理有很多共同之处,区别在于QBZ系列起动器引进了真空交流接触器、电动机综合保护器、过电压吸收装置。
在掌握QC83系列起动器工作原理后,再来学习QBZ系列起动器就很轻松了。
1、QBZ-80、120、200工作原理电气原理图如图1—18所示。
⑴近控(就地控制)使用起动器自身的按钮进行近方控制时,须将起动器腔内底板正面的远近控开关K掰至近控位置,既是将2#、5#线短接;将外壳接线箱内的2#、9#线可靠接地。
合上隔离换向开关GHK,控制变压器有电,二次输出36V电源,送入JDB保护器中的4、9号端,保护器工作,通过保护器上的33号线对负载端进行漏电检测,若负载端绝缘电阻符合要求,则其出口3号线端与4号端接通,为控制电路启动做好准备。
QBZ-80 QBZ-120 QBZ-200真空磁力启动器说明书(北京煤炭矿用设备厂)QBZ-80 QBZ-120 QBZ-200使用说明书北京煤炭矿用设备厂QBZ系列矿用隔爆型真空电磁起动器一、适用范围1(用途:本产品适用于井下电气设备的起、停控制和保护之用。
2(适用条件1(1海拨高度不超过2000米,环境大气压力80-110Kpa; 1(2周围介质温度为(-20?—+40?);1(3周围介质湿度不大于95?3%(25?)1(4在具有甲烷混合物及煤尘爆炸危险的工矿企业中; 1(5在我足以腐蚀金属和破坏绝缘的气体或蒸汽的环境中; 1(6在无剧烈震动及强热源地区;1(7在具有防水和防雨雪侵袭的地方;1(8安装位置与垂面的倾斜度不超过15度;1(9电源为交流50HZ、额定电压为660V(380V)系统中; 3(型号及意义一个一图没打3(1防暴标志:ExdI3(2防暴型式:矿用隔爆型3(3外形尺寸:QBZ—80 380×460×620(mm)QBZ—120 480×470×620(mm)QBZ—200 580×460×620(mm) 3.4重量:QBZ—80 70kgQBZ—120 79kgQBZ—200 102kg3(5执行标准MT111-1998 Q/MKS1.3-2005二、技术特征1(型号规格表1起动器型号 QBZ—80 QBZ—120 QBZ—200额定电压(V) 660(380) 660(380) 660(380)80 120 200 额定电流(A)最大控制功率(kw) 65(40) 100(60) 170(100) 注:用于380V供电系统时,应将控制变压器一次侧660V接线端子改接到380V端上。
2(保护功能2(1过载保护;2(2短路保护;2(3断相保护2(4主电路漏电闭锁保护;2(5过电压保护;3(控制变压器参数3(1额定容量:120V3(2电压比:660V(380V)/36V。
QBZ系列矿用隔爆型真空电磁起动器说明书默认分类2010-03-25 12:49:22 阅读456 评论2 字号:大中小\一、适用范围QBZ系列矿用隔爆型真空电磁起动器主要适用于具有爆炸性危险气体(甲烷、煤尘混合物)的煤矿井下,在额定电压380、660V,额定频率50Hz,额定电流至200A的三相交流中性点不直接接地供电系统中,对隔爆型三相鼠笼型电动机直接起动、停止和反转控制。
起动器具有失压、过压、短路、过载、断相及漏电闭锁等保护。
1、起动器采用三极真空交流接触器,主触头密封在真空开关管内,无需维护,具有电弧不外露,适用于频繁操作,主触头磨损小,电寿命长,安全可靠的特点。
2、起动器采用新型换相隔离开关,换相动作可靠,并有经改进的灭弧罩,灭弧效果良好。
3、具有就地和远距离控制电机起动停止的功能,具有JDB型电机综合保护器实现过载、断相、短路及漏电闭锁保护。
二、环境条件a)周围环境温度为-5℃~ +40℃;b)相对湿度不大于95%(+25℃);c)海拔高度不超过2000m(0.08~0.11MPa);d)具有甲烷及煤尘混合气体的煤矿井下;e)无破坏金属和绝缘材料的腐蚀性气体的地方;f)与垂直面的安装倾斜度不超过15°;g)在无显著摇动和冲击振动的地方;h)能防止滴水的地方;i)环境污染等级为3级;j)安装类别为Ⅲ类;三、技术特征1、型号含义Q B Z —额定电流 / 额定电压电磁起动器隔爆型真空2、防爆型式起动器为矿用隔爆型:ExdI3、技术参数3.1、本体主要技术数据见表1表13.2、JDB电机综合保护主要技术性能及整定见表23.2.1过载保护特性如表2JDB电流整定表表2-1注:JDB33#线是漏电闭锁线,使用时应和开关电压相符。
表2-23.2.2断相保护特性如表33.2.3短路保护特性如表43.2.4漏电闭锁起动器应具有漏电闭锁保护功能,当主电路对地绝缘电阻降到表5动作值以下时,应实现主电路漏电闭锁,当上升到动作值的1.5倍时,应解除主电路漏电闭锁。
QBZ——80/1140(660) 矿用隔爆型真空电磁起动器使用说明书浙江恒泰科技有限公司2005.12目录1、概述 (1)2、结构特征与工作原理 (1)3、技术参数 (2)4、外形尺寸及重量 (3)5、安装与调整 (3)6、故障分析与排除 (4)7、保养维护 (4)8、运输及贮存 (4)9、订货须知 (4)10、联系方法 (4)11、电气原理图 (5)1.概述1.1.适用范围:QBZ-80/1140(660)矿用隔爆型真空磁力起动器。
(以下简称起动器)适用于有爆炸性的危险气体和煤尘的矿井中,适用于交流50HZ,电压1140V﹑660V的电路中,直接或远距离起动,停止和正反转控制三相鼠笼型异步电动机,同时对电动机有关电路进行综合保护。
安装使用前,请详细阅读使用说明书。
1.2.使用条件:a).海拔高度不超过2000m。
b).周围环境温度不高于+40℃,不低于-5℃。
c).周围空气相对湿度不大于95%(+25℃)时。
d).有甲烷等爆炸性混合物矿井中。
e).与水平面的安装倾斜度不超过15°。
f).在无显著摇动和剧烈冲击振动的地方。
g).在无足以破坏电气绝缘的气体或蒸汽的环境中。
h).在有防止滴水的地方。
i).污染等级三级。
j).防护等级IP54。
k).安装类别Ⅲ类。
1.3 产品型号﹑名称﹑规格:1.3.1 产品型号:QBZ-80/1140(660)1.3.2 产品名称:矿用隔爆型真空电磁起动器1.3.3 型号含义1.4 防爆型式:矿用隔爆型1.5 防爆标志:ExdⅠ1.6 执行标准: MT111-1998。
2. 结构特征和工作原理2.1起动器外壳为园柱形,具有凸出的底和盖,壳身上部为接线箱,用以引进电源电缆到电动机,引用电缆用压紧螺母或压紧法盘使密封圈压紧螺母,以达到隔爆要求。
起动器外壳右边有手柄,用以分断和关合隔离开关或换向,手柄上部有起动和停止按钮,停止按钮与换向隔离开关手柄联锁,只有停止按钮按下后,换向隔离开关方可转动,外壳盖与换向隔离开关手柄联锁,当换向开关闭合时不可打开盖,只有当换向隔离开关手柄用特殊螺钉锁在分断位置时,才能打开外壳盖。
执行标准:GB3836-2000 MT111-1998GB/T5590-2008 Q/JYLY03-2009QBZ-120(80)/660(380)N矿用隔爆型可逆真空电磁起动器使用说明书济源市龙源电器有限公司二OO九年十一月目录1、产品概述 (1)2、结构特征与工作原理 (2)3、产品技术特点 (3)4、尺寸、重量 (4)5、使用与维护 (4)6、订货须知 (5)7、随机文件 (5)8、联系方式 (5)1 产品概述QBZ-120(80)/660(380)N矿用隔爆型可逆真空电磁起动器(以下简称起动器),适用于含有爆炸性气体(甲烷)和煤尘的矿井中,主要用于在交流50Hz,电压380V 或660V,控制和保护容量为100KW(660V 120A)、58KW(380V 120A)和65KW(660V 80A)、40KW(380V 80A)及以下的防爆电气设备(如:回柱绞车、调度绞车等),可实现直接起动、停止和反转。
可逆真空电磁起动器具有以下优点:(1)由前、后门组成,安装方便;(2)空间布局合理,便于维修;(3)外壳为圆形,隔爆性能好,方便了日常维护及检修。
通过改换控制变压器TB的接线(380V 或660V)并改变漏电闭锁的检测端电子保护器的接头,可实现380V 和660V互换。
起动器远距离起动和停止负载,同时具有过载、断相、短路、漏地闭锁等保护功能。
可自动完成相互间的联锁等保护功能。
型号及含义起动器在下列条件下应能可靠工作:(1)海拔高度不超过4500m;(2)运行环境温度为-20~+40℃;(3)在有甲烷和煤尘爆炸性混合物的矿井中;(4)周围空气的相对湿度不大于95%(+25℃);(5)与垂直面的倾斜度不超过15度;(6)无显着摇动和冲击振动的地方;(7)无足以腐蚀金属和破坏绝缘的气体和蒸气的场所;(8)在能防止水滴及雨雪侵袭的地方。
本起动器为长期工作制,其接线可以实现:(1)自动检查连接负载和起动器外壳间的接地线有无故障;(2)由于起动器的控制回路采用了36V的工作电源,可有效的保证操作人员的人身安全。
QBZ-80/660(380)
矿用隔爆型真空电磁起动器使用说明书
山东容力达矿用电器
一、概述
1、QBZ-80/660(380)矿用隔爆型真空电磁起动器,以下简称起动器。
所选用的CKJ5-80真空接触器,具有重量轻,体积小,分断能力大,噪音低,电弧不外露,打开上盖切断负荷电源或上盖不到位起动器不能工作,安全可靠等一系列优点。
2、起动器除选用真空接触器外,并配有JDB电动机综合保护器,使产品保护功能齐全,分断能力、电寿命、机械寿命强等优点,而且配有分断能力大的隔离换向开关,HG-125可在特殊情况下切断6倍额定电流一次,起动器还具有阻容过电压吸收保护装置RC,因此该起动器是煤矿更新换代的理想产品。
3、用途及适应范围
起动器适用于含有沼气、甲烷爆炸气体和煤尘的矿井中,但周围介质中不得含有破坏金属和绝缘的活动性化学物质,在交流50H Z电压为660V或380V的线路中,直接或远距离起动,停止和正反转控制三相鼠笼型异步电动机,同时对电动机有关电路进行综合保护,主要用于井下刮板运输机、皮带机、通风机、卷扬机等及其它矿井设备中。
4、使用条件
(1)a、海拔高度不超过2000米;
(2)周围环境温度不高于40℃,不低于-5℃;
(3)周围空气相对湿度不大于95%(+25℃时);
(4)有甲烷等爆炸性混合物矿井中;
(5)与水平面的安装倾斜度不超过15°;
(6)无明显摇动和剧烈冲击振动的地方;
(7)在无足以破坏电气绝缘的气体或蒸气的环境中;
(8)在有防止滴水的地方;
(9)污染等级三级;
(10)防护等经受IP5;
(11)安装类别Ⅲ类。
5、起动器型号含义
Q B Z –80 /660(380)
额定工作电压(V)
额定工作电流(A)
真空
矿用隔爆型
起动器
6、本起动器设计依据
MT111-1998矿用隔爆型低压交流真空电磁起动器和企业标准。
7、起动器类别
矿用隔爆型..标志.ExdI
二、主要技术参数
外型尺寸
1、起动器主要技术参数见表一表一
额定电压(V)额定电
流(A)
所控制电机
的最大功率
机械寿
命万次
电寿命万次
真空接触器
极限分断能
力A
隔离换向开
关分断能力
A
重量
AC3 AC4 Kg
660 80 75 30 5 6 2500 750 80
2、起动器选用JDB电机综合保护器,作为过载、短路、
断相、漏电闭锁等保护。
保护器主要技术参数符合表二要求。
表二
3、起动器的电气绝缘电阻
起动器不同电位导体间及带电回路或接线端子与外壳(或接地)间的绝缘电阻常态下主回路应不低于10MΩ,经湿热试验后660V不低于2 MΩ,36V不低于1 MΩ。
4、起动器的工频耐压
起动器的电路应能承受历时1min的交流50HZ正弦波工频耐压试验,且无击穿和闪络现象。
工频耐压试验电压值主回路4200V,控制回路1000V。
起动器的电气间隙和爬电距离符合表三要求。