北京市丰台区物理第十二章 电能 能量守恒定律专题试卷
- 格式:doc
- 大小:657.50 KB
- 文档页数:22
北京市高中物理必修第3册第十二章电能能量守恒定律试卷检测题一、第十二章电能能量守恒定律实验题易错题培优(难)1.某同学利用一个电阻箱、一个电压表(视为理想电表)、一个定值电阻(05ΩR=)、一个开关和若干导线测定一电源(电动势小于3V)的电动势及内阻,实验原理图如图(甲)所示。
(1)根据实验原理图完成实物图(乙)中的连线______________。
(2)若某次测量时电阻箱的旋钮位置如图(丙)所示的,电压表的示数如图(丁)所示,则电阻箱的阻值为________Ω,电压表的示数为__________V。
(3)改变电阻箱的电阻R,读出电压表的示数U,然后根据实验数据描点,绘出的图像是一条直线11U R-。
若直线的斜率为k,在坐标轴上的截距为b,则电源的电动势E=__________,内阻r=_________。
(用k、b和0R表示)【答案】 115.0 2.30 1b0kRb-【解析】【分析】【详解】(1)根据电路图连接实物图如图所示(2)如图(丙)和(丁),电阻箱和电压表的读数分别为 11001105100.1115.0R =⨯+⨯+⨯+⨯=Ω, 2.30U =V(3)根据电路图可知电路的电流满足关系0+E U I R R r R==+ 变形可得 0111R r U E R E+=+ 再由11U R-图像的斜率为k ,在坐标轴上的截距为b ,即 11k b U R=+ 所以可得0R r k E+=,1b E = 即可求得1E b =,0k r R b=-2.一研究学习小组,为了测定两节串联干电池组的电动势E 和内电阻r ,实验器材有:一只DIS 电流传感器(可视为理想电流表,测得的电流用I 表示),一只电阻箱(阻值用R 表示),一只开关和导线若干。
该学习小组设计了如图甲所示的电路进行实验和采集数据。
(1)设计该实验的原理表达式是________(用E 、r 、I 、R 表示);(2)在闭合开关之前,应先将电阻箱阻值调至________(选填“最大值”、“最小值”或“任意值”),在实验过程中,将电阻箱调至图乙所示位置,则此时电阻箱接入电路的阻值为________Ω;(3)根据实验采集到的数据作出如图丙所示的1I﹣R 图象,则由图象求得该电池组的电动势E =_______V ,内阻r =_______Ω.(结果均保留两位有效数字)【答案】E =I (R +r ) 最大值 12 2.7 2.1【解析】【详解】 (1)[1].由图可知,本实验采用的是电流表与电阻箱测定电动势,在闭合电路中,电动势为:E =I (R +r );(2)[2][3].为了保证电路安全,闭合开关前电阻箱接入电路的阻值应为电阻箱的最大阻值;由图乙所示电阻箱可知,电阻箱的示数为:0×1000Ω+0×100Ω+1×10Ω+2×1Ω=12Ω; (3)[4][5].在闭合电路中,E =I (R +r ),则11r R I E E=+ 则1R I-图象的截距:r b E =,图象斜率:1k E = 由图象可知:b =0.8, 1413918I k R ∆-===∆-解得电动势为:E ≈2.7V ,电源内阻为:r ≈2.1Ω;3.如图(a)为某同学组装完成的简易多用电表的电路图.图中E 是电池;R 1、R 2、R 3、R 4和R 5是固定电阻,R 6是可变电阻;表头G 的满偏电流为250 μA ,内阻为480 Ω.虚线方框内为换挡开关,A 端和B 端分别与两表笔相连.该多用电表有5个挡位,5个挡位为:直流电压1 V 挡和5 V 挡,直流电流1 mA 挡和2.5 mA 挡,欧姆×100 Ω挡.(1)图(a)中的A 端与________(填“红”或“黑”)色表笔相连接.(2)关于R 6的使用,下列说法正确的是________(填正确答案标号).A .在使用多用电表之前,调整R 6使电表指针指在表盘左端电流“0”位置B .使用欧姆挡时,先将两表笔短接,调整R 6使电表指针指在表盘右端电阻“0”位置C .使用电流挡时,调整R 6使电表指针尽可能指在表盘右端电流最大位置(3)根据题给条件可得R 1+R 2=________Ω,R 4=________Ω.(4)某次测量时该多用电表指针位置如图(b )所示.若此时B 端是与“1”相连的,则多用电表读数为________;若此时B 端是与“3”相连的,则读数为________;若此时B 端是与“5”相连的,则读数为________.(结果均保留3位有效数字)【答案】黑 B 160 880 1.47mA 1.10×103 Ω 2.95 V【解析】【分析】【详解】(1)[1] 欧姆表内置电源正极与黑表笔相连,负极与红表笔相连,即红进黑出,A 端与电池正极相连,电流从A 端流出,A 端与黑表笔相连;(2)[2]由电路图可知6R 只在测量电阻时才接入电路,故其作用只能进行欧姆调零,不能进行机械调零,同时在使用电流档时也不需要调节6R ;A.与分析不符,故A 错误;B.与分析相符,故B 正确;C.与分析不符,故C 错误;(3)[3]B 端与“1”“2”相连时,该多用电表挡位分别为直流2.5 mA 挡、直流1 mA 挡,如图所示由电表的改装原理可知B 端与“2”相连时,有:122G G G I r R I R I =++ 解得: 12160ΩR R +=[4]B 端与“4”相连时,如图所示多用电表为直流电压1 V 挡,表头并联部分电阻:442880ΩG G U I r R I -== (4)[5]B 端与“1”相连时,电表读数为1.47 mA ;[6]B 端与“3”相连时,多用电表为欧姆×100Ω挡,读数为:311.0100Ω 1.1010Ω⨯=⨯[7]B 端与“5”相连时,多用电表为直流电压5 V 挡,读数为:1475V 2.95V 250⨯=4.(1)如图所示为某多用电表内部简化电路图,作电流表使用时,选择开关S 应接________(选填“1”“2”“3”“4”或“5”)量程较大.(2)某同学想通过多用表的欧姆挡测量量程为3 V 的电压表内阻(如图乙),主要步骤如下:① 把选择开关拨到“×100”的欧姆挡上;② 把两表笔相接触,旋转欧姆调零旋钮,使指针指在电阻零刻度处;③ 把红表笔与待测电压表________(选填“正”或“负”)接线柱相接,黑表笔与另一接线柱相连,发现这时指针偏转角度很小;④ 换用________(选填“×10”或“×1 k”)欧姆挡重新调零后测量,发现这时指针偏转适中,记下电阻数值;⑤ 把选择开关调至空挡或交流电压最高挡后拔下表笔,把多用电表放回桌上原处,实验完毕.(3)实验中(如图丙)某同学读出欧姆表的读数为_________Ω,这时电压表读数为___________V.(4)请你计算欧姆表内部电源电动势为________V.(保留两位有效数字)【答案】1 负 ×1k 4.0×104 2.20 3.0【解析】(1)当做电流表使用时,电阻应和表头并联分流,故连接1和2时为电流表,根据欧姆定律可知并联支路的电压相等,并联支路的电阻越大,分流越小,故当接1时量程最大;(2)③根据“红进黑出”原理,即电流从红表笔流进可知红表笔接电压表的负极;④欧姆表在测量电阻时指针从无穷大处开始偏转,故欧姆表指针偏转很小,说明被测电阻大,档位应提升一级,即换×1k的测量;(3)欧姆表的读数为440.01000 4.010VR=⨯=⨯Ω;电压表分度值为0.1V,故读数为2.20V;(4)根据(3)采用的档位可知中值电阻即欧姆表内阻为41.510r=⨯Ω,根据闭合回路欧姆定律可得4.02.24.0 1.5VVRE ER r==++,解得3.0VE≈.5.⑴某实验小组为了测量某一电阻Rx的阻值,他们先用多用电表进行粗测,测量出Rx的阻值约为18Ω左右.为了进一步精确测量该电阻,实验台上有以下器材:A.电流表(量程15mA,内阻未知)B.电流表(量程0.6A,内阻未知)C.电阻箱(0~99.99Ω)D.电阻箱(0~999.9Ω)E.电源(电动势约3V,内阻约1Ω)F.单刀单掷开关2只G.导线若干甲同学设计了如图甲所示的实验原理图并连接好实验器材,按照如下步骤完成实验:a.先将电阻箱阻值调到最大,闭合S1,断开S2,调节电阻箱阻值,使电阻箱有合适的阻值R1,此时电流表指针有较大的偏转且示数为I;b.保持开关S1闭合,再闭合开关S2,调节电阻箱的阻值为R2,使电流表的示数仍为I.①根据实验步骤和实验器材规格可知,电流表应选择_______,电阻箱应选择_______ (选填器材前的字母)②根据实验步骤可知,待测电阻Rx= ____________________(用步骤中所测得的物理量表示).⑵同学乙认为该电路可以用来测电源的电动势、内阻.若已知所选电流表的内阻R A =2.0Ω,闭合开关S 2,调节电阻箱R ,读出多组电阻值R 和电流I 的数据;由实验数据绘出的1I-R 图象如图乙所示,由此可求得电源电动势E=________ V ,内阻r= ____ Ω.(计算结果保留两位有效数字) 【答案】A; D; 21R R - ; 3.2; 2.0;【解析】【分析】(1)根据闭合电路欧姆定律求出通过待测电阻的最大电流来选择电流表量程,然后再通过求出电路中需要的最大电阻来选择电阻箱;列出开关S 2断开和闭合时对应的闭合电路欧姆定律表达式,然后求解即可.(2)根据实验电路应用欧姆定律求出图象的函数表达式,然后根据图示图象求出电源电动势与内阻.【详解】(1)电源电动势为3V ,电流表量程为15mA=0.015A ,选A ;由欧姆定律:U I R =可知,电路中的最小电阻应为:min 32000.015A E R I ===Ω,所以电阻箱应选D ; ②根据闭合电路欧姆定律得:S 2断开时有:E =I (R x +R 1+R A +r ),S 2闭合时有:E =I (R 2+R A +r ),解得:R x =R 2-R 1;(2)闭合开关S 2,由闭合电路欧姆定律得:E =I (R +R A +r ),整理得:11A R r R E E I +=+由1R I -图象可知:1k E =,A R r b E +=,而已知R A ,解得1E k =,A b r R k =-.可得3.2V, 2.0ΩE r ==【点睛】本题考查了测电源电动势与内阻实验、考查了测量电阻的实验,要注意正确根据题意明确实验原理;然后根据所对应的物理规律分析求解即可;对于图象分析问题,要注意根据物理规律确定公式,结合图象的性质分析斜率以及截距的意义.6.小华、小刚共同设计了图甲所示的实验电路,电路中的各个器材元件的参数为:电池组(电动势约6V,内阻r约3Ω)、电流表(量程2.0A,内阻r A=0.8Ω)、电阻箱R1(0~99.9Ω)、滑动变阻器R2(0~R t)、开关三个及导线若干.他们认为该电路可以用来测电源的电动势、内阻和R2接入电路的阻值.(1)小华先利用该电路准确地测出了R2接入电路的阻值.他的主要操作步骤是:先将滑动变阻器滑片调到某位置,接着闭合S、S2,断开S1,读出电流表的示数I;再闭合S、S l,断开S2,调节电阻箱的电阻值为3.6Ω时,电流表的示数也为I.此时滑动变阻器接入电路的阻值为_________Ω.(2)小刚接着利用该电路测出了电源电动势E和内电阻r.①他的实验步骤为:a.在闭合开关前,调节电阻R1或R2至 _________(选填“最大值”或“最小值”),之后闭合开关S,再闭合_______(选填“S1”或“S2”);b.调节电阻________(选填“R1”或“R2”),得到一系列电阻值R和电流I的数据;c.断开开关,整理实验仪器.②图乙是他由实验数据绘出的1RI图象,图象纵轴截距与电源电动势的乘积代表_______(用对应字母表示),电源电动势E=_____V,内阻r=______Ω.(计算结果保留两位有效数字).【答案】3.6 最大值S1R1R A与r之和 6.0 2.8【解析】【分析】(1)由电路的结构可知测出了2R接入电路的阻值用的是等值替代法.(2)实验中采用的是电阻箱和电流表的方式测定电动势和内电阻;根据实验的原理可知应采用的方式;(3)分析电流与电阻的关系,由闭合电路欧姆定律可得出符合本实验的公式,再结合图象的性质利用函数关系即可求得电动势和内电阻。
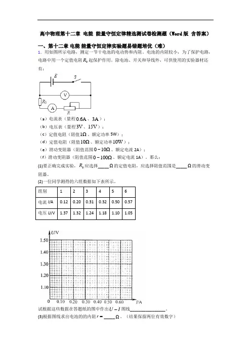
高中物理第十二章电能能量守恒定律精选测试卷检测题(Word版含答案)一、第十二章电能能量守恒定律实验题易错题培优(难)1.用如图所示电路,测定一节干电池的电动势和内阻。
电池的内阻较小,为了保护电路,电路中用一个定值电阻0R起保护作用。
除电池、开关和导线外,可供使用的实验器材还有:(a)电流表(量程0.6A、3A);(b)电压表(量程3V、15V);(c)定值电阻(阻值1Ω、额定功率5W);(d)定值电阻(阻值10Ω、额定功率10W);(e)滑动变阻器(阻值范围0~10Ω、额定电流2A);(f)滑动变阻器(阻值范围0~100Ω、额定电流1A)。
那么:(1)要正确完成实验,0R应选择_____Ω的定值电阻,应选择阻值范围是_____Ω的滑动变阻器。
(2)一位同学测得的六组数据如下表所示。
组别123456电流I/A0.120.200.310.320.500.57电压U/V 1.37 1.32 1.24 1.18 1.10 1.05-图线________________。
试根据这些数据在答题纸的图中作出U I(3)根据图线求出电池的的内阻r=_____Ω。
(结果保留两位有效数字)(4)导致该实验误差的主要原因是_____________________。
【答案】1 0~10 0.72Ω(0.68~0.76) 电压表的分流(偶然误差也正确)【解析】【分析】【详解】(1)[1]为使滑动变阻器滑动时电表示数有明显变化,应使R 0+R 与电源内阻r 尽可能接近,因干电池的r 较小,则考虑选择1Ω的定值电阻;[2]滑动变阻器的最大阻值一般比电池内阻大几倍就可以,取0~10Ω能很好地控制电路中的电流和电压,若取0~100Ω不方便调节;所以应选择阻值范围是0~10Ω的滑动变阻器。
(2)[3]根据数据描点作出U I -图线如图(3)[4]U I -图线的斜率等于电池的的内阻,则1.461Ω0.72Ω0.64r k -==≈(0.68~0.76都正确) (4)[5]导致该实验误差的主要原因是电压表的分流,从而导致电流表示数偏小。
北京市第十三中学物理第十二章电能能量守恒定律精选测试卷一、第十二章电能能量守恒定律实验题易错题培优(难)1.某同学在做“测电源电动势与内阻”的实验中,可使用的器材有:A.两只相同的毫安表(量程I g=3mA,内阻R g=1000Ω);B.滑动变阻器R1(最大阻值20Ω);C.滑动变阻器R2(最大阻值2000Ω);D.各种规格的定值电阻R0;E.电源E(电动势约为3.0V);F.开关、导线若干.由于给出的毫安表量程太小,该同学首先要把一只毫安表改装成量程为0.6A的电流表,他需要把阻值为__________Ω的定值电阻R0与毫安表并联(结果保留一位小数).该同学将用如右上方的电路图进行实验,测定电源的电动势和内阻.在实验中发现变阻器的滑片由左向右逐渐滑动时,电流表G1示数逐渐增大,电流表G2示数接近3.0mA并且几乎不变,当滑片临近最右端时,电流表G2示数急剧变化.出现这种问题,应更换一个总阻值比原来______(选填“大”或“小”)的变阻器.在更换变阻器后,该同学连好电路,改变滑动变阻器滑片的位置,读出毫安表G1、G2的示数分别为I1、I2,并得到多组数据,建立直角坐标系,作出了I2和I1的关系图线,经拟合得到直线I2=3.0mA-0.4I1 ,则得出电源电动势E=_____V,内阻r=_____Ω.(保留一位小数)【答案】5.0 Ω小 3.0V 2.0Ω【解析】【详解】[1]已知量程I g=3mA,内阻R g=1000Ω, 0.6I=A,设电流表的量程扩大的倍数为n,gInI=并联的电阻为R,根据并联电路的特点则有1gRRn=-解得R=5.0Ω[2]当变阻器的滑片由左向右逐渐滑动时,变阻器的阻值逐渐减小,外电路电阻减小,电流表G1示数逐渐增大,电流表G2示数接近3.0mA并且几乎不变,说明变阻器的电阻接近零时,路端电压才接近电源电动势,出现这种问题,应更换一个总阻值比原来小的变阻器,[3][4]G1示数是1I时,电路中的总电流是21200I I+,由闭合电路的欧姆定律得()221200g E I RI Ir =++整理得21200g g E rI I R r R r=-++ I 2=3.0mA -0.4I 1由I 2和I 1的关系图线得图线的截距b =3.0mA ,斜率0.4K =-0.003g ER r=+ A 2000.4G rR r=+ 解得 3.0E =V , 解得 2.0r =Ω2.某位同学用如图甲所示的多用电表测量电阻,要用到选择开关和两个部件.请根据下列步骤完成电阻测量:(1)在使用前,发现多用电表指针如图乙所示,则他应调节__________ (选填或或). (2)正确处理完上述步骤后,他把开关打在欧姆挡,把红黑表笔短接,发现指针如图丙所示,则他应调节__________ (选填或或).(3)正确处理完上述步骤后,他把红黑表笔接在某定值电阻两端,发现指针如图丁所示,则他应采取的措施是①___________________;②____________________.(4)正确处理完上述步骤后,他把红黑表笔接在定值电阻两端,发现指针如图戊所示,则该定值电阻的阻值___________.【答案】(1)S (2)T (3)①将打到欧姆挡;②将两表笔短接,重新调节,使指针指在欧姆零刻度线处(4)【解析】【分析】【详解】(1)在使用前,发现多用电表指针如图乙所示,则应机械调零,即他应调节S使针调到电流的零档位.(2)把开关打在欧姆挡,把红黑表笔短接,即欧姆调零,应该调到电阻的零档位,此时要调节欧姆调零旋钮,即T(3)他把红黑表笔接在某定值电阻两端,发现指针如图丁所示,说明待测电阻较小,应该换小挡,即换挡,换挡必调零,所以要重新调零即将两表笔短接,重新调节,使指针指在欧姆零刻度线处.(4)根据欧姆表读数原则可知欧姆表的读数为【点睛】要熟练万用表的使用规则,并且要注意在换挡时一定要欧姆调零.3.现有一节干电池(电动势约为1.5V,内阻约为0.30Ω),电压表V(量程为3V,内阻约3kΩ);电流表A(量程为0.6A,内阻为0.70Ω),滑动变阻器R(10Ω,2A),电键一个及导线若干。
一、选择题1.如图所示的电路中,电源电动势为E,内阻为r,R1、R2是定值电阻,当滑动变阻器R0的滑片向下移动时,下列说法正确的是()A.电流表示数变大B.电压表示数变大C.R1消耗的功率增大D.R2消耗的功率增大2.在如图所示的电路中,当滑动变阻器的滑动片向下移动时,关于电灯L的亮度及电容器C所带电荷量Q的变化判断,正确的是()A.L变暗,Q增大B.L变暗,Q减小C.L变亮,Q增大D.L变亮,Q减小3.如图所示,电源电动势为E,内阻为r。
电路中的R2、R3分别为总阻值一定的滑动变阻器,R0为定值电阻,R1为光敏电阻(其电阻随光照强度增大而减小)。
当开关S闭合时,电容器中一带电微粒恰好处于静止状态。
有关下列说法中正确的是()A.在只逐渐增大光照强度的过程中,电阻R0消耗的电功率变大,电阻R3中有向上的电流B.只调节电阻R3的滑动端P2向上端移动的过程中,电源消耗的功率变大,电阻R3中有向上的电流C.只调节电阻R2的滑动端P1向下端移动的过程中,电压表示数变大,带电微粒向下运动D.若断开开关S,电容器所带电荷量变大,带电微粒向上运动4.如图是某锂电池外壳上的文字说明,由此可知()⨯⨯-⋅BL528M 700mA h标准3.7V锂离子电池充电限制电压:4.2V执行标准:GB/T18287-2000待机时间:48h警告:切勿投入火中!!!序号:×××× 只能使用指定充电器Li-ion电池制造厂商:中国××股份有限公司地址:深圳××工业大厦A.该电池通过1C的电量时,非静电力做功3.7JB.两块此种型号电池串联使用的电动势为8.4VC.该电池的额定工作电流一定为700mAD.该电池完全放电将有10584J的化学能转化为电能5.现有标有“110V 40W”的灯泡L1和标有“110V 100W”的灯泡L2及一只最大阻值为500Ω的滑动变阻器R,将它们接在220V的电路中,在如图所示的几种接法中,能让L1,L2同时正常发光的是()A.B.C.D.6.铅蓄电池的电动势为2V,下列说法不正确的是( )A.电路中每通过1C电荷量,电源把2J的化学能转化为电能B.蓄电池两极间的开路电压为2VC.蓄电池在1s内将2J的化学能转化成电能D.蓄电池将化学能转化为电能的本领比一节干电池电动势为大7.如图所示,R1为定值电阻,R2是金属热电阻(温度越高,电阻值越大),L为小灯泡。
北京市高中物理必修第3册第十二章电能能量守恒定律试卷检测题一、第十二章电能能量守恒定律实验题易错题培优(难)1.某同学在做“测电源电动势与内阻”的实验中,可使用的器材有:A.两只相同的毫安表(量程I g=3mA,内阻R g=1000Ω);B.滑动变阻器R1(最大阻值20Ω);C.滑动变阻器R2(最大阻值2000Ω);D.各种规格的定值电阻R0;E.电源E(电动势约为3.0V);F.开关、导线若干.由于给出的毫安表量程太小,该同学首先要把一只毫安表改装成量程为0.6A的电流表,他需要把阻值为__________Ω的定值电阻R0与毫安表并联(结果保留一位小数).该同学将用如右上方的电路图进行实验,测定电源的电动势和内阻.在实验中发现变阻器的滑片由左向右逐渐滑动时,电流表G1示数逐渐增大,电流表G2示数接近3.0mA并且几乎不变,当滑片临近最右端时,电流表G2示数急剧变化.出现这种问题,应更换一个总阻值比原来______(选填“大”或“小”)的变阻器.在更换变阻器后,该同学连好电路,改变滑动变阻器滑片的位置,读出毫安表G1、G2的示数分别为I1、I2,并得到多组数据,建立直角坐标系,作出了I2和I1的关系图线,经拟合得到直线I2=3.0mA-0.4I1 ,则得出电源电动势E=_____V,内阻r=_____Ω.(保留一位小数)【答案】5.0 Ω小 3.0V 2.0Ω【解析】【详解】[1]已知量程I g=3mA,内阻R g=1000Ω, 0.6I=A,设电流表的量程扩大的倍数为n,gInI=并联的电阻为R,根据并联电路的特点则有1gRRn=-解得R=5.0Ω[2]当变阻器的滑片由左向右逐渐滑动时,变阻器的阻值逐渐减小,外电路电阻减小,电流表G1示数逐渐增大,电流表G2示数接近3.0mA并且几乎不变,说明变阻器的电阻接近零时,路端电压才接近电源电动势,出现这种问题,应更换一个总阻值比原来小的变阻器,[3][4]G1示数是1I时,电路中的总电流是21200I I+,由闭合电路的欧姆定律得()221200g E I R I I r =++整理得21200g g E r I I R r R r=-++ I 2=3.0mA -0.4I 1由I 2和I 1的关系图线得图线的截距b =3.0mA ,斜率0.4K =-0.003g E R r=+ A 2000.4G r R r=+ 解得 3.0E =V ,解得 2.0r =Ω2.现要测量电压表的内阻和电源的电动势,提供的器材有:电源E(电动势约为6V,内阻不计),电压表V1(量程0~2.5V,内阻约为2.5kΩ),电压表V2(量程0~3v,内阻约为10kΩ),电阻箱R0(最大阻值为9999.9Ω),滑动变阻器R1(最大阻值为3kΩ),滑动变阻器R2(最大阻值为500Ω),单刀双掷开关一个,导线若干(1)如图(1)所示的甲、乙、丙三图是几位同学为完成本次验而设计的电路图,你认为选用哪一个电路图完成本次实验最合理?_______ (填“甲”、“乙”“丙”)(2)电路中应选用滑动变阻器_______(选填“R1”或“R2”)(3)按照下列步骤进行实验:①闭合开关前,将滑动变阻器和电阻箱连入电路的阻值调至最大;②闭合开关,将电阻箱调到6Ωk,调节滑动变阻器至适当的位置,此时电压表V1的示数为1.60V 电压表V2的示数为2.40V;③保持滑动变阻器连入电路的阻值不变,再将电阻箱调到2kΩ, 此时电压表V1的示数如图(2)所示,其示数为_______V,电压表V2的数为1.40V(4)根据以上实验数据,计算得到电源的电动势为_______V,电压表V1的内阻为_______KΩ,电,压表V2的内阻为_______KΩ.【答案】丙 1R 2.10V 5.60V 2.5k Ω 2.5k Ω【解析】【分析】考查测电阻、电源电动势的方法,根据欧姆定律综合分析可得。
一、选择题1.如图所示的电路中,电源电动势为E,内阻为r,R1、R2是定值电阻,当滑动变阻器R0的滑片向下移动时,下列说法正确的是()A.电流表示数变大B.电压表示数变大C.R1消耗的功率增大D.R2消耗的功率增大2.在如图所示的电路中,当滑动变阻器的滑动片向下移动时,关于电灯L的亮度及电容器C所带电荷量Q的变化判断,正确的是()A.L变暗,Q增大B.L变暗,Q减小C.L变亮,Q增大D.L变亮,Q减小3.恒压电源的内阻可视为零,普通电源的内阻不可忽略。
为判别一电源是哪种电源,某同学连接了如图所示实验电路,并断开电键,设想通过观察电键闭合后的电流表作出判断。
此方案()A.无效。
因为无论是哪种电路,电流表示数都变大B.无效。
因为无论是哪种电路,电流表示数都变小C.有效。
若是恒压电源,电流表示数不变,若是普通电源,则电流表示数变大D.有效。
若是恒压电源,电流表示数不变,若是普通电源,则电流表示数变小4.在如图所示的电路中,闭合开关,将滑动变阻器的滑片向左移动一段距离,待电路稳定后,与滑片移动前比较()A.灯泡L变暗B.电容器C上的电荷量不变C.电源消耗的总功率变大D.电阻0R两端电压变大5.单位正电荷沿闭合电路移动一周,电源释放的总能量取决于()A.电源的电动势B.电荷定向移动的速度C.内、外电路的电阻之和D.电荷运动一周所需要的时间6.某同学准备用一种热敏电阻制作一只电阻温度计。
他先通过实验描绘出一段该热敏电阻的I一U曲线,如图甲所示。
再将该热敏电阻R t与某一定值电阻串联接在电路中,用理想电压表与定值电阻并联,并在电压表的表盘上标注温度值,制成电阻温度计,如图乙所示。
下列说法中正确的是()A.从图甲可知,该热敏电阻的阻值随温度的升高而增大B.图乙中电压表的指针偏转角越大,温度值越大C.温度越高,整个电路消耗的功率越小D.若热敏电阻的阻值随温度线性变化,则表盘上标注温度刻度也一定是均匀的7.在如图所示的电路中,当闭合开关S后,若将滑动变阻器的滑片P向下调节,则以下判断正确的是()A.灯L1变亮,电压表的示数减小B.灯L1变暗,电流表的示数增大C.灯L2变亮,电压表的示数增大D.灯L2变暗,电流表的示数减小8.如图所示电路,闭合电键S,滑动变阻器的滑片向左滑动,则下列说法正确的是()A.电流表A的示数增大B.电流表1A的示数增大C.电压表V的示数增大D.如果保持滑动变阻器的滑片不动而将S断开三表A、1A、V的示数都减小9.如图所示,电源的电动势为E,内阻为r,R为电阻箱。
一、选择题1.风能是清洁能源,利用风力发电机可以将风能转化为电能。
某风力发电机的叶片转动时可形成半径为20 m 的圆面,风速垂直圆面且大小恒为10 m/s ,空气密度取1.2 kg/m 3,若该发电机能将此圆面内10%的空气动能转化为电能,则其发电功率约为( ) A .75 kWB .25 kWC .7.5 kWD .3.75 kW A解析:A设在∆t 时间内垂直吹到圆面上的空气质量为∆m ,则有 m Sv t ρ∆=∆又因为2S r π=由 W P t = 可得该风力发电机的发电功率为2110%2m v tP ∆⨯⨯⨯∆= 整理并代入数据可得75.36kW P =故选A 。
2.如图是某锂电池外壳上的文字说明,由此可知( )BL 528M 700mA h ⨯⨯-⋅标准3.7V 锂离子电池充电限制电压:4.2V执行标准:GB/T18287-2000待机时间:48h警告:切勿投入火中!!!序号:×××× 只能使用指定充电器Li-ion 电池制造厂商:中国××股份有限公司地址:深圳××工业大厦A .该电池通过1C 的电量时,非静电力做功3.7JB .两块此种型号电池串联使用的电动势为8.4VC .该电池的额定工作电流一定为700mAD .该电池完全放电将有10584J 的化学能转化为电能A解析:AA .根据非静电力做功公式得3.7J W Uq ==A 正确;B .两块此种型号电池串联使用的电动势为2 3.7V=7.4V E =⨯B 错误;C .条件不足,无法确定其额定电流。
C 错误;D .该电池完全放电,化学能转化为电能,即33.7700103600J=9324J W UQ -==⨯⨯⨯D 错误。
故选A 。
3.下列说法中正确的是( )A .在匀强电场中,电势降低的方向就是电场强度的方向B .根据公式U =Ed 可知,匀强电场中任意两点间的电势差与这两点的距离成正比C .单位时间通过导体横截面的电荷量越多,电流越大D .在某电池的电路中每通过2C 的电荷量,电池提供的电能是4J ,那么这个电池的电动势是0.5V ;C解析:CA .沿电场线方向电势降低,电势降低最快的方向是电场线方向,故A 错误;B .公式U Ed =中d 是两点沿电场方向间的距离,所以在匀强电场中,任意两点间的电势差与这两点间沿电场方向的距离成正比,而不是与任意距离成正比,故B 错误;C .电流的大小取决于电荷量与时间的比值,即单位时间内通过导体横截面的电量越大,电流越大。
北京市中关村中学物理第十二章电能能量守恒定律精选测试卷一、第十二章电能能量守恒定律实验题易错题培优(难)1.某研究性学习小组利用伏安法测定某一电池组的电动势和内阻,实验原理如图甲所示,其中,虚线框内为用灵敏电流计G改装的电流表A,V为标准电压表,E为待测电池组,S为开关,R为滑动变阻器,R0是标称值为4.0Ω的定值电阻.①已知灵敏电流计G的满偏电流I g=100μA、内阻r g=2.0kΩ,若要改装后的电流表满偏电流为200mA,应并联一只Ω(保留一位小数)的定值电阻R1;②根据图甲,用笔画线代替导线将图乙连接成完整电路;③某次试验的数据如下表所示:该小组借鉴“研究匀变速直线运动”试验中计算加速度的方法(逐差法),计算出电池组的内阻r= Ω(保留两位小数);为减小偶然误差,逐差法在数据处理方面体现出的主要优点是.④该小组在前面实验的基础上,为探究图甲电路中各元器件的实际阻值对测量结果的影响,用一已知电动势和内阻的标准电池组通过上述方法多次测量后发现:电动势的测量值与已知值几乎相同,但内阻的测量值总是偏大.若测量过程无误,则内阻测量值总是偏大的原因是.(填选项前的字母)A.电压表内阻的影响 B.滑动变阻器的最大阻值偏小C.R1的实际阻值比计算值偏小 D.R0的实际阻值比标称值偏大测量次数12345678电压表V读数U/V 5.26 5.16 5.04 4.94 4.83 4.71 4.59 4.46改装表A读数I/mA20406080100120140160【答案】(2)①1.0 ②如图所示③ 1.66 充分利用测得的数据④CD【解析】解:1.根据改装后电表的量程1g g g I r I I R =+,代入解得1 1.0R =Ω.2.实物图如图所示3.根据闭合电路的欧姆定律()0E U I R r =++可得0U R r I ∆+=∆,故15051U U R r I I -+=-, 或2662U U I I --或3773U U I I --或()()()12345678488451 5.664U U U U U U U U U U I I I I +++⋅+++-==Ω-- 可得: 1.66r =Ω.因充分利用测得的数据,故减少一次测量的偶然误差.4.实验中,电压表为标准电压表,由于电动势的测量值与已知值几乎相同,说明电压表和滑动变阻器对实验没有影响.电压表的变化量和电流表的变化量比值的绝对值为电源内阻r 和定值电阻0R 之和,当1R 的实际阻值比计算值偏小时,电流表的读数比实际值偏小,则测得内阻将偏大,C 正确.当0R 的实际阻值比标称值偏大时,算得的电源内阻也偏大,D 正确.2.某同学在做“测电源电动势与内阻”的实验中,可使用的器材有:A .两只相同的毫安表(量程I g =3mA ,内阻R g =1000Ω);B .滑动变阻器R 1(最大阻值20Ω);C .滑动变阻器R 2(最大阻值2000Ω);D .各种规格的定值电阻R 0;E .电源E (电动势约为3.0V );F .开关、导线若干.由于给出的毫安表量程太小,该同学首先要把一只毫安表改装成量程为0.6A 的电流表,他需要把阻值为__________Ω的定值电阻R 0与毫安表并联(结果保留一位小数).该同学将用如右上方的电路图进行实验,测定电源的电动势和内阻.在实验中发现变阻器的滑片由左向右逐渐滑动时,电流表G 1示数逐渐增大,电流表G 2示数接近3.0mA 并且几乎不变,当滑片临近最右端时,电流表G 2示数急剧变化.出现这种问题,应更换一个总阻值比原来______(选填“大”或“小”)的变阻器.在更换变阻器后,该同学连好电路,改变滑动变阻器滑片的位置,读出毫安表G 1、G 2的示数分别为I 1、I 2,并得到多组数据,建立直角坐标系,作出了I 2和I 1的关系图线,经拟合得到直线I 2=3.0mA -0.4I 1 ,则得出电源电动势E =_____V ,内阻r =_____Ω.(保留一位小数) 【答案】5.0 Ω 小 3.0V 2.0Ω 【解析】 【详解】[1]已知量程I g =3mA ,内阻R g =1000Ω, 0.6I =A ,设电流表的量程扩大的倍数为n ,gI n I =并联的电阻为R ,根据并联电路的特点则有1g R R n =-解得R =5.0Ω[2]当变阻器的滑片由左向右逐渐滑动时,变阻器的阻值逐渐减小,外电路电阻减小,电流表G 1示数逐渐增大,电流表G 2示数接近3.0mA 并且几乎不变,说明变阻器的电阻接近零时,路端电压才接近电源电动势,出现这种问题,应更换一个总阻值比原来小的变阻器, [3][4]G 1示数是1I 时,电路中的总电流是21200I I +,由闭合电路的欧姆定律得()221200g E I R I I r =++整理得21200g g E rI I R r R r=-++ I 2=3.0mA -0.4I 1由I 2和I 1的关系图线得图线的截距b =3.0mA ,斜率0.4K =-0.003g ER r=+ A 2000.4G rR r=+ 解得 3.0E =V , 解得 2.0r =Ω3.现有一节干电池(电动势约为1.5V ,内阻约为0.30Ω),电压表V (量程为3V ,内阻约3kΩ);电流表A (量程为0.6A ,内阻为0.70Ω),滑动变阻器R (10Ω,2A ),电键一个及导线若干。
一、选择题1.如图的U-I图象中,直线I为某一电源的路端电压与电流的关系图象,直线Ⅱ为某一电阻R的伏安特性曲线。
用该电源与电阻R组成闭合电路,则()A.电源电动势 3V,内阻2ΩB.电阻的阻值为2ΩC.电源的效率为 66.7% D.电源的总功率为 4W2.如图所示,平行金属板中带电质点P处于静止状态,不考虑电流表和电压表对电路的影响,当滑动变阻器R4的滑片向b端移动时,则()A.电压表读数减小B.电流表读数减小C.质点P将向上运动D.R3上消耗的功率逐渐增大3.在如图所示的电路中,R1为定值电阻,R2为可变电阻,电源的电动势为E,内阻为r。
设电流表A的示数为I,电压表V的示数为U,当R2的滑动触点向a端移动时,则()A.I变大,U变小B.I变大,U变大C.I变小,U变大D.I变小,U变小4.能量守恒定律是自然界最普遍的规律之一,以下最能体现能量守恒定律的是()A.闭合电路欧姆定律B.动能定理C.动量守恒定律D.牛顿第三定律5.如图为某智能手机电池上的信息,电池支持“9V,2A”快充技术,电池充满仅需约1.3小时,轻度使用状态可使用一天,下列说法正确的是()A.9.88Wh为该电池的电量B.4.35V为该电池的电动势C.轻度使用时的平均功率约为1WD.根据数据可以计算得到该电池的容量为2600mAh6.如图所示,一个电源的电动势为E、内阻为r,将一个额定电压为U的电动机接在该电源上,电动机正常工作,通过电动机的电流为I。
电动机的内阻为R,关于在时间t内的能量转化,下面说法中正确的是()A.电源的输出功率为2 E R rB.电源的总功率为UIC.电动机的电功率为I2RD.电动机的机械功率为UI-I2R7.某同学设计了如图所示的双向开关电路,电源电压保持不变,灯L1、L2分别标有“3V、3W”,“9V、4.5W”字样。
当开关拨至“2”位置且滑片滑到A端时,灯L2恰好正常发光。
下列判断正确的是(不计灯丝电阻随温度的变化)()A.电源电压为12VB.L2正常发光时,电路中的电流为2AC.要使L1正常发光,滑动变阻器接入电路的阻值应为6ΩD.当灯L1、L2分别正常发光时,两次电路的总功率之比为2:18.如图电路,电源电动势为E,内阻为r,先将开关S1闭合,再将S2闭合,在这一过程中各电表示数的变化情况是()A.A1、A2示数变大,V示数变大B.A1示数变大,A2示数变小,V示数变小C.A1示数变大,A2、V示数不变D.A1、A2示数变小,V示数变大9.如图所示,电动势为E、内阻为r的电池与定值电阻R0、滑动变阻器R串联,已知R0=2r,滑动变阻器的最大阻值是5r。
高中物理第十二章电能能量守恒定律经典知识题库单选题1、如图所示的电路中,电源的电动势为E,内阻不计,电容器电容为C,电阻R1:R2:R3:R4=3:2:1:1,开关S断开。
现将S闭合,由S闭合到电路稳定的过程中通过R3的电荷量是()A.EC5B.2EC5C.3EC5D.EC答案:D当开关S断开时,电容器两极板间电压等于R2两端电压,上极板带正电Q1=CER2R1+R2=2EC5开关S闭合后,电容器与R1并联,上极板带负电,两极板间电压等于R1两端电压Q2=CER1R1+R2=3EC5上极板极性改变,则由S闭合到电路稳定的过程中流过R3的电荷量Q=Q1+Q2=EC故选D。
2、若用E表示电源电动势,U表示路端电压,U内表示内电压,R表示外电路的总电阻,r表示电源的内阻,I 表示总电流,则下列各式中正确的是()A.U=IR B.U=E+IRC.U=ERrD.U内=IR答案:A根据闭合电路欧姆定律I =E R+r ,可知U =IR =E −Ir =E R +rR U 内=Ir =E −IR故选A 。
3、某学习小组用如下电路研究小电动机的电流与电压关系。
通过调节滑动变阻器R 接入电路的阻值,测量得到下表记录的信息。
若认为小电动机的电阻是不变的,则( )序号 电压U V ⁄电流I A ⁄ 电动机工作状态 B .当小电动机的电压为2.00V 时,其发热功率为0.1WC .当小电动机的电压为2.00V 时,其电功率为0.3WD .当小电动机的电压为3.5V 时,其对外做功的功率为1.05W答案:BA .将电压表当作理想电压表,当小电动机的电压为1.25V 时,电动机卡住未转动,电功率等于内阻发热功率UI =I 2r将第一组数据代入可解得r =2.5Ω故A 错误;B .当小电动机的电压为2.00V 时,电流是0.50A ,由P=I 2r 得其发热功率为0.1W ,故B 正确;C.当小电动机的电压为2.00V时,其电功率P=UI=2×0.2W=0.4W故C错误;D.当小电动机的电压为3.5V时,其对外做功的功率=UI−I2r=3.5×0.3−0.32×2.5W=0.925WP出故D错误。
高中物理第十二章电能能量守恒定律精选测试卷测试卷(含答案解析)一、第十二章电能能量守恒定律实验题易错题培优(难)1.某同学设计了如图(a)所示电路研究电源输出功率变化情况.电源E电动势、内电阻恒定,R1为滑动变阻器,R2、R3为定值电阻,A、V为理想电表.(1)若滑动片P由a滑至b时A示数一直变小,则R1和R2必须满足的关系是__________________.(2)若R1=6Ω,R2=12Ω,电源内电阻r=6Ω,,当滑动片P由a滑至b时,电源E 的输出功率P随外电路总电阻R的变化关系如图(b)所示,则R3的阻值应该选择()(A)2Ω(B)4Ω(C)6Ω(D)8Ω【答案】(1)R1≤R2,(2)B【解析】【详解】(1)电流表的示数:3EIr R R=++并,欲使滑动片P由a滑至b时A示数一直变小,须使R并一直变大,因为两电阻之和一定时,当二者相等时并联电阻最大,所以要求R1≤R2.(2)从图b知,当R外=6Ω时,电源E的输出功率P最大,即电源内阻为6Ω,而R1和R2部分的电阻变化范围是0~4Ω,因此R3的阻值必须大于2Ω小于6Ω.所以A、C、D错误,只能选B.2.某同学欲测量一电容器的电容,他采用高电阻放电法来测量,电路图如图甲所示.其原理是测出电容器在充电电压为U时所带的电荷量Q,从而求出其电容C.该实验的操作步骤如下:(1)先判断电容器的好坏,使用万用表的电阻挡进行测量,观察到万用表指针向右偏转较大角度,又逐渐返回到起始位置,此现象说明电容器是____(选填“好”、“坏”)的;(2)按如图甲所示电路原理图连接好实验电路,将开关S接通____(选填“1”、“2”),对电容器进行充电,调节可变电阻R的阻值,再将开关S接通另一端,让电容器放电,观察微安表的读数,直到微安表的初始指针接近满刻度;(3)此时让电容器先充电,记下这时的电压表读数U0=2.9V,再放电,并同时开始计时,每隔5 s 或10 s读一次微安表的读数i,将读数记录在预先设计的表格中。
一、选择题1.如图所示的电路中,电源电动势为E,内阻为r,R1、R2是定值电阻,当滑动变阻器R0的滑片向下移动时,下列说法正确的是()A.电流表示数变大B.电压表示数变大C.R1消耗的功率增大D.R2消耗的功率增大2.在如图所示的电路中,电源的电动势为E,内阻为r,灯泡L的电阻小于电源的内阻,闭合开关S,在滑动变阻器的滑片由a向b移动的过程中,下列各物理量的变化情况正确的是()A.电流表的读数变大B.灯泡L变亮C.电源输出功率先减小后增大D.电压表的读数先增大后减小3.恒压电源的内阻可视为零,普通电源的内阻不可忽略。
为判别一电源是哪种电源,某同学连接了如图所示实验电路,并断开电键,设想通过观察电键闭合后的电流表作出判断。
此方案()A.无效。
因为无论是哪种电路,电流表示数都变大B.无效。
因为无论是哪种电路,电流表示数都变小C.有效。
若是恒压电源,电流表示数不变,若是普通电源,则电流表示数变大D.有效。
若是恒压电源,电流表示数不变,若是普通电源,则电流表示数变小4.如图所示电路中,电源内阻忽略不计,电阻不随温度变化。
闭合电键,电压表示数为U,电流表示数为I;在滑动变阻器1R的滑片P由a端滑到b端的过程中()A.U先变大后变小B.I先变小后变大C.3R的功率先变小后变大D.2R的功率先变大后变小5.如图所示,直线OC为某一直流电源的总功率P总随着总电流I变化的图线,曲线OBC 为同一直流电源内部的热功率P r随电流I的变化图线,若A、B对应的横坐标为2A,则下面说法中不正确的是()A.电源电动势为3V,内阻为1ΩB.线段AB表示的功率为4WC.电流为2A时,外电路电阻为0.5ΩD.电流为3A时,外电路电阻为06.高二教室中有一台电风扇,其电动机内电阻是20Ω,接上220V的恒定电压后,电风扇正常工作,消耗的总功率是66W,则此时()A.电风扇电动机是纯电阻电路B.通过电风扇电动机的电流大小为11AC.电风扇电动机机械功率为60WD.若接上电源后电风扇扇叶被卡住而不能转动,则此时电风扇电动机发热功率为2420W7.如图所示电路,闭合电键S,滑动变阻器的滑片向左滑动,则下列说法正确的是()A .电流表A 的示数增大B .电流表1A 的示数增大C .电压表V 的示数增大D .如果保持滑动变阻器的滑片不动而将S 断开三表A 、1A 、V 的示数都减小 8.电动势为E ,内阻为r 的电源与定值电阻1R 、2R 、滑动变阻器R 连接成如图所示电路,已知R r =,22R r =,滑动变阻器的最大阻值为2r ,所有电表均为理想电表,当滑动变阻器的滑片P 从a 端向b 端滑动时,下列说法正确的是( )A .通过定值电阻1R 中的电流减小B .定值电阻2R 消耗的功率增大C .滑动变阻器R 消耗的功率一直增大D .电源的输出功率增大9.如图所示,电源的电动势E 一定,内阻2Ωr =,定值电阻10.5ΩR =,滑动变阻器R 2的最大阻值为5Ω,则:( )A .当滑动变阻器阻值为5 Ω时,电源的输出功率最大B .当滑动变阻器阻值为1.5Ω时,电源的输出功率最大C .当滑动变阻器阻值为2.0Ω时,变阻器R 2消耗的功率最大D .当滑动变阻器的阻值为2.5Ω时,电阻R 1消耗的功率最大10.如图所示,一个电源的电动势为E 、内阻为r ,将一个额定电压为U 的电动机接在该电源上,电动机正常工作,通过电动机的电流为I。
一、选择题1.在如图所示电路中, L1、L2为“220V,40W”,L3、L4为“220V,60W”,比较四个灯的亮度,有以下各种说法,其中正确的是()A.L4最亮B.L1最亮C.L1、L2一样亮D.L3比L4亮2.如图所示,电源电动势为E,内电阻为r,C为电容器,R0为定值电阻,电表均为理想电表,R为滑动变阻器,闭合开关后灯泡正常发光,当滑动变阻器的滑片P向右移动时,下列判断正确的是()A.电压表、电流表示数均变大,灯泡L将变亮B.定值电阻R0中将有从右向左的电流C.电压表示数改变量与电流表示数改变量之比变小D.电源输出功率一定变小3.某同学将一直流电源的总功率P E、输出功率P R和电源内部的发热功率P r随电流I变化的图线画在了同一坐标系中,如图中的a、b、c所示。
以下判断错误的是()A.直线a表示电源的总功率P E B.曲线c表示电源的输出功率P RC.电源的电动势E=3 V,内电阻r=1 ΩD.电源的最大输出功率P m=9 W4.硅光电池是一种太阳能电池,具有低碳环保的优点。
如图所示,图线a是该电池在某光照强度下路端电压U和电流I的关系图像(电池内阻不是常量),图线b是某电阻R的 图像。
在该光照强度下将它们组成闭合回路时,硅光电池的内阻为()U IA.5.5ΩB.7.0ΩC.12.0ΩD.12.5Ω5.如图所示,灯泡1L、2L原来都正常发光,由于故障两灯突然熄灭,若故障只有一处,则下列说法正确的是()A.将电压表并联在ac两端,示数为0,说明ac间断路B.将电压表并联在cd两端,有示数,说明cd间完好C.将电压表并联在ad两端,有示数;并联在ac两端,示数为0,说明cd间断路D.将电流表并联在ac两端,示数为0,说明cd间完好6.多用电表测量未知电阻阻值的电路如图a所示,电源的电动势为E,R0为调零电阻。
某次将待测电阻用电阻箱代替时,电路中电流I与电阻箱的阻值x R的关系图像如图b所示,则下列说法正确的是()A.当电流为0.4mA时,待测电阻为30kΩB.左插孔插入的是多用电表的红表笔C.多用电表的内阻为15kΩD.表内电源的电动势为9V7.四个定值电阻连成如图所示的电路。
一、选择题1.恒压电源的内阻可视为零,普通电源的内阻不可忽略。
为判别一电源是哪种电源,某同学连接了如图所示实验电路,并断开电键,设想通过观察电键闭合后的电流表作出判断。
此方案()A.无效。
因为无论是哪种电路,电流表示数都变大B.无效。
因为无论是哪种电路,电流表示数都变小C.有效。
若是恒压电源,电流表示数不变,若是普通电源,则电流表示数变大D.有效。
若是恒压电源,电流表示数不变,若是普通电源,则电流表示数变小2.某同学用如图电路研究电源的总功率E P、输出功率R P和电源内部的发热功率r P随电流I变化关系,他先作出了电源的伏安特性曲线,已知该直流电源内阻及外电路电阻均不随温度变化。
下列说法正确的是()A.外电路电阻的特性曲线由a变到b,是电阻R的滑片向左移动的结果B.电路中的电流增大时,电源的输出功率一定增大C.电路中的电流增大时,电源总功率不变D.电路中的电流增大时,电源效率降低3.某同学将一直流电源的总功率P E、输出功率P R和电源内部的发热功率P r随电流I变化的图线画在了同一坐标系中,如图中的a、b、c所示。
以下判断错误的是()A.直线a表示电源的总功率P E B.曲线c表示电源的输出功率P RC.电源的电动势E=3 V,内电阻r=1 ΩD.电源的最大输出功率P m=9 W4.如图所示,灯泡1L、2L原来都正常发光,由于故障两灯突然熄灭,若故障只有一处,则下列说法正确的是()A.将电压表并联在ac两端,示数为0,说明ac间断路B.将电压表并联在cd两端,有示数,说明cd间完好C.将电压表并联在ad两端,有示数;并联在ac两端,示数为0,说明cd间断路D.将电流表并联在ac两端,示数为0,说明cd间完好5.如图所示,R1为定值电阻,R2是金属热电阻(温度越高,电阻值越大),L为小灯泡。
则当温度下降时()A.R1两端的电压减小B.电流表A的示数减小C.路端电压变小D.小灯泡L变亮6.单位正电荷沿闭合电路移动一周,电源释放的总能量取决于()A.电源的电动势B.电荷定向移动的速度C.内、外电路的电阻之和D.电荷运动一周所需要的时间7.某同学准备用一种热敏电阻制作一只电阻温度计。
高中物理第十二章电能能量守恒定律专项训练题单选题1、下面各种电器的工作原理中,主要利用电流的热效应的是()A.电风扇B.微波炉C.电热水壶D.电视机答案:CABD.电风扇、微波炉、电视机全是非纯电阻用电器,电能没有全部转化成焦耳热,不是主要利用电流热效应工作的,ABD错误。
C.电热水壶是利用电流的热效应工作的,C正确。
故选C。
2、如图所示,若滑动变阻器的滑片P向C端移动时,小灯泡变亮,那么应将N接()A.B接线柱B.C接线柱C.D接线柱D.以上都可以答案:B根据题意可知,小灯泡变亮表明电路中的电流增大,滑动变阻器接入电路中的电阻值减小,长度变短,而滑动变阻器连入电路的电阻由下面的接线柱决定,只有N接C才能满足题意。
故选B。
3、如图所示,E为内阻不能忽略的电池,R1、R2、R3均为定值电阻,电压表与电流表均为理想电表;开始时开关S闭合,电压表、电流表均有示数,某时刻发现电压表和电流表读数均变大,则电路中可能出现的故障是()A.R1断路B.R2断路C.R1短路D.R3短路答案:BA.若R1断路,电流表读数为零,故A错误;B.若R2断路,外电路总电阻增大,总电流减小,内电压减小,则电压表读数变大;R3的分压增大,则电流表的读数变大,故B正确;C.若R1短路,外电路总电阻减小,总电流增大,内电压增大,则电压表读数变小,电流表的读数变大,故C 错误;D.若R3短路,外电路总电阻减小,总电流增大,内电压增大,则电压表读数变小,故D错误。
故选B。
4、额定电压均为110V,额定功率P A=100W,P B=40W的A、B两盏灯泡,若接在电压为220V的电路上,使两盏灯泡均能正常发光,且消耗功率最小的电路是()A.B.C.D.答案:C判断灯泡能否正常发光,就要判断实际电压是不是额定电压或实际电流是不是额定电流,对灯泡有P=UI=U2 R可知R A<R B。
对于A电路,由于R A<R B,所以U B>U A,又U B+U A=220V则U B>110V,B灯被烧毁,U A<110V,A灯不能正常发光;对于B电路,由于R B>R A,A灯与滑动变阻器并联,并联电阻小于R B,所以U B>U并,则U B>110V,B灯被烧毁,A灯不能正常发光;对于C电路,B灯与滑动变阻器并联,并联电阻可能等于R A,所以可能U A=U B=110V两灯可以正常发光;对于D电路,若滑动变阻器的有效电阻等于A灯、B灯的并联电阻,则U A=U B=110V两灯可以正常发光。
北京中国人民大学附属中学物理第十二章电能能量守恒定律精选测试卷专题练习一、第十二章电能能量守恒定律实验题易错题培优(难)1.一研究学习小组,为了测定两节串联干电池组的电动势E和内电阻r,实验器材有:一只DIS电流传感器(可视为理想电流表,测得的电流用I表示),一只电阻箱(阻值用R 表示),一只开关和导线若干。
该学习小组设计了如图甲所示的电路进行实验和采集数据。
(1)设计该实验的原理表达式是________(用E、r、I、R表示);(2)在闭合开关之前,应先将电阻箱阻值调至________(选填“最大值”、“最小值”或“任意值”),在实验过程中,将电阻箱调至图乙所示位置,则此时电阻箱接入电路的阻值为________Ω;(3)根据实验采集到的数据作出如图丙所示的1I﹣R图象,则由图象求得该电池组的电动势E=_______V,内阻r=_______Ω.(结果均保留两位有效数字)【答案】E=I(R+r)最大值 12 2.7 2.1【解析】【详解】(1)[1].由图可知,本实验采用的是电流表与电阻箱测定电动势,在闭合电路中,电动势为:E=I(R+r);(2)[2][3].为了保证电路安全,闭合开关前电阻箱接入电路的阻值应为电阻箱的最大阻值;由图乙所示电阻箱可知,电阻箱的示数为:0×1000Ω+0×100Ω+1×10Ω+2×1Ω=12Ω;(3)[4][5].在闭合电路中,E=I(R+r),则11rRI E E=+则1RI-图象的截距:rbE=,图象斜率:1kE=由图象可知:b=0.8,1413918IkR∆-===∆-解得电动势为:E ≈2.7V ,电源内阻为:r ≈2.1Ω;2.现有一节干电池(电动势约为1.5V ,内阻约为0.30Ω),电压表V (量程为3V ,内阻约3kΩ);电流表A (量程为0.6A ,内阻为0.70Ω),滑动变阻器R (10Ω,2A ),电键一个及导线若干。
一、选择题1.风能是清洁能源,利用风力发电机可以将风能转化为电能。
某风力发电机的叶片转动时可形成半径为20 m 的圆面,风速垂直圆面且大小恒为10 m/s ,空气密度取1.2 kg/m 3,若该发电机能将此圆面内10%的空气动能转化为电能,则其发电功率约为( ) A .75 kW B .25 kW C .7.5 kW D .3.75 kW 2.硅光电池是一种太阳能电池,具有低碳环保的优点。
如图所示,图线a 是该电池在某光照强度下路端电压U 和电流I 的关系图像(电池内阻不是常量),图线b 是某电阻R 的U I -图像。
在该光照强度下将它们组成闭合回路时,硅光电池的内阻为( )A .5.5ΩB .7.0ΩC .12.0ΩD .12.5Ω 3.如图所示电路,电源的电动势为E ,内电阻为2Ωr =,定值电阻14ΩR =,滑动变阻器2R 的变化范围是010Ω,闭合S ,下列说法正确的是( )A .当26ΩR =时,2R 的功率最大B .当22ΩR =时,电源的输出功率最大C .当20ΩR =时,电源的效率最高D .当210ΩR =时,1R 和2R 的总功率最大4.高二教室中有一台电风扇,其电动机内电阻是20Ω,接上220V 的恒定电压后,电风扇正常工作,消耗的总功率是66W ,则此时( )A .电风扇电动机是纯电阻电路B .通过电风扇电动机的电流大小为11AC .电风扇电动机机械功率为60WD .若接上电源后电风扇扇叶被卡住而不能转动,则此时电风扇电动机发热功率为2420W5.今年疫情期间,一名河南大学生建造微型高铁的视频迅速走红,人称“村里的基建狂魔”。
他一直钻研与高铁相关的构造,历时三个月的艰苦探索,一列由锂电池和微型电机打造的微型高铁终于在自家菜园里大功告成了,如图所示。
假设这列高铁的质量为m ,在平直轨道上匀速行驶的速度大小为v ,受到的阻力大小为f ,受到轨道的支持力大小为F ,重力加速度为g 。
北京市丰台区物理第十二章 电能 能量守恒定律专题试卷一、第十二章 电能 能量守恒定律实验题易错题培优(难)1.用图甲中所示的电路测定一种特殊的电池的电动势和内阻,它的电动势E 约为8V ,内阻r 约为30Ω,已知该电池允许输出的最大电流为40mA .为防止调节滑动变阻器时造成短路,电路中用了一个定值电阻充当保护电阻,除待测电池外,可供使用的实验器材还有:A .电流表A(量程0.05A ,内阻约为0.2Ω)B .电压表V(量程6V ,内阻20kΩ)C .定值电阻R 1(阻值100Ω,额定功率1W)D .定值电阻R 2(阻值200Ω,额定功率1W) E.滑动变阻器R 3(阻值范围0~10Ω,额定电流2A) F.滑动变阻器R 4(阻值范围0~750Ω,额定电流1A) G.导线和单刀单掷开关若干个(1)为了电路安全及便于操作,定值电阻应该选___________;滑动变阻器应该选___________.(均填写器材名称代号)(2)接入符合要求的实验器材后,闭合开关S ,调整滑动变阻器的阻值,读取电压表和电流表的示数.取得多组数据,作出了如图乙所示的图线.根据图象得出该电池的电动势E 为___________V ,内阻r 为___________Ω.(结果均保留2位有效数字) 【答案】R 2 R 4 7.8 29 【解析】 【分析】(1)应用欧姆定律求出电路最小电阻,然后选择保护电阻;根据电源内阻与保护电阻的阻值,选择滑动变阻器.(2)电源的U -I 图象与纵轴交点的坐标值是电源的电动势,图象斜率的绝对值是电源内阻. 【详解】(1)[1]为保护电源安全,电路最小电阻8Ω200Ω0.040R ==最小, 保护电阻阻值至少为200Ω30Ω170Ω100Ω-=>,则保护电阻应选定值电阻2R;[2]电源等效电阻(电源内阻与保护电阻之和)为200Ω,为进行多次实验,测出多组实验数据,滑动变阻器应选滑动变阻器4R .(2)[3]由电源U -I 图象可知,图象与纵轴的交点坐标值是7.8,则电源电动势E =7.8V , [4]图象斜率7.82290.034U k I ∆==≈Ω∆, 电源内阻222920029r k R =-=Ω-Ω=Ω.2.小王和小李两同学分别用电阻箱、电压表测量不同电源的电动势和内阻。
(1)小王所测电源的内电阻r 1较小,因此他在电路中接入了一个阻值为2.0Ω的定值电阻R 0,所用电路如图甲所示。
①请根据图甲用笔画线代替导线将图乙所示器材连接成完整的实验电路_____。
②闭合开关S ,调整电阻箱的阻值R ,读出电压表(可视为理想电压表)相应的示数U ,得到了一组U 、R 数据。
为了比较准确地得出实验结论,小王同学准备用直线图象来处理实验数据,应选择以下哪个图像来处理数据________。
A .U R -B .U U R -C .1R U- D .0U U R - (2)小李同学所测电源的电动势E 2约为9V ,内阻r 2为35~55Ω,允许通过的最大电流为50mA 。
小李同学所用电路如图丙所示,图中电阻箱R 的阻值范围为0~9999Ω。
①电路中R 0为保护电阻。
实验室中备有以下几种规格的定值电阻,阻值和允许通过的最大电流如下,本实验中应选用________。
A .20Ω,125mAB .50Ω,20mAC .150Ω,60mAD .1500Ω,5mA②实验中通过调节电阻箱的阻值,记录电阻箱的阻值R 及相应的电压表的示数U ,根据测得的多组数据,作出011U R R-+图线,图线的纵轴截距为a ,图线的斜率绝对值为b ,则电源的电动势E2=______,内阻r2=________。
【答案】 B C1aba【解析】【分析】【详解】(1)①[1]根据电路图,实物图连接如图所示:②[2]根据欧姆定律可知101UE U R rR=++()可得101UU E R rR=-+()故横坐标为UR,选项B正确,ACD错误。
故选B。
(2)①[3]电路最小总电阻约为min91800.05R=Ω=Ω为保护电路安全,保护电阻应选C(150Ω,60mA),选项C正确,ABD错误。
故选C。
②[4][5]在闭合电路中,电源电动势为222UE U Ir U rR R=+=++则2202111rU E R R E=⋅++,则11U R R-+图象是直线。
截距为21a E =斜率为22r b E =解得21E a =,2b r a=3.某同学用伏安法测一节干电池的电动势和内阻,现备有下列器材: A .被测干电池一节B .电流表A 1 :量程0〜0. 6A ,内阻约为0.2C .电流表A 2:量程0〜0.6A ,内阻为0.1D .电压表V 1:量程0〜3V ,内阻未知 E.电压表V 2 :量程0〜15V ,内阻未知 F.滑动变阻器R 1:0〜10,2A G.滑动变阻器R 2:0〜100,1A H.开关、导线若干伏安法测电池电动势和内阻的实验中,由于电流表和电压表内阻的影响,测量结果存在系统误差。
在现有器材的条件下,为消除上述系统误差,尽可能准确地测量电池的电动势和内阻。
(1)在上述器材中请选择适当的器材:电流表___, 电压表_____,滑动变阻器选______。
(填写器材前的序号字母)(2)实验电路图应选择下图中的______(填“甲”或“乙”)(3)根据实验中电流表和电压表的示数得到了如图丙所示的U-I 图象。
由此可知,干电池的电动势E =___V ,内电阻r =_____。
(结果保留一位小数) 【答案】C D F 乙 1.5 0.9 【解析】 【详解】(1)[2]干电池的电动势约为1.5V ,故为了读数准确,电压表应选择D ;[1]内阻较小,为了准确测量内阻,选择已知内阻的电流表C ;[3]滑动变阻器阻值较小有利于电表的数值变化,减小误差,故选F ;(2)[4]根据以上分析可知,电流表与电池串联,将电流表内阻等效为电源内阻,故电路图选择乙;(3)[5][6]根据闭合电路欧姆定律可得:结合图象可得,。
4.某兴趣小组研究一金属丝的物理性质,(1)首先用螺旋测微器测量其直径,其值为_____________mm.为了进一步测量此金属丝电阻R x的阻值,准备先用多用电表粗测出它的阻值,然后再用伏安法精确地测量,实验室里准备了以下器材:A.多用电表B.电压表V l,量程6 V,内阻约10 kΩC.电压表V2,量程15 V,内阻约20 kΩD.电流表A l,量程0.6 A,内阻约0.2 ΩE.电流表A2,量程3 A,内阻约0.02 ΩF.电源:电动势E=7.5 VG.滑动变阻器R l,最大阻值10 Ω,最大电流为2 AH.滑动变阻器R2,最大阻值50 Ω,最大电流为0.2 AI.导线、电键若干(2)在用多用电表粗测电阻时,该小组首先选用“×10”欧姆挡,其阻值如图甲中指针所示,为了减小多用电表的读数误差,多用电表的选择开关应换用__________欧姆挡(选填“×100”或“×1”),并要重新进行_________________;按正确的操作程序再一次用多用电表测量该待测电阻的阻值时,其阻值如图乙中指针所示,则R x的阻值大约是_________Ω;(3)在用伏安法测量该电阻的阻值时,要求待测电阻的电压从0开始可以连续调节,则在上述器材中应选出的器材是___________________________ (填器材前面的字母代号) ;(4)在虚线框内画出用伏安法测量该电阻的阻值时的实验电路图__________.【答案】0.8850.002mm ± ; 1⨯ ; 欧姆档欧姆调零; 9Ω ; BDFGI;【解析】 【详解】(1)由图示螺旋测微器可知,其读数为:0.5mm+38.5×0.01mm=0.885mm ;(2)由图所示可知,欧姆表针偏角过大,故说明所选量程过大,使读数偏小,故应换用小档位,使指针偏角在中间位置,故应选用×1档;由图所示可知,欧姆表指针示数为9.0,则其读数为:9.0×1=9.0Ω;(3)电源、滑动变阻器、导线和电键是构成闭合电路必须选择的;要减小误差,在不超出量程的情况下,电压表和电流表量程尽量选择较小的量程;由于实验要求待测电阻的电压从0开始可以连续调节,实验要选取电阻值较小的滑动变阻器,故选BDFGI ;(4)为获得较大的电压条件范围,滑动变阻器选择分压式接法;由于待测电阻的电阻值与电流表的电阻值较接进,故采用电流表外接法,则实验原理图如图所示;【点睛】本题考查了多用电表的读数,对多用电表进行读数前要明确多用电表选择开关置于什么挡上,根据多用电表的档位及表盘确定其分度值,然后根据指针位置读数;读数时视线要与电表刻度线垂直.5.某同学利用如图所示的电路可以测量多个物理量.实验室提供的器材有:两个相同的待测电源(内阻1Ω)r ≈,电阻箱1(R 最大阻值为999.9Ω),电阻箱2(R 最大阻值为999.9Ω),电压表V(内阻约为2kΩ),电流表A(内阻约为2Ω),灵敏电流计G,两个开关1S、2S.主要实验步骤如下:①按图连接好电路,调节电阻箱1R和2R至最大,闭合开关1S和2S,再反复调节1R和2R,使电流计G的示数为0,读出电流表A、电压表V、电阻箱1R、电阻箱2R的示数分别为1I、1U、1R、2R;②反复调节电阻箱1R和2(R与①中的电阻值不同),使电流计G的示数为0,读出电流表A、电压表V的示数分别为2I、2U.回答下列问题:(1)电流计G的示数为0时,电路中A和B两点的电势Aφ和Bφ的关系为______;(2)电压表的内阻为______,电流表的内阻为______;(3)电源的电动势E为______,内阻r为______。
【答案】φA=φB11111VU RRI R U=-121AUR RI=-122121U I U IEI I-=-1221U UrI I-=-【解析】【详解】(1)[1].电流计G的示数为0时,由欧姆定律知,G的电压为零,说明A、B两点的电势相等,即φA=φB.(2)[2][3].由于电流计G的示数为0,所以电流表的示数等于电压表的电流与电阻R1的电流之和.则在步骤1中,通过电压表的电流111VUI IR=-电压表的内阻为111111VVU U RRI I R U==-左右两个电源两极间的电压相等,则有:U1=I1(R A+R2)解得电流表的内阻121AUR RI=-(3)[4][5].根据闭合电路欧姆定律得:E=U1+I1rE=U2+I2r解得122121U I U IEI I-=-1221U UrI I-=-6.测定电源的电动势和内电阻的实验电路和U﹣I图象如图所示;请回答下列问题:(1)如图甲所示,在闭合开关之前为防止电表过载而移动滑动变阻器的滑动头P,应放在滑动变阻器__处(填“a”或“b”)(2)现备有以下器材:A.干电池1个B.滑动变阻器(0~50 Ω)C.电压表(0~3 V)D.电压表(0~15 V)E.电流表(0~0.6 A)F.电流表(0~3 A)其中电流表应选____,电压表应选____.(填字母代号)(3)如图乙是根据实验数据画出的U﹣I图象.由此可知这个干电池的电动势E=__V,内电阻r=__Ω.【答案】a C E 1.5 0.75【解析】【分析】【详解】(1) 滑动变阻器采用限流接法,在闭合开关之前为防止电表过载,滑动变阻器的滑动触头P 应放在a处;(2)电源电动势大约1.5V,因此电压表选择量程为3V的比较合适,故电压表选择C,由图乙可知,电路中的电流最大值为0.4A,因此电流表选择E;(3) 由图乙所示图象可知,电源的U-I图象与纵轴的交点坐标值是1.5,则电源电动势E=1.5V,图象中的斜率表示电源的内阻,所以电源的内阻为1.5 1.20.750.4r-=Ω=Ω.【点晴】在选择电压表和电流表时要求在不超过量程的前提下偏转角度尽量大些,在满量程的23左右偏转最好,在U-I图象中纵坐标的截距代表的是电源的电动势,直线的斜率代表的是电源的内阻的大小.7.现有一特殊的电池,其电动势E约为9V,内阻r在35~55Ω范围,最大允许电流为50mA.为测定这个电池的电动势和内阻,某同学利用如图甲的电路进行实验.图中电压表的内电阻很大,对电路的影响可以不计;R为电阻箱,阻值范围为0~9999Ω;R0是定值电阻.⑴实验室备有的定值电阻R0有以下几种规格:A.10Ω,2.5W B.50Ω,1.0W C.150Ω,1.0W D.1500Ω,5.0W本实验应选用______________,其作用是_________________.⑵该同学接入符合要求的R0后,闭合开关S,调整电阻箱的阻值读出电压表的示数U,再改变电阻箱阻值,取得多组数据,作出了如图乙的图线.则根据该同学所作的图线可知图象的横坐标与纵坐标的比值表示_________.⑶根据乙图所作出的图象求得该电池的电动势E为_______V,内电阻r为_______Ω.【答案】C 保护电阻回路中电流 10V 46~50Ω【解析】【分析】【详解】(1)根据闭合电路欧姆定律电路中最小电阻为min391805010mERI-==Ω=Ω⨯,所以R0应选C,其作用是作为保护电阻.(2)根据闭合电路欧姆定律,应有UE U rR R=+⋅+,所以图乙图象的横坐标与纵坐标之比0UR R+为回路电流. (3)将0U E U r R R =+⋅+变形为0111r U E R R E =⋅++,所以纵轴截距10.1E=,解得E =10V,斜率0.670.1121r k E -==⨯,解得r =4.75Ω(4.6~5都对) 【点睛】涉及到用图象解得问题,一般思路是首先根据物理规律列出表达式,然后再整理出关于纵轴物理量与横轴物理量的关系式,然后再根据斜率和截距的概念列式求解即可.二、第十二章 电能 能量守恒定律选择题易错题培优(难)8.将标有“110V ,40W”小灯泡L 1和“110V 、100W”的小灯泡L 2与一只滑动变阻器(0﹣30Ω)组合接在220V 的电压上,若让两个灯泡都能正常发光,则最省电的一种接法是( )A .B .C .D .【答案】C 【解析】 【分析】在该电路中,既要保证两灯泡都正常发光,又要保证消耗的功率最小.运用排除法,先判断哪些电路不能正常发光,在正常发光的情况下,抓住整个电路消耗的功率等于各用电器消耗的功率之和求出总功率,取功率最小的电路. 【详解】A .图中两个灯泡串联,总电压为220V ,而电阻不等,故两个灯泡的电压不可能同时为110V ,故A 错误.D .标有“110V ,40W”小灯泡额定电流为:140W4A 110V11I==;标有“110V、100W”的小灯泡额定电流为:2100W10A 110V11I==;而支路电流不可能大于干路电流,故D错误.BC.两幅图中小灯泡均正常发光,只要变阻器电功率最小即可,变阻器的电压均为110V,B图中变阻器电流为两个灯泡的额定电流之和,而C图中的变阻器电流为两个灯泡的额定电流之差,故C图中变阻器的电流小,根据P=UI,C图中变阻器的功率最小;故B 错误,C正确.故选C.【点睛】解决本题的关键知道在混联电路中,总功率等于各电阻消耗的功率之和,会根据功率的公式求出额定电流,判断灯泡能否正常发光.9.如图所示,A和B为竖直放置的平行金属板,在两极板间用绝缘线悬挂一带电小球.开始时开关S闭合且滑动变阻器的滑片P在a处,此时绝缘线向右偏离竖直方向,电源的内阻不能忽略,下列判断正确的是A.小球带负电B.当滑片从a向b滑动时,绝缘线的偏角θ变大C.当滑片从a向b滑动时,电流表中有电流,方向从上向下D.当滑片从a向b滑动时,电源的输出功率一定变大【答案】C【解析】【分析】由题,小球向右偏,可判断小球所受电场力方向,根据电场方向,能判断出小球的电性.滑动头从a向b滑动时,接入电路电阻变小,由欧姆定律可分析电容器的电压的变化,从而判断细线的偏角变化,同时可判断电容器是充电还是放电,得出电流表中电流方向.利用电源的输出功率与外电阻关系,可判断输出功率大小.【详解】A.由图,A板带正电,B带负电,电容器内电场方向水平向右.细线向右偏,电场力向右,则小球带正电.故A错误.B.滑动头向右移动时,R变小,外电路总电阻变小,总电流变大,路端电压U=E-Ir变小,电容器电压变小,小球受到电场力变小,细线偏角变小,故B错误.C.滑动头向右移动时,电容器电压变小,电容器放电,因A板带正电,则流过电流表的电流方向向下.故C正确.D.根据电源的输出功率与外电阻的关系:当外电阻等于内阻时,输出功率最大.外电阻大于内阻,外电阻减小输出功率增大;当外电阻小于内阻时,外电阻减小,输出功率减小.本题,不知道外电阻与内阻大小关系,故无法判断电源输出功率的大小.故D错误.【点睛】本题含容电路的问题,是高考热点问题.对于电容器,关键是分析和计算其电压,及充电情况.电源的输出功率与外电阻的关系可根据数学知识进行严格推导.10.如图所示,电源电动势为E,内阻为r,电路中的2R、3R分别为总阻值一定的滑动变阻器,0R为定值电阻,1R为光敏电阻(其电阻随光照强度增大而减小),当开关S闭合,电容器中一带电微粒恰好处于静止状态,下列说法中正确的是()A.只断开开关S,电容器所带电荷量变大,带电微粒向上运动B.只调节电阻3R的滑动端2P向上移动时,电压表示数变大,带电微粒向下运动C.只调节电阻2R的滑动端1P向下移动时,电压表示数变大,带电微粒向上运动D.只增大1R的光照强度,电阻0R消耗的功率变大,带电微粒向上运动【答案】D【解析】【分析】【详解】只断开开关S,电容器放电,所带电荷量变小,带电微粒向下运动,所以A错误;电阻R3与电容器串联,该之路断路,所以只调节电阻R3的滑动端P2向上移动时,电压表示数不变,带电微粒静止不动,所以B错误;只调节电阻R2的滑动端P1向下移动时,外电路电阻不变,路端电压不变,故电压表示数保持不变,电容器的电压增大,带电微粒向上运动,C错误;只增大R1的光照强度,R1的阻值减小,电流增大,所以电阻R0消耗的功率变大,带电微粒向上运动,D正确.11.如图所示的电路中,闭合开关后各元件处于正常工作状态,当某灯泡突然出现故障时,电流表读数变小,电压表读数变大.下列关于故障原因或故障后其他物理量的变化情况的说法中正确的是( )A.L1灯丝突然短路B.L2灯丝突然烧断C.电源的输出功率一定变小D.电容器C上电荷量减少【答案】B【解析】【分析】【详解】安培表在干路上,读数变小,说明总电阻变大.A.L1灯丝突然短路,总电阻减小,电流表读数变大,A错误;B.L2灯丝突然烧断,总电阻增大,电流表读数变小,电压表读数变大,B正确;C.电源的输出功率P=UI,电压增大而电流减小,输出功率不一定变小,C错误;D.电流表读数变小,灯泡1的分压减小,并联支路的电压增大,电容器两端的电压增大,根据Q=CU知电容器的带电量增大,D错误.【点睛】本题考查了电路的动态分析,方法是:先从支路的变化,分析总电流和路端电压的变化,再到支路,分析各用电器的电压和电流的变化关系.12.如图所示的电路中,电表为理想电表,R1、R2为定值电阻,电源的正极接地,将滑动变阻器R3的滑片P向上移动,下列说法正确的是()A.电流表的示数变大B.电压表的示数变大C.电容器带电量减小D.a点的电势升高【答案】B【解析】【分析】【详解】B.当滑动变阻器的滑片向上移动时,电路中的总电阻增大,总电流减小,内电压减小,外电压增大,电压表的示数增大,选项B正确;CD.R1两端的电压减小,R2两端的电压增大,电容器的带电量增大,a点的电势降低,选项C、D错误;A .R 2两端的电压增大,流过R 2的电流增大,而总电流减小,因此流过R 3的电流减小,即电流表的示数减小,选项A 错误。