北京丰台区第二中学物理电功率(篇)(Word版 含解析)
- 格式:doc
- 大小:515.00 KB
- 文档页数:17
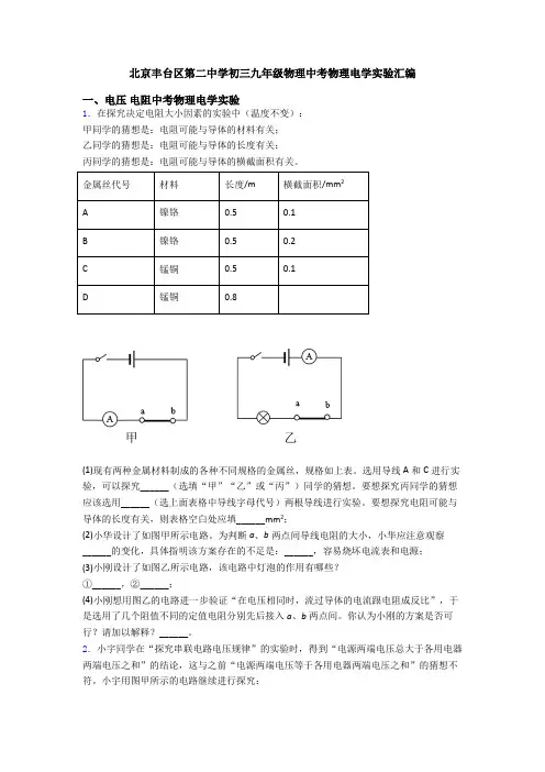
北京丰台区第二中学初三九年级物理中考物理电学实验汇编一、电压电阻中考物理电学实验1.在探究决定电阻大小因素的实验中(温度不变):甲同学的猜想是:电阻可能与导体的材料有关;乙同学的猜想是:电阻可能与导体的长度有关;丙同学的猜想是:电阻可能与导体的横截面积有关。
金属丝代号材料长度/m横截面积/mm2A镍铬0.50.1B镍铬0.50.2C锰铜0.50.1D锰铜0.8(1)现有两种金属材料制成的各种不同规格的金属丝,规格如上表。
选用导线A和C进行实验,可以探究______(选填“甲”“乙”或“丙”)同学的猜想。
要想探究丙同学的猜想应该选用______(选上面表格中导线字母代号)两根导线进行实验。
要想探究电阻可能与导体的长度有关,则表格空白处应填______mm2;(2)小华设计了如图甲所示电路。
为判断a、b两点间导线电阻的大小,小华应注意观察______的变化,具体指明该方案存在的不足是:______,容易烧坏电流表和电源;(3)小刚设计了如图乙所示电路,该电路中灯泡的作用有哪些?①______,②______;(4)小刚想用图乙的电路进一步验证“在电压相同时,流过导体的电流跟电阻成反比”,于是选用了几个阻值不同的定值电阻分别先后接入a、b两点间。
你认为小刚的方案是否可行?请加以解释?______。
2.小宇同学在“探究串联电路电压规律”的实验时,得到“电源两端电压总大于各用电器两端电压之和”的结论,这与之前“电源两端电压等于各用电器两端电压之和”的猜想不符。
小宇用图甲所示的电路继续进行探究:(1)测量电源及灯泡两端电压,电压表接在AB两点,是为了测量灯___两端的电压,闭合开关,电压表的示数(如图乙所示)是____V;(2)接着小宇直接将电压表接A点的接线改接到D点,闭合开关后,发现电压表_______;(3)纠正错误后,小宇测出导线BC间的电压大约为0.05V。
由此得知导线分压可能是造成结论与猜想不符的原因。
一、选择题1.图甲是定值电阻R 和灯泡L 的电压随电流变化关系的图象,将该定值电阻R 和灯泡L 串联在图乙的电路中,闭合开关,此时电流表示数为0.4A ,关于该电路下列计算中正确的是( )A .电源电压为6VB .灯泡L 的阻值为5ΩC .电阻R 消耗的电功率为0.8WD .灯泡L 消耗的电功率为1.2W2.有一种半导体材料的电阻值随着温度的变化如表所示:用这种材料制成的热敏电阻与电压表等元件连成如图电路。
电源电压为6V ,电压表量程为0 ~ 3V , R 0阻值为500Ω。
若把电压表的刻度盘改为指示水温的刻度盘,则下列说法正确的是( ) t /℃0 20 40 60 80 100 R /Ω 500 380 300 250 220 200A .环境温度越高,热敏电阻的阻值越大B .水温刻度盘上的0℃与电压表3V 对应C .环境温度越高,对应电压表读数越大D .环境温度越低时,电路中的总功率变大3.“节能减排,从我做起”。
倡导同学们养成随手断开暂时可以不用的用电器的习惯。
当你断开一个用电器后,电路中会变大的物理量是( )A .总电流B .总电阻C .总电压D .总功率4.一阻值为R 的电阻丝接在电压为U 的电路中,在t 时间内放出的热量为Q ,现把该电阻丝对折起来接到原来的电路中,放出同样多的热量,需要的时间是( )A .4tB .2tC .tD .2t5.小强家有额定电压相同的微波炉、洗衣机、电视机各一台,按照每度电0.5元的计费标准,将这三台用电器正常工作1小时的用电费用绘制成了如图所示的柱状图。
则下列四个选项中,判断正确的是( )①在日常使用过程中,微波炉工作时消耗的电能最多②正常工作时,洗衣机的额定功率大于电视机的额定功率③正常工作时,电流通过三台用电器做功一样快④正常工作时,电视机的电流最小A.只有①②正确B.只有②④正确C.只有③④正确D.只有①③正确6.将标有“220V 100W”字样的白炽灯泡,接在110V(设此时灯泡的电阻与正常工作时的电阻相同)的电源上,灯泡消耗的实际功率为()A.100W B.50W C.25W D.10W7.如图所示电路,电源电压恒定,灯丝电阻不变,闭合开关S,在变阻器划片移动过程中,电流表的最小示数是0.2A,电压表的最大示数是4V,灯L的最大电功率与最小电功率之比为9:4,则()A.电源电压是6V B.灯的阻值是40ΩC.电路消耗的最小功率是0.8W D.电路消耗的最大功率是14.4W8.如图所示电路中,电源电压不变,R1为定值电阻,闭合开关S,当滑动变阻器滑片P向右移动时,下列判断正确的是()A.电流表A的示数变小B.电压表V1的示数变大C.电路中消耗的总功率变大D.电压表V2与电流表A示数的比值变小9.电炉丝坏了,去掉四分之一后接在原来的电源上使用,在同样的时间内产生的热量与原来产生的热量之比为()A.3∶4B.4∶3C.4∶1D.1∶410.家用洗衣机的主要部件是电动机,若一台洗衣机在220V电路中正常工作时通过的电流为2A,每分钟产生的热量为960J,则下列说法中不正确...的是()A.电动机的功率为440W B.电动机线圈的电阻为110ΩC.电动机的发热功率为16W D.电动机被卡住不转动时,电功率为12100W11.随着生活水平的提高,家用电器越来越多,使用时若出现如图所示的情形,会导致连接插座的导线发热,稍不小心就会导致火灾,究其原因是()A.电路中的用电器用电时间太长B.电路中的用电器的总功率过大C.电路中的用电器过多D.电路中的用电器的总电阻过大12.如图所示,电源电压不变,R是定值电阻。
北京丰台区第二中学物理内能的利用(篇)(Word版含解析)一、初三物理内能的利用易错压轴题(难)1.物理小组的同学们组装了如图所示的装置,在完全相同的烧杯中分别装有质量相同的A、B两种液体,在完全相同的燃料盒中分别装有两种不同的燃料.(1)若要比较液体的吸热本领,应选_____两图的实验装置进行实验.(在“甲、乙、丙”中选填)(2)实验过程中,若浸在液体中的温度计示数都升高了50 ℃,加热时间较短的液体比热容较_____.(3)实验过程中,若加热相同的时间,温度升高较多的液体比热容较_____.(4)根据实验数据同学们绘制出如图所示的图象.由图象可知:液体_____的比热容较大.(选填“A”或“B”)【答案】甲丙小小 B【解析】【分析】【详解】(1)在比较液体的吸热本领时,应使质量相同的不同液体在相同时间内吸收的热量相同,所以需要的燃料的种类相同,液体的质量相同但液体种类不同,所以选择甲、丙;(2)实验过程中,两种液体的温度都升高了50℃,加热时间短的液体吸热能力较弱,它的比热容较小;(3)质量相同的两种物质,加热时间相同时,温度升高较少的液体比热容较大,温度升高较多的液体比热容较小;(4)质量和初始温度均相同的A、B两种液体,吸热后它们的温度随时间变化的图象如图所示,由图可以看出,在相同时间内(即吸收的热量相同),B液体的温度升高得较慢,B 液体的比热容较大.2.小明学习了燃料的热值后,自己设计了一个实验来探究煤油和菜籽油的热值的大小关系。
他组装了如图甲、乙所示的装置进行实验,记录结果见表:(1)为了保证实验结论可靠,小明选择了两套相同装置,在实验中除了要控制甲乙装置中两烧杯内水的质量相等,还要控制煤油和菜籽油的_________相同。
(2)实验测的数据如表(无读数错误):根据数据_________(能/不能)得出煤油与菜籽油热值的大小关系。
燃料加热前的水温/℃燃料燃尽后水温/℃煤油25100菜籽油20100(3)实验中不足之处可能是_________造成的。
一、选择题1.在教室中有7盏灯正常发光,若熄灭其中一盏灯,则电路的()A.总电压增大B.总功率减小C.总电阻减小D.总电流增大2.关于安全用电,以下说法正确的是()A.只要不接触带电体一定就是安全的B.使用电器时,要谨防触电,不要用湿的手插或拔电源插头C.三脚插头上与用电器金属外壳相连的脚是多余的D.雷雨天可以在大树下避雨3.如图所示电源电压9V不变,小灯标有“6V 3W”的字样,当滑片移到某个位置时,小灯恰好正常发光,则此时滑动变阻器连入电路的电阻为()A.12ΩB.6ΩC.10ΩD.20Ω4.将一盏220V、60W的白炽灯,一台220V、60W的电风扇,一只220V、60W的小电暖手炉,同时接在220V的电压下,则相同时间内消耗的电能()A.电风扇最多B.白炽灯最多C.暖手炉最多D.一样多5.下列符号代表的电路元件中,主要将电能转化成机械能的是()A.B.C.D.6.如图为某种暖手宝及其主要参数,暖手宝内有水及电加热元件等,使用前要先给暖手宝通电加热,假设暖手宝加热效率是70%,在额定电压下,水由室温10℃加热至自动断电[c 3J/(kg•℃)]。
则()水 =4.2×10A.暖手宝加热时电加热元件是利用热传递增加了内能B.暖手宝电加热时间为660sC.暖手宝电加热时消耗的电功率一定是500WD.暖手宝暖手时放出的热量是53.310J7.如图是某型号手机电池的铭牌,该手机正常通话时平均电流为100mA,待机时平均电流为10mA。
下列说法错误的是()A.该手机电池的容量也可以标记为1700mAhB.该手机电池理论上只能维持连续正常通话15hC.该手机电池理论上可让手机待机一周D.电池的电极设计为向里凹陷,可以防止电池与硬币等金属物体接触引起短路8.如图所示是某种型号的电能表,根据表盘上的参数正常情况它最多允许接“220V 60W”的灯泡个数是()A.35 B.36C.37 D.389.下列教材中的探究实验,不需要控制电流一定的是()A.探究导体电阻与长度的关系B.探究通电导体产生的热量与电阻的关系C.探究电功与电压的关系D.探究电磁铁磁性强弱与线圈匝数的关系10.如图所示,电源电压为6V且保持不变,滑动变阻器的最大阻值为20Ω,定值电阻R0为5Ω.闭合开关后,移动滑片,发现能使电流表(“0~0.6A”或“0~3A”)和电压表(“0~3V”或“0~15V”)的指针同时达到满刻度线.则R0的电功率与电流的关系图像可能是()A.B.C.D.11.标有“6V 3W”的小灯泡,通过它的电流与电压的关系如图所示.若把它与一只阻值为8Ω的电阻并联接在电压为4V的电路中,则整个电路消耗的功率为()A.3W B.3.3W C.3.6W D.5W12.电路如图所示,电源电压恒为4.5V,电压表量程“0~3V”,电流表量程“0~0.6A”,滑动变阻器规格“20Ω 2A”,灯泡L标有“3V 1.5W”字样(忽略灯丝电阻变化),在不损坏电路元件的情况下,下列判断不正确的是A.滑动变阻器入电路的阻值变化的范围是3Ω~12ΩB.电路中电流变化的范围是0.25A~0.5AC.灯泡的功率允许的变化范围是0.375W~1.5WD.电路消耗总功率允许的变化范围为1.35W~2.25W二、填空题R ,闭13.如图,电源电压不变,R1和R2是两段长度相同、材料相同的电阻丝,220Ω合开关S ,断开开关S 1,电流表示数是0.3A ,若再闭合S 1,电流表示数是0.8A ,则电源电压为______V ,电阻丝______(填“R 1”或“R 2”)的横截面积较大,当开关都闭合时,电阻丝R 1和R 2的电功率之比12:P P ______。
一、选择题1.下列关于电功率的说法中,正确的是( )A .由公式P =W t可知,电流做功越多,电功率越大 B .由公式P =UI 可知,同一导体两端的电压越小,电功率也越小C .由公式P =I 2R 可知,电阻越大,电功率越大D .由公式2U P R=可知,电阻越大,电功率越小B 解析:BA .由公式P =W t可知,电流做功越快,而不是越多,电功率越大,故A 选项错误; B .同一导体即电阻相同,两端的电压越小,根据2U P UI R==可知,电功率也越小,故B 选项正确;C .由公式P =I 2R 可知,电阻越大,不知道电流的变化,故无法判断电功率的变化,故C 选项错误;D .由公式2U P R=可知,电阻越大,不知道电压的变化,故电功率变化不知,故D 选项错误。
故选B 。
2.R 1与R 2并联在电路中,消耗的功率之比为4:3,如果把R 1与R 2串联起来,仍接到同一电路中,则R 1、R 2消耗的功率之比是( )A .9:16B .16:9C .3:4D .4:3C解析:C 并联电路中,电源电压等于各支路两段电压,由P =2U R可得电阻之比 12R R =2122U P U P =21P P =34串联电路中,电流处处相等,由P =I 2R 可得电功率之比231242P I R P I R ==12R R =34故选C 。
3.在如图所示的电路中,电源电压保持不变,闭合开关,滑动变阻器的滑片P 向右移动时,下列说法正确的是( )A.电流表示数变大B.电路消耗的总功率不变C.小灯变亮D.电压表示数变小B解析:B由图示知,灯泡与滑动变阻器串联在电路,且变阻器接入电路的阻值为最大值,保持不变,电压表测灯泡与变阻器最左至滑片之间的总电压。
当滑片P向右移动时,变阻器最左端至滑片之间的电阻变大,那么电压表所测量的电压变大,但电路中的总电阻不变,所以电路中的电流不变,小灯泡的亮度不变,而电源电压保持不变,据P=UI知,电路消耗的总功率不变。
一、选择题1.如图所示的电路中,电源电压保持不变。
当开关S 断开,甲、乙两表为电流表时,两电流表的示数之比为I 甲∶I 乙=3∶8;当开关S 闭合,甲、乙两表为电压表时,两电压表示数为U 甲∶U 乙和R 1、R 2消耗的功率P 1∶P 2分别为( )A .8∶3,3∶8B .5∶3,3∶5C .8∶5,5∶3D .5∶8,3∶52.如图所示,电源电压保持不变,R 为定值电阻,在a 、b 两接线柱上接一个标有“6V ,2W ”的灯泡,闭合开关S ,灯泡恰好正常发光;如果在a 、b 两接线柱间换一个标“6V ,3W ”的灯泡,闭合开关S 后,这只灯泡消耗的功率( )A .大于3WB .小于3WC .等于3WD .不能确定3.一阻值为R 的电阻丝接在电压为U 的电路中,在t 时间内放出的热量为Q ,现把该电阻丝对折起来接到原来的电路中,放出同样多的热量,需要的时间是( )A .4tB .2tC .tD .2t4.小明家上次查看电能表示数为,本次查看时电能表读数如图所示,则下列说法正确的是( )A .他家在这段时间内消耗的电能为992kW •hB .电能表是测量电功率的仪表C .这个电能表的测量值是以“J ”为单位D .若只让一个标有“220V ,1000W ”的电热水器正常工作20min ,则电能表的圆盘转1200转5.如图所示,灯泡L上标有“6V、9W”字样,闭合开关S后,灯泡正常发光,电压表V1的示数为U1,电压表V2的示数为U2。
若U1:U2=2:3,则下列说法不正确的是()A.电源电压是15VB.电阻R的阻值是6ΩC.灯泡L中的电流是1.5AD.电阻R消耗的功率是6W6.下表是小明甲电饭煲铭牌的部分信息,小明家电能表的示数如图所示。
把电饭煲接在家庭电路中使用时,下列说法错误的是()额定电压220V频率50Hz额定功率高档1800W 中档1200W 低档500WA.电饭煲是利用电流的热效应工作的B.电饭煲在中档正常工作时电热丝阻值比低档正常工作时小C.电饭煲在高档正常工作10min,消耗的电能为1.08 106JD.若家中只接入电饭煲,在高档正常工作10min,电能表示数将变成84.3kW·h7.如下图是华为电脑的电源充电器配件,从这个配件上的各项电学参数可以看出该款适配器工作时的最大输出功率约为()A .45WB .65WC .180WD .432W8.将标有“220V 100W ”字样的白炽灯泡,接在110V (设此时灯泡的电阻与正常工作时的电阻相同)的电源上,灯泡消耗的实际功率为( )A .100WB .50WC .25WD .10W9.如图所示,电源电压不变,闭合开关1S ,电流表示数为0.7A ,再闭合2S ,电流表示数变化了0.3A ,则同时闭合1S 、2S 后,相同时间内1R 、2R 消耗的电能之比是( )A .3∶4B .4∶3C .3∶7D .7∶3 10.下列家用电器中,额定功率最接近1kW 的是( )A .电饼铛B .笔记本电脑C .手电筒D .客厅LED 照明灯 11.如图所示电路中,电源电压保持6V 不变,电流表的量程为00.6A ~,电压表的量程为0~3V ,定值电阻1R 的电阻为10Ω,滑动变阻器2R 的规格为“20Ω 0.5A ”。
北京丰台区第二中学物理电与磁(篇)(Word版含解析)一、三物理电与磁易错压轴题(难)1.某同学猜想电磁铁磁性强弱与电流大小和线圈匝数有关。
在探究“电磁铁磁性强弱与电流大小是否有关”时,使用的器材有:学生电源、电磁铁、电流表、滑动变阻器、开关、软铁块P、铁架台、电子秤、导线若干。
某同学用绝缘细线将电磁铁M悬挂在铁架台上,并保持它与软铁块P的距离不变:(1)实验时,他_______开关S,组装实验电路如图所示,请将滑动变阻器连入电路中,要求:滑片向左滑动时电路中电流变大;(2)本实验中根据______________比较电磁铁磁性强弱;(3)请设计出记录实验数据的表格,表中要有必要的信息。
(_________)【答案】断开,电子秤的示数实验次数电流I/A电子秤的示数/g123……【解析】【分析】【详解】(1)[1]在连接电路时,开关S应处于断开状态。
由题意知,电路中变阻器调节电路的电流,所以各元件串联;而滑片向左滑动时电路中电流变大,即滑片向左滑动时,变阻器接入电路的电阻变小,所以变阻器下边的接线柱应接左边的;电路所用电源为学生电源,则电流表应用大量程0~3A,故电路连接如下:(2)[2]实验根据电子秤的示数来比较电磁铁磁性强弱。
因为当开关闭合时,电路中有电流通过,电磁铁有磁性,对放在电子秤上的软铁块P有吸引力。
当电流越大时,电磁铁的磁性就越强,对软铁块的吸引力就越大,那么软铁块对电子秤的作用力就越小,则电子秤的示数就越小。
(3)[3]实验探究的是“电磁铁磁性强弱与电流大小的关系”,所以在实验时需记录电流的大小,而磁性的强弱是通过电子秤的示数来反映的,所以还需要记录电子秤的示数。
故实验表格如下:实验次数电流I/A电子秤的示数/g123……2.利用如图所示的实验装置探究电动机的工作原理,请你完成下列问题.(1)通电后图甲中ab段导线受磁场力的方向竖直向上,请在图丙中作出ab段导线所受到的磁场力F′的示意图;(_____)(2)当线圈转过图乙所示位置时,通过改变_____的办法使线圈靠磁场力的作用可以继续顺时针转动至少半周;(3)生产实际中,为使直流电动机的转子能持续不停地转动,在此结构的基础上主要是通过加装_____来实现的(填直流电动机的结构名称).【答案】电流方向换向器【解析】【分析】电动机的原理是:通电导线在磁场中受力的作用,其所受力的方向与电流的方向和磁场的方向有关,即只要改变一个量,其所受力的方向就会改变一次;直流电动机工作时,为了让线圈持续的转动下去,即是通过换向器在平衡位置及时的改变线圈中的电流的方向,即改变线圈所受力的反向,使线圈持续的转动下去.【详解】(1)由于电流从电源的正极出发,故此时图1中ab的电流方向是由a到b;在图丙中,由于电流的方向和磁场的方向均没有改变,故此时线圈所受力的方向仍不变,即力的方向仍是向上的,如图所示:(2)据图乙能看出,再向下转动,磁场力会阻碍线圈运动,故此时必须改变线圈中的受力方向,所以可以通过改变线圈中的电流方向使得线圈持续顺时针转动至少半圈;(3)直流电动机的线圈可以持续转动,是因为它加装了换向器,换向器能在线圈刚转过平衡位置时,自动改变线圈中的电流方向.3.如图所示是老师设计的一个实验装置,用来探究“影响电磁铁磁性强弱因素”,它是由电源、滑动变阻器、开关、带铁芯的螺线管(线圈电阻忽略不计)和自制的针式刻度板组成,通过观察指针偏转角度的大小,来判断电磁铁磁性的强弱.用竹片削制的指针下方加装固定一物体E,导线 a 与接线柱 2 相连.(1)为了使指针在受磁场力的作用在能绕 O 点转动,需在 E 处加装铁块,加装物体后,为了确保指针能正确指示且具有一定的灵敏度,老师在 O 点转轴处涂抹润滑油,目的是_____,使指针转动更灵活.(2)按如图所示连接好电路,闭合开关,调节滑动变阻器滑片 P 到某一位置,记下此时指针偏转的角度,保持滑片 P 位置不变,导线 a 改为与接线柱 1 相连,可以探究电磁铁磁性强弱与_____的关系;保持接线方式不变,移动变阻器滑片 P,可以探究电磁铁磁性强弱与另外一个因素的关系.(3)当滑动变阻器的滑片 P 向左滑动时,指针偏转的角度将会______(选填“增大”或“减小”).(4)细心观察的小锋同学发现在实验过程中该自制装置的指针均向右偏转,只是偏转角度不同,该同学向老师提出能否让指针向左偏转,老师马上将一块小磁铁换装在如图 E 处,且让磁铁的右端为_____极,闭合开关后,同学们发现指针果然向左偏转.(5)你认为该装置中指针的偏转角度大小可能还与哪些因素有关?______(只写出一个即可)【答案】减小摩擦线圈匝数减小 N 铁芯大小【解析】【分析】(1)根据减小摩擦的方法解答;(2)根据1、2位置比较接入电路线圈匝数多少可知答案;(3)当滑动变阻器的滑片 P 向左滑动时,电阻变大,电流变小,磁场减弱;(4)首先判断电磁铁的N、S极,然后利用电磁铁与所放磁铁的磁极相互作用做出判断;(5)该装置中指针的偏转角度大小要受磁力大小、竹片削制的指针质量、电磁铁距离指针的距离等因素影响.【详解】(1)在O点转轴处涂抹润滑油可以使接触面变光滑,从而减小了摩擦;(2)保持滑片P位置不变,忽略线圈电阻,则电流不变,导线a改为与接线柱1相连,增加了线圈匝数,因此可以探究电磁铁磁性强弱与线圈匝数的关系;保持接线方式不变,移动变阻器滑片P,改变电流大小,可以探究电磁铁磁性强弱与电流大小的关系.(3)当滑动变阻器的滑片P向左滑动时,接入电路电阻增大,电流减小,磁性减弱,所以指针偏转的角度将会减小;(4)由图中通电线圈电流流入方向,利用右手螺旋定则可以判断出通电线圈左端为N极,右端为S极,在E处放小磁铁让磁铁的右端为N极、左端为S极时,则通电线圈右端S极与小磁铁左端为S极就会相互排斥,指针就会向左偏转;(5)该装置中指针的偏转角度大小要受磁力大小、竹片削制的指针质量、电磁铁距离指针的距离等因素影响;所以指针的偏转角度大小还与铁芯大小有关,也与竹片削制的指针质量有关.4.磁体具有吸引铁、钴、镍等物质的性质。
一、选择题1.恒压电源的内阻可视为零,普通电源的内阻不可忽略。
为判别一电源是哪种电源,某同学连接了如图所示实验电路,并断开电键,设想通过观察电键闭合后的电流表作出判断。
此方案()A.无效。
因为无论是哪种电路,电流表示数都变大B.无效。
因为无论是哪种电路,电流表示数都变小C.有效。
若是恒压电源,电流表示数不变,若是普通电源,则电流表示数变大D.有效。
若是恒压电源,电流表示数不变,若是普通电源,则电流表示数变小2.某同学用如图电路研究电源的总功率E P、输出功率R P和电源内部的发热功率r P随电流I变化关系,他先作出了电源的伏安特性曲线,已知该直流电源内阻及外电路电阻均不随温度变化。
下列说法正确的是()A.外电路电阻的特性曲线由a变到b,是电阻R的滑片向左移动的结果B.电路中的电流增大时,电源的输出功率一定增大C.电路中的电流增大时,电源总功率不变D.电路中的电流增大时,电源效率降低3.某同学将一直流电源的总功率P E、输出功率P R和电源内部的发热功率P r随电流I变化的图线画在了同一坐标系中,如图中的a、b、c所示。
以下判断错误的是()A.直线a表示电源的总功率P E B.曲线c表示电源的输出功率P RC.电源的电动势E=3 V,内电阻r=1 ΩD.电源的最大输出功率P m=9 W4.如图所示,灯泡1L、2L原来都正常发光,由于故障两灯突然熄灭,若故障只有一处,则下列说法正确的是()A.将电压表并联在ac两端,示数为0,说明ac间断路B.将电压表并联在cd两端,有示数,说明cd间完好C.将电压表并联在ad两端,有示数;并联在ac两端,示数为0,说明cd间断路D.将电流表并联在ac两端,示数为0,说明cd间完好5.如图所示,R1为定值电阻,R2是金属热电阻(温度越高,电阻值越大),L为小灯泡。
则当温度下降时()A.R1两端的电压减小B.电流表A的示数减小C.路端电压变小D.小灯泡L变亮6.单位正电荷沿闭合电路移动一周,电源释放的总能量取决于()A.电源的电动势B.电荷定向移动的速度C.内、外电路的电阻之和D.电荷运动一周所需要的时间7.某同学准备用一种热敏电阻制作一只电阻温度计。
北京市丰台区第二中学2021-2022高一物理上学期第一次月考试题(含解析)一、单选题1. 下列对物体运动的描述中,有关参考系的说法正确的是()A. “一江春水向东流”以水面上的船为参考系B. “地球绕太阳的公转”以地球为参考系C. “钟表的时针在转动”以表盘为参考系D. “火车行驶出站台”以该列车上的乘客为参考系【答案】C【解析】试题分析:参考系,是指研究物体运动时所选定的参照物体或彼此不作相对运动的物体系;参考系的选取是任意的,如何选择参照系,必须从具体情况来考虑,一般情况下我们以地面或地面上的物体作为参考系.解:A、“一江春水向东流”以是以地面为参考系得出的;故A错误;B、“地球绕太阳的公转”以太阳为参考系.故B错误;C、“钟表的时针在转动”以表盘为参考系;故C正确;D、“火车行驶出站台”以站台为参考系;故D错误.故选:C.2.关于物体运动的速度和加速度的关系,下列说法正确的是()A. 速度越大,加速度也越大B. 速度变化越快,加速度一定越大C. 加速度的方向保持不变,速度方向也一定保持不变D. 加速度就是增加的速度【答案】B【解析】【详解】试题分析:加速度的定义式为:∆=∆vat,可知速度大,加速度不一定大,故A错误;加速度描述的时速度变化快慢的物理量,因此速度变化越快加速度越大,故B正确;加速度的方向不变,速度的方向可能改变,比如平抛匀速,加速度方向不变,速度方向时刻改变,故C 错误;加速度大小等于单位时间内速度的变化量,不是增加的速度,故D 错误。
所以B 正确,ACD 错误。
考点:速度、加速度【名师点睛】本题主要是考查学生对于速度、加速度和速度变化率的理解,关键是要理解加速度的物理含义,加速度是表示物体速度变化快慢的物理量.而速度和加速度并无直接的关系,我们只是用速度变化的快慢来描述加速度.加速度和速度方向关系当加速度与速度方向相同时,物体做加速运动,当物体加速度方向与速度方向相反时,物体做减速运动,不用考虑加速度是变大还是变小.3.做匀加速直线运动的物体的加速度为3 m/s 2,对任意1 s 来说,下列说法中不正确的是 A. 某1 s 末的速度比该1 s 初的速度总是大3 m/s B. 某1 s 末的速度比该1 s 初的速度总是大3倍 C. 某1 s 末的速度比前1 s 末的速度大3 m/s D. 某1 s 末的速度比前1 s 初的速度大6 m/s 【答案】B 【解析】【详解】AB .匀加速直线运动的物体的加速度为3m/s 2,根据v a t ∆=∆得某1s 末的速度比该1s 初的速度总是大3m/s ,但不一定是3倍,比如初速度为1m/s ,末速度应为4m/s ,A 不符合题意,B 符合题意;C .某1s 末和前1s 末相隔1s ,根据0v at v =+,知某1s 末的速度比前1s 末的速度大3m/s ,C 不符合题意;D .某1s 末和前1s 初相隔2s ,根据0v at v =+,知某1s 末的速度比前1s 初的速度大6m/s ,D 不符合题意。
北京市丰台区丰台第二中学2018-2019学年八年级物理上学期期中试卷一、单选题(共30分,每小题2分)1.(2分)“满眼风波多闪烁,看山恰似走来迎,仔细看山山不动,是船行。
”这段诗词蕴含多个科学道理。
其中“看山恰似走来迎”所选取的参照物是()A.山B.船C.地面D.河岸2.(2分)关于误差,下面说法中正确的是()A.在测量过程中不遵守测量仪器的使用规则,就会造成实验误差B.随着科技的发展,测量的误差越来越小,但都不能避免误差C.精心设计,不断改进实验方法,就可以避免误差D.利用多次测量取平均值的办法可以避免误差3.(2分)二胡是我国劳动人民发明的一种弦乐器。
演奏前,演员经常要调节弦的松紧程度,其目的在调节弦发声时的()A.响度B.音调C.音色D.振幅4.(2分)下列有关声的说法正确的是()A.“低声细语”中的“低”指的是音调低B.在部分路段禁止汽车鸣笛,实在传播过程中减弱噪声C.让正在发声的音叉接触水面,水花四溅,说明声音是由物体的振动产生的D.打雷时先看到闪电后听到雷声,是因为闪电比雷电先发生5.(2分)以下实例中可以说明声音能够传递能量的是()A.利用超声波清钟表等精细的机械B.渔民捕鱼时利用声呐来获得水中鱼群的信息C.古代雾中航行的水手通过号角的回声能够判断与悬崖的距离D.利用超声波可以获得人体内部疾病的信息6.(2分)如图所示的各种自然现象中,属于凝华的是()A.春天里冰雪消融B.夏天的早晨花草上有露水C.深秋的早晨大雾弥漫D.初冬的早晨霜打枝头7.(2分)小刚同学是一位初二的男生,下列与他相关的一些估测数据,不合理的是()A.他的质量大约是55kgB.他的正常体温大约是36.5℃C.他穿的鞋的长度大约是26cmD.他的脉搏跳动50次大约需要2min8.(2分)以下物态变化中,有一个过程与其他三个物态变化过程吸热或放热情况都不同的是()A.夏天从冷藏室拿出的易拉罐外面出现水珠B.樟脑丸放在衣柜中变小C.铁块在炼钢炉中熔化的过程D.湿衣服变干9.(2分)在制作液体温度计时,为了提高温度计的准确程度,下面措施可行的是()A.玻璃泡的容积做大一些,玻璃管内径做细一些B.玻璃泡的容积做小一些,玻璃管内径做粗一些C.玻璃泡的容积做大一些,玻璃管内径做粗一些D.玻璃泡的容积做小一些,玻璃管内径做细一些10.(2分)短跑运动员5s内跑了50m,羚羊2min内奔跑2.4km,汽车的行驶速度是54km/h,三者速度从小到大的排列顺序是()A.汽车、羚羊、运动员B.羚羊、汽车、运动员C.运动员、汽车、羚羊D.运动员、羚羊、汽车11.(2分)下列的说法中正确的是()A.固体融化时的温度叫做熔点B.冰的温度升到0℃,它一定熔化C.只有晶体熔化时才吸热D.无论外界环境温度如何,在标准大气压下冰水混合物的温度一定是0℃12.(2分)甲车行驶的路程是乙车行驶路程的,甲车和乙车的速度之比是5:6,则甲乙两车所用的时间之比是()A.5:9 B.5:4 C.4:5 D.9:513.(2分)下列现象不是光的直线传播的应用的是()A.影子的形成B.日食月食的成因C.小孔成像D.水中倒影14.(2分)小明用如图所示的装置炖食物,碗与锅底不接触,当锅里水沸腾后碗中的汤()A.同时沸腾了B.稍后也沸腾了C.温度低于沸点,不会沸腾D.温度达到沸点,但不会沸腾15.(2分)光学实验课时,小叶用激光灯对着光滑的大理石地面照射,无意中发现对面粗糙的墙壁上会出现一个明亮的光斑,而光滑地面上的光斑很暗,对此现象解释较合理的是()A.地面吸收了所有的光B.墙壁对光发生漫反射C.地面对光发生漫反射D.墙壁对光发生镜面反射二、多选题(共14分,每小题2分)16.(2分)在下列有关运动的说法中,正确的是()A.速度是表示物体运动快慢的物理量B.运动快慢不变的直线运动叫做匀速直线运动C.两个运动的物体相比较,速度大的物体运动的路程长D.以3m/s的平均速度作变速运动的物体,每秒钟前进3m17.(2分)有很多成语、俗语中蕴含着物理知识。
北京丰台区第二中学物理电流和电路(篇)(Word版含解析)一、初三物理电流和电路易错压轴题(难)1.在“测量小电灯的功率”的实验中,电源电压为4.5V,小灯泡额定电压为2.5V、电阻约为10Ω.滑动变阻器标有“30Ω 1A”字样(1)连接电流表时应选用________________的量程.(2)请你用笔画线代替导线,将图甲中的实物电路连接完整__________.(3)乙同学连完电路并闭合开关后,发现小灯泡不发光且电压表示数为零,电流表示数为0.15A,产生这一现象的原因是 ____________________________________________.(4)故障排除后,移动滑动变阻器的滑片,使小灯泡正常发光时,电流的示数如乙图所示,请读出电流表的示数,并填入表格中_______________ .(5)实验中,同学们记录了多组小灯泡两端的电压及对应通过小灯泡的电流值,但表格的设计仍有不完整的地方,请将所缺内容填写完整____________.(6)小组同学们分析了实验数据得出:小灯泡的发光亮度是由灯泡的______决定的,且_______,灯泡发光越亮.【答案】0—0.6A 灯泡短路 0.24 W 2.5 0.24 0.6 实际功率实际功率越大【解析】试题分析:测灯泡的功率的测量原理是P=UI,即测出灯泡两端的电压和流过小灯泡的电流,算出灯泡的功率.根据题意,灯泡的额定电压为2.5V,所以电压表的量程选0-3V,灯的电阻约为10Ω,根据欧姆定律可以算出灯正常发光时的电流约为0.25A,小于0.6A,所以电流表应选0-0.6A的量程.闭合开关后,灯不亮,电流表有示数,说明电路中的故障是短路,电压表的示数是零,说明灯两端没有电压,所以灯被短路.在实验数据记录表格中,除了要记下需要测的物理,还要写清物理量的单位,灯正常发光时的电压为2.5V,电流表读数是0.24A,算出灯的额定功率为0.6W.根据表格中灯的实际功率与灯的亮暗可以得出灯的亮度与实际功率的关系,灯泡的实际功率越大,灯的亮度越高.考点:测小灯泡的功率2.在“用伏安法测电阻”的实验中:(1)实验原理是_______________________。
北京丰台区第二中学物理电压电阻(篇)(Word版含解析)一、初三物理电压电阻易错压轴题(难)1.热敏电阻的阻值会随温度的改变而改变。
小张同学用如图甲所示的电路来探究热敏电阻R T的阻值与温度的关系。
已知M为控温器,电源电压未知但恒定不变,R为电阻箱(一种可以改变并读出阻值的变阻器)。
因实验器材的限制,利用该电路无法直接测出热敏电阻的阻值,聪明的小张进行了如下操作:①根据图甲连接电路,闭合开关前,将电阻箱的阻值调到足够大;②控制控温器中液体温度为10℃,闭合开关,调节电阻箱的阻值,使电流表的示数达到某数值,记录此时电阻箱的阻值为26Ω;③依次改变控温器中的液体温度,同时……,得到相关数据记录如下表所示。
分析并回答下列问题:(1)步骤③中“……”部分的操作是____。
(2)从表中可以得出结论:在一定温度范围,_____。
(3)在科技创新活动中,小张用该热敏电阻和电压表制成了一支指针式温度计(电路图如图乙所示,电压表未接入),它可以直接在电压表刻度盘上读出相应温度。
闭合开关后,小华发现电流表有示数,将电压表依次并在各接线柱之间发现ab间无示数,接ac、bc间有示数,此时电路中的故障是____。
小华重新正确连接电路后,若想要电压表的读数随温度的升高而增大,则应在原理图乙中_____两端接入电压表。
A.a、b B.b、c C.a、c【答案】调节电阻箱的阻值,使电流表的示数保持不变热敏电阻的阻值随温度的升高而减小定值电阻短路A【解析】【详解】(1)为了探究热敏电阻R T的阻值与温度的关系,应保持其他变量不变,即调节电阻箱阻值来保持电流表示数不变;(2)因为热敏电阻R t与电阻箱串联,而电路电流保持不变,所以电路总电阻保持不变,读表可知,那么随着温度升高,变阻箱电阻增大,即热敏电阻R T的减小。
(3)如图乙:闭合开关后,小华发现电流表有示数,说明电路没有断路,将电压表依次并在各接线柱之间发现ab间无示数,而接ac、bc间有示数,则ab间一定发生短路;想要电压表的读数随温度的升高而增大,电路总电压不变的情况下,根据串联分压原理,定值电阻ab两端电压随热敏电阻R t减小而增加,故应接在ab之间,选A。
北京丰台区第二中学物理内能(篇)(Word 版 含解析)一、初三物理 内能 易错压轴题(难)1.在探究“冰熔化时温度的变化规律”的实验中。
(1)将适量碎冰放入试管中,利用水给冰加热,目的是______; (2)某时刻观察到温度计的示数如图甲所示,为______°C ;(3)图乙是根据所测数据绘制成的图象。
由图象可知,冰的熔化特点是:持续吸热、______;AB 和CD 两段图象的倾斜程度不同,原因是______; (4)若不计热量损失,物质在AB 和BC 两段吸收的热量分别为Q 1和Q 2,则12:Q Q =______。
【答案】使冰受热均匀 -4 温度不变 该物质状态不同时比热容不同 2:3 【解析】 【分析】 【详解】(1)[1]将装有冰的试管放入水中加热,这是水浴法,这样冰的温度变化比较均匀,并且变化比较慢,便于记录实验温度。
(2)[2]由图甲知,温度计的分度值是1°C ,此时是零下,液柱上表面对准了0°C 下面第4个小格处,读作−4°C 。
(3)[3]由图像知冰在熔化过程中持续吸热、温度不变。
[4]冰化成水质量不变,但比热容发生了变化,所以同样受热情况下,温度变化快慢不同。
(4)[5]因为同一加热装置,在相同的时间内吸收的热量相同,已知在AB 段时间为2min ,BC 段为3min ,则12:2:3Q Q2.小明在学习“物质的比热容”时,取相同质量的水和沙子,用相同的酒精灯加热,测得它们升高的温度如表,并在图乙中作出沙子升高的温度随时间变化的图线. 加热时间/min0.51.01.52.02.5(1)用温度计测量水的初温如图甲所示,其读数为__________℃。
(2)实验中选用相同的酒精灯加热,可以认为相同时间内水和沙子__________相同.(3)请利用表中数据在图乙中作出表示水升高的温度随时间变化规律的图线。
(4)沙子在1.0~1.5min内升高的温度有明显异常,其主要原因是__________。
一、选择题1.如图所示,用丝绸摩擦过的玻璃棒接触验电器的金属球,金属箔张开。
在这个过程中()A.金属箔上产生了电荷B.玻璃棒带正电,验电器带负电C.金属箔张开是因为同种电荷相互排斥D.金属箔张开瞬间,电流方向是由金属箔到玻璃棒2.如图所示,实验室里常用验电器来检验物体是否带电。
用带电体接触验电器的金属球时,金属箔片因带电而张开一定角度,则这两个金属箔片一定带()A.异种电荷B.同种电荷C.正电荷D.负电荷3.电动自行车的两只手柄中,分别装有开关S1和S2,行驶中使用任何一只手柄刹车时,该手柄的开关就会立即断开,电动机停止工作。
从而起到减速刹车的作用。
如图所示的四个电路图中符合上述要求的是()A.B.C.D.4.生活中的一些现象与微观解释正确的是()A.腌制咸鸭蛋,盐分子能进入蛋中,说明盐分子在不停地做无规则运动B.摩擦起电创造出正、负电荷C.固体很难被压缩,说明固体分子间没有间隙D.一个带正电的物体吸引轻小物体,则轻小物体一定带负电5.如图所示,电源电压不变,闭合开关S,正常工作一段时间后,发现其中一个电压表示数变大,则()A.1L可能变亮B.1L可能熄灭C.2L可能断路D.2L可能短路6.带正电的玻璃棒慢慢靠近悬挂着的通草球时,发现通草球被吸引,这说明通草球()A.一定带负电B.一定带正电C.一定不带电D.可能不带电7.宝安中心区壹方城的停车场用指示灯发绿光表示车位未被占用,发红光表示被占用,车辆驶入或离开时感应开关自动切换。
下列能实现此功能的电路是()A.B.C.D.8.如图是一款单轮平衡车,它是依靠电力驱动及人体平衡能力控制的代步工具。
该平衡车电路部分安装有两个开关——电源开关S1和压力开关S2;当手动闭合开关S1时,指示灯亮起;此时骑行者再站立于平衡车踏板上,开关S2自动闭合,电动机正常启动,平衡车运动。
开关S1未闭合,即使骑行者站立于路板上,电动机也无法启动。
图中的电路设计符合上述要求的是()A.B.C.D.9.下列说法正确的是()A.自由电子定向移动会形成电流B.导体能够导电是因为导体内有大量的自由电子C.规定负电荷定向移动的方向为电流的方向D.摩擦起电的过程中创造了电荷10.如图所示,与实物电路相对应的电路是()A.B.C.D.11.新冠病毒疫情防控期间,为了严格控制区分外来车辆出入小区,很多小区装备了门禁系统,内部车辆可以被自动识别横杆启动,外部车辆需要门卫人员按动按钮才能将门打开。
一、选择题1.现有两个定值电阻R 1和R 2(R 1<R 2),按照如图所示的四种方式,分别接到电压恒为U 的电源两端工作相同的时间。
则四个电路中电流做功大小关系正确的是( )A .W 甲>W 乙>W 丙>W 丁B .W 乙>W 丙>W 丁>W 甲C .W 甲>W 丙>W 丁>W 乙D .W 丙>W 丁>W 乙>W 甲B解析:B因串联电路中总电阻大于任何一个分电阻,并联电路中总电阻小于任何一个分电阻,且R 1<R 2,所以,四个电路中的总电阻关系为R 甲>R 丁>R 丙>R 乙因电源的电压恒为U ,且工作时间相等,由2U W =t R可知,四个电路中电流做功大小关系为W 乙>W 丙>W 丁>W 甲故ACD 错误,B 正确。
故选B 。
2.生活中的许多现象都与物理知识息息相关,以下描述中符合生活实际的是( ) A .一节新电池的电压为2V B .白炽灯的正常工作电流约为0.1A C .家用彩电的电功率约为2000W D .成年人的电阻约为36ΩB解析:BA .一节新干电池的电压为1.5V ,故A 不符合题意;B .家庭电路中,灯泡正常工作时的电流约0.1A ,故B 符合题意;C .家用彩电的电功率约为100W ,故C 不符合题意;D .人的电阻约1000Ω~2000Ω,故D 不符合题意。
故选B 。
3.小明把标有“6V 3W ”和“6V 2W ”的两只小灯泡L 1和L 2串联接在电源电压为10V 的电路中,不考虑灯丝电阻的变化,下列说法正确的是( ) A .小灯泡L 1能正常发光 B .小灯泡L 2能正常发光C .通过小灯泡L 1的电流大D .小灯泡L 1和L 2两端电压之比是3∶2B 解析:BABD .两灯泡的电阻分别为()22116V 12Ω3W U R P ===()22226V18Ω2WURP===根据串联分压可知,L1电压为111212Ω10V4V12Ω18ΩRU UR R==⨯=++L2电压为2110V4V6VU U U=-=-=所以L2能正常发光,小灯泡L1和L2两端电压之比是124V26V3UU==故AD错误,B正确;C.因为两灯串联,所以电流相等,故C错误。
一、选择题1.一阻值为R 的电阻丝接在电压为U 的电路中,在t 时间内放出的热量为Q ,现把该电阻丝对折起来接到原来的电路中,放出同样多的热量,需要的时间是( )A .4tB .2tC .tD .2t2.甲、乙两只灯泡的I -U 关系图象如图所示,现将甲、乙两灯串联在电路中,当甲灯两端电压为2 V 时,乙灯消耗的功率是( )A .2 WB .0.8 WC .1. 2 WD .3 W3.小强家有额定电压相同的微波炉、洗衣机、电视机各一台,按照每度电0.5元的计费标准,将这三台用电器正常工作1小时的用电费用绘制成了如图所示的柱状图。
则下列四个选项中,判断正确的是( )①在日常使用过程中,微波炉工作时消耗的电能最多②正常工作时,洗衣机的额定功率大于电视机的额定功率③正常工作时,电流通过三台用电器做功一样快④正常工作时,电视机的电流最小A .只有①②正确B .只有②④正确C .只有③④正确D .只有①③正确 4.下列不是电功率单位的是( )A .焦耳每秒(J/s )B .千瓦(kW )C .瓦特(W )D .千瓦时(kW •h ) 5.将额定电压相同的两个灯泡L 1、L 2串联后接入电路中,如图所示。
接通电路后发现灯泡L 1要比L 2亮一些,则下列判断正确的是( )A.L1的电阻比L2的小B.L1的额定功率比L2的大C.灯L1两端的电压大D.通过灯L1的电流大6.下列措施中,属于利用电流热效应的是()A.电视机的后盖有很多孔B.电烤箱上禁止覆盖物体C.电饭锅里装有发热板D.电脑的主机中安装微型风扇7.当一个电阻的阻值为R时,将它接在电路中通电一段时间,产生的热量为Q。
如果要使它产生的热量为4Q,下列办法中可行的是()A.将电压变为原来4倍,通电时间不变B.将电阻变为原来2倍,通电时间变为原来1 2C.将电阻变为原来12,通电时间变为原来2倍D.将电压变为原来12,电阻变为原来2倍8.小明把标有“6V 3W”和“6V 2W”的两只小灯泡L1和L2串联接在电源电压为10V的电路中,不考虑灯丝电阻的变化,下列说法正确的是()A.小灯泡L1能正常发光B.小灯泡L2能正常发光C.通过小灯泡L1的电流大D.小灯泡L1和L2两端电压之比是3∶2 9.如图所示(甲)是某同学探究电流与电压关系的电路图,开关S闭合后,将滑动变阻器的滑片P从a端移至b端,电流表和电压表的示数变化关系如图(乙),下列说法正确的是()A.电阻0R两端电压与通过0R的电流成正比B.0R的阻值为5ΩC.滑动变阻器的最大阻值为5ΩD.0R的最大功率为0.45W10.如图所示,测量额定电压为2.5V小灯泡电功率,电源电压恒为4.5V。
北京丰台区丰台第二中学2021年高一物理月考试卷含解析一、选择题:本题共5小题,每小题3分,共计15分.每小题只有一个选项符合题意1. 假设地球是一半径为R、质量分布均匀的球体。
一矿井深度为d。
已知质量分布均匀的球壳对壳内物体的引力为零。
矿井底部和地面处的重力加速度大小之比为()A.B.C.D.参考答案:A2. (多选)如图1,直线a和曲线b分别是在平直公路上行驶的汽车a和b的位置一时间(x-t)图线,由图可知()A.在时刻t1,b车追上a车B.在时刻t2,a、b两车运动方向相同C.在t1到t2这段时间内,a、b两车的平均速度相等D.在t1到t2这段时间内,b车的速率一直不大于a车参考答案:AC3. 如图所示,电源电压和灯L的电阻不变,灯L上标有“6V 3W”字样.当开关S闭合,滑片P移至a端时,电流表的示数为1.0A,灯L正常发光;当开关S断开,滑片P移至b端时,电源电压U和灯L消耗的电功率P为()6V 1.5W 6V 0.75W 3V 1.5W 3V 0.75WB 4. 物体通过两个连续相等位移的平均速度分别为v1=10m/s,v2=15m/s ,则物体在整个运动过程中的平均速度是()A 12.5m/sB 12m/sC 12.75m/sD 11.75m/s参考答案:5. 下列说法中正确的是( )A.地球对物体的吸引力就是重力B.重心不一定在物体上C.形状规则的物体其重心一定在物体的几何中心D.物体在地球上任何地方所受重力的方向都指向地心参考答案:B二、填空题:本题共8小题,每小题2分,共计16分6. 三个共点力的大小分别为5 N、3 N、7 N,则它们的合力的最大值为N,最小值为N。
参考答案:15; 07. (4分)做匀变速直线运动的物体,从t时刻起,头一秒内的平均速度是1.2m/s。
头二秒内的平均速度是1m/s,则(1)物体的加速度是______ m/s2;(2)t时刻的即时速度是_______m/s。
北京丰台区第二中学物理电功率(篇)(Word版含解析)一、初三物理电功率易错压轴题(难)1.重点是测量小灯泡电功率的实验,除了掌握通常的实验要求和步骤外,难点是电表的选择和画出电路图,对于电压表的选择采用了扩大量程的方法,即电压表与定值电阻串联后,根据串联电路的特点知,当电压表示数为3V时,电压表与定值电阻串联后总电压为3.8V,正好可以测量灯的定额电压。
据此进行分析解答。
中考复习时,一学习小组利用阻值不同的四个电阻、电压为6V的电源、滑动变阻器R(标有“50Ω 1A”)及其它器材做电学实验.(1)如图甲是小明“探究电流与电阻关系”时连接的部分实验电路.①将5Ω电阻接入电路,请用笔画线代替导线,将实验电路连接完整,要求滑动变阻器的滑片P向右滑电流表示数变大;(____)②闭合开关,移动滑片P,使电压表的示数为2.5V时读出对应的电流值并记录;③断开开关,用10Ω的电阻替换5Ω的电阻,此时如果他马上闭合开关,会造成__表损坏,正确的操作应该是先__________________________,再闭合开关,移动滑片P使电压表的示数仍为2.5V;④按正确操作完成余下实验后,得到电流与电阻关系图象如图乙所示,由此可得到的结论是:电压一定,___________________________________________________________;(2)玉琦同学把图甲中的定值电阻换成额定电压为2.5V的灯泡,测量它的额定功率.①闭合开关后,发现灯泡不亮,电流表和电压表都没有示数,原因可能是滑动变阻器___;②排除故障后,将滑动变阻器R的滑片移到某一位置时电压表示数为2.2V,要测小灯泡的额定功率,应将滑动变阻器连入电路的阻值变__(选填“大”或“小”),当小灯泡正常发光时,电流表的示数如图丙所示,则小灯泡的额定功率为__W .(3)张阳同学实验时发现桌上没有电流表,却多了一个滑动变阻器R 0(最大阻值用R 0表示),他设计如图丁所示电路,测出了额定电压为U 0=2.5V 的灯泡的额定功率,请补全下列步骤.①闭合开关,先调节滑动变阻器__(选填“R 0”或“R ”)的滑片到最__端(选填“左”或“右”),再调节另一滑动变阻器的滑片,直到__时为止.②接着_________________________,读出这时电压表的示数为U ;③小灯光的额定功率表达式P =____________(用字母表示).【答案】 电压 调节滑动变阻器的滑片P 处于最大阻值处 电流与电阻成反比 断路 小 0.75 R 0 左 2.5V 调节变阻器R 0的滑片到最右端 2.5V×02.5U V R 【解析】【分析】【详解】(1)①滑动变阻器的滑片P 向右滑电流表示数变大;说明滑动变阻器的滑片P 向右滑时滑动变阻器接入电路的电阻变小,所以应将滑动变阻器的右下方接线柱与开关右侧接线柱相连,如下图所示:③探究电流与电阻关系应保持电阻两端电压不变,用10Ω的电阻替换5Ω的电阻时电路中的总电阻变大,由==可知串联电路电阻越大,分得的电压越大,用10Ω的电阻替换5Ω的电阻,电阻两端电压会变大,电压表的示数变大,闭合开关,会造成电压表损坏,正确的操作应该是先调节滑动变阻器的滑片P 处于最大阻值处,再闭合开关,移动滑片P 使电压表的示数仍为2.5V ;④由图象可知,电流与电阻成反比例函数,故可得结论:电压一定时,电流与电阻成反比;(2)①闭合开关后,发现灯泡不亮,电流表和电压表都没有示数,原因可能是滑动变阻器断路;②要测小灯泡的额定功率,应使电压表的示数由2.2V 增加到2.5V ,滑动变阻器应减小接入电路中的电阻,增大电路中的电流;由图丙可知,电流表的量程为0~0.6A ,分度值为0.02A ,示数为0.3A ,则灯泡的额定功率P=UI=2.5V×0.3A=0.75W ;(3)实验步骤:①闭合开关,先调节滑动变阻器R 0的滑片到最左端,再调节另一滑动变阻器的滑片,直到2.5V 时为止;②接着调节变阻器R 0的滑片到最右端,读出这时电压表的示数为U ;③因串联电路中总电压等于各分电压之和,所以,R 0两端的电压U 0=U ﹣2.5V ,2.0 U P U I U I R ==-额额额额额().用“伏安法”测未知电阻的阻值.(1)请用笔画线表示导线,将图甲所示的实物连接成完整电路.要求:滑动变阻器的滑片P 向右移动时,电流表示数变小(请勿更改原有导线,导线不能交叉).(________)(2)连接电路前,开关必须___.电路接通前,滑动变阻器的滑片P 应该移至图中_____处(选填“A ”或“B ”).(3)小林闭合开关后,发现电流表示数为零,但电压表有示数,此时电路中的一处故障是待测电阻R x _____(选填“短路”或“断路”).(4)小林排除故障后,用滑动变阻器调节接入电路中的电阻,对应每次变化各测一次电流值和相应的电压值并记录到表格中.有一次测量电流表的指针如图乙所示,其示数为_____A ;另一次测量电压表的指针如图丙所示,其示数为_____V .小林根据几组实验数据计算出R x 的值,为了进一步减小误差,绘制了R x 的U -I 图像.(5)另一组的小宇用相同的器材进行实验,并根据自己所记录的实验数据绘制了如图丁所示的U -I 图像.小林发现小宇绘制的U-I 图像和自己绘制的U -I 图像不同,你认为其原因是_____;小林根据小宇的图像也可计算出待测电阻R x =_____Ω.(实验过程中电源电压保持不变).【答案】断开B断路 0.28 2.6 电压表并联在滑动变阻器的两端 10【解析】【分析】【详解】(1)滑动变阻器的滑片P向右移动时,电流表示数变小,说明变阻器连入电路的电阻变大,故变阻器左下接线柱连入电路中,如下图所示:(2)连接电路前,开关必须断开.电路接通前,滑动变阻器的滑片P应该移至图中阻值最大处的B端;(3)若待测电阻短路,电压表示数为0,不符合题意;若待测电阻断路,电流表示数为零,电压表串联在电路中测电源电压,电压表有示数,符合题意,电路中的一处故障是待测电阻R x断路;(4)有一次测量电流表的指针如图乙所示,电流表选用小量程,分度值为0.02A,其示数为0.28A;另一次测量电压表的指针如图丙所示,电压表分度值为0.1V,其示数为2.6V;3.22max(3V)0.45W445ΩUPR===⨯在探究电路的实验中,几个小伙伴将电阻R、标有“2.5V”字样的小灯泡L和滑动变阻器串联接入电路,并把变阻器的滑片移到了连入阻值最大端,电源为6V稳压直流输出,如图所示。
请完成下列问题:实验次数电阻两端电压U1/V灯两端电压U2/V电流I/A小灯泡亮度1 1.00.50.10不亮2 2.2 1.50.22偏暗3 2.8 2.50.28正常4 3.0 2.80.30极亮(1)如果用电压表分别测量R与L的电压,请用笔面线将电路连接完整______;(2)闭合开关,移动变阻器的滑片,记录4组测量数据在表格中。
分析U2与I的值,可发现的实验结论是:①小灯泡的电阻是变化的,当通过电流增大使灯丝的温度升高时其电阻会变______;②小灯泡的亮度决定于______;(选填代号:A.通过灯的电流、B.灯两端的电压、C.灯的实际功率)(3)通过大量的实验研究,我们必须养成一定的科学态度。
比如,通过移动变阻器的滑片,获得多次实验数据很重要;小敏认为对于灯泡的意义是便于求出平均功率达到减小测量误差的目的。
你对小敏此观点的评价是______。
(需说明理由)【答案】或变大 C 错误的,小灯泡在不同电压下电功率是不同的,不能取平均值减小误差【解析】【分析】【详解】(1)[1]用电压表分别测量R与L的电压,如图所示电压表V2已经并联在灯泡L两端,想在只需将电压表V1按照电流正极进、负极出的原则并联在定值电阻R两端,可将电压表V1的负接线柱与定值电阻R的右接线柱或者灯泡L的左接线柱连接即可,如图所示或 (2)[2]四次实验灯泡L两端的电阻分别为21L110.5V 5Ω0.10A U R I === 22L22 1.5V 6.8Ω0.22A U R I ==≈ 23L33 2.5V 8.9Ω0.28A U R I ==≈ 24L44 2.8V 9.3Ω0.30AU R I ==≈ 可知,当通过电流增大使灯丝的温度升高时,灯泡的电阻会变大。
[3]四次实验灯泡L 的实际功率分别为L1110.5V 0.10A 0.05W P U I ==⨯=实L22 1.5V 0.22A 0.33W P U I ==⨯=实2L33 2.5V 0.28A 0.7W P U I ==⨯=实3L44 2.8V 0.30A 0.84W P U I ==⨯=实4随着通过电流变大,灯泡的实际功率变大,亮度也变亮,可知小灯泡的亮度决定于灯的实际功率,故应该选择C 。
4.2110=U U P UI U R -=小明在“探究小灯泡在不同电压下工作时的电功率”的实验时,实验室提供了如下器材:电源(电压恒为8V ),一个电流表,一个电压表,滑动变阻器“20Ω 2A ”,小灯泡(额定电压2.5V ,额定功率小于1.2W ),一个阻值已知的定值电阻R 0,开关及导线若干。
(1)请根据图甲所示的电路图,用笔画线代替导线,完成实验电路图乙的连接(要求:滑动变阻器的滑片P向右滑动时灯变亮;连线不能交叉)(____________)(2)正确连接电路后,闭合开关进行实验,记录的数据如下表所示。
当电压表示数为2.5V 时,电流表示数如图丙所示,小灯泡的额定功率为_____W。
实验次数物理量12345电压/V 1.0 1.5 2.0 2.5 3.0电流/A0.240.320.380.44电功率/W(3)分析表中数据可得出结论:小灯泡工作时,消耗的电功率随电压的增大而____(选填“增大”、“不变”或“减小”),小灯泡的实际功率由______(选填“额定功率”、“额定电压”或“实际电压”)决定。
(4)完成实验后,利用上述器材,小明又想出一种测量小灯泡额定功率的方法,设计了如图所示的电路,所用电压表量程为“0~15V”,请将以下实验步骤补充完整。
①检查电路无误后,闭合开关S,将开关S1拨至“1”,调节滑动变阻器滑片直至电压表示数为______V ;②滑动变阻器滑片不动,再将开关S1,拨至“2”读出电压表示数为U0;③小灯泡的额定功率P额=______(用U额、U0、R0表示)。
若步骤②中,在将开关S1拨至“2”时,不小心将滑片向右移动了少许,其他操作正确,则测出的小灯泡额定功率比真实值_____(选填“偏大”或“偏小”)。
【答案】如图,正确连线,滑动变阻器接线柱接正确1分1.05 增大实际电压 5.5 0UUR额偏小【解析】【分析】(1)根据图甲电路连接实物图,根据灯泡正常发光电流确定电流表量程;(2)由图丙读出灯泡正常发光时的电流,由P =UI 计算额定功率;(3)根据表中数据分析灯泡功率与电压的关系;(4)要测量小灯泡的额定功率,需使小灯泡两端的电压等于其额定电压,根据串联电路电压规律可得出电压表的示数;滑片不动,再将开关S 1拨至“2”,求出此时电路中的电流即为小灯泡的额定电流,根据P 额=U 额I 额求出小灯泡的额定功率;由串联电路特点和欧姆定律分析解答测量的中的差异。