MC24120型脉冲袋式除尘器技术性能(精)
- 格式:doc
- 大小:16.50 KB
- 文档页数:2
脉冲除尘器技术参数表格
脉冲除尘器是在袋式除尘器的基础上改进的新型高效脉冲除尘器,综合了分室反吹各种脉冲喷吹除尘器的优点,克服了分室清灰强度不够,进出风分布不均等缺点,扩大了应用范围。
脉冲布袋除尘器的型号种类很多,有MC-II型,PPC气箱脉冲除尘器,DMC 脉冲除尘器等常用型号,这些型号的确定是根据各行业的实际应用情况来进行确定的,广西贵港通达环保提供技术参数表参考。
MC-Ⅱ型脉冲布袋除尘器技术性能参数:
PPC气箱脉冲布袋除尘器详细技术参数:
型号
DMC-32DMC-48DMC-64DMC-80DMC-96DMC-112技术参数
处理风量
(m3/h)
1500-21002100-32002900-43004000-60005200-70006000-9000总过滤面积
(m2)
243648607284
过滤风速
(m/min)
滤袋数量(条)3248648096112
设备阻力(Pa)≤1200
入口粉尘浓度
(g/m3)
<200
出口排放浓度(mg/m3)≤50
DMC型系列单机脉冲除尘器具有设计结构简单,除尘效率高,造价低等特点。
其中,DMC-48单机脉冲除尘器规格暂时有六个规格,每种规格又可分为标准带灰斗式A型和敞开法兰式(无灰斗)B型二种。
其结构主要由过滤室、滤袋、净气室、灰斗、卸灰阀、脉冲喷吹装置、电控箱等组成,箱体全部采用焊接结构,检修门用泡沫橡胶条密封,保证除尘器严密不漏风。
MC-120布袋除尘器操作使用说明书一、设备简介脉冲袋式除尘器是从美国富乐公司引进具有先进水平的高效率袋式除尘器发展而来。
具有占地面积小、处理风量大、在线清灰、操作方便、维护系数低等优点。
解决了压缩空气压力低不足等问题.适用于机械、冶金、橡胶、面粉、化工、制药、碳素、建材、矿山等行业。
二、工作原理当含尘气体由进风口进入除尘器,首先进入灰斗,同时气流速度放慢,由于惯性作用,使气体中粗颗粒粉尘直接沉降到灰斗,起预收尘的作用,气流随后折而向上通过内部装有金属骨架的滤袋,粉尘被捕集在滤袋的外表面,净化后的气体进入滤袋室上部清洁室,汇集到出风口排出。
含尘气体通过滤袋净化的过程中,随着时间的增加而积附在滤袋上的粉尘越来越多,滤袋阻力增加,致使处理风量逐渐减少,为正常工作,要控制阻力在一定范围内(120-150毫米水柱),必须对滤袋进行清灰,清灰时由脉冲控制仪顺序触发各控制阀开启脉冲阀,气包内的压缩空气由喷吹管各孔经文氏管喷射到各相应的滤袋内,滤袋瞬间急剧膨胀,使积附在滤袋表面的粉尘脱落,滤袋得到再生.清下粉尘落入灰斗,经排灰系统排出机体。
由此使积附在滤袋上的粉尘周期地脉冲喷吹清灰,使净化气体正常通过,保证除尘系统正常工作。
三、设备型号四、除尘器主要结构特点:1、滤袋上端采用弹簧涨圈型式,不但密封性能好,而且在维修更换布袋时快捷简单,实现机外换袋。
2、袋笼的结构为圆型,袋笼的制造非常严格,本公司的袋笼是在引进国外技术合作生产的自动化生产线上加工,材质全部为冷拔丝,其各项指标较行业标准提高50%左右.3、电磁脉冲阀采用进口件,其易损件膜片的使用寿命大于100万次。
4、除尘器控制采用先进的程控器,具有差压、定时、手动三种控制方式,对除尘器离线阀、脉冲阀、卸灰阀等实现全面系统控制,如有要求并可对本体上的传感元器件如温度、料位等进行辅助报警控制。
五、设备特点1、受环境、温度等的制约条件少,可全天候工作.2、在结构上可在线清灰,利用程控脉冲达到清灰目的。
DMC24~120型布袋除尘器使用说明书江苏裕兴环保科技有限公司二○○七年三月目录一、概况 (3)二、结构简介 (3)三、工作原理 (3)四、技术参数及选用说明 (5)五、安装及外形尺寸 (7)六、主要配件 (7)七、安装、调试注意事项 (9)八、维护、检修注意事项 (10)一、概况脉冲袋式库顶除尘器是适用于电厂灰库库顶的一种高效净化专用设备,它采用了先进的清灰技术,具有气体处理能力大、净化效果好、结构简单、工作可靠、维护工作量少等特点。
公司生产的DMC24--120型脉冲袋式库顶除尘器,采用了国外先进Cmos集成电路控制仪,具有集成度高,可靠性强等优点;同时,选用了可靠的脉冲电磁阀。
本产品经电厂、电站长期使用证明,性能稳定,运行可靠,深受设计选用单位及用户的好评。
二、结构简介DMC24--120型脉冲袋式除尘器的基本结构由四大部分(附图)1、外箱体:包括可掀起的盖板(或紧固式盖板)和出风口。
2、隔离箱体:包括多孔板、检修门、滤袋、笼骨、文氏管等。
3、喷吹系统:包括脉冲控制仪、电磁脉冲阀、喷吹管、气包。
4、负压风机:可根据用户要求设置,一般可以不设置;设置负压负机时布袋除尘器在微负压的状态下运行。
三、工作原理含尘空气由风口进入除尘器箱体内,细小尘粒由于滤袋的多种效应作用,被滞阻在滤袋外壁。
净化后的气体通过滤袋经文氏管从上箱体出风口排出。
随着使用时间的增长,滤袋表面吸附的粉尘增多,滤袋的透气性减弱,使除尘器阻力不断增大。
为保证除尘器的阻力控制在限定的范围之内,由脉冲控制仪发出信号,按序打开脉冲电磁阀,使气包内的压缩空气由喷吹管各喷射到对应的文氏管(称为一次风),并在高速气流通过文氏管时诱导数倍于一次风的周围空气(称为二次风)进入滤袋,造成滤袋瞬间急剧膨胀,由于反向脉冲气流的冲击作用很快消失,滤袋又急剧收缩,这样使积附在滤袋外壁上的粉尘被清除。
落下的灰尘经排灰系统排出。
由于清灰是依次分别向几组滤袋进行,并不切断需要处理的含尘空气,所以在清灰过程中,除尘器的处理能力保持不变。
DMC型脉冲单机布袋除尘器说明书安丘市华瑞环保机械有限公司一.工作原理含尘气体由进气口进入灰斗(没有灰斗的将直接进入袋式),然后经由灰斗进入装有滤袋的过滤室。
粉尘附在滤袋的外表面,净化后的气体油滤袋进入上部箱体,再经排风管道,有风机排到大气当中去。
随着滤袋上灰尘的增厚,除尘器的阻力不断上升,当上升到一定程度时,为了保证除尘器继续工作,需要进行清灰。
除尘器的滤袋按直线排列,每排滤袋配置一个脉冲阀来控制压缩空气脉冲清灰,脉冲阀的动作是由程序控制器控制的。
清灰时,清灰控制器发出指令,使脉冲阀在动作瞬间释放出压力为 0.4—0.6Mpa 的压缩空气。
压缩空气通过喷吹管上正对滤袋的小孔以高速冲入滤袋,在其冲入滤袋内部的同时,又诱生一股数倍于压缩空气的二次气流,于是产生一种瞬时冲击波并沿整个过滤的长度方向向下传播。
利用这一机理,使聚集在滤袋外面的粉尘从滤袋上剥落。
脉冲的宽度和间隔可以调整,以适合各种不同粉尘的各种特性。
二.基本的结构形式DMC 系列喷冲脉冲单机袋式除尘器主要由上下箱体、袋室、检修门、风机、气包、喷吹系统、灰斗支腿等部分组成。
结构特点:可多侧开门,检修更换滤袋方便,不受空间位置限制。
滤袋材质为涤纶针刺毡。
如遇高温时,滤袋材质为玻纤针刺毡或其他适合的材质。
对有特殊要求的场合,也可采用复合滤料。
三.喷吹系统组成及工作原理喷吹系统由脉冲控制仪、电磁脉冲阀、喷吹管、气包等组成。
电磁脉冲阀的输入端与气包金属管连接,其输出管与喷吹管相接。
当脉冲控制仪发出信号时,对应的电磁脉冲阀开启,压缩空气有输出口喷入喷吹管。
脉冲控制仪动作信号消失,电磁脉冲阀关闭。
电磁脉冲阀由开启到关闭形成一次气流,造成滤袋内瞬时正压冲击,实现清灰。
脉冲袋式除尘器清灰使用的压缩空气必须经过严格的除油除水净化处理。
否则,不仅影响电磁阀正常工作,而且使油、水与粉尘粘结在滤袋上,缩短滤袋寿命,影响除尘效率。
因此,要求在压缩空气入口处设置油水净化设备。
APWM系列脉冲袋式除尘机组MAI CHONG DAI SHI CHU CHEN JI ZHU安装使用维护保养说明书一、概述:APWM型脉冲袋式除尘机组是在我公司生产的MC型喷吹脉冲除尘机组的基础上引进国外先进技术改制而成,它具有操作简单、净化效率高、处理气体能力大、性能稳定、维修工作量小等优点,广泛应用于电力、冶金、化工、机械、建材等行业。
二、技术性能:本除尘机组由进气室、排灰室、过滤室、净气室、风机、及喷吹清灰装置等部分组成。
本除尘机组工作原理为:当含尘气体经过风口进入过滤室自外向内通过滤袋,粉尘被阻留在滤袋的外表面,净气进入袋内和净气室从出风口排入大气。
当滤袋表面的粉尘不断增加,导致设备阻力升到设定值时,微差压控制器有信号输出,控制仪便发出信号使喷吹系统工作。
压缩空气经输出管喷出,以音速由引射器向下喷射,在引射器的上部形成一定的真空,净气室内的部分空气被诱导进来(称为二次气流),将粘附在滤袋外及纤维间的粉尘吹落下来,使滤袋得到清扫。
清离的粉尘落至排灰口排出,喷吹结束后滤袋又处于过滤状态。
四、除尘机组外形尺寸和基础尺寸:1、APWM-50A型脉冲袋式除尘机组外形图(装配型式一)见附图一。
2、APWM-50A型脉冲袋式除尘机组外形图(装配型式二)见附图二。
五、电控柜外形尺寸及其接线图:1、APWM-50A型脉冲袋式除尘机组电器原理图见附图三。
2、APWM-50A型脉冲袋式除尘机组端子图见附图四。
六、安装与调试1、安装(1)APWM型脉冲袋式除尘机组的安排顺序如下:(1)除尘器基础(2)底部钢结构(3)灰斗(4)箱体(5)输灰系统(7)清灰装置及其气包(8)压差系统(9)油漆(10)滤袋(11)袋笼。
(2)APWM型脉冲袋式除尘机组的安装需符合《袋式除尘器安装技术要求与验收规范》(JB/T8471-96)2、安装注意事项(1)安装前请先仔细阅读本说明书及提供的图纸资料,并按发货(箱、件)清单检查零部件的数量及质量,如有问题应及时处理或与我公司联系。
MC脉冲袋式除尘器使用说明书沧州重诺机械制造有限公司制作人:蔡闯MC脉冲袋式除尘器1、概述:MC脉冲袋式除尘器为侧开门结构,规格有24-120袋。
制作采用分段,工作人员现场组装,运输方便,组装简单能够确保安装质量。
MC脉冲袋式除尘器运行阻力小、除尘效率高、运行稳定、性能可靠、结构紧凑、占地面积小、维修方便、使用简单,可广泛应用于冶金、机械、化工、电力、建材等行业的除尘系统中。
2、工作原理、结构与喷吹系统(1)工作原理:含尘气体由进风口进入灰斗,其中粗颗粒的粉尘因风速降低直接沉降落入灰斗,细小粉尘随气流进入袋室,经过滤袋过滤后形成粉尘层附着在滤袋的外壁,净化后的气体进入净气室,经出风口排出。
随着过滤时间增加而积附在滤袋上的粉尘越来越多,增加滤袋阻力,可使处理风量逐渐减少。
为正常工作,要控制阻力在一定范围内(1200~1500Pa)必须对滤袋进行清灰,清灰时由脉冲控制仪按顺序触发各控制阀开启脉冲阀,气包内的压缩空气瞬时地经脉冲阀由喷吹管的喷吹孔高速喷出,同时诱导周边净气进入滤袋,滤袋瞬间急剧膨胀,使积附在滤袋表面的粉尘层脱落,滤袋恢复过滤能力。
脱落的粉尘落入灰斗,经过设定的时间定时由排灰阀排出。
如此使积附在滤袋上的粉尘周期地脉冲喷吹清灰,使净化气体正常通过,保证除尘系统运行。
(二)结构:MC系列除尘器由上箱体、灰斗,卸灰阀和喷吹清灰系统组成。
上箱体由花板分为袋室与净气室,净气室在上部包括出风口和顶部检修门;喷吹系统的喷吹管安装在净气室;滤袋安装在花板上,内部由滤袋框架支撑;灰斗由灰斗、进风口及检查门组成;喷吹系统包括控制阀、脉冲阀喷吹管、气包与控制仪表。
(三)喷吹系统:喷吹系统是脉冲袋式除尘器的关键部分,直接影响除尘器的运行。
此系统的运行由脉冲控制仪控制,脉冲控制仪无信号输出时,控制阀的排气口关闭,脉冲阀喷吹口处于关闭状态;当控制仪发出信号时,控制阀排气口被打开将脉冲阀背压室的气体泄掉,压力降低,膜片两面产生压差致使膜片产生位移将脉冲阀喷吹口打开,此时压缩空气从气包通过脉冲阀经喷吹管小孔喷吹进入滤袋(为一次风),同时诱导了数倍于一次风的周围空气(称二次风),造成滤袋内瞬间正压,滤袋膨胀抖动,使外壁的粉尘脱落实现清灰。
除尘器技术性能参数表除尘器本体分项价格表35T袋式除尘器型号LCDM84×2-6处理风量:105000m3/h过滤面积:2460m2滤袋数量:924只滤袋长度:130×6m耗钢量: 38T20T袋式除尘器型号LCDM84-7处理风量:65000m3/h过滤面积:1440m2滤袋数量:588只滤袋长度:130×6m耗钢量: 23T袋式除尘器型号HMC48脉冲袋式除尘器处理风量:2000m3/h过滤面积:36m2滤袋数量:48只滤袋长度:130×2m耗钢量: 1T1T袋式除尘器型号HMC64脉冲袋式除尘器处理风量:3000m3/h 过滤面积:50m2滤袋数量:64只滤袋长度:130×2m耗钢量:2T袋式除尘器型号HMC112脉冲袋式除尘器处理风量:6000m3/h 过滤面积:84m2滤袋数量:112只滤袋长度:130×耗钢量:3 T4T袋式除尘器型号PPC60-4脉冲袋式除尘器处理风量:12000m3/h 过滤面积:240m2滤袋数量:240只滤袋长度:130×耗钢量:6T袋式除尘器型号PPC64-5脉冲袋式除尘器处理风量:12000m3/h过滤面积:320m2滤袋数量:320只滤袋长度:130×耗钢量:8T袋式除尘器型号PPC64-6脉冲袋式除尘器处理风量:24000m3/h过滤面积:384m2滤袋数量:384只滤袋长度:130×耗钢量:10T袋式除尘器型号PPC64-8脉冲袋式除尘器处理风量:30000m3/h过滤面积:512m2滤袋数量:512只滤袋长度:130×耗钢量:12T袋式除尘器型号HCDM84-4低压脉冲袋式除尘器处理风量:36000m3/h 过滤面积:806m2滤袋数量:336只滤袋长度:130×6m耗钢量:。
气箱脉冲袋式除尘器(精)说明书江苏南自通华电气集团有限公司一、概述NBE-LQMC气箱脉冲袋式除尘器是吸收国外同类产品的技术优点,结合我国实情研制开发的新型高效袋式除尘设备,它集分室反吹和喷式脉冲袋式除尘器的优点为一体克服了分室反吹的清灰动能不足,喷吹脉冲的清灰与过滤同时进行的缺陷,扩大了袋式除尘设备的应用范围,有效地提高了气箱脉冲袋式除尘器的除尘效率及运行可靠性,延长了滤袋的使用寿命,降低了操作人员的劳动强度,成为企业保护环境的最佳伙伴。
NBE-LQMC气箱脉冲袋式除尘器正以其卓越的性能服务于铸造、冶金、机械、电力、建材、矿石、水泥、化工等各行业,为清除粉尘污染,维护企业良好形象尽心尽力。
二、产品特点1、适应高效浓度除尘。
2、采用离线清灰技术进行分室反吹脉冲清灰,既避免了在线式清灰产生的粉尘二次飞扬“再吸附”现象,又不影响设备运行工况的正常连续运行,提高了清灰效果,延长了滤袋使用寿命。
3、采用“滤袋自锁密封装置”专利技术,提高了设备与滤袋间的密封性,提高了除尘效率。
4、设备采用气箱式结构,从而降低了设备的局部阻损,并免除了安装滤袋不方便等问题。
5、电磁脉冲阀采用双膜片结构,具有控制灵敏,效率高,寿命长等优点三、设备结构NBE-LQMC型气箱脉冲袋式除尘器主要由底部钢结构、灰斗、上箱体、进出风口、滤袋、清灰装置、电气控制等几部分组成。
另外还可以根据实际情况在灰斗外壁配置仓壁振动器、灰斗落料口配置星形卸灰阀或螺旋输送机等卸灰装置。
四、工作原理1、过滤原理含尘气体由进风口进入,经过灰斗时,气体中部分大颗粒粉尘受惯性力作用被分离出来,直接落入灰斗底部。
含尘气体通过灰斗后进入中箱体的滤袋过滤区,气体穿过滤袋,粉尘被阻留在滤袋外表面。
净化后的气体经滤袋口进入上箱体后,再由出风口排出。
2、清灰原理随着过滤时间的延长,滤袋上的粉尘层不断积厚,除尘设备的阻力不断上升,当设备阻力上升到设定值时,清灰装置开始进行清灰首先,一个分室提升阀关闭,将过滤气体截断,然后电磁脉冲阀开启,压缩空气以极短促膝谈心的时间在上箱体内迅速膨胀,将涌入滤袋外表面上的粉尘被剥离落入灰斗中。
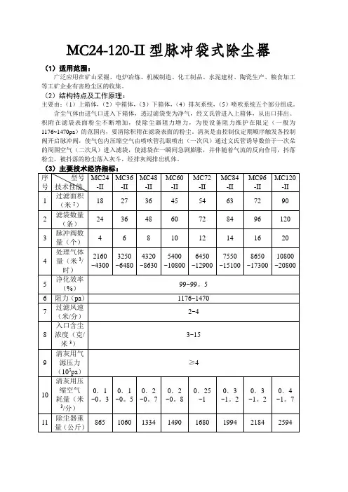
MC24-120-II型脉冲袋式除尘器
(1)适用范围:
广泛应用在矿山采掘、电炉冶炼、机械制造、化工制品、水泥建材、陶瓷生产、粮食加工等工矿企业有害粉尘区的收集。
(2)结构特点及工作原理:
主要由:(1)上箱体,(2)中箱体,(3)下箱体,(4)排灰系统,(5)喷吹系统五个部分组成。
含尘气体由进气口进入下箱体,透过滤袋变为净气,经文氏管进入上箱体,从出口排出。
积附在滤袋表面粉尘不断增加,使除尘器阻力增力,为使设备阻力维护在限定(一般为1176~1470pa)的范围内,要清除积附在滤袋表面的粉尘。
清灰是由控制仪定期顺序触发各控制阀开启脉冲阀,使气包内压缩空气由喷吹管孔眼喷出(一次风)通过文氏管诱导数倍于一次朵的周围空气(二次风)进入滤袋,使滤袋在一瞬间急剧膨胀,并伴随着气流的反向作用,抖落粉尘,被抖落的粉尘落入灰斗,经排灰阀排出机体。
脉冲袋式除尘器的工作原理和相关信息客户一般在选择脉冲袋式除尘器时,都不知道该怎么选择,那么怎样选择好的脉冲除尘器呢?科翰环保小编建议重点看除尘器效率、烟尘排放浓度,出口冒灰和粉尘排放量等因素来判断。
当然我们还是先要了解下脉冲除尘器的原理脉冲除尘器的工作原理是怎样的当除尘器设备使用运行一段时间后,除尘滤袋都会将附着很多的粉尘颗粒,由于负压的原因,这些附着粉尘是很难自行脱落。
脉冲的作用就是将这些附着在滤袋上的粉尘打掉。
其原理是这样,压缩空气在储能器里集聚一定的气体,然后脉冲阀将这些气体以最快的速度喷射到滤筒里,产生强大的瞬间振动力,将粉尘从滤筒表面震动下去。
脉冲除尘器除尘性能的测定首先,需要了解的是新装的脉冲除尘器布袋孔隙比较大,刚开始使用时粉尘通过率高,粉尘排放量比较大。
随着过滤的进行,粉尘在脉冲除尘布袋的外表面堆积形成粉尘层,使脉冲除尘器布袋外表面的孔隙变小,除尘效率提高,尘滤尘的作用可以去除微细粉尘百分之九十九以上。
因此测定除尘器维修的除尘效率在连续使用一个月后进行更为准确。
检查脉冲除尘器布袋的安装是否正确通常脉冲除尘器是依靠缝制于除尘布袋口的弹性涨圈将除尘布袋嵌压在花板孔内,通过花板将中箱体尘气室与上箱体净气室严格的区分。
如果脉冲除尘器布袋口的弹性胀圈未能与花板孔完全密合,出现了缝隙,就会导致含尘气流直接进入净气室,排气筒出口冒灰。
可以逐一检查除尘布袋口的安装情况,发现缝隙的要压紧密封。
在除尘器的安装过程中,除尘布袋的安装质量是监督检查的重点之一。
炼铁厂对除尘布袋的安装进行了改进优化:在每个花板孔上方焊接1个套圈,套圈高度为30mm且与花板孔同心,将缝制于除尘布袋口的单层弹性胀圈紧贴套圈内壁安装,不但保证了除尘布袋的安装高度平整、密封,而且使除尘布袋的安装、拆卸更为简捷。
除尘布袋破损将导致含尘气流直接外排对于离线清灰的大型除尘器,可以采用以下方法确定破袋的位置:用手动操作方式逐个仓室进行清灰,每次关闭1个仓室的出气阀,注意观察排气筒出口,当有破袋的仓室停止过滤时,排气筒出口就不再冒灰,据此可确定哪个仓室出现破袋。
脉冲袋式除尘器结构及原理脉冲袋式除尘器是一种常见的空气净化设备,广泛应用于工业领域,能够有效地去除粉尘和其他有害物质,确保生产环境的清洁和健康。
本文将介绍脉冲袋式除尘器的结构及工作原理,供读者参考。
一、结构组成脉冲袋式除尘器的结构主要由箱体、滤袋组和脉冲清灰系统组成。
1. 箱体箱体是脉冲袋式除尘器的主体,由钢板焊接而成。
内部一般分为两个区域:过滤区和压缩区。
箱体上部设有进气口,下部设有出气口,进出口一般为圆形或方形,也可以根据需要设计成其他形状。
2. 滤袋组滤袋组是脉冲袋式除尘器的核心部件,由许多滤袋组成,通常使用的滤袋是由化纤材料制成的,表面涂有聚四氟乙烯膜。
滤袋在设备内部排列成一列,袋子底部固定在滤袋架上,顶部固定在悬挂架上。
滤袋的数量和长度可根据需要进行设计。
3. 脉冲清灰系统脉冲清灰系统是脉冲袋式除尘器的重要组成部分,它由电磁阀、压缩气源和集控器等组件构成。
脉冲清灰的原理是先在喷嘴附近形成突然的超声波振动,使附着在滤袋上的尘粒松动,然后通过压缩空气将尘粒喷出,达到除尘的效果。
二、工作原理脉冲袋式除尘器的工作原理是利用滤袋的过滤作用和脉冲清灰系统的喷吹作用,将空气中的灰尘和有害气体分离和过滤掉,使其排放出去的空气符合国家环保标准。
其工作流程如下:空气通过进口进入脉冲袋式除尘器的箱体,进入过滤区,经过滤袋过滤后,进入压缩区。
通过进入过滤区的气体,在滤袋的表面形成一个薄的滤层,超过滤层有效物质的气体通过滤袋成分离并排放到大气中。
3. 喷吹除尘滤袋在过滤一定时间后,过完滤固定时间即时断气,打开喷嘴,将压缩气体喷入滤袋中,使收集在袋壁上的灰尘震落,跟随气流入灰斗,最后被收集回收利用。
4. 出口排放经过滤网过滤后的空气进入压缩区,在脉冲清灰系统的辅助下,进一步清洁后排放到大气中。
脉冲袋式除尘器是一种高效、可靠的空气净化设备,具有结构简单、操作方便、过滤效果好和维护费用低等优点,广泛应用于炼油、化工、电子、冶金、制药、食品等行业。
脉冲袋式除尘器工作原理
脉冲袋式除尘器是一种常用的空气净化设备,其工作原理如下:
1. 原理概述:脉冲袋式除尘器通过气体流动的力学原理和滤料的物理作用,将气体中的颗粒物捕集下来,从而使气体得到净化。
2. 过滤阶段:气体首先进入除尘器的过滤室内。
过滤室内设置有大量垂直悬挂的滤料袋,气体透过滤料袋时,颗粒物会被滤料捕集。
3. 预处理阶段:气体中的大颗粒物会因重力作用下沉至底部的灰斗中,通过定期清理灰斗可将这些颗粒物排除。
4. 脉冲清灰阶段:随着时间的推移,滤料袋的表面逐渐被颗粒物堆积,从而增加了气体通过滤料袋的阻力。
为了保持过滤室内的气体流通畅,需要对滤料进行清灰操作。
5. 清灰过程:脉冲除尘器通过压缩空气或其它气体将滤料袋内的堆积颗粒物吹落。
清灰时,先关闭气体进口,然后由脉冲控制器发出指令,使清灰阀依次打开,气体经过喷吹管进入袋内,产生强烈的冲击力,将附着在滤料表面的颗粒物震落。
6. 颗粒物处理:经过清灰后的颗粒物,会落至底部的灰斗中。
定期清理灰斗可将颗粒物排出。
7. 净化气体排放:经过滤料的净化后,气体通过出口排放到大
气中,达到净化的目的。
需要注意的是,脉冲袋式除尘器的工作原理可能会因具体的型号和设计差异而有所不同,上述原理为一般情况下的工作原理。
DMC-24-120-Ⅱ系列脉冲喷吹袋式除尘器说明书鹤壁市兴隆环保矿山设备厂目录一、概述二、设计特点三、结构及工作原理四、技术特性五、技术规格与选型六、安装与维护七、订货须知八、附图DMC-24-120-Ⅱ型脉冲喷吹袋式除尘器1、概述采矿选洗准备与物料输送转载储放是矿业初级产品实现必不可少的重要环节。
煤炭采挖、破碎分级、洗选制粉以及输送转载和物料储放过程中粉尘的无组织排放就非常典型。
它是矿山冶金、煤炭化工、热力发电、水泥耐材、建筑陶瓷等行业工业大气污染的主要源头。
对其过程中各物料粉尘污染点进行必要的通风除尘或物料收集治理,对保护环境、节能减排、洁净生产都有着非常重要的意义。
在多年与北京煤炭设计研究院合作进行大气污染治理实践中,为适应现场与工况要求,我厂在对原有MC-I型脉冲喷吹袋式除尘器基础上进行了多次改进,正式命名为DMC-24-120-Ⅱ型脉冲喷吹袋式除尘器。
2、设计特点2.1 喷吹管上安装引射喷嘴和双膜片脉冲阀及快速拆卸的杈管;2.2 靠自重及箱体负压保持密封的上揭盖,选用密封好可快速抽拉换袋安装的袋口装置;2.3 出风口有在同水平高度三种选择方式,同进风口可上(Ⅱ)、下(Ⅰ)设置以利方便布置选择。
2.4 采用高抗干扰的可编程序控制PLC电路,对除尘器运行、喷吹清灰、卸灰实行全过程自动控制;2.5 DMC-24-120-Ⅱ脉冲喷吹袋式除尘器可依据以上行业现场环境和气体性质、风量大小进行组合(Z)或非标(F)设计。
3、结构及工作原理3.1 结构DMC-24-120-Ⅱ型脉冲喷吹袋式除尘器由进风口、过滤室(滤袋、滤袋框架)、清洁室(脉冲喷吹装置)、出风口、风机、灰斗(气流分布装置)和螺旋输送机或叶轮卸料器、爬梯检修平台、护栏、电气控制等组成。
进口(上、下)、出口(上)方向位置,可据现场设计需要灵活选择。
3.2 工作原理含尘气体在风机负压牵下自箱体上(或下部)的进风口进入除尘器,经滤袋过滤后至清洁室从出风口经系统风机排入大气。
脉冲除尘器技术参数表格(总3页)-CAL-FENGHAI.-(YICAI)-Company One1-CAL-本页仅作为文档封面,使用请直接删除脉冲除尘器技术参数表格脉冲除尘器是在袋式除尘器的基础上改进的新型高效脉冲除尘器,综合了分室反吹各种脉冲喷吹除尘器的优点,克服了分室清灰强度不够,进出风分布不均等缺点,扩大了应用范围。
脉冲布袋除尘器的型号种类很多,有MC-II型,PPC气箱脉冲除尘器,DMC 脉冲除尘器等常用型号,这些型号的确定是根据各行业的实际应用情况来进行确定的,广西贵港通达环保提供技术参数表参考。
MC-Ⅱ型脉冲布袋除尘器技术性能参数:PPC气箱脉冲布袋除尘器详细技术参数:型号DMC-32 DMC-48 DMC-64 DMC-80 DMC-96 DMC-112 技术参数处理风量(m3/h)1500-2100 2100-3200 2900-4300 4000-6000 5200-7000 6000-9000 总过滤面积(m2)24 36 48 60 72 84过滤风速(m/min)1.0-1.5 1.0-1.5 1.0-1.7 1.2-1.7 1.2-1.7 1.2-1.8滤袋数量(条)32 48 64 80 96 112设备阻力(Pa) ≤1200入口粉尘浓度(g/m3)<200出口排放浓度(mg/m3) ≤50DMC型系列单机脉冲除尘器具有设计结构简单,除尘效率高,造价低等特点。
其中,DMC-48单机脉冲除尘器规格暂时有六个规格,每种规格又可分为标准带灰斗式A型和敞开法兰式(无灰斗)B型二种。
其结构主要由过滤室、滤袋、净气室、灰斗、卸灰阀、脉冲喷吹装置、电控箱等组成,箱体全部采用焊接结构,检修门用泡沫橡胶条密封,保证除尘器严密不漏风。