X80管线钢配套焊条CHE657GX的研制
- 格式:pdf
- 大小:1.42 MB
- 文档页数:4
分析探讨HTP工艺试制高铌X80管线钢的组织性能研究黄一新(南京钢铁联合有限公司)摘 要对南钢试制的低碳、高铌、不添加钼成分的高温轧制(HTP)的X80管线钢钢板的性能进行了分析,针对其显微组织特点进行了详细的观察和研究,并对D WTT断口形貌、夹杂物以及第二相粒子的成分、尺寸及分布进行了分析,证实了采用HTP工艺技术生产的管线钢板完全能够达到X80的现行技术标准要求。
关键词:管线钢 HTP工艺 性能 显微组织Resea rch on M i c rostr ucture and Proper ties of H igh Nb X80P ipeli n e SteelTr i a l2produced by HTP Techn ologyHuang Y i x i n(N a n ji ng Ir on a nd Steel Co.L td.)Ab stra ct:The pape r ana l yzes mechanical p ro pe rtie s of X80p i peline st ee l pla t e tria l-p r oduced by high2tempera ture rolling p r o2 cessing(HTP)with the chem ical co mposition of l o w2carbon,high ni obiu m and with out mol ybdenu m.T he observa ti on and in2 vestigati on focus on the characte risti c s of m icrostruc tures in de t a il,as we ll as t he morphol ogy of DWTT fracture,inc lusi ons and prec i p itati ons.As is sh own in the re s ults,the p r ope rties of X80p i pe line steel p late m ade by HTP technol ogy can all s a tisfyw ith the requirements of p revailing app licable technical standard.The compositi on syst em of l o w2ca rbon,high niobiu m and without molybdenu m can conside rably reduce the costs,thus,p i pe line steel produced by this way will be more co mpe titive.Keywor ds:p i peline steel;HTP;prope rty;m i c rostruc ture 采用管线输送石油天然气具有高效、经济、安全、无污染等特点,被认为是长距离输送油气的有效方式。
X80管线钢合金化设计及制管工艺研究本文对X80管线钢的合金化设计及原始显微组织进行了研究分析,并阐述了目前X80管线钢主要制管工艺的过程及原理,分析了不同管坯成形方法对材料原始性能的影响。
研究表明,X80管线钢中最主要的强化元素为Mn,同时添加Nb、Ti、V等合金微量元素,使显微组织主要为针状铁素体,具有高强度和高韧性;UOE成形和JCOE成形的X80管线钢钢管内均存在较为复杂的应力分布,而UOE成形相比JCOE成形的管坯残余应力小,分布更均匀。
标签:X80管线钢;合金化;UOE成形;JCOE成形0 引言随着生产生活对油气资源需求量的不断增加,油气管道的输送正朝着增大压力和管径的方向发展。
如今的管道建设主要以大压力、长距离、大管径输送为特征[1],因此如何长距离安全高效的运输油气,已经成为当今科学研究的一个重要课题。
大口径、长距离的高压输送管线具有运量大、安全可靠、成本低等优势,因而使用高等级、大壁厚管线用钢呈现出越来越强的发展态势[2]。
20世纪60年代以来,高强度管线钢已逐渐在世界各国的油气运输中得到使用。
近年来以X70级管线钢为主,但随着X80级管线钢的大规模应用,X80级管线钢已逐渐成为目前高压输送天然气管线的首选钢级。
1 X80级管线钢的合金化一般情况下,提高钢材的强度会损害材料的韧性,而细化晶粒可以在提高强度的同时不损害韧性。
通过第二相粒子的弥散分布,可以阻止晶粒长大而使晶粒细化,也可以通过添加合金元素的方法获得细化的晶粒[3]。
X80级管线钢是通过优先获得最大程度的晶粒细化,并平衡不同机制的贡献,使脆性转变温度降低和强度提高。
因此,X80管线钢中的微合金元素的选择及有害元素含量的控制就显得尤为重要。
由表1-1可以看出,C含量小于0.06%,Mn含量在1.5~2.0%之间。
虽然C 是钢中最经济、最基本的强化元素,但提高C含量会降低钢的延展性和韧性,同时对管道的焊接具有负面影响。
因此,降低C含量有助于提高钢的延韧性,改善钢的焊接性能。
X80管线钢焊接粗晶区韧化因素的研究Research on Influencing Factor of Impact Toughness inCoarse Grain Heat2affected Zonefor X80Pipeline Steel陈翠欣1,2,李午申1,王庆鹏1,冯 斌3,刘方明3,薛振奎3(1天津大学材料学院,天津300072;2河北工业大学材料学院,天津300130;3中国石油天然气集团管道科学研究院,河北廊坊065000)CH EN Cui2xin1,2,L I Wu2shen1,WAN G Qing2peng1,FEN G Bin3,L IU Fang2ming3,XU E Zhen2kui3 (1School of Materials Science and Engineering,Tianjin U niversity,Tianjin300072,China;2School of Materials Science and Engineering,Hebei U niversity of Technology,Tianjin300130,China;3Research Instit ute of Pipeline,China NationalPet roleum Corporation,Langfang065000,Hebei,China)摘要:采用热模拟技术研究了不同热循环对X80管线钢焊接粗晶区低温冲击韧度的影响。
实验结果表明,随着冷却时间t8/5的增加,第二相粒子的数量减少且出现聚集现象,晶粒尺寸增加,但是当t8/5小于6.8s时,粒状贝氏体含量较高,板条束贝氏体细小且方向性较弱,试样的冲击韧性较高;而当t8/5超过6.8s后,粒状贝氏体含量逐渐下降,板条贝氏体逐渐粗大、平行,试样韧性又逐渐降低。
M2A组元由于其含量低,尺寸小,对韧性的影响不显著。
因此为提高焊接粗晶区的韧性,应采用小线能量和合适的预热温度来控制晶粒尺寸和组织形态。
X80钢的焊接工艺及实验大纲一、X80钢管的焊接性1、主要化学成分百分比以及焊接性的分析: 元素 C Mn S P Si Nb V Ti 成分 0.09 1.85 0.022 0.005 0.42 0.08 0.06 0.025 元素 Al N Cu Cr Mo Ni —— —— 成分 0,06 0.008 0.3 0.45 0.35 0.5 —— ——Ceq=C+Mn/6+(Cr+Mo+V)/5+(Cu+Ni )/15 =0.43Pcm=C+Si/30+(Mn+Cu+Cr)/20+Ni/60+Mo/15+V/10+5B =0.23碳当量处于0.40——0.60之间并且小于0.45所以X80钢焊接性能良好。
并且抗裂性优越所以一般在环境温度为5℃以上时不用焊前加热。
二、焊接工艺流程简介与分析1、焊接方法的选择:采用GMAW 焊接方法,内焊机打底,外焊机热焊、填充盖面,5G 向下焊工艺。
2、焊接电源的选择:目前试焊阶段采用林肯DC ——400或者CH-500 Pro 逆变焊接电源。
3、焊材的选择:ARC-81Ni1M 金属粉芯焊丝,打底焊接用φ1.0mm 焊丝;热焊、填充、盖面用φ1.2mm 焊丝。
注:焊接材料一定经过严格厂家的检测,要符合国际标准。
应该让厂家提供其先关的性能和化学成以及质量分析报告。
4、坡口形式的选择:采用“U ”“V ”复合型坡口焊接。
虽然加工要比V 型坡口难度大,但是出于焊接变形应力、焊材填充量、焊缝内部成型质量方面的考虑我们采用此种坡口。
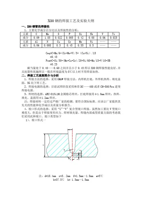
坡口类型如下 1)、坡口形式一Rfahbd注:d=18.4mm r=3..2mm f=1.5mm —1.8mm a=5℃b=37.5℃ h= 1.3mm —1.5mm坡口分析:此种坡口根部半径为3.2mm 比较大,可在热焊时能够增加焊接的 榕深,保证热焊与跟焊的熔透,但是焊材的填充量可能会稍有点大。
2)、坡口形式二Rfahbd注:d=18.4mm r=2.4mm f=1.5mm —1.8mm a=5℃b=37.5℃ h= 1.3mm —1.5mm坡口分析:此种坡口可减少焊材的填充量,但是根部半径和内坡口角度小,可能会导致跟焊与热焊未熔透。
162浅析X80管线钢性能特征及技术挑战张 纯(南京钢铁股份有限公司,江苏 南京 210035)摘 要:随着国民经济的发展,各类高性能的钢材料得到了进一步的研究和应用。
其中,X80管线钢是当前应用最为广泛的高强度管线钢之一,经过特定的工艺处理后,可以满足大管径、高压力环境下对管线钢的要求。
因此,本文首先从冶金技术、冶金特征、焊接工艺等方面分析了X80管线钢的性能特征,进而针对腐蚀、氢致开裂、应变失效、焊缝区失效等几种服役失效类型进行了研究,以此为基础,探讨了发展X80管线钢的技术挑战,以为我国经济的可持续发展提供技术方面的保障。
关键词:X80管线钢;性能特征;技术挑战中图分类号:TE973 文献标识码:A 文章编号:11-5004(2020)03-0162-2收稿日期:2020-03作者简介:张纯,女,生于1987年、江苏南京人,本科,工程师,研究方向:中厚板轧制优化。
近年来,随着改革开放的逐步深入,我国经济获得了飞速的发展,工业生产过程中需要用到更多高性能的钢材料。
尤其是在油气运输中,管道是最为安全、可靠的运输方式之一。
为了进一步满足工业生产的需要,就要不断提升油气运输的能力,因此,能够适应油气管道性能要求的高强度管线钢得到了更加深入的研究和应用。
其中,X80管线钢是当前应用最为广泛的高强度钢材料之一,其主要是通过合金化工艺生产得来,通过近些年的研究发现,在材料中添加少量合金元素后,可以进一步提高钢材的强度与韧性,从而可以充分满足管道运输的需要。
1 X80管线钢的性能特征提高钢材料的强度,不仅能够提高管道的操作压力进而扩大运输量,还能降低管道厚度,有效控制生产成本,这必然推动了高强管线钢的持续研发与生产。
下面对X80管线钢的性能特征展开论述。
1.1 冶金技术(1)合金化处理。
实践表明,X80管线钢有着高度细化晶粒、高清洁度的特征,组成成分中的硫含量比较低,氧化物等有害物质含量也比较少,包含极少量的碳以及铌、钒等元素。
X80管线钢调质处理工艺分析研究发表时间:2018-05-28T15:25:01.153Z 来源:《建筑学研究前沿》2017年第35期作者:董少然1 张学伟2 康春雨1[导读] 通过在热模拟机上模拟X80管线钢热处理工艺,研究了不同加热温度和不同冷却速度对X80管线钢微观组织和性能的影响。
1.中国核电工程有限公司北京 100840;2.中国航天空气动力技术研究院北京 100074摘要:通过在热模拟机上模拟X80管线钢热处理工艺,研究了不同加热温度和不同冷却速度对X80管线钢微观组织和性能的影响。
试验结果表明,X80管线钢在990℃的加热温度和25℃/s的冷却速度下可获得理想的组织结构和良好的强韧匹配,具有较佳的综合组织性能。
关键词:X80管线钢;调质;加热温度;冷却速度;微观组织;力学性能1 X80管线钢的性能要求作为高钢级管线钢管,X80管线钢降低了钢管自重,减少了野外焊接工作量,节约了管线工程建设成本。
但X80 管线钢有着较高力学性能要求。
它在提高屈服强度的同时,应尽量降低卷板的韧脆转变温度、提高冲击韧性。
传统的细晶强化虽可提高强韧性,但其强化效果仍不足以满足要求。
如何通过合适的调质处理工艺,来获得良好综合性能的管材是工艺人员仍致力的课题。
本文主要通过在热模拟实验机上模拟热处理过程,经过高温回火处理,获得各种热处理工艺方案下的组织,通过试验分析,最终确定合理的加热温度和冷却速度等工艺条件。
2实验材料和方法本试验所用材料为X80管线钢,其主要化学成分有:C,0.09;Si,0.2;Mn,1.51;Cr,0,03;Mo,0.16;Ni,0.22;Cu,0.15;Al,0.03;N,0.004;Ti,0.01;V,0.03;Nb,0.06。
用热模拟试验机进行加热温度的和冷却速度的热模拟试验,分别研究加热温度和冷却速度对X80材料组织和性能的影响。
具体热模拟方案为:取12个试样,设置不同加热温度(930、960、990、1020℃)和不同冷却速度(5、15、25℃/s),组合形成12种热处理工艺,保温温度均为60s,进行模拟淬火热处理,随后进行温度为550℃、保温时间为2小时的高温回火。
临界区加速冷却法获取大变形管线钢组织-性能研究0引言天然气管道发展的一个重要趋势是采用大口径高压输送及选用高钢级管材。
采用高压输送和高钢级管材,可大幅度节约管道成本。
20世纪50~60年代最高压力为6.3MPa,70~80年代为10MPa,90年代已达14MPa。
目前输气管道的设计和运行压力已达15 MPa到20 MPa,有些管道甚至考虑采用更高的压力。
随着管道输送压力的不断提高,管线钢管也迅速向高钢级发展。
60年代一般采用X52钢级,70年代普遍采用X60~X65钢级,近年来以X70为主[1],X80也是一种性能优良的管线钢品种,X80管线钢在1985年由德国Mannesmann钢管公司研制成功,并铺设了3.2km的试验管道,1992~1993年又用这种定名为GRS550的X80钢材在德国鲁尔区铺设了管径为1220mm,壁厚为18.3mm和19.4mm,长度为250km的鲁尔天然气输送管道,输送压力为10MPa,,这一管道至今运行情况正常[2]。
目前从世界范围来看,其应用技术虽已基本成熟,但全世界X80管线钢管的应用仅2000公里左右,我国完成X70管线钢管的大规模工程应用和冀宁联络线7.7公里的X80的试验段工程应用的时间也不长,高钢级管线钢应用技术尚未完全成熟,要想成功地进行X80管线钢管的大规模工程应用,有许多技术难题需要研究解决。
今年来我国油气管道特别是天然气管道建设进入了一个新的高峰期。
管道材质和管型选用关系到管道的经济与安全。
西气东输管道选用高钢级(X70)、大口径(1016mm)、高压(10MPa)输送,在保证管道安全的同时,显著提高了管道建设的经济效益,也提升了我国管道建设的整体水平。
中国石油科技发展部近年来组织有关单位开展了多项X80管线钢管的应用基础研究与技术开发,取得了很好的研究成果。
科技管理部对于X80管线钢管的研究开发和应用起到了重要的推动作用,但管道界还有部分工程技术人员和管理人员对于X80管线钢管德工程应用有很多疑虑,如国际上X80管线钢管的研究和应用情况究竟如何,X80是否成熟;国内X80管线钢管的质量情况究竟如何,是否过关;使用X80是否安全;配套技术问题是否解决等等[3]。