X80管线钢焊接裂纹产生原因及应对措施
- 格式:doc
- 大小:14.50 KB
- 文档页数:3
焊接裂纹的分析与处理焊接裂纹是焊接过程中常见的缺陷之一,它会降低焊接接头的强度和韧性,影响焊接工件的使用性能。
因此,对于焊接裂纹的分析和处理具有重要意义。
本文将从焊接裂纹的成因、检测方法、分析原因以及处理方法等方面进行综合讨论。
首先,焊接裂纹的成因可以归纳为以下几个方面:1.焊接材料的选择不当:焊接底材和填料材料的化学成分或力学性能不匹配,导致焊接接头受到内应力的影响而产生裂纹。
2.焊接过程中的温度变化:焊接过程中,由于热影响区的温度变化不均匀,会产生焊接接头内部的残余应力,从而造成裂纹。
3.焊接过程中的应力集中:焊接过程中,焊接接头处于高应力状态,如角焊接、搭接焊接等,容易造成应力集中,进而引发裂纹。
4.焊接过程中的焊接变形:焊接过程中,由于热变形和收缩的不均匀性,焊接接头可能会受到大的应力而产生裂纹。
其次,对焊接裂纹的检测方法有以下几种:1.可视检测法:用肉眼观察焊接接头表面是否有裂纹存在。
这种方法简单直观,但只能检测到较大的裂纹。
2.超声波检测法:通过超声波探测仪将超声波传递到焊接接头内部,根据超声波的传播和反射来判断是否存在裂纹。
这种方法可以检测到较小的裂纹,并且可以定量评估裂纹的大小和位置。
3.X射线检测法:通过X射线透射和X射线照相来检测焊接接头内部的裂纹。
这种方法可以检测到较小的裂纹,并且可以清晰地显示裂纹的形状和位置。
4.磁粉检测法:在焊接接头表面涂覆磁粉,通过观察磁粉的分布情况来判断是否存在裂纹。
这种方法适用于表面裂纹的检测。
然后,对焊接裂纹的分析原因可以采取以下步骤:1.裂纹形态分析:观察裂纹的形态,包括长度、宽度、走向等,可以初步判断裂纹的类型和可能的成因。
2.组织分析:通过金相显微镜观察焊接接头的组织结构,判断是否存在组织非均匀性或显微缺陷等。
3.应力分析:通过有限元分析或应力测试仪器测量焊接接头的应力分布,查找可能存在的应力集中区域。
4.化学成分分析:通过光谱分析或化学分析方法来检测焊接材料中的化学成分是否合格。
建筑钢结构焊接裂纹的产生机理及防止措施钢结构作为建筑工程中重要的材料之一,广泛应用于不同类型的建筑物中。
然而,在钢结构的生产和施工过程中,焊接裂纹是一个常见的问题,会导致结构的强度和稳定性受到影响,甚至可能引发严重的事故。
因此,了解钢结构焊接裂纹的产生机理,采取防止措施,对于保障钢结构的安全性和可靠性具有重要意义。
钢结构焊接裂纹的产生机理主要有以下几个方面:
1. 材料缺陷:焊接过程中,如果钢材本身就存在缺陷,比如孔洞、气孔、裂纹等,容易在焊接过程中扩大,形成焊接裂纹。
2. 焊接过程中的热应力:钢材在焊接过程中会受到热应力的影响,会产生变形和应力集中的问题。
如果应力集中过于严重,就会导致焊接裂纹的产生。
3. 焊接参数不当:焊接参数的选择不当,比如电流、电压、焊接速度等不合理,容易导致焊接温度不均匀,从而引发焊接裂纹。
为了防止钢结构焊接裂纹的产生,可以采取以下措施:
1. 选择质量好的材料:在选材的过程中,应选择质量好的钢材,尽可能避免存在缺陷的材料被用于焊接。
2. 确定合理的焊接参数:在焊接过程中,应根据钢材的材质和焊接方式确定合理的焊接参数,保证焊接温度均匀,减少应力集中的问题。
3. 采用预热和后热处理技术:在焊接前进行预热,可以减少焊接过程中的热应力,从而避免焊接裂纹的产生。
在焊接后进行后热处
理,可以降低残余应力,进一步保证结构的稳定性和安全性。
总之,了解钢结构焊接裂纹的产生机理,采取有效的防止措施,对于确保建筑物整体的安全性和可靠性具有重要意义。
钢结构焊接裂缝的处理原则一、引言钢结构是现代建筑中常用的一种结构形式,其具有强度高、稳定性好等优点,然而在使用过程中,钢结构焊接裂缝的出现会给结构的安全性带来威胁。
因此,处理钢结构焊接裂缝是保障建筑安全的重要措施。
二、钢结构焊接裂缝的成因1. 温度应力:在焊接过程中,由于热量的作用,导致材料发生热胀冷缩现象,从而产生温度应力。
2. 内应力:焊接后材料内部会产生不均匀的应力分布,从而导致内应力。
3. 残余应力:焊接完成后,由于材料收缩不均匀等原因导致残余应力。
三、钢结构焊接裂缝的分类1. 焊缝裂缝:在焊接连接处出现的裂纹。
2. 热影响区裂纹:在热影响区域内出现的裂纹。
3. 内部裂纹:在钢材内部出现的裂纹。
四、处理原则1. 预防为主:采取一系列措施,如合理设计、选用合适的焊接方法和材料等,尽可能减少焊接裂缝的产生。
2. 检测及时:对钢结构进行定期检测,及时发现裂缝并采取措施处理。
3. 选择合适的处理方法:根据裂缝的性质和严重程度选择合适的处理方法,如局部加强、补焊、切割等。
4. 严格执行操作规程:在处理过程中,严格按照操作规程进行操作,确保安全可靠。
五、处理方法1. 局部加强:在裂纹处加装钢板或角钢等加强材料,以增加结构的承载能力。
2. 补焊:对于轻微裂纹可采用补焊方法进行处理。
但要注意补焊后应经过检测确认无裂纹后方可使用。
3. 切割更换:对于严重裂纹或无法修复的情况,需采用切割更换的方式进行处理。
六、结论钢结构焊接裂缝是建筑安全中需要关注和解决的问题。
从预防为主出发,在建筑设计和施工中尽可能减少其产生,同时对已经出现的裂缝及时进行检测和处理,选择合适的处理方法,确保建筑结构的安全可靠。
焊接裂纹产生的原因及预防措施摘要裂纹是焊接结构最危险的一种缺陷,不仅会使产品报废,而且还可能引起严重的事故。
所以如何避免裂纹的产生是保证焊接质量的关键。
本文着重从焊接裂纹形成原因,影响裂纹生成的因素以及防止措施三方面进行探讨。
关键词热裂纹;冷裂纹;产生原因;预防措施0引言在焊接应力及其他致脆因素的作用下,焊接接头中局部区域因开裂而产生的缝隙称为焊接裂纹。
在焊接生产中出现的裂纹形式是多种多样的,根据裂纹产生的情况,可把焊接裂纹归纳为热裂纹、冷裂纹、再热裂纹和层状撕裂。
下面主要讨论较为常见的热裂纹和冷裂纹。
1热裂纹热裂纹是高温下在焊缝金属和焊缝热影响区中产生的一种沿晶裂纹。
热裂纹产生的原因焊接是一个局部加热的过程,液体由液态向固态转变的过程需要放热,体积缩小,焊缝金属凝固后,在冷却过程中处于放热状态,因此体积收缩。
但焊缝周围金属性能稳定,焊缝金属的收缩受到阻碍,因而使焊缝受到拉力作用。
在焊缝开始凝固、结晶时,液体流动性较小,因此产生的拉应力不会引起裂纹。
此时的液体金属可以在晶粒间自由流动,因而拉应力造成的晶粒间隙能被液体金属填满。
当温度继续下降时,柱状晶体继续生长,拉应力也逐渐增长。
之所以焊缝中的共晶体被柱状晶体推向晶界,聚集在晶界上,是因为焊缝中低熔共晶体的熔点比较低,凝固的时间晚。
在焊缝金属基本上都凝固时,小部分低熔点的金属还未完全凝固,在晶界上形成了一种“液体夹层”,拉应力在此时已经变的比较大了,然而液体金属本身强度很小,这大大减弱了晶粒间的结合。
在拉应力的作用下,柱状晶体之间的间隙被增大,低熔点液体金属这时填充不了被增大的空隙,因此产生了裂纹。
1.1由此可见,拉应力是产生热裂纹的外因,晶界上的低熔点共晶体是产生热裂纹的内因,拉应力作用在低熔点共晶体处的晶界上而造成裂纹。
1.2影响生成热裂纹的因素1)合金元素的影响。
合金元素是影响热裂纹倾向最根本的因素,其中主要有以下几个:硫:硫在钢中能形成多种低熔点共晶体,同铁会形成FeS,FeS与铁以及FeS与FeO会形成低于钢熔点的共晶体,它们在焊缝结晶时聚集在晶界上,当焊缝金属大部分已凝固时,它尚未凝固,形成液态薄膜,因而增大热裂纹倾向。
浅谈焊接裂纹的产生原因和防止措施摘要:对焊接裂纹产生原因分析的基础上,采用可行的焊接工艺和有效的防止措施。
关键词:焊接裂纹分析焊接工艺防止措施前言焊接是现代工业生产中最重要的加工工艺之一,它已广泛应用于制造和修理各种结构和设备。
焊接作为一种降低成本、提高生产效率的有效手段,用它不仅可以得到优质、可靠的工件,而且可以创制出原则上完全新颖的产品。
大如航空航天和核动力装置,小至微电子以及超精器件,如果没有焊接技术,很难想像将会遇到多少困难,甚至无法制造出来。
因此完全可以说,没有焊接就没有今天这样的现代工业,焊接为今天这样的现代文明起到了它应有的作用。
随着现代工业的发展,在焊接结构方面都趋向大型化,大容量和高参数的方向发展。
有的还在低温、深冷、腐蚀介质等环境下工作,因此各种低合金高强钢,中、高合金钢,超高强钢,以及各种合金材料应用的日益广泛。
但是随着这些钢种和合金材料的应用,在焊接生产上带来了许多新的问题,其中较为普遍而又十分严重的就是焊接裂纹。
常见的焊接裂纹根据生成时的温度,可分成热裂纹、冷裂纹和再热裂纹等几类。
焊接结构中,焊接裂纹以冷裂纹最为常见,其次为热裂纹,本次论文主要阐述冷裂纹的产生机理和防止措施。
一、焊接冷裂纹冷裂纹是指焊接接头冷却到较低温度时所产生的裂纹。
冷裂纹包括:延迟裂纹、淬硬裂纹、低塑性脆化裂纹等,正常所说的冷裂纹指的是延迟裂纹。
延迟裂纹生成温度约在100~-100℃之间,存在潜伏期,缓慢扩散期和突然断裂期三个连续的开始过程。
潜伏期几小时、几天甚至更长。
裂纹一般有焊道下裂纹、焊根下裂纹、焊根裂纹、横向裂纹、凝固过渡层裂纹。
一般情况下,焊接低中合金高强钢,高中碳钢等易淬火钢时容易产生冷裂纹。
二、冷裂纹产生的机理大量的生产实践和理论研究证明,钢种的淬硬倾向、焊接接头含氢量及其分布,以及焊接接头所承受的应力状态是产生焊接冷裂纹的三大主要因素。
这三个因素在一定条件下是相互联系和相互促进的。
(1)含氢量的影响导致接头产生冷裂纹的氢主要是扩散氢。
浅析钢结构焊接裂纹的产生原因及防止措施引言随着科学技术不断发展,科学技术不断提高,为了跟上社会的发展脚步,建筑钢结构得到了广泛的运用。
目前我国的建筑钢结构的造型越来越新颖,空间结构也越来越复杂,所以在选择材料的时候对钢材料的要求也是很高的,但是这些要求很高的钢材料运用到实际工作中,会给钢结构焊接技术造成很大的难度,相应的焊接缺陷发生可能性就会增加。
1、钢结构焊接的难点在钢材料的选材方面大多数采用的低合金高强钢作为材料,这类钢具有强度大,硬度大等特点,但是由于钢结构连接点之间形状复杂,焊缝密集,所以焊接接头的钢约束性大,使焊缝无法自由收缩[1]。
加上在焊接的过程中由于操作不当产生就会双向力或者三向力,可能刚开始力的作用不大,但是在钢结构持续的焊接过程中,很多的力集中在一起,就会行成一个很强的力,增加了焊接接头产生裂纹、层状撕裂的可能性。
另外低合金高强钢中的碳含量非常高,使钢的硬度非常大,焊接性能差,在焊接过程中很容易出现延迟性的裂纹,由于高空操作更加增强了焊接的难度。
2、裂纹的种类和产生原因在建筑钢结构中焊接裂纹的产生通常會有三种形式,其中冷裂纹和热裂纹主要出现在复杂钢结构中,还有一种层状撕裂主要在厚板工程中出现。
2.1冷裂纹冷裂纹一般是在焊接过程后的冷却过程中产生的,有些在焊接后很快就会出现,有的则要过一段时间才会出现。
冷裂纹大多数为延迟裂纹主要发生在低合金高强钢的焊接热影响区,很少出现在焊缝上,由于冷裂纹不是焊后立即出现,而是经过一段时间的冷却之后才出现,所以这类裂纹出现后具有很大的隐蔽性。
冷裂纹出现的原因主要有三个因素(1)钢材淬硬倾向,低合金高强钢的淬硬倾向主要取决于钢材的化学成分、焊接工艺、冷却条件。
钢材的淬硬倾向越大就越容易产生裂纹,由于焊接是一个加热--冷却的过程,对钢结构加热之后冷却就会使钢变得硬度高、脆性大,很容易产生裂纹。
(2)焊接接头含氢量,在焊接的过程中大量的溶解于熔池中,焊接结束之后进入冷却的环节,氢就会极力的逸出,但是由于冷却速度较快有些氢不能很快的逸出而保留在金属中,是钢内部出现中空的现象,也会导致钢结构脆性很大。
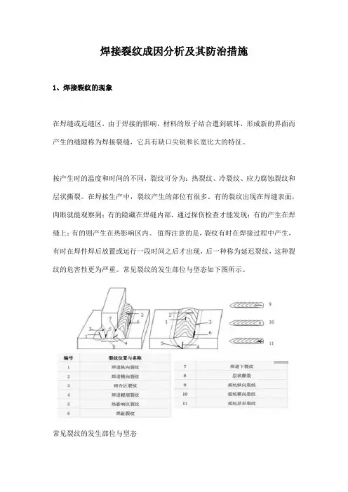
焊接裂纹成因分析及其防治措施1、焊接裂纹的现象在焊缝或近缝区,由于焊接的影响,材料的原子结合遭到破坏,形成新的界面而产生的缝隙称为焊接裂缝,它具有缺口尖锐和长宽比大的特征。
按产生时的温度和时间的不同,裂纹可分为:热裂纹、冷裂纹、应力腐蚀裂纹和层状撕裂。
在焊接生产中,裂纹产生的部位有很多。
有的裂纹出现在焊缝表面,肉眼就能观察到;有的隐藏在焊缝内部,通过探伤检查才能发现;有的产生在焊缝上;有的则产生在热影响区内。
值得注意的是,裂纹有时在焊接过程中产生,有时在焊件焊后放置或运行一段时间之后才出现,后一种称为延迟裂纹,这种裂纹的危害性更为严重。
常见裂纹的发生部位与型态如下图所示。
常见裂纹的发生部位与型态2、焊接裂纹的危害焊接裂缝是一种危害最大的缺陷,除了降低焊接接头的承载能力,还因裂缝末端的尖锐缺口将引起严重的应力集中,促使裂缝扩展,最终会导致焊接结构的破坏,使产品报废,甚至会引起严重的事故。
通常,在焊接接头中,裂缝是一种不允许存在的缺陷。
一旦发现即应彻底清除,进行返修焊接。
3、焊接裂纹的产生原因及防治措施由于不同裂缝的产生原因和形成机理不同,下面就热裂缝、冷裂缝和再热裂缝三类分别予以讨论3.1、热裂纹热裂缝一般是指高温下(从凝固温度范围附近至铁碳平衡图上的A3线以上温度)如下图所示所产生的裂纹,又称高温裂缝或结晶裂缝。
热裂缝通常在焊缝内产生,有时也可能出现在热影响区,如图所示。
原因:由于焊接熔池在结晶过程中存在着偏析现象,低熔点共晶和杂质在结晶过程中以液态间层存在形成偏析,凝固以后强度也较低,当焊接应力足够大时,就会将液态间层或刚凝固不久的固态金属拉开形成裂缝。
此外,如果母材的晶界上也存在有低熔点共晶和杂质,则在加热温度超过其熔点的热影响区,这些低熔点化合物将熔化而形成液态间层,当焊接拉应力足够大时,也会被拉开而形成热影响区液化裂缝。
总之,热裂缝的产生是冶金因素和力学因素综合作用的结果。
防治措施:防止产生热裂缝的措施,可以从冶金因素和力学因素两个方面入手。
焊接产生裂纹的原因焊接是通过加热金属材料使其熔化,然后冷却使其固化,以实现金属材料的连接。
然而,在焊接过程中,由于温度变化和热应力的作用,容易引起焊接件出现裂纹。
裂纹的产生主要是由以下几个原因引起的:1. 冷裂:冷裂是焊接过程中最常见的一种裂纹。
在焊接件的冷却过程中,由于焊缝和母材之间的冷却速度不同,会产生应力差,从而引起裂纹的产生。
冷裂主要有两种类型,即热裂和冷滴。
- 热裂:热裂主要是由于焊接区域的温度升高而引起的。
当焊接区域的温度升高到一定程度时,会引起焊件的变形和应力集中,从而导致裂纹的产生。
热裂一般发生在高碳钢、不锈钢等易于形成脆性组织的金属材料上。
- 冷滴:冷滴是焊接过程中由于焊料凝固过程中的收缩而引起的裂纹。
焊料在凝固过程中发生收缩,由于焊件的约束作用,会导致焊缝区域的应力集中,从而引起裂纹的产生。
2. 热裂:热裂是在焊接过程中,由于焊接区域的温度升高,引起金属材料发生相变而引起的裂纹。
一般来说,热裂主要发生在高碳钢、不锈钢、铜合金和铸铁等金属材料上。
3. 应力腐蚀裂纹:应力腐蚀裂纹是由于金属材料在有外界应力和腐蚀介质的作用下,产生了腐蚀损伤而引起的裂纹。
焊接过程中,焊件可能会受到外界应力和腐蚀介质的共同作用,从而引起应力腐蚀裂纹的产生。
应力腐蚀裂纹对焊接件的结构安全性造成很大威胁,需要进行预防和控制。
对于裂纹的产生,我们可以通过以下方法进行预防和控制:1. 选择合适的焊接材料:在进行焊接时,应根据具体的焊接工艺和要求,选择合适的焊接材料。
避免使用容易产生裂纹的高碳钢、不锈钢等材料,同时注意材料的成分和组织结构对裂纹的影响。
2. 控制焊接参数:合理控制焊接的温度、焊接速度、焊接电流等参数,避免焊接过程中的温度变化和应力集中。
合理的焊接参数对减少焊接裂纹的产生起到重要作用。
3. 提高焊接工艺:采用先进的焊接技术和工艺,如预热、热处理、加强焊接件的支撑等,可以减小焊接裂纹的产生。
4. 进行焊缝设计:合理设计焊缝结构,避免出现应力集中的地方,减少焊接裂纹的产生。
焊接原理中裂纹和气孔地形成原因及预防措施摘要:本文通过阐述 ,详细介绍了焊接施工中焊缝常见地裂纹与气孔缺陷地分类以及产生原因 ,从而深入浅出地为上述缺陷提出较为详细地预防措施 ,并谨以此为焊接施工提供一点技术经验 ,以供各位同行批评指正 .关键词:热裂纹冷裂纹气孔产生原因防治措施一、裂纹它是焊接施工中比较普遍地而又十分严重地缺陷 ,它是在焊接应力及其他致脆因素共同作用下 ,焊接接头中局部区域地金属原子结合力遭到破坏而使焊接面产生裂纹 ,实质上 ,就是焊接后焊口在冷却过程产生地热应力超过材料强度所导致地裂纹 .裂纹地分类:裂纹地分法多 ,按其产生温度可分为热裂纹、冷裂纹、再热裂纹 .按部位可以分为纵裂纹、横裂纹、根部裂纹、弧坑裂纹、熔合线裂纹等等. 这里主要介绍一下冷裂纹和热裂地产生、特点和预防 .1、热裂纹地产生及预防1.1、热裂纹地产生原因:因为焊件及焊条内含硫、铜等低熔点杂质或多或少地存在 ,使得结晶凝固晚 , 凝固后地塑性和强度又极低 .因此 ,在焊接熔池在结晶过程中存在偏析现象 ,偏析出地这些低熔点共晶和杂质 ,由于低熔点共晶熔点低 ,往往是最后结晶 ,在晶界以液态夹层地方式存在 ,这时 ,当外界结构约束应力足够大和焊缝金属地凝固收缩作用下 ,熔池中低熔点杂质在凝固过程中被拉开 ,被拉开地液态夹层产生地间隙己没有足够地低熔点液态金属来填充形成了裂纹 ,或在是在凝固后不久被拉开 ,造成开裂 ,这就是热裂纹产生地机理 .1.2、热裂纹地特征:1.2.1、多贯穿在焊缝表面 ,裂口多数贯穿表面 ,并断口被氧化色彩 ,裂纹末端略呈圆形;1.2.2、多在焊缝中心位置 ,沿焊缝长度方向分布 ,极少数也产生在热影响区;1.2.3、微观特征一般是沿晶界开裂 ,故又称之为晶间裂纹;1.2.4、并在焊后立即可见 ,多可以用肉眼看见 ,1.3、热裂纹地防止措施:1.3.1、限制或减小硫、磷等有害元素地含量 ,用含碳量较低地焊条焊接;1.3.2、改善熔池地一次结晶 ,由于细化晶粒可以提高焊缝中地抗裂性 ,所以广泛采用向焊缝中加入细化晶粒地元素 ,如钛、铝、锆、硼、或稀土金属铈等 .1.3.3、控制焊接工艺参数 ,适当提高焊缝成形系数 ,如采用多层多道焊 ,避免偏析地产生等 .1.3.4、采用碱性焊条和焊剂 ,由于碱性焊条脱硫、磷效果好 ,抗热裂纹地效果好一般对于热裂纹倾向较大地构件 ,一般都采用碱性焊条进行焊接 .1.3.5、采用适当地断弧方式 ,如埋弧焊采用断弧板 ,焊条电弧焊采用断弧焊或填满弧坑地方法来防止热裂纹地产生 .1.3.6、合理选用焊接规范 ,严格控制焊接工艺参数 ,并采用预热和后热 ,减慢冷却速度 ,适当提高焊缝形状系数 ,尽可能采用小电流多层多道焊 ,以避免焊缝中心产生裂纹;1.3.7、采用熔深较浅地焊缝 ,改善散热条件使低熔点物质上浮在焊缝表面而不存在于焊缝中;1.3.8、采用合理地装配次序 ,减小焊接应力 ,降低残余应力 ,避免应力集中 .2、冷裂纹地产生及预防:2.1、冷裂纹地产生原因:冷裂纹主要产生在中碳钢、高碳钢、低合金钢和中合金高强度钢中.产生冷裂地原因主要有三个方面:钢地淬硬倾向 ,焊接应力 ,较多地氢地存在和聚集 .许多情况下 ,氢是诱发冷裂纹最活跃因素之一 .当焊缝中淬硬倾向和焊接应力过大 ,使热影响区存在显微缺陷时 ,氢会在这些缺陷处聚集 ,并由原子态转为分子态 ,加上焊接应力地作用 ,使显微缺陷扩大 ,从而形成冷裂纹 .2.2、冷裂纹地特征:2.2.1、冷裂纹断面表面没有氧化色彩 ,它是较低温度产生地 ,(200~300度以下)一般不可以用肉眼看到 ,要做着色才可以看到 .2.2.2、冷裂纹一般产生在热影响区或焊缝与热影响区地熔合线上 ,也有极少数产生在焊缝上 .2.2.3、冷裂纹一般为穿晶裂纹 ,少数也有可能沿晶界发生 .2.2.4、冷裂纹一般在焊后并不立即出现 ,而是在焊后几小时、几天甚至更长时间才出现 .2.3、冷裂纹地防止措施:2.3.1、选用碱性低氢型焊条 ,减少焊缝中扩散氢地含量;2.3.2、严格遵守焊接材料(焊条、焊剂)地保管、烘焙、使用制度 ,焊条和焊剂应按规定烘干 ,随用随取 ,谨防受潮;2.3.3、保护气体要控制其纯度 ,严格清理焊条、焊件地油、锈、水分并控制焊接环境地湿度 ,从而减少氢地来源;2.3.4、改善焊缝金属性能 .如加入一些合金元素可以提高焊缝中地塑性.2.3.5、根据材料等级、碳当量、构件厚度、施焊环境等,正确地选择焊接工艺参数和线能量 ,例如:采用焊前预热 ,焊后缓冷 ,采取多层多道焊接 ,控制一定地层间温度等 ,改善焊缝热影响区地组织 ,去氢和消除焊接应力 . 2.3.6、焊后紧急热处理 ,以去氢、消除内应力和淬硬组织回火 ,改善接头韧性;2.3.7、采用合理地施焊程序 ,采用分段退焊法等 ,减少焊接变形和焊接应力 .二、气孔焊缝中地气孔是焊接缺陷之一 ,对一般非压力容器构件来说 ,不认为是重要缺陷 ,往往被人们所忽视 ,但气孔会降低焊接接头地机械性能 ,产生应力集中 ,它地存在减少了焊缝有效工作截面 ,降低了接头地机械强度 .严重时会造成脆性破坏 ,影响产品质量 .若是有穿透性或连续性气孔存在 ,将会严重影响焊件地密封性 .可是 , 在钢制结构地焊接中,若在几M或十几M乃至更长地焊缝上,要保证不出一个气孔,只有通过采取采性气体对焊缝正面形成良好保护,保证一次焊透 ,或采用带背面止口地接头形式 ,才可防止气孔地产生 .1、气孔地产生及预防1.1、气孔地产生原因:焊缝内部易形成气孔 ,主要原因是从熔池上方和熔池底部卷入空气所致 .具体地讲 ,就是在钢结构焊接施工中, 由于焊件表面地油、污、锈、垢及氧化膜没有清除干净、焊条受潮或质量不好、焊炬摆幅快而大、焊接现场周围风力较大、焊接速度过快、焊丝和母材地化学成分不匹配等诸多因素 ,造成焊缝金属在高温时,吸收了过多环境中地气体(如 02、H2、N2 )或由于溶池内部冶金反应产生地气体(如 CO) ,在溶池冷却凝固时来不及排出 ,而在焊缝内部或表面形成孔穴1.2、气孔地防止措施在焊接施工中,如何控制好过多地环境气体(如02、H2、N2、)及时排除才是气孔预防措施地关键之所在 ,下面将逐一进行介绍各种有害气体地来源、危害以及具体地控制措施 .1.2.1、氧在焊缝中地作用:1.2.1.1、氧地来源:焊接区地氧主要来自电弧中地氧化性气体(如二氧化碳、氧、水等)、焊剂、药皮中地水份和焊件表面地铁锈、水份 .1.2.1.2、氧对焊缝质量地影响:1)加速焊缝中有益元素地烧损 ,而使焊缝地强度、塑性、冲击韧性降低 .2)降低焊缝地物理性能和化学性能 ,如导电性、导磁性和抗腐蚀性等 .3)02与H2、C反应,形成不溶于金属地气体,如果结晶时来不及逸出焊缝,则形成气孔 .1.2.1.3、氧气孔在焊缝中地特征:氧气孔主要发生在碳钢焊缝中,一般情况下存在于焊缝地内部 ,气孔沿结晶方向分布 ,呈条状或不规则形状 ,表面光滑 .1.2.1.4、控制氧地措施:1)加强保护 ,如采用短弧焊 ,选用合适地气体流量 ,防止空气入侵 .2)清理焊件表面地水分、油污、铁锈 ,按规定烘干焊条、焊剂等焊接材料 .3)对焊缝采用一定地脱氧措施 .如采用含脱氧元素较高地焊条、焊剂 .1.2.2、氢对焊缝地作用:1.2.2.1、氢地来源:焊缝中地氢主要来自受潮地药皮或焊剂中水份、焊条、焊剂中地有机物、空气中地水份、焊件表面地铁锈、油脂及油漆 .1.2.2.2、氢对焊缝质地影响:1)形成气孔 ,焊缝中饱和地氢来不及逸出焊缝时 ,就形成了气孔 .2)产生氢白点和氢脆;3)氢也是产生冷裂纹地主要原因之一 .1.2.2.3、氢气孔在焊缝中地特征:在焊接碳钢和低合金钢时 ,氢气孔主要出现在焊缝表面,以单个出现,在返修磨刨时明显感觉很深 ,气孔内壁光滑 ,焊接铝、镁等有色金属时 ,主要了产生在焊缝地内部 .1.2.2.4、控制氢地措施:1)清理焊件及焊丝表面地油污 ,铁锈、水份 .2)焊前按规定烘烤焊条、焊剂 .气体保护焊对气体进行去水份、干燥处理 .3)尽量选用低氢型焊条 ,焊接时采用直流反接、短弧操场作 .4)对焊缝进行消氢处理 ,如焊前预热 ,焊后缓冷 .1.2.3、氮对焊缝地作用: 1.2.3.1、氮地来源:焊接时熔池中地氮主要来自空气中 . 1.2.3.2、氮对焊缝质量地影响:焊缝中饱和地氮来不及逸出焊缝时 ,就形成了气孔,同时也影响焊缝地力学性能 .1.2.3.3、氮气孔在焊缝中地特征:氮气孔一般发生有焊缝地表面(多层焊在每层地表面)成堆、蜂窝状出现 ,焊条电弧焊一般在接头引弧处出现较多 ,生产中也是出现得比较多地气孔 .1.2.3.4、控制氮地措施:1)清理焊件及焊丝表面地油污 ,铁锈、水份 ,焊前按规定烘烤焊条、焊剂 .2)气体保护焊对保护气体进行去水份、干燥处理 ,气体纯度要达到要求 ,有风时要有防风措施 .3)不得使用药皮开裂、药皮脱落、变质、偏心或生锈地焊条 .4)选用合适地焊接工艺参数 ,碱性焊条时要采用短弧焊 ,电流采用直反接 .三、结束语:综上所述:钢结构焊接施工中 , 裂纹和气孔缺陷均会导致焊缝出现应力集中缩短使用寿命 ,造成脆裂 ,降低结构断面尺寸 ,影响焊缝地力学性能 ,危及安全 .因此,在重要乃至关键部位地钢结构制作安装中 , 必须加强焊接工作中裂纹及气孔缺陷地数量控制 ,遵守焊接规范 , 严格施工工艺 , 保证焊缝质量 , 避免质量事故和危及到结构稳定和人民生民财产地事故发生 .参考文献:[1] 《金属工艺学》 .邓文英主编 . 高等教育出版社;[2] 《焊接工艺学》 . 机械工业出版社;课题:焊接原理中气孔产生地原因及防治措施学院:机械学院班级:13级焊接班专业:焊接技术与自动化姓名:缪国辉学号:2013229203日期:2014年12月5日。
钢结构焊接裂纹的原因及预防措施(一)热裂纹热裂纹是指高温下所产生的裂纹,又称高温裂纹或结晶裂纹,通常产生在焊缝内部,有时也可能出现在热影响区,表现形式有:纵向裂纹、横向裂纹、根部裂纹弧坑裂纹和热影响区裂纹。
其产生原因是由于焊接熔池在结晶过程中存在着偏析现象,低熔点共晶和杂质在结晶过程中以液态间层形式存在从而形成偏析,凝固以后强度也较低,当焊接应力足够大时,就会将液态间层或刚凝固不久的固态金属拉开形成裂纹。
此外,如果母材的晶界上也存在有低熔点共晶和杂质,当焊接拉应力足够大时,也会被拉开。
总之,热裂纹的产生是冶金因素和力学因素共同作用的结果。
针对其产生原因,其预防措施如下:(1)限制母材及焊接材料(包括焊条、焊丝、焊剂和保护气体)中易偏析元素和有害杂质的含量,特别应控制硫、磷的含量和降低含碳,一般用于焊接的钢材中硫的含量不应大于0.04 5% ,磷的含量不应大于0.055% ;另外钢材含碳量越离,焊接性能越差,一般焊缝中碳的含量控制在0.10% 以下时,热裂纹敏感性可大大降低。
(2)调整焊缝金属的化学成分,改善焊缝组织,细化焊缝品粒,以提高其塑性,减少或分散偏析程度,控制低熔点共品的有害影响。
(3)采用碱性焊条或焊剂,以降低焊缝中的杂质含摄,改善结晶时的偏析程度。
(4)适当提高焊缝的形状系数,采用多层多道焊接方法,避免中心线偏析,可防止中心线裂纹。
(5)采用合理的焊接顺序和方向,采用较小的焊接线能超,整体预热和锤击法,收弧时填满弧坑等工艺措施。
(二) 冷裂纹冷裂纹一般是指焊缝在冷却过程中温度降到马氏体转变温度范围内(300—200℃以下)产生的,可以在焊接后立即出现,也可以在焊接以后的较长时间才发生,故也称为延迟裂纹。
其形成的基本条件有3个:焊接接头形成淬硬组织;扩散氢的存在和浓集;存在着较大的焊接拉伸应力。
其预防措施主要有:(1)选择合理的焊接规范和线能,改善焊缝及热影响区组织状态,如焊前预热、控制层问温度、焊后缓冷或后热等以加快氢分子逸出。
关于钢结构焊接裂纹产生原因及预防措施探究摘要:本文主要论述了钢结构焊接过程产生的焊接裂纹的种类以及形成原因后,提出了预防焊接裂纹出现的措施。
焊接裂纹是常见的钢结构焊接缺陷之一,焊接裂纹的存在可能导致严重的工程事故。
关键词:钢结构;焊接;冷裂纹;热裂纹;层间撕裂前言随着国民经济的快速发展,钢结构工程在建设中所占比重越来越大。
焊接是钢结构连接的主要方式之一,焊接质量在钢结构工程中极为重要。
但在焊接施工中一些焊接缺陷问题却普遍存在,其中焊接裂纹是其中危害最大而且是最普遍的一种,焊接裂纹按照产生机理可分为冷裂纹、热裂纹、再热裂纹和层状撕裂四大类。
一、冷裂纹分析1、原因分析形成冷裂纹的三大因素是:钢材的淬硬组织、焊接接头的含氢量和焊接接头的拘束应力。
①焊接接头形成淬硬组织。
因为钢种化学成分和偏析的原因,在焊接条件下,近缝区的加热温度很高(达1 350℃~1 400℃),使奥氏体晶粒发生严重长大,而当冷却速度较快时,粗大的奥氏体将转变为马氏体脆硬组织,这个马氏体脆硬组织具有脆硬的特性即强度高而塑性差、抗裂性能低。
而且,脆硬区会形成更多的空位和位错的晶格缺陷,在应力作用下会发生移动和聚集,遂形成裂缝源。
②含氢量的影响。
氢是引起高强钢焊接冷裂纹的重要因素之一,并且有延迟特征。
在焊接过程中,由于电弧的高温作用,焊接金属中熔解了很多氢,冷却时,氢会进行扩散逸出,除向焊缝表面逸出外还向母材热影响区扩散。
钢板金属内部是有微观缺陷的,扩散氢会向这些缺陷处聚集,使这个部位的扩散氢浓度很快升高,当氢的浓度达到一定时,一方面产生较大的应力,另一方面阻碍位错移动而使该处变脆,当应力进一步加大时,促使缺陷扩展而形成裂纹,这种过程可周而复始断续进行,视氢的含量逸出和内部的能量而定,焊接延迟裂纹就是由许多单个微裂纹集合而形成的宏观裂纹。
③拘束应力的影响。
裂缝是一种力学行为,而由焊接产生的拘束应力是产生裂纹的必备条件如:一是不均匀加热及冷却过程中产生的热应力;二是金属相变时产生的组织应力,焊接热循环造成的金相组织变化带来的应力:三是结构自身拘束条件所造成的应力,包括结构的刚度大小,自重,负载以及焊缝位置和焊接顺序。
焊接接头横向裂纹产生的原因和解决方法横向裂纹是焊接接头常见的质量问题之一,它对焊接接头的强度和耐久性产生负面影响。
本文将探讨焊接接头横向裂纹产生的常见原因,并提供相应的解决方法。
原因横向裂纹产生的原因有多种,下面列举了其中几个常见的原因:1. 焊接材料选择不当:使用低质量、不合适的焊接材料可能导致横向裂纹的产生。
例如,焊接材料的合金成分不符合要求或者含有过多的杂质。
2. 焊接过程参数不当:焊接过程中,如焊接电流、电压、焊接速度等参数的选择不合理,可能导致焊缝中产生过多的应力集中,从而引发横向裂纹。
3. 外部应力:接头周围的外部应力会对焊接接头产生影响。
例如,焊接材料周围的约束力、机械载荷、震动等,都可能导致横向裂纹的形成。
4. 焊接接头的几何形状:接头的几何形状也会对横向裂纹的产生起到一定的影响。
例如,接头的尺寸和形状不合理或者存在过渡区域的设计不当,都可能增加横向裂纹的风险。
解决方法针对横向裂纹问题,我们可以采取以下解决方法:1. 合理选择焊接材料:选择符合要求的高质量焊接材料,确保其合金成分和杂质含量符合标准。
2. 优化焊接过程参数:合理选择焊接电流、电压、焊接速度等参数,避免过大的应力集中,减少横向裂纹产生的风险。
3. 缓解外部应力:通过减小接头周围的约束力、优化焊接设计、防止机械载荷和震动等方式,缓解外部应力对焊接接头的影响。
4. 优化接头几何形状:合理设计接头的尺寸和形状,确保过渡区域的平滑过渡,减少应力集中,降低横向裂纹的风险。
综上所述,焊接接头横向裂纹的产生原因复杂多样,需要综合考虑多个方面的因素。
通过合理选择焊接材料、优化焊接过程参数、缓解外部应力以及优化接头几何形状,可以有效地解决横向裂纹问题,提高焊接接头的质量和可靠性。
焊缝出现裂纹处理方法焊接是一种常见的金属连接方式,但难免会出现一些问题。
焊缝出现裂纹是其中一种比较常见的问题。
这会导致焊接强度下降,甚至会影响工件的正常运行和使用寿命。
本文将介绍焊缝出现裂纹的处理方法。
1.预防裂纹的出现首先要做的是预防裂纹的出现。
预防措施包括:(1).选用合适的焊接材料。
应选择符合工件物理性能和化学成分的焊接材料,以确保焊接质量。
(2).确保焊接区域的表面清洁。
在焊接前,应将焊接区域的表面清洁干净,以便进行完美的焊接。
(3).恰当的焊接电流和电压。
应根据焊接材料的性质,在可接受的范围内选择适当的焊接电流和电压。
(4).保持适当的焊接速度。
应保持恰当的焊接速度和焊接温度,以确保焊接均匀和充分。
2.焊缝出现裂纹的处理(1).退火处理。
如果焊缝出现裂纹,可能是焊接后材料产生了内部应力。
应该对焊接件进行退火处理,以消除这些应力。
在退火处理过程中,需要将焊接件放置在还原气体中,加热到一定温度,然后缓慢冷却。
(2).机械加工。
可以通过机械加工把焊缝重新磨平或是用铣床将焊缝变成V形溝后重新焊接,以消除因为焊接引起的问题。
(3).重做焊缝。
如果焊缝的裂纹严重并且处理措施无效,则需要重新焊接。
重新焊接时应使用正确的焊接材料以及合适的焊接参数,以确保焊接质量。
(4).使用补丁或补焊。
对于一些小型的裂缝,可以使用补丁或补焊来修复。
选择合适的补丁或补焊材料,并根据需要进行特定的操作。
以保持金属之间的连续性,从而让修补后的焊缝拥有相同的机械性能和表面光洁度。
3.总结通过以上几种方法,我们可以有效地处理焊缝出现裂纹这一常见问题。
在焊接过程中,我们应遵循正确的焊接流程,并严格控制焊接参数,以保证工件的质量和性能。
对于裂纹的出现,我们要及时采取相应的措施,以避免影响工件的正常使用。
焊接产生裂纹的原因裂纹是金属工程中常见的缺陷之一,对于焊接而言尤为重要。
焊接产生裂纹的原因多种多样,可以归纳为热应力、冷却应力、组织变化等方面。
本文将从这些方面详细介绍焊接产生裂纹的原因。
**1. 热应力**焊接过程中,热应力是产生裂纹的主要原因之一。
热应力产生的原因是焊接过程中产生的各种温度差引起的线膨胀不一致。
当焊接材料受热膨胀时,周围未受热的材料会对焊缝施加一定的约束力,从而产生热应力。
如果热应力超过了焊接材料的承受能力,就会导致裂纹的产生。
**2. 冷却应力**焊接过程中,冷却过程也会引起应力。
由于焊接过程中材料的瞬间加热和瞬间冷却,使焊接部位温度迅速变化。
冷却速度过快会导致焊接区域内部组织变化不均,产生冷却应力。
冷却应力对焊接接头产生的影响是无法避免的,因此在焊接过程中需要进行适当的预热和控制冷却速度,以减少冷却应力的产生。
**3. 组织变化**焊接过程中,组织的变化也是产生裂纹的重要原因。
焊接过程中,由于瞬时高温和快速冷却,焊缝区域的组织结构会发生变化。
这些组织结构的变化可能会引起焊缝区域的局部脆性增加,从而导致裂纹的产生。
此外,焊接材料与基材之间的组织差异也会导致裂纹的产生。
**4. 其他因素**除了热应力、冷却应力和组织变化外,还有一些其他因素也会对焊接产生裂纹产生影响。
例如,焊接材料的选择、焊接过程中的缺陷、焊接参数的选择等都可能对裂纹的产生发挥一定的作用。
因此,在焊接过程中,需要综合考虑这些因素,并采取相应的措施来减少裂纹的产生。
综上所述,焊接产生裂纹的原因主要包括热应力、冷却应力、组织变化和其他因素的综合作用。
为了减少裂纹的产生,在焊接过程中,需要控制好焊接温度、预热和控制冷却速度,选择适当的焊接材料,避免产生缺陷,并合理选择焊接参数。
只有在综合考虑各个因素,并采取相应的措施的情况下,才能最大程度地减少焊接产生裂纹的风险。
焊接裂纹成因分析及其防治措施焊接裂纹是在焊接过程中产生的裂纹,其成因复杂多样。
本文将对焊接裂纹的成因进行分析,并提出相应的防治措施。
焊接裂纹的成因可以归结为以下几点:1.焊接材料问题:焊接材料的组织结构和成分不合理,或者含有一定的夹杂物和缺陷,容易引起裂纹的产生。
此外,焊接材料的降温速度过快,也容易导致裂纹的形成。
2.焊接过程问题:焊接过程中,焊接参数的选择不当,如电流、电压、焊接速度等方面的控制不准确,就会导致焊接裂纹的产生。
此外,焊接过程中产生的应力集中也是裂纹产生的重要原因。
3.焊接装置问题:焊接装置的刚性不够好,容易造成焊接变形,从而引起裂纹的产生。
针对上述原因,我们可以采取以下的防治措施:1.选择合适的焊接材料:在焊接之前,应对焊接材料进行严格的检测和评估,确保其成分和组织结构符合要求。
如果发现材料存在问题,应及时更换。
2.控制焊接参数:在焊接过程中,应根据具体情况选择合适的焊接参数,确保电流、电压、焊接速度等的准确控制。
同时,要注意焊接的降温速度,避免过快引起裂纹形成。
3.减少应力集中:在焊接过程中,应通过合适的焊接顺序和方法,尽量减少焊接产生的应力集中。
另外,可以使用适当的焊接辅助材料,如焊接夹具、预应力装置等,来缓解焊接过程中的应力。
4.加强装置刚性:焊接装置应具备足够的刚性和稳定性,避免焊接过程中产生的振动和位移,从而减少焊接变形,并防止裂纹的出现。
总结起来,要防止焊接裂纹的发生,需要从焊接材料、焊接过程和焊接装置三个方面进行综合考虑和控制。
只有合理选择材料、准确控制焊接参数、减少应力集中和加强装置刚性,才能够有效防止焊接裂纹的产生。
龙源期刊网 http://www.qikan.com.cn
X80管线钢焊接裂纹产生原因及应对措施
作者:甄勇
来源:《中国化工贸易·中旬刊》2018年第02期
摘 要:在油气管道施工中季节性湿地软土地质情况下,大口径高强钢X80管线工程施工
时,管道根焊5~7点钟部位承受复杂的受力状况,在钢管组焊过程中,当焊接接头强度不足
时,容易产生裂纹缺陷。本文结合西三线东段施工过程中出现的问题进行了原因分析和对策论
述。
关键词:软土地质;大口径高强管线钢;根焊;六点钟位置;裂纹
1 引言
目前在我国,大口径高强钢X80管线正被大量应用,但在实际操作中,容易出现的焊接
缺陷就是裂纹。
以西三线东段管线为例,表1中缺陷位置数据是以钢管两点钟为0位,沿介质流动方向顺
时针进行测量,每道焊缝总长按钢管理论周长3828mm进行计算。通过对数据进行分析,发现
裂纹位置处于5~7点钟左右位置。根据射线照相底片缺陷分析和现场打磨结果验证,缺陷位
于焊缝根焊部位。
2 材料性能
2.1 钢管性能
根据钢管质量证明书化学成分与力学性能分析,质量符合产品标准要求,钢管碳当量在
≤0.12%间,材料焊接性能较好。
2.2 焊接材料化学成分与力学性能
焊接材料全部进口,根焊、填盖焊丝化学成分与力学性能符合焊接工艺标准要求。
3 焊接工艺规程
本焊接工艺规程结合西气东输二线管道工程、西气东输三线(西段)管道工程焊接工艺现
场应用经验编制而成。焊接工艺主要参数见表2。
4 焊接工艺
焊缝采用带钝边的双V型坡口,简要焊接工艺程序如下:
龙源期刊网 http://www.qikan.com.cn
①焊缝坡口及钢管内、外表面清理;②管墩制作(由挖土机挖土堆成,每根钢管二个)、
钢管就位;③内对口器就位及组对;④坡口组对检查;⑤预热(100~200℃,红外测温仪检
查);⑥根焊及清根;④层间温度控制(60~150℃,红外测温仪检查);⑧热焊及清根;⑨
填充焊及清根;⑩盖面焊及表面清理;⑪焊缝外观及几何尺寸检查;⑫100%射线检测。
5 焊接裂纹原因分析
由于该工程地处季节性湿地,属软土地层,在管道环焊缝组焊过程中,当焊缝金属尚未完
全冷却,其焊接接头的强度还未达到标准规定值的状态下,具体原因分析如下:
①采用全位置下向焊,两名焊工从0点位置同时向两侧进行焊接,当焊到957~1913mm
和2870~1913mm位置时,焊接位置从立焊变为仰焊,金属熔滴的重力作用阻碍熔滴向熔池过
渡,迫使焊工加快焊接速度,焊缝厚度较薄,而且熔池内杂质和气体可能来不及溢出变成焊接
缺陷,对于1799~2099mm位置这种效应更加明显;②施工区域位于水田地带,仰焊时,焊工
仰躺在地面或蹲在操作坑内,高地下水位和低地耐力的施焊环境相当恶劣,容易影响焊工正常
焊接技能的发挥,出现焊接缺陷;③由于焊接位置和操作条件差,焊工对1799~2099mm位置
根焊缝打磨量特别大,一般情况下,经打磨后,焊缝厚度只有1.5~2.5mm。当时打磨采用
Φ125mm砂轮片,操作不容易控制,当焊工视野不好时,更加容易发生过打磨现象,出现缺口
轮廓,从而进一步降低焊缝厚度。
6 对策措施和效果
根据焊缝受力和原因分析,提出了以下对策措施:
①加强对焊工的理论和操作培训,提高焊接质量;②对焊接工艺进行调整,当焊接到底部
位置,相应调整焊接参数,保证底部位置的厚度和质量,必要时,由根焊焊工在5~7点钟位
置焊接第二层,保证焊缝厚度;③增加管墩的高度和强度,给焊工提供较好的仰焊操作条件,
从而提高焊接质量,减少焊缝的附加应力;④调整磨光机的砂轮片直径,从Φ125mm 调整为
Φ100mm,提高磨光机可操作性,减少打磨量,保证焊缝轮廓;⑤尽可能降低焊缝两侧的管墩
距离,减少焊缝重力作用;⑥在地耐力较差施工地段,在吊管机下垫钢板或脚手架片,减少吊
管机沉降的影响;⑦减少热焊和根焊的间隔时间;⑧调整内对口器撤离时间,当热焊完成后再
行撤离。
7 结语
根焊5~7点钟位置焊缝厚度薄、缺陷较多,受到钢管重力、附加应力作用,当焊缝金属
尚未完全冷却,强度较低时,根焊部位特别是1799~2099mm位置根焊部位产生拉裂,当同时
存在扭矩作用时,焊接裂纹缺陷呈台阶状;对根焊焊道用砂轮过渡打磨产生高温后,由于
1799~2099mm位置接近操作坑,当操作坑上的水滴沾到焊道上时,水滴对根焊的急速冷却作
龙源期刊网 http://www.qikan.com.cn
用也可能出现根焊裂纹;尚未经过回火的根部焊道熔敷金属强度可能高于最终接头强度,焊接
过程中若发生管线移动,焊缝缺口敏感性轮廓将导致其产生机械裂纹。
参考文献:
[1]梁一鸣,姜静威.X80钢管道返修焊接工艺[J].石油石化,2013(16).
[2]熊玉林,杜责裕,董丽红等.高强度X80钢管道的焊接[J].石油工程建设,2004,30
(2).