间苯二酚法测定蜂蜜中果糖的研究
- 格式:docx
- 大小:401.33 KB
- 文档页数:4
紫外分光光度法测定蜂蜜中果糖的含量Ξ占达东(海南省琼州大学化学系海南五指山市572200)[摘要] 研究了用紫外分光光度法直接测定蜂蜜中果糖的含量.果糖在盐酸的作用下,对紫外光有吸收,其最大吸收波长在291nm.果糖浓度在0~30mg ΠL 范围内服从比尔定律.采用此方法对野生蜂蜜的果糖含量进行了测定.关 键 词:分光光度法;果糖;蜂蜜中图分类号:O657.32 文献标识码:A 文章编号:10005900(2003)02004102Determination of fructose in honey based on UV -SpectrometryZH AN Da dong(Department of Chem istrg Qiongzhou University ,Wuzhishang Hainan 572200China )【Abstract 】 A new photometric analysis method for determination of fructose was presented.Fructose abs orbs ultravioletat 291nm in the presence of hydrochloric acid.The measured abs orbance can be linear to the presence of fructose in the0~30mg ΠL concentration range.The presented method has been success fully applied to the determination of fructosecontent in honey sam ple s ourced from wild bee.K ey w ords : photometric analysis ;fructose ;honey有关蜂蜜中果糖含量的测定法有很多,有滴定法、气相色谱法、液相色谱法、毛细管电泳法[1]、分光光度法[2,3]等.文献报道的分光光度法匀加入显色剂,如间苯二酚,铁氰化钾等,这些物质对环境有污染.用紫外分光光度法在酸性条件下直接测定果糖还未见报道.果糖在盐酸的作用下生成羟甲基糠醛[4],通过对果糖在盐酸介质中的吸收光谱进行扫描,发现在波长291nm 处有最大吸收.果糖浓度在0~30mg ΠL 范围内服从比尔定律.本法只加入盐酸,不加入其它显色物质,方法简便、快速、灵敏,不造用成污染,样品无需预处理.用本方法测定了蜂蜜中的果糖含量,并与文献[3]报道的数值进行了比较,二者之间图1 吸收曲线Fig.1 Abs orbance curve具有较好的一致性.1 实验部分1.1 试剂及仪器1.1.1 果糖标准溶液 称取0.1000g D -果糖(生化试剂)溶于二次蒸馏水,并定容到1000m L ,果糖标准溶液的浓度为0.1mg Πm L ;浓盐酸(分析纯);所有实验用水均为二次蒸馏水.野生蜂蜜购于海南省五指山市农贸市场.1.1.2 仪器 T U -1201紫外可见分光光度计(北京通用公司).1.2 实验方法在具塞比色管中加入适量的0.1000mg Πm L 的果糖标准溶液,加入3m L 浓盐酸,用二次水定容到10m L.在沸水中加热8min ,取出用流水冷却.用1cm 比色皿,以试剂空白为参比,于波长291nm 处测定其吸光度A .第25卷第2期2003年6月 湘 潭 大 学 自 然 科 学 学 报Natural Science Journal of X iangtan University V ol.25N o.2June 2003Ξ收稿日期:20020106 作者简介:占达东(1963),男,海南人,副教授.E -mail :Zhandadong @2 结果与讨论a.吸收曲线: 按实验方法用紫外分光光度计进行吸收光谱扫描,测出最大吸收波长在291nm(见图1).当果糖浓度增大时最大吸收波长略有增加,本实验选定291nm为吸收波长.b.盐酸的影响: 按实验方法对不同体积的浓盐酸进行试验,结果表明,不加浓盐酸时,吸光度A =0;当盐酸的加入量达3~4m L时,吸光度达到最大值;继续加入盐酸,吸光度降低(见图2).盐酸的用量以3m L为宜.图2 盐酸的影响 图3 加热时间的影响 Fig.2 E ffect of HCl Fig.3 E ffect of heating timec.温度及加热时间的影响: 对不同反应温度进行试验,结果表明,在100℃的水浴中加热6min 后,吸光度基本不变(见图3).为使反应充分,实验选定加热时间为8min.d.放置时间对稳定性的影响: 用紫外分光光度计进行60min的时间扫描,结果发现吸光度基本不变.实验选定在40min内完成测定.e.工作曲线: 在上述选定的实验条件下,果糖浓度在0~30mgΠL范围内与吸光度呈良好的线性关系,其线性方程为:A=0.0318c+0.0203,相关系数r2=0.9969.对20mgΠL果糖进行11次测定,其相对标准偏差为2.6%.f.干扰物质实验: 按照实验方法进行了干扰试验,结果表明:葡萄糖浓度大于果糖浓度的5倍时,葡萄糖对果糖产生干扰(以误差小于5%计).蔗糖对本方法有较大干扰.3 样品分析称取野生蜂蜜0.1736g,定容到100m L,制成待测液.在上述实验条件下,取0.1m L待测液进行测定,并进行加标试验.野生蜂蜜中的果糖含量检测结果列于表1.从实验结果可见该方法具有很好的选择性和较高的灵敏度,适用于蜂蜜中的果糖含量测定.表1 蜂蜜中果糖含量的测定结果T ab.1 Analysis results of fructose content in honey sample试 样测量值(C%)平均值(C%)RS D(%)加入值mΠμg回收率ηΠ%文献值[3](C%)蜂 蜜42.86,45.22,43.7843.95 2.7100102.737.78~44.57参 考 文 献[1] 耿越,赵相轩,花义山,等.高效毛细管电泳法测定蜂蜜中单糖的含量[J].食品科学,2002,23(1):114-116.[2] 姜英勤,黄治清,马克荣等.间苯二酚分光光度法测定果葡糖浆中的果糖[J].化学世界,1989,1:18-21.[3] 许汉英,赵晓君.流动注射-吸光光度法测定葡萄糖共存下的果糖[J].理化检验-化学分册,2000,3:102-103.[4] 赵凯元,王忠秋,张绍镇,等.用间苯二酚光度法定量测定果葡糖浆中果糖含量及葡萄糖异构酶活性的研究[J].河北省科学院学报,1989,1:110-115.24 湘 潭 大 学 自 然 科 学 学 报 2003年。
植物组织果糖(FT)含量检测试剂盒说明书微量法注意:正式测定前务必取2-3个预期差异较大的样本做预测定。
货号:BC2455规格:100T/96S产品内容:提取液:液体100mL×1瓶,4℃保存;试剂一:5mg/mL标准液1mL×1瓶,4℃保存;试剂二:液体25mL×1瓶,4℃保存;试剂三:液体6mL×1瓶,4℃保存;试剂四:粉剂0.5g×1瓶,常温保存。
产品说明:果糖是一种最为常见的己酮糖,是葡萄糖的同分异构体,以游离状态大量存在于水果的浆汁和蜂蜜中,能与葡萄糖结合生成蔗糖。
果糖是最甜的单糖,广泛应用于食品、医药、保健品生产中。
在酸性条件下果糖与间苯二酚反应,生成有色物质,在480nm下有特征吸收峰。
所需的仪器和用品:可见分光光度计/酶标仪、水浴锅、可调式移液器、微量玻璃比色皿/96孔板、研钵、蒸馏水。
操作步骤:一、果糖提取:称取约0.1g样本,常温研碎;加入1mL提取液,适当研磨后快速转移到有盖离心管中;置于80℃水浴锅中10min(盖紧,以防止水分散失),振荡3~5次,冷却后,4000g,常温离心10min,取上清;加入少量(约2mg)试剂四,80℃脱色30min(盖紧,以防止水分散失);再加入1mL提取液,4000g,常温离心10min,取上清液测定。
二、测定步骤第1页,共2页1、分光光度计或酶标仪预热30min以上,调节波长至480nm,蒸馏水调零。
2、样本测定,(在1.5mL EP管中依次加入下列试剂):试剂(μL)空白管标准管测定管样本30试剂一30蒸馏水30试剂二210210210试剂三606060混匀,80℃水浴内反应10min(盖紧,以防止水分散失),冷却后取200μL至微量玻璃比色皿或96孔板中测定480nm处光吸收值,记为A空白管、A标准管、A测定管,并计算△A测定=A测定管-A空白管、△A 标准=A标准管-A空白管。
三、果糖含量计算:1、果糖含量(mg/mg prot)=C标×△A测定÷△A标准×V样总÷(Cpr×V样总)=5×△A测定÷△A标准÷Cpr2、果糖含量(mg/g鲜重)=C标×△A测定÷△A标准×V样总÷W=10×△A测定÷△A标准÷WC标准管:标准管浓度,5mg/mL;V样总:加入提取液体积,2mL;Cpr:样本蛋白质浓度,mg/mL;W:样本鲜重,g。
分析检测HPLC-RID法测定蜂蜜中果糖、葡萄糖、蔗糖、麦芽糖及乳糖含量赵 芳(晋中市综合检验检测中心,山西晋中 030600)摘 要:建立了高效液相色谱-示差折光检测法(High Performance Liquid Chromatography Differential Refractive Detector,HPLC-RID)测定蜂蜜中果糖、葡萄糖、蔗糖、麦芽糖及乳糖5种还原糖含量的分析方法。
蜂蜜试样用水提取,摇匀过滤后,经Kromasil 100-5-NH2色谱柱分离,用示差折光检测器测定。
结果表明,果糖、葡萄糖、蔗糖、麦芽糖及乳糖在1.0~10.0 mg/mL线性关系良好,5种还原糖的方法检出限均为0.5 g/100 g,加标回收率为82.4%~109.7%,相对标准偏差RSD为0.87%~3.77%。
该方法前处理过程简单、准确度高、精密度好,适用于蜂蜜中5种还原糖的定量检测。
关键词:蜂蜜;还原糖;高效液相色谱-示差折光检测器法Determination of Fructose, Glucose, Sucrose, Maltose andLactosein Honey by HPLC-RIDZHAO Fang(Jinzhong General Inspection and Testing Centre, Jinzhong 030600, China) Abstract: The method was established for the determination of fructose, glucose, sucrose, maltose and lactose in honey by HPLC-RID. Honey samples were extracted with water, shaken and filtered, separated by Kromasil 100-5-NH2 chromatographic column and determined by differential refractive detector. The results showed that the linear relationship among fructose, glucose, sucrose, maltose and lactose was good in the concentration range of 1.0~10.0 mg/mL. The detection limits of the five reducing sugars were 0.5 g/100 g, the spiked recoveries were 82.4%~109.7%, and the relative standard deviation RSD was 0.87%~3.77%. The method has the advantages of simple pretreatment process, high accuracy and good precision. It is suitable for the quantitative determination of the above five reducing sugars in honey.Keywords: honey; reducing sugar; high performance liquid chromatography differential refractive detector蜂蜜中富含多种糖类、氨基酸、维生素等营养成分,清甜爽口、老少皆宜,饮用蜂蜜具有缓解疲劳、有益身体健康和抗菌消炎、保养皮肤的功效[1-3]。
高效液相色谱-蒸发光散射法同时测定蜂蜜中果糖、葡萄糖、
蔗糖和麦芽糖
沈少林;陆文琪;张惠雄
【期刊名称】《理化检验-化学分册》
【年(卷),期】2015(051)009
【摘要】蜂蜜是一种营养丰富的天然保健食品,具有一定的药用价值。
蜂蜜成分极为复杂,含各种糖类、酸类及矿物质等。
其中糖类为主要成分,含量占60%~75%,包括果糖、葡萄糖、蔗糖和麦芽糖等。
国家标准GB 14963-2011《食品安全国家标准蜂蜜》中将各种糖含量作为判断蜂蜜产品质量的重要指标。
【总页数】3页(P1330-1332)
【作者】沈少林;陆文琪;张惠雄
【作者单位】萧山区质量计量监测中心,杭州311215;萧山区质量计量监测中心,杭州311215;萧山区质量计量监测中心,杭州311215
【正文语种】中文
【中图分类】O652.63
【相关文献】
1.高效液相色谱法与化学法测定蜂蜜中果糖、葡萄糖、蔗糖、麦芽糖含量的比较与研究
2.高效液相色谱-蒸发光散射法测定南瓜中果糖、葡萄糖、及蔗糖含量
3.高效液相色谱蒸发光散射检测器测定保健食品中果糖、葡萄糖、蔗糖、麦芽糖、乳糖和木糖
4.高效液相色谱-蒸发光散射法测定果维康Vc含片中果糖、葡萄糖、蔗糖、
乳糖、麦芽糖的含量5.高效液相色谱蒸发光散射检测法测定食品中果糖、葡萄糖、蔗糖、乳糖和麦芽糖
因版权原因,仅展示原文概要,查看原文内容请购买。
蜂蜜中高果糖淀粉糖浆测定方法薄层色谱法(二)5.1 真空干燥箱:可调整温度(65±2)℃,真空度26 kPa~33kPa。
5.2恒温干燥箱。
5.3 旋转蒸发器。
5.4 玻璃喷雾器:薄层色谱用。
5.5 真空抽气泵:可调真空度0~100kPa。
5.6 薄层色谱绽开槽。
5.7 微量注射器:10uL 5.8 分析天平:感量0.0001g。
5.9 电吹风机。
5.10 活性炭柱:在内径20 mm~22 mm,长300 mm~400 mm的玻璃管的底部塞少量的玻璃棉,关掉活栓后加水到玻璃管的中部,然后放水除去玻璃棉中的气泡至水量约10 mL时关掉活栓。
在小烧杯中称取2.0g的硅藻土(4.8),加入少量的水搅拌后注入管中,自然沉降后在玻璃棉的上方积累成约1cm厚的硅藻土层,然后称取活性炭(4.7)和硅藻土混合物(1+1)12g,加入150 mL的水搅拌后注入管中。
打开活栓,在真空抽气泵的吸引下使活性炭混合物沉降积累。
水面到达柱面1 cm时关掉活栓,用玻璃棒除去沾在管壁的混合物,再次注入用水混合后的2.0g硅藻土,让其自然沉降后,在真空抽气泵吸引下,用500 mL水预洗活性炭柱,通过调整真空抽气泵的真空度控制流速在8.5 mL/min左右。
液面到达柱上1 cm时关掉活栓,备用。
应在用法前填装,如临时不用,可用溶液(1+1)200 mL浸泡,用前再用250 mL水预洗。
6 试样制备与保存 6.1 试样的制备对无结晶的试验室样品,将其搅拌匀称。
对有结晶的样品,在密闭状况下,置于不超过60℃的水浴中温热,振荡,待样品所有溶化后搅匀,快速冷却至室温。
分出0.5kg作为试样。
制备好的试样置于样品瓶中,密封,并标明标志。
6.2 试样的保存将试样于常温下保存。
7 分析步骤 7.1 样品前处理在50 mL烧杯中称取1g试样,精确到1 mg,溶于10 mL水后,缓慢加到活性炭柱(5.10)上,打开活栓,在真空抽气泵吸引下,使试料溶液通过柱子。
蜂蜜中糖分的检测作者:徐善佳来源:《中小企业管理与科技·下旬刊》2012年第01期摘要:蜂蜜中主要成分是糖类,其中以单糖如葡萄糖和果糖为主,还有双糖如蔗糖和麦芽糖以及含量很少的多糖如糊精、松三糖等。
葡萄糖、果糖这些糖类都具有还原性,它们在一定条件下容易被氧化,所以测定蜂蜜中还原糖含量可以了解蜂蜜的品质状况。
我国蜂蜜的蔗糖含量一般低于5%,根据这个指标可以鉴定蜂蜜中是否掺入蔗糖或是完全不成熟的蜂蜜。
薄层色谱法(TLC)定性检测蜂蜜是否掺入高果糖浆,检出限为5%。
关键词:还原糖葡萄糖果糖蔗糖薄层色谱1 概述蜂蜜是一种高浓度复杂的糖类混合物,主要成分是葡萄糖、果糖、蔗糖、水分等,通常我们检测上述糖类指标,对蜂蜜中是否掺入高果糖浆就用TLC方法检测。
2 试剂和仪器设备2.1 试剂 a.1%铁氰化钾溶液、b.10%NaOH、c.30%NaOH、d.5%NaOH、e.1%次甲基蓝、f.酚酞指示剂。
2.2 仪器和设备碱式滴定管、普通硅胶G薄层板、薄层层析缸、烘箱、微量进样器、阿贝折光仪。
3 还原糖测定3.1 试样制备称取蜂蜜样品1g,用水定容至200ml,得到样液S1,吸取S1 25ml定容至100ml,得到转化前还原糖待测液S2。
3.2 测定吸取10ml铁氰化钾溶液和2.5ml 10%NaOH置于锥形瓶中,加水12.5ml和几粒玻璃珠,从滴定管中放入较预滴定时所耗量少0.2~0.3ml样液S2,置石棉网上将溶液迅速煮沸并继续沸腾30s,加1滴次甲基蓝,立即用样液趁沸滴定至蓝色消失为止,记下所耗样液毫升数V1。
4 蔗糖测定4.1 样液制备吸取制备好样液S1 25ml于100ml容量瓶中,加25ml水和5ml浓盐酸,置于70℃水浴中10分钟,取出置流水下冷却至20℃,加入7ml 30%NaOH,用5%NaOH中和至微碱性,定容至100ml,得到转化后还原糖待测液S3。
4.2 测定同上述还原糖滴定,记下所耗样液毫升数V2。
间苯二酚法测定D-塔格糖含量徐磊;赵东莹;王一倩;张春枝【摘要】采用间苯二酚法检测D-塔格糖含量,建立并优化了测定条件.结果表明,D-塔格糖浓度在0~60 μg/mL呈良好的线性关系,相关系数为0.999 9,最低检出限为6.66 μg/mL,加标回收率为100.18%,相对标准偏差2.20%.%The resorcinol method was used to detect D-tagatose content, and the conditions were optimized.The result showed that the content of D-tagatose was in a good linearity in the range of 0 to 60 μg/mL with a correlation coefficient of 0.999 9, the minimum detection limit of 6.66 μg/mL, the average recovery rate of 100.18%, relative standard deviation of 2.20%.【期刊名称】《大连工业大学学报》【年(卷),期】2017(036)003【总页数】3页(P168-170)【关键词】间苯二酚;D-塔格糖;优化【作者】徐磊;赵东莹;王一倩;张春枝【作者单位】大连工业大学生物工程学院, 辽宁大连 116034;大连工业大学生物工程学院, 辽宁大连 116034;大连工业大学生物工程学院, 辽宁大连 116034;大连工业大学生物工程学院, 辽宁大连 116034【正文语种】中文【中图分类】TS201D-塔格糖是一种在自然界中较为稀有的天然己酮糖[1-2],其甜味与蔗糖相似,甜度是蔗糖的92%,不产生不良风味和后味,是一种很好的功能性甜味剂[3-5],在食品工业上可以安全使用。
第1篇一、实验背景蜂蜜作为一种天然食品,具有丰富的营养价值和保健功效。
然而,由于市场需求量的增加,一些不法商家为了追求经济利益,采取掺伪手段,以次充好,严重损害了消费者的利益。
为了提高消费者的辨别能力,本实验对蜂蜜的掺伪方式进行检测和分析。
二、实验目的1. 了解蜂蜜掺伪的常见方式;2. 掌握蜂蜜掺伪的检测方法;3. 提高消费者对蜂蜜的辨别能力。
三、实验材料1. 蜂蜜样品:样品1(纯正蜂蜜)、样品2(掺水蜂蜜)、样品3(掺糖蜂蜜)、样品4(掺果葡糖浆蜂蜜);2. 滤纸;3. 量筒;4. 烧杯;5. 酒精灯;6. 玻璃棒;7. pH试纸;8. 水浴锅;9. 蜂蜜成分检测仪。
四、实验方法1. 观察法:观察蜂蜜样品的颜色、透明度、粘度等特征,初步判断蜂蜜的品质;2. 滤纸法:取蜂蜜数滴,滴在滤纸上,观察滴落后是否很快湿润滤纸,以判断蜂蜜的含水量;3. pH值测定法:取蜂蜜样品,用pH试纸测定其pH值,以判断蜂蜜的酸度;4. 蜂蜜成分检测法:使用蜂蜜成分检测仪,对蜂蜜样品进行成分分析,以判断蜂蜜是否掺假。
五、实验步骤1. 观察法:将四种蜂蜜样品分别放置在白纸上,观察其颜色、透明度、粘度等特征;2. 滤纸法:取蜂蜜样品,分别滴在滤纸上,观察滴落后是否很快湿润滤纸;3. pH值测定法:取蜂蜜样品,用pH试纸测定其pH值;4. 蜂蜜成分检测法:将蜂蜜样品分别放入蜂蜜成分检测仪中,进行成分分析。
六、实验结果与分析1. 观察法:样品1为纯正蜂蜜,颜色呈淡黄色,透明度高,粘度适中;样品2为掺水蜂蜜,颜色较深,透明度较低,粘度较低;样品3为掺糖蜂蜜,颜色呈深黄色,透明度较低,粘度较低;样品4为掺果葡糖浆蜂蜜,颜色呈深黄色,透明度较低,粘度较低。
2. 滤纸法:样品1滴落后很快湿润滤纸,样品2、3、4滴落后很快浸透、消散。
3. pH值测定法:样品1的pH值为4.5,样品2、3、4的pH值分别为5.0、5.2、5.5。
4. 蜂蜜成分检测法:样品1的果糖和葡萄糖含量分别为38%、32%,样品2、3、4的果糖和葡萄糖含量分别为45%、40%、50%。
鉴别蜂蜜掺假的有效方法蜂蜜,是蜜蜂从开花植物的花中采得的花蜜在蜂巢中酿制的蜜。
其主要成分为糖类,其中60%~80%是人体易吸收的葡萄糖和果糖。
此外还含有各种维生素、矿物质、黄酮类物质和氨基酸等。
一、目前测定蜂蜜掺假方法及优缺点:(1) C-稳定同位素分析法( GB/T 18932.1-2002 蜂蜜中碳-4植物糖含量测定方法稳定碳同位素比率法,OAC-方法998.12),纯蜂蜜中含有糖和蛋白质的同位素值是一致的,掺杂造假时通常加入的仅仅是糖。
如果加入的糖为C4植物的糖(甘蔗蔗糖、玉米糖浆),由于c4植物的糖和来源于C3植物的蜂蜜的糖和蛋白的同位素值存在明显差异,因此加入糖后,蜂蜜中糖的同位素值改变了,而蜂蜜中蛋白的同位素值并没有改变,因此用该种方法将整个蜂蜜的C12同位素和C13同位素与蜂蜜蛋白质的这两种同位素相比较,以确定蜂蜜中是否含有C4糖,蜂蜜中C4糖的份额越高,则蛋白质与蜂蜜值之间的商越负。
但是因为同位素关系的转移明显变小,该方法只能用于证明掺杂物超过7%的蜂蜜。
而且目前存在通过C3植物(大米糖浆和甜菜糖浆)的糖来进行掺杂造假的现象,而这种掺杂造假的方法,通过同位素方法就根本无法进行鉴别。
(2)高效液相色谱示差折光法(HPLC-RID)GB-T 18932-22-2003 蜂蜜中果糖、葡萄糖、蔗糖、麦芽糖含量的测定方法液相色谱示差折光检测法,借助于带有示差折光检测器识别的高效液相色谱仪可以将果糖、葡萄糖、蔗糖和麦芽糖进行分离,直接测定蜂蜜中这四种糖的含量,以判断蜂蜜中的糖是否符合国家标准。
如果蜂蜜中掺杂了麦芽糖浆在此处会凸现出来,对于掺杂蔗糖的蜂蜜,由于蜂蜜中本身存在蔗糖酶,超过一定时间,加入的蔗糖也检测不出来。
对于掺杂果葡糖浆的蜂蜜,该方法没有任何作用。
(3)薄层色谱法(TLC)(B/T 18932.2-2002 蜂蜜中高果糖淀粉糖浆测定方法薄层析法)蜂蜜中所含有只有单糖、二糖和三糖,通常不含有4糖以上的寡糖。
利用0.1%间苯二酚(0.1g间苯二酚溶液于100mL 95%乙醇溶液)与标准果糖溶液(取100mg 烘至衡重的果糖,用80%乙醇配成500ml溶液,得到质量浓度为200g/ml的果糖溶液)的配合使用来测取,首先将标准果糖溶液用80%乙醇稀释成0、15、30、50、75、100、150、
不同质量浓度。
取小试管8支,分别加入1ml不同质量浓度的标准果糖溶液,各加入2ml 0.1%间苯二酚及1ml H2O,摇匀。
80℃水浴反应10min,冷却至室温,用分光光度计在480nm处测定光密度OD值,以0浓度管调零。
绘制成果糖质量浓度-OD值曲线。
然后取中药麦冬水提液代替标准果糖溶液,按上述步骤进行果糖含量的测定,读取光密度OD值,从标准曲线得到提取液总的果糖含量,然后再行计算样品中的果糖含量。
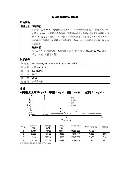
液相色谱法蜂蜜含量检测方案(依据2015版中国药典)明朝李时珍的《本草纲目》这样记载蜂蜜的功效:清热也、补中也、润燥也,解毒也、止痛也。
蜂蜜在很多中成药药丸中,都是以辅料的形式出现,为了便于成型,再就是做药引,蜂蜜有很大的药用价值的。
蜂蜜的药用价值非常广泛,不仅只体现在中成药这一块,蜂蜜对肝炎、肺结核、失眠、神经衰弱、胃肠疾病都有很好的辅助治疗作用。
检测标准AUPOS液相色谱应用实验室依照2015版《中国药典》一部中蜂蜜样品进行检测,对蜂蜜样品中果糖、蔗糖、葡萄糖、和麦芽糖的含量做出详细应用方案。
溶液配制供试品溶液:取蜂蜜样品约1g,精密称定,置具塞锥形瓶中,精密加入40%乙腈20ml,溶解,摇匀,滤过,取续滤液,即得。
系列对照品溶液:分别精密称取果糖对照品1.0g,葡萄糖对照品0.8g,置同一具塞锥形瓶中,精密加入40%乙腈20ml,溶解,摇匀,作为果糖,葡萄糖对照品储备液。
另精密称取蔗糖对照品0.2g,麦芽糖对照品0.2g,置同一具塞锥形瓶中,精密加入40%乙腈10ml,溶解,摇匀,作为蔗糖、麦芽糖对照品储备液。
分别精密量取果糖,葡萄糖对照品储备和蔗糖、麦芽糖对照品储备液,加40%乙腈配成不同浓度的果糖、葡萄糖、麦芽糖混合对照品溶液。
每一浓度溶液配制中,储备液的用量和稀释体积见下表:色谱条件仪器:APS80-16PLUS智能液相色谱仪流动相:乙腈:水=75:25(V/V)流速:1.0ml/min柱温:30℃检测器:示差(40℃)进样量:15ul测试图谱及结果评价图1:系列浓度对照品溶液叠加图表1:拟合曲线方程图2:供试品溶液图谱:图3:供试品溶液连续进样三针叠加图谱对蜂蜜样品供试品测试结果显示结论:在药典色谱条件下,APS-80-16PLUS智能液相色谱系统,采用APS-Hon-Sugar色谱柱(蜂蜜专用柱)的分离过程中,对果糖、蔗糖、葡萄糖、和麦芽糖的混合对照品溶液测定,绘制标准曲线,得回归方程,回归系数R²>0.99,完全符合药典对于四种糖准确定量的要求。
间苯二酚法测定蜂蜜中果糖的研究
卢珍华;倪辉;杨远帆;蔡慧农
【期刊名称】《集美大学学报(自然科学版)》
【年(卷),期】2006(011)003
【摘要】对利用间苯二酚法测定蜂蜜中果糖的条件进行了优化选择,并对其应用性进行了评估.结果表明,果糖与间苯二酚、盐酸共热生成的红色络合物在483 nm处吸收峰最高;当间苯二酚质量浓度为2 g/L、盐酸浓度为5 mol/L、加热温度为100 ℃、加热时间为7 min、果糖的质量浓度在0.2~2 g/L之间时,果糖的质量浓度与吸光值具有良好的线性关系,回归方程为Y=0.035+0.564 8x, r2=0.999 4.【总页数】4页(P223-226)
【作者】卢珍华;倪辉;杨远帆;蔡慧农
【作者单位】集美大学生物工程学院,福建,厦门,361021;集美大学生物工程学院,福建,厦门,361021;集美大学生物工程学院,福建,厦门,361021;集美大学生物工程学院,福建,厦门,361021
【正文语种】中文
【中图分类】S896.1
【相关文献】
1.高效液相色谱法与化学法测定蜂蜜中果糖、葡萄糖、蔗糖、麦芽糖含量的比较与研究 [J], 田艳玲;王浩;张曼玲;陈婧
2.液相色谱-示差折光法测定蜂蜜中果糖、葡萄糖、蔗糖、麦芽糖的改进研究 [J],
汪良清;胡桂标
3.间苯二酚分光光度法测定果葡糖浆中的果糖 [J], 柴元武
4.间苯二酚分光光度法测定芥菜多糖中的果糖含量 [J], 哈森其木格;贺锋嘎
5.HPLC-RID法测定蜂蜜中果糖、葡萄糖、蔗糖、麦芽糖及乳糖含量 [J], 赵芳因版权原因,仅展示原文概要,查看原文内容请购买。
蜂蜜酿造过程中糖分的变化规律徐贤;顾振宇【摘要】旨在通过分析不同酿造程度蜂蜜的理化指标和糖组分,找出蜂蜜在成熟过程中糖分的变化规律,从而获得评价蜂蜜品质的特征性指标.分别测定不同酿造程度蜂蜜的水分含量、锤度、酸度、pH值、电导率,并采用HPLC-ELSD法定量分析在蜂巢内酿造不同时间的5种蜂蜜的糖组分.通过单因素方差分析(ANOVA)可知,不同酿造程度的蜂蜜存在显著性差异;而由主成分分析可知,果糖、海藻糖、葡萄糖、麦芽酮糖、吡喃葡萄糖基蔗糖是引起不同酿造程度蜂蜜差异性的主导因素.因此,海藻糖、麦芽酮糖、吡喃葡萄糖基蔗糖可以作为鉴别不同酿造程度蜂蜜的特征性指标.【期刊名称】《食品与机械》【年(卷),期】2015(031)006【总页数】5页(P88-91,104)【关键词】蜂蜜;理化指标;特征性糖分;HPLC-ELSD;主成分分析PCA【作者】徐贤;顾振宇【作者单位】浙江工商大学食品与生物工程学院,浙江杭州 310018;浙江省食品质量与安全重点实验室,浙江杭州 310018;浙江工商大学食品与生物工程学院,浙江杭州 310018;浙江省食品质量与安全重点实验室,浙江杭州 310018【正文语种】中文蜂蜜是蜜蜂采集植物的花蜜、分泌物或蜜露,与自身分泌物结合后,经充分酿造而成的天然甜物质[1]。
蜂蜜因其含有特殊的保健功能成分(如多酚类物质、蜂花粉、寡糖等)深受消费者的青睐[2-3],但是其通常需要在蜂巢内酿造一个蜜源花期才能完全封盖并成熟[4]。
然而,由于中国蜂农“追花夺蜜”的养蜂方式[5],以及蜂蜜加工厂商“低价统一收购”等原因导致蜂农生产天然成熟蜜的积极性不高[6],出现“3d一取蜜”甚至“每天摇蜜”的普遍现象[4]。
这种不成熟的蜜水分含量高,易发酵变酸极不利于储存。
因此,建立一种快速、有效的蜂蜜品质识别方法迫在眉睫。
蜂蜜在酿造过程中主要发生变化的是糖类物质。
蜂蜜中糖分的检测主要有传统的化学分析法(包括滴定法和分光光度法)以及现代仪器分析技术[7-12]。
间苯二酚测定果糖原理
咱来唠唠间苯二酚测定果糖的原理哈。
果糖呢,它是一种单糖,在和间苯二酚发生反应的时候啊,是有特殊的化学变化的。
间苯二酚这种物质,它具有特定的化学结构。
当它和果糖相遇,就像是两个有着独特个性的小伙伴碰到一起,会发生一些很奇妙的事情。
果糖里的一些官能团,就像它身上独特的小标志一样,会和间苯二酚的结构相互作用。
具体来说呢,果糖中的羰基等结构,会和间苯二酚发生反应,这种反应可能会涉及到电子的转移、化学键的形成或者断裂之类的。
就好比两个人握手,手就是他们之间形成的新的联系。
这个反应会产生一些可以被我们检测到的变化,比如说颜色的改变。
这种颜色改变是有一定规律的,而且和果糖的含量有一定的关系。
就像我们知道的很多化学反应一样,这里面也有着化学平衡的原理在起作用。
反应不会无限制地进行下去,当达到一定的平衡状态时,各种物质的浓度就相对稳定了。
通过对这个反应过程和结果的研究,我们就能够利用间苯二酚来测定果糖的含量啦。
而且哦,这个测定原理不是凭空而来的,是经过很多科学家的不断研究和实验得出来的。
他们在实验室里,一次次地调整反应条件,观察反应结果,就像我们在做一道很难的数学题一样,不断尝试不同的解法,最后才找到了这个可靠的测定原理。
这也告诉我们,做事情要不断探索,不能轻易放弃呢。
另外呢,这个原理在实际应用中也很重要。
比如说在食品工业里,我们要知道某种食品里果糖的含量,就可以用这个方法来测定。
这样就能保证食品的质量,符合相关的标准啦。
在一些生物化学的研究中,如果涉及到果糖的检测,这个原理也是一个很有用的工具哦。
果糖二磷酸几种测定方法的比较
万宇;赵之光
【期刊名称】《中国生化药物杂志》
【年(卷),期】1998(019)003
【摘要】通过酶法,分级分离间苯二酚比色法及二苯胺比色法测定果糖二磷酸及其制剂含量的比较表明,酶法优于其它两种方法,二苯胺法专属性最差。
【总页数】3页(P154-156)
【作者】万宇;赵之光
【作者单位】安徽省应用技术研究所;安徽省应用技术研究所
【正文语种】中文
【中图分类】R392-33
【相关文献】
1.果糖二磷酸钠片含量测定方法研究 [J], 金兴成;刘丽萍
2.HPLC法测定果糖二磷酸钠注射液中果糖二磷酸钠的测定 [J], 滕艳坤;阚微娜
3.1,6—二磷酸果糖的快速测定方法 [J], 杜振宁;吴梧桐
4.测定果糖二磷酸几种定量方法的比较 [J], 李丽珍;陈执中
5.小麦叶绿体果糖-1,6-二磷酸醛缩酶活性的测定方法及应用 [J], 吕科;刘富兵;花庆;张兆龙;郭蔼光;徐虹
因版权原因,仅展示原文概要,查看原文内容请购买。
间苯二酚法测定蜂蜜中果糖的研究
[摘要]对利用间苯二酚法测定蜂蜜中果糖的条件进行了优化选择,并对其应用性进行了评估.结果表明,果糖与间苯二酚、盐酸共热生成的红色络合物在483 nm处吸收峰最高;当间苯二酚质量浓度为2g/L、盐酸浓度为5 mol/L、加热温度为100 oC、加热时间为7 min、果糖的质量浓度在0.2—2 g/L之间时,果糖的质量浓度与吸光值具有良好的线性关系,回归方程为Y=0.035+0.564 8x,r2=0.999 4.
[关键词]蜂蜜;果糖;间苯二酚;测定
引言
蜂蜜是一种良好的保健食品,它的主要成分是糖类,糖类的组成是衡量蜂蜜质量的重要指标.由于缺乏合适的检测方法,蜂蜜中果糖通常很难测定,目前关于这方面的相关报道也较少.因此,建立蜂蜜中果糖的测定方法对蜂蜜质量控制及检测具有重要的意义.常用的果糖分析方法有旋光法、薄层色谱法 ]、高效液相色谱法】、气相色谱法及分光光度法等.旋光法虽然快速准确,但取样量大;薄层色谱不适于定量分析,而常只是作为定性分析的手段.高效液相色谱及气相色谱法结果精确可靠,但设备昂贵、需要专门的分析检测人员、分析成本高,不适于现场检测.分光光度法在测定果糖时有多种运用形式,紫外分光光度法由于在紫外区易受蜂蜜中其它成分(如小肽、硝酸根蔗糖)的干扰而准确性不高.间苯二酚法是一种常用的酮糖和醛糖定性鉴别方法.本文拟建立利用间苯二酚显色反应分析果糖方法,并对该方法测定蜂蜜中果糖的适用性进行评价,为利用间苯二酚法分析检测蜂蜜中的果糖提供条件参数.
1 材料与方法
1.1 材料
5种蜂蜜样品购自福州市红星农场.
1.2 试剂与仪器
果糖、间苯二酚、盐酸均为分析纯,CARY50型紫外可见分光光度计(美国瓦里安公司).
1.3 原料及标准样品的处理方法
原料或标准样品——加入适量间苯二酚及盐酸溶液——定容——水浴加热至100℃并恒温一段时间——迅速冷却——测定吸光值.
2 结果与讨论
2.1 实验条件的优化与选择
2.1.1 吸收曲线波长的确定
配制一定质量浓度的果糖,加入适量间苯二酚及4 mol/L的盐酸溶液,煮沸6 min,迅速冷却后在450~550 nm之间进行光谱扫描,结果如图1所示.果糖用间苯二酚在酸热条件下显色后的最大吸收峰483 nm处,因此本实验选用此波长作为测量波长.
2.1.2 间苯二酚质量浓度对果糖测量的影响
固定果糖质量浓度为l g/m,盐酸浓度为4 mol/L,调节间苯二酚与果糖的质量浓度比分别和2.0,100℃显色6 min后测定吸光度,结果如图2所示.当问苯二酚与果糖质量浓度比低于1.0时,吸光度随比值的增大呈线性增加;当间苯二酚质量浓度大于果糖质量浓度时,再增加间苯二酚的质量浓度,吸光值增大的幅度明显变小,基本处于一个相对稳定的值.所以,在实际测量时应适当控制间苯二酚的质量浓度稍大于果糖质量浓度.
2.1.3 盐酸浓度对显色反应的影响
固定果糖质量浓度为l g/g,间苯二酚质量浓度为2 g/L,调节盐酸浓度分别为l、2、3、4、5、6、7、8、9 moL/L,100℃反应6 min,测定吸光度,结果如表l所示.由表l可见,盐酸浓度会对显色
反应产生重要影响,当盐酸浓度低于8 mol/L时,吸光值随着盐酸浓度的增加而增加,盐酸浓度超过6 mol/L后就开始出现沉淀,显色反应后需过滤才能测定吸光度.因此在实际应用时既要避免盐酸浓度过低致使显色反应不灵敏,又应避免盐酸浓度过高而出现沉淀,适宜的盐酸浓度应在4—6 mol/L之间.
2.1.4 显色时间对显色反应变量的影响
配制一系列果糖质量浓度为l g/g、间苯二酚质量浓度为2 g/L、盐酸浓度为5 mol/L的混合溶液,在lO0 oC下分别显色2、4、6、8、lO、l2、l4、l6、18 min,测定其吸光值,结果如图3所示.可见,显色时间对显色反应也会产生重要影响,显色时间在6—8 min之间,吸光值最大;当显色时间小于6 min时,吸光值随显色时间的增加而增大;当显色时间大于8 min时,吸光值随显色时间的增加而减少.因而在实际操作时,应控制显色时间在6—8 min之间.
2.2 工作曲线的绘制
配制一系列的果糖溶液,控制间苯二酚的质量浓度为2 g/L,盐酸的浓度为5 mol/L,显色温度为100℃,显色时间为7 min,测定吸光值与果糖质量浓度之间的关系,实验结果见图4.当果糖质量浓度在0~2 g/L时,果糖的质量浓度与吸光度之间有着良好的线性,其线性方程为Y=0.035+0.564 8x;r =0.999 4,说明回归方程很好地拟合了实验结果.
2.3 回收率及精密度的测定
配制一系列果糖标准样溶液,控制间苯二酚的质量浓度为2 g/L,盐酸的浓度为5 moL/L,显色温度为100℃,显色时间为7 rain,测定吸光值,用上述的标准曲线计算得到检测出的果糖质量浓度,比较检测出的质量浓度与实际质量浓度之间的差别,计算回收率与相对标准偏差,来衡量该方法的准确性与精密性,实验结果如表2.所有样品的回收率在98.83%~103.00%之间,相对标准偏差在0.42%~3.16%之间,这些值都处于定量分析所许可的范围内,说明当样品中果糖的质量浓度在0.02~0.96 L之间时,建立的方法有着良好的准确性与精密性.
2.4 蜂蜜中果糖的定量分析
称取蜂蜜0.50 g,加入适量质量浓度的间苯二酚盐酸溶液,用水稀释至100 mL,使间苯二酚的终质量浓度为2 g/L,盐酸的浓度为5 moL/L,100℃显色7 rain后测定吸光度,计算样品中果糖的质量浓度,结果如表3所示.用间苯二酚法测定5种蜂蜜样品中的果糖与报道的一些结果相似,这证明新建立的方法用于蜂蜜中果糖的检测可以得到准确的结果.新建立的方法操作简便、干扰因素少、结果可靠,非常适用于蜂蜜中果糖的分析测定.
3 小结
1)吸收波长的选择是分光光度法运用是否成功的关键,单一组分的溶液通常以最大吸收峰处的
波长作为检测波长以使检测分析具有较高的灵敏度.间苯二酚只能使酮糖产生显色反应,因而蜂蜜中的葡萄糖对果糖的显色不会产生干扰,所以蜂蜜用间苯二酚显色后的溶液可以看作是果糖的分解产物与间苯二酚结合所产生的单色素溶液,故可以选择其最大吸收峰(483 nm)作为检测的波长.
2)显色条件是影响显色反应与检测灵敏性的重要因素,显色剂的用量、盐酸浓度、显色时间等
3个因素都会对显色反应产生重要的影响.通过3个单因素实验,最终确定了显色反应的条件为:间苯二酚的质量浓度为2 g/L,盐酸的浓度为5 mol/L,显色温度为100 clC,显色时间为7 rain.在此条件下,果糖与吸光值之间的标准工作曲线的回归方程为Y=0.035+0.564 8x,r2=0.999 4.3)回收率与精密度实验结果表明,新建立的方法用于果糖的分析不仅能得到准确的实验结果,而且结果的重现性好.
[参考文献]
[1] 张坚,刘风云,许子俊,等.青海省油菜花蜂蜜营养成分的研究[J].营养学报,1995,17(2):234.237.【2]彭志军,刘志龙.旋光法测蜂蜜含糖量的研究[J].黑龙江医药,2003,16(5):422-423.
[3]杨景芝,孙衍华,张杰道,等.蜂蜜中糖的薄层展开剂的研究与应用[J].色谱,2003,21(4):427-429.
[4]杨本宏,郑敏,陈玉光.液相色谱法测定玉米乳酸发酵饮料的糖含量[J].合肥工业大学学报,21302,25(1):147.149.
[5]毛多斌,曲志刚,张峻松,等。
烟草中游离糖的毛细管气相色谱分析[J].色谱,2003,21(4):437.
[6]占达东.紫外分光光度法测定蜂蜜中果糖的含量[J].湘潭大学自然学报,2003,25(2):41-42.
【7]哈森其木格,贺锋嘎.间苯二酚分光光度法测定芥菜多糖中的果糖含量[J].光谱学与光谱分析,2302,22(6):446—4牾.
[8]叶建农,赵学伟,金薇,等.蜂蜜含糖量的高效毛细管电泳测定研究fJ].分析测试学报,1998,17(3):34—36。