VVVF门机控制器操作说明
- 格式:docx
- 大小:102.77 KB
- 文档页数:27
VVVF门机控制器操作说明一、概述VVVF门机控制器是一种电动门控制设备,采用可变电压可变频调速技术,可以实现电动门的平稳启动、运行和停止。
本操作说明旨在向用户介绍VVVF门机控制器的操作方法和注意事项,帮助用户正确、安全地操作设备。
二、操作方法1.启动:确保电源连接正常,打开控制器电源开关。
控制器将进行自检,确认无异常后,可进行启动操作。
a.按下启动按钮,门机将缓慢启动,门体逐渐打开。
启动过程中,应注意门体运动情况,确保安全。
b.启动后,可以根据需要调节门机运动速度。
速度调节按钮位于控制器面板上,按下并拨动该按钮,可增加或减小门机速度。
2.运行:门机启动后,门体开始运行。
运行期间,可以通过控制器面板上的停止按钮随时停止门机的运动。
另外,如果控制器配备有遥控器,遥控器上的停止按钮也可实现远程停止门机的功能。
3.停止:当门机运行到指定位置时,或者需要停止门机时,按下停止按钮。
门体将逐渐停止运动,控制器将关闭输出,实现门机停止。
4.开关门操作:a.控制器配备有开关门按钮,按下该按钮,门体将缓慢打开或关闭。
按钮上方通常会有“开”和“关”标志,用以指示当前门体状态。
b.如果控制器配备有遥控器,遥控器上的开关门按钮也可实现远程开关门操作。
5.故障处理:在操作过程中,如果发生故障,控制器会进行自动保护,并通过报警指示灯提示用户。
此时,应立即停止操作,检查故障原因,并解决故障后方可重新启动。
三、注意事项1.请确保严格按照控制器的额定电压和额定功率使用设备,避免超载使用。
2.在启动和停止门机时,应注意门体运动情况,防止损坏或伤害。
3.切勿用湿手或潮湿的物品触摸控制器,避免发生触电事故。
4.定期检查控制器和接线的连接情况,确保无松动或锈蚀现象。
5.若长时间不使用控制器,请关闭电源开关,避免长时间通电造成设备故障。
7.在操作控制器时,请戴好工作防护用品,确保人身安全。
四、维护保养1.定期清洁控制器面板和按钮,避免灰尘或杂物进入设备内部。
VVVF门机控制器操作说明VVVF门机控制器——操作说明书注:H100版以后(包括H100版)的门机变频器、面板控制模式和端子控制模式的设定是由变频器壳体上手动/自动开关来设定,开关放到手动即为面板控制模式;开关放到自动即为端子控制模式。
F11对于H100版以后的门机变频器不起作用,对于H100版以前仍然为0 —面板控制模式; 2 —端子控制模式。
1. 安装工作程序1.1 安装注意事项1. 1. 1 控制器设计安装于轿顶。
操作及安装时应小心,尤其不能有金属、水、油或其它异物进入门机控制1.1.2 不要将门机控制器安装于易燃材料上。
1.1.3在轿顶安装门机控制器时,一方面要保证面板能被良好的观察,另一方面要保证门机控制器的清洁。
1.1.4 在进行接线工作前,必须确保门机控制器电源至少已切断两分钟。
否则会存在电击或放电危险。
1.1.5门机控制器的接线必须由有专业资格的人员来完成。
1.1.6检查安全开关电路是否断开(急停)。
1.1.7 确保所有的电气部件都正确接地。
1.1.8 确认门机控制器有正确的电源电压。
1.1.9反复确认装置接线正确。
1.2 使用注意事项1.2.1 在布线过程中始终注意信号及控制线(弱电)与交流电源线、电机线(强电)之间保持一定距离,不要混在一起,避免造成干扰。
1.2.2 在轿厢启动前,控制系统必须给出关门指令,并且在轿厢运行过程中始终给出关门指令,避免门锁断开造成中途停车。
1.2.3 HdXX或HXXX(Hd4、H100等为软件版本号)为软件版本标志,“20. 00”—为可读入脉冲数,如遇软件版本升级,恕不再另行通知。
1.2.4 对于开关门控制信号输入必须使用无源触点,避免造成门机变频器损坏或工作不正常。
1.2.5 在使用前必须仔细阅读本说明书。
2.产品介绍2.1 工作环境2.1.1 使用在无尘埃、腐蚀性气体、可燃性气体、油雾、水蒸气的环境中。
2.1.2 温度:-10℃~+40℃。
VVVF变频门机电气使用说明一、安全注意事项1.1确认供电电源符合本说明中对供电电源的要求。
1.2按本说明中的配线要求进行接线,并反复确认接线正确。
1.3控电盒通电后,无论因何种原因需切断电源后而接触接线端子,必须在切断电源至少2分钟后进行。
1.4不可有异物进入或残留于电控箱中。
1.5维护、检查和更换部件等必须由指定的专人负责。
1.6不可蹬、踩或坐于电控箱上。
二、供电电源2.1供电电源使用单相交流电源AC220V±10%,3A 50HZ/60HZ±5%2.2请一定使用复式脱扣空气开关(如C45N)向门机供电。
2.3供电电源须由主机控制:电梯使用时,同时给门机送入电源:电梯停止使用时应切断门机电源。
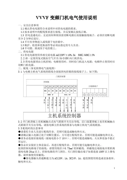
三、配线(参见附图电气接线图)3.1与电梯主机电气系统的联线全部接到电控箱的接线端子上,如下图:3.2式联锁开关引出导线,请按电梯主控系统的要求与电梯主机电气系统联接。
3.3配线时的注意事项●请委托专业人员进行配线作业。
否则可能造成触电和火灾。
●请确认输入电源已处于切断位置后,方可进行配线作业。
否则可能造成触电和火灾。
●请务必连接好接地线(接地电阻小于10Ω)。
否则可能造成触电、火灾和设备不能正常运行。
●务必在安装好主体设备后,再进行配线作业。
否则可能引起触电和火灾。
接到控制电路端子的接线,请使用线径≥0.75mm²的屏蔽线。
屏蔽线近端接地并要距离强电电路20cm以上。
控制电路的开门到位、关门到位输出端子如果连接100V以上继电器,请单独使用屏蔽线。
●继电器触头的通断能力为AC120V、1A;DC24V、1A。
超范围使用将造成设备损坏、触电和火灾。
●为防止接到控制电路端子的继电器接触不良,请使用微小信号接点或是双触点的继电器。
四、输入、输出信号说明4.1输入信号在配线图中,关门指令信号、开门指令信号是电梯主机控制系统送入门机控制器的信号,即输入信号。
输入信号应为开关量,此开关量可以是一对电接点(如继电器触头)的通断,也可以是或一个电子器件(如NPN晶体管或光耦)的饱和导通或截止。
VVVF门机控制器——操作说明书注:H100版以后(包括H100版)的门机变频器、面板控制模式和端子控制模式的设定是由变频器壳体上手动/自动开关来设定,开关放到手动即为面板控制模式;开关放到自动即为端子控制模式。
F11对于H100版以后的门机变频器不起作用,对于H100版以前仍然为0 —面板控制模式; 2 —端子控制模式。
1. 安装工作程序1.1 安装注意事项1.1. 1 控制器设计安装于轿顶。
操作及安装时应小心,尤其不能有金属、水、油或其它异物进入门机控制1.1.2 不要将门机控制器安装于易燃材料上。
1.1.3在轿顶安装门机控制器时,一方面要保证面板能被良好的观察,另一方面要保证门机控制器的清洁。
1.1.4 在进行接线工作前,必须确保门机控制器电源至少已切断两分钟。
否则会存在电击或放电危险。
1.1.5门机控制器的接线必须由有专业资格的人员来完成。
1.1.6检查安全开关电路是否断开(急停)。
1.1.7 确保所有的电气部件都正确接地。
1.1.8 确认门机控制器有正确的电源电压。
1.1.9反复确认装置接线正确。
1.2 使用注意事项1.2.1 在布线过程中始终注意信号及控制线(弱电)与交流电源线、电机线(强电)之间保持一定距离,不要混在一起,避免造成干扰。
1.2.2 在轿厢启动前,控制系统必须给出关门指令,并且在轿厢运行过程中始终给出关门指令,避免门锁断开造成中途停车。
1.2.3 HdXX或HXXX(Hd4、H100等为软件版本号)为软件版本标志,“20. 00”—为可读入脉冲数,如遇软件版本升级,恕不再另行通知。
1.2.4 对于开关门控制信号输入必须使用无源触点,避免造成门机变频器损坏或工作不正常。
1.2.5 在使用前必须仔细阅读本说明书。
2.产品介绍2.1 工作环境2.1.1 使用在无尘埃、腐蚀性气体、可燃性气体、油雾、水蒸气的环境中。
2.1.2 温度:-10℃~+40℃。
2.1.3 湿度:小于90%RH,无结露。
核奥达门机控制器操作说明VVVF门机控制器——操作说明书注:H100版以后(包括H100版)的门机变频器、面板控制模式和端子控制模式的设定是由变频器壳体上手动/自动开关来设定,开关放到手动即为面板控制模式;开关放到自动即为端子控制模式。
F11对于H100版以后的门机变频器不起作用,对于H100版以前仍然为0 —面板控制模式; 2 —端子控制模式。
1. 安装工作程序1.1 安装注意事项1. 1. 1 控制器设计安装于轿顶。
操作及安装时应小心,尤其不能有金属、水、油或其它异物进入门机控制1.1.2 不要将门机控制器安装于易燃材料上。
1.1.3在轿顶安装门机控制器时,一方面要保证面板能被良好的观察,另一方面要保证门机控制器的清洁。
1.1.4 在进行接线工作前,必须确保门机控制器电源至少已切断两分钟。
否则会存在电击或放电危险。
1.1.5门机控制器的接线必须由有专业资格的人员来完成。
1.1.6检查安全开关电路是否断开(急停)。
1.1.7 确保所有的电气部件都正确接地。
1.1.8 确认门机控制器有正确的电源电压。
1.1.9反复确认装置接线正确。
1.2 使用注意事项1.2.1 在布线过程中始终注意信号及控制线(弱电)与交流电源线、电机线(强电)之间保持一定距离,不要混在一起,避免造成干扰。
1.2.2 在轿厢启动前,控制系统必须给出关门指令,并且在轿厢运行过程中始终给出关门指令,避免门锁断开造成中途停车。
1.2.3 HdXX或HXXX(Hd4、H100等为软件版本号)为软件版本标志,“20. 00”—为可读入脉冲数,如遇软件版本升级,恕不再另行通知。
1.2.4 对于开关门控制信号输入必须使用无源触点,避免造成门机变频器损坏或工作不正常。
1.2.5 在使用前必须仔细阅读本说明书。
2.产品介绍2.1 工作环境2.1.1 使用在无尘埃、腐蚀性气体、可燃性气体、油雾、水蒸气的环境中。
2.1.2 温度:-10℃~+40℃。
展鹏数字式VVVF同步带门机和挂件安装调试说明(部分)(2009-04-15 16:00:20)数字式VVVF同步带门机和挂件安装调试说明2 面板说明2.1 双位七段码显示2.1.1 正常工作状态下显示门位置的脉冲位置脉冲用双位十进制显示:门完全闭合位置(门刀已完全放开)显示为00,门完全开足位置显示为99,其它位置按比例显示。
2.1.2 修改参数时,参数类别号以双位十六进制显示;参数值用双位十进制显示,当前位闪烁显示。
2.1.3 参数值设置报警以双位闪烁方式显示,十位闪烁显示出错的参数类别(U、H、P),个位闪烁显示“-” 。
2.1.4 故障显示,十位闪烁显示“-”,个位闪烁显示故障代码(1-8)。
2.1.5 面板显示优先级:参数设置>参数值设置故障>门机故障>正常显示。
2.2 键盘分布①③②④左上①键-----∧键,向上翻转参数号/参数值增1/面板开门;左下②键-----∨键,向下翻转参数号/参数值减1/面板关门;右上③键-----F键,进入参数设置/光标移位/退出参数设置/中止开关门;右下④键-----Enter键,进入参数修改/确认修改值。
2.3 在设定A1=01/A1=02时,可按∧键开门或∨键关门在A1=02时,按∧键/∨键可使正在开/关门中的门机反向关门或开门;在A1=02/A1=03/自学习开关门时,可用F键中止本次开关门运行。
2.4 在非开关门状态下,按F键从正常显示脉冲进入参数设定状态。
2.5 首先面板显示参数号A1,这时可按∧或∨键往上或往下翻转,可持续按住∧或∨键快速翻转,找到要修改的参数号。
2.6 按Enter键进入参数修改状态,显示变为当前参数的参数值,这时可按∧或∨键修改参数值,可持续按住∧或∨键快速增减;也可按F键(在参数修改状态时转义为移位键)使光标从个位移至十位或从十位移到个位,然后修改参数值,改完后按Enter键确认,系统会自动转至下一个参数号。
2.7 全部参数设定完成后,在显示参数号状态时按F键退出,进入正常运行状态。
易升门机VVVF控制器(TD3200)调试操作说明书new苏州易升电梯部件有限公司Suzhou Eshine Elevator Components Co., Ltd.地址:江苏省吴江市北厍镇元鹤开发区6-1Address:Yuanhe Development Zone 6-1, Beishe, Wujiang, JiangsuTEL:+86-512-63246888 F AX:+86-512-63240568网址: E-mail:sales@目录目录第一章安全规程 (1)1.1 安全注意事项 (1)第二章变频器的面板及操作 (2)2.1 可调型操作面板 (1)2.2 功能码参数的设置方法 (2)第三章门机控制器接线、调试指南 (2)3.1 变频器的配线 (2)3.2 系统接线图 (3)3.3 相关功能参数一览表 (4)第四章功能参数表 (5)4.1 功能参数表 (5)4.2 开关门运行曲线参数 (5)4.3 距离控制参数 (6)4.4 多段速参数 (6)4.5 演示功能参数 (6)4.6 电机参数 (7)4.7辅助参数 (7)4.8矢量控制参数 (7)4.9开关量输入输出功能参数 (7)4.10显示及监视参数 (7)第五单参数功能详细介绍 (8)5.1 基本运行功能参数 (8)5.2 开关门运行曲线参数 (9)5.3 距离控制参数 (11)5.4 演示功能参数 (13)5.5 电机参数 (13)5.6 辅助参数 (13)5.7 矢量控制参数 (13)5.8 开关量输入输出功能参数 (13)5.9 显示及监视功能参数 (15)第六章故障对策 (15)移位键在运行和停机状态下,可选择显示参数;在设定数据时,可以选择设定数据的修改位,也可进行功能码区段切换RUN 运行键面板控制下,用于启动运行操作STOP/RESET 停机/故障复位键盘在面板操作方式下用于停机操作,也可用于复位操作来结束故障报警状态/ 频率电位计保留门机手动调试模式下,RUN键和键同时按下执行开门运行,RUN键和键同时按下执行关门运行。
VVVF门机控制器操作说明一、控制器组成及功能:1.VVVF门机控制器由主控板、控制面板和变频器组成。
主控板负责逻辑控制和信号处理,控制面板用于设置参数和监控运行状态,变频器用于调节电机转速。
2.控制器具备开门、关门、停止、纠错等功能,还支持开门机械锁控制、安全回路控制、开门保持时间调节等功能。
二、安装与连接:1.安装控制器时,要确保设备与电源连接稳定可靠,接线正确并注意接地保护。
2.控制器与门机的连接需要根据电梯门机的电气原理图进行接线,确保信号传输的准确性。
三、参数设置:1.控制面板上有相关参数设置按钮,通过按钮进行参数的设置。
可以根据实际情况进行参数调整,以满足不同的门机控制需求。
2.参数设置包括开门速度、关门速度、限位位置、门机工作模式等。
可以根据实际需求对这些参数进行调整。
四、开门过程:1.控制器在接收到开门信号后,通过控制主板的逻辑控制,启动门机电机,使电梯门打开。
2.在开门过程中,控制器会监测门机电流、门机位置等参数,确保门机的正常运行和安全性。
3.通过参数设置,可以调整门机的开门速度,以适应不同的运行环境。
五、关门过程:1.控制器在接收到关门信号后,通过逻辑控制,启动门机电机,使电梯门关闭。
2.关门过程中,控制器会监测门机电流、门机位置等参数,确保门机的正常运行和安全性。
3.通过参数设置,可以调整门机的关门速度,以适应不同的运行环境。
六、运行状态监控:1.控制面板具备运行状态监控功能,可以实时监测门机的运行状态。
2.控制器会根据监控的数据进行判断和处理,如果出现异常情况,控制器会发出报警信号并停止门机运行,以保护设备和人员安全。
七、维护与保养:1.定期检查控制器的连接是否松动,确保设备正常运行。
2.定期清洁控制器及其附件,避免灰尘和污染影响设备性能。
3.及时更换损坏的部件,确保设备的可靠性和安全性。
以上是VVVF门机控制器的操作说明,通过正确的操作和维护,可以确保电梯门机的正常运行和安全性。
展鹏数字式VVVF同步带门机和挂件安装调试说明(部分)(2009-04-15 16:00:20)数字式VVVF同步带门机和挂件安装调试说明2 面板说明2.1 双位七段码显示2.1.1 正常工作状态下显示门位置的脉冲位置脉冲用双位十进制显示:门完全闭合位置(门刀已完全放开)显示为00,门完全开足位置显示为99,其它位置按比例显示。
2.1.2 修改参数时,参数类别号以双位十六进制显示;参数值用双位十进制显示,当前位闪烁显示。
2.1.3 参数值设置报警以双位闪烁方式显示,十位闪烁显示出错的参数类别(U、H、P),个位闪烁显示“-” 。
2.1.4 故障显示,十位闪烁显示“-”,个位闪烁显示故障代码(1-8)。
2.1.5 面板显示优先级:参数设置>参数值设置故障>门机故障>正常显示。
2.2 键盘分布①③②④左上①键-----∧键,向上翻转参数号/参数值增1/面板开门;左下②键-----∨键,向下翻转参数号/参数值减1/面板关门;右上③键-----F键,进入参数设置/光标移位/退出参数设置/中止开关门;右下④键-----Enter键,进入参数修改/确认修改值。
2.3 在设定A1=01/A1=02时,可按∧键开门或∨键关门在A1=02时,按∧键/∨键可使正在开/关门中的门机反向关门或开门;在A1=02/A1=03/自学习开关门时,可用F键中止本次开关门运行。
2.4 在非开关门状态下,按F键从正常显示脉冲进入参数设定状态。
2.5 首先面板显示参数号A1,这时可按∧或∨键往上或往下翻转,可持续按住∧或∨键快速翻转,找到要修改的参数号。
2.6 按Enter键进入参数修改状态,显示变为当前参数的参数值,这时可按∧或∨键修改参数值,可持续按住∧或∨键快速增减;也可按F键(在参数修改状态时转义为移位键)使光标从个位移至十位或从十位移到个位,然后修改参数值,改完后按Enter键确认,系统会自动转至下一个参数号。
2.7 全部参数设定完成后,在显示参数号状态时按F键退出,进入正常运行状态。
V V V F门机控制器 Prepared on 24 November 2020展鹏数字式VVVF同步带门机和挂件安装调试说明(部分)(2009-04-15 16:00:20)数字式VVVF同步带门机和挂件安装调试说明2 面板说明双位七段码显示2.1.1 正常工作状态下显示门位置的脉冲位置脉冲用双位十进制显示:门完全闭合位置(门刀已完全放开)显示为00,门完全开足位置显示为99,其它位置按比例显示。
2.1.2 修改参数时,参数类别号以双位十六进制显示;参数值用双位十进制显示,当前位闪烁显示。
2.1.3 参数值设置报警以双位闪烁方式显示,十位闪烁显示出错的参数类别(U、H、P),个位闪烁显示“-” 。
2.1.4 故障显示,十位闪烁显示“-”,个位闪烁显示故障代码(1-8)。
2.1.5 面板显示优先级:参数设置>参数值设置故障>门机故障>正常显示。
键盘分布①③②④左上①键-----∧键,向上翻转参数号/参数值增1/面板开门;左下②键-----∨键,向下翻转参数号/参数值减1/面板关门;右上③键-----F键,进入参数设置/光标移位/退出参数设置/中止开关门;右下④键-----Enter键,进入参数修改/确认修改值。
在设定A1=01/A1=02时,可按∧键开门或∨键关门在A1=02时,按∧键/∨键可使正在开/关门中的门机反向关门或开门;在A1=02/A1=03/自学习开关门时,可用F键中止本次开关门运行。
在非开关门状态下,按F键从正常显示脉冲进入参数设定状态。
首先面板显示参数号A1,这时可按∧或∨键往上或往下翻转,可持续按住∧或∨键快速翻转,找到要修改的参数号。
按Enter键进入参数修改状态,显示变为当前参数的参数值,这时可按∧或∨键修改参数值,可持续按住∧或∨键快速增减;也可按F键(在参数修改状态时转义为移位键)使光标从个位移至十位或从十位移到个位,然后修改参数值,改完后按Enter键确认,系统会自动转至下一个参数号。
VVVF门机控制器操作说明VVVF门机控制器——操作说明书注:H100版以后(包括H100版)的门机变频器、面板控制模式和端子控制模式的设定是由变频器壳体上手动/自动开关来设定,开关放到手动即为面板控制模式;开关放到自动即为端子控制模式。
F11对于H100版以后的门机变频器不起作用,对于H100版以前仍然为0 —面板控制模式; 2 —端子控制模式。
1. 安装工作程序1.1 安装注意事项1. 1. 1 控制器设计安装于轿顶。
操作及安装时应小心,尤其不能有金属、水、油或其它异物进入门机控制1.1.2 不要将门机控制器安装于易燃材料上。
1.1.3在轿顶安装门机控制器时,一方面要保证面板能被良好的观察,另一方面要保证门机控制器的清洁。
1.1.4 在进行接线工作前,必须确保门机控制器电源至少已切断两分钟。
否则会存在电击或放电危险。
1.1.5门机控制器的接线必须由有专业资格的人员来完成。
1.1.6检查安全开关电路是否断开(急停)。
1.1.7 确保所有的电气部件都正确接地。
1.1.8 确认门机控制器有正确的电源电压。
1.1.9反复确认装置接线正确。
1.2 使用注意事项1.2.1 在布线过程中始终注意信号及控制线(弱电)与交流电源线、电机线(强电)之间保持一定距离,不要混在一起,避免造成干扰。
1.2.2 在轿厢启动前,控制系统必须给出关门指令,并且在轿厢运行过程中始终给出关门指令,避免门锁断开造成中途停车。
1.2.3 HdXX或HXXX(Hd4、H100等为软件版本号)为软件版本标志,“20. 00”—为可读入脉冲数,如遇软件版本升级,恕不再另行通知。
1.2.4 对于开关门控制信号输入必须使用无源触点,避免造成门机变频器损坏或工作不正常。
1.2.5 在使用前必须仔细阅读本说明书。
2.产品介绍2.1 工作环境2.1.1 使用在无尘埃、腐蚀性气体、可燃性气体、油雾、水蒸气的环境中。
2.1.2 温度:-10℃~+40℃。
核奥达门机控制器操作说明VVVF门机控制器——操作说明书注:H100版以后(包括H100版)的门机变频器、面板控制模式和端子控制模式的设定是由变频器壳体上手动/自动开关来设定,开关放到手动即为面板控制模式;开关放到自动即为端子控制模式。
F11对于H100版以后的门机变频器不起作用,对于H100版以前仍然为0 —面板控制模式;2 —端子控制模式。
1. 安装工作程序1.1 安装注意事项1.1. 1 控制器设计安装于轿顶。
操作及安装时应小心,尤其不能有金属、水、油或其它异物进入门机控制1.1.2 不要将门机控制器安装于易燃材料上。
1.1.3在轿顶安装门机控制器时,一方面要保证面板能被良好的观察,另一方面要保证门机控制器的清洁。
1.1.4 在进行接线工作前,必须确保门机控制器电源至少已切断两分钟。
否则会存在电击或放电危险。
1.1.5门机控制器的接线必须由有专业资格的人员来完成。
1.1.6检查安全开关电路是否断开(急停)。
1.1.7 确保所有的电气部件都正确接地。
1.1.8 确认门机控制器有正确的电源电压。
1.1.9反复确认装置接线正确。
1.2 使用注意事项1.2.1 在布线过程中始终注意信号及控制线(弱电)与交流电源线、电机线(强电)之间保持一定距离,不要混在一起,避免造成干扰。
1.2.2 在轿厢启动前,控制系统必须给出关门指令,并且在轿厢运行过程中始终给出关门指令,避免门锁断开造成中途停车。
1.2.3 HdXX或HXXX(Hd4、H100等为软件版本号)为软件版本标志,“20. 00”—为可读入脉冲数,如遇软件版本升级,恕不再另行通知。
1.2.4 对于开关门控制信号输入必须使用无源触点,避免造成门机变频器损坏或工作不正常。
1.2.5 在使用前必须仔细阅读本说明书。
2.产品介绍2.1 工作环境2.1.1 使用在无尘埃、腐蚀性气体、可燃性气体、油雾、水蒸气的环境中。
2.1.2 温度:-10℃~+40℃。
2.1.3 湿度:小于90%RH,无结露。
VVVF 门机控制器操作说明书目录1 .安装工作程序1 .1 安装注意事项1 .2 使用注意事项2 产品介绍2 .1 工作环境2 .2 产品技术指标及规格2 .3 控制面板说明3 .变频器安装及配线3 .1 安装位置与空间3 .2 端子图及说明3 .3 配线要求4 .功能参数表及参数说明4 .1 参数表4 .2 参数说明5 .变频器调试与操作5 .1 接线图5 .2 编码器安装接线5 .3 自学习的启动5 .4 参数调整6 .故障识别及消除7 .VVVF 开门机安装及接线说明7 .1 开门机结构组成7 .2 安装方法7 .3 接线方法8 .附图9 .附表注:H100 版以后(包括H100 版)的门机变频器、面板控制模式和端子控制模式的设定是由变频器壳体上手动/ 自动开关来放到手动即为面板控制模式;开关放到自动即为端子控制模式。
F11 对于H100 版以后的门机变频器不起作用,对于H100 版0 —面板控制模式;2 —端子控制模式。
1. 安装工作程序•安装注意事项• 1. 1 控制器设计安装于轿顶。
操作及安装时应小心,尤其不能有金属、水、油或其它异物进入门机控制•不要将门机控制器安装于易燃材料上。
1 .1 .3 在轿顶安装门机控制器时,一方面要保证显示器能被良好的观察,另一方面要保证门机控制器的清洁。
1 .1 .4 在进行接线工作前,必须确保门机控制器电源至少已切断两分钟。
否则会存在电击或放电危险。
1 .1 .5 门机控制器的接线必须由有专业资格的人员来完成。
1 .1 .6 检查安全开关电路是否断开(急停)。
1 .1 .7 确保所有的电气部件都正确接地。
1 .1 .8 确认门机控制器有正确的电源电压。
1 .1 .9 反复确认装置接线正确。
1 .2 使用注意事项1 .2 .1 在布线过程中始终注意信号及控制线(弱电)与交流电源线、电机线(强电)之间保持一定距离,不要混在一起,扰。
1 .2 .2 在轿厢启动前,控制系统必须给出关门指令,并且在轿厢运行过程中始终给出关门指令,避免门锁断开造成中途停1 .2 .3 HdXX (Hd47 为软件版本号)为软件版本标志,“ 20. 00 ” —为可读入脉冲数,如遇软件版本升级,恕不再另1 .2 .4 对于开关门控制信号输入必须使用无源触点,避免造成门机变频器损坏或工作不正常。
V V V F门机控制器操作说明Company Document number:WTUT-WT88Y-W8BBGB-BWYTT-19998VVVF门机控制器操作说明VVVF门机控制器——操作说明书注:H100版以后(包括H100版)的门机变频器、面板控制模式和端子控制模式的设定是由变频器壳体上手动/自动开关来设定,开关放到手动即为面板控制模式;开关放到自动即为端子控制模式。
F11对于H100版以后的门机变频器不起作用,对于H100版以前仍然为0 —面板控制模式; 2 —端子控制模式。
1. 安装工作程序1.1 安装注意事项1. 1. 1 控制器设计安装于轿顶。
操作及安装时应小心,尤其不能有金属、水、油或其它异物进入门机控制1.1.2 不要将门机控制器安装于易燃材料上。
1.1.3在轿顶安装门机控制器时,一方面要保证面板能被良好的观察,另一方面要保证门机控制器的清洁。
1.1.4 在进行接线工作前,必须确保门机控制器电源至少已切断两分钟。
否则会存在电击或放电危险。
1.1.5门机控制器的接线必须由有专业资格的人员来完成。
1.1.6检查安全开关电路是否断开(急停)。
1.1.7 确保所有的电气部件都正确接地。
1.1.8 确认门机控制器有正确的电源电压。
1.1.9反复确认装置接线正确。
1.2 使用注意事项1.2.1 在布线过程中始终注意信号及控制线(弱电)与交流电源线、电机线(强电)之间保持一定距离,不要混在一起,避免造成干扰。
1.2.2 在轿厢启动前,控制系统必须给出关门指令,并且在轿厢运行过程中始终给出关门指令,避免门锁断开造成中途停车。
1.2.3 HdXX或HXXX(Hd4、H100等为软件版本号)为软件版本标志,“20. 00”—为可读入脉冲数,如遇软件版本升级,恕不再另行通知。
1.2.4 对于开关门控制信号输入必须使用无源触点,避免造成门机变频器损坏或工作不正常。
1.2.5 在使用前必须仔细阅读本说明书。
2.产品介绍2.1 工作环境2.1.1 使用在无尘埃、腐蚀性气体、可燃性气体、油雾、水蒸气的环境中。
2.1.2 温度:-10℃~+40℃。
2.1.3 湿度:小于90%RH,无结露。
2.1.4 存贮温度:-40℃~+70℃。
2.1.5 防护等级:IP40。
2.1.6 冷却方式:自然冷却。
2.2 产品技术指标及规格2.2.1 供电电源:(1)单相交流180V ~264V。
(2)频率50Hz~60Hz±5%。
2.2.2 输出电压:三相交流 220V。
2.2.3 输出功率:、。
2.2.4 输出频率: Hz~50Hz。
2.2.5 输出频率分辨率:。
2.2.6 载波频率4KHz~16KHz。
2.2.7 外型尺寸:见2.3 控制面板说明通过操作装有8个按钮及四位七段数码管显示的控制面板给装置设定参数。
2.3.1 DO发光二级管点亮,指示变频器正在执行开门。
2.3.2 DC发光二级管点亮,指示变频器正在执行关门。
2.3.3 Hz发光二级管点亮,指数码管所显示数值的单位为赫兹。
2.3.4 %发光二级管点亮,指数码管所显示数值的单位为百分数。
2.3.5 SEC发光二级管点亮,指数码管所显示数值的单位为秒。
2.3.6 MIN、MIC、MIS发光二级管为备用。
2.3.7 写入键,把修改后的数据存储到变频器中。
2.3.8 功能键,用以切换数码管所显示的是参数值还是参数单元。
2.3.9 增减键,用以调整数码管所显示数值大小。
2.3.10 面板控制状态下的开关门按键。
2.3.11 “强迫关门compelclose”面板控制状态下的慢速关门按键。
2.3.12“停止Stop”面板控制状态下的停止按键。
3.变频器安装及配线3.1安装位置与空间3.1.1B型、C型、D型变频器外型尺寸单位:mm3.1.2门机变频器安装轿顶上,一方面要方便观察门机变频器工作状态,另一方面要保证门机变频器清洁,有一个良好散热空间。
3.2端子图及说明3.2.1不带航空插头B型变频器端子图3.2.2 不带航空插头B型变频器强电端子说明3.2.3带航空插头B型变频器端子图3.2.4 带航空插头B型变频器强电端子说明3.2.5 B型变频器其他端子说明3.2.6 带门区信号的B型门机变频器端子图3. 2. 7 电源插头、电机插头、门位置输出插头开关门命令输入插头,编码器插头与普通B型门机变频器功能、位置完全相同,这里要说明门区信号SO+,SO-信号输入插头有两种接线方式,取决于门区信号高的有效还是低的有效。
门区信号回路采用外供电直流24V电压,如果低的有效,把SO+接24V,SO—接门区信号,如果高的有效,SO—接24V回路中的0V,SO+接门区信号。
3.2.8 C型变频器端子图3.2.9 C型变频器P1插头为交流220V各引脚说明3.2.10 C型变频器编码器P3插头各引脚说明3.2.11 C型变频器P5控制命令插头各引脚说明3.2.12 C型变频器CT2电机插头各引脚说明3.2.13 D型变频器端子图.2.14 D型变频器CT1交流220V电源插头各引脚说明3.2.15 D型变频器P2交流110V插头各引脚说明3.2.16 D型变频器P3编码器插头各引脚说明3.2.17 D型变频器P5控制信号插头各引脚说明3.2.18 D型变频器CT2电机插头各引脚说明3.2.19 9芯串口插头说明9芯D型插头座为串行口,可接通讯线或TT。
3.3 配线要求3.3.1 对于所有信号控制线,要求采用截面积为~护套电缆。
3.3.2 电源线和电机线要求采用截面积1mm2~的护套电缆,电源线采用3芯带有黄绿地线的护套线缆,电机采用4芯带有黄绿地线的护套线缆。
4.B型、C型、D型三种变频器功能参数表及参数说明4.1参数表(见参数总览)参数总览4.2 B型、C型、D型变频器参数说明4.2.1 F03:开门基本转矩频率。
该值越大转矩越小,反之亦然。
4.2.2 F04:开门低频转矩补偿,该值越大转矩越大。
4.2.3 F05、F06:F05为自学习加速时间,F06为自学习减速时间,调整该参数可使自学习能顺利进行。
4.2.4 F08:反转减速时间,调整该参数可使遇光幕及发生力矩监控时能有平滑运行曲线。
4.2.5 F09、F10:常规加减速时间,调整该参数能使门常规运行有平滑运行曲线。
4.2.6 F11:控制模式。
F11=0,面板控制模式;F11=1,手动模式;F11=2,正常模式(端子控制模式)。
H100版以上(包括H100)面板控制模式和端子控制模式是由壳体上的自动/手动开关设定:开关放到手动位置即为面板控制,开关放到自动位置即为端子控制。
4.2.7 F14:门宽校正。
此参数的设置主要为消除自学习过程中由于编码器误差、机械误差等造成的脉冲误差。
4.2.8 F19:载波频率。
该参数设定越高,电机噪音越小,但变频器发热量增大,最大输出功率减小;该参数设定越低,电机噪音增大,变频器不易发热。
4.2.9 F20:数据保护。
各种参数修改必须在一特定参数下方可修改,否则不可修改,这一参数为279。
4.2.10 F24:力矩监控。
当轿门关闭时,对发生在特定范围内(门宽的8%~80%)的关门运动,若存在超过最大允许关门力矩的反向力矩施加,轿门会停止关闭,并且自动执行开门,门开齐后,再自动关闭轿门。
F24=0,力矩监控无效;F24=1,力矩监控有效。
4.2.11 F25、F26、F27、F28:开门换速位置。
开关门过程中速度切换点,对于换速位置值存在0∠F25∠F26∠F27∠F28∠100%。
(详细设定参阅5.4.1)4.2.13 F33、F34、F35、F36:开门分段速。
一个开门过程被F25~ F28所设定的位置参数分成了4个段速,F33~ F36为4段的4个段速。
4.2.14 F37、F38、F39、F40:关门分段速。
一个关门过程被F29~F32所设定的位置参数分成了4个段速,F37~ F40为4段的4个速度。
4.2.15 F41:位置继电输出设定。
关门运行到一个特定位置时输出信号,改变该参数单元值,改变这个特定位(设定范围0~34%)。
4.2.16 F42:关门推进时间。
指门关到位后,门机变频器输出一个低频夹持力,改变该参数单元值,可改变关门夹持力持续时间,F42=100时,无限推进。
4.2.17 F43:开门推进时间。
与F42类似,只不过是在门开到位后持续时间。
4.2.18 F44:自学习推进时间。
与F42、F43类似,只是在自学习时起作用。
4.2.19 F46、F47:F46为自学习常规速度,F47为自学习推进速度。
调整该参数可改变自学习速度。
4.2.20 F48:强迫关门速度,轻推关门速度,调整该参数可改变轻推关门速度。
4.2.21 F49:自学习力矩频率。
该值越大转矩越小,反之亦然。
4.2.22 F51:关门基本转矩频率。
该值越大转矩越小,反之亦然。
4.2.23 F52:关门低频转矩补偿。
该值越大转矩越大。
4.2.24 F53、F54:F53为门开齐继电器信号,调整该参数可改变门开齐信号输出位置;F54为门关齐继电器信号,调整该参数可改变门关齐信号输出位置。
4.2.25 F55:遇OU(过压保护)或OC(过流保护)故障恢复模式,F55=0,遇OU或OC故障保护装置处于停止状态,当重新上电或接停止信号时可恢复正常状态。
或F55=1,遇OU或OC故障保护,装置接外部任何信号可自动恢复正常状态。
4.2.26 F56:自学习记忆模式。
F56=0装置会在每次通电或复位重新自学习脉冲数,并记忆最后一次自学习脉冲数。
F56=1装置只记忆(F56=0)时的最后一次自学习脉冲数,以后遇自学习如果所学脉冲数与最后一次自学习脉冲相差±15脉冲以上装置会重新学习,直到与记忆的脉冲数相符时,装置才会自动转入正常模式。
F56=2装置会存储自学习脉冲数,遇断电上电后不会重新学习,按照存贮的脉冲数工作。
自学习时F56应设定为“0”,正常工作可设定为“0”或“2”,不可设定为“1”;“1”厂家保留参数。
4.2.27 F60:开门过程中丢码,门开到位后强行发出“门开齐”信号延时时间,这个时间由F60单元参数决定,即F60=10为门开到位10秒后发,F60=20为门开到位20秒后发,以此类推,设定F60=100时,为无限延时发。
4.2.28 F61:门区信号有效或无效,F61=1门区信号有效,开门时必须有门区信号方可开门,F61=0开门时无需门区信号,即可开门。
5.门机变频器调试与操作5.1 接线图(见附图1)B型变速器见附图1。
B型—C变速器见附图2.。
B型—D变速器见附图3。
检查各端子接线是否正确。
5.2 编码器安装接线5.2.1 对穿透式编码器安装必须满足以下要求编码器4根线定义为:棕色:DC12V白色:0V黄色:A脉冲绿色:B脉冲对于编码器安装按照上图所示,接线按接线图。