附带曲线整正作业程序
- 格式:docx
- 大小:28.40 KB
- 文档页数:4
TNTl z yP(yz)G (z y )F (缝中)曲外股工作边K 外xM O'WU V Q 直内股工作边线路中线88ααH z yR 外D 基准=5 000X zy X O单位:mm附带曲线的定位与整正■ 刘彪1 概述陇海线属于我国6大繁忙干线之一,有着车流密度大、年通过总质量大等特点。
列车通过站场侧线股道的频率高,对道岔和附带曲线的冲击大,近年来,伴随着陇海线天兰段设备全面的提升,当客车径路更换无缝线路后,附带曲线成为站场的薄弱地段。
如何整正既有线的岔后附带曲线,特别是在高铁站场中附带曲线的整正,成为工务技术人员研究的共同课题。
附带曲线又名岔后连接曲线[1],是由道岔侧向引出,连接道岔和股道且与道岔导曲线成反向的曲线,且附带曲线应满足以下规定[2-3]:(1)平行股道的线间距不大于5.2 m;(2)辙叉根端至附带曲线始点的夹直线长度不应短于7.5 m,特殊地段不短于6.0 m;(3)半径不得小于该组道岔的导曲线半径,但也不宜大于导曲线半径的1.5倍;(4)设置超高不应大于15 mm,顺坡率不得大于2‰;(5)轨距加宽与一般曲线地段相同,按不大于2‰递减;(6)可不设缓和曲线,但其长度不得小于20 m。
2 利用双向定位法精确定位附带曲线2.1 几何框架及各关键控制点要利用双向定位法准确定位附带曲线,需要道岔的图摘 要:整正既有线的岔后附带曲线,特别是高铁站场中附带曲线的整正,成为工务技术人员的共同课题。
现有整治方法有绳正法、坐标法与直股支距法,其中直股支距法应用较为普遍,但经过多年实践,此计算方法误差较大,整正效果不理想。
在直股支距法基础上提出双向定位法,以附带曲线外股工作边为对象,详细计算附带曲线起点位置G、每个测点在岔后直内股钢轨上的支距H 和水平投影横距差△X ,从而准确定位附带曲线的每个测点位置,达到整正附带曲线的目的。
详细阐述双向定位法的具体推理及作业过程,同时介绍破桩法和整桩法2种不同附带曲线正矢点的布置方法。
岔后附带曲线正矢整正指导书根据《铁路线路修理规则》规定,当岔后的两股道是平行的、并且线间距不大于5.2米时,这样的连接曲线称为道岔附带曲线。
由于我段在更换P60轨道岔后没有进行过岔后附带曲线的重新定桩和正矢的重新计算,各站同一型号道岔岔后的附带曲线正矢较为混乱,甚至存在有的工区简易的将现场测量的正矢直接标注为计划正矢的现象,使目前我段岔后附带曲线普遍存在正矢超限、鹅头等病害。
为消除病害,确保行车安全,我段技术科根据现场调研,结合有关资料,编制了一套简明易懂、操作性较强的岔后附带曲线整正方法。
现将此套方法介绍如下,以供参考。
1、确定连接曲线半径和起终点1.1 首先将岔后连接曲线(以下称连接曲线)两端鹅头消除拨直,再将连接曲线目测拨顺,然后在连接曲线内用10m弦量出不少于5个点的正矢值,计算出平均正矢f均作为计算本条曲线半径的依据。
f均=(f1+f2+…+f n)/n1.2 计算连接曲线半径R=12500/f均1.3 确定起点(ZY)。
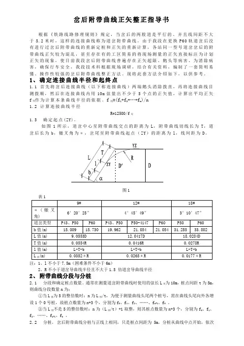
如图1所示,道岔中心至附带曲线交点的距离为L,附带曲线切线长为T,道岔后长为b,辙叉角为α,岔尾至附带曲线起点(ZY)的距离为l,线间距为D。
图1表1注:1、l不小于7.5m(困难条件不小于6m)2、R不小于道岔导曲线半径且不大于1.5 倍道岔导曲线半径2、附带曲线分段与分桩2.1 分段和确定桩点数量。
通常在测量道岔附带曲线时使用的弦长L弦为10m,桩点间距t为5m,则曲线分段数量n为:①当L圆为5的整倍数时:n为L圆/t,为便于测量曲线头尾两个桩号,需在曲线头尾向外各增设1个0号桩,故桩点数量为n+3个,分别为f0、f1、f2、……、f n+1、f0。
②当L圆不是5的整倍数时:n为(L圆/t)+1取整,则其桩点数量为n+3个,分别为f0、f1、f2、……、f n+1、f0。
2.2 分桩。
岔后附带曲线分桩与正线上相同,只是桩点间距为5m,分桩从曲线中点开始,依次向两边分桩。
浅谈道岔附带曲线的整正一、 前言随着今年来铁路向着高速、重载的方向发展,以及列车密度的加大,加大了列车驶入或驶出道岔时对附带曲线的冲击,道岔附带曲线的方向、位置有所偏移。
道岔附带曲线与导曲线构成反响曲线,附带曲线的方向、位置正确与否,曲线是否平顺,直接影响行车安全与平稳,同时也是确保道岔质量的关键所在,在铺设和养护道岔时,应将其与道岔视为一个整体。
所以保证附带曲线和道岔方向、位置的准确显得尤为重要,只有保证道岔和附带曲线的位置准确,保证导曲线和附带曲线的圆顺和平顺,才能保证列车驶入或驶出道岔时列车的平稳和安全。
在平时的工作中,我们也少不了做整正曲线的工作,本文结合实际的生产实践,对用直股支距整正附带曲线的方法及介绍。
二、 整正附带曲线的前期工作1. 无论时用什么方法整正附带曲线,在整正附带曲线之前,必须要先拨好道岔岔尾后直股方向。
2. 做好现场调查工作。
(1) 确定道岔号数N 。
在现场我们用最简易的方法确定道岔的号数:从心轨顶面宽一脚处开始,沿直股一脚一脚地测量到心轨尖端,有几脚道岔就是几号。
(2) 测量股道平均线间距D 。
线间距科在直线部分每隔10m 左右用钢卷尺测量三处,取其平均数值。
(3) 测量附带曲线半径R用10m 弦测量连续正矢,并取其平均值f 平,则附带曲线既有半径R 为 R=平f 12500,为了简化计算,实际选用半径应接近于道岔附带曲线直股支距表中的半径。
我段线路道岔都以9号和12号道岔为主,所以(表1)道岔附带曲线支距表只列出了9号和12号道岔不同半径附带曲线的支距。
三、 确定附带曲线中央点(QZ)及头(ZY)尾(YZ)的位置。
如图1:t 为外股钢轨线上附带曲线切线长,用下式求得:t=R ·tan 2α(R 为附带曲线选用的半径;α为撤叉角。
)A 为撤叉理论尖端至附带quxian 头(ZY )点在直股钢轨上的投影距离,用下式求得:A=N ·D-αCOS N S ∙-tcos α(N 为道岔号数;D 为线间距) L 为侧股撤叉理论尖端至附带曲线头(ZY )点的距离,用下式求得: l=αcos D N ∙-S ·N-R ·tan 2α K 为附带曲线的长,可以用下式求得:K=0.0174532α·R (式中0.0174532为1度角所对应的弧度。
浅谈道岔附带曲线的整正和施工方法各位领导、各位评委,我是----工务段-------------,0000年0月0日进路,000年00月起担任线路班长。
自进路起至今一直从事工务线路养路工作。
随着沪昆线高速铁路不断向科学化管理方向迈进、线路质量得到明显提高。
为全面提高线路设备质量,我个人认为与之相连的站线尤其是岔后的附带曲线也应当得到进一步加强。
关键是站线股道两端的附带曲线是个薄弱环节,通过长时间列车的运行,附带曲线位置明显会发生变化,附带曲线平面位置不正确,导致列车运行不平平稳。
而日常大机维修很难得对曲线的轨向进行校正,所以要靠日常养护维修作业对附带曲线进行整正,在我从事线路班长多年实践工作中,通过对道岔附带曲线的整正,得到了一点体会经验。
现以--站3道东端附带曲线的整正的做法作如下总结,敬请评委指点。
关键词:附带曲线整正施工
一、--站3道东端端附带曲线现场调查数据
1.道岔号数(N):P60-12号AT可动心轨提速道岔。
2.实量1、3道平均线间距(D):5.018米。
3.曲线半径(R):通过查对设备资料及对现场的曲线实际该曲线半径为500米。
二、根据现场数据确定附带曲线头尾位置(如图)
1.根据公式求出直内股辙叉跟端轨缝中心至附带曲线头的距离:(未完陆续发出)。
道岔附带曲线的整正一、前言(一)《铁路线路维修规则》规定:验收道岔时,同时检测两线间距小于5.2m 的附带曲线转向,用10m 弦量正矢,其连线正矢差:到发线不超过3mm ,其他站线不超过4mm ,附带曲线半径一般要求为50m 的整倍数,而曲线长往往不是5m 的整倍数。
目前附带曲线整正的方法有直股支距法和10m 弦绳正法、一弦法(长弦法),主要采用直股支距法和10m 弦绳正法两种,当曲线头尾不明或曲线状态不良时,可用支距法,当曲线状态良好,标志齐全时可用绳正法。
(二)本人在维修工队从事维修工作四年,其中维修道岔107组,后又调入新线工区(上联线茶亭工区)整治了5组新铺道岔。
在现场实际运用中采用了直股支距法和绳正法整正道岔附带曲线,均取得了不错成绩,优良率达100%。
二、确定附带曲线始、终点位置(一)确定曲线三要素附带曲线的整正要做好现场调查工作,首先在现场量得道岔号数N ,平均线间距D 及附带曲线半径R 。
1、道岔号数N :道岔号数一般为已知或用步量法测定。
2、线间距D :先拨直直股方向,然后用钢尺在附带曲线后两平行地段分别量取不少于三处,取平均值。
3、曲线半径R :在附带曲线内,用10m 弦,量正矢三处,取平均数f 平,反求该曲线的半径:R=12500f 平。
(二)确定附带曲线头、尾位置1图中 N ――道岔号码 D ――线间距(m ) T ――附带曲线切线长 b ――道岔后长 a ――辙叉角R ――附带曲线半径S ――标准轨距(1.435m ) ZY ――曲线头 YZ ――曲线尾R 为外轨曲线半径 R 外=R +s2 =R+0.7175m1)曲线头和曲线尾的横距X T =R.tan a2X=T(1+cosa)2)直内股辙叉距轴线中心至曲线头的横距f f=Dtana+T-X-b=DN+T-X-b 〔根据曲线头、尾在直股上的投影点,用方尺或支距尺在所标记的投影点影出方向(注意垂直于直股),在直内股定出一条直线,方到附带曲线侧外股定出ZY 、XZ 点〕根据f 确定ZY 点 根据X 确定YZ 点2、附带曲线头尾在曲股上的位置1)侧外股辙叉轨缝中心至曲线头的位置L 夹 L 夹=DSina-T-b 2)附带曲线头至尾的长度K K 上=Л180R 外a 。
最新版曲线整正软件及说明一、说明书1. 软件简介本程序是一款专用于铁路工务、工程部门的行业软件,设有《绳正法》、《坐标法》、《道岔附带曲线整正支距法》三项内容。
绳正法整正依据的是中央点法;坐标法整正依据的是整体优化算法;支距法整正依据的平面几何关系。
当前Ver5.0版在前期基础上做了较大调整,主要特点如下:1、改进优化计算数学模式,一是提高了计算速度,二是通过正反验证,证明各计算方法完全正确,特别是复心曲线和坐标法计算所采用的数学模型。
2、绳正法的修正计算实现真正的智能化,会自动在最恰当的位置设置出合理的修正数组,优化程度高,接近最优化解。
3、延续前期版本严格计算条件设计,算前须通过实测正矢校验,算后拨后正矢须满足5项要求。
4、曲率图显示增加查询功能,通过拖动图内标尺,可以查看任一点位置曲率。
5、输出在原有Word文档基础上,增加EXCEL文件导出功能,方便使用。
6、程序界面清晰大方、简捷,误操作提示明了,数据录入更加方便,可直接在窗口内输入,也可以从外部Excel文件中导进,现努力打造的是专业的品质和细腻的技术。
7、本程序经过大量数据检验、补充完善及多年铁路工务同仁使用,已非常成熟,完全可以信赖。
运行要求:操作系统:Windows 7、Windows Vista、Windows XP均支持本软件,系统装有Office 2003及以上版本的Word、Excel、Access。
系统界面如图11.JPG2. 外业测量1、应用绳正法整正、按“曲线分中布置法”布设测点、当用20米弦测量时,以曲中QZ点为中心向两侧均分布置测点,即QZ点向两端各量5m,为起点,每10米为一测点,这样做的好处在于计划正矢在缓和曲线两端都是一样的,便于检查。
图2.JPG如图2,能够准确布置好的关键在于找到曲中点QZ。
曲中点可从铺设线路时在线路中心留下的桩位找到,如果找不到可按现在的测点布置情况计算出QZ,或以附近固定建筑物桥涵中心里程为准,按台帐数据为准,找到QZ布点,没有原始资料时,可从一端直线起任意布置,测出现场正矢,计算出QZ。
岔后附带曲线无资料的整治方法洛阳工务段——李永洪一、附带曲线养护维修规定(1)曲线半径不得小于连接道岔的导曲线半径,但也不得大于导曲线半径的1.5倍。
(2)连接曲线为圆曲线(不设缓和曲线),其长度不小于20米。
(3)站线道岔与曲线或道岔与其连接曲线之间的直线段长度不应小于7.5m,困难条件下不应小于6m。
(4)对连接曲线圆顺度的检验标准是:用10米弦量,连续正矢差作业验收标准不超过2mm,保养验收标准不超过4mm。
(5)线间距不大于5.2 m。
二、整治方法首先,要对曲线及曲线两端直线方向先进行拨直、拨顺。
1.通过目测假定曲线始、终点位置。
2.自假定始点起,用钢尺在曲线上股以5米弦定出各测点位置。
3.测量各测点现场正矢,填入下表中,并完成表中内容。
4.求曲线中央点位置中央点位置=现场实量正矢合计计现场实量正矢倒累计合5.求圆曲线平均正矢f c根据现场正矢分布情况,可在曲线中部选择大致相同的正矢数累加计算圆曲线平均正矢(f c)=N f=圆曲线测点数圆曲线实量正矢合计注意:求出的圆曲线平均正矢与现场实测正矢进行大致比较:若圆曲线平均正矢普遍大于现场实测正矢时,则下一步求出的曲线段数应将小数点后几位舍去,使段数减少。
反之,小数点进位,增加一段。
6.求算曲线段数、长度:曲线段数N =圆曲线平均正矢现场正矢合计(结果取整)注意:求出的段数为偶数时,曲中点(QZ)位置在正点上;求出的段数为奇数时,曲中点(QZ)位置在两点正中间。
7.重新确定、标记曲线各测点根据计算出的曲中点(QZ)位置和曲线段数,分布并标记出各测点、始点(ZY )终点(YZ )位置。
测量现场正矢,并计入下表中始点(ZY )位置 = 曲中点(QZ )位置 -2曲线段数终点(YZ )位置 = 曲中点(QZ )位置 +2曲线段数8.求出并检算连接曲线半径R ,是否满足连接曲线养护维修有关规定 曲线半径fR 12500(m ) 因该曲线半径R 导<R <1.5R 导,所以该连接曲线半径满足连接曲线养护维修有关规定 。
铁路道岔附带曲线的整治摘要:铁路道岔附带曲线作为铁路线养护中的一个薄弱,道岔附带曲线常因各种原因偏离正确的位置,特别是小号木枕道岔,直接影响列车的运行安全,它是道岔的重要组成部分。
我所工作的地点道岔型号较多,设备基础薄弱,道岔附带曲线的病害比较突出,加强对附带曲线的管理和整治工作,是需要思考探索的问题。
关键词:铁路;附带曲线;技术要求;整正方法1 附带曲线的技术要求由于附带曲线紧连接于道岔之后,其位置、长度等是受到一定条件限制的,尤其是方向圆顺与否将直接影响列车通过道岔和曲线的平稳与安全。
因此在维修作业中,应符合下列技术条件:1.1 半径附带曲线半径值应与其所连接的道岔号数相配合,即不可小于导曲线半径,也不宜大于导曲线半径的1.5倍,并取整为5的整倍数。
如果半径过大线间距将缩小或夹直线长度不足。
1.2 夹直线道岔终端至附带曲线起点之间的直线为夹直线。
一般情况下,这个直线段长度不应小于12m,在困难条件下,也不应小于6m。
这是为了有利于行车,不使机车固定轴距前后两轮对同时跨入两反向曲线。
1.3 轨距附带曲线轨距根据半径大小按一般曲线轨距加宽标准进行加宽。
加宽递减,在正常情况下应按1‰递减,条件困难时,向道岔方向的递减率不得大于2‰。
1.4 水平附带曲线外股钢轨应设置适量超高,但最大不应超过15mm。
一般情况下,8号、9号道岔设置10mm,10—12号道岔设置15mm超高。
超高顺坡率不得大于2‰。
1.5 轨向附带曲线采用的是圆曲线,不设缓和曲线。
这是因为附带曲线较短设置缓和曲线后,满足不了中间圆曲线不得短于20m的要求,附带曲线方向应保持圆顺。
1.6 附带曲线切线长T及曲线长L1.7 正矢附带曲线多为圆曲线,可不设置设缓和曲线。
但其长度不得小于20m,附带曲线方向应保持圆顺,用10米弦测量正矢,其连续正矢差:正线、到发线不超过3mm,其他线不超过4mm,头尾不得有反弯(鹅头)。
2 现有附带曲线的情况我们车间主要管辖进出天津港的线路,50-9单开木枕道岔较多,特别是二、三、四区站的道岔,调车频繁,采用的都为单开道岔,铺设密集,有的岔尾直接连着岔尖。
道岔附带曲线的定位和整正道岔附带曲线的定位和整正随着铁路运输的不断发展,道岔作为铁路线路中的重要组成部分,可以根据不同的需要,设置不同类型的道岔。
其中,道岔附带曲线作为铁路线路中的一种重要形式,其作用十分突出。
一、道岔附带曲线的定义道岔附带曲线是指铁路的道岔与曲线相结合,并通过部分岔舌弯曲,从而形成的一种特殊铁路线形式。
由于道岔附带曲线可以提高铁路线路的承载能力,还可以实现铁路的高速化、平顺化和安全化,因此在现代铁路建设中得到了广泛应用。
二、道岔附带曲线的分类1、分叉极道岔附带曲线分叉极道岔附带曲线是指,分岔位置向左或向右都有一条50米半径的曲线。
因其可将过渡曲线、曲线、道岔交汇于一点,因此可以通过降低顺曲线的半径,提高列车的速度。
2、单贯道岔附带曲线单贯道岔附带曲线是指,在单线铁路上设置的一种附带曲线道岔。
在这种附带曲线道岔中,道岔的地点不设任何西细部,岔尖处可设置过渡曲线、缓和曲线、跃度,以及一定的岔口角度。
3、复式道岔附带曲线复式道岔附带曲线是指,在复线铁路上设置的一种附带曲线道岔。
与单贯道岔附带曲线相比,复式道岔附带曲线的特点是设置有两条或三条附带曲线,可减小车辆的侧向动力影响,保证列车的平稳性。
三、道岔附带曲线的定位和整正作为一种特殊的铁路线形式,道岔附带曲线必须要定位整正才能正常使用。
1、道岔附带曲线的定位道岔附带曲线的定位是指,根据道岔和曲线的关系,确定各个部位的位置,以保证列车行驶的安全性和稳定性。
在定位道岔附带曲线时,需遵循“设置防夹设施、降低防撞设施、岔口平直度和岔顶平直度”等原则,以保证道岔状态的稳定性。
2、道岔附带曲线的整正道岔附带曲线的整正是指,在道岔附带曲线定位基础上,调整各个部位的位置,以精确控制列车的行驶方向和速度,保障行车安全。
在整正道岔附带曲线时,应根据实际情况合理调整道岔和曲线之间的交叉角度和半径,以确保列车行驶的平稳性和舒适性。
综上所述,道岔附带曲线作为一种特殊的铁路线路形式,在铁路运输中发挥着重要的作用。
一个整正附带曲线的好方法一、现场正矢测量方法:第一步先在岔心后测量两股钢轨底边的距离,取中央点并标记在轨枕上,隔几根枕木再用同样的方法找两股钢轨的中心点。
第二步用线绳按找出的中央点一直向股道延伸,并最终与钢轨交会,找到交汇点标记清楚。
第三步用同样的方法从股道直线地段向道岔找到交会点并标记。
第四步用线绳找到两个交汇点的中央点,为该附带曲线的中央点(通过计算后按实际中央点标记)。
第五步从中央点向两边按5m各量出正矢点。
第六步,用10m弦量出各点现场正矢。
二、基本要素计算方法1、求曲线中央点:=现场正式倒累计合计/现场正矢合计2、求圆曲线平均正矢=现场正矢合计/曲线测点数-13、求曲线半径=12500/圆曲线的平均正矢4、求曲线长=现场正矢合计/圆曲线平均正矢5、曲线分段数=曲线长/56、曲线头=中央点-曲线分段数/27、曲线尾=中央点+曲线分段数/28、直圆、圆直点计划正式=圆曲线平均正矢/2三、图表计算说明1、算出现场正矢合计2、算出倒累计并合计(最后一点不变,从下至上斜加平写)3、编制计划正矢(圆曲线计划正矢和加上直圆、圆直正矢和应与现场正矢相近,但最后要与现场正矢相符,多出的数值要平均加在或减在现场正矢比较大的点上。
4、正矢差为现场正矢减去计划正矢,正式差合计正数与负数相加必须为0.5、差累计第一点横移,第二点为斜加下写,依次类推。
差累计的合计为第二次计划正矢的消去量。
6、第二次计算计划正矢:按差累计合计算出消去量大小决定计划正矢调整量。
按照消去量为正数上加下减,负数为上减下加。
如附带曲线为10个测点,消去量为-9,则10-1=9 9×1=9。
则第1点减去1个消去量,第10点加上1个消去量。
(加减时按第一次计划正矢值加减)7、算出正矢差8、正矢差为现场正矢减去计划正矢,正式差合计正数与负数相加必须为0.9、第二次差累计合计正数与负数和必须为0。
10、半拨量计算方法,前点差累计加前点半拨量(平加下写)11、拨量等于半拨量×212、拨后正矢应与第二次计划正矢相符13、拨后再按简易拨道法调整。
铁路线路工技师(在不违反试题内容的前提下,以下所有试题中的未给定条件考评员可自设)(1题)试题名称:岔后附带曲线整正一、技术要求:1、作业准备(检查工具、校对量具、检查机具、测量轨温)2、调查划撬准确无漏项。
3、线路拨道符合拨道单项作业标准。
4、作业后达到作业验收标准。
5、作业完毕按规定整理现场。
二、考核要求:操作程序的规定:(1)拨正道岔后主线方向。
(2)拨正、改正曲线两端直线方向。
(3)用绳正法拨正曲线方向。
(4)回检。
三、考核时限:1、准备时间:5 min。
2、正式操作时间:100 min。
3、计时从正式操作开始,到正式操作完毕结束。
4、在规定时间内全部完成。
(2题)试题名称:成组更换普速单开道岔一、技术要求:1、校对新旧道岔角度和全长。
2、制定旧道岔拆除和新道岔更换方案正确可行。
3、正确确定道岔中心、警冲标、绝缘接头位置。
4、正确计算配轨,确定轨缝预留值。
5、在道岔图上分股分次正确标出更换道岔的顺序。
二、考核要求:1、校对新旧道岔角度和全长。
2、旧道岔拆除方案描述。
3、新道岔更换方法及顺丿了;。
4、计算道岔直股插入段。
5、确定更换道岔后的警冲标位置。
6、道岔位置的确定。
7、计算配轨。
8、测设标记、道岔更换位置。
9、轨缝的预留。
10、按道岔图标岀分股儿次更换道岔顺序。
三、考核时限:1、准备时间:5 min。
2、正式操作时间:90 min。
3、计时从正式操作开始,到正式操作完毕结束。
4、在规定时间内全部完成。
(3题)试题名称:成组更换提速单开道岔一、技术要求:1、校对新旧道岔角度和全长。
2、制定旧道岔拆除和新道岔更换方案正确可行。
3、正确确定道岔中心、警冲标、绝缘接头位置。
4、正确计算配轨,确定轨缝预留值。
5、在道岔图上分股分次正确标出更换道岔的顺序。
二、考核要求:1、操作程序的规定:(1)校对新旧道岔角度和全长。
(2)旧道岔拆除方案描述。
(3)计算道岔直股插入段。
(4)确定新道岔警冲标位置。
附带曲线整正作业程序
一、 调查道岔号(N)、线间距(D)、附带曲线平均正矢(F 平): 1、确认现场标记是否正确并重新计算。
2、 确认道岔号(N)、转向角( α)、道岔后长(b)、曲线全长(L 曲)、半径(R)、正矢(f)、超高(h)、ZY 、QZ 、YZ 点。
3、线间距:量取线间距(最少3处)取平均值。
4、附带曲线平均正矢:在附带曲线内用10m 弦连续量取最少3处正矢,计算平均值。
二、计算:
1、附带曲线半径、确定曲线始终点位置的有关数据:
①、半径R =
12500平均正矢
②、切线长T =半径×(√道岔号2
+1-道岔号) 或tan α
2 ╳R
③、斜边长L =线间距×√道岔号2
+1 或D
sin α
④、夹直线长L 夹=斜边长-道岔后长-切线长 或D/sin α-T(切线长)-b (道岔后长)
⑤、曲线长L 曲=半径×
道岔转向角(度)
180
× π 或Rαπ
180
三、确定ZY 、QZ 、YZ 点位置并按照支距拨正控制点的位置: 1、从岔后接头轨缝中心起,沿曲线上股量取夹直线长度④,即直圆点(ZY )位置,从直圆点量量曲线长的1/2定点,即曲线中央点(QZ )位置,在量曲线长的1/2定点,即圆直点(YZ )位置。
2、3个控制点的支距,
①、始点支距=线间距-
曲线长
2
2×半径
②、中央点支距=线间距-曲线长
2
8×半径
③、终点支距=线间距 四、 直股支距法:
已知60kg/12#道岔,R=400、转向角=4°45′49〞道岔后长=21.208米。
1. 线间距=(3.476+3.480+3.465)/ 3=3.474m
3.474+1435+(73*2)=5.055m
2. 斜边长= D/sin α=5.055/sin 4°45′49〞=5.055/0.083=60.9m
3. 切线长T=
╳R=tan
4°45′49〞
2
╳400 =16.6377m
4. 夹直线长L= D/sin α−T −b =60.9-16.6377-21.208=23.0543m
5. 曲线长=R πα/180=
400╳π╳4°45′49
180
=33.256m
6. Xc= cos α·T+T=cos4°45′49〞╳16.6377+16.6377=33.2179m
7.Y C =D- Xc 2
2R =5.055-33.217922×400
=3.676m
x 1=5m x 2=10m x 3=15m x 4=20m x 5=25m x 6=30m 8. y 1=D-x 1
22R =5.055-
522×450
=5.024m y 2=D-x 222R =5.055-1022×400=4.93m y 3=D-x 322R =5.055-1522×400=4.774m y 4=D-x 422R =5.055-2022×400=4.556m y 5=D-x 522R =5.055-2522×400=4.4.274m y 6=D-x 622R =5.055-3022×400
=3.93 m
五、一绳法
1 在ZY 和YZ 间拉弦,弦长近似于与曲线长相等。
2. 八等分弦长,如图33.256/8=4.175m
ZY YZ
4.175m 4.175m
1 2 3 4 5 6 7 8 测点2、8矢距=左弦长×右弦长
2×半径=151mm 测点3、7矢距=左弦长×右弦长2×半径=259mm 测点4、6矢距=
左弦长×右弦长
2×半径=325mm
测点 5 矢距=曲线长2
/(8×半径)=345.6mm
六、绳正法细整:(曲线状态较好时,可直接利用绳正法拨正) 1、排点方法:中央点设在测点上,然后向两侧排点(相邻测点的距离为5m ),直到排全。
始点(ZY ) 中央点(QZ ) 终点(YZ )
测点号 0 1 2 3 4 5 6 7 8 9 0
甲 乙
2、圆曲线正矢(
3、
4、
5、
6、7点)=12500半径
3、曲线始终点附近测点正矢: ①、测点在直线上的正矢(1、9点)=乙
2
4×半径
②、测点在曲线内的正矢(2、8点)=(乙+5)2
4×半径
-
乙
2
2×半径
4、按绳正法计算拨量,实施拨道。