技术协议(自耦降压启动柜)
- 格式:docx
- 大小:23.45 KB
- 文档页数:6
低压配电柜技术协议5篇篇1甲方(需方):XXX乙方(供方):XXX根据《中华人民共和国合同法》的相关规定,甲乙双方本着精诚合作、互惠互利的原则,就甲方所需低压配电柜产品达成技术协议,以共同遵守。
一、产品名称、型号、规格及数量1. 产品名称:低压配电柜2. 型号:GGD23. 规格:符合国家标准及行业标准4. 数量:详见订单二、产品技术要求1. 乙方提供的低压配电柜产品应符合国家标准及行业标准,并保证产品的质量和性能稳定可靠。
2. 乙方应提供产品的相关认证资料,如3C认证、质量管理体系认证等,以证明产品符合相关标准。
3. 乙方需保证产品的外观设计和结构设计合理,安装方便,具有良好的可维护性和可扩展性。
4. 乙方应提供产品的使用说明书和相关的技术支持,以确保甲方能够正确使用和维护产品。
三、产品的交付与验收1. 乙方需按照甲方的订单要求生产产品,并按时交付给甲方。
2. 甲方在收到产品后,应进行验收,检查产品是否符合合同约定的技术要求。
3. 如果产品在验收过程中发现问题,甲方应及时向乙方反馈,乙方应尽快解决并提出相应的解决方案。
4. 产品的交付和验收过程中,如因乙方原因导致的产品质量问题或延期交付,乙方应承担相应的责任。
四、产品的保修与维护1. 乙方应对提供的产品实行保修制度,保修期为自产品验收合格之日起XX年。
2. 在保修期内,乙方应对因产品质量问题引起的故障进行免费维修或更换。
3. 甲方在使用过程中遇到问题或需要维护时,应及时联系乙方,乙方应提供必要的技术支持和指导。
4. 保修期满后,乙方仍需提供有偿维修服务,具体费用另行协商。
五、付款方式与结算1. 甲方在签订合同后,应向乙方支付XX%的预付款。
2. 乙方在收到预付款后,应尽快安排生产并按时交付产品。
3. 甲方在收到产品并进行验收合格后,应支付剩余的XX%款项。
4. 乙方在收到全部款项后,应开具相应的发票并提供给甲方。
5. 甲方和乙方应遵守相关的税收法规,确保付款和结算的合法性。
煤矿6KV中压KYN44配电柜技术协议书需方:供方:日期:2008-12-12(简称需方)与(简称供方)所需6KV中压KYN44配电柜的有关技术问题签订以下协议:1. 概述:1.1 供货设备的设计、制造、检查和验收必须符合国家相关标准规范,要求供货方提供符合本技术条件及相关标准的优质产品。
1.2 本协议的使用范围,仅限于兖矿集团南屯煤矿选煤厂所需6KV中压配电柜部分的功能设计、结构、性能安装和试验等方面的技术要求。
1.3 本协议提出的是最低限度的技术要求,并未对一切技术细节做出规定,也未充分引述有关标准和规范的条件。
供方应保证提供符合本协议和最新工业标准的优质产品。
1.4 如果需方有除协议以外的特殊要求,应以书面形式提出,并对每点作出详细说明,附于本协议之后。
1.2标准、规范:必须符合的相关标准包括:1、中华人民共和国GB3906_91系列国家标准;原电力工业部DL系列标准;原机械工业部JB系列标准,并且达到两部提出的“五防”闭锁要求,以上内容未提及到的按国家标准执行。
2.使用环境条件:2.1海拔高度1200m。
2.2环境温度:最高:40℃,最低:-10℃;最大日温差:25℃2.3环境湿度:日平均相对湿度:≤95% 月平均相对湿度:≤90% 2.4最大风速:34m/s2.5耐受地震能力:地震烈度:8级;水平加速度:0.15g2.6 17台双面检修。
(附图)2.7 使用电压等级: 6KV2.8 未作要求的电器元件按Ⅲ级防污设计,爬电比距25mm/KV。
3.订货范围:3.1 KYN44-12型5台(尺寸800*1500*2200),尺寸均为宽*深*高。
3.2 提供柜内全部主母线和分支母线,均为铜质,主母线80×8母排。
3.3 包含安装运行所必须的辅助材料如螺栓、铜排、两边屏侧板、安装工具等,螺栓提供10%的余量;3.4 专用操作工具:转运输车1台,操作摇把、储能手柄、柜门钥匙等配套;4. 技术说明4.1 KYN44-12系列开关柜为金属铠装移开式;柜体分手车室、母线室、电缆室、低压(二次)室四个部分,各小室均铠装隔离并接地,并有独立压力释放通道;PT手车中置;4.2 手车骨架具有足够的强度;手车在柜内的移动、侧壁导向装置采用滚动轴承和导轨,保证手车进入柜后的精确配合,手车采用矩型螺杆或蜗轮、杆的推进机构。
煤矿6KV中压KYN44配电柜技术协议书需方:供方:日期:2008-12-12(简称需方)与(简称供方)所需6KV中压KYN44配电柜的有关技术问题签订以下协议:1. 概述:1.1 供货设备的设计、制造、检查和验收必须符合国家相关标准规范,要求供货方提供符合本技术条件及相关标准的优质产品。
1.2 本协议的使用范围,仅限于兖矿集团南屯煤矿选煤厂所需6KV中压配电柜部分的功能设计、结构、性能安装和试验等方面的技术要求。
1.3 本协议提出的是最低限度的技术要求,并未对一切技术细节做出规定,也未充分引述有关标准和规范的条件。
供方应保证提供符合本协议和最新工业标准的优质产品。
1.4 如果需方有除协议以外的特殊要求,应以书面形式提出,并对每点作出详细说明,附于本协议之后。
1.2标准、规范:必须符合的相关标准包括:1、中华人民共和国GB3906_91系列国家标准;原电力工业部DL系列标准;原机械工业部JB系列标准,并且达到两部提出的“五防”闭锁要求,以上内容未提及到的按国家标准执行。
2.使用环境条件:2.1海拔高度1200m。
2.2环境温度:最高:40℃,最低:-10℃;最大日温差:25℃2.3环境湿度:日平均相对湿度:≤95% 月平均相对湿度:≤90%2.4最大风速:34m/s2.5耐受地震能力:地震烈度:8级;水平加速度:0.15g2.6 17台双面检修。
(附图)2.7 使用电压等级: 6KV2.8 未作要求的电器元件按Ⅲ级防污设计,爬电比距25mm/KV。
3.订货范围:3.1 KYN44-12型5台(尺寸800*1500*2200),尺寸均为宽*深*高。
3.2 提供柜内全部主母线和分支母线,均为铜质,主母线80×8母排。
3.3 包含安装运行所必须的辅助材料如螺栓、铜排、两边屏侧板、安装工具等,螺栓提供10%的余量;3.4 专用操作工具:转运输车1台,操作摇把、储能手柄、柜门钥匙等配套;4. 技术说明4.1 KYN44-12系列开关柜为金属铠装移开式;柜体分手车室、母线室、电缆室、低压(二次)室四个部分,各小室均铠装隔离并接地,并有独立压力释放通道;PT手车中置;4.2 手车骨架具有足够的强度;手车在柜内的移动、侧壁导向装置采用滚动轴承和导轨,保证手车进入柜后的精确配合,手车采用矩型螺杆或蜗轮、杆的推进机构。
XXX集团投资有限公司XX110kV变电站10kV开关柜技术协议甲方:XXX集团投资有限公司设计方:XXX电力勘测设计院乙方:YYY有限公司ZZZ年7月5日目录1 供货范围 (1)2 基本要求 (2)3 使用环境 (2)4 技术参数 (2)5 技术要求 (2)6 图纸及资料 (4)7 技术文件及现场服务 (14)8 包装、运输及储存 (16)9 质量保证及试验 (17)1.供货范围注:1)除PT柜外,其它各开关柜均装设1套测控保护装置和智能电度表,测控保护装置和智能电度表由二次监控厂家提供,开关柜厂家负责安装和接线,且配合调试。
2) PT柜装设1套微机型消谐装置,微机型消谐装置由二次监控厂家提供,开关柜厂家负责安装和接线,且配合调试。
2.基本要求2.1本技术协议书提出了对设备本体及其附属设备的技术要求。
主要包括设备的使用条件、主要技术参数、结构、性能、试验及所需技术资料等方面的内容。
2.2本技术协议书提出的是最低限度的技术要求,并未对一切技术细节做出规定,也未充分引述有关标准的条文,供货方应按有关标准提供符合国标、行标和本技术协议书的优质产品。
2.3本技术协议书所使用的标准及规定的条款如遇到与供货方所执行的标准不一致时,按较高标准执行。
2.4应遵循的标准按本技术协议书供货的设备,包括供货方由其它厂家外购的设备和附件都应符合下列标准的最新版本。
GB3906《3~35kV交流金属封闭开关设备》GB311.1-1997《高压输变电设备的绝缘配合》GB2706《交流高压电器动热稳定试验方法》GB763《交流高压电器在长期工作时的发热》GB/T5582-93《高压电力设备外绝缘污秽等级》GB11022《高压开关设备通用技术条件》DL402《交流高压断路器动热稳定试验方法》GB156-93 《标准电压》GB311.1-83 《高压输变电设备的绝缘配合》GB763-90 《交流高压电器在长期工作时的发热》GB7354-87 《局部放电测量》GB11022-89 《高压开关设备通用技术条件》SD-T318-89 《高压开关柜闭锁装置技术条件》GB1208-1997 《电流互感器》GB1207-97 《电压互感器》GB11032-2000 《交流无间隙金属氧化物避雷器》DL/T402-91 《交流高压断路器定货技术条件》DL/T486-92 《交流高压隔离开关定货技术条件》DL/T539-93 《户内交流高压开关柜和元部件凝露及污秽试验技术条件》DL/T593-6 《高压开关设备的共用技术订货技术条件》DL/T404-1997 《户内交流高压开关柜定货技术条件》GB-50150 《电气装置安装工程电气设备交接试验标准》《国家电网公司十八项电网重大反事故措施》(试行)国家电网生计【2005】400号文以及其它相关最新标准。
产品与应用年第期自耦降压起动的一控多方案王广平(宝鸡职业技术学院,陕西宝鸡721004)摘要针对生产实践中常用的自耦降压起动方案体积大、成本高的缺点,提出了用一套自耦降压起动装置通过切换来依次起动多台电机的思路,并给出了1用1备两台消防电机泵的实施方案,使柜子体积减小,电器成本降低了约四分之一。
关键词:自耦降压起动;电机;切换;成本;降低The M ethod of Obtaining one Tontrol Many Star tup withAutotr ansfor mer Decrease VoltageW ang Guangping(Baoji V ocational Technology College,Baoji,Shaanxi 721004)Abstr act The scheme which we can startup many electric machine in turn with switching one autotransformer decrease voltage equipment was put forward.This scheme overcomes the disadvantage of autotransformer decrease voltage startup scheme in common use.The scheme in common use has the disadvantage of having big volume and costing high.This scheme present two electric machine pumps for fire control,one is in use,the other one is in prepare.This scheme reduces the cost one quarter and reduces the cabinet volume as while.Key words :startup with autotransformer decrease voltage ;electric machine ;switch ;cost ;decrease1引言在生产实践中经常遇到1用1备的电机设备起动问题,对较大电机设备常常采用各自独立的两套自耦降压起动装置[1]来减小起动电流,降低对电网的冲击,其缺点是体积大、成本高[2]。
电气控制柜技术协议书范本甲方(委托方):_____________________乙方(承接方):_____________________鉴于甲方需要定制电气控制柜,乙方具备相应的设计和制造能力,双方本着平等互利的原则,就电气控制柜的设计、制造、验收等事宜达成如下技术协议:一、产品规格与要求1. 电气控制柜应符合国家相关电气安全标准及行业规范。
2. 乙方应根据甲方提供的技术参数和使用环境,设计满足要求的电气控制柜。
3. 电气控制柜的尺寸、材质、颜色等应与甲方确认,并在设计图纸中明确。
二、技术参数1. 输入电压:_____________2. 额定功率:_____________3. 工作频率:_____________4. 控制方式:_____________5. 保护功能:_____________6. 环境适应性:_____________7. 其他特殊要求:____________三、设计及制造1. 乙方负责电气控制柜的详细设计工作,并提供设计图纸供甲方审核。
2. 乙方应保证设计图纸的准确性和完整性,确保产品满足甲方的技术要求。
3. 乙方应使用符合标准的材料和配件进行制造。
4. 乙方应保证制造过程的质量控制,确保产品符合设计要求。
四、验收标准1. 电气控制柜的验收应按照本协议书的技术参数和设计图纸进行。
2. 甲方有权对产品进行现场验收,乙方应提供必要的协助。
3. 验收不合格的产品,乙方应在规定时间内无偿整改至符合要求。
五、质量保证1. 乙方应提供至少一年的产品质量保证期。
2. 在质量保证期内,因乙方原因造成的产品故障或损坏,乙方应负责免费维修或更换。
3. 乙方应提供必要的技术支持和售后服务。
六、交货时间与地点1. 交货时间:乙方应在合同签订后___天内完成产品制造并交付甲方。
2. 交货地点:____________________________七、违约责任1. 如乙方未能按时交付产品,应按照合同总价的___%支付违约金。
山西兆丰铝业有限责任公司氧化铝项目二期工程35KV高压开关柜技术协议甲方:山西兆丰铝业有限责任公司氧化铝分公司乙方:乐星湖开电气(湖北)有限公司设计院:东北大学设计研究院(有限公司)二○一二年三月十日总则1、本协议提出的是最低限度的技术要求,乙方应保证所供设备符合本协议和国家标准、工业标准的优质产品。
2、经甲乙双方协商最终确定的技术协议书作为本设备合同一个附件,并与合同、投标文件有相同的法律效力。
3、如果本技术协议与有关的标准规范中某些要求或标准规范之间的某些要求有冲突时,应按较高的规定执行。
一、项目条件1.1 项目概况本工程厂址位于阳泉市境内东北部,一期已建成400kt/a氧化铝,二期在一期厂内预留地扩建700kt/a氧化铝。
总计规模为年产110万吨氧化铝。
1.2 项目建设条件A、气象阳泉所在地区属温带大陆性季风气候。
一年中四季分明,春季少雨多风,夏季炎热,雨量集中,秋季气候凉爽,冬季严寒少雪。
根据阳泉市气象站1992年~2002年之间的统计资料,其主要气象要素如下:1) 气温:极端最高气温40.2℃,极端最低气温-16.2℃。
年平均气温11.3℃。
年平均气压932.5hPa。
2) 湿度:全年平均相对湿度53%,旱季最干月为25%,雨季最湿月为96%。
3) 降水:最大年降雨量835.7mm,最小年降雨288.5mm。
平均年降水量515.8mm。
2) 蒸发:年平均蒸发量1931.2mm。
5) 冰冻:标准冻土深度为610mm冻结期为每年的11月至次年的3月。
年平均有霜期200d,年最大积雪厚度236mm。
6) 风:年平均风速2.5m/s最大风速22.0m/s,主导风向NW、WNW大风日数28.3d,年静风频率39%。
B、地震根据中华人民共和国国家标准《中国地震动参数区划图》(GB18306-2001),工厂所在地区的地震动峰值加速度为0.05g,地震动反应谱特征周期为0.25S。
根据该标准附录D,相对应的地震基本烈度为7度。
高低压技术协议协议双方:甲方:[公司/个人名称]地址:[地址]联系人:[姓名]电话:[联系电话]乙方:[公司/个人名称]地址:[地址]联系人:[姓名]电话:[联系电话]为了确保供电设备的安全、稳定运行,保障电力系统的正常运行以及两方的合作利益,甲乙双方经友好协商,达成以下《高低压技术协议》(以下简称“本协议”),共同遵守以下条款:第一条:目的和范围1.1 本协议的目的是明确甲乙双方在高低压技术方面的权益和责任,规范双方的合作关系。
1.2 本协议适用于甲乙双方在高低压技术方面的合作项目。
第二条:技术要求2.1 甲方应按照乙方的需要提供高低压技术服务,并保证所提供的技术满足乙方的要求。
2.2 乙方需如实提供所需技术服务的详细要求,包括但不限于技术规范、技术参数等。
第三条:责任和义务3.1 甲方的责任和义务:3.1.1 提供专业的高低压技术咨询和指导服务;3.1.2 提供高低压设备的安装、调试和维护服务;3.1.3 定期对设备进行检测和保养,确保设备的正常运行;3.1.4 以最大努力确保技术服务的及时性和质量。
3.2 乙方的责任和义务:3.2.1 如实提供所需技术服务的详细要求;3.2.2 配合甲方开展技术服务工作;3.2.3 对甲方提供的技术服务进行评估和反馈;3.2.4 按照约定支付技术服务费用。
第四条:保密条款4.1 甲乙双方对于在技术服务过程中所知悉的对方的商业秘密和技术机密承担保密义务。
4.2 未经对方书面同意,甲乙双方不得向第三方泄露或披露对方的商业秘密和技术机密。
4.3 本条款的保密义务在本协议终止后仍然有效。
第五条:费用与付款方式5.1 甲方向乙方提供的技术服务,乙方应按照约定支付相应的技术服务费用。
5.2 技术服务费用的支付方式和周期由甲乙双方协商确定,并写明在协议附件中。
第六条:协议变更和终止6.1 甲乙双方一致同意,如有需要,可以对本协议的任何条款进行变更。
变更后的协议应经过双方签字确认,方可生效。
1、概述1.1 本技术协议书适用于浙江吉安纸容器有限公司45万吨牛皮箱板纸工程配套的10kV及35KV户内金属封闭铠装式高压开关柜。
1.2供方提供的中置式开关柜应是性能先进、质量可靠、技术成熟、稳定性好的开关柜。
1.3供方提供设备的设计制造和试验标准及提供的图纸、文件均应符合IEC、GB标准。
1.5供方提供的开关柜应是一个功能完整的开关柜。
供方应对开关柜的功能和容量满足本项目的要求完全负责,并保证能连续、稳定、安全运行。
如果设备不能实现特定的性能要求,供方必须增加硬件或服务来完成,费用由供方承担。
供方应对所供设备运行性能和质量进行担保,质保期为一年,质保期内,供方应免费负责维修或更换。
1.7本技术协议书提出了该10kV、35KV高压开关柜本体及附属设备的功能设计、结构、性能、安装和试验等方面的技术要求。
本技术协议书提出的是最低限度的技术要求,并未对所有细节做出明确规定,也未充分引述有关标准和规范的文本,本技术规格书所引用的标准如有不一致时,按较高的标准执行。
供方应保证提供优于IEC、GB标准的铠装移开式高压开关柜。
1.8本技术协议书经供、需双方确认后,作为订货合同的技术附件与合同正文具有同等法律效力。
1.9供方必须根据设计院提供的图纸进行生产。
2.0技术协议书中未尽事宜由招、投标双方协商解决。
2、货物需求一览表:需方认可的柜型: GE 10KV P/VII-12 、 35KV P/V-40.52.1 开关柜本体,柜体用敷铝锌板制作,35KV、10KV结构为中置式。
2.2真空断路器及柜内(包括综合保护继电器)的所有的一、二次元件(包括所有的电源微型断路器、按钮、转换开关、指示灯、继电器及所有的指示仪表等);2.3 柜内主铜母线、接地母线和柜顶小母线;2.4开关柜边屏和后备包包括在开关厂家的供货范围内;2.5馈线柜出线电缆的零序电流互感器及固定零序电流互感器的支架包括在供货范围内2.7综合保护器包括在开关厂家的供货范围内。
XXXXXX公司XXXXXX项目高压开关柜技术协议书买方:xxxxxx公司设计单位:XXXXXX公司卖方:XXXXXX公司YY年MM月DD日货物需求表有关附图。
目录1.总则2.环境条件3.规程和标准4.供货范围5.技术要求6.试验、监造和检验7.包装和运输8.铭牌和标志9.图纸和资料10.质量保证11.技术服务12.备品备件及专用工具13. 技术数据一览表14. 附图目录附表一:主要设备表附表二:备品备件清单附表三: 10kV开关柜二次设备元件表1.总则1.0.1本设备技术协议书适用于XXXXXX项目#3~4变压器10kV交流金属铠装式开关柜及其附属设备。
本技术协议书提出了开关柜及其附属设备的功能、设计、结构、性能、安装和试验等方面的技术要求。
1.0.2卖方提供的设备应是符合本技术协议书要求、适用于交流额定电压10kV、额定频率50Hz的厂用电系统、完整的成套开关设备,在符合使用环境条件情况下,接通电源即可使用。
1.0.3本技术协议书提出的是最低限度的技术要求,并未对一切技术细节做出规定,也未充分引述有关标准和规范的条文,卖方应提供符合工业标准和本技术协议书要求的优质产品。
1.0.4本技术协议书使用的标准如遇与卖方所执行的标准不一致时,按较高标准执行。
1.0.5招标时附图仅作招标用,不能作为制造依据,制造需另见订货图。
1.0.6本技术协议书经买、卖双方确认后作为订货合同的技术附件,与合同正文具有同等的法律效力。
1.0.8本技术协议书未尽事宜,由买、卖双方协商确定。
2.工程概况XXXXXX公司是于1995年10月经国务院批准组建的国有独资公司,是国资委直管的44户国有重要骨干企业之一。
已建成运行的回用水处理装置,为神华煤制烯烃项目服务的配套公用工程设施之一,为提高厂区内工业废水的综合回收利用率、达到节能减排的目的,需要对回用水装置进行扩能改造。
为了保证回用水装置扩能改造项目高压开关柜的质量及制造工期等事宜,现与高压开关柜制造厂制定以下技术协议。
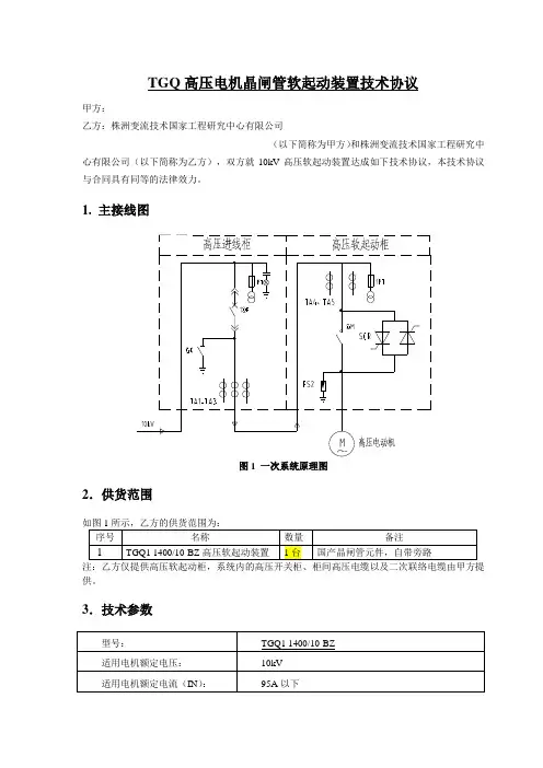
TGQ高压电机晶闸管软起动装置技术协议甲方:乙方:株洲变流技术国家工程研究中心有限公司(以下简称为甲方)和株洲变流技术国家工程研究中心有限公司(以下简称为乙方),双方就10kV高压软起动装置达成如下技术协议,本技术协议与合同具有同等的法律效力。
1. 主接线图图1 一次系统原理图2.供货范围注:乙方仅提供高压软起动柜,系统内的高压开关柜、柜间高压电缆以及二次联络电缆由甲方提供。
3.技术参数24.其他技术规格4.1 使用环境本装置要求在户内安装。
4.1.1环境空气温度-20℃~40℃;4.1.2阳光辐射的影响可以忽略;4.1.3海拔不超过2000m;4.1.4湿度:90%(25℃)50%(40℃)无凝露;4.1.5无金属屑、无导电尘埃和腐蚀气体。
4.2 冷却条件自然空气对流冷却。
4.3 过压承受能力装置可承受的系统最大电压为12kV。
4.4 绝缘要求参照标准:GB 311.1-1997 《高压输变电设备的绝缘配合》主电路对地必须耐受42 kV工频交流电压1分钟,75kV雷电冲击电压无击穿闪烙。
控制电路对地必须耐受 1.5 kV工频交流电压1分钟无击穿闪烙。
34.5 二次控制系统参照GB/T 14048.6—1998《低压开关设备和控制设备接触器和电动机起动器第二部分:交流半导体电动机控制器和起动器》第9.3.5.2条“EMC抗干扰性试验”的有关要求。
4.5.1控制系统辅助电源:交流220V,1000VA,用户提供。
4.5.2控制回路中继采用西门子产品,触点容量为220VAC 5A。
4.5.3 控制电路所用导线均为500V/1.5mm2多股铜绞线。
4.6 高压软起动装置与相关设备的信号交接4.6.1高压开关柜给高压软起动装置的信号:高压柜合闸(QF闭合)信号---无源常开点4.6.2 软起动装置给上级配电柜的信号:分高压柜QF信号---无源常开点4.6.3软起动装置输出的其他信号:软起动准备就绪信号---无源常开点起动开始信号---无源常开点起动完成信号---无源常开点故障信号---无源常开点4.6.4其他外部接口:远控起动指令信号远控停车指令信号远控紧急跳闸指令信号远控故障信号灯接口远控起动信号灯接口远控运行信号灯接口4.6.5通讯接口及协议TGQ系列高压软起动装置提供RS485接口,支持Modbus-RTU通讯协议。
技术协议
甲方:潞安环保能源股份开发有限公司王庄煤矿
乙方:上海卓能电气实业有限公司
根据2013年维简计划(七—17)及王庄矿实际需要,甲方向乙方购置7台KQK/T-1HN-JY-90型交流低压配电柜(自耦降压启动柜),用于低压系统技术改造,经双方协商达成如下技术协议:
一、工作条件
1、周围空气温度:最高40℃、最低-5℃
2、24小时内平均温度不得高于+35℃
3、海拔高度不超过2000米
4、装置安装时与垂直面的倾斜度不超过5度。
5、装置应安装在无剧烈震动和冲击及腐蚀性的场所
6、装置周围空气相对湿度在最高温度为+40℃时不超过50%,在较低温度时允许有较大的相对湿度,如+20℃时为90%,应考虑到由于温度的变化可能会偶然产生凝露的影响。
二、设备参数
额定电压:380V额定频率:50Hz
相数:3相4线额定短路开断电流:30KA
额定短时耐受电流:30KA额定峰值耐受电流:63KA
三、执行技术标准
1.设计标准
1.1 GB156《标准电压》
1.2 GB4205《检测电气设备的操作标准运动方向》
1.3 GB2900《电工名词术语》
1.4 GB/T494
2.2《低压电器外壳防护等级》
1.5 GB6988《电气制图》
1.6 GB324《焊缝符号表示法》
1.7 GB191《包装贮运标志》
1.8 GB7276《电力系统保护控制屏、柜外形尺寸系列
2.产品标准
2.1 GB7251.1《低压成套开关设备和控制设备》
2.2 GB/T14048.1《低压开关设备和控制设备》
2.3 GB13539IEC269《低压熔断器》
2.4 GB1208 IEC185《电流互感器》
2.5GB4026 IEC445《电器接线端子和相应符号标志的接线端子的识标方法》
3.检验标准
3.1GB9466《低压成套开关设备基本试验方法》
3.2 GB11021《电气绝缘的耐热性评定和分级》
3.3 GB7261《继电器及继电保护装置基本试验方法》
3.4 GB50150《电气装置安装工程电气设备交接试验标准》
3.5 SJD9-87《电力装置的电测量仪表装置设计规程》
四、技术要求
4.1、要求乙方到现场对柜子尺寸进行测量,满足甲方安装使用要求。
4.2、柜体采用通用柜的形式,框架用8MF冷弯型钢局部焊接或组装。
4.3、柜门用转轴式活动铰链与构架相连,安装,拆卸方便。
4.4、仪表门用多股铜线与框架相连,柜内的安装件与框架间用滚花垫圈相连,整柜构成完整的接地保护系统。
4.5、柜体的顶盖在需要时可拆除,便于现场主母线的装配和调整,柜顶的四角装有吊环,用于起吊和装运。
4.6、柜体的防护等级为IP30。
4.7、涂漆和颜色:内部涂反光好的浅色漆,柜体颜色采用浅驼色(MB2071),环氧树脂粉末静电喷塑。
4.8、电气元件的安装符合电气间隙与爬电距离的要求:需要打开或拆卸的外壳必须使用工具;打开柜门必须使用钥匙才能实现,柜门开启灵活、开启角度为90º。
紧固连接牢固、可靠。
所有紧固件均应具有防腐镀层或涂层,紧固连接有防松脱措施。
4.9、配电盘必须有良好通风系统,当配电盘在额定负荷下运行时各部件的温升不应超过“低压抽出式成套开关设备”ZBK36001-89规范中表3的各项指标,同时在结构上采取措施,防止由于通风系统的存在而降低装置的安全性。
4.10、电缆室开孔要合理,并有电缆固定支架。
4.11、低压配电柜的面板上设有红灯、绿灯和黄灯,并分别表示断路器的合、分、储能状态。
4.12、低压配电柜的面板上设有必要的测量仪表,如电流表或电压表。
4.13、所有操作开关、手柄以及断路器的应急分闸装置等都应有明确的、永久的标志,并表明其操作的方向及其含义。
4.14、所有信号灯、信号装置除必要的颜色区别外,还有文字说明其动作含义。
4.15、低压配电盘中安装的所有断路器、接触器、熔断器、电流互感器,变频器,热继电器,等元件以及测量表计均具有耐久而清晰的铭牌。
五、验收:
1、制造厂按国家标准及行业标准进行出厂试验。
2、出厂验收:乙方提供验收标准,出厂验收前一周通知甲方,双方在乙方工厂按国家标准进行试验,并向甲方提供试验报告,双方检验合格后出厂。
六、技术文件:
1、制造厂家在设备出厂时随设备提供:使用说明书及相关元件使用说明书。
并提供主要元器件的相关试验检验报告及产品合格证。
2、制造厂家随机提供使用说明书各六套。
3、提供的技术资料齐全(包括说明书、安装图、原理图、接线图和配件明细表)。
七、安装调试及培训:
1、设备到货后,乙方派有经验的工程技术人员到现场,协助甲方进行安装,并负责调试和培训,直到运转正常。
2、乙方对甲方操作人员进行免费技术培训,保证操作人员能够独立、熟练操作,并能排除设备运行中的一般故障,培训地点及人数按甲方要求。
3、乙方应向甲方提供有关新工艺、新技术、交流信息和咨询服务。
4、乙方应长期向甲方提供备件供应(有偿)和维修保养技术。
八、质量保证及售后服务:
1、乙方保证所提供的设备符合设计的规格及技术要求,符合国家标准或部颁标准,且技术先进、质量合格。
2、乙方保证在产品的设计、制造、检验、服务等方面将严格执行
ISO9001:2000《质量管理体系要求》。
从合同评审、设计控制采购计划、生产过程控制、检验和试验、服务等方面将严格执行ISO9001质量保证体系及程序文件要求。
3、乙方严格执行产品的设计、制造、检验、验收所执行的国家标准及行业标准等标准规范,执行产品的技术条件、合同要求,图纸技术规范要求,确保产品最终出厂检查合格率为100%。
4、乙方确保设备的正常使用寿命不小于10年。
5、质量保证期:设备安装调试最终验收合格后,正常运行之日起一年。
6、本设备自安装正式运转后由乙方负责质保。
质保期内出现质量问题由乙方及时无偿保修;质保期后如发生故障,乙方积极协助甲方处理,若确属设备设计制造缺陷,乙方承担相应的责任,乙方对设备向甲方提供终身服务。
7、设备在运行中发生故障,乙方在接到甲方通知后,服务人员在24小时内到达现场进行处理。
8、乙方按招标承诺免费提供易损配件,满足维修的需要。
9、乙方应保证十年配件的随时供应,不得断档、拒供,影响生产。
九、包装和运输
1、乙方负责设备的包装,设备的包装能适应气候变化,应符合国家标准。
2、乙方负责将设备运输到甲方指定地点。
十、本协议一式四份,甲方三份,乙方一份,双方签字盖章后生效。
十一、未尽事宜,双方共同协商解决。
十二、供货日期:技术协议签定后60天。
甲方:潞安环保能源股份开发乙方:上海卓能电气实业有限公司有限公司王庄煤矿
代表:代表:
二〇一三年六月十九日。