中国重汽发动机及零部件提升介绍新选.
- 格式:doc
- 大小:30.00 KB
- 文档页数:23
华菱615EQ汽车用发动机零件图册中国重汽集团杭州发动机销售有限公司注:带*为备用件目录气缸体部分Cylinder Block (1)后取力部分 Engine Rear Power Take-off Subgroup (11)活塞连杆部分Piston and connecting Rod (19)水泵和冷却系统部分Water Pump and Cooling System (21)机油泵和滤清器部分Lubricating Oil Pump and Oil Filter (24)供油部分Fuel System (27)电器系统部分Electrical System (31)进排气系统部分Intake Manifold and Exhaust Manifold (34)气缸盖和配气机构部分Cylinder Head and Valve-Gear Mechanism (39)双缸水冷空压机部分 Cylinder Air Compressor (45)油底壳部分Oil Pan (47)注:带*为备用件气缸体部分Cylind er Block12345678910后取力部分 Engine Rear Power Take-off Subgroup11121314曲轴飞轮部分crankshaft and flywheel15161718活塞连杆部分Piston and connecting Rod1920水泵和冷却系统部分Water Pump and Cooling System212223机油泵和滤清器部分Lubricating Oil Pump and Oil Filter242526供油部分Fuel System27282930电器系统部分Electrical System313233进排气系统部分Intake Manifold and Exhaust Manifol d3435363738气缸盖和配气机构部分Cylinder Head and Valve-Gear Mechanism394041424344双缸水冷空压机部分Cylinder Air Compressor4546油底壳部分Oil Pan4748。
四大汽车集团下属中重型柴油机企业国Ⅳ排放达标控制策略对比分析为应对排放升级,国内商用车及发动机企业均未雨绸缪,加快推出满足国Ⅳ标准的产品。
与2008年的两条一、中国重汽集团有限公司中国重汽的发动机事业由济南动力有限公司(济南动力)和杭州发动机有限公司(杭发)组成。
2009年7月15日,中国重汽(香港)有限公司与全球卡车技术领先的工业集团德国曼(MAN)公司在技术和资中国重汽发动机的后续规划如下:以MAN项目为主线,加快产品结构的调整升级,加速开发生产具有国际先中国重汽部分6缸国Ⅳ发动机供油系统型式和排放控制技术路线二、第一汽车集团公司一汽集团的中重型柴油发动机事业由一汽解放无锡柴油机厂(锡柴)和道依茨一汽大连柴油机公司(大柴)锡柴国Ⅳ中重型发动机的技术路线主要采用SCR和EGR+DOC+POC;大柴国Ⅳ中重型发动机的技术路线主要采用一汽锡柴部分6缸国Ⅳ发动机供油系统型式和排放控制技术路线一汽大柴部分6缸国Ⅳ发动机供油系统型式和排放控制技术路线三、上海汽车工业(集团)总公司上汽集团的中重型柴油发动机事业由上海日野发动机公司、上海柴油机股份公司和上汽菲亚特红岩动力总1、上海日野发动机公司上海日野国Ⅳ发动机采用EGR+与SCR并举的技术路线。
日本日野公司在EGR技术的应用方面已经非常成熟上海日野部分6缸国Ⅳ发动机供油系统型式和排放控制技术路线2、上海柴油机股份公司上柴股份早年是我国柴油机生产的摇篮,如今已发展成为国家特大型专业柴油机设计制造商,其拥有的D1上柴股份2010年1月4日公告,公司满足国IV排放要求的12L发动机项目获上海市财政补助3619万元,并上柴国Ⅳ发动机的技术路线以采用SCR为主,SC8DT系列将采用EGR+DOC。
上柴股份部分6缸国Ⅳ发动机供油系统型式和排放控制技术路线3、上汽菲亚特红岩动力总成有限公司上汽菲亚特红岩动力总成有限公司柴油发动机Cursor9与NEF6两款国IV重型发动机均采用SCR技术路线,与CURSOR9可应用于重型卡车、客车、工程机械、农用机械以及发电机组。
中国重汽发动机亮点中国重汽发动机亮点一、几个基本事实1、中国重型汽车集团公司是引进斯太尔整车项目(包括WD615发动机)的法律主体。
2、WD615发动机的技术消化吸收、国产化工作是以中国重汽的工程技术人员为主导,吸收下属项目工厂人员共同参与完成的。
3、中国重汽技术中心,是国家级技术中心,也是国家级重型发动机开发、试验、检测中心,拥有下属工厂无法比拟、国际最先进的发动机试验手段。
其下属的检测中心近几年接受国家的委托起草我国的欧1、欧2、欧3、欧4、欧5车用柴油机排放标准和相应试验方法。
二、中国重汽牌WD615发动机技术配置原则:1、与中国重汽原来使用的潍柴机所有部件完全互换。
2、针对近两年发动机售后排列于前15位的故障,不惜成本,将发动机的配置状态提升,努力使整机可靠性达到国产化之前的水平。
3、针对中国重汽自身只使用WD615发动机266、290、336、371PS四个功率点的实际,逐个功率点进行喷射系统参数优化,使各项指标特别是油耗指标最佳。
解决原来在每个功率点附近多机型生产,参数无法取最优的尴尬局面。
三、喷射系统提升1、中国重汽8500系列高压油泵1)、进口和国产7100系列泵结构上的先天不足导致以下几方面的售后问题:1)低速特别是怠速工况容易发生转速稳不住现象;2)一部分300PS以上发动机使用一段时间后功率下降;3)一年中总有一定比率的阻尼阀断而导致发动机“飞车”恶性故障;4)各缸供油温度有差异,影响发动机油耗和各缸工作的稳定性;5)泵体、凸轮轴、轴承、出油阀等承力部件强度对于300PS以上WD615而言,处于临界状态,所以将8500泵用于300PS以上机型比7100泵可靠。
2)8500系列泵就是为解决上述问题同时又要满足400PS以上高压喷射发动机的需要而开发的最新一代强化型高压油泵。
该泵的所有基础部件全面优化和强化,同时兼顾满足部分欧洲客户前几年提出的“用机械泵进入欧3排放”的设计理念。
第1篇一、自我介绍及职业规划(500字左右)1. 请用简短的自我介绍,包括你的教育背景、专业技能、兴趣爱好等。
2. 请谈谈你对中国重汽的了解,以及为什么选择加入中国重汽?3. 在你的职业规划中,你认为在未来的五年、十年内,你希望在中国重汽达到什么样的职业发展目标?二、专业知识与技能测试(1500字左右)1. 机械设计基础- 请解释机械设计的基本原则和设计流程。
- 分析以下零件的失效原因:轴承、齿轮、弹簧。
- 设计一个简单的机械系统,并说明其工作原理。
2. 汽车工程- 描述汽车发动机的工作原理,并解释其动力传递过程。
- 分析汽车底盘的组成及其在汽车行驶中的作用。
- 请解释汽车安全气囊的工作原理,并讨论其在安全防护方面的作用。
3. 制造工艺- 介绍常见的金属加工方法,如铸造、锻造、焊接等。
- 分析不同加工方法的特点及适用范围。
- 请说明在汽车制造过程中,如何保证零部件的加工精度和质量。
4. 质量管理- 解释质量管理体系的基本概念和ISO 9001标准。
- 分析质量控制的关键环节,如过程控制、检验与测试等。
- 请举例说明如何在实际工作中应用质量管理体系。
5. 项目管理- 描述项目管理的生命周期,并解释各阶段的主要任务。
- 分析项目管理中可能遇到的风险,并提出相应的应对措施。
- 请说明如何有效地进行项目进度控制和成本控制。
三、案例分析(500字左右)1. 案例一:汽车尾气排放问题- 阐述汽车尾气排放对环境的影响。
- 分析我国在汽车尾气排放控制方面的政策及措施。
- 提出你对汽车尾气排放问题的解决方案。
2. 案例二:新能源汽车发展- 介绍新能源汽车的发展现状及趋势。
- 分析新能源汽车的优势和挑战。
- 提出你对新能源汽车产业发展的建议。
四、团队合作与沟通能力测试(500字左右)1. 团队合作- 请描述一次你在团队中担任重要角色的经历,并说明你在团队中的作用。
- 分析团队合作中可能遇到的问题,并提出解决方法。
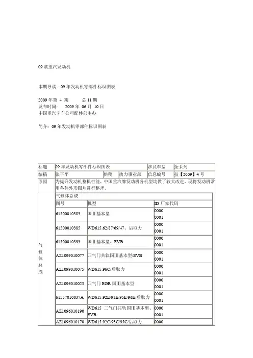
中国重汽09款发动机及零部件提升介绍目前,中国重汽发动机包括WD615、D10、D12及WT615四大系列,功率范围覆盖230Ps~460Ps,排放水平均满足国Ⅲ排放法规,其中WD615国Ⅳ柴油机也已研发成功。
中国重汽国Ⅲ系列柴油机的技术路线包括电控高压共轨和电控燃油速率喷射泵+冷却EGR两种,国Ⅳ柴油机采用了电控冷却EGR+DOC+PMCAT和SCR两种技术路线来满足国家法规的要求。
一、中国重汽柴油机介绍1. WD615及D10高压共轨国Ⅲ系列柴油机为提高整车动力性及经济性,中国重汽在原WD615高压共轨系列柴油机基础上降低了发动机额定转速,相应提高了对应扭矩,并优化了柴油机万有特性曲线,与整车重新进行了优化匹配。
同时,针对A7车型,开发了D10系列柴油机,将增压器中置,使得整车进排气系统更易布置,经试验验证,动力性和经济性均达到了设计指标。
WD615高压共轨国Ⅲ系列柴油机型谱型号功率额定转速扭矩气门数增压器位置kW(Ps)rpm Nm Valve/CylWD615.92C 198(270) 1900 1190@1200-1500rpm 2 后置WD615.93C 213(290) 1900 1290@1200-1500rpm 2 后置WD615.95C 249(340) 1900 1490@1200-1500rpm 2 后置WD615.96C 279(380) 2000 1590@1200-1500rpm 4 后置D10系列柴油机型谱型号功率额定转速扭矩气门数增压器位置kW(Ps)rpm Nm Valve/CylD10.27-31 198(270) 1900 1190@1200-1500rpm 2 中置D10.29-31 213(290) 1900 1290@1200-1500rpm 2 中置D10.34-31 249(340) 1900 1490@1200-1500rpm 2 中置D10.38-30 279(380) 2000 1590@1200-1500rpm 4 中置2. WD615 EGR国Ⅲ系列柴油机中国重汽联合英国RICARDO、DELPHI公司,在已开发成功的高压共轨国Ⅲ发动机的基础上,用电控直列泵+冷却的电控EGR系统取代电控高压共轨系统再次进行技术攻关,经过很多次失败和大量的反复的试验验证,历时近二年时间,终于开发成功,并于08年实现批量上市,市场反映极佳。
中国重汽09款发动机及零部件提升介绍目前,中国重汽发动机包括WD615、D10、D12及WT615四大系列,功率范围覆盖230Ps~460Ps,排放水平均满足国Ⅲ排放法规,其中WD615国Ⅳ柴油机也已研发成功。
中国重汽国Ⅲ系列柴油机的技术路线包括电控高压共轨和电控燃油速率喷射泵+冷却EGR两种,国Ⅳ柴油机采用了电控冷却EGR+DOC+PMCAT和SCR两种技术路线来满足国家法规的要求。
一、中国重汽柴油机介绍1. WD615及D10高压共轨国Ⅲ系列柴油机为提高整车动力性及经济性,中国重汽在原WD615高压共轨系列柴油机基础上降低了发动机额定转速,相应提高了对应扭矩,并优化了柴油机万有特性曲线,与整车重新进行了优化匹配。
同时,针对A7车型,开发了D10系列柴油机,将增压器中置,使得整车进排气系统更易布置,经试验验证,动力性和经济性均达到了设计指标。
WD615高压共轨国Ⅲ系列柴油机型谱型号功率额定转速扭矩气门数增压器位置kW(Ps)rpm Nm Valve/CylWD615.92C 198(270) 1900 1190@1200-1500rpm 2 后置WD615.93C 213(290) 1900 1290@1200-1500rpm 2 后置WD615.95C 249(340) 1900 1490@1200-1500rpm 2 后置WD615.96C 279(380) 2000 1590@1200-1500rpm 4 后置D10系列柴油机型谱型号功率额定转速扭矩气门数增压器位置kW(Ps)rpm Nm Valve/CylD10.27-31 198(270) 1900 1190@1200-1500rpm 2 中置D10.29-31 213(290) 1900 1290@1200-1500rpm 2 中置D10.34-31 249(340) 1900 1490@1200-1500rpm 2 中置D10.38-30 279(380) 2000 1590@1200-1500rpm 4 中置2. WD615 EGR国Ⅲ系列柴油机中国重汽联合英国RICARDO、DELPHI公司,在已开发成功的高压共轨国Ⅲ发动机的基础上,用电控直列泵+冷却的电控EGR系统取代电控高压共轨系统再次进行技术攻关,经过很多次失败和大量的反复的试验验证,历时近二年时间,终于开发成功,并于08年实现批量上市,市场反映极佳。
WD615 EGR国Ⅲ系列柴油机型谱型号功率额定转速扭矩kW(Ps)rpm NmWD615.92E 196(266) 2000 1190@1200-1500rpm WD615.93E 213(290) 2000 1290@1200-1500rpm WD615.95E 249(340) 2000 1490@1200-1500rpm WD615.96E 279(380) 2000 1590@1200-1500rpm3. D12系列柴油机中国重汽与国外公司合作进行联合设计、运用世界上最先进的设计手段和测试方法,以达到欧Ⅲ、欧Ⅳ排放标准,功率460马力,B10寿命100万公里,整机噪声低于97dB(A)作为基本目标,历时仅3年的时间开发成功了D12系列发动机。
D12系列柴油机主要特点:1)D12柴油机保留WD615柴油机部分设计特点,一缸一盖、框架式结构、干式气缸套,气缸中心距、气缸直径相同。
2)D12柴油机采用每缸4气门结构,具有换气损失小、充量系数高的特点;同时,喷油器中置提高了燃油雾化质量。
3)采用后置齿轮传动设计(飞轮端),实现了较低的齿轮噪声。
4)D12欧Ⅲ系列柴油机采用电装新一代电控共轨燃油系统,可实现每循环达五次的喷油。
UHD泵最高共轨压力可达160MPa,DLC喷油嘴具有更高的可靠性。
D12国Ⅲ系列柴油机主要性能参数发动机型号--- D12.46-30 D12.42-30 D12.38-30 D12.34-30发动机型式--- 水冷、4冲程、直喷、增压中冷、高压共轨、四气门气缸数--- 6缸径x行程mm 126x155发动机排量L 11.596额定功率kW(Ps)339(460)309(420)279(380)249(340)额定转速r/min 2000最大扭矩N·m 2000 1820 1650 1470最大扭矩转速r/min 1100-1400最低比油耗率g/kW·h ≤188 1米处噪声dB(A) ≤97带冷起动装置℃-40B10寿命km 1000000排放水平--- 国Ⅲ4. WD615国Ⅳ柴油机待补充。
二、中国重汽09款发动机零部件提升情况介绍1. 采用排气门制动(CEVB)技术传统的排气制动装置采用蝶形阀开关关闭排气管通道的方法,使排气背压升高,使活塞在排气行程时受到气体的反压力,阻止发动机运转而产生制动作用,达到控制车速的目的。
而排气门制动技术则是在传统蝶阀制动的基础上,通过控制发动机排气门在压缩及膨胀行程期间保持打开一个小的开度,造成压缩冲程中的气体有一部分从排气门泄漏出来,这样就会损失一部分能量,甚至在活塞已到达压缩上止点后,排气阀仍然开着,这样就使压缩空气通过排气阀间隙膨胀到排气管中,从而减少膨胀冲程对发动机活塞的做功,使发动机转速降低,从而使车辆行驶速度降下来,来达到提高发动机制动功率的目的。
中国重汽CEVB正是基于现有的蝶形阀排气制动装置而研发的排气门辅助制动系统,其主要功用是:当整车在从长下坡路行驶时,配合着排气制动,提供可控车速,增加整车制动功率,减少行车制动器的使用频率,极大地减轻了行车制动器及轮胎的磨损,提高其使用寿命,提高行车的安全性,并减轻驾驶员驾驶疲劳度。
CEVB系统由排气蝶阀制动时排气管的较高压力驱动,属纯机械方式,无需添加任何电控装置,成本低、改动零件少且易于保养维护。
2. 采用电磁风扇离合器电磁风扇离合器的工作原理是通过水温来控制电路的通与断。
当发动机冷启动或低负荷运行时,水温尚未达到设定温度,此时电路未接通,线圈盘中的电磁线圈不起作用,风扇通过从动盘中的永久磁铁作用,随主动盘转动,此时风扇的转速大约是主动盘转速的一半;当水温上升到设定温度时,电路接通,线圈盘中的电磁线圈通电后产生磁场,使从动盘与主动盘完全吸合,此时固定在从动盘上的风扇与主动盘转速一致,而当水温下降到设定温度时,电路断开,风扇仍以主动盘的半速运转。
电磁风扇离合器可以有效的节省燃油消耗,在南方地区百公里油耗可降低3-5%,在北方地区效果将更加明显;且当发动机冷启动时,由于风扇转速较低,可以在较短时间内使水温上升到发动机适宜工作温度,有效提高了发动机寿命。
3. 连杆加工采用胀断工艺相对于锯齿定位式连杆,胀断式连杆毛坯采用整体式锻压,机械加工中省去拉齿、盖体结合面加工和盖体组合等工序;胀断加工后不可互换(互换后结合面配合不上),避免了分体式连杆由于形状相似而造成互换(互换后盖体不同心)的错误;胀断连杆材料采用非调质钢(C70S6),节约了热处理费用,同时可以使连杆抗拉强度和耐冲击性能提高10%以上。
胀断式连杆在欧洲国家已经使用六年多的时间,连杆断裂情况几乎为零。
4. 全部采用带雪崩二极管的发电机中国重汽10L国Ⅲ机上全部采用内置风扇雪崩二极管发电机。
采用内置风扇雪崩二极管发电机具有以下优点:1)内置风扇冷却效果好,防止电器元件散热不良而引起的故障。
2)可抑制由于整车上发动机转速突变或整车意外抛负载引起发电机的过电压。
同时也可以起到保护调节器的作用,延长发电机的使用寿命。
3)可将整车用电系统电感负载通断引起的脉冲电压,钳在雪崩电压之内。
4)提高了发电机的电磁兼容性,可更好地保护整车上ECU等微电子部件。
5. 采用新结构增压器进油管新结构增压器进油管采用软连接形式,可以消除因为装配问题带来的管子受力扭曲引起的断裂问题,从而避免了发动机因机油压力下降造成的恶性事故;同时,也可以大大提高装配效率。
6. 采用新结构油气分离器新结构油气分离器可以对油气排放物中不可见的小的油雾提高5倍以上的过滤效率,大大降低发动机机油油耗,同时防止曲轴箱压力过高,为发动机呼吸通畅提供有力保证。
7. 采用进口Sensata机油压力传感器从结构上,森萨塔的电子式机油压力传感器提高了密封性,大大避免了漏油的问题。
另外,传感器处理电路采用的是柔性电路板,分为上下两部分,封装时通过外壳固定接插件将两部分紧紧的压在一起,这样不会出现脱落或接触不良的现象。
8. 新型活塞环—Ⅰ型钢油环I型钢油环的主要优点是:重量轻、强度高、顺应缸孔变形的能力更好,有利于降低机油消耗。
9. 新材料止推片为改善WD615曲轴止推片磨损,从两方面来考虑进行改进,提高其可靠性,一是提高减磨层材料的机械耐磨性能,二是改善滑动工作面的润滑。
新材料止推片采用一种新的低锡铝合金,其抗拉强度比现采用的AlSn20Cu提高30%;同时结构上采用四道径向油槽,圆弧形,摩擦表面进行喷丸处理。
10.旋压皮带轮水泵旋压皮带轮与铸铁皮带轮相比的优点:采用旋压工艺制成(无屑加工)、结构轻、省材料(可节约原材料70%左右)、转动惯量小、平衡性能好。
水泵总成装用旋压皮带轮后与原结构相比的具体优势:皮带轮重量由9.02kg降到4.04kg,这对整车降重有益.同时由于重量的大幅下降,也降低了转动惯量,减少了皮带轮与皮带间的滑差,对轴承的冲击也大大减小,相对应水泵总成的工作寿命也将延长;另外水泵总成重量的减轻更便于发动机的装配工作。
11.部分机型采用玻璃钢(SMC)油底壳SMC复合材料阻尼比金属材料的阻尼高10倍,从而SMC油底壳具有良好的低噪声特性;重量轻,具有节能减排的作用,SMC油底壳比钢板冲压油底壳重量轻1/4。
12.采用电装起动机,并在ECU中增加起动保护功能2009年中国重汽起动机供应商将增加国际知名品牌—电装(Denso)。
同时,为防止防止异常起动而引起的起动机损坏,中国重汽国Ⅲ柴油机在ECU中增加了起动保护功能。
通过ECU实现如下功能:1)只有处于空挡或踩下离合器踏板时才允许起动;2)(当钥匙开关发生发卡等故障或整车起动继电器不断电时)发动机达到一定转速时(这个转速表明发动机已开始工作)断开起动继电器的供电,防止起动机被发动机反拖。
3)禁止断电后立即重新起动发动机。
4)持续起动时间控制。
超过某个时间还没起动,就断电,防止通电时间过长烧坏起动机电器元件。
5)连续两次起动时间间隔控制。
最新文件仅供参考已改成word文本。
方便更改。