SMC公司CXSM双联气缸样本
- 格式:pdf
- 大小:2.05 MB
- 文档页数:7
SMC气缸选型介绍SMC气缸选型介乡1、SMC气缸按功能分类超小型气缸:SMC CJ2系列气缸,缸径最小2. 5mm针型气缸:SMC CJP2系列气缸,缸径有6、10、15mm三种标准型气缸:SMC CJ2系列气缸、CM2系列气缸、CA2系列气缸、MB1、MB系列气缸、CS2、CS1系列气缸欧洲标准型气缸:SMC C55、C85、C96、CP96系列气缸自由安装型气缸:SMC CU、CUJ系列气缸薄型气缸:SMC CQ2、CQS系列气缸轻巧型气缸:SMC CG1系列气缸椭圆活塞型气缸:SMC MU系列气缸锁紧型气缸:SMC CL、CN系列气缸端锁型气缸:SMC CB系列气缸气动滑台气缸:SMC MX系列气缸滑动装置型气缸:SMC CXW系列气缸双联型气缸:SMC CXS系列气缸机械式无杆气缸:SMC MY1、MY3系列气缸磁性无杆气缸:SMC CY1、CY3系列气缸带导杆薄型气缸:SMC MGP、MGQ 系列气缸带导杆型气缸:SMC MGG、MGC系列气缸止动型气缸:SMC RS系列气缸回转夹紧型气缸:SMC MK系气缸2、SMC气缸按尺寸分类:MC气缸按缸径分类,通常将缸径为10mm以下的气缸称为微型缸,缸径为10~25mm的气缸称为小型缸,缸径为32~100mm的气缸称为中型缸,直径大于100mm的气缸称为大型缸。
3、SMC气缸按安装方式分类:基本安装型气缸:利用气缸缸体上的螺纹或通孔等进行安装脚座型气缸:通过L型叫做进行安装法兰型气缸:通过法兰进行安装,分杆侧法兰安装、无杆侧法兰安装耳环型气缸:通过耳环进行安装,可以实现气缸的摆动,分为单耳环、双耳环和和一体耳。
耳轴型气缸:通过耳轴进行安装,可以实现气缸的摆动,分为无杆侧耳轴、杆侧耳轴和中间耳轴。
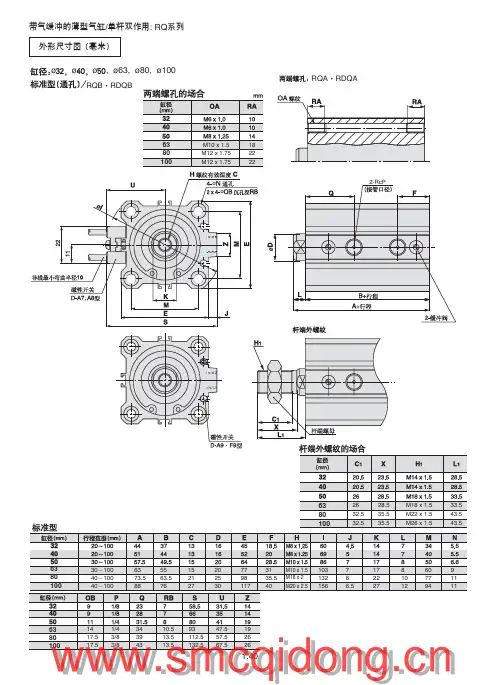
另外,SMC气缸按缓冲形式可分为无缓冲、垫缓冲、气缓冲和设置液压缓冲器(用于高速)等气缸;按润滑方式,SMC气缸可分为给油气缸和不给油气缸;按位置检测方式分限位开关、带磁性开关气缸;按驱动方式分单作用气缸和双作用气缸。
文件No.CM2*-OM0230Q气缸C*M2**-*ZC*M2**-*Z-XC85C*M2**-*Z-X446安全注意事项 P21. 产品规格P41-1. 规格2.设置方法・使用方法P42-1. 使用空气2-2. 设计注意事项2-3. 安装·设置2-4. 使用环境条件2-5. 速度控制2-6. 允许动能2-7. 方向控制2-8. 磁性开关3. 保养点检P173-1. 活塞杆密封圈的更换方法3-2.点检3-3. 消耗品4. 订制品(XC85,X446) P194-1. 食品机械用润滑脂规格4-2. PTFE润滑脂规格5. 气缸使用的基本回路 P206. 故障与对策 P217. 构造P23安全注意事项此处所示的注意事项是为了确保您能安全正确地使用本产品,预先防止对您和他人造成危害和伤害而制定的。
这些注意事项,按照危害和损伤的大小及紧急程度分为「注意」「警告」「危险」三个等级。
无论哪个等级都是与安全相关的重要内容,所以除了遵守国际规格(ISO/IEC)、日本工业规格(JIS)*1)以及其他安全法规*2)外,这些内容也请务必遵守。*1) ISO 4414: Pneumatic fluid power -- General rules relating to systemsISO 4413: Hydraulic fluid power -- General rules relating to systemsIEC 60204-1: Safety of machinery -- Electrical equipment of machines (Part 1: General requirements)ISO 10218-1992: Manipulating industrial robots-SafetyJIS B 8370: 空气压系统通则JIS B 8361: 油压系统通则JIS B 9960-1: 机械类的安全性-机械的电气装置(第1部:一般要求事项)JIS B 8433-1993: 工业用操控机器人-安全性等*2) 劳动安全卫生法等注意误操作时,有人员受伤的风险以及物品破损的风险。警告误操作时,有人员受到重大伤害甚至死亡的风险。
SMC气缸的基本构造由于气缸的使用目的不同,气缸的构造也是多种多样的,但使用最多的是单杆双作用气缸。
下面就以单杆双作用气缸为例,说明气缸的基本构造。
图所示是SMC CM2系列双作用气缸的结构原理图,它由缸筒、端盖、活塞、活塞杆和密封件组成——这也是组成气缸的五大部分!缸筒的内径大小代表了气缸输出力的大小。
活塞要在缸筒内做平稳的往复滑动,缸筒内表面的表面粗糙度应达到Ra0.8um。
对钢管缸筒,内表面还应镀硬铬,以减小摩擦阻力和磨损,并能防止锈蚀。
缸筒材质除使用高碳钢管外,还是用高强度铝合金和黄铜。
小型气缸有使用不锈钢管的。
带磁性开关的气缸或在耐腐蚀环境中使用的气缸,缸筒应使用不锈钢、铝合金或黄铜等材质。
SMC CM2气缸活塞上采用组合密封圈实现双向密封,活塞与活塞杆用压铆链接,不用螺母。
端盖上设有进排气通口,油的还在端盖内设有缓冲机构。
杆侧端盖上设有密封圈和防尘圈,以防止从活塞杆处向外漏气和防止外部灰尘混入缸内。
杆侧端盖上设有导向套,以提高气缸的导向精度,承受活塞杆上少量的横向负载,减小活塞杆伸出时的下弯量,延长气缸使用寿命。
导向套通常使用烧结含油合金、前倾铜铸件。
端盖过去常用可锻铸铁,现在为减轻重量并防锈,常使用铝合金压铸,微型缸有使用黄铜材料的。
活塞是气缸中的受压力零件。
为防止活塞左右两腔相互窜气,设有活塞密封圈。
活塞上的耐磨环可提高气缸的导向性,减少活塞密封圈的磨耗,减少摩擦阻力。
耐磨环长使用聚氨酯、聚四氟乙烯、夹布合成树脂等材料。
活塞的宽度由密封圈尺寸和必要的滑动部分长度来决定。
滑动部分太短,易引起早期磨损和卡死。
活塞的材质常用铝合金和铸铁,小型缸的活塞有黄铜制成的。
活塞杆是气缸中最重要的受力零件。
通常使用高碳钢,表面经镀硬铬处理,或使用不锈钢,以防腐蚀,并提高密封圈的耐磨性。
回转或往复运动处的部件密封称为动密封,静止件部分的密封称为静密封。
缸筒与端盖的连接方法主要有以下几种:整体型:采用锻造工艺把缸筒与一侧端盖做成一体,另一侧端盖与缸筒使用铆接或用卡圈固定。