开关量隔离安全栅说明书
- 格式:pdf
- 大小:1.57 MB
- 文档页数:2
开关量隔离式安全栅安全操作及保养规程1. 引言开关量隔离式安全栅是一种用于保护人员和设备安全的重要装置。
本文档旨在介绍开关量隔离式安全栅的安全操作规程和保养规程,以确保其正常运行和延长使用寿命。
2. 安全操作规程2.1 安装位置选择选择合适的安装位置是确保开关量隔离式安全栅正常工作的关键。
安装位置应符合以下要求: - 离危险区域足够远,以防止人员接触到危险区域; - 安装牢固,不能出现松动的情况; - 安装位置应易于操作人员触碰。
2.2 连接电路在连接电路之前,请务必断开电源。
按照以下步骤连接电路: 1.将开关量隔离式安全栅的输入端与控制系统的输出端连接; 2. 将开关量隔离式安全栅的输出端与执行器或执行装置连接; 3. 确保电路连接正确,避免接线错误导致的故障。
2.3 功能测试在启动或重新启动设备之前,必须进行开关量隔离式安全栅的功能测试。
按照以下步骤进行测试: 1. 将测试物体(可以是手、工具等)放置在危险区域; 2. 操作设备启动或重新启动,观察开关量隔离式安全栅的反应; 3. 确保开关量隔离式安全栅能够准确地检测到物体的存在并停止设备运行; 4. 当测试完成后,将测试物体移开。
2.4 紧急情况处理在紧急情况下,必须能够及时处理开关量隔离式安全栅的故障或异常。
以下是一些应急措施: - 若开关量隔离式安全栅不能正常工作,立即停止设备运行,并检查故障原因; - 若发现开关量隔离式安全栅存在损坏或故障,应立即通知相关维修人员。
3. 保养规程3.1 定期清洁为了保持开关量隔离式安全栅的正常工作状态,应定期进行清洁。
按照以下步骤进行清洁: 1. 使用干净的布或刷子擦拭开关量隔离式安全栅表面的灰尘和污垢; 2. 避免使用含有腐蚀性物质的清洁剂。
3.2 检查电路连接定期检查开关量隔离式安全栅电路的连接情况,确保连接牢固,避免接触不良或松动导致的故障。
3.3 检查灵敏度定期检查开关量隔离式安全栅的灵敏度,确保其能够准确地检测到物体的存在。
特性● 干接点开关输入。
● 接近开关输入(符合 NAMUR / DIN 19234标准)。
● 继电器转换触点输出。
● 带有线路故障检测功能。
● 带有工作电源指示灯;输出状态指示灯。
● 双通道,二入二出。
● 本质安全防爆等级标志 [Exia]IIC 。
● 即插即拔式接线端子,DIN导轨卡式安装。
描述技术规格● 产品型号 AO 5018型号规格(代码) 依据用户需求,依据“选型.订货代码”栏目中规定 产品型号代码.● 工作电源电源接线 独立的接线端子 13-,14+,可带电拔插 电源电压 20~30V DC电流损耗 24V DC 时,<45mA(继电器输出闭合时) 电源指示 通电 LED 灯亮:绿色● 危险区允许输入两路通道隔离输入第一路输入通道 端子 1-、 2+ 接线 第二路输入通道 端子 4-、5+ 接线输入开关类型 开关、NAMUR 型接近开关 给传感器的电压 从1KΩ起,4.5V~9.0V 开关阀值 1.5mA● 向安全区输出两路通道隔离输出第一路输出通道 端子 10、11、12 接线 第二路输出通道 端子 7、8、9 接线 继电器类型 单刀转换继电器 继电器特性 响应时间:≤10ms触点特性:24VDC,2A负载类型:电阻性负载● 输入/输出特性正常相位:☆现场开关闭合或输入回路电流 > 2.1mA, 继电器触点输出被激励黄色 LED 灯点亮(反相时,不激励,LED 灯灭)☆现场开关断开或输入回路电流 < 1.2mA,继电器触点输出不激励黄色 LED 灯熄灭(反相时,被激励,LED 灯亮) 回滞 典型值 200μA* 注 : 若需要反相设置,由该隔离安全栅仪表内部的微型开关设置, 用户订货时请注明。
● 线路故障检测(LFD)用户可选LED 红色灯显示线路是否故障,线路故障时,LED 红色灯亮,继电器不被激励。
I in < 100μA,开路报警; I in > 250μA,开路不会报警 R in < 100Ω,短路报警; R in > 360Ω,短路不会报警注意:当用到 LFD功能时,开关触点输入时必须接两个线路检测电阻。
SWP7035-Ex隔离式安全栅使用说明书注意事项❝请核对产品外包装,产品标签的型号、规格是否与订货合同一致;❝隔离式安全栅安装、使用前应仔细阅读本说明书,或有疑问,请与本公司技术支持部联系;❝隔离式安全栅应安装在安全场所,安装后,务必再次核对产品型号、端子接线及电源和信号极性是否正确;❝仪表供电24V直流电源,严禁使用220V 交流电源;❝严禁私自拆装仪表,防止仪表失效或发生❝故障。
概述SWP7035-Ex模拟量输入式隔离栅,给危险区的二线制4/20mA变送器提供一个完全浮空的直流电源,变送器产生的4/20mA电流信号,从危险侧隔离传送到安全侧,去驱动安全区负载。
主要技术参数❝通路数:单入双出,完全浮空❝变送器所处场合:0区、1区、2区;ⅡA、ⅡB、ⅡC、T4 - T6危险区❝安全区输出:信号范围:4-20mA或(1-5V);负载电阻:≤550Ω(电流输出),≥10KΩ(电压输出);(用户在订货时右选择电流或电压输出)❝危险区输入:信号范围:4-20mA;配电电压:20mA时>15.5V,开路时≤26V❝转换精度:0.1%❝温度漂移(-20~60℃):< 0.1μA/℃❝发光二极管显示:绿色:电源指示❝电源:20- 35Vdc❝功耗:24V,120mA❝最高电压Um:250V❝防爆标志:[Ex ia Ga]ⅡC❝安全参数:端子(9-10-11间)Uo=28V,Io=93mA,Po=0.66WⅡC:Co=0.083μF,Lo=4.2mHⅡB:Co=0.366μF,Lo=12.6mHⅡA:Co=1.016μF,Lo=33.6mH使用环境❝安全隔离:安全侧与危险侧隔离电压250V,ac❝绝缘强度:2500V,ac.;1min(本安端与非本安端)❝环境温度:连续使用:-20℃ ~ +60℃贮存:-40℃ ~ +80℃❝相对湿度:10% – 90%RH❝大气压:80 – 110Kpa❝工作场所要求:安全栅应安装在安全区不含爆炸性气体的安全环境中,并不得有振动及冲击,无大电流和火花等电磁感应影响及周围环境中无强烈腐蚀的场所。
SIHD5-PTCH-00B1隔离式安全栅HD5500系列产品选型手册概 述电气隔离技术能够实现输入/输出信号的完全隔离,从而显著提升电子系统的抗干扰性和可靠性,越来越多的工业控制对现场设备和控制室设备之间提出了采用隔离接口单元的要求。
HD5500系列隔离式安全栅通过光、电、磁等隔离技术对供电电源、输入端信号和输出端信号进行相互隔离,从而实现现场的本质安全设备和控制室设备之间数字/模拟信号的隔离传输,是现场的本质安全设备和控制室设备之间理想的隔离接口单元。
HD5500系列隔离式安全栅的设计遵循最新的国家标准GB3836.1-2010、GB3836.4-2010,符合本质安全防爆要求,具备严格的隔离及能量限制能力,可与安装在危险场所的本质安全设备共同组成本质安全防爆系统,通过内部综合性的限压、限流设计来限制流向危险区的电能量,从而保证危险场所的电器设备及人身安全。
HD5500全系列隔离式安全栅涵盖了以下设备功能:热电阻温度信号变送器、热电偶温度信号变送器、毫伏信号变送器、配电器、信号分配器以及中间驱动继电器等。
特 点∙ [Ex ia Ga]ⅡC 防爆等级,适用于最危险的0区危险场所及最危险介质。
∙ 隔离故障点,将调试维护过程中可能出现的故障限制在单侧,即使遭受如雷击等意外。
∙ 输入/输出信号及电源三端口隔离,构成完全浮空的系统,从而消除工业现场复杂的工频干扰、共模干扰等影响,极大地简化现场问题的处理。
∙ 三重冗余电路设计。
∙ 完善的线路故障指示,便于现场故障点的快速定位、查找。
∙ 无须接地,相关现场设备可视情况接地或不接地,消除接地回路带来的干扰。
∙ 低功耗及有效的散热结构设计,有效地降低密集安装条件下机柜的温升,提高产品可靠性,延长使用寿命。
∙ 高转换精度。
∙ 功能系列化,可满足信号隔离、配电、信号变送等过程控制中最广泛的功能需求。
∙ 12.5mm 超薄设计,顺应现代控制密集安装要求,节省机柜空间,提高装置的集成度。
CCC防爆认证号:2019312316000002开关量输出型隔离式安全栅通用使用说明书[1.0]EXDO 系列开关量输出型安全栅,接收现场安全区域的干节点、集电极开路信号,经过隔离和线性化处理,转换为开关量电流或电压信号输出至危险区域的控制系统或其它单元组合仪表。
智能化的操作端开关量安全栅,可对输入输出量程范围进行组态设定。
■通道形式:1进1出、1进2出、2进2出;■电源-输入-输出之间电气隔离;■防爆标志:[Ex ia Ga]IIC [Ex ia Da]IIIC;■适用设备:防爆电磁阀、声光报警器、等现场执行器;主要技术参数■输入(安全区)输入端子号:端子5/6,7/8输入信号:干接点,晶体管,集电极,逻辑电平输入形式:干接点、湿接点■输出(ExiaIIC 危险区)输出端子号:端子1/2,3/4输出信号开路电压:≤28V输出特性:负载45mA 时,输出电压不小于12V可向危险区输出信号:输出驱动电磁阀或报警器等■供电电源电源接线:端子9+,10-(热插拔)供电电压范围:18V~32VDC 额定供电电压:24VDC满载功耗:1.1W(单通道)、1.6W(双通道)■性能指标温度漂移:<30ppm/℃响应时间:<1ms隔离方式:输入-输出-电源三端隔离绝缘电阻:≥100MΩ(输入/输出/电源)介电强度:≥2500VAC(输入/输出/电源间漏电流1mA)隔离能力:1500VAC/1min50HZ 电磁兼容:EMC 符合IEC61326-3-2017■防爆参数(国家防爆电气产品质量监督检验中心)防爆等级标志:[Ex ia Ga]IIC [Ex ia Da]IIIC 安全认证参数:Um=250VAC/DC(1-2)(3-4)Uo=28VDC,Io=93mA,Po=650mW,Co=0.05uF,Lo=2.4mH■认证/标准防爆证号:CNEx19.5140CCC 防爆认证号:2019312316000002强制实施标准:符合CNCA-C23-01:2019生产标准:符合GB/T 3836.1-2021、GB/T 3836.4-2021认证体系:符合ISO9001、ISO14001■产品结构尺寸:W13×D110×H119(mm)重量:130g 材质:ABS 防护等级:IP20阻燃等级:UL94/V0安装方式:DIN35mm 导轨安装■型号命名规则举例:①型号EXDO-11-1F24-C规格为:开关量输出型,1进1出,输入:干接点、继电器,输出:24V,2.0版本。
789 1011124 认证参数35mA输出时内部等效电路310Ω(最大)最低24V限流35mA 输出电压(V)输出电流(mA)45mA输出时内部等效电路250Ω(最大)最低22V限流45mA 输出电压(V)输出电流(mA)60mA输出时内部等效电路200Ω(最大)最低22V限流60mA输出电压(V)输出电流(mA)图一:2021312316000092(12V/35mA输出)2021312316000089(12V/45mA输出)2021312316000093(12V/60mA输出)【Exia Ga】IIC/IIB (国家级仪器仪表防爆安全监督检验站认证)(7、9)(10、12)IIC 12V/35mA Um=250VAC/DC Uo=28V Io=93mA Po=0.65W Co=0.05μF Lo=2.4mH防爆证号防爆标志认证参数端子最大允许电压电压电流功率电容电感IIC 12V/45mA Um=250VAC/DC Uo=28V Io=115mA Po=0.80W Co=0.05μF Lo=2.0mH IIB 12V/60mA Um=250VAC/DC Uo=28V Io=150mA Po=1.05W Co=0.5μF Lo=3.5mH电源供电电压范围 功耗危险侧信号输出内部等效电路 开路时输出电压电流(35、45、60mA)时输出电压 安全侧输入开关闭合或晶体管导通时,向危险区设备供电输入开关断开或晶体管不导通时,不向危险区设备供电绝缘强度本安端与非本安端环境条件 工作温度相对湿度保存温度标准电磁兼容性DC24V±10% 35mA输出≤1.6W,45mA输出≤2W,60mA输出≤2.6W 见(图一)24-26V ≥12V 1500Vrms (1 min,无火花)0~50℃(无凝露、无结冰)25%~85%RH -10~60℃(无凝露、无结冰)符合GB/T18268工业设备应用要求(IEC 61326-1)通道1 +-通道2 +- 生中国国家强制性产品认证Hong Run Precision Instruments Co., LtD.地址:福建省顺昌城南东路45号(353200)电话*************传真*************网址:。
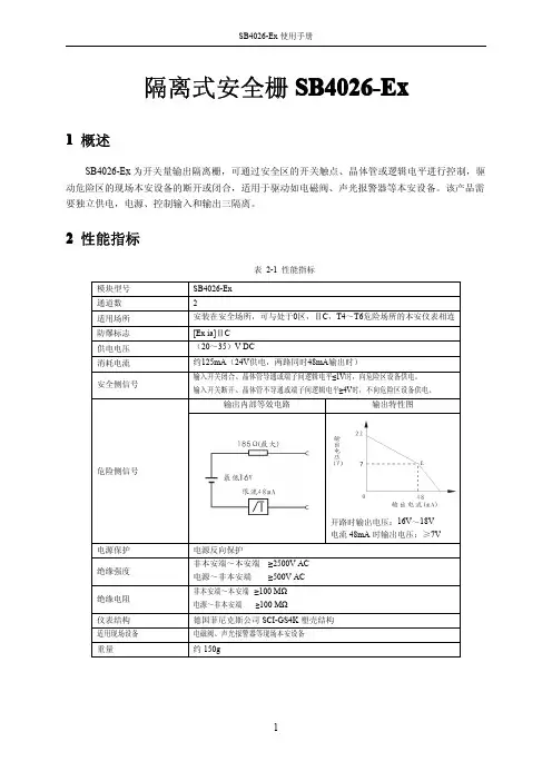
隔离式安全栅SB SB402640264026-Ex-Ex 1概述SB4026-Ex 为开关量输出隔离栅,可通过安全区的开关触点、晶体管或逻辑电平进行控制,驱动危险区的现场本安设备的断开或闭合,适用于驱动如电磁阀、声光报警器等本安设备。
该产品需要独立供电,电源、控制输入和输出三隔离。
2性能指标表2-1性能指标模块型号SB4026-Ex 通道数2适用场所安装在安全场所,可与处于0区,ⅡC ,T4~T6危险场所的本安仪表相连防爆标志[Ex ia]ⅡC 供电电压(20~35)V DC消耗电流约125mA (24V 供电,两路同时48mA 输出时)安全侧信号输入开关闭合、晶体管导通或端子间逻辑电平≤1V 时,向危险区设备供电。
输入开关断开、晶体管不导通或端子间逻辑电平≥4V 时,不向危险区设备供电。
危险侧信号输出内部等效电路输出特性图开路时输出电压:16V ~18V 电流48mA 时输出电压:≥7V电源保护电源反向保护绝缘强度非本安端~本安端≥2500V AC 电源~非本安端≥500V AC 绝缘电阻非本安端~本安端≥100MΩ电源~非本安端≥100MΩ仪表结构德国菲尼克斯公司SCI-GS4K 塑壳结构适用现场设备电磁阀、声光报警器等现场本安设备重量约150g3.1外观结构图图3-1外观结构图外形尺寸(深×高×宽)114.0mm×103.6mm×15.8mm注意:1.在危险区和安全区不能同时使用HHC(HART手操器);2.在危险区使用的HHC(HART手操器)必须经过防爆认证。
4安全栅底板选型与该安全栅配套使用的安全栅底板如下表所示。
表4-1安全栅底板选型产品型号产品名称单位说明TU031-I0000通用型安全栅底板块DCS通用5安全认证国家级仪器仪表防爆安全监督检验站认证认证标准:GB3836.1-2000和GB3836.4-2000认证参数(1、2和4、5端子间):U o=25V,I o=83.3mA,P o=521mW,U m=250V r.m.s.ⅡC:C o=0.11μF,L o=1.32mHⅡB:C o=0.33μF,L o=3.96mHⅡA:C o=0.88μF,L o=10.56mH6资料版本说明表6-1版本升级更改一览表资料版本号适用产品型号更改说明SB4026-Ex使用手册(V1.0)SB4026-Ex。
安全栅底板TB366-E8R1概述TB366-E8R为16路隔离式安全栅底板,可供1对冗余配置或1块单卡配置的FW366(B)卡件使用。
TB366-E8R可以安装8个MTL4016开关量输入型隔离栅。
来自现场本安侧的DI信号与隔离栅相连,隔离栅继电器输出,与系统侧安全栅底板相连。
每个隔离栅对应2个通道。
2技术特性表 2-1 性能指标模块类型TB366-E8R指标项指标说明备注通道数 16点配合的隔离栅类型MTL4016(输入、输出两隔离)SB4012-EX(输入、输出两隔离)本安侧DI(开关、接近开关)输入,系统侧继电器输出供电电压 24VDC(冗余)带熔断式保险丝规格 153.5mm×151.5mm工作温度0℃~60℃3接口特性图 3-1 接口特性图(MTL4016隔离安全栅)在接口特性图中,当使用不同的隔离栅时,隔离栅部分的图示有所不同,具体请参见相应隔离栅的说明书。
4使用说明4.1安全栅底板外观图图4-1 TB366-E8R安全栅底板结构外形图8个隔离栅的16路DI信号进入J1 和J1R。
D3指示灯为TB366-E8R安全栅底板的供电指示灯,D3亮则表示24V供电正常,D3灭则表示24V供电异常。
M1~M8为隔离栅插座,其中M1上的隔离栅对应的两个通道分别对应卡件的第1通道和第2通道,其它通道依次类推。
4.2接插件说明表4-1TB366-E8R安全栅底板接插件说明标号说明J1 单卡数据连线插座J1R 冗余卡数据连线插座J3 供电电源连线端子M1~M8 隔离栅插座4.3 端子定义TB366-E8R 安全栅底板接线端子说明如表 4-2所示。
给隔离栅供电时,可从J3 的1、2号端子或者3、4号端子接入一路外部24V 电源。
当需要接入冗余的外配24V 电源时,可同时从1、2号端子和3、4号端子分别接入一路24V 电源。
表 4-2 TB366-E8R 安全栅底板接线端子说明接线图 配电端子接线1 2 24V A VS- 3 424VB VS-4.4 接线说明TB366-E8R 安全栅底板上可以安装8个MTL4016系列的DI 隔离栅。
隔离式安全栅SB301SB30177/□-Ex1基本说明SB3017/□-Ex双通道开关量/接近开关输入隔离式安全栅支持两通道的触点开关信号或接近开关信号的输入,分标准的双通道继电器触点输出型SB3017/R-Ex和双通道NPN晶体管OC门输出型SB3017/OC-Ex两种类型。
隔离式安全栅信号输入端经过施密特电路处理,具有很强的抗干扰能力。
隔离式安全栅顶部带有电源供电指示灯、输出状态指示灯及报警指示灯,并带有信号反相拨码开关。
2性能指标表2-1性能指标型号SB3017/R-Ex SB3017/OC-Ex通道数2现场设备防爆等级现场的设备经过适当认证后,可使用于0区、ⅡC、T4-T6的危险场所现场传感器侧供电电压9V通过1kΩ电阻信号输入特性传感器回路电流>2.1mA时,输出触点闭合传感器回路电流<1.2mA时,输出触点断开施密特电路滞后作用:200μA输出特性继电器输出参数:两路继电器(常开触点)响应时间:优于10ms驱动能力:10W,0.5A,35V触点寿命:10,000,000次(最大负载)OC门输出参数:工作电流35mA,工作电压35V频率范围:(0~5)kHz响应时间:优于0.2ms输出状态指示灯输出状态反相功能拨码开关反相功能输出状态指示灯ON开启相反回路断开时亮OFF关闭正常回路闭合时亮报警功能输入报警功能回路输入电阻信号输入报警输出触点报警指示灯<100Ω短路报警闭合亮>360Ω短路消警断开灭回路输入电流信号输入报警输出触点报警指示灯<100μA开路报警闭合亮>250μA开路消警断开灭报警信号特性:最大可承受断路电压为28V;最大断路漏电流为5μA;最大闭合状态压降为[0.4*电流值(mA)]V;最大可流过闭合状态电流为50mA。
*欲启用该报警功能,需对现场开关执行如下电阻匹配:对现场开关串联(500~1k)Ω的电阻;对现场开关并联(20~25)kΩ的电阻供电电源电压:(20~35)V DC电流:67mA(20V供电时)60mA(24V供电时)41mA(35V供电时)功率:1.44W(最大)电压:(20~35)V DC电流:53mA(20V供电时)44mA(24V供电时)32mA(35V供电时)功率:1.2W(最大)隔离电压安全侧和危险侧隔离电压250V AC/DC安全参数国家仪器仪表防爆安全监督检验站NEPSI认证参数(防爆合格证号:GYB101521)端子2-1及端子6-5:U o=10.5V,I o=14mA,C o=2.4μF,L o=165mH,P o=0.037W适用的现场设备适合NAMUR和DIN19234标准接近开关如Baumer:1FR08.82.05等*国产接近开关系列可根据其开关阀值和施密特电路滞后作用大小定制。
S2000系列齐纳安全栅使用说明书一.概述S2000系列齐纳安全栅能与各种现场的一次仪表如:4-20mA的压力、温度、流量、电信号变送器;电器转换器、电气阀门定位器、各类热电偶、热电阻、开关量、报警器、脉冲信号等各种特殊仪表,组成本质安全防爆系统,用于现代化工业的自动化过程控制,广泛地用于石油化工、冶金、医药、船舶等领域。
可限制危险能量进入具爆炸性危险气体环境的可靠设备。
二.结构与外型尺寸S2000系列齐纳安全栅采用两种不同的外型和安装尺寸,外壳由阻燃防弧塑料压制成型,整个安全栅电路以阻燃环氧树脂封装在壳体内,各端子间的爬电距离、电气间隙及材料的相对泄痕指数均符合GB 3836.4中的有关规定。
外形尺寸见图1、图2。
三.主要技术参数正常工作条件a.环境温度:-20ºC~+40ºC ;b.相对湿度:< 95% RH ;c. 大气压:80~110 Kpa ;四.安全栅与一次仪表的配套要求1.安全栅应安装在非危险区;2.导流条和机壳绝缘,各导流条之间要用线芯截面积4mm²以上的铜导线或电缆线相互连接;3. 使用前请认真核对安全栅的型号、极性和工作电压;4. 禁止用兆欧表直接测量安全栅端子之间的绝缘。
检查系统线路时,必须断开全部安全栅的接线;5. 安全栅的本安端和非本安端的接线不允许接错;6. 一旦安全栅损坏,用户不得自已修复,应及时更换;7. 本安防爆系统的基本组合条件为:Uo ≤UìIo ≤IìCo ≥Cp + CìLo ≥Lp + Li其中:Uo为最高输出电压; Io为最大输出电流; Co为最大负载电容; Lo为最大负载电感; Ui为一次仪表允许的最高输入电压; Ii为一次仪表允许的最大输入电流; Ci为一次仪表的最大内部等效电容; Li为一次仪表的最大内部等效电感; Cp为连接导线(或电缆)允许的最大分布电容; Lp为连接导线(或电缆)允许的最大分布电感。
mtl5046安全栅使用说明书
1、隔离式安全栅应安装在非危险场所。
2、隔离式安全栅通往现场(危险场所)的软铜导线截面积必须大于0.5mm2。
3、连接导线的绝缘强度大于500V。
4、隔离式安全栅本安端(有蓝色标记)和非本安端电路配线,不得接错和混淆。
本安导线宜选用蓝色作为本安标记。
本安导线和非本安导线在汇线槽中应分开铺设,采用各自保护套管。
5、隔离式安全栅与一次仪表组成本安安全防爆系统时,必须经国家指定的防爆检验机构检验认可。
6、对隔离式安全栅进行单独通电调试时,必须注意隔离式安全栅的型号、电源极性、电压等级及隔离式安全栅外壳接线端上的标号。
7、严禁用兆欧表测试隔离安全栅端子之间的绝缘性。
若要检查系统线路绝缘性时,应先断开全部隔离式安全栅接线,否则会引起内部器件损坏。
8、凡与隔离安全栅相连接的现场仪表,均应为有关防爆部门进行防爆试验并取得防爆合格证的仪表。
隔离式安全栅SB3SB3447447447-Ex-Ex 1基本说明SB3447-Ex 电流输入报警设定隔离式安全栅,向现场的2/3线制变送器提供隔离电源,将变送器产生的(4~20)mA 信号或直接输入的(4~20)mA 电流信号按1:1的比值隔离传输到安全侧。
同时还具有2路继电器输出报警功能,报警输出至安全区,面板可设定并显示测量值。
2性能指标表2-1性能指标型号SB3447-Ex 通道数1进3出(1路信号复制,2路继电器报警)现场设备防爆等级现场的设备经过适当认证后,可使用于0区、ⅡC 、T4-T6的危险场所危配电输出电源输出电流20mA 时,配电电压大于15V DC *注:配电回路开路时,最大配电电压为28V DC 危险区输入信号范围:(4~20)mA 或(0~20)mA 安全区输出输出信号:(4~20)mA 或(1~5)V *注:选(1~5)V 时需在选型中注明输出信号特性负载能力:(0~350)Ω*注:(1~5)V 时要求负载电阻大于10kΩ安全继电器输出特性响应时间:≤20ms驱动能力:250V AC ,1A 或30V DC ,1A负载类型:电阻型负载面板显示5位数码管LED 显示,面板按钮设定参数红灯:SPH ,SPL 指示报警点状态黄灯:RAL1,RAL2指示报警继电器状态转换精度优于±16μA 温度漂移0.05%F.S./10℃供电电源电压:(20~35)V DC 电流:80mA (24V 供电,20mA 输出时)功率:1.92W (24V 供电,20mA 输出时)隔离电压安全侧和危险侧隔离电压250V AC/DC安全参数国家仪器仪表防爆安全监督检验站NEPSI 认证参数(防爆合格证号:GYB091016)端子9-10-11:U o =28V ,I o =93mA ,C o =0.083μF ,L o =4.2mH ,P o =0.65W适用现场设备智能变送器:SupField™CXT 系列、CJT 系列智能变送器Honeywell-ST3000系列智能变送器E+H-Deltabar 智能压力变送器横河EJA 智能变送器Rosemount-3051系列智能变送器各类通用2/3线制变送器:SupField™SP00系列压力变送器金属转子流量计3使用说明图3-1SB3447-Ex 接线图表3-1SB3447-Ex 接线方法端子符号连接方法9变送器供电+端10电流输入端11现场侧公共端3(4~20)mA 电流输出+端或(1~5)V 电压输出+端4(4~20)mA电流输出-端或(1~5)V电压输出-端5,6第1继电器输出7,8第2继电器输出1电源供电+端2电源供电-端4资料版本说明表4-1版本升级更改一览表资料版本号适用产品型号更改说明SB3447-Ex使用手册(V1.0)SB3447-Ex。
WS1521三端口电压输出隔离端子输入 输出 电源三端口隔离mV V mA 多种直流输入信号DIN T 型导轨安装输入输出范围: 应用连接:功能框图:定货指南:例:WS1521E输入0-5VDC 输出0-5VDC主要技术参数:输 入 阻 抗:电压型≥100K Ω电流型≤100Ω输出负载电阻:≥10K Ω外形尺寸:(mm) 精 度:0.2%温 度 系 数:<100ppm/℃工作温度范围:-20~+55℃响 应 时 间:<10mS(可选<1mS)隔 离:输入 输出 电源三端口间相互隔离绝 缘 电 阻:>100M Ω(500VDC)绝 缘 强 度:1500VDC/1分钟工 作 电 源:24VDC±10%1W(max)尾标 输入 输出 0-75mV 0-5V 0-250V 0-5V 0-10V 0-10V -10-10V -10-10V 0-5V 0-5V 4-20mA 1-5V 4-20mA 0-10V A B C D E F GS 用 户 特 定 规 格WS1522三端口电流输出隔离端子输入 输出 电源三端口隔离mV V mA 多种直流输入信号DIN T 型导轨安装输入输出范围: 应用连接:功能框图:定货指南:例:WS1522E输入4-20mA 输出4-20mA主要技术参数:输 入 阻 抗:电压型≥100K Ω电流型≤100Ω外形尺寸:(mm) 输出负载电阻:0~500Ω精 度:0.2%温 度 系 数:<100ppm/℃工作温度范围:-20~+55℃响 应 时 间:<10mS(可选<1mS)隔 离:输入与输出隔离绝 缘 电 阻:>100M Ω(500VDC)绝 缘 强 度:1500VDC/1分钟工 作 电 源:24VDC±10%0.72W(输出20mA)尾标 输入 输出 0-75mV 4-20mA 0-10V 4-20mA 4-20mA 0-10mA 0-10mA 4-20mA 4-20mA 4-20mA 1-5V 4-20mA 0-5V 4-20mA A B C D E F GS 用 户 特 定 规 格WS1523 WS1524模入模出隔离端子输入 输出二端口隔离适于模入模出方式使用DIN T 型导轨安装输入输出范围: WS1523功能框图:WS1524功能框图: WS1523-模入 WS1524-模出定货指南:例:WS1524E-模出型输入4-20mA 输出4-20mA主要技术参数:输 入 阻 抗:电压型≥100K Ω电流型≤100Ω外形尺寸:(mm) 输出负载电阻:0~500Ω精 度:0.2%温 度 系 数:<100ppm/℃工作温度范围:-20~+55℃响 应 时 间:<10mS(可选<1mS)隔 离:输入与输出隔离绝 缘 电 阻:>100M Ω(500VDC)绝 缘 强 度:1500VDC/1分钟工 作 电 源:24VDC±10%0.72W(输出20mA)尾标 输入 输出 0-75mV 4-20mA 0-10V 4-20mA 4-20mA 0-10mA 0-10mA 4-20mA 4-20mA 4-20mA 1-5V 4-20mA 0-5V 4-20mA A B C D E F GS 用 户 特 定 规 格WS1525二线制隔离配电器为变送器配独立的隔离电源低功耗低热量低漂移DIN T 型导轨安装输入输出范围: 应用连接:二线制变送器④配电电源正极 ③配电电源负极 定货指南:例:WS1525A输入4-20mA 输出4-20mA功能框图:主要技术参数:配 电 电 压:16.0V~24.5VDC配电电源负载能力:25mA(max)输 入 短 路:无限输出负载电阻:电压型≥10k Ω电流型250Ω(typ)外形尺寸:(mm) 精 度:0.2%温 度 系 数:<100ppm/℃工作温度范围:-20~+55℃响 应 时 间:<100mS(可选<1mS)隔 离:输入 输出 电源三端口相互隔离绝 缘 电 阻:>100M Ω(500VDC)绝 缘 强 度:1500VDC/1分钟工 作 电 源:24VDC±10%1W(输出20mA)尾标 输入 输出 4-20mA 4-20mA 4-20mA 1-5V 4-20mA 0-10V A B C S 用 户 特 定 规 格WS1526全隔离交流电流信号变换端子将交流电流信号变换为工业仪表的标准信号输入 输出 电源三者间相互隔离DIN T 型导轨安装输入输出范围: 应用连接:功能框图: 定货指南:例:WS1526D输入0-5A AC 输出4-20mA主要技术参数:输 入 负 载:0.5VA(max) 输出负载电阻:电压型≥10k Ω电流型0~500Ω 外形尺寸:(mm) 精 度:0.5%输入信号频率范围:40~60Hz 温 度 系 数:<150ppm/℃工作温度范围:-20~+55℃响 应 时 间:<300mS隔 离:输入 输出 电源 三端口相互隔离 绝 缘 电 阻:>100M Ω(500VDC) 绝 缘 强 度:1500VDC/1分钟 工 作 电 源:24VDC±10%0.72W(输出20mA)尾标输入 输出 0-1A AC 0-5V0-5A AC 0-5V0-1A AC 4-20mA 0-5A AC 4-20mA A B C D S 用 户 特 定 规 格WS1528全隔离频率信号变换端子将频率信号转换为标准电压 电流信号 输入 输出 电源三者间相互隔离DIN T 型导轨安装输入范围: 应用连接:输入方式(尾标1):OC:集电极开路 PS:脉冲方波及正弦波功能框图: 输出范围(尾标4): A 0-5V B 0-10V C 0-10mA E 4-20mA定货指南:例:WS1528PS3AE输入0-10KHz 幅度5V 脉冲方波 输出4-20mA主要技术参数: 外形尺寸:(mm) 输 入 阻 抗:≥100k Ω输出负载电阻:电压型≥10k Ω 电流型0~500Ω 精 度:0.5%温 度 系 数:<150ppm/℃ 工作温度范围:-20~+55℃ 隔 离:输入 输出 电源 三端口相互隔离 绝 缘 电 阻:>100M Ω(500VDC) 绝 缘 强 度:1500VDC/1分钟 工 作 电 压:24VDC±10%0.72W(输出20mA)尾标2输入 尾标3 输入幅度 0-50Hz A 0-5V0-1KHz B 0-24V0-10KHz C 220VAC 1 2 3 S 用 户 特 定 规 格WS1520全隔离交流电压信号全隔离交流电压信号变换端子变换端子工频交流电压信号变换为工业仪表的标准信号输入 输出 电源三者间相互隔离DIN T 型导轨安装输入输出范围: 应用连接:功能框图:定货指南:例:WS1520A输入0-265VAC 输出0-5V主要技术参数:输 入 阻 抗:≥100K Ω输出负载电阻:电压型≥10K Ω电流型0~500Ω 外形尺寸:(mm)精 度:0.5%输入信号频率范围:40~60Hz 温 度 系 数:<150ppm/℃ 工作温度范围:-20~+55℃ 响 应 时 间:<300mS隔 离:输入 输出 电源三端口相互隔离绝 缘 电 阻:>100M Ω(500VDC) 绝 缘 强 度:1500VDC/1分钟 工 作 电 源:24VDC±10%0.72W(输出20mA)尾标输入 输出 0-265VAC 0-5V0-465VAC 0-5V0-265VAC 4-20mA 0-465VAC 4-20mA A B C D S 用 户 特 定 规 格WS1562无源无源过程过程过程电流隔离电流隔离电流隔离器器无需外接电源可正常工作输入 输出隔离 传输精度好DIN T 型导轨安装输入输出范围: 应用连接:功能框图:定货指南:例:WS1562B输入输出均为4-20mA主要技术参数:输 入 阻 抗: 200Ω+输出负载电阻值输出负载电阻:0~500Ω 外形尺寸:(mm)精 度:0.1%(R L =250Ω)输入和输出间的电压损失约3.5V温 度 系 数:<50ppm/℃工作温度范围:-20~+55℃隔 离:输入与输出隔离绝 缘 电 阻:>100M Ω(500VDC)绝 缘 强 度:1500VDC/1分钟尾标输入 输出 0-10mA 0-10mA 4-20mA 4-20mA 0-20mA 0-20mA 0-5mA 0-5mAA B C D S 用 户 特 定 规 格WS15622双路无源电流信号隔离端子无需外接电源输入 输出隔离 二通道相互独立DIN T 型导轨安装输入输出范围: 应用连接:功能框图:定货指南:例:WS15622B 双路输入输出均为4-20mA主要技术参数:(每一路)输 入 阻 抗: 200Ω+输出负载电阻值输出负载电阻:0~500Ω 外形尺寸:(mm)精 度:0.1%(R L =250Ω)输入和输出间的电压损失约3.5V温 度 系 数:<50ppm/℃工作温度范围:-20~+55℃隔 离:输入与输出隔离绝 缘 电 阻:>100M Ω(500VDC)绝 缘 强 度:1500VDC/1分钟尾标输入 输出 0-10mA 0-10mA 4-20mA 4-20mA 0-20mA 0-20mA 0-5mA 0-5mAA B C D S 用 户 特 定 规 格WS15242全隔离双输出信号分配器将输入信号变换为二路相互隔离的信号低功耗 低热量 低漂移DIN T 型导轨安装 接线端子可插拔输入输出范围: 应用连接:功能框图:定货指南:例:WS15242B 输入4-20mA输出二路均为4-20mA主要技术参数:输 入 阻 抗: 电压型 ≥100K Ω 外形尺寸:(mm) 电流型 ≤100Ω 输出负载电阻:电压型 ≥10K Ω电流型 0~350Ω~500Ω精 度:0.2%温 度 系 数:<100ppm/℃ 工作温度范围:-20~+55℃响 应 时 间:<100mS(可选<1mS)隔 离:输入 输出1 输出2 电源四端口相互隔离绝 缘 电 阻:>100M Ω(500VDC) 绝 缘 强 度:1500VDC/1分钟 工 作 电 源:24VDC±10%1W(输出两路20mA)输出尾标 输入OUT1 OUT2 0-10V 4-20mA 4-20mA 4-20mA 4-20mA 4-20mA 0-10V 4-20mA 1-5V4-20mA 4-20mA 1-5V0-10V 0-10V 0-10V A B C D E S 用 户 特 定 规 格WS15252全隔离双输出变送器配电器为每个变送器配独立的隔离电源 将现场变送器信号隔离输出二路信号低功耗 低热量 低漂移DIN T 型导轨方式 接线端子可插拔输入输出范围: 应用连接:二线制变送器④配电电源正极 ③配电电源负极定货指南:例:WS15252B输出二路均为4-20mA 功能框图:主要技术参数:配 电 电 压:17.0V~26.5VDC 配电电源负载能力:23mA(max) 输 入 短 路:无限输出负载电阻:0~350Ω~500Ω 精 度:0.2%温 度 系 数:<100ppm/℃ 外形尺寸:(mm) 工作温度范围:-20~+55℃ 响 应 时 间:<100mS隔 离:工作电源 配电电源 输出1输出2 四端口相互隔离绝 缘 电 阻:>100M Ω(500VDC)绝 缘 强 度:1500VDC/1分钟工 作 电 源:24VDC ±10%1.8W(输出两路20mA)输出尾标OUT1 OUT2 4-20mA 1-5V 4-20mA 4-20mA A B S 用 户 特 定 规 格WS15272 全隔离双输出脉冲/脉冲变换端子将脉冲 正弦波信号整形 隔离输出二路脉冲方波 DIN T 型导轨安装输入输出范围: 应用连接:输入方式:(尾标2)OC :集电极开路 功能框图: PS :脉冲及正弦波 输出方式:(尾标3) OC :50VDC30mA PS 电平:0-5V定货指南:例:WS15272CPSPS 输入0-10KHz 脉冲输出二路均为0-10KHz 脉冲主要技术参数:输 入 阻 抗: >100K Ω 外形尺寸:(mm)脉冲传递系数:1:1工作温度范围:-20~+55℃隔 离:输入 输出1 输出2电源 四端口相互隔离绝 缘 电 阻:>100M Ω(500VDC)绝 缘 强 度:1500VDC/1分钟工 作 电 源:24VDC±10%1.2W(max)尾标输入 输出二路 0-50Hz 0-50Hz 0-100Hz 0-100Hz 0-10KHz 0-10KHz 0-100KHz 0-100KHz A B C D S 用 户 特 定 规 格WS15244四输出全隔离四输出全隔离信号信号信号分配分配分配器器将输入信号变换为四路相互隔离的信号输入 输出1-4 电源六者间相互隔离低功耗 低热量 低漂移DIN T 型导轨安装 接线端子可插拔输入范围: 应用连接:定货指南:例:WS15244B输入4-20mA 输出四路4-20mA主要技术参数:输 入 阻 抗: 电压型 ≥100K Ω 外形尺寸:(mm) 电流型 ≤100Ω输出负载电阻:电流型 0~350Ω精 度:0.2%温 度 系 数:<100ppm/℃工作温度范围:-20~+55℃响 应 时 间:<100mS隔 离:六组端口相互隔离绝 缘 电 阻:>100M Ω(500VDC)绝 缘 强 度:1500VDC/1分钟工 作 电 源:24VDC±10%2W(输出四路20mA)尾标输入 0-5V 4-20mA 0-10V 0-10mA A B C D S 用 户 特 定 规 格WS21522双通道信号隔离器双路信号隔离器mV V mA 多种直流输入信号 DIN T 型导轨方式 接线端子可插拔输出范围: 功能框图:定货指南:例:WS21522E输入4-20mA 输出4-20mA 外形尺寸:(mm)主要技术参数:输 入 阻 抗: 电压型 ≥100K Ω 电流型 ≤100Ω 输出负载电阻:电压 ≥10K Ω 电流 0~500Ω 精 度:0.2%温 度 系 数:<100ppm/℃ 工作温度范围:-20~+55℃响 应 时 间:<10mS(可选<1mS) 隔 离:输入1 输入2 输出1 输出2 电源相互隔离 绝 缘 电 阻:>100M Ω(500VDC) 绝 缘 强 度:1500VDC/1分钟 工 作 电 源:24VDC±10% 1.5W(双路)尾标输入 输出 0-75mV 4-20mA 0-10V 4-20mA 4-20mA 0-10mA 0-10mA 4-20mA 4-20mA 4-20mA 1-5V 4-20mA 0-5V 4-20mA A B C D E F G S 用 户 特 定 规 格WS21525双路二线制隔离配电器双路隔离配电器为每个变送器配独立的隔离电源 DIN T 型导轨方式 接线端子可插拔输出范围: 功能框图:定货指南:例:WS21525A输入4-20mA 输出4-20mA ① ④配电电源正极 ② ⑤配电电源负极主要技术参数:配 电 电 压:16.0V~24.5VDC 外形尺寸:(mm) 配电电源负载能力:25mA(max) 输 入 短 路:无限输出负载电阻:250Ω(typ) 精 度:0.2%温 度 系 数:<100ppm/℃ 工作温度范围:-20~+55℃ 响 应 时 间:<100mS隔 离:输入1 输入2 输出1输出2 电源 相互隔离绝 缘 电 阻:>100M Ω(500VDC) 绝 缘 强 度:1500VDC/1分钟 工 作 电 源:24VDC ±10% 2W(双路)尾标输出 4-20mA 1-5V A B S 用 户 特 定 规 格WS9020电位计电位计全隔离全隔离全隔离位移位移位移信号调理器信号调理器内含传感器恒压源将电位计 滑线电阻位置信号转换为过程信号 DIN T 型导轨安装输入电位器电阻总值:500Ω~10K Ω输出范围: 应用连接:定货指南: 功能框图: 例: W9020A输入电位器 输出0-5V主要技术参数:输入激励电压:恒压2.5V 输出负载电阻:电压型≥10K Ω电流型0~500Ω 外形尺寸:(mm)精 度:0.2%温 度 系 数:<100ppm/℃ 工作温度范围:-20~+55℃响 应 时 间:<10mS(可选<1mS) 隔 离:输入 输出 电源三端口相互隔离绝 缘 电 阻:>100M Ω(500VDC) 绝 缘 强 度:1500VDC/1分钟 工 作 电 源:24VDC ±10% 0.72W(max)尾标输出 0-5V 4-20mA 1-5V A B C S 用 户 特 定 规 格WS9050/WS9010 热电阻热电阻全隔离信号调理器全隔离信号调理器Pt100 Cu50 Ni1000传感器直接接口内含线性化 长线补偿三端口隔离 DIN T 型导轨安装输入输出范围: 应用连接:WS9010-Cu50 WS9050-Pt100 功能框图:定货指南:例: W9050C4 三线 Pt100 输入0-150 ℃输出1-5V主要技术参数:热电阻激励电压:恒压1.2VRTD 断线指示:默认≥24mA(5.5V)热电阻输入线路电阻:100Ω(max) 外形尺寸:(mm) 输出负载电阻:电压型≥10K Ω电流型0~500Ω精 度:0.2%温 度 系 数:<100ppm/℃ 工作温度范围:-20~+55℃ 响 应 时 间:<500mS隔 离:输入 输出 电源三端口相互隔离绝 缘 电 阻:>100M Ω(500VDC) 绝 缘 强 度:1500VDC/1分钟 工 作 电 源:24VDC ±10% 0.72W(max)尾标1输入 尾标2 输出 -20-100℃ 1 -1-5V 0-100℃ 3 0-5V 0-150℃ 4 1-5V 0-200℃ 5 4-20mA 0-400℃ 6 0-20mA A B C D E S 用 户 特 定 规 格WS9050I/WS9010I 热电阻热电阻电流输出隔离变送器电流输出隔离变送器Pt100 Cu50 Ni1000传感器直接接口内含线性化 长线补偿DIN T 型导轨安装 接线端子可插拔输入输出范围: 应用连接: 尾标1 输入温度范围 -20-100℃ 0-100℃ 0-150℃ 0-200℃ 0-400℃ A B C D E S 用 户 特 定 规 格 输出4-20mAWS9010I-Cu50 WS9050I-Pt100 功能框图:定货指南:例: W9050IC输入0-150 ℃三线 Pt100主要技术参数:热电阻激励电压:恒压1.2V RTD 断线指示:默认≥24mA热电阻输入线路电阻:100Ω(max) 外形尺寸:(mm) 输出负载电阻:0~500Ω 精 度:0.2%温 度 系 数:<100ppm/℃ 工作温度范围:-20~+55℃ 响 应 时 间:<500mS隔 离:输入 输出 电源三端口相互隔离绝 缘 电 阻:>100M Ω(500VDC) 绝 缘 强 度:1500VDC/1分钟 工 作 电 源:24VDC ±10% 0.72W(max)WS9060热电偶热电偶全隔离全隔离全隔离信号调理器信号调理器热电偶K E J T B R S N 直接接口冷端补偿 线性化三端口隔离 DIN T 型导轨安装输入温度范围: 应用连接:功能框图: 定货指南:例:WS9060KA1,输入K 型热偶 测量范围0-400℃ 输出0-5V主要技术参数:输 入 阻 抗:≥50K Ω输出负载电阻:电压型≥10K Ω电流型0~500Ω 外形尺寸:(mm)断 偶 状 态:默认≥24mA(5.5V) 外 置 冷 补:传感器端子①处 精 度:0.2%(对温度) 温 度 系 数:<100ppm/℃ 工作温度范围:-20~+55℃ 响 应 时 间:<500mS隔 离:输入 输出 电源 三端口相互隔离 绝 缘 电 阻:>100M Ω(500VDC) 绝 缘 强 度:1500VDC/1分钟 工 作 电 源:24VDC ±10% 0.72W(max)尾标1输入 尾标2 输出 0-400℃ 1 0-5V 0-600℃ 2 0-10V 0-800℃ 3 1-5V 0-1300℃ 4 4-20mA 0-1600℃ A B C D E S 用 户 特 定 规 格Pt100 Cu50 Ni1000传感器直接接口内含线性化 长线补偿 四端口隔离 输出二路相互隔离 DIN T 型导轨安装 接线端子可插拔输入输出范围: 尾标1 输入 尾标2 输出1 输出2 -20-100℃ 3 4-20mA 4-20mA 0-100℃ 4 0-20mA 0-20mA 0-150℃ 5 1-5V 1-5V 0-200℃ 6 4-20mA 1-5V 0-400℃ A B C D E S 用 户 特 定 规 格WS90102-Cu50 WS90502-Pt100 功能框图:定货指南:例: W90502C3输入0-150 ℃三线 Pt100 输出1 4-20mA 输出主要技术参数:热电阻激励电压:恒压1.2VRTD 断线指示:默认≥24mA(5.5V) 外形尺寸:(mm) 热电阻输入线路电阻:100Ω(max) 输出负载电阻:电压型≥10K Ω电流型0~500Ω精 度:0.2%温 度 系 数:<100ppm/℃ 工作温度范围:-20~+55℃ 响 应 时 间:<500mS隔 离:输入 输出1/2 电源四端口相互隔离绝 缘 电 阻:>100M Ω(500VDC) 绝 缘 强 度:1500VDC/1分钟 工 作 电 源:24VDC ±10% 1.5W(max)热电偶K E J T B R S N 直接接口冷端补偿 线性化四端口隔离 DIN T 型导轨安装 接线端子可插拔输入温度范围: 功能框图:定货指南:例:WS90602KA6,输入K 型热偶 测量范围0-400℃输出1 4-20mA 输出2 1-5V 外形尺寸:(mm)主要技术参数:输 入 阻 抗:≥50K Ω输出负载电阻:电压型≥10K Ω电流型0~500Ω断 偶 状 态:默认≥24mA(5.5V) 外 置 冷 补:传感器端子④ ⑤处 精 度:0.2%(对温度) 温 度 系 数:<100ppm/℃ 工作温度范围:-20~+55℃ 响 应 时 间:<500mS隔 离:输入 输出1/2 电源 四端口相互隔离 绝 缘 电 阻:>100M Ω(500VDC) 绝 缘 强 度:1500VDC/1分钟 工 作 电 源:24VDC ±10% 1.5W(max)尾标1输入 尾标2 输出1 输出2 0-400℃ 3 4-20mA 4-20mA 0-600℃ 4 0-20mA 0-20mA 0-800℃ 5 1-5V 1-5V 0-1300℃ 6 4-20mA 1-5V 0-1600℃ A B C D E S 用 户 特 定 规 格WS2020二线制隔离电位计信号变换端子电位计输入二线制4-20mA输出内含传感器恒压源DIN T型导轨安装输入电位器电阻总值:应用连接:500Ω~10KΩ定货指南:例:WS2020输入电位器主要技术参数:功能框图:输入激励电压:0.25V输出负载电阻:0~500Ω精度:0.2%温度系数:<100ppm/℃外形尺寸:(mm)工作温度范围:-20~+55℃响应时间:<500mS隔离:输入与输出隔离绝缘电阻:>100MΩ(500VDC)绝缘强度:1500VDC/1分钟工作电源:24VDCWS2022二线制隔离信号变换端子二线制4-20mA 输出 mV V mA 多种输入范围 DIN T 型导轨安装输入范围: 应用连接:功能框图: 定货指南:例:WS2022E 输入4-20mA主要技术参数:输 入 阻 抗:电压型 ≥100K Ω 电流型 ≤100Ω 输出负载电阻:0~500Ω精 度:0.2% 外形尺寸:(mm) 温 度 系 数:<100ppm/℃工作温度范围:-20~+55℃响 应 时 间:<500mS隔 离:输入与输出隔离绝 缘 电 阻:>100M Ω(500VDC)绝 缘 强 度:1500VDC/1分钟工 作 电 源:24VDC尾标输入 0-75mV 0-5V 0-10V -10-10V 4-20mA 0-10mA 1-5V A B C D E F G S 用 户 特 定 规 格WS2025输出环路供电隔离配电器二线制4-20mA输出为变送器配独立的隔离电源DIN T型导轨安装输入范围:应用连接:输入输出4-20mA 4-20mA定货指南:例:WS2025输入二线制变送器信号输出二线制环路供电4-20mA 二线制变送器④配电电源正极 ③配电电源负极功能框图:主要技术参数:配电电压:14.0V~20.5VDC配电电源负载能力:25mA(max)输出负载电阻:0~500Ω外形尺寸:(mm)精度:0.3%温度系数:<100ppm/℃工作温度范围:-20~+55℃响应时间:<500mS隔离:输入与输出隔离绝缘电阻:>100MΩ(500VDC)绝缘强度:1500VDC/1分钟工作电源:24VDCWS2026二线制隔离二线制隔离交流电流交流电流交流电流信号变换端子信号变换端子二线制4-20mA 输出将交流电流变换为工业仪表的标准信号DIN T 型导轨安装输入范围: 应用连接: 尾标 输 入0-1A 0-5A A B S 用 户 特 定 规 格定货指南:例:WS2026B 功能框图: 输入0-5AAC主要技术参数:输 入 负 载:0.5VA(max)输出负载电阻:0~500Ω精 度:0.5% 外形尺寸:(mm)输入信号频率范围:40~60Hz温 度 系 数:<100ppm/℃工作温度范围:-20~+55℃响 应 时 间:<300mS隔 离:输入与输出隔离绝 缘 电 阻:>100M Ω(500VDC)绝 缘 强 度:1500VDC/1分钟工 作 电 源:24VDCWS2050/WS2010二线制隔离热电阻信号调理器二线制4-20mA 输出Pt100 Cu50 Ni1000传感器直接接口内含线性化和长线补偿 DIN T 型导轨安装输入温度范围: 应用连接: 尾标 输入 -20-100℃ 0-100℃ 0-150℃ 0-200℃ 0-400℃ A B C D E S 用 户 特 定 规 格 WS2010-Cu50 WS2050-Pt100定货指南:例: W2050C 功能框图: 输入0-150 ℃三线 Pt100主要技术参数:热电阻激励电压:1.2V RTD 断线指示:约25mA热电阻输入线路电阻:100Ω(max) 外形尺寸:(mm) 输出负载电阻:0~500Ω 精 度:<0.2%温 度 系 数:<100ppm/℃ 工作温度范围:-20~+55℃ 响 应 时 间:<500mS隔 离:输入与输出隔离 绝 缘 电 阻:>100M Ω(500VDC) 绝 缘 强 度:1500VDC/1分钟 工 作 电 源:24VDCWS2060二线制隔离热电偶信号调理器二线制4-20mA 输出热电偶K E J T B R S N 直接接口冷端补偿 线性化 DIN T 型导轨安装输入温度范围: 应用连接:定货指南: 功能框图: 例:WS2060KA 输入K 型热偶 测量范围0-400℃主要技术参数:输 入 阻 抗:≥50K Ω输出负载电阻:0~500Ω 外形尺寸:(mm) 断 偶 状 态:约25mA外 置 冷 补:传感器端子①处 精 度:<0.2%(对温度) 温 度 系 数:<100ppm/℃ 工作温度范围:-20~+55℃ 响 应 时 间:<500mS隔 离:输入与输出隔离 绝 缘 电 阻:>100M Ω(500VDC) 绝 缘 强 度:1500VDC/1分钟 工 作 电 源:24VDC尾标输入 0-400℃ 0-600℃ 0-800℃ 0-1300℃ 0-1600℃ A B C D E S 用 户 特 定 规 格隔离端子输出环路供电隔离端子WS9030输入环路/输出环路供电切断现场仪表电源和接口板电源实现二线制电流隔离传送DIN T型导轨安装输入输出范围:应用连接:输入输出4-20mA 4-20mA主要技术参数:输入等效阻抗:<100Ω输入端电压:≤2V输出负载电阻:0~500Ω功能框图:精度:0.2%温度系数:<100ppm/℃工作温度范围:-20~+55℃响应时间:<500mS隔离:输入与输出隔离绝缘电阻:>100MΩ(500VDC) 外形尺寸:(mm)绝缘强度:1500VDC/1分钟工作电源:24VDC应用:一些接收设备的信号接收端带有24V电源,而现场传送来的信号(二线或四线方式)为有源信号,二者对接将发生电源“冲突”,WS9030既切断电源关系,又实现信号隔离。