RDH5(HGL)隔离开关说明书
- 格式:pdf
- 大小:2.06 MB
- 文档页数:31
变电所新建工程编号:DNA/GK01--35 隔离开关安装调整作业指导书受控状态:发放编号:0 6齐齐哈尔德恩电力集团安装公司1 总则1.1为了使变点所达到精品工程标准,明确施工方法和质量标准,确保施工安全,特制定本作业指导书。
1.2隔离开关是变电所重要一次设备,安装的隔离开关主要有沈阳高压开关厂和平顶山高压开关厂及西安高压开关厂和其它小型开关厂生产的负荷开关等(包括国外产品),它们的安装过程有相似性。
1.3施工中除尊守本作业指导书外,还应遵守国家现行有关标准,规格及设计图纸的规定。
2.适应范围本作业指导书适用于500KV及以下变电所的隔离开关的安装。
3.作业前的准备3.1技术交底3.1.1隔离开关安装调整前,对参与施工的全体作业人员应进行技术交底,并做好技术交底记录,参加交底人员应由本人签字。
3.1.2作业人员必须掌握主要技术资料,安装时严格遵守。
3.2设备到货检验及保管3.2.1隔离开关,负荷开关运到现场后,应按其不同保管要求置于屋内或屋外平整无积水的场地。
设备及瓷件应无裂纹及破损。
3.2.2隔离开关、负荷开关运到现场后,应按其不同保管要求置于屋内或屋外平整无积水的场地。
设备及瓷件应安置稳妥,不得倾倒损坏,触头及操动机构的金属传动部件应有防锈措施。
3.3工器具准备按工器具配备表中所列工器具进行配备。
4 施工工艺及技术要求4.1隔离开关、负荷开关安装前应符合下列要求:4.1.1接线端子及载流部分应清洁,接触良好,触头镀银层无脱落。
4.1.2绝缘子表面应清洁,无裂纹破损,无焊接残留斑点等缺陷,瓷铁粘和应牢固。
4.1.3隔离开关底座转动部分应灵活,并应涂上适合当地气候的润滑油。
4.1.4操动机构的零部件应齐全,所有固定连接部件应紧固,转动部分应涂上适合当地气候的润滑油。
4.1.5在室内间隔墙的两面,以共同的双头螺栓安装隔离开关时应保证其中一组隔离开关拆除时不影响另一侧隔离开关的固定。
4.2隔离开关的组装时应符合下列要求:4.2.1隔离开关相间距离的误差,110KV及以下不一应大于10mm,220KV及以下不应大于20mm,相间连杆应在同一水平线上。
选型指南表1举例:RDA5-S55 其含义为:RDA5一常开一常闭的急停按钮。
RDA5-D524+A5-105 其含义为:RDA5一常开三常闭的黑色三位自复位的旋钮。
其中“A5-105”为一常开一常闭触头模块代号。
RDA5系列按钮开关符合标准应用范围RDA5按钮开关(以下简称按钮)适用于50/60Hz 、额定工作电压至400V 及直流工作电压至230V 的工业控制电路中,作为电磁起动器、接触器、继电器及其它电气线路的控制之用。
□ 周围空气温度:-5~ 40,24h 内的平均温度值不超过35。
□ 海拔高度:≤2000m 。
□ 空气湿度:最高温度为+40℃时,空气的相对湿度不超过50%,在较低的温度下可以允许有较高的相对湿度。
例如20℃时达90%。
对由 于温度变化偶尔产生的凝露应采取特殊措施。
□ 污染等级:污染等级3。
□ 安装类别:安装类别Ⅱ。
℃℃正常工作条件和安装条件225一般结构与工作原理主要由钮头、连接板及由触头和触头支持件等零件组成的触头座构成,这三部分采用紧固件组合。
通过变换钮头可派生出不同型式的品种。
按钮的基本规格有一常开、一常闭、二常开、二常闭、一常开一常闭。
通过增加触头座模块可得到其它规格的按钮。
按钮按结构可分为按压式、带灯式、自锁式、急停式、旋钮式、钥匙式。
钥匙式和旋钮式还可以分为二位或三位式。
二位式是一个位置常开触头接通,另一个位置常闭触头接通;而三位式有中间位置0,在此位置常开或常闭触头均断开。
按钮的安装孔径为Φ22。
将按钮帽按下,动触头就向下移动,先脱离常闭静触点,然后和常开静触点接触。
当操作人员的手指离开按钮帽后,在复位弹簧作用下,动触头又向上运动,恢复原来的位置。
在复位过程中,先是常开触点断开,再是常闭触点闭合。
主要技术参数□ 接线端子采用双位数标识一一个位上的数字是功能数字;一一十位上的数字是顺序号。
□ 功能数字功能数字1和2用于分断触头元件(又称常闭触头),功能数字3和4用于接通元件(又称常开触头)。
2 - 5ĪHochstromtrennerHochstromlasttrennerOrtsveränderliche Trenner 6 - 7ĪKurzschliesserKurzschlussrahmenfahrbare Kurzschliesser2Flohe Hochstromtrennerweitere Ausführungen auf Anfrage · E + G + H = Außenabmessungen · alle motorbetriebenen Ausführungen mit manueller NotbetätigungTyp Strom min.[kA]AufbauKontaktbalken A A 1Standard min.[mm]A 2Standard [mm]A 3Standard min.[mm]B 1Standard min.[mm]B 2Standard [mm]B 3Standard min.[mm]CStandard [mm]DStandard [mm]EStandard[mm]A1zuON [mm]A1aufOFF ca.[mm]Kontaktbalken BAbmessungenFRH-CC 151x151805019026050167400475783226326559646617FRH-CC 201x202305019031050167450475833226326559646617FRH-CC 251x252805019036050167500475883226326559646617FRH-CC 301x303305019041050167550475933226326559646617FRH-CC 351x353805019046050167600475983226326559646617FRH-CC 401x4043050190510501676504751033226326559646617FRH-CC 451x4548050190560501677004751083226326559646617FRH-CC 501x5053050190610501677504751133226326559646617FRH-CC 551x5558050190660501678004751183226326559646617FRH-CC 601x6063050190710501678504751233226326559646617FRH-CC 701x7073050190810501679504751333226326559646617FRH-CC 801x80830501909105016710504751433226326559646617FRH-CC 901x909305019010105016711504751533226326559646617FRH-CC 1001x10010305019011105016712504751633226326559646617FRH-CC 1101x11011305019012105016713504751733226326559646617FRH-CC 1201x12012305019013105016714504751833226326559646617FRH-CC 1302x6514705019015505016716904752073226326559646617FRH-CC 1402x7015705019016505016717904752173226326559646617FRH-CC 1502x7516705019017505016718904752273226326559646617FRH-CC 1602x8017705019018505016719904752373226326559646617FRH-CC 1802x9019705019020505016721904752573226326559646617FRH-CC2002x10021705019022505016723904752773226326559646617F A1zuON ca.[mm]A1auf OFFca.[mm]HStandard[mm]G Der modulare Aufbauentspricht mechanisch und elektrisc h höchsten A nforderungen.Der FRH hat eine sichtbare Trennstrecke und ist lage u nabhängig vertikal oder horizontal in das Sammelschienensystem einzuschweißen oder einzuschrauben.Der Trenner hat zu- und abgangsseitigAluminium oder Kupferkontaktblöcke, die an das jeweilige Sammelschienenpaket g eschweißt oder geschraubt werden. Eine zusätzliche Wand-befestigung ist nicht erforderlich. Der Trenner wird durch das Sammel s chienen p aket getragen. Verschiebungen der Sammelschiene werden in drei Richtungen ausgeglichen.Ein flexibles Federanpassungssystem garantiert eines ichere elektrische und mechanische Kontaktierung und die versilberten Hauptkontakte sichern einen geringen Spannungsabfall.Der FRH ist lieferbar in allen benötigten AnschlussvariantenHand-/ Motor- Druckluftantrieb Fernantrieb Notausfunktion Hilfsschalter fü r interne und externe SteuerungVerriegelung: elektrisch/mechanisch Klemmbox Fern-/ Vorort-Steuerung Temperatur-ü berwachungĪFRH-CC TrennerKupfereinschraub-technikStandardwerteTechnische Datenmax. Nennstrom 400kA max. Nennspannung 3000VKurzschlussfestigkeit 10x Nennstrom 1sec Isolationsfestigkeit5000V DC max. Umgebungstemperatur 60°Cmax. Betriebstemperatur max. Umgebung + 40°C Schaltzeitmot. 15sec / pneu. 1sec Einbautoleranzen (x/y/z)± 20mm Schaltspiele5000individuelle Spezifikationen auf Anfrage3weitere Ausführungen auf Anfrage · E + G + H = Außenabmessungen · alle motorbetriebenen Ausführungen mit manueller NotbetätigungTyp Strom min.[kA]AufbauKontaktbalken A A 1Standard min.[mm]A 2Standard [mm]A 3Standard min.[mm]B 1Standard min.[mm]B 2Standard [mm]B 3Standard min.[mm]CStandard [mm]DStandard [mm]EStandard[mm]A1zuON [mm]A1aufOFF ca.[mm]Kontaktbalken BAbmessungen FRH-AA 151x 15180500175260500165400475783226326559646600FRH-AA 201x 20230500175310500165450475833226326559646600FRH-AA 251x 25280500175360500165500475883226326559646600FRH-AA 301x 30330500175410500165550475933226326559646600FRH-AA 351x 35380500175460500165600475983226326559646600FRH-AA 401x 404305001755105001656504751033226326559646600FRH-AA 451x 454805001755605001657004751083226326559646600FRH-AA 501x 505305001756105001657504751133226326559646600FRH-AA 551x 555805001756605001658004751183226326559646600FRH-AA 601x 606305001757105001658504751233226326559646600FRH-AA 701x 707305001758105001659504751333226326559646600FRH-AA 801x 8083050017591050016510504751433226326559646600FRH-AA 901x 90930500175101050016511504751533226326559646600FRH-AA 1001x 1001030500175111050016512504751633226326559646600FRH-AA 1101x 1101130500175121050016513504751733226326559646600FRH-AA 1201x 1201230500175131050016514504751833226326559646600FRH-AA 1302x 651470500175155050016516904752073226326559646600FRH-AA 1402x 701570500175165050016517904752173226326559646600FRH-AA 1502x 751670500175175050016518904752273226326559646600FRH-AA 1602x 801770500175185050016519904752373226326559646600FRH-AA 1802x 901970500175205050016521904752573226326559646600FRH-AA2002x1002170500175225050016523904752773226326559646600F A1zuON ca.[mm]A1auf OFFca.[mm]HStandard[mm]G Hochstromtrenner FRH5kA · 400kA · ein-zweipoligzum stromlosen Schalten in Gleichstroman l agen VDE 0110 Gruppe C · EN 60947-3 · IEC 60077-1Der FLOHE Hochstromtrenner FRH ist universell einsetzbar als…FRH ‐AAAluminium -einschweißtrennerFRH ‐CCKupferein-schraubtechnikFRH ‐ACKombinationAl/CuFRH ‐MOFahrbarGraphitierungĪĪĪFRH-AAĨĨĨTYP FRH4Flohe Hochstromtrenner /HochstromlasttrennerĪTrennerFRG-M-CC24 kAĪLasttrennschalterFRGL-M-CC24 kABestü ckung…Hand-Motor-Druckluftantrieb Direkt- oder Fernantrieb VorkontaktHilfsschalter nach Wahl KlemmkastenTemperaturu b erwachung Erdungskontakt Verriegelung (elektrisch/mechanisch )Steuerungsbox vor Ortmechanische StellungsanzeigeF R GF RG LTe c h n i s ch e Dat e nmax. Nennstrom 120kA 36kA max. Nennspannung 3000V 3000V max. Schaltspannung ./.750VKurzschlussfestigkeit 10x Nennstrom 1sec10x Nennstrom 1secIsolationsfestigkeit5.000V DC 5.000V DC max. Umgebungstemperatur 60°C60°Cmax. Betriebstemperatur max. Umgebung + 40°Cmax. Umgebung + 40°Cmechanische Schaltspiele10.00010.000Individuelle Spezifikationen auf AnfrageFü r Bipolar Membran Chlorelektrolysen wurde der FRGL (6 bis 36 kA) mit Vorkontakt fü r Schaltungen unter Last bis zu 750 V DC ins Lieferprogramm aufgenommen.Es werden Kombinationen von Leertrenner FRG und Lasttrenner FRGL von der Industrie bei v ielen Membrananlagen eingesetzt. Steuerung mit gegenseitiger Verriegelung auf Anfrage.Der Trenner FRG und FRGL ist lieferbar fu r Kupfereinschraub-technik oder Aluminiumeinschweißtechnik und wird ohne Wandbefestigung nur durch das Sammelschienenpaket sicher getragen.Auf Wunsch können Befestigungswinkel geliefert werden.ĪĪĪFRG-M-CC motĨĨĨ5DC-HochstromtrennerFRG6kA bis 120kADC-Hochstromlasttrenner FRGL5kA bis 30kADie gekapselten Trenner FRG und FRGLsind eine logische W eiterentwicklung der Vakuum-Technologie mit entsprechendem Kontaktabstand gemäss VDE + IEC-Forderung.Der Aufbau ist a ngelegt an die Trennerkonstruktion derVakuum-Kurzschließer. Standard-Baugrößen von 6 kA bis 120 kA ;Größere Einheiten auf Anfrage.In chemisch aggressiver Umgebung haben sich die integrierteng ekapselten Hauptkontakte im Trenner bewährt – auch im Hinblickauf Wartungsfreiheit, was eine erhebliche Kostenreduzierungb edeutet. Die Trenner FRG sind lageunabhängig in Systeme einzu-schrauben oder einzuschweißen.Auf Wunsch kann der FRG mit Erdungskontakt, Temperaturfu h ler, Vorkontakt fu r Restspannung, elektrischer oder mechanischerV erriegelung ausgeru s tet werden.Die Verdrahtung der Hilfsschalter, des Motors etc. erfolgt standard-mäßig auf eine geschlossene Klemmenbox. Komplette Vorort- alsauch Fernsteuerung sind nach Kundenabsprache individuell lieferbar.Typ Strommax.[kA]AufbauAStandard[mm]BStandard[mm]CStandard[mm]DStandard[mm]AbmessungenFRG-M-CC61xM765215118446,5FRG-M-CC121xM902,5352,5255,5446,5FRG-M-CC181xM1040490393446,5FRG-M-CC241xM1177,5627,5530,5446,5FRG-D-CC241xD902,5352,5255,5668FRG-M-CC301xM1315765668446,5FRG-D-CC361xD1040490393668FRG-D-CC481xD1177,5627,5530,5668FRG-D-CC601xD1315765668668FRG-D-CC721xD1452,5902,5805,5668FRG-D-CC962xD48195514051308668FRG-D-CC1202xD60223016801583668 Kunden-individuelle Abmessungen auf AnfrageĪĪĪFRG-D-CC motĨĨĨFRG / FRGL6Die Vakuum-Kontakte sind in einemSchaltrahmen (Stahl oder Edelstahl) integriert.Das ergibt Baugrößen als Kurzschließer von6-400 kA bei Schaltspannungen von 5 V DC bis 30 V DC In chemisch rauer Atmosphäre sind die Vakuum-Kontakte gegen äußere aggressive Einflu s se geschu t zt und garantieren eine lange wartungsfreie Lebensdauer.Flohe DC-Kurzschliesser /DC-Hochstromtrenner Typ VACFest-Installationam Zellenboden oderim SammelschienensystemTyp VAC 6-400 kAOrtsveränderlich (Jumper Switches)auf Rädern oder mit KranTyp VAC-MO 50-250 kAOrtsveränderliche Kurzschlussrahmenbei KupferelektrolysenTyp VAC-FR 30-70 kAInstallationsvarianten…ĪKurzschließer18 kAĪKurzschlussrahmenKupferelektrolyseĪFahrbarerKurzschließer 150 kA7Gekapselter Vakuum-Kontaktfeste Installation als auch ortsveränderlichDer Watteredge-Vakuum-Kontakt ist ein patentierter gekapselter Hauptkontakt, geeignet als Kurzschließer i n Elektrolysen,z.B. Chlor · Kupfer · Nickel · Magnesium · Aluminium · Kobalt · ChromĪVakuum-Kontakt 6 kAĪAnschlussvariantenfür Kontakt-schienen und DehnungsbänderĪĪĪSingle-Kontakt-Einheit ĨĨĨĪĪĪDoppel-Kontakt-Einheit ĨĨĨĪĪĪvierfach-Kontakt-Einheit ĨĨĨĪĪĪfünffach-Kontakt-Einheit ĨĨĨĪĪĪDreifach-Kontakt-Einheit ĨĨĨVAKUUM-KONTAKT6 kA 12 kA 18 kA24 kA 30 kAFLOHESchaltgeräte GmbHRheinstrasse 19D-44579 Castrop Rauxel +49(0)2305-7003-0+49(0)2305-7003-199********************PROspekt 10/2015 (dt.)E.REDEKERLuisant Ring 16a D-63477 Maintal+49(0)6181-9458310+49(0)151- 15754553(Mobil)+49(0)6181-9458311e.redeker @switchcontacts.de www.switchcontacts.deW i r b e r at e n S i e g e r n e …Seit über 60 Jahren:kompetenz inengineering + fertigung…von der einzelnen Komponentebis hin zum komplexen HochstromsystemĪEAF / LF / ESUĪTragarmtechnik /Hochstromleitun genĪDehnungsbänderĪElektrolyse:BusbarsĪHochstromkabel。
SRW-12/630A型SREW-36/800A型SREW-36/1250A型户外高压隔离开关安装使用说明书目录1概述 (4)1.1 (4)1.2 (4)1.3 (4)1.4 (4)1.5 (4)1.6 (4)2 技术数据 (4)3 结构及其原理 (4)4安装及调整 (4)4.1隔离开关的安装 (4)4.1.1 (4)4.1.2 (4)4.1.3 (4)4.1.4 (4)4.1.5 (5)4.1.6 (5)4.1.7.......................................................................................... (5)4.2 隔离开关的调整4.2.1 (5)4.2.2 (5)5 使用和维护 (5)5.1隔离开关运行前须做好下列准备工作 (5)5.1.1 (5)5.1.2 (5)5.1.3 (5)5.1.4 (5)5.1.5 (5)5.1.6 (5)5.1.7 (5)5.2 隔离开关的维护 (5)5.2.1 (5)5.2.2 (5)5.2.3 (5)5.2.4 (5)5.2.5 (5)5.2.6 (5)6 包装运输和保存 (5)6.1 包装须知 (5)6.1.1 (5)6.1.2 (5)6.2 保存须知 (5)6.2.1 (5)6.2.2 (5)7 产品成套供应及订货 (6)7.1 本型隔离开关成套供应包括 (6)7.2 随产品供应的文件 (6)8 附图及安装尺寸 (6)8.1 图1(a)型不带接地外形尺寸图 (6)8.2 图1(b)型带接地外形尺寸图 (7)8.3 图2、SRCS6-2(T)手动操作机构外形尺寸图 (8)8.4 隔离开关安装附图 (9)1 概述本型号户外高压隔离开关系供12/36 kV,50/60Hz的交流电网及接触网分、合电路之用,它可形成明显的可见断口,保证检修工作人员的安全。
产品使用条件:1.1 海拔高度不超过2000m;高原型不超过3000m;1.2 周围环境温度不高于+40℃,不低于-40℃;1.3 周围环境湿度:相对湿度:日平均不大于95%,月平均不大于90%;1.4 地震烈度不超过8度;1.5 无易燃物质、爆炸危险、化学腐蚀及剧烈振动、摆动或冲击的场所;1.6 使用环境应无严重污秽。
123RDH5(HGL)系列负荷隔离开关适用于交流50Hz ,额定电压至400V 以下,直流额定电压至440V 以下,额定电流为63A~3200A ,在配电系统中做不频繁接通与分断电路及隔离电路用,其中1000A以上开关只做电气隔离。
主要参数见下表产品概述选型指南主要技术数据RDH5□ 海拔高度不超过2000米;□ 环境温度不高于+40℃,不低于-5℃;□ 空气相对湿度不大于90%;□ 无爆炸危险的介质,且介质无足以腐蚀金属和破坏绝缘的气体与尘埃;□ 无显著摇动和冲击震动的地方;□ 无雨雪侵袭的环境。
注:若使用于环境温度范围不在-5℃~45℃时,应向制造厂说明。
正常工作条件和安装条件RDH5Z2RDH5Z1外形与安装尺寸124RDH5-63RDH5-100正面柜外操作安装孔1、预断开辅助触点2、端子护屏3、DIN 轨道固定用的夹子4、手柄锁具滑动锁舌宽30mm5、带加长连轴的最小长度: 125±1.5RDH5-125A ~630柜内操作柜外手柄座安装尺寸RDH5-125A ~630A/JK 柜外操作RDH5-125A~630A 体列隔离开关外形及安装尺寸125RDH5-800A~1600A 体列隔离开关外形及安装尺寸RDH5-800A~1600A 柜内操作RDH5-2000A~3200A 柜内操作RDH5-800A~1600A/J 柜外操作RDH5-2000A~3200A /J 柜外操作126RDH5系列隔离开关柜外手柄座安装尺寸RDH5Z1-125A~630A 柜内操作RDH5Z1-125A~630A 柜内操作RDH5-63A~100A/4Z1RDH5-63A~100A/4Z1RDH5Z1-63~100A系列隔离开关外形和安装尺寸127RDH5800~1600A 系列隔离开关外形和安装尺寸Z1-RDH5800A~1600A 柜内操作Z1-RDH5800A~1600A 柜外操作Z1-柜外手柄座安装尺寸800A 1000A1250~1600A128RDH5系列隔离开关RDH5-63A~100A/4Z2RDH5Z1-Z2-63~100A 系列隔离开关外形和安装尺寸RDH5-125A~630A 柜内操作Z2RDH5-125A~630A 柜外操作Z2RDH5125~1600A 系列隔离开关外形和安装尺寸Z2-RDH5-800A~1600A 柜内操作Z2RDH5-800A~1600A 柜外操作Z2柜外手柄座安装尺寸800A 1000A1250A~1600A接线端子129□ 订货单位须注明开关的型号规格、电流等级、极□ 数、操作方式及数量等,特殊订货请联系我公司有关技术部门。
采用光伏并网专用重合闸断路器,性能优于常规开关,发电更可靠。
上仓计量,下仓配电,功能区分清晰,成本更优,维护更方便。
RDPV8-B 系列光伏并网箱更加灵活可采用余电上网或全额上网2种并网模式,灵活选用。
更加可靠更加耐用304不锈钢或冷轧钢板喷塑,具有耐腐蚀,耐磨损,耐高低温等优点。
结构更优/04三相并网箱双电表位(10-20kWp )三相380V 电压等级接入公共电网,总发电容量不超过10-20kWp 的家庭屋顶光伏发电系统的并网,民用住宅建筑等环境安装的专用并网箱。
/05RDPV8-B系列光伏并网箱三相380V 电压等级接入公共电网,总发电容量不超过20-35kWp 的家庭屋顶光伏发电系统的并网,民用住宅建筑等环境安装的专用并网箱。
三相并网箱(20-35kWp )三相380V 电压等级接入公共电网,总发电容量不超过20-35kWp 的家庭屋顶光伏发电系统的并网发电量计量,民用住宅建筑等环境安装的专用并网计量箱。
三相并网箱双电表位(20-35kWp )三相380V 电压等级接入公共电网,总发电容量不超过10-20kWp 的家庭屋顶光伏发电系统的并网,民用住宅建筑等环境安装的专用并网箱。
三相并网箱(10-20kWp)三相380V 电压等级接入公共电网,总发电容量不超过35-50kWp 的家庭屋顶光伏发电系统的并网,民用住宅建筑等环境安装的专用并网箱。
三相并网箱(35-50kWp )三相380V 电压等级接入公共电网,总发电容量不超过35-50kWp 的家庭屋顶光伏发电系统的并网发电量计量,民用住宅建筑等环境安装的专用并网计量箱。
三相并网箱双电表位(35-50kWp )/06/07RDPV8-B 系列光伏并网箱高强度铰链密封胶条清晰标识箱门内侧出厂自带,关键部位粘贴醒目标签,指导现场施工,方便用户后期维护。
加厚挂钩产品壁挂安装,采用2mm 加厚挂角,结构可靠,安装牢固。
产品概述主要技术参数RDB5Z 自动重合闸断路器,适用于交流50Hz 或60Hz ,额定工作电压至400V,额定工作电流至100A 的线路中,可远程、互联网、物联网信号控制断电实现分励脱扣和自动重合闸功能。
R DKG5-X系列时控开关符合标准:GB/T 14048.51 用途及适应范围RDKG5-X 系列时控开关适用于交流50Hz ,额定控制电源电压至AC220V 控制电路中,作延时定时元件。
可按预定的时间接通或断开各种控制电路的电源,适用于路灯、霓虹灯、广告招牌灯、广播电视设备以及各种家用电器。
产品符合:G B /T 14048.5标准。
2 正常工作条件2.1 正常使用条件:海拔高度不超过2000米;周围环境温度不高于+40℃及不低于-5℃;额定控制电源电压变化范围为85%-110%额定电压。
2.2 安装条件:在符合通用安全警示条件下,无严重震动和爆炸危险的介质中,且介质中无足以腐蚀金属和破坏绝缘的气体与尘埃;在雨雪侵袭不到的地方。
3 型号及其含义功能代号 X-下进线设计序号微电脑时控开关公司代号RD KG54 主要技术参数4.1 额定绝缘电压Ui:AC380V;4.2 额定冲击耐受电压Uimp:2.5kV;4.3 额定控制电源电压Us:AC220V,50Hz;4.4 功耗:<5W;4.5 污染等级:3;4.6 外壳防护等级:IP20;4.7 负载功率:AC-12使用类别下,20A A C250V(阻性);4.8 每天走时误差:小于或等于±2秒;4.9 定时次数:16组,自动、手动两用;4.10 开关时间可按天循环或按周循环;4.11 时控范围:1m~168h;4.12 与短路保护器(S CPD)的协调配合即,继电器在短路条件下不应对人及设备引起危害,在未修理或更换零件前,不允许继续使用。
5 接线图图外形及安装开孔尺寸1:(或采用35mm 标准导轨安装)单位:(mm)图2:直接控制负载+0.35图3:接交流接触器控制负载5.1 被控制的负载是单相供电,工作电流不超过本机的额定值,可采用直接控制方式,接线方式如图2所示。
5.2 被控制的负载是单相供电,工作电流超过本机的额定值请采用交流接触器(线圈电压AC220V )扩容方式,接线方式如图3所示。
完善的产业链和个性化解决方案,满足全球客户的不同需求!人民电器集团是人民控股集团全资公司,中国500强企业之一,始创于1986年。
人民电器集团以工业电器为核心产业,拥有浙江、上海、南昌、抚州、枣庄、合肥六大制造基地、35家全资子公司150家控股成员企业、1500多家加工协作企业和5000多家销售公司。
产品畅销全球125个国家和地区,广泛应用于浦东机场、京沪高铁、三峡水电、北京地铁、奥运场馆南水北调、青藏铁路、嫦娥探月工程、越南太安水电枢纽等国内外重大工程项目,位居世界机械企业500强前列。
2023年,经世界品牌实验室测评,品牌价值788.15亿。
公司简介COMPANY PROFILE更 安 全保障人员生命及财产安全。
更 可 靠不间断供应电力,全天随时可用。
更 高 效降低能源消耗和成本,提高生产率,缩短需求供应时间。
优化机械、工厂流程,提高使用舒适性。
更 经 济更 环 保通过可再生能源提供能量,减少二氧化碳排放量。
电力与能源电力石油石化交通工业与机器矿业/建材水利/水处理汽车数据中心IT高科技互联网商业网络银行保险金融机构电信运营楼宇办公楼宇工业建筑基础设施住宅住宅建设公共建设小区设施剩余电流保护断路器逆变器直流断路器直流塑壳断路器直流框架断路器光伏箱变直流熔断器直流浪涌保护器终端新能源RDM5L系列剩余电流保护断路器G-092RDM5系列塑料外壳式断路器G-044RDB5-125系列小型断路器G-163RDM5Z系列剩余电流保护断路器G-120RDQH5系列双电源自动转换开关G-142RDB5-80S系列预付费小型断路器G-162RDB5系列小型断路器G-151RDB5-63系列小型断路器G-160RDW5系列万能式断路器G -001RDM5E系列电子式断路器G-065RDXQ5系列双电源自动转换开关G-138RDB5-80系列小型断路器G-161RDB5-40系列小型断路器G-159RDQ5系列双电源自动转换开关G-147RDHM5系列剩余电流保护断路器G-103RDB5-125S系列小型断路器G-164RDB5LE-40系列剩余电流动作断路器G-172RDB5LE-63Y系列一体式剩余电流动作断路器G-184RDB5GS系列隔离开关G-170RDB5LE-100系列剩余电流动作断路器G-178RDB5LE-63MA系列剩余电流动作断路器G-174RDB5-125H系列小型断路器G-167RDB5LE-63系列剩余电流动作断路器G-173RDB5GQ系列自恢复式过欠压保护器G-186RDB5LE-32系列剩余电流动作断路器G-171RDB5LE-125H系列剩余电流动作断路器G-181RDB5LEs-63系列剩余电流动作断路器G-176RDQH5Y系列双电源自动转换开关G-147G-191RDU5Z系列电涌保护器RDR5系列热过载继电器G-197RDJ5系列电磁继电器G-203RDC5系列交流接触器G-192RDCJ5系列接触式继电器G-201RDS5系列电动机保护断路器G-205RDU5系列电涌保护器G-189RDSCB系列电涌保护器G-188正常工作条件和环境适应性□ □ 海拔高度:2000m□ 电磁干扰:适用于电磁环境A □ 使用类别:B类□ 污染等级:污染等级为3级□ 安装级别:断路器主电路、欠电压脱扣器线圈、智能控制器的电源变压器初级线圈 为IV ,控制电路、辅助电路为III□ 防护等级:IP20 (当断路器安装在柜体室内,且加装门框后,防护等级能达到IP40)□ 储存条件:-25~+55℃□ 运输条件:应轻拿轻放,不应倒置,避免剧烈碰撞环境温度:周围空气温度为-5~+40℃,24h 的平均值不超过+35℃产品概述RDW5系列万能式断路器适用于交流50/60HZ ,额定工作电压AC400V/690V ,额定电流至6300A 以下的配电网络中,主要用作配电、馈电和发电保护,使线路及电源设备免受过载、欠电压、过电压、电流电压不平衡、短接和接地/漏电等故障的危害。
142注:电网对发电机只能选自投自复工作模式注明双电源形式:电网对电网、电网对发电机。
以便出厂时设置好参数。
举例:订购250壳架双电源自动转换开关,L 型断路器,三极,额定电流160A ,自投自复,数量50台,电网对电网。
可写成:RDQH5-250L /3P 160A 50台 。
订购250壳架双电源自动转换开关,M 型断路器,四极,额定电流160A ,自投不自复型,数量50台,电网对电网。
可写成:RDQH5-250M /4P S 160A 50台 。
型RDQH5系列双电源自动转换开关正常工作条件和安装条件□ 使用环境温度:-3++□ 空气相对湿度:在周围空气温度为+40℃时不超过50%;在较低的温度下可以有较高的相对 湿度;例如最湿月的平均最大相对湿度为90%,同时该月的平均最低温度为+20℃,对由于温度变化偶尔产生的凝露应采取处理措施。
□ 污染等级:3级□ 海拔高度:不超过5000m □ 主电路安装类别:□ 电磁环境:A 周围空气温度为5℃~70℃,24h 的平均值不超过35℃;III □ 安装类别:□ 安装环境:□ 安装角度:III在无爆炸危险和导电尘埃,无足以腐蚀金属和破坏绝缘的地方;所附近的外磁 场,在任何方向不应超过5倍的地球磁场。
在无冲击振动及无雨雪侵袭的地方,安装板与各方向倾斜度不超过5°; □ 温度下限不低于-25℃,上限不超过+55℃;相对湿度(+25℃)时不超过95%;□ 产品在运输过程中应轻拿轻放,不应倒置,避免剧烈碰撞。
选型指南产品概述16A 至630A 的电力系统中。
产品常用、备用端进线可接两路电网电源或一路电网一路发电机电源。
当一路电源异常(断相、过压、欠压)时,产品自动切换至另一路正常电源,以保障负载不间断供电。
主要应用于高层建筑、商场、银行、医院、机场等不允许停电的重要场所。
同时,产品具有短路保护、过载保护,以保证供电的可靠性和安全性。
产品符合:GB/T 14048.11标准。
(工程名称)隔离开关安装作业指导书四川省川能水利电力建设有限公司二○一二年月作业指导书签名页目录1.适用范围..................................... 错误!未定义书签。
2. 编写依据.................................... 错误!未定义书签。
3. 作业流程.................................... 错误!未定义书签。
3.1作业(工序)流程图......................... 错误!未定义书签。
4. 安全风险辨析与预控.......................... 错误!未定义书签。
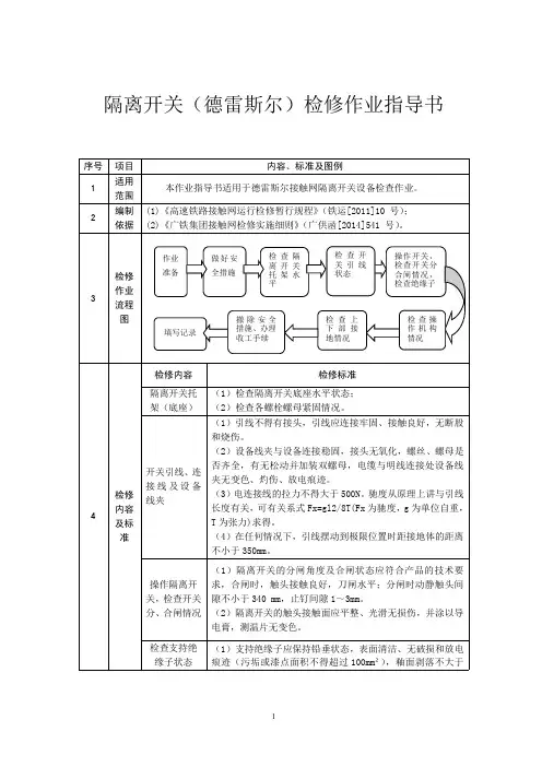
5. 作业准备 (3)5.1 人员配备 (3)5.2 主要工器具及仪器仪表配置 (3)6.作业方法 (4)6.1施工准备: (4)6.2设备开箱及附件清点 (4)6.3单相安装 (4)6.4操作机构箱安装 (4)6.5连杆等附件安装 (5)6.6隔离开关调整(以GW型隔离开关为例说明) (5)6.7静触头安装(GW垂直断口(母线型)隔离开关为例说明) (8)6.8接线及试验 (10)6.9隔离开关再次调整 (10)7. 质量控制措施及检验标准 (10)7.1质量控制措施 (10)7.2质量控制点 (11)7.3检验标准 (11)1. 适用范围本作业指导书适用于110kV~500kV电压等级、频率为50Hz的垂直断口隔离开关;水平断口离开关安装作业。
2. 编写依据表2-1 引用标准及规范名称3. 作业流程3.1作业(工序)流程图请您认真检查并签名确认,您的签名意味着将承担相应的安全质量责任施工单位检查人:监理单位检查人:日期:日期:注:对存在风险且控制措施完善填写“√”,存在风险而控制措施未完善填写“×”,不存在风险则填写“―”,未检查项空白。
5. 作业准备5.1 人员配备表5-1 作业人员配备表注:作业人数根据具体工程量规模配备。
HR5系列熔断器式隔离开关,额定电压至交流660V,额定电流至630A,适用于有高短路电流的配电电路和电动机电路中,作为手动不频繁操作的开关、隔离开关和应急开关,并作电路保护之用,但一般不适用直接开关单台电动机。
本系列开关由三极底座、带嵌入式灭弧罩的上插座、下插座和可拆卸的盖组成,盖兼作手柄并在其背面卡装熔断体。
更换熔断体时可将盖从底座上卸下,以防触及带电部件。
底座两侧的片状弹簧使开关具有快速分、合功能。
产品外貌
z注:1)当开关用于电动机电路中,允许熔断体额定电流大于开关的额定工作电流,但连续负载电流应不超过开关的额定工作电流。
2)有熔断信号装置的开关应配用带熔断撞击器的熔断体。
H D、H S系列开启式刀开关符合标准:GB/T 14048.3产品安装使用前,请仔细阅读使用说明书,并妥善保管,以备查阅。
警告1、不带灭弧室开关不能带负载操作,带有灭弧室的开关可分断相应的额定电流;若使用不带灭弧室的开关分断额定电流,因为没有灭弧装置, 开关在分断过程中所产生的拉弧现象无法避免,很可能会出现灼伤人、引起火灾、短路等危险。
对有灭弧室的刀开关在分断相应的额定电流时,严禁湿手操作开关,否则可能发生电 击事故。
2、不得将触头歪斜的产品投入使用 ;由于触头位置不正,触刀的接触面达 不到规定要求,若强行投入使用,产品触头温度会急剧升高而引起火灾等 危险。
注意1、刀开关安装场所应无爆炸危险、无腐蚀性气体,并应注意防潮、防尘、防 震动。
2、绝缘测试本刀开关出厂前已按标准规定进行绝缘测试,安装前如进行复测,必须按如下步骤:a) 在-5℃ ~ +40℃进行测量绝缘电阻;b) 用1000V兆欧表;c) 工频耐压施加部位;主触头处于闭合位置时:1)各极电器连接在一起与开关底板接地之间;2)每一极与相邻的极之间。
主触头处于断开位置时:1)连在一起的各极所有带电部分与开关底板接地之间;2)进线端各极连接在一起与出线端各级相连之间。
3)试验过程中不应发生绝缘击穿或闪络现象(泄漏电流不大于100mA)。
4)绝缘电阻应不小于10兆欧。
1 适用范围 HD开启式刀开关、HS刀形转换开关(以下简称刀开关),其额定工作频率为50Hz,额定工作电压交流400V,额定电流至3000A,在工业企业的配电设备中,用来接通及分断额定电流的交流电路或作隔离开关用(若接通和分断直流电路,用户与制造厂协商)。
其中:1.1 HD(HS)11中央手柄式的开关主要用于动力站, 不能用来断开带电的电路, 作为电气隔离之用。
1.2 HD(HS)12侧方正面杠杆操作机构式开关主要用于正面操作、前面维修的开关柜中,操作机构可以在柜的两侧安装。
1.3 HD(HS)13中央正面杠杆操作机构式开关主要用于正面操作、后面维修的开关柜中,操作机构装在正前方。
RDH5DS 系列双电源自动转换开关RDH5DS 双电源自动转换开关(ATSE),是集开关与逻辑控制于一体、真正实现机电一体化的新型自动转换开关;它适用于交流50Hz 、额定电压AC400V 、约定发热电流630A 以下的供电系统,具有电源检测、保护、电气机械互锁等功能;可实现全自动、强置"0"、紧急手动等操作,广泛应用于供电系统,将负载电路从一个电源自动换接至另一个(备用)电源的开关电器,以确保重要负荷连续、可靠运行及安全隔离等。
开关由控制线路板发出各种逻辑命令管理电机,由电机带动开关主体部分的操作机构,快速地接通与分断电路或进行电路转换,通过明显可见状态实现安全隔离。
产品符合:GB/T 14048.11标准。
产品概述选型指南正常工作条件与安装条件□ 海拔:安装地点海拔不超过2000m ;□ 安装类别:Ⅲ类;□ 污染等级:3级;□ 温度:;□ 湿度:;□ 安装环境:;周围空气温度上限不超过+40℃,且其24h 内的平均值不超过+35℃,下限不低于 -5℃大气的相对湿度在周围最高温度+40℃时不超过50%,在较低温度下允许有较高的 相对湿度,例如+20℃时达90%。
对于温度变化偶尔产生在产品上的凝露应采取特殊的措 施;注:如果上述条件不满足,订货时应与制造商协商产品使用在无爆炸危险的介质中,且介质无足以腐蚀金属和破坏绝缘的气体与 导电尘埃的地方。
产品安装在无冲击振动及无雨雪侵袭的地方,安装板与各方向倾斜度不 超过5°;产品安装场所附近的外磁场,在任何方向不应超过5倍的地球磁场096结构与原理□□□□□□□结构该双电源采用两进一出结构设计,降低用户使用成本,提高用户安装效率:电气钥匙锁:控制开关内部控制线路电源,电气锁开启时,开关可实现全自动、强置"0"、电气锁关闭时,开关只能手动操作双电源,避免因误操作造成事故。
操作手柄:使用操作手柄手动操作时,必须先关闭电气锁。
B 二级配
电
HH15-160T~800T 隔离开关熔断器组(以下简称隔离开关)
,适用于额定频率为50Hz ,额定绝缘电压至1000V ,额定工作电压至690V ,额定工作电流至800A 的低压配电系统中,作隔离开关、电源开关和应急开关用,并具有短路和过载保护功能。
符合标准:GB/T 14048.3认证证书:CCC
环境温度:-5℃-40℃海拔高度:≤2000m
安装环境:通风良好,无明显污秽、腐蚀性气体、导电粉尘、
可燃物和可燃气体
安装类别:III 、IV 类污染等级:3级
安装方式:水平安装、无显著摇动和冲击振动外壳防护等级:IP00
■ 适用范围
■ 产品优势
■ 安装条件
■ 标准与认证
产品结构紧凑、美观、体积小,防护及安全性能高。
采用全新自主设计的RT16-X 熔断器,接触面积更大,温升更低。
安装底角预先安装在产品本体上,不再需用户安装,使安装更方便。
整个外壳均采用高强度阻燃材料模制而成,具有良好的绝缘防护性能。
二级配
电
■ HH15-160T-630T。
一、用途及使用环境
RDH5(HGL)系列隔离开关(以下简称开关)适用于交流50赫兹,额定工作电压AC400V,额定工作电流为16A~3200A的工企业配电系统中做不频繁接通与分断电路及隔离电路之用,其中(1000A 以上开关只用做电气隔离)。
开关造型美观, 新颖简洁, 结构简单,操作方便,符合G B/T14048.3 IEC60947-3 标准,是同类产品的最佳选择。
开关在下列条件下能可靠工作:
1、安装地点海拔高度,不超过2000m;
2、周围环境温度-5℃~+40℃, 24小时平均温度不超过35℃。
最高温度+40℃时相对湿度不超过50%,较低温度时允许有较高的相对湿度,例如+20℃时相对湿度为90%。
并考虑到由于温度变化发生在产品表面上的凝露应采取特殊措施消除。
3、开关安装场所应无爆炸危险的介质,且介质无足以腐蚀金属和破坏绝缘的气体与尘埃;无显著摇动和冲击震动的地方;
4、无雨雪侵袭的地方并应注意防潮。
注:若使用于环境温度范围不在-5℃~40℃时,应向制造厂说明。
二、结构与特点
开关具有不饱和树脂玻璃纤维增强模塑料外壳,,弹簧蓄能加速机构能快速实现接通与分断,并联双断点两个分离触头面,由片状弹簧保证触头压力, 自动确定通断的极限位置, 具有明显的通断标记指示通断位置。
开关正面设有分合标记窗口, 指示触头的分断状态, 可根据需要提供后面观察窗口, 直接观察触头的通断状态, 保证开关操作的可靠性与安全性。
三、主要参数
1、型号含义
-1-
表2
-3-
8
3.56.510106
1710
1710
2513
3518
5025
5025
5025
5025
5025
8514.5253535357575758
8
8
8
8
8
8
8
8
8
63 125 200 315 800100160250400
1000
1250160025003200
2000630
63 63 63 125 125 125 200 200 200 315 315 315
800 800 800100100100
160160160250250250
400
400
400
10001000100012501250125016001600160025002500
25003200
3200
3200
200020002000630630630额定工作电流 额定绝缘电压
800800800800800800800800800800800额定冲击耐受额定短路接通额定短路分断使用类别
能力Icm :kV 能力Icn :kV 机械寿命操作力矩Ui :V
电压Uimp :kV Ie :A (次)(Nm )80008000600050005000500040004000300025002000AC400V AC400V AC400V AC -21B AC -22B AC -23B AC -21B
AC -22B
AC -23B
主要技术特性
RDH5(HGL)-63A~100A 系列隔离开关外形及安装尺寸
一常开一常闭( )二常开二常闭四常四常闭2244
1NO+1NC 2NO+2NC 4NO+4NC
适用于RDH5, RDH5C
11适用于RDH5C , RDH5Z
适用于 RDH5Z
备注
代号( )( )辅助触点形式
表 1
7、柜后操作,板后接线,直接观察窗触头窗口等隔离开关的使用安 装全部与RDH5(HGL)柜内,柜外相对应。
七、使用与维护。
1、开关应垂直安装,并根据用电设备的容量来选择开关的额定电 流:开关安装前应检查开关铭牌是否符合使用要求,并确认开关处于断 开状态才能安装,即开关指示”0“位。
2、开关的接线端子与接线铜排应包绝缘物,以防止开关相间短
路。
3、柜外操作开关的中长轴若与柜门上手柄不同轴,切不可扳动加
长轴,以免损坏开关内部零件,而应调整开关的位置,使其同轴。
4、柜外操作开关的操作手柄及其结构具有联锁保护功能;即开关
闭合时,柜门打不开;柜门打开时,开关无法闭合,若不需要联锁 , 则将加长轴上圆柱锁或连接套上的凸筋磨平即可。
5、顺时钟旋转操作手柄,可使开关闭合,逆时钟旋转操作手柄,可
0“时,使开关断开。
每次操作前,应注意开关的指示状态;在分断位”
开关只能顺时钟方向操作使其闭合;在闭合位置”I"时,开关只能逆时钟方向操作使其断开。
6、为了防止无关人员的误操作,不管开关处于什么位置,都可用
挂锁锁住,手柄便无法再转动。
7、开关的触头应经常检查,并及时清理灰尘和油污等杂物;操作机
构的磨擦处应定期加油使其动作灵活以延长使用寿命; 若开关有严重损坏,则必须立即停止使用。
-28-
-9-
八、 保修说明及售后服务
在用户遵守保管和使用条件下,本公司生产的产品,自生产日期 (以 产品合格证或产品上标明的日期为准)起十八个月内或者从购买之日起(以发票开据日期为准)十二个月内,产品因制造质量问题而发生损坏或不能正常工作时,本公司负责无偿修理或更换。
但是,在下述情况下引起的故障,即使在保修期内亦作有偿修理或有偿更换:a )产品的使用情况不符合标准规范要求;b )自行改装及不适当的维修等原因;
c )地震、火灾、雷击、异常电压,其他不可抗拒的自然灾害等原因。
九、 订货须知
订货单位须注明开关的型号规格、电流等级、极数、操作方式及数量等,特殊订货请联系我公司有关技术部门。
例如:R DH5-160/3 160A 20台; RDH5Z1-160/4J 160A 30台
序号1111
23
操作手柄
把
本台产品本机产品使用说明书单位数量名称
包装物料清单
2017年11月第一版尊敬的顾客:
为了保护我们的环境,当本产品的寿命终了时,请您做好产品或其零部件材料的回收工作,对于不能回收的材料也请做好处理,非常感谢您的合作与支持。
人民电器集团有限公司。