蜗轮蜗杆式减速器课程设计
- 格式:doc
- 大小:811.00 KB
- 文档页数:24
涡轮蜗杆减速器课程设计一、课程目标知识目标:1. 学生能理解涡轮蜗杆减速器的工作原理,掌握其结构组成和功能特点。
2. 学生能够运用物理知识,分析涡轮蜗杆减速器在工程中的应用和效果。
3. 学生了解减速器在机械传动系统中的作用,掌握相关计算公式和参数。
技能目标:1. 学生能够运用CAD软件绘制涡轮蜗杆减速器的三维模型,并进行简单的仿真分析。
2. 学生通过小组合作,设计并制作一个简易的涡轮蜗杆减速器模型,提高动手实践能力。
3. 学生能够运用所学知识,解决实际工程问题,提高创新能力和问题解决能力。
情感态度价值观目标:1. 学生通过课程学习,培养对机械工程领域的兴趣,增强对工程技术的认识。
2. 学生在小组合作中,培养团队协作精神,提高沟通与交流能力。
3. 学生能够关注减速器在现实生活中的应用,认识到科技发展对生活的影响,树立正确的价值观。
课程性质:本课程为高二年级的机械基础课程,旨在让学生了解减速器在实际工程中的应用,提高学生的实践能力和创新能力。
学生特点:高二学生对机械原理有一定的基础,具有较强的学习能力和动手实践欲望,但需加强团队合作和问题解决能力的培养。
教学要求:结合课本知识,注重理论与实践相结合,强调学生的主体地位,引导学生主动探究,提高学生的综合素养。
在教学过程中,关注学生的学习进度,及时调整教学策略,确保课程目标的实现。
二、教学内容本课程教学内容主要包括以下几部分:1. 涡轮蜗杆减速器原理及结构- 介绍涡轮蜗杆减速器的工作原理- 分析涡轮蜗杆减速器的结构组成及各部分功能- 解释减速器在机械传动系统中的作用2. 涡轮蜗杆减速器的设计与计算- 掌握减速器的设计方法和步骤- 学习减速器主要参数的计算公式- 了解减速器选型原则及注意事项3. 涡轮蜗杆减速器的CAD建模与仿真- 学习使用CAD软件绘制涡轮蜗杆减速器三维模型- 掌握简单的仿真分析方法- 分析模型在不同工况下的性能4. 简易涡轮蜗杆减速器模型制作- 学习制作简易涡轮蜗杆减速器模型的步骤和技巧- 了解模型制作中的材料选择和加工方法- 通过小组合作,完成涡轮蜗杆减速器模型的制作5. 涡轮蜗杆减速器在实际工程中的应用- 分析涡轮蜗杆减速器在各类机械设备中的应用案例- 探讨减速器在工程中的优缺点及改进方向- 了解减速器行业的发展趋势和前景教学内容与课本关联性:以上教学内容均与教材中关于减速器的章节相关,旨在帮助学生巩固理论知识,提高实践能力。
目录一.传动装置的总体设计 (1)1.传动方案的确定 (1)2.电动机的选择 (1)3.传动比的计算 (2)二.传动件的设计计算 (2)1.蜗杆副设计计算 (2)2.蜗杆副上作用力的计算 (5)三.减速器装配草图的设计 (6)四.轴的设计计算 (6)1.蜗杆轴的设计与计算 (6)2.低速轴的设计与计算 (7)3.减速器箱体的结构尺寸 (12)五.润滑油的选择与计算 (13)六.热平衡的计算 (14)七.减速器附件设计 (14)1.窥视孔及窥视孔盖 (14)2.油面指示装置 (14)3.通气器 (14)4.放油孔及螺塞 (14)5.起吊装置 (15)6.启盖螺钉 (15)7.定位销 (15)八.绘制装配图和零件图 (15)九.参考资料 (15)一.传动装置的总体设计1.传动方案的确定考虑到工作拉力和传动速度都较小,所设计蜗杆速度估计小于10m/s ,因此采用蜗杆下置式,单级蜗杆减速器传动装置方案如图(1)所示。
图(一)2.电动机的选择(1)选择电动机的类型根据用途选用Y 系列三相笼型异步电动机 (2)选择电动机功率 输送链所需功率 P W =W W F v 1000=18200.821000⨯kW=1.49kW 查【1】表9.1得,轴承效率η轴承=0.98,蜗轮蜗杆传动效率η蜗=0.8,联轴器效率η联=0.99,卷筒效率η卷=0.96,得电动机所需工作功率为WW02222P P 1.492.06kW 0.990.80.980.96P ηηηηη∏====⨯⨯⨯联蜗轴承卷根据【1】表15.1,选取电动机的额定功率P ed =2.2kW (3)电动机转速的确定 由带轮线速度601000w n Dv π=⨯,得卷筒的转速为6010000.8260100062.68/min 601000w w v n r D π⨯⨯⨯⨯===⨯由【1】表9.2可知单级蜗轮蜗杆传动比范围10~40i =蜗,所用电机转速范围62.68(10~40)/min 626.8~2507.2/min o w n n i r r ==⨯=蜗符合这一要求的电动机同步转速有750r/min 、1000r/min 和1500r/min 等。
机械设计课程设计蜗轮蜗杆减速器的设计一、选择电机1)选择电动机类型按工作要求和工作条件选用Y系列三相异步电动机。
2)选择电动机的容量工作机的有效功率为从电动机到工作机输送带间的总效率为=式中各按【1】第87页表9.1取η-联轴器传动效率:0.991η-每对轴承传动效率:0.982η-涡轮蜗杆的传动效率:0.803η-卷筒的传动效率:0.964所以电动机所需工作功率3)确定电机转速工作机卷筒的转速为所以电动机转速的可选范围是:符合这一范围的转速有:750、1000、1500三种。
综合考虑电动机和传动装置尺寸、质量、价格等因素,为使传动机构结构紧凑,决定选用同步转速为1000。
根据电动机的类型、容量、转速,电机产品目录选定电动机型号Y112M-6,其主要性能如下表1:/(9402 确定传动装置的总传动比和分配传动比:总传动比:3 计算传动装置各轴的运动和动力参数: 1)各轴转速:Ⅰ轴Ⅱ轴卷筒轴 2)各轴输入功率: Ⅰ轴 Ⅱ轴卷筒轴3) 各轴输入转矩:电机轴的输出转矩Ⅰ轴Ⅱ轴卷筒轴运动和动力参数结果如下表:940二、涡轮蜗杆的设计1、选择材料及热处理方式。
考虑到蜗杆传动传递的功率不大,速度也不高,蜗杆选用45号刚制造,调至处理,表面硬度220250HBW;涡轮轮缘选用铸锡磷青铜,金属模铸造。
2、选择蜗杆头数和涡轮齿数i=15.16 =2 =i=215.16303、按齿面接触疲劳强度确定模数m和蜗杆分度圆直径1)确定涡轮上的转矩,取,则2)确定载荷系数K=根据工作条件确定系数=1.15 =1.0 =1.1K==1.15 1.0 1.1=1.2653)确定许用接触应力由表查取基本许用接触应力=200MPa应力循环次数 N=故寿命系数4)确定材料弹性系数5)确定模数m和蜗杆分度圆直径查表取m=6.3mm,=80mm4、计算传动中心距a。
涡轮分度圆直径a=满足要求5、验算涡轮圆周速度、相对滑动速度及传动效率<3符合要求tan=0.16,得=8.95°由查表得当量摩擦角=1°47,所以=0.790.80与初值相符。
涡轮蜗杆减速器课程设计一、课程目标知识目标:1. 让学生掌握涡轮蜗杆减速器的基本结构、工作原理及功能,能够准确描述其各部分的作用及相互关系。
2. 使学生了解并掌握涡轮蜗杆减速器的选型、安装、调试及维护方法,具备一定的实际操作能力。
3. 帮助学生理解涡轮蜗杆减速器在工程应用中的重要性,能够分析其在实际设备中的应用效果。
技能目标:1. 培养学生运用所学知识对涡轮蜗杆减速器进行选型、计算和设计的能力,提高解决问题的实践能力。
2. 培养学生通过查阅资料、交流讨论等方式获取信息,提高自主学习的能力。
3. 培养学生具备一定的团队协作能力,能在小组内共同完成减速器的安装、调试等任务。
情感态度价值观目标:1. 培养学生对机械设计及其自动化专业的兴趣,激发学生主动学习的热情。
2. 培养学生严谨的科学态度和良好的工程意识,树立正确的价值观。
3. 增强学生的环保意识,使其认识到节能减排在机械设计中的重要性。
本课程针对高年级学生,结合学科特点,注重理论与实践相结合,以提高学生的实际操作能力和解决问题的能力为主。
在教学过程中,要求教师关注学生的个体差异,充分调动学生的积极性,引导学生主动探究,培养其创新精神和团队合作精神。
通过本课程的学习,使学生能够将所学知识应用于实际工程中,为未来的职业发展打下坚实基础。
二、教学内容1. 涡轮蜗杆减速器的基本概念与结构- 介绍涡轮蜗杆减速器的基本原理及组成部分- 分析涡轮、蜗杆、轴承、箱体等关键部件的作用及结构特点2. 涡轮蜗杆减速器的工作原理与性能参数- 阐述涡轮蜗杆减速器的工作原理- 介绍减速器的性能参数,如传动比、效率、扭矩等3. 涡轮蜗杆减速器的选型与计算- 讲解减速器选型的原则和方法- 掌握减速器主要参数的计算方法,如蜗杆直径、传动比等4. 涡轮蜗杆减速器的设计与制作- 分析减速器设计的要求和步骤- 引导学生进行减速器结构设计,并了解其加工工艺5. 涡轮蜗杆减速器的安装、调试与维护- 介绍减速器的安装方法及注意事项- 讲解减速器调试的方法和步骤- 掌握减速器日常维护保养的基本知识6. 涡轮蜗杆减速器在工程中的应用案例- 分析涡轮蜗杆减速器在各类设备中的应用实例- 引导学生了解减速器在工程中的重要作用本教学内容按照课程目标,结合教材章节进行安排,确保内容的科学性和系统性。
蜗杆蜗轮减速箱课程设计一、课程目标知识目标:1. 学生能理解蜗杆蜗轮减速箱的基本结构及其工作原理;2. 学生能掌握蜗杆蜗轮减速箱的传动比计算方法;3. 学生能了解蜗杆蜗轮减速箱在工程实际中的应用。
技能目标:1. 学生能运用CAD软件进行蜗杆蜗轮减速箱的简单设计;2. 学生能通过实际操作,完成蜗杆蜗轮减速箱的组装与调试;3. 学生能运用数学知识解决蜗杆蜗轮减速箱的传动问题。
情感态度价值观目标:1. 学生通过课程学习,培养对机械设计及其应用的兴趣,提高创新意识和实践能力;2. 学生在小组合作中,培养团队协作精神,增强沟通与交流能力;3. 学生通过了解蜗杆蜗轮减速箱在现实生活中的应用,认识到科技对生活的影响,提高社会责任感。
课程性质:本课程为高二年级机械设计相关课程,结合实际应用,培养学生动手能力及创新能力。
学生特点:高二学生在知识储备、动手能力方面有一定基础,对机械设计有较高的兴趣,但需进一步培养创新意识和实际操作能力。
教学要求:教师需引导学生运用所学知识解决实际问题,注重培养学生的动手操作能力和团队协作能力,提高学生的综合素养。
通过分解课程目标为具体学习成果,使学生在学习过程中有明确的目标导向,便于教学设计和评估。
二、教学内容1. 理论知识:- 介绍蜗杆蜗轮减速箱的基本结构,包括蜗杆、蜗轮、轴承、箱体等;- 讲解蜗杆蜗轮减速箱的工作原理,分析其传动特点;- 引导学生掌握传动比的计算方法,理解其与减速效果的关系;- 分析蜗杆蜗轮减速箱在实际工程中的应用案例。
2. 实践操作:- 利用CAD软件进行蜗杆蜗轮减速箱的简易设计;- 实际操作,完成蜗杆蜗轮减速箱的组装与调试;- 对减速箱进行性能测试,分析测试结果。
3. 教学大纲安排:- 第一课时:蜗杆蜗轮减速箱基本结构、工作原理及传动比计算;- 第二课时:蜗杆蜗轮减速箱应用案例分析;- 第三课时:CAD软件操作,进行蜗杆蜗轮减速箱设计;- 第四课时:实际操作,组装与调试蜗杆蜗轮减速箱;- 第五课时:性能测试,总结与分析。
课程设计--蜗轮蜗杆减速器的设计前言国内的减速器多以齿轮传动、蜗杆传动为主,但普遍存在着功率与重量比小,或者传动比大而机械效率过低的问题。
另外,材料品质和工艺水平上还有许多弱点。
由于在传动的理论上、工艺水平和材料品质方面没有突破,因此,没能从根本上解决传递功率大、传动比大、体积小、重量轻、机械效率高等这些基本要求。
国外的减速器,以德国、丹麦和日本处于领先地位,特别在材料和制造工艺方面占据优势,减速器工作可靠性好,使用寿命长。
但其传动形式仍以定轴齿轮传动为主,体积和重量问题,也未解决好。
当今的减速器是向着大功率、大传动比、小体积、高机械效率以及使用寿命长的方向发展。
本设计是蜗轮蜗杆减速器的设计。
设计主要针对执行机构的运动展开。
为了达到要求的运动精度和生产率,必须要求传动系统具有一定的传动精度并且各传动元件之间应满足一定的关系,以实现各零部件的协调动作。
该设计均采用新国标,运用模块化设计,设计内容包括传动件的设计,执行机构的设计及设备零部件等的设计。
该减速器机体全部采用焊接方式,因此本减速器不仅具有铸造机体的所有特点还具有如下优点:(1)结构简单(没有拔模角度、铸造圆角、沉头座)、不需要用木模,大大简化了设计和毛胚的制造;(2)由于钢的弹性模量E及切变模量G要比铸铁大40%~70% ,焊接机体的刚度较高;(3)焊接机体的壁厚通常取为铸造机体的0.7~0.8倍,且其他部分的尺寸也可适当减小,故通常焊接机体比铸造机体轻1/4左右。
因而,近年来,焊接机体日益得到广泛应用,尤其是在单间和小批量生产中。
摘要一击蜗杆蜗轮减速器是减速器的一种形式,这篇一击蜗杆蜗轮减速器的设计说明书主要是将以及蜗杆蜗轮减速器的全部设计过程表达了出来。
整个设计过程按照理论公式和经验公式计算,最终得到较为合理的设计结果。
在设计说明书中,首先,从总体上对动力参数进行了计算,对设计方案进行了选择;再次,对减速器的传动部分进行了设计,具体的说就是对蜗杆和涡轮轴的设计计算与校核计算;最后,对整个减速器的箱体、联接部分,键及轴承,还有润滑方式等细节进行了完善。
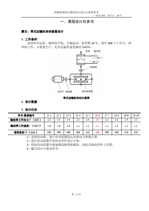
一、课程设计任务书题目:带式运输机传动装置设计1. 工作条件连续单向运转,载荷较平稳,空载起动;使用期10年,每年300个工作日,两班制工作,小批量生产,允许运输带速度偏差为±5%。
带式运输机传动示意图2. 设计数据3. 设计任务2)进行传动装置中的传动零件设计计算。
3)绘制传动装置中减速器装配图和箱体、齿轮及轴的零件工作图。
4)编写设计计算说明书。
设计小结经过三个星期的实习,过程曲折可谓一语难尽。
在此期间我也失落过,也曾一度热情高涨。
从开始时满富盛激情到最后汗水背后的复杂心情,点点滴滴无不令我回味无长。
体会到作为设计人员在设计过程中必须严肃、认真,并且要有极好的耐心来对待每一个设计的细节。
在设计过程中,我们会碰到好多问题,这些都是平时上理论课中不会碰到,或是碰到了也因为不用而不去深究的问题,但是在设计中,这些就成了必须解决的问题,如果不问老师或是和同学讨论,把它搞清楚,在设计中就会出错,甚至整个方案都必须全部重新开始。
比如轴上各段直径的确定,以及各个尺寸的确定,以前虽然做过作业,但是毕竟没有放到非常实际的应用环境中去,毕竟考虑的还不是很多,而且对所学的那些原理性的东西掌握的还不是很透彻。
但是经过老师的讲解,和自己的更加深入的思考之后,对很多的知识,知其然还知其所以然。
刚刚开始时真的使感觉是一片空白,不知从何处下手,在画图的过程中,感觉似乎是每一条线都要有一定的依据,尺寸的确定并不是随心所欲,不断地会冒出一些细节问题,都必须通过计算查表确定。
设计实际上还是比较累的,每天在电脑前画图或是计算的确需要很大的毅力。
从这里我才真的体会到了做工程的还是非常的不容易的,通过这次课程设计我或许提前体会到了自己以后的职业生活吧。
经过这次课程设计感觉到自己还学到了很多的其他的计算机方面的知识,经过训练能够非常熟练的使用Word和autoCAD。
并且由于在前期为了选定最终使用的CAD 软件,我还学习使用了InteCAD和开目CAD,掌握了大致的用法,通过比较学习我了解了CAD软件的大致框架,觉得受益匪浅。
课程设计说明书第一部分设计链式输送机传动装置一.设计任务书已知条件:1) 输送链牵引力F=5000 N;2) 输送链速度v =0.16m/s (允许误差±5%);3) 输送链轮齿数z=14;4) 输送链节距p=100 mm;5) 工作情况两班制,连续单向运转,载荷平稳,室内工作,无粉尘;6) 使用期限20 年;7) 生产批量20 台;8) 生产条件中等规模机械厂,可加工6~8 级精度齿轮和7~8 级精度涡轮;9) 动力来源电力,三相交流380/220V;10) 检修间隔期四年一次大修,两年一次中修,半年一次小修;根据上述已知条件,设计链式输送机传动装置的蜗轮蜗杆减速器。
二.设计进度表表1 设计进度表(1)链式输送机传动装置设计时间计划表2009 年内容时间6 . 2 1 6 . 2 2 ~ 6 . 2 3 6 . 2 4 ~ 7 . 1 7 .2 ~ 7 . 8 7 . 9 ~ 7 . 1 2明确设计任务书及制定进度表●传动方案的分析与拟定●方案的计算设计●方案效果图工程图绘制●编写设计说明书●三. 传动方案的分析和拟定图1 原理方案图四.设计具体过程与结果设计说明设计结果4.1电动机的选择4.1.1 选择电动机类型和结构型式根据电源、工作条件和载荷特点选择Y 系列三相异步电动机。
4.1.2 选择电动机的容量(1)估算传动装置的总功率:查表1-7,确定装置各部分的效率:皮带传动η平带=0.96(无压紧)蜗杆传动η蜗杆=0.78(双头0.75——0.82)圆柱传动η圆锥=0.98三对轴承η轴承=0.98(相等)η总=η平带×(η轴承)3×η蜗杆×η圆锥)=0.96×0.983×0.78×0.98=0.6836(2) 电动机所需功率Pd:输送机上的Pw =FV/=5000×0.16=0.800kW电动机所需功率Pd=PW/η总=0.800/0.6836=1.170kW初选电机:电动机型号额定功率(kW)满载转速(r/min) Y100L-6 1.5 kW nm= 940 r/minη总=0.6836Pw=0.800kWPd =1.170kW设计说明设计结果4.1.3 计算总传动比和分配各级传动比根据初选电机计算总传动比nw=1000×60×v/zp=5.647r/mini 总=nm/ nw=940/5.647=166.372由表1-8,单级蜗杆减速器推荐的传动比合理范围为8~40,取i 蜗杆=20。
机械设计综合课程设计报告(一级蜗轮蜗杆减速器)一、设计目的。
本次课程设计旨在通过设计一级蜗轮蜗杆减速器,加深对机械传动原理和设计方法的理解,提高学生的机械设计能力和实际操作能力。
二、设计内容。
1. 确定传动比和输入功率。
2. 选取合适的蜗轮和蜗杆材料。
3. 进行蜗轮和蜗杆的参数计算和设计。
4. 绘制蜗轮蜗杆减速器的零件图和总装图。
5. 进行传动系统的强度校核和传动效率分析。
三、自查过程。
在完成设计报告的过程中,我进行了以下自查工作:1. 对设计中涉及的各项参数进行了反复计算和校核,确保计算结果准确无误;2. 对所选取的蜗轮和蜗杆材料进行了材料强度和耐磨性分析,确保其符合设计要求;3. 通过CAD软件绘制了蜗轮蜗杆减速器的零件图和总装图,并进行了多次审查和修改,确保图纸准确清晰;4. 进行了传动系统的强度校核和传动效率分析,确保传动系统稳定可靠。
四、存在问题及改进措施。
在自查过程中,我发现了一些问题:1. 在初步设计中,对蜗杆的螺旋角和齿顶高的选择存在一定困难,需要进一步学习和改进;2. 在CAD绘图过程中,对于一些细节的处理还不够规范,需要加强对图纸标注的规范性要求。
针对上述问题,我将采取以下改进措施:1. 继续学习和深化对蜗杆设计的理解,多与老师和同学交流,争取更好的解决方案;2. 加强对CAD绘图规范的要求,多参考优秀的设计范例,提高自己的设计水平。
五、总结。
通过本次自查报告,我对自己的设计工作进行了全面的审查和总结,发现了一些问题并制定了改进措施。
相信在老师和同学的帮助下,我一定能够完善设计报告,提高自己的设计水平,达到课程设计的预期目标。
前言课程设计是考察学生全面在掌握基本理论知识的重要环节。
在2011年06月27日-2011年07月8日为期两周的机械设计课程设计。
本次是设计一个蜗轮蜗杆减速器,减速器是用于电动机和工作机之间的独立的闭式传动装置。
本减速器属单级蜗轮蜗杆减速器(电机——联轴器——减速器——联轴器——滚筒——运输带),本人是在指导老师指导下完成的。
该课程设计内容包括:任务设计书,参数选择,传动装置总体设计,电动机的选择,运动参数计算,蜗轮蜗杆传动设计,蜗杆、蜗轮的基本尺寸设计,蜗轮轴的尺寸设计,减速器箱体的结构设计,减速器其他零件的选择,减速器的热平衡,轴承寿命的计算,绘制零件图一张和绘制装配草图及装配图一张(A1)。
设计参数的确定和方案的选择通过查询有关资料所得。
该减速器的设计基本上符合生产设计要求,限于作者初学水平,错误及不妥之处望老师批评指正。
第一章. 机械设计课程设计任务书第二章. 传动方案选择及机构运动简图2.1传动方案的选择该工作机采用的是原动机为Y系列三相笼型异步电动机,三相笼型异步电动机是一般用途的全封闭自扇冷式电动机,电压380 V,其结构简单、工作可靠、价格低廉、维护方便;另外其传动功率大,传动转矩也比较大,噪声小,在室内使用比较环保。
因为三相电动机及输送带工作时都有轻微振动,所以采用弹性联轴器能缓冲各吸振作用,以减少振动带来的不必要的机械损耗。
总而言之,此工作机属于小功率、载荷变化不大的工作机,其各部分零件的标准化程度高,设计与维护及维修成本低;结构较为简单,传动的效率比较高,适应工作条件能力强,可靠性高,能满足设计任务中要求的设计条件及环境。
2.2机构运动简图图2-1 机构运动简图1—电动机 2、4—联轴器 3一级蜗轮蜗杆减速器 5—传动滚筒 6—输送带第三章. 电动机的选择和运动参数的计算3.1电动机的选择1. 选择电动机的类型按工作要求和条件选取Y 系列一般用途全封闭自扇冷鼠笼式三相异步电动机。
一、课程设计任务书
题目:带式运输机传动装置设计
1. 工作条件
连续单向运转,载荷较平稳,空载起动;使用期10年,每年300个工作日,两班制工作,小批量生产,允许运输带速度偏差为±5%。
带式运输机传动示意图
2. 设计数据
3. 设计任务
2)进行传动装置中的传动零件设计计算。
3)绘制传动装置中减速器装配图和箱体、齿轮及轴的零件工作图。
4)编写设计计算说明书。
设计小结
经过三个星期的实习,过程曲折可谓一语难尽。
在此期间我也失落过,也曾一度热情高涨。
从开始时满富盛激情到最后汗水背后的复杂心情,点点滴滴无不令我回味无长。
体会到作为设计人员在设计过程中必须严肃、认真,并且要有极好的耐心来对待每一个设计的细节。
在设计过程中,我们会碰到好多问题,这些都是平时上理论课中不会碰到,或是碰到了也因为不用而不去深究的问题,但是在设计中,这些就成了必须解决的问题,如果不问老师或是和同学讨论,把它搞清楚,在设计中就会出错,甚至整个方案都必须全部重新开始。
比如轴上各段直径的确定,以及各个尺寸的确定,以前虽然做过作业,但是毕竟没有放到非常实际的应用环境中去,毕竟考虑的还不是很多,而且对所学的那些原理性的东西掌握的还不是很透彻。
但是经过老师的讲解,和自己的更加深入的思考之后,对很多的知识,知其然还知其所以然。
刚刚开始时真的使感觉是一片空白,不知从何处下手,在画图的过程中,感觉似乎是每一条线都要有一定的依据,尺寸的确定并不是随心所欲,不断地会冒出一些细节问题,都必须通过计算查表确定。
设计实际上还是比较累的,每天在电脑前画图或是计算的确需要很大的毅力。
从这里我才真的体会到了做工程的还是非常的不容易的,通过这次课程设计我或许提前体会到了自己以后的职业生活吧。
经过这次课程设计感觉到自己还学到了很多的其他的计算机方面的知识,经过训练能够非常熟练的使用Word和autoCAD。
并且由于在前期为了选定最终使用的CAD 软件,我还学习使用了InteCAD和开目CAD,掌握了大致的用法,通过比较学习我了解了CAD软件的大致框架,觉得受益匪浅。
所以这次课程设计,我觉得自己真的收获非常的大。
打完这行字,真的心一下子放了下来,看到自己完成的成果,真的觉得虽然很累,但觉得很欣慰,这次课程设计应该是达到了预期的效果。
参考文献
[1] 濮良贵、纪名刚.机械设计(第八版).北京:高等教育出版社,2006.
[2] 龚溎义、罗圣国.机械设计课程设计指导书(第二版).北京:高等教育出版社,1990.
[3] 吴宗泽、罗圣国.机械设计课程设计手册(第二版).北京:高等教育出版社,1999.
[4] 陈铁鸣.新编机械设计课程设计图册.北京:高等教育出版社,2003.
[5] 金清肃.机械设计课程设计.武汉:华中科技大学出版社,2007.。