IT8282上电时序控制芯片原理讲解
- 格式:pdf
- 大小:427.46 KB
- 文档页数:9
UC3842芯片设计开关电源_中文资料
UC3842的工作原理是基于PWM(脉宽调制)控制技术,通过控制开关
管的导通时间比例来调节输出电压。
UC3842芯片内置了一个错误放大器、一个PWM比较器、一个复位控制电路和一个延时电路。
通过错误放大器,UC3842能够检测到输出电压的变化,并通过PWM比较器产生调制信号。
复位控制电路和延时电路则用于控制开关管的导通时间。
UC3842的应用范围非常广泛,可以用于各种开关电源的设计。
例如,它可以应用在电视机、手机充电器、电脑电源等电子设备中。
由于
UC3842具有稳定、高效和可靠的特性,因此被广泛应用于工业控制、仪
器仪表、通信设备等领域。
在设计UC3842开关电源时,有几个关键要点需要注意。
首先是选择
合适的输入和输出滤波电容,以保证电源的稳定性和可靠性。
其次是选择
合适的功率管和变压器,以满足电源的输出功率需求。
此外,还需要合理
设计反馈回路,以实现恒定的输出电压。
最后,还需要对整个电路进行合
理布局和散热设计,以确保电源的工作稳定性和效率。
总之,UC3842是一款功能强大的开关电源控制芯片,它能够提供精
确的电源管理和保护功能。
在设计UC3842开关电源时,需要注意选择合
适的元器件和合理布局,以确保电源的稳定性和效率。
希望本文能够对
UC3842的设计和应用有所帮助。
引 言 TMS320F2812(以下简称F2812)是美国德州仪器公司(TI公司)推出的C2000家族中最新一代产品。
该芯片采用32位操作,大大提高了处理能力,主频可以工作在150 MHz(时钟周期可达6.67 ns),其先进的内部和外设结构使得该处理器主要用于大存储设备管理、高性能的控制场合。
较之C2000系列的其他产品,该芯片的时序操作更加灵活、独立。
为了进一步理解F2812和缓慢外设的接口和设计技术,有必要讨论该芯片时序操作的特点。
1 F2812的读写时序特点 在F2812中,对外部器件的读、写访问都是通过外部接口模块XINTF来实现的。
它类似于C240X的外部接口,但也作了三方面的改进。
①原来的TMS320LF240X系列,程序存储空间、数据存储空间和I/o空间都映射在相同的地址(0000~FFFF),对它们的访问是通过不同的指令来区分的;而在F2812中,外部接口模块分成了5个固定的存储映像区域:XZCS0、XZCSl、XZCS2、XZCS6、XZCS7,可寻址1 MB的片外存储器空间,具有独立的地址。
②F2812的每个XINTF区都 "",{tr}有一个片选信号。
其中,有地区域的片选信号在内部是“与”在一起的,组成了一个共享的芯片选择,比如XZCSo和XZXSl共享一个片选信号XZCSO、ANDI,XZCS6和XZCS7共享一个片选信号XZCS6XZCS7.在这种方式下,同一个外部器件可被连到两个区,或者可以用外部译码逻辑来区分这两个区。
③5个固定存储映像区域的每一个区还可以分别对等待状态数、读写选通信号的建立时间、激活时间和保持时间进行编程。
可编程的等待状态、芯片选择和可编程的选通时间使得该接口与外部存储器及外设脱离了联系,可以灵活、独立地进行外部扩展。
这里,对外部器件进行读、写访问的基时钟是xINTF内部时钟xTIMCLK。
通过写XINTF-CNJF2寄存器的XTIMCLK位,可以将该时钟配置成与SYSCLK0UT相等和等于SYSCLKOUT的1/2,并且,对任何一个映射在XINTF区的外部器件进行读、写访问都可划分为建立、激活和跟踪三个阶段。
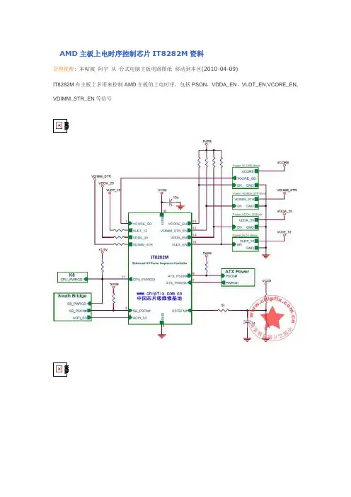
AMD主板上电时序控制芯片IT8282M资料管理提醒: 本帖被阿宇从台式电脑主板电路图纸移动到本区(2010-04-09)IT8282M在主板上多用来控制AMD主板的上电时序,包括PSON,VDDA_EN,VLDT_EN,VCORE_EN, VDIMM_STR_EN等信号Pin(s) No. SymbolAttributeDescription1 VCORE_GDDIVCORE Power GoodActive high. This signal indicates that the power-good signal is fromthe PWM controller for CPU core voltage.2 VLDT_12AI VLDT(1.2V) analog inputs.3 VDDA_25AI VLDT(2.5V) analog inputs.4 VDIMM_STRAI VDIMM DUAL STR(2.5V) analog inputs.5 SB_PSON#DISouth Bridge PSON#SB_PSON#:Active low. This signal is connected to the PSON# signal from the south-bridge or Super I/O to control the on/off of ATXpower supply6 ACPI_S3DIA GPIO pin from S/BActive high. This signal indicates that the system is in ACPI S3 state7 ATX_PWRGDDIATX Power-Good / GNDATX_PWRGD : Active high. input indicates that ATX power supplypower-good is ready8 GND PWR Ground9 ATX_PSON#DIOD8ATX Power PSON#ATX_PSON#: Acitve low. The function of this pin is ATX Power Supply On/Off10 RSTBTN#DIReset Button inputRSTBTN# :Active low. The function of this pin is panel reset button input with de-bounce circuit.11 CPU_PWRGDDOD16CPU Power-GoodActive high. Output indicates that CPU power-good is ready.The external pull high resistor is required12 VDIMM_STR_ENDOD8VDIMM STR EnableActive high. The function of this pin is to enable the PWM for VDIMM_STR dual voltage.The external pull high resistor is required13 VCORE_ENDOD8VCORE EnableActive high. The function of this pin is to enable the PWM for CPUVCORE. The external pull high resistor is required14 VDDA_ENDOD8VDDA EnableActive high. The function of this pin is to enable the PWM for VDDA power for k8 CPU. The external pull high resistor is required15 VLDT_ENDOD8VLDT EnableActive high. The function of this pin is to enable the PWM for VLDT voltage.The external pull high resistor is required16 5VSB PWR +5V Standby Power SupplyIT8282M在主板上多用来控制AMD主板的上电时序,包括PSON,VDDA_EN,VLDT_EN,VCORE_EN,VDIMM_STR_EN等信号。
单片机与SA8282控制的SPWM变频电源罗惠谦;秦凡【摘要】介绍以8051为控制器,结合专用的SPWM集成电路,设计三相SPWM变频电源.系统主电路形式采用AC-DC-AC结构,逆变部分选用IGBT单元模块加上并联缓冲电路,输入采用三相全波不可控整流电路,提高了系统的功率因数.系统控制电路由MCS-51系列的8051单片机最小系统和SA4828三相SPWM产生器及少量的扩展外围芯片构成,使得控制系统简单可靠,使用灵活,适用性强,具有良好的应用前景.【期刊名称】《现代电子技术》【年(卷),期】2010(033)002【总页数】3页(P198-200)【关键词】电源;SPWM;控制器;单片机最小系统【作者】罗惠谦;秦凡【作者单位】武汉理工大学,自动化学院,湖北,武汉,430070;武汉理工大学,自动化学院,湖北,武汉,430070【正文语种】中文【中图分类】TP3320 引言随着电力工业的发展,越来越多的用电设备对电源的性能提出了更高的要求,迫切需要输出电压稳定但频率可以连续调节的三相电源。
在此介绍一种由51系列单片机和SA8282芯片所控制的变频变压逆变电源,在控制上具有精度高、实时性强的优点,并且外围电路结构简单,软件编程容易实现。
1 SA8282芯片介绍1.1 芯片概述SA8282是英国MITEL公司生产的能产生三相脉宽调制波的专用大规模集成电路芯片。
它有六路TTL电平,经过一组隔离和放大单元,控制三相桥式逆变器中的6个功率开关。
在芯片的初始化过程中,定义PWM序列中信息控制输出调制波的波形、电源频率、幅值、转向、载波频率、最小脉宽及死区时间等参数。
通过微处理器很容易控制SA8282,全数字PWM波可使电源达到前所未有的精确度和温度稳定性。
SA8282作为一种标准的外设,可直接从内部ROM中读取波形,工作方式快捷灵活,无需任何外接电路,节约了硬件成本。
当时钟频率为12.5 MHz时,载波频率可达24 kHz,选择的载波频率越高,输出交流电的波形就越接近纯正弦[1]。
单片机控制电源芯片(原创实用版)目录1.单片机控制电源芯片的原理2.单片机控制电源芯片的方法3.单片机控制电源芯片的应用实例4.注意事项正文单片机控制电源芯片是一种通过单片机技术实现对电源芯片进行控制的方法。
电源芯片通常用于为电子设备提供稳定的电源,而单片机则可以通过编程实现对电源芯片的各种参数进行控制,从而实现对电子设备的电源进行精确控制。
下面我们将详细介绍单片机控制电源芯片的原理、方法、应用实例以及注意事项。
一、单片机控制电源芯片的原理单片机控制电源芯片的原理是通过单片机输出的 PWM(脉冲宽度调制)信号来控制电源芯片的占空比,从而实现对电源电压的控制。
通常,单片机内部集成了 PWM 发生器,可以通过编程设置 PWM 信号的频率和占空比。
当 PWM 信号输入到电源芯片时,电源芯片会根据 PWM 信号的占空比来调整其输出电压,从而实现对电源电压的控制。
二、单片机控制电源芯片的方法单片机控制电源芯片的方法主要有两种:一种是通过模拟信号控制,另一种是通过数字信号控制。
1.模拟信号控制通过模拟信号控制电源芯片,需要将单片机的某个 I/O 口设置为模拟输出模式,并将该 I/O 口与电源芯片的控制端相连。
然后,通过编程设置单片机 I/O 口的输出电压,从而实现对电源芯片的控制。
这种方法的优点是信号传输距离较远,但缺点是容易受到干扰。
2.数字信号控制通过数字信号控制电源芯片,需要将单片机的某个 I/O 口设置为数字输出模式,并将该 I/O 口与电源芯片的控制端相连。
然后,通过编程设置单片机 I/O 口的输出占空比,从而实现对电源芯片的控制。
这种方法的优点是抗干扰能力强,但缺点是信号传输距离较近。
三、单片机控制电源芯片的应用实例单片机控制电源芯片的应用实例非常广泛,下面将以一个简单的例子来说明其应用。
假设我们有一个 5V 电源芯片,希望通过单片机实现对其输出电压的控制。
我们可以选择一个 MSP430 单片机,并将其与电源芯片相连。
uc3842原理一、概述UC3842是一款广泛应用于开关电源控制芯片。
它采用固定频率、可调宽度PWM控制方式,具有高精度、高可靠性和高性价比的特点。
本文将详细探讨UC3842原理,包括其基本原理、功能特点、工作原理等方面的内容。
二、功能特点UC3842具有以下功能特点: 1. 内置电压稳定器:UC3842内置了5V的电压稳定器,可为外部电路提供稳定的参考电压。
2. 调整范围广:UC3842的输出频率范围为50kHz到400kHz,宽度调整范围为0%到100%。
3. 自启动功能:UC3842具有自启动功能,可实现启动后自动工作。
4. 锁相功能:UC3842具有锁相功能,可实现多个开关电源的同步工作,减小系统的电磁干扰。
5. 过载保护:UC3842具有过载保护功能,当输出电流超过设定值时,会自动降低占空比保护电路。
三、基本原理UC3842的基本原理是通过控制开关管的导通和截止,调整输出电压的平均值。
其基本工作原理如下: 1. 参考电压源:UC3842芯片内置5V的参考电压源,用于提供给内部电路使用。
2. 参考电压比较器:通过与参考电压源进行比较,将得到的比较结果作为PWM控制信号。
3. 误差放大器:误差放大器用于放大输出电压与参考电压之间的误差信号,得到PWM控制信号。
4. PWM控制信号:得到的PWM控制信号经过逻辑门控制,输出给开关管的驱动电路。
5. 开关管驱动电路:开关管驱动电路负责控制开关管的开关动作,调整输出电压。
四、工作原理UC3842的工作原理如下: 1. 启动阶段:当电源刚上电时,系统处于启动阶段。
UC3842内部电路会自动启动,输出PWM控制信号。
2. 比较阶段:UC3842通过参考电压与反馈电压之间的比较,得到误差信号。
通过误差放大器进行放大,得到PWM控制信号。
3. 控制阶段:PWM控制信号经过逻辑门控制,输出给开关管的驱动电路。
根据PWM控制信号的宽度调整,控制开关管的导通和截止时间。
电脑主板工作信号名词解释之RSMRST# (1)电脑主板工作信号名词解释之PWRBTN#及IO_PWRBTN# (2)电脑主板工作信号名词解释之SLP_S3# SLP_S5#及SUSB# SUSC# (3)电脑主板工作信号名词解释之PSON# (4)电脑主板工作信号名词解释之VCORE_EN VTT_PWRGD (4)电脑主板工作信号名词解释之PWROK SB_PWROK NB_PWROK (5)电脑主板工作信号名词解释之RSMRST#RSMRST# IO芯片的准备好信号,就是IO的供电3VSB,BATT正常后IO就会送出该信号RSMRST#正常后IO芯片才会正常工作,所以在修不触发的板子时,这是一个关键测试点该信号在电脑接通电源后就应该一直保持在3V左右的高电平该信号一般是3VSB经过一个K级以上电阻提供上拉,常见的4.7K,8.2K等如果该信号没有或偏低,需检查其上拉电阻,有时主板该信号会连着网卡芯片,所以此信号不正常时需拆掉网卡芯片看是否是网卡芯片把它拉低了,然后就是更换IO芯片,然后就是南桥了,有部分主板(SIS芯片组的最常见)RSMRST#信号同时也会送给北桥,如华硕的P5SD2-A P5SD2-VM等电脑主板工作信号名词解释之RTCRST# BATOK# SYSRST#RTCRST# BATOK# SYSRST# 这几个信号其实就是同一个信号,只是在不同的芯片组中表示的不一样RTCRST#一般在INTEL芯片组及NVIDIA芯片组的电路图中标识(有些地方标识的RTC_RST#)BATOK#一般在SIS芯片组的电路图中标识SYSRST#一般在AMD芯片组的电路图中标识这些信号一般可以理解为CMOS跳线电压准备好,如BATOK#就很好理解,BAT代表CMOS电池电压,OK那就是准备好了的意思,连起来就是CMOS电池电压准备好这些信号大部分是从CMOS跳线的中间一针直接连着南桥给南桥提供最基本的供电,使南桥的32.768晶振起振,不过也有少数主板会经过一些电阻再接到南桥我们都知道32.768晶振不起振电脑就不能开机(部分主板可以开机),所以这个RTCRST# BATOK# S YSRST# 不正常时就会影响到开机,造成不能触发另外像图中那个双二极管会经常损坏,造成CMOS不能保存的问题RTCRST#简易图示电脑主板工作信号名词解释之PWRBTN#及IO_PWRBTN#PWRBTN 主板上电时的一个信号,即电脑开关就是这个信号,在电脑接通电源的时候,3VSB或5VSB通过一个4.7K或8.2K等的电阻给该信号提供上拉,所以在接通电源时该信号的电压是3. 3V或5V的高电平,而按下开关的时候该信号变为0V低电平(开关的另一端是接地的,按下开关时就是把PWRBTN信号接到地上了),然后松开开关PWRBTN又回到3.3V或5V的高电平。
电脑主板工作信号名词解释集合电脑主板工作信号名词解释之RSMRST# (2)电脑主板工作信号名词解释之PWRBTN#及IO_PWRBTN# (3)电脑主板工作信号名词解释之SLP_S3# SLP_S5#及SUSB# SUSC# (4)电脑主板工作信号名词解释之PSON# (5)电脑主板工作信号名词解释之VCORE_EN VTT_PWRGD (5)电脑主板工作信号名词解释之PWROK SB_PWROK NB_PWROK (7)电脑主板工作信号名词解释之RSMRST#RSMRST# IO芯片的准备好信号,就是IO的供电3VSB,BATT正常后IO就会送出该信号RSMRST#正常后IO芯片才会正常工作,所以在修不触发的板子时,这是一个关键测试点该信号在电脑接通电源后就应该一直保持在3V左右的高电平该信号一般是3VSB经过一个K级以上电阻提供上拉,常见的4.7K,8.2K等如果该信号没有或偏低,需检查其上拉电阻,有时主板该信号会连着网卡芯片,所以此信号不正常时需拆掉网卡芯片看是否是网卡芯片把它拉低了,然后就是更换IO芯片,然后就是南桥了,有部分主板(SIS芯片组的最常见)RSMRST#信号同时也会送给北桥,如华硕的P5SD2-A P5SD2-VM等电脑主板工作信号名词解释之RTCRST# BATOK# SYSRST#RTCRST# BATOK# SYSRST# 这几个信号其实就是同一个信号,只是在不同的芯片组中表示的不一样RTCRST#一般在INTEL芯片组及NVIDIA芯片组的电路图中标识(有些地方标识的RTC_RST#)BATOK#一般在SIS芯片组的电路图中标识SYSRST#一般在AMD芯片组的电路图中标识这些信号一般可以理解为CMOS跳线电压准备好,如BATOK#就很好理解,BAT代表CMOS电池电压,OK那就是准备好了的意思,连起来就是CMOS电池电压准备好这些信号大部分是从CMOS跳线的中间一针直接连着南桥给南桥提供最基本的供电,使南桥的32.768晶振起振,不过也有少数主板会经过一些电阻再接到南桥我们都知道32.768晶振不起振电脑就不能开机(部分主板可以开机),所以这个RTCRST# BATOK# S YSRST# 不正常时就会影响到开机,造成不能触发另外像图中那个双二极管会经常损坏,造成CMOS不能保存的问题RTCRST#简易图示电脑主板工作信号名词解释之PWRBTN#及IO_PWRBTN#PWRBTN 主板上电时的一个信号,即电脑开关就是这个信号,在电脑接通电源的时候,3VSB或5VSB通过一个4.7K或8.2K等的电阻给该信号提供上拉,所以在接通电源时该信号的电压是3. 3V或5V的高电平,而按下开关的时候该信号变为0V低电平(开关的另一端是接地的,按下开关时就是把PWRBTN信号接到地上了),然后松开开关PWRBTN又回到3.3V或5V的高电平。
本图是以8086为CPU的一个微处理器系统的简要框图请先看左上角芯片,8284A,这是个时钟芯片,它3大功能:1 产生主频时钟,2 上电时产生reset复位信号,3还可以根据需要产生ready信号,用于cpu 访问存储器时,插入等待周期我说过要让一个CPU正常运转起来,有哪3大先决条件?1 加电源2 加时钟3 上电复位。
这个8284解决了俩这个元件叫晶振,它是一个震荡元件它有固定的频率,这个频率决定了8284输出给CPU,clk引脚的主频频率输出一个一定宽度的正脉冲,给8086复位这个东东,所谓的数据收发器,其实就是一个透明的总线驱动这个东东,所谓的数据收发器,其实就是一个透明的总线驱动也就是说他只对左到右或右到左(即双向的)信号进行驱动,对其信号逻辑不做任何改变透明,指的是他对流过的信号逻辑上无任何改变8286上面的引脚T,决定了信号是从左至右还是右至左,他需要接到8086的DT/R 上面去(赶快看看DT/R是啥),OE引脚则决定是否开启输出的门,他要接到8086的DEN这个是地址锁存器,很重要的一个片子我说过8086地址数据线,AD0-AD15是复用的,so,在一次读或写存储器的周期里(叫一个总线周期),AD0-AD15上面输出的地址信号没办法保持稳定,DT/R是控制数据传送方向的吧寄存器顾名思义,就是保存数据的地方。
不同的环境下有不同的解释锁存器是用于存储数据来进行交换,使数据稳定下来保持一段时间不变化,直到新的数据将其替换。
DT/R是数据接收/发送信号8282上面的STB,用于控制啥时锁存AD0-AD15上的地址信号,正好和8086的ALE逻辑相符,所以直接相连8282的输入是AD0-AD15及高4位地址复用信号,输出就是纯地址信号了A0-A19ALE是地址锁存允许信号~8282的OE接地,意味着,他的输出门总是开启的,没有问题输入是复用的信号,输出是纯地址的地址复用信号是这些引脚上可能传送地址信号以及其他的信号,公用同一引脚因为是20位地址,而8282是8输入输出的芯片所以要用2-3片通过那个得到AB,DB,CB的信号,我们就得到了地址信号、数据信号、控制信号3总线的信号了图的下面3组芯片,最左的是一组可读写存储器RAM,组成了2K*8(即2k字节)的RAM存储器CB信号直接来自于引脚,不需要做什么变换中间的那个芯片,叫EPROM ,只能存储器(只能读不能写,掉电不丢失信息),用了2片2716,提供2*2K*8的容量只读存储器RAM,EPROMCPU通过三总线和存储器的连接这个是其他外设接口,这里只是个示意,具体是啥未明确,接法都差不多的。
主板型号:精英K8M800-M3故障现象:时亮时不亮故障分析:接到一片板。
K8M800-M3,精英的,心想这个主板好修啊。
都修了无数片了---不上电,自动上电,没供电,罪魁祸首都是 IT8282M 这个时序控制器!首先上假负载,通电发现诊断卡的复位灯很正常的由亮到灭。
心里一下就失落了啊,看来不是秒杀故障了。
上CPU后,故障出现了,有时跑码,有时复位灯亮没复位信号。
趁着没有复位时,赶紧测量一下各个信号,如图所示,测量CPU供电有1.1V,正常(K8CPU没有检测到内存前,电压都会偏低)没有复位,要么是南桥没有得到PWROK信号,要么是南桥发出PCIRST#的线路有问题。
反复几次确认故障,上假负载一直都会有复位,而上CPU 80%都不会有复位,这就奇怪了。
分析一下,这个精英K8M800-M3的时序是由IT8282M控制的:¾当芯片的5脚得到南桥过来的SB_PSON#,9脚拉低电源绿线PSON#;¾电源开始供电并稳定后,灰线发出ATXPWROK给IT828M的7脚;¾8282M的7脚得到5V高电平后,8282M从12脚发出VDIMM_STR_EN内存电压开启信号;¾当内存电压从4脚反馈回来正常后,14脚发出VDDA_EN信号开启VDDA2.5;¾当VDDA2.5正常反馈到3脚后,它又从13脚发出CPU电压的开启信号VCORE_EN;¾芯片1脚同样需要得到CPU电压正常的信号后,它才从15脚发出VLDT_EN控制总线供电开启;¾当总线供电开启并反馈到2脚后,它从11脚发出CPUPWRGD出来,一路进南桥,另一路进南桥,使南桥复位!接下来就是南桥发出复位了。
IT8282M的工作完成了。
下图是8282M的脚位图和工作原理图。
这是8282M的工作时序图从IT8282M的工作原理来看,只需要检测CPUPWRGD是否正常,就可以判断它是不是完成工作了!装上CPU,测量8282M的11脚,发现为低电平。
2.3.1几种常用的芯片
1.带有三态输出的锁存器
在形成8088(86)系统总线时,常用到具有三态输出的信号锁存器8282和8283。
除前者是正相输出而后者是反相输出外,8282和8283的其他性能完全一样。
其引线如图2.11所示。
2.单向三态门驱动器
将数个三态门集成在一块芯片中构成单向三态门驱动器,其种类非常多。
其中74系列的244就是经常使用的一种三态门驱动器。
其引线如图2.12所示。
从图2.12可以看到,两个控制端分别控制4个三态门。
当其控制端加上低电平时,相应的4个三态门导通;加高电平时,三态门呈高阻状态。
3.双向三态门驱动器
对于数据总线,可采用双向驱动器。
在构成系统总线时,常用8286和8287。
两者除8286是正相的,8287是反相的外,其他的完全相同。
8286的框图如图2.13所示。
DSP2812程序运⾏过程学习总结DSP2812程序运⾏过程学习总结⼀、2812的上电运⾏过程以下是2812上电(复位)后运⾏过程的描述:1:上电运⾏时根据MP/MC引脚的状态决定是从⽚外的3fffc0处读取复位向量或者时从⽚内的rom的3fffc0处读取复位向量。
MC ⽅式下从⽚内读取,MP⽅式下从⽚外读取。
2:⼀般我们⽤的是MC⽅式,即从⽚内读取复位向量,在⽚内的rom 3fffc0处有⼀个地址为3ffc00。
3:复位后处理器从3fffc0处读取3ffc00这个地址,所以程序从3ffc00处开始执⾏4:3ffc00处开始的就是initboot过程,根据IO管教的状态判断该进⼊那⼀种引导⽅式5:在SCITXA引脚为⾼电平时就是flash boot⽅式,此时置PC=3F7FF6SCITXA引脚有内部上拉,所以只要没有强制下拉的话,DSP检测的都是⾼电平。
对于通讯不影响。
SCITXA不⽤在外部上拉。
不能直接接到⾼电平上。
6:在⽚内flash的3F7FF6和3F7FF7处有⼀个跳转指令,该跳转指令就是LB _c_int007:执⾏这个跳转指令后程序就开始运⾏c_int00这个函数了8:这个函数就是建⽴⼀个c程序的运⾏环境,等建⽴完c运⾏环境后c_int00调⽤main函数9:main函数开始就是我们⾃⼰编写的应⽤程序了。
⼆、CMD⽂件介绍DSP开发过程中,编译器⽣成的代码和数据要由链接器分配到合适的存储空间,通常链接器的命令⽂件.cmd⽂件是由⽤户⾃⼰编写的,编写不当,就会使仿真开发不能进⾏。
1存储空间的配置TMS320F2812的DSP存储器分为三个独⽴选择的空间-程序空间、数据空间和I/O空间,其中程序存储器存放待执⾏的指令和执⾏中所⽤的系数(常数),可使⽤⽚内或⽚外的RAM、ROM或EPROM等来构成;数据存储器存放指令执⾏中产⽣的数据,可使⽤⽚内或⽚外的RAM和ROM来构成;I/O存储器存放与映象外围接⼝相关的数据,也可以作为附加的数据存储空间使⽤。
SA8282三相PWM发生器的原理与应用
摘要8282是英国公司推出的三相发生器集成芯片。
微处理器接口以实现智能化控制。
文中介绍了该芯片的内部结构、引脚功能、主要特点和工作原理,给出了典型的应用电路。
关键词发生器;8282;微处理器
1SA8282的功能特点
PWM控制技术是通过控制电路按一定规律来控制开关管的通断,以得到一组等幅而不等宽的矩形脉冲波形并使其逼近正弦电压波形。
其方法有模拟方法和数字方法两种,其中模拟方法的电路比较复杂,且有温漂现象,会影响精度,降低系统的性能。
数字方法则是按照不同的数字模型用计算机算出各切换点并将其存入内存,然后通过查表及必要的计算生成PWM波,因此数字方法受内存影响较大,且与系统精度之间存在着矛盾。
SA8282是英国MITEL公司生产的全数字化三相PWM发生器,它频率范围宽、精度高,并可与微处理器进行接口,同时能够完成外围控制功能,因而可实现智能化。
SA8282采用28脚DIP封装。
图1是其引脚排列图,其各引脚的功能说明如下
AD0~AD7八位地址与数据复用总线,用于从微处理器接受地址与数据信息。
OLA控制模式;SA8282在工作时可自动适应Intel或MOTOROLA控制模式,当ALEAS管脚变为高电平时,SA8282内部检测电路将自动锁存RDDS线上的状态,如果检测结果为低电平,则采用MOTOROLA控制模式;如果检测结果为高电平,则采用Intel控制模式。
RST复位端,低电平有效;
围接口芯片共享同一。
Internal Combustion Engine &Parts0引言西门子CNC 控制器和CNC 系统-SINUMERIK 自动化系统采用模块化设计,具有可扩缩性,融合了用于机床的多种产品。
无论是否部署用于标准化车床和铣床。
西门子数控系统目前多使用在数控机床上,性能安全可靠,西门子数控系统是最佳的数控自动化系统,西门对系统、驱动器上电有着它严格要求。
西门子828D 上电第一步是给电源模块加EP 使能,既电源模块上的X21.3给入24V ,同时X21.4要接0V 。
间隔100ms 后可以加OFF1使能,既PPU 的X122.1给入24V ,同时X122.7要接入0V 。
OFF1使能加上后,可以加OFF3使能,既PPU 的X122.2给入24V ;加OFF3的同时可以给各轴加脉冲使能和控制使能,既PPU 接口地址DB380x.DBX4001.7和DB380x.DBX2.1,按下急停开关(或下电)时,首先断掉的是OFF3,待所以轴出现静止信号(PLC:DB390x.DBX1.4)时,可以同时断开OFF1,脉冲使能和控制使能,OFF1断开后延时100ms 断开EP 使能。
1上电时序电路连接电源模块“使能”控制端X121模块准备好信号和模块的过热信号。
脉冲使能输入,该信号同时对所有连接的模块有效,该信号取消后,所有的轴的电源取消,轴以自由运动的形式停车。
控制使能输入,该信号同时对所有连接的模块有效,该信号取消时,所有的轴的速度给定电压为零,轴以最大的加速度停车。
延迟一定的时间后,取消脉冲使能。
上电的第一步是给电源模块加EP 使能,即电源模块上的X21.3给入24V ,同时X24.4要接0V 。
间隔100ms 后,可以加OFF1使能,即PPU 的X122.1给入24V ,同时X122.7要接0V 。
OFF1使能加上后,可以加OFF3使能,既PPU 的X122.2给入24V ;加OFF3的同时可以给各轴加脉———————————————————————作者简介:范忠(1971-),男,湖南娄底人,副教授,从事自动化专业工作。
UC3842原理及应用一、UC3842的原理UC3842是一种常见的PWM控制器芯片,用于开关电源和DC-DC转换器的控制。
其工作原理如下:1. 输入电压稳压器:UC3842通过内部的稳压器电路将输入电压稳定在一定范围内,以保证其正常工作。
2. 错误放大器:UC3842内部集成了一个错误放大器,用于比较反馈电压和参考电压,产生误差信号。
3. 比较器:UC3842中的比较器用于将误差信号与一个三角波进行比较,生成PWM信号。
4. PWM控制逻辑:UC3842根据比较器的输出控制开关管的导通和关断,实现对输出电压的调节。
5. 反馈回路:UC3842通过反馈回路将输出电压与参考电压进行比较,以实现输出电压的稳定控制。
二、UC3842的应用UC3842广泛应用于开关电源和DC-DC转换器中,用于实现高效率、稳定的电源转换。
以下是UC3842的几个常见应用场景:1. 电源适配器:UC3842可以用于设计各种类型的电源适配器,如笔记本电脑适配器、手机充电器等。
通过控制开关管的导通和关断,可以实现输入电压到所需的输出电压的转换。
2. LED驱动器:UC3842可以用于设计LED驱动器,实现对LED的亮度调节。
通过PWM控制开关管的导通时间,可以实现对LED的亮度的精确控制。
3. 电动汽车充电器:UC3842可以用于设计电动汽车充电器,实现对电动汽车电池的充电。
通过PWM控制开关管的导通和关断,可以实现对电动汽车电池充电电流和电压的控制。
4. 太阳能逆变器:UC3842可以用于设计太阳能逆变器,将太阳能电池板产生的直流电转换为交流电。
通过PWM控制开关管的导通和关断,可以实现对输出交流电的频率和电压的控制。
5. 电机驱动器:UC3842可以用于设计电机驱动器,实现对电机的速度和转向的控制。
通过PWM控制开关管的导通和关断,可以实现对电机的精确控制。
总结:UC3842是一种常见的PWM控制器芯片,广泛应用于开关电源和DC-DC转换器中。
828D 配ALM电源模块的上电时序和下电时序一、上电时序828D配ALM电源模块时,可以按照如下时序图进行上电。
ALM的EP使能加上后,NCU的X132.8会有Infeed ready信号输出;此时可以在NCU的X122.1上输入24V加上ON/OFF1;然后NCU的X132.7会有Infeed operation信号输出;此时可以在NCU的X122.2上输入24V加上OFF3;OFF3加上后会在PLC地址DB2700.DBX2.6中产生Drive ready信号;最后可以加上每个轴的脉冲使能和控制使能。
上面提到的 Infeed Ready 和 Infeed Operation 信号是在驱动作拓扑识别时自动布线的,不需要手工配置,参见下面Starter中的截图。
可以借助MCP上提供的I/O点和NCU上的快速输入,在系统背面完成接线,从而避免了将信号接入PP72/48,简化了接线,同时避免了因I/O电缆过长引起的干扰。
MCP310/483上提供了五个用户自定义的I/O接口X51~X55,可以用X53上的输出点来给NCU的X122.1和X122.2接入24V,加上ON/OFF1和OFF3。
X53接口的接线原理图如下所示。
X142.1和X142.2为NCU的快速输入9和10,可以用来接收Infeed ready和Infeed operation信号。
PLC地址如上图所示。
一般来说,ALM模块和PP72/48都安装在电柜中。
ALM的EP使能可以接到PP72/48的输出点上。
加上EP使能后,等待NCU的X132.8输出Infeed ready信号。
Infeed ready信号送入X142.2,X142.2是NCU的快速输入10,可以从PLC的地址DB2900.DBX1000.1中读出状态。
DB2900.DBX1000.1=1后,让Q119.0=1,24V 送入NCU的X122.1,加上ON/OFF1。
ON/OFF1加上后,等待NCU的X132.7输出Infeed operation信号。