电阻器的分类与识别
- 格式:ppt
- 大小:1.65 MB
- 文档页数:25
论述电阻器件的分类和色环电阻的读取方法电阻器件的分类:1. 按照使用分类:电阻器(包含排阻),电位器至于电阻式的传感器,压敏电阻等都放在特定的场合去说。
2. 按照用途:通用型,精密型,高压型,耐浪涌或脉冲,抗硫化等。
3. 按照材料分类:插件:碳膜电阻,金膜电阻,水泥电阻(色环不用记)(现在电路很少使用,但有些时候非常有效)。
区别:水泥电阻:大功率。
碳膜电阻:低成本,但精度低。
金属膜电阻:高精度。
贴片:薄膜电阻和厚膜电阻。
区别:薄膜电阻精度做的精度高,温漂小,但是相对较贵一些,并且由于工艺限制,范围也小了一些。
厚膜电阻的温度系数上很难控制,一般较大,同样的,薄膜电阻则可以做到非常低的温度系数,这样电阻阻值随温度变化非常小,阻值稳定可靠。
厚膜电阻的抗湿性高于薄膜电阻。
色环电阻的读取方法:1. 允许偏差色环:出现金色和银色的一定是允许误差,另一端为起始端,读取有效数字。
2. 色环位置:通常色环电阻的起始端与色环电阻导线间的距离较近,允许偏差端与色环电阻导线端位置较远。
3. 色环间距:前3环或者4环间距差不多,最后一环距离比较远。
也就是通常有效数字之间的间距较窄,倍乘数与允许偏差之间的色环间距较宽。
4. 四环电阻:1、2环是有效数字,第3环是倍乘数,也就是0的个数,第4环表示误差。
色环颜色为棕黑绿金,棕-1,黑-0,绿5,也就是0的个数为5,金表示误差±5%,所色环电阻的读数:1MΩ±5%。
5. 五环电阻:1、2、3环是有效数字、第4环是倍乘数,也就是0的个数,如果第4环是金色,往前移1位,如果是银色,则往前移2位,第5环表示误差。
如果色环电阻颜色为红红黄银金,红-2,黄-4,四环银也就是往前移2位,五环金表示误差±5%,色环电阻的读数:Ω±10%。
如需更多电子元件相关内容的信息,可以查阅电子元件相关的书籍或咨询电子工程师。
电阻器有哪些分类-电阻器的分类电阻器有哪些分类-电阻器的分类电阻器的种类有很多,通常分为三大类:固定电阻,可变电阻,特种电阻。
下面,店铺详细地为大家讲讲电阻器的分类,希望对大家有帮助! 特殊电阻器1、保险电阻又叫熔断电阻器,在正常情况下起着电阻和保险丝的双重作用,当电路出现故障而使其功率超过额定功率时,它会像保险丝一样熔断使连接电路断开。
保险丝电阻一般电阻值都小(0.33Ω~10KΩ),功率也较小。
保险丝电阻器常用型号有:RF10型、RF111-5 保险丝电阻器的符号型、RRD0910 型、RRD0911 型等。
2、敏感电阻器是指其电阻值对于某种物理量(如温度、湿度、光照、电压、机械力、以及气体浓度等)具有敏感特性,当这些物理量发生变化时,敏感电阻的阻值就会随物理量变化而发生改变,呈现不同的电阻值。
根据对不同物理量敏感,敏感电阻器可分为热敏、湿敏、光敏、压敏、力敏、磁敏和气敏等类型敏感电阻。
敏感电阻器所用的材料几乎都是半导体材料,这类电阻器也称为半导体电阻器。
热敏电阻的阻值随温度变化而变化,温度升高阻为负温度系数(NTC)热敏电阻。
应用较多的是负温度系数热敏电阻,又可分为普通型负温度系数热敏电阻;稳压型负温度系数热敏电阻;测温型负温度系数热敏电阻等。
光敏电阻是电阻的阻值随入射光的强弱变化而改变,当入射光增强时,光敏电阻的减小,入射光减弱时电阻值增大。
按伏安特性分类对大多数导体来说,在一定的温度下,其电阻几乎维持不变而为一定值,这类电阻称为线性电阻。
有些材料的'电阻明显地随着电流(或电压)而变化,其伏—安特性是一条曲线,这类电阻称为非线性电阻。
非线性电阻在某一给定的电压(或电流)作用下,电压与电流的比值为在该工作点下的静态电阻,伏—安特性曲线上的斜率为动态电阻。
表达非线性电阻特性的方式比较复杂,但这些非线性关系在电子电路中得到了广泛的应用。
按材料分类a、线绕电阻器由电阻线绕成电阻器用高阻合金线绕在绝缘骨架上制成,外面涂有耐热的釉绝缘层或绝缘漆。
电阻分类、标识及识读一、实验目的:1.了解电阻的分类2.掌握电阻的标识及识读方法二、实验器材:电阻若干三、实验内容1.电阻分类1.1按结构可分为:可变电阻和固定电阻1.1.1可变电阻(大致分为14种)合成碳膜电位器、有机实心电位器、金属玻璃釉电位器、线绕电位器、金属膜电位器、导电塑料电位器、带开关的电位器、预调式电位器、直滑式电位器、双连电位器、多连电位器(四连)、无触点电位器。
电位器是一种机电元件,它靠电刷在电阻体上的滑动,取得与电刷位移成一定关系的输出电压。
1)合成碳膜电位器是目前使用最多的一种电位器。
其电阻体是用碳黑、石墨、石英粉、有机粘合剂等配制的混合物,涂在胶木板或玻璃纤维板上制成的。
优点:分辨率高、阻值范围宽。
缺点:滑动噪声大、耐热耐湿性不好。
用途:品种:普通合成碳膜电位器带开关小型合成碳膜电位器单联带开关(无开关)电位器双联同轴无开关(带开关)电位器双联异轴无开关(带开关)电位器小型精密合成碳膜电位器推拉开关合成碳膜电位器直滑式合成碳膜电位器精密多圈合成碳膜电位器等。
2)有机实心电位器是一种新型电位器,它是用加热塑压的方法,将有机电阻粉压在绝缘体的凹槽内。
优点:耐热性好、功率大、可靠性高、耐磨性好。
缺点:温度系数大、动噪声大、耐潮性能差、制造工艺复杂、阻值精度较差。
用途:在小型化、高可靠、高耐磨性的电子设备以及交、直流电路中用作调节电压、电流。
品种:小型实心电位器直线式实心电位器对数式实心电位器。
3)金属玻璃铀电位器用丝网印刷法按照一定图形,将金属玻璃铀电阻浆料涂覆在陶瓷基体上,经高温烧结而成。
优点:阻值范围宽,耐热性好,过载能力强,耐潮,耐磨。
缺点:接触电阻和电流噪声大。
用途:4)绕线电位器将康铜丝或镍铬合金丝作为电阻体,并把它绕在绝缘架上制成。
优点:是接触电阻小,精度高,温度系数小;缺点:分辨力差,阻值偏低,高频特性差。
用途:主要用作分压器、变阻器、仪器中调零和工作点等。
品种:有普通线绕电位器、普通多圈线绕电位器、精密多圈线绕电位器、直滑式精密多圈线绕电位器、函数式精密多圈线绕电位器等。
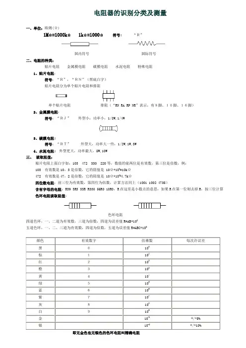
电阻器的识别分类及测量一、单位:欧姆(Ω)1MΩ=1000kΩ 1kΩ=1000Ω符号:“R”国内符号国际符号二、电阻的种类:贴片电阻金属膜电阻碳膜电阻水泥电阻特殊电阻1、贴片电阻:符号:“R”,“RN”(黑底白字)贴片电阻分为单个贴片电阻和排阻单个贴片电阻排阻(“RN RA RP NR”表示,有8脚、10脚、16脚)2、金属膜电阻:符号:“RJ”外型小,功率小,1/8W,1/4W3、碳膜电阻:符号:“RT”外型大,功率大一些,1/2W,1W,3W4、水泥电阻:外型更大,功率最大,5W,10W三、读取阻值:贴片电阻上面白字如:103 472 330 220等,数值的前两位是有效数,第三位是倍数,例:103 有效数是10,3是倍数,它的阻值是 10Ω*103=10kΩ472 有效数是47,2是倍数,它的阻值是 10Ω*102=4.7kΩ四位数电阻:前三位为有效数,第四位为倍数,计算方法同上(1001 1002 4705)含有字母的电阻:R39 3R3 33R R330 56R0 10R0,R在这里是小数点的意思,如果R在第一位则去掉R,按三位计算色环电阻读取阻值:色环电阻四道色环,一、二道为有效数,三道为倍数,四道为误差值R=AB*10C五道色环,一、二、三道为有效数,四道为倍数,五道为误差值R=ABC*10D即无金色也无银色的色环电阻叫精确电阻四、电阻的作用:电阻串联:起降压限流的作用电阻并联:起分压分流作用电阻并联:电路各部分电压相等。
电阻串联:电路各部分电流相等。
五、电阻的测量及好坏判断1、电阻测量贴片单个电阻测两端八脚排组分别测对脚,共四组十脚排组分别测对脚,如果两端两组阻值为10kΩ,中间三组阻值分别为20kΩ,中间三组是10*2的关系。
十六脚跟八脚一样测量2、好坏判断电阻坏:(1)、阻值变大或无穷大(2)、万用表显示“1”六、电阻的代换原则1、精确电阻必须原值代换。
2、普通电阻代换可比原值相差+/-10%左右。
电阻器的相关概念及识别《电阻器的相关概念及识别》简介:电阻器是电路中常见的被动元件之一,用于限制电流流过的路径中的电阻。
在电子电路中,了解电阻器的概念和正确识别电阻器是十分重要的。
本文将从电阻器的基本概念、分类、标识、识别等方面进行介绍。
1. 电阻器的基本概念:电阻器是一种用来产生电阻的元件,它的作用是限制电流的大小或者改变电路的电压。
电阻器的主要特性是其电阻值,用欧姆(Ω)来表示。
根据欧姆定律,电阻器的电压与电流成正比关系,且电阻值等于电压与电流之比。
2. 电阻器的分类:电阻器分为固定电阻器和可变电阻器两种类型。
固定电阻器的电阻值是固定的,一般由金属电阻材料制成。
可变电阻器则允许通过调整来改变其电阻值,常见的可变电阻器有可调电阻器、电位器等。
3. 电阻器的标识:电阻器通常会在外壳上标有相关信息,包括电阻值、容差、功率等。
电阻值用一定的色带编码表示,每个色带代表一个数字。
容差表示电阻器的电阻值与标称值之间的允许误差范围,一般用百分比表示。
功率则表示电阻器能够耗散的功率,通常用瓦特(W)表示。
4. 电阻器的识别:正确识别电阻器可以通过观察其外观和标识来判断。
首先,可以通过色带编码来确定电阻器的电阻值,根据每个色带对应的数字,将其按照对应顺序排列即可得到电阻器的电阻值。
其次,根据外壳的尺寸、形状和标识可以判断电阻器的功率等级。
最后,通过识别容差标识可以确定电阻器的容差范围。
总结:电阻器作为电路中常见的被动元件,对于电子电路的设计和分析有着重要的作用。
了解电阻器的基本概念、分类、标识和正确识别电阻器是电子工程师和电子爱好者的基本要求。
通过掌握电阻器的相关知识,可以更好地理解并应用于实际电路中。
电阻的识别方法电阻识别及应用导电体对电流的阻碍作用称着电阻,用符号R表示,单位为欧姆、千欧、兆欧,分别用Ω、kΩ、MΩ表示。
一、电阻的型号命名方法:国产电阻器的型号由四部分组成(不适用敏感电阻)第一部分:主称,用字母表示,表示产品的名字。
如R表示电阻,W表示电位器。
第二部分:材料,用字母表示,表示电阻体用什么材料组成,T-碳膜、H-合成碳膜、S-有机实心、N-无机实心、J-金属膜、Y-氮化膜、C-沉积膜、I-玻璃釉膜、X-线绕。
第三部分:分类,一般用数字表示,个别类型用字母表示,表示产品属于什么类型。
1-普通、2-普通、3-超高频、4-高阻、5-高温、6-精密、7-精密、8-高压、9-特殊、G-高功率、T-可调。
第四部分:序号,用数字表示,表示同类产品中不同品种,以区分产品的外型尺寸和性能指标等例如:R T 1 1 型普通碳膜电阻a1}二、电阻器的分类1、线绕电阻器:通用线绕电阻器、精密线绕电阻器、大功率线绕电阻器、高频线绕电阻器。
2、薄膜电阻器:碳膜电阻器、合成碳膜电阻器、金属膜电阻器、金属氧化膜电阻器、化学沉积膜电阻器、玻璃釉膜电阻器、金属氮化膜电阻器。
3、实心电阻器:无机合成实心碳质电阻器、有机合成实心碳质电阻器。
4、敏感电阻器:压敏电阻器、热敏电阻器、光敏电阻器、力敏电阻器、气敏电阻器、湿敏电阻器。
三、主要特性参数1、标称阻值:电阻器上面所标示的阻值。
2、允许误差:标称阻值与实际阻值的差值跟标称阻值之比的百分数称阻值偏差,它表示电阻器的精度。
允许误差与精度等级对应关系如下:?.5%-0.05、?%-0.1(或00)、?%-0.2(或0)、?%-Ⅰ级、?0%-Ⅱ级、?0%-Ⅲ级3、额定功率:在正常的大气压力90-106.6KPa及环境温度为-55℃~+70℃的条件下,电阻器长期工作所允许耗散的最大功率。
线绕电阻器额定功率系列为(W):1/20、1/8、1/4、1/2、1、2、4、8、10、16、25、40、50、75、100、150、250、 500非线绕电阻器额定功率系列为(W):1/20、1/8、1/4、1/2、1、2、5、10、25、50、1004、额定电压:由阻值和额定功率换算出的电压。
电阻器的分类电阻器是电子工程中的一种重要元件。
它能够把电子电路中的电流限制在一定的大小,从而控制电子电路的操作。
本文将介绍电阻器的分类,并分析各类电阻器的特性和应用。
一、电阻器种类1、晶体管电阻器:晶体管电阻器是一种较常用的电阻器,它是由晶体管、金属片和绝缘材料组成的。
它的电阻可以从几欧姆到上百欧姆不等,能够满足大多数电路的需求。
晶体管电阻器有很高的额定值精度和较好的耐久性,对特定电路的电源稳定具有重要作用。
2、电位器:电位器是一种有限制的可改变电阻的元件。
它的特点是将电阻连接构成一个圆环,可以通过旋转杆来改变电阻的大小,以满足特定电路的需求。
电位器有转动式和条状式两种类型,分别由多种材料制成,可以满足不同的使用环境。
3、电阻网络:电阻网络由多个普通电阻元件连接构成,它们可以提供特定的电阻结构,以实现特定功能。
当各部分电阻之间的连接构成一个环路时,它就可以把电阻分成几部分,每一部分的电阻值的乘积是相同的,这也是“电阻分压”的原理。
4、调节电阻器:调节电阻器是一种可以改变其阻值的电阻器。
它可以根据所给电路的要求,通过旋转或拉动其内部加热管,从而改变其阻值。
此外,调节电阻器还具有较高的额定值精度、耐压强度和低失真性能,是一种比较经济实用的元件。
5、电容性电阻器:电容性电阻器是一种电容性介质和普通电阻元件连接构成的电阻器。
它的特点是把电容和电阻结合起来,使电容和电阻的特性一起作用,从而达到滤波作用。
高品质的电容性元件通常由纯金属片和石英片组成,能够提供抗振动性能和较低的噪声。
二、电阻器应用电阻器有着广泛的应用,从电器设备到电子电路,都可以利用它来满足特定的需求。
比如,电阻器可以应用于电机的驱动系统,可以调节电机的转速和力矩;可以用于电压补偿,可以保持电源的稳定,以达到良好的稳定性;电阻器也可以应用于电路的过滤,可以减少杂散电磁波,保护元器件不受损害;此外,电阻器还可以用于测量和计算,用于精确测量电流、电压和功率,以及电路模拟计算等。
【关键字】方法常用电子元器件一、实验目标了解常用电子元器件的识别和主要性能参数二、常用电子元器件介绍(一)电阻器1、电阻器的分类电阻器是电子电路元器件中应用最广泛的一种,在电子设备中约占元件总数的30%以上,其质量的好坏对电路工作的稳定性有极大影响。
电阻器主要用途是稳定和调节电路中的电流和电压,其次还可作为分流器、分压器和消耗电能的负载等。
电阻器按结构可分为固定式和可变式两大类。
固定式电阻器一般称为“电阻”。
由于制作材料和工艺不同,可分为膜式电阻、实芯式电阻、金属线缆电阻(RX)和特殊电阻四种类型。
膜式电阻包括:碳膜电阻RT、金属膜电阻RJ、合成膜电阻RH和氧化膜电阻RY等。
实芯电阻包括:有机实芯电阻RS和无机实芯电阻RN。
特殊电阻包括:MG型光敏电阻和MF型热敏电阻。
可变式电阻器包括:滑线式变阻器和电位器。
其中应用最广泛的是电位器。
电位器是一种具有三个接头的可变电阻器。
其阻值可在一定范围内连续可调。
电位器的分类有以下几种:按电阻体材料分:可分为薄膜和线绕两种。
薄膜又可分为WTX型小型碳膜电位器,WTH型合成碳膜电位器,WS型有机实芯电位器,WHJ型精密合成膜电位器和WHD型多圈合成膜电位器等。
线绕电位器的代号为WX型。
一般线绕电位器的误差不大于+10%,非线绕电位器的误差不大于+2%。
其阻值、误差和型号均标在电位器厂。
按调节机构的运动方式分:有旋转式、直沿式。
按结构分:可分为单联、多联、带开关、不带开关等;开关形式又有旋转式、推拉式、按键式等。
按用途分:可分为普通电位器、精密电位器、功率电位器、微调电位器和专用电位器等。
按阻值随转角变化关系分:又可分为线性和非线性电位器,如图1-l曲线所示。
图1-1 电位器阻值随转角变化曲线它们的特点分别为:X式(直线式):常用于示波器的聚焦电位器和万用表的调零电位器(如MF-20型万用表),其线性精度为+2%、+l%、+03%、+005%。
D式(对数式):常用于电视机的黑白对比度调节电位器,其特点是,先粗调后细调。
电阻器的识别和检测一、电阻器的识别电阻的基本单位是欧姆(Ω)(千欧)(兆欧)(千兆欧)一)、电阻器参数识别方法电阻器的主要参数(标称值与允许偏差)要标注在电阻器上,以供识别。
电阻器的参数表示方法有直标法、文字符号法、色环法三种。
1、直标法直标法是一种常见标注方法,特别是在体积较大(功率大)的电阻器上采用。
它将该电阻器的标称阻值和允许偏差,型号、功率等参数直接标在电阻器表面,如图所示。
在三种表示方法中,直标法使用最为方便。
2、文字符号法文字符号法和直标法相同,也是直接将有关参数印制在电阻体上。
文字符号法,将5.7kΩ电阻器标注成5k7,其中k既作单位,又作小数点。
文字符号法中,偏差通常用字母表示,如(a)图所示。
此电阻器,阻值为5.7kΩ,偏差为±1%。
图(b)所示为碳膜电阻,阻值为1.8kΩ偏差为±20%,其中用级别符号Ⅱ表示偏差。
3、色标法色标法是指不同颜色表示元件不同参数的方法。
在电阻器上,不同的颜色代表不同的标称值和偏差色标法可以分为:色环法和色点法。
其中,最常用的是色环法。
色环电阻器中,根据色环的环数多少,又分为四色环表示法和五色环表示法。
下图(a)是用四色环表示标称阻值和允许偏差,其中,前三条色环表示此电阻的标称阻值,最后一条表示它的偏差。
如图(b)中色环颜色依次黄、紫、橙、金,则此电阻器标称阻值为,偏差。
如图(c)电阻器的色环颜色依次为:蓝、灰、金、无色(即只有三条色环),则电阻器标称阻值为:。
下图(a)是五色环表示法,精密电阻器是用五条色环表示标称阻值和允许偏差,通常五色环电阻识别方法与四色环电阻一样,只是比四色环电阻器多一位有效数字。
图(b )中电阻器的色环颜色依次是:棕、紫、绿、银、棕,其标称阻值为:,偏差为。
判断色环电阻的第一条色环的方法1.对于未安装的电阻,可以用万用表测量一下电阻器的阻值,再根据所读阻值看色环,读出标称阻值。
2.对于已装配在电路板上的电阻,可用以下方法进行判断:(1)四色环电阻为普通型电阻器,从标称阻值系列表可知,其只有三种系列,允许偏差为±5%、±10%、±20%,所对应的色环为:金色、银色、无色。