钢结构课程设计之三角形钢屋架设计
- 格式:doc
- 大小:535.98 KB
- 文档页数:17
钢结构课程设计三角形屋架一、课程目标知识目标:1. 让学生理解并掌握三角形屋架的结构特点及其在钢结构中的应用。
2. 使学生掌握三角形屋架的稳定性分析及计算方法。
3. 让学生了解并掌握钢结构设计的相关规范和标准。
技能目标:1. 培养学生运用所学知识进行三角形屋架结构设计和计算的能力。
2. 培养学生运用CAD软件绘制三角形屋架结构图纸的技能。
3. 培养学生分析问题、解决问题的能力。
情感态度价值观目标:1. 培养学生对钢结构及三角形屋架的兴趣,激发学生的学习热情。
2. 培养学生严谨、认真的学习态度,养成遵循规范和标准的好习惯。
3. 培养学生的团队合作精神,提高沟通与协作能力。
分析课程性质、学生特点和教学要求,本课程旨在通过理论教学与实践操作相结合,使学生在掌握三角形屋架相关知识的基础上,具备一定的设计计算和绘图能力。
课程目标具体、可衡量,以便学生和教师能够清晰地了解课程的预期成果。
通过本课程的学习,学生将能够独立完成三角形屋架的设计计算和绘图任务,为后续专业课程的学习打下坚实基础。
二、教学内容1. 三角形屋架结构特点及其应用- 介绍三角形屋架的结构类型、受力特点及在钢结构中的应用。
- 教材章节:第二章第二节2. 三角形屋架稳定性分析及计算方法- 讲解三角形屋架的稳定性原理,推导相关计算公式。
- 教材章节:第三章第一节3. 钢结构设计规范与标准- 介绍我国钢结构设计的相关规范和标准,分析三角形屋架设计要求。
- 教材章节:第四章第二节4. 三角形屋架设计计算实例- 分析具体工程案例,讲解三角形屋架设计计算步骤及方法。
- 教材章节:第五章5. 三角形屋架结构绘图- 教授CAD软件操作,指导学生绘制三角形屋架结构图纸。
- 教材章节:第六章第三节6. 实践操作与团队协作- 安排实践操作环节,让学生分组进行三角形屋架设计计算和绘图。
- 教材章节:实践环节教学内容安排和进度:第一周:介绍三角形屋架结构特点及其应用,学习稳定性分析基本原理。
三⾓形刚屋架钢结构设计原理课程设计——三⾓形钢屋架结构设计指导教师:班级学⽣姓名学号设计时间⽬录1课程设计指导书 (6)2屋架杆件⼏何尺⼨的计算 (6)3屋架⽀撑布置 (7)3.1屋架⽀撑 (7)3.2屋⾯檩条及其⽀撑 (8)3.2.1截⾯选择 (8)3.2.2强度计算 (9)3.2.3强度验算 (9)3.2.4荷载计算 (9)4屋架的内⼒计算 (10)4.1杆件的轴⼒ (10)4.2上弦杆的弯矩 (10)5屋架杆件截⾯设计 (10)5.1上弦杆 (11)5.2下弦杆 (12)5.3腹杆 (13)5.3.1中间竖腹杆JG (13)5.3.2主斜腹杆IK、KG (14)5.3.3腹杆DI (14)5.3.4腹杆BH、CH、EK、FK (15)5.3.5腹杆HD、DK (15)5.4填板设置与尺⼨选择 (15)6屋架节点设计 (16)6.1⽀座节点A (16)6.2上弦⼀般节点B、C、E、F、D (20)6.3屋脊拼接节点G (21)6.4下弦⼀般节点H (23)6.5下弦拼接节点I (23)6.6下弦中央节点J (25)6.7受拉主斜杆中间节点K (25)8参考资料 (25)三⾓形钢屋架课程设计指导书西南交通⼤学⾃考班课程设计任务书——钢屋架设计⼀、设计资料1.某地区某⾦⼯车间,长18×Sm,跨度Lm,柱距Sm,采⽤⽆檩屋盖结构体系,梯形钢结构屋架,1.5m×Sm预应⼒混凝⼟⼤型屋⾯板,膨胀珍珠岩制品保温层(容重4kN/m3,所需保温层厚度由当地温度确定),卷材屋⾯,屋⾯坡度i。
基本风压W,基本雪压S. 活荷载q2.某地区某车间,长18×S m,跨度L m,采⽤有檩屋盖体系,三⾓形屋架,屋⾯采⽤压型钢板0.15Kn/m2,不保温,屋⾯坡度i。
基本风压W,基本雪压S.活荷载q根据附表选择题⽬。
屋架均简⽀于钢筋混凝⼟柱⼦上,混凝⼟标号为C20,建造地点见附表。
屋架所受荷载,包括恒载,活荷载,及风雪荷载等,均应该根分组表采⽤。
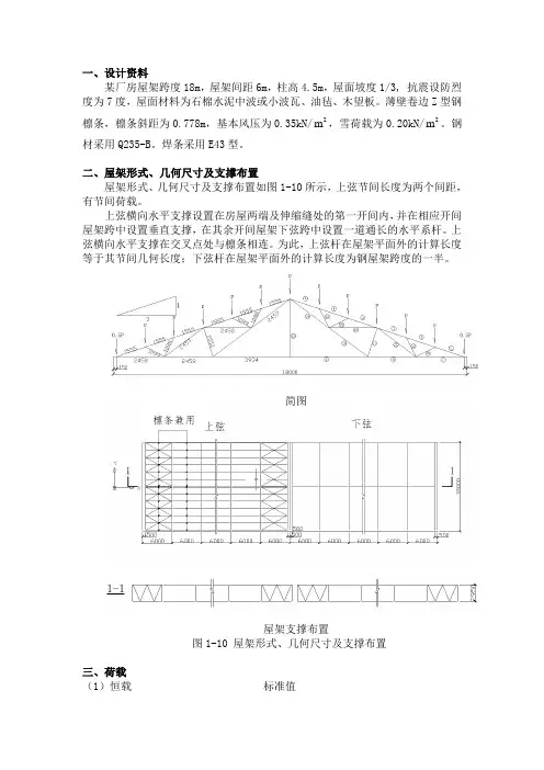
一、设计资料某厂房屋架跨度18m ,屋架间距6m ,柱高4.5m ,屋面坡度1/3, 抗震设防烈度为7度,屋面材料为石棉水泥中波或小波瓦、油毡、木望板。
薄壁卷边Z 型钢檩条,檩条斜距为0.778m ,基本风压为0.35kN/2m ,雪荷载为0.20kN/2m 。
钢材采用Q235-B 。
焊条采用E43型。
二、屋架形式、几何尺寸及支撑布置屋架形式、几何尺寸及支撑布置如图1-10所示,上弦节间长度为两个间距,有节间荷载。
上弦横向水平支撑设置在房屋两端及伸缩缝处的第一开间内,并在相应开间屋架跨中设置垂直支撑,在其余开间屋架下弦跨中设置一道通长的水平系杆。
上弦横向水平支撑在交叉点处与檩条相连。
为此,上弦杆在屋架平面外的计算长度等于其节间几何长度;下弦杆在屋架平面外的计算长度为钢屋架跨度的一半。
简图屋架支撑布置图1-10 屋架形式、几何尺寸及支撑布置三、荷载(1)恒载 标准值石棉瓦 0.2kN/2m /0.949=0.21kN/2m 油毡、木望板 0.18kN/2m /0.949=0.19kN/2m 檩条、屋架及支撑 0.20kN/2m 合计 0.6kN/2m (2)活载活载与雪载取最大值 0.30kN/2m因屋架受荷水平投影面积超过602m ,故屋面受均布活荷载可取为(水平投影面)0.35kN/2m 。
(3)风荷载基本风压 0.35kN/2m(4)上弦的集中荷载及节点荷载 见表2-1及图1-11、图1-12图1-11 上弦集中荷载图1-12 上弦节点荷载表2-1 上弦集中荷载及节点荷载表 荷载形式 荷载分类 集中荷载(设计值)P ’/kN 节点荷载(设计值)P=2P ’/kN备注 恒载 2.6575.314 P ’=0.6kN/2m ⨯0.778⨯103⨯6m=2.657 活载1.3292.658P ’=0.3kN/2m ⨯0.778⨯103⨯6m=1.329(5)风荷载以左吹风为例计算,右吹风同理计算,根据公式0z s z k ωμμβω=计算,z β高度小于30m 的单层厂房,取1.0,z μ查表,B 类地面粗糙程度,10h m ≤,取1.0,s μ取值迎风面-0.47,背风面-0.5。
钢结构_18m三⾓形钢结构钢屋架设计钢结构屋盖课程设计计算书⼀、设计说明1、设计某⼀检修⼚房屋盖,跨度为27m,长度为80m,柱距为6m,三⾓形屋架,钢材为Q235—B,焊条采⽤E43型,屋⾯为压型钢板,屋⾯坡度i=1:2.5,屋架铰接于钢筋混凝⼟柱顶,⽆吊车,外檐⼝采⽤⾃由排⽔,采⽤槽钢檩条,檩条间距为2827.25mm。
2、基本风压为0.4KN/m2,屋⾯离地⾯⾼度为12 m,不上⼈屋⾯。
雪荷载0.6KN/m2⼆、檩条设计1、檩条采⽤轻型槽钢檩条2、屋⾯材料为压型钢板,屋⾯坡度为1:2.5(α=21.80°)檩条跨度为6m,于跨中设置⼀道拉条,⽔平檩距2396.4×cos21.80°=2396.4×0.93=2228.65mm,坡向斜距2396.4mm3、荷载标准值(对⽔平投影⾯)⑴永久荷载:压型钢板(不保温)⾃重为0.1 KN/m2,檩条(包括拉条和⽀撑)⾃重设为0.11 KN/m2⑵可变荷载:屋⾯雪荷载ω=0.6KN/m2,基本风压ωo=0.40 KN/m24、内⼒计算⑴永久荷载于屋⾯活荷载组合檩条线荷载pK=(0.21+0.6)×2.229=1.805 KN/mp=(1.2×0.21+1.4×0.6)×2.229=2.434 KN/mpX=psin21.80=2.434×0.37=0.901 KN/mpY=pcos21.80=2.434×0.93=2.264 KN/m弯矩设计值: MX= pY l2/8=2.264×62/8=10.188KN·mMy= pX l2/32=0.901×62/32=1.014KN·m⑵永久荷载和风荷载的吸⼒组合按《建筑结构荷载规范》GB50009—2001房屋⾼度为12m 取µz=1.0按《门式钢架轻型房屋钢结构技术规程》CECS102:2002附录A,风荷载体型系数为:1.5㏒A-2.9=-1.211 A=2.22865m ×6m=13.72m2垂直于屋⾯的风荷载标准值ωk=µSµzω0=-1.211×1.0×(1.05×0.4)=-0.509 KN/m2檩条线荷载pXY=(0.509-0.21×cos21.80)×2.22865=0.314×2.22865=0.070KN/mpX =0.21×2.229×sin21.8o=0.174 KN/mpY =1.4×1.211×2.229-0.21×2.229×cos21.80=3.344 KN/m 弯矩设计值 MX= pYl2/8=3.344×62/8=15.048KN/m My= pXl2/8=0.174×62/8=0.783KN/m⑶截⾯选择选⽤选⽤轻型槽钢【20 W=152.2 cm3 Wynmax=54.9 cm3 Wynmin=20.5 cm3IX=152.20 cm4 ix=8.07 cm iy=2.20 cm计算截⾯有孔洞削弱,考虑0.9的折减系数,则净截⾯模量为:WNX=0.9×152.2=136.98cm3 Wynmax=0.9×54.9=49.41 cm3 Wynmin=0.9×20.5=18.45 cm3⑷屋⾯能阻⽌檩条失稳和扭转,截⾯的塑性发展系数γx=1.05 γy=1.20,按公式计算截⾯a、b点的强度为(见图)бx = Mx/(γx WNX)+My/(γy Wynmin)=15.048×106/(1.05×136.98×103)+0. 783×106/(1.2×18.45×103)=139.99<215N/mm2бy = Mx/(γx WNX)+My/(γyWynmax)=15.048×106/(1.05×136.98×103)+0.783×106/(1.2×49.41×103)=117.83<215N/mm2⑸挠度计算因为⽀撑压型钢板⾦属板,有积灰的⽡楞铁和⽯棉等⾦属⾯者,容许挠度为L/200当设置拉条时,只须计算垂直于屋⾯⽅向的最⼤挠度vy=(5/384)×(3.344×cos21.80×60004)/(206×103×1522×104)=16.7mm构造要求λx=600/8.07=74.35<200 λy=300/2.20=136.36<200故此檩条在平⾯内外均满⾜要求三、屋架设计⑴屋架结构的⼏何尺⼨如图檩条⽀撑于屋架上弦节点。
钢结构设计原理课程设计——三角形钢屋架结构设计设计时间目录1课程设计指导书 (6)2屋架杆件几何尺寸的计算 (6)3屋架支撑布置 (7)3.1屋架支撑 (7)3.2屋面檩条及其支撑 (8)3.2.1截面选择 (8)3.2.2强度计算 (9)3.2.3强度验算 (9)3.2.4荷载计算 (9)4屋架的力计算 (10)4.1杆件的轴力 (10)4.2上弦杆的弯矩 (10)5屋架杆件截面设计 (10)5.1上弦杆 (11)5.2下弦杆 (12)5.3腹杆 (13)5.3.1中间竖腹杆JG (13)5.3.2主斜腹杆IK、KG (14)5.3.3腹杆DI (14)5.3.4腹杆BH、CH、EK、FK (15)5.3.5腹杆HD、DK (15)5.4填板设置与尺寸选择 (15)6屋架节点设计 (16)6.1支座节点A (16)6.2上弦一般节点B、C、E、F、D (20)6.3屋脊拼接节点G (21)6.4下弦一般节点H (23)6.5下弦拼接节点I (23)6.6下弦中央节点J (25)6.7受拉主斜杆中间节点K (25)8参考资料 (25)三角形钢屋架课程设计指导书西南交通大学自考班课程设计任务书——钢屋架设计一、设计资料1.某地区某金工车间,长18×Sm,跨度Lm,柱距Sm,采用无檩屋盖结构体系,梯形钢结构屋架,1.5m×Sm预应力混凝土大型屋面板,膨胀珍珠岩制品保温层(容重4kN/m3,所需保温层厚度由当地温度确定),卷材屋面,屋面坡度i。
基本风压W,基本雪压S. 活荷载q2.某地区某车间,长18×S m,跨度L m,采用有檩屋盖体系,三角形屋架,屋面采用压型钢板0.15Kn/m2,不保温,屋面坡度i。
基本风压W,基本雪压S.活荷载q根据附表选择题目。
屋架均简支于钢筋混凝土柱子上,混凝土标号为C20,建造地点见附表。
屋架所受荷载,包括恒载,活荷载,及风雪荷载等,均应该根分组表采用。
钢结构课程设计之三角形钢屋架设计.(DOC)
课程设计名称:三角形钢屋架设计
课程设计目标:
1. 学生能够了解钢结构在建筑中的应用及其优势;
2. 学生能够熟悉三角形钢屋架的设计原理;
3. 学生能够运用相关工具和软件进行三角形钢屋架的设计。
课程设计内容:
1. 引言:
- 钢结构在建筑中的应用及其优势;
- 三角形钢屋架在钢结构中的重要性和应用范围。
2. 基本原理:
- 三角形钢屋架的结构特点和优势;
- 三角形钢屋架的受力分析原理;
- 三角形钢屋架的设计要求。
3. 三角形钢屋架设计步骤:
- 选择合适的三角形钢屋架形式;
- 初步确定三角形钢屋架的尺寸和布置;
- 进行受力分析,确定主要受力杆件;
- 进行结构设计计算,包括杆件尺寸、节点设计等;
- 进行抗震设计和极限状态设计。
4. 三角形钢屋架设计软件:
- 介绍常用的三角形钢屋架设计软件;
- 指导学生使用软件进行三角形钢屋架的设计。
5. 设计案例分析:
- 指导学生分析一些实际工程案例,并进行三角形钢屋架设计;
- 学生进行相关计算和设计,并完成设计报告。
6. 结果分析与讨论:
- 学生对设计结果进行分析和讨论;
- 探讨三角形钢屋架设计的优化方案。
7. 总结与展望:
- 总结三角形钢屋架设计的要点和方法;
- 展望三角形钢屋架设计在未来的发展趋势。
南京工业大学课程设计用纸三角屋架设计平面尺寸为60mX18m , S=6m ,即单跨屋架结构总长度为 36m ,跨度为屋架支承在钢筋混凝土柱顶,混凝土标号 C30,柱顶标高8m 。
2钢材标号为 Q235-B ,其设计强度值为 f=215N/mm 2。
荷载计算按全跨永久荷载 +全跨可变荷载(不包括风荷载)考虑,荷载分项系数取:节间水平段投影尺寸长度a / =acos a =1555X 0.9487=1475mm根据几何关系,得屋架各杆件的几何尺寸如图图1屋架形式及几何尺寸3屋架支撑布置 3.1屋架支撑1、在房屋两端第一个之间各设置一道上弦平面横向支撑和下弦平面横向支撑。
1设计资料及说明 1、单跨屋架, 18m ,柱距为6m 。
2、 屋面材料: 3、屋面坡度 规格长尺压型钢板。
i=1 : 3。
活(雪)载为0.35kN/m ,基本风压为0.70kN/m 。
5、 6、 焊条型号为E43型。
4、 7、 Y =1.2, Y =1.4。
2屋架杆件几何尺寸的计算根据所用屋面材料的排水需求及跨度参数,采用芬克式三角形屋架。
屋面坡度为i=1 :3,屋面倾角a =arctg ( 1⑶ 屋架计算跨度 =18.435 , sin a =0.3162 cos a =0.948710 =1 — 300= 18000 — 300=17700mm 屋架跨中高度 h= 10 为/2=17700/(2 3)=2950mm 上弦长度L=10/2COS a~ 9329mm 节间长度a=L/6= 9329/6 〜1555mn1所示2、因为屋架是有檩屋架,为了与其他支撑相协调,在屋架的下弦节点设计三道柔性水平系杆,上弦节点处的柔性水平系杆均用该处的檩条代替。
3、根据厂房长度36m,跨度为4m ,在厂房两端第二柱间和厂房中部设置三道上弦横向图2屋盖支撑布置4荷载计算水平支撑,下弦横向水平支撑及垂直支撑。
如图2所示。
屋架支撑 压型钢板 檩条和拉条 20.3 ( kN/m )015*3.16/3=0.158 (kN/m 2)0.13 (kN/m )合计 可变荷载檩条的均布荷载设计值 2g k =0.588 ( kN/m ) q k =0.3 (kN/m )q= Y G g k + 丫 Q q k =1.2 *0.588+1.4 0.35=1.20kN/m 节点荷载设计值P=qa / s=1.13 *475 6=10.62kN5屋架的内力计算5.1杆件的轴力芬克式三角形桁架在半跨活(雪)荷载作用下, 腹杆内力不变号,故只按全跨雪荷载和全跨永久荷载组合计算桁架杆件内力。
三角屋架设计1 设计资料及说明1、单跨屋架,平面尺寸为60m×18m,S=6m,即单跨屋架结构总长度为36m,跨度为18m,柱距为6m。
2、屋面材料:规格长尺压型钢板。
3、屋面坡度i=1:3。
活(雪)载为0.35kN/m2,基本风压为0.70kN/m2。
4、屋架支承在钢筋混凝土柱顶,混凝土标号C30,柱顶标高8m。
5、钢材标号为Q235-B,其设计强度值为f=215N/mm2。
6、焊条型号为E43型。
7、荷载计算按全跨永久荷载+全跨可变荷载(不包括风荷载)考虑,荷载分项系数取:γG =1.2,γQ =1.4。
2 屋架杆件几何尺寸的计算根据所用屋面材料的排水需求及跨度参数,采用芬克式三角形屋架。
屋面坡度为i=1:3,屋面倾角α=arctg(1/3)=18.435°,sinα=0.3162,cosα=0.9487屋架计算跨度l0 =l-300=18000-300=17700mm屋架跨中高度h= l0×i/2=17700/(2×3)=2950mm上弦长度L=l0/2cosα≈9329mm节间长度a=L/6=9329/6≈1555m m节间水平段投影尺寸长度a'=acosα=1555×0.9487=1475mm根据几何关系,得屋架各杆件的几何尺寸如图1所示图1 屋架形式及几何尺寸3 屋架支撑布置3.1 屋架支撑1、在房屋两端第一个之间各设置一道上弦平面横向支撑和下弦平面横向支撑。
2、因为屋架是有檩屋架,为了与其他支撑相协调,在屋架的下弦节点设计三道柔性水平系杆,上弦节点处的柔性水平系杆均用该处的檩条代替。
3、根据厂房长度36m,跨度为4m,在厂房两端第二柱间和厂房中部设置三道上弦横向水平支撑,下弦横向水平支撑及垂直支撑。
如图2所示。
图2屋盖支撑布置4 荷载计算屋架支撑0.3(kN/m2)压型钢板015*3.16/3=0.158(kN/m2)檩条和拉条0.13(kN/m2)合计g k=0.588(kN/m2)可变荷载q k=0.3(kN/m2)檩条的均布荷载设计值q=γG g k+γQ q k=1.2×0.588+1.4×0.35=1.20kN/m2节点荷载设计值P=qa's=1.13×1.475×6=10.62kN5 屋架的内力计算5.1 杆件的轴力芬克式三角形桁架在半跨活(雪)荷载作用下,腹杆内力不变号,故只按全跨雪荷载和全跨永久荷载组合计算桁架杆件内力。
目录1. 设计资料 (2)2 屋架杆件几何尺寸的计算 (2)3 屋架支撑布置 (2)4 屋架的内力计算 (5)5 屋架杆件截面设计 (6)6 屋架节点设计 (10)7.参考资料 (20)钢屋盖课程设计1. 设计资料1).车间为单跨厂房,全长90m。
屋架支撑在钢筋混凝土柱上,柱距为6m。
上柱截面尺寸为400x400mm。
混凝土强度等级为C30,车间内设有一台起重重量300kN的桥式吊车。
2).屋架跨度: 18m3).屋面坡度: 1:32 屋架杆件几何尺寸的计算根据所用屋面材料的排水需求及跨度参数,采用芬克式三角形屋架。
屋面坡度为i=1:3,屋面倾角α=arctg(1/3)=18.435°,sinα=0.3162,cosα=0.9487屋架计算跨度l0 =l-300=18000-300=17700mm屋架跨中高度h= l0×i/2=17700/(2×3)=2950mm上弦长度L=l0/2cosα≈9329mm节间长度a=L/6=9329/6≈1555m m节间水平段投影尺寸长度a'=acosα=1555×0.9487=1475mm根据几何关系,得屋架各杆件的几何尺寸如图1所示图1 屋架形式及几何尺寸3 屋架支撑布置3.1 屋架支撑1、因为屋架是有檩屋架,为了与其他支撑相协调,在屋架的下弦节点设计三道柔性水平系杆,上弦节点处的柔性水平系杆均用该处的檩条代替。
2、根据厂房长度90m,跨度为6m,在厂房两端第二柱间和厂房中部设置三道上弦横向水平支撑和下弦横向水平支撑,中间设置一道垂直支撑。
如图2所示。
图2 屋盖支撑布置3.2 屋面檩条及其支撑波形石棉瓦长1800mm,要求搭接长度≥150mm ,且每张瓦至少要有三个支撑点,因此最大檩条间距为mma p 825131501800max =--=半跨屋面所需檩条数根3.12182561555=+⨯=n p 考虑到上弦平面横向支撑节点处必须设置檩条,为了便于布置,实际取半跨屋面檩条数13根,则檩条间距为:可以满足要求。
钢结构设计原理课程设计——三角形钢屋架结构设计设计时间目录1课程设计指导书 (6)2屋架杆件几何尺寸的计算 (6)3屋架支撑布置 (7)3.1屋架支撑 (7)3.2屋面檩条及其支撑 (8)3.2.1截面选择 (8)3.2.2强度计算 (9)3.2.3强度验算 (9)3.2.4荷载计算 (9)4屋架的力计算 (10)4.1杆件的轴力 (10)4.2上弦杆的弯矩 (10)5屋架杆件截面设计 (10)5.1上弦杆 (11)5.2下弦杆 (12)5.3腹杆 (13)5.3.1中间竖腹杆JG (13)5.3.2主斜腹杆IK、KG (14)5.3.3腹杆DI (14)5.3.4腹杆BH、CH、EK、FK (15)5.3.5腹杆HD、DK (15)5.4填板设置与尺寸选择 (15)6屋架节点设计 (16)6.1支座节点A (16)6.2上弦一般节点B、C、E、F、D (20)6.3屋脊拼接节点G (21)6.4下弦一般节点H (23)6.5下弦拼接节点I (23)6.6下弦中央节点J (25)6.7受拉主斜杆中间节点K (25)8参考资料 (25)三角形钢屋架课程设计指导书西南交通大学自考班课程设计任务书——钢屋架设计一、设计资料1.某地区某金工车间,长18×Sm,跨度Lm,柱距Sm,采用无檩屋盖结构体系,梯形钢结构屋架,1.5m×Sm预应力混凝土大型屋面板,膨胀珍珠岩制品保温层(容重4kN/m3,所需保温层厚度由当地温度确定),卷材屋面,屋面坡度i。
基本风压W,基本雪压S. 活荷载q2.某地区某车间,长18×S m,跨度L m,采用有檩屋盖体系,三角形屋架,屋面采用压型钢板0.15Kn/m2,不保温,屋面坡度i。
基本风压W,基本雪压S.活荷载q根据附表选择题目。
屋架均简支于钢筋混凝土柱子上,混凝土标号为C20,建造地点见附表。
屋架所受荷载,包括恒载,活荷载,及风雪荷载等,均应该根分组表采用。
三角形钢屋架课程设计1 三角形钢屋架课程设计任务书1.1 设计题目设计某市郊区某机械加工单层单跨厂房的三角形屋架。
1.2 设计资料某机械加工厂房,设有两台工作级别A4的软钩吊车,建筑平面示意图如图1所示,屋面材料采用上下两层多波形压型钢板,中间用20mm厚矿渣棉板保温层,屋面离地面高度约为20m。
屋架两端支撑于截面为400mm×400mm的钢筋混凝土柱上,柱子的混凝土等级为C20。
图1 建筑平面示意图1.3 设计内容(1)选择钢屋架的材料;(2)确定钢屋架的几何尺寸;(3)屋架及屋盖支撑的布置;(4)檩条的设计;(5)钢屋架的设计;(6)绘制钢屋架施工图。
1.4 参考资料(1)《钢结构设计规范》(GB50017).(2)《建筑结构荷载规范》(GB50009).(3)《建筑抗震设计规范》(GB50011).(4)《建筑结构可靠度设计统一标准》(GB50068).(5)《建筑结构制图标准》(GB/T50101).(6)《建筑结构设计术语和符号标准》(G B/T50083).(7)周俐俐,姚勇等编著.土木工程专业钢结构课程设计指南. 北京:中国水利水电出版社,知识产权出版社,2007.5.2、三角形钢屋架课程设计指导书参见梯形钢结构屋架课程实际指导书。
3、三角形钢屋架课程设计实例3.1 设计资料三角形(芬克式)屋架跨度24m ,间距6m ,屋面材料为压型钢板(自重0.122kN m ),屋面坡度1/2.5,厂房长度为60m 。
基本风压0.402kN m ,雪荷载为0.352kN m ,屋面高度为(平均约)20m ,屋架支撑于钢筋混凝土柱上。
钢材采用Q235B,焊条采用E43型。
3.2 屋架尺寸和檩条、支撑布置 1.屋架尺寸屋架计算跨度:0l =l -300=24000-300=23700mm屋面倾角: '1a r c t a n 2148,s i n 0.3714,c o s 0.92852.5ααα==== 屋架跨中的高度为:2370047402 2.5h mm ==⨯ 上弦长度:0127622cos l l mm α==节间长度:mm a 2555512762'==节间水平投影长度:a='a cos α=2555×0.9285=2370mm 屋架几何尺寸见图2。
18m三角形钢屋架设计1 设计资料及说明设计一位于惠州市郊区的单跨屋架结构(封闭式),主要参数如下:1、单跨屋架,平面尺寸为36m×18m,S=4m,即单跨屋架结构总长度为36m,跨度为18m,柱距为4m。
2、屋面材料为规格1820×725×8的波形石棉瓦。
3、屋面坡度i=1:3。
恒载为0.3kN/m2,活(雪)载为0.60.3kN/m2。
4、屋架支承在钢筋混凝土柱顶,混凝土标号C20,柱顶标高6m。
5、钢材标号为Q235-B.F,其设计强度值为f=215N/mm2。
6、焊条型号为E43型。
7、荷载计算按全跨永久荷载+全跨可变荷载(不包括风荷载)考虑,荷载分项系数取:γG =1.2,γQ=1.4。
2 屋架杆件几何尺寸的计算根据所用屋面材料的排水需求及跨度参数,采用芬克式三角形屋架。
屋面坡度为i=1:3,屋面倾角α=arctg(1/3)=18.435°,sinα=0.3162,cosα=0.9487屋架计算跨度l0 =l-300=18000-300=17700mm屋架跨中高度h= l0×i/2=17700/(2×3)=2950mm上弦长度L=l0/2cosα≈9329mm节间长度a=L/6=9329/6≈1555m m节间水平段投影尺寸长度a'=acosα=1555×0.9487=1475mm根据几何关系,得屋架各杆件的几何尺寸如图1所示图1 屋架形式及几何尺寸3 屋架支撑布置3.1 屋架支撑1、在房屋两端第一个之间各设置一道上弦平面横向支撑和下弦平面横向支撑。
2、因为屋架是有檩屋架,为了与其他支撑相协调,在屋架的下弦节点设计三道柔性水平系杆,上弦节点处的柔性水平系杆均用该处的檩条代替。
3、根据厂房长度36m ,跨度为4m ,在厂房两端第二柱间和厂房中部设置三道上弦横向水平支撑,下弦横向水平支撑及垂直支撑。
如图2所示。
图2 屋盖支撑布置3.2 屋面檩条及其支撑波形石棉瓦长1820mm,要求搭接长度≥150mm ,且每张瓦至少要有三个支撑点,因此最大檩条间距为max 182015083531p a mm-==-半跨屋面所需檩条数15556112.1835p n ⨯=+=根考虑到上弦平面横向支撑节点处必须设置檩条,为了便于布置,实际取半跨屋面檩条数13根,则檩条间距为:max 15556778835131p p a a mm⨯===-< 可以满足要求。
三角形钢屋架设计目录目录 (I)一.设计资料 (1)二.屋架形式、几何尺寸及支撑布置 (1)三.荷载计算 (2)四.内力计算 (4)五.杆件截面选择 (5)1. 上弦杆 (5)2. 下弦杆 (6)3. 腹杆 (7)六.节点设计 (8)一.设计资料屋架跨度为18m,屋架间距为6m,屋面坡度为31,屋面材料为石棉水泥中波或小波瓦、油毡、木望板。
薄壁卷边Z形刚檩条,檩条斜距为0.778m,基本风压为0.352kN。
钢材采用Q235B,焊条采用E43 mkN,雪荷载为0.202m型。
二.屋架形式、几何尺寸及支撑布置屋架形式、几何尺寸及支撑布置如图7-35所示,上弦节间长度为两个檩距,有节间荷载。
上弦横向水平支撑设置在房屋两端及伸缩缝的第一开间内,并在相应开间屋架跨中设置垂直支撑,在其余开间屋架下弦中设置一道通常的水平系杆。
上弦横向水平支撑在交叉点处与檩条相连。
为此,上弦杆在屋架平面外的计算长度等于其节间几何长度;下弦杆在屋架平面外的计算长度为屋架跨度的21。
三.荷载计算1) 恒载石棉瓦 2221.0949.02.0m kN m kN =油毡、木望板 2219.0949.018.0m kN m kN = 檩条、屋架及支撑 220.0m kN合计 260.0m kN2) 活荷载活荷载与雪荷载中取最大值 230.0m kN因屋架受水平投影面积超过602m ,故屋面均布活荷载可取为(水平投影面)230.0m kN 。
《参见钢屋架图集》。
3) 风荷载基本风压 235.0m kN计算中未考虑风压高度变化系数。
4) 荷载组合:恒载+活荷载;恒载+半跨活荷载;恒载+风荷载。
5) 上弦的集中荷载及节点荷载如图7-36、图7-37及表7-6所示。
表7-6 上弦集中荷载及节点荷载 荷载形式荷载分类 集中荷载(设计值) kN P ' 节点荷载(设计值) kN P P '=2 备注恒载 3.189 6.378 kN m m m kN P 189.36103778.06.02.12=⨯⨯⨯⨯='活荷载 1.860 3.72 kN m m m kN P 860.16103778.03.04.12=⨯⨯⨯⨯='荷载+活荷载 5.049 10.098kN kN kN P 049.5860.1189.3=+='6) 上弦节点风荷载设计值如图7-38所示。
课程设计说明书课程名称:钢结构设计题目:三角形钢屋架设计院系:土木与建筑工程学院学生姓名:学号:专业班级:指导教师:2012年5月27日课程设计任务书三角形钢屋架课程设计摘要:该设计是一个单层单跨厂房的三角形屋架,屋面材料为波形石棉瓦以及保温木丝板,结构采用有檩体系,并设有上弦横向水平支撑和下线横向水平支撑以及垂直支撑。
屋架简支于钢筋混凝土柱上,柱的混凝土等级为C20,截面尺寸为400mm mm,钢材400采用Q235B,焊条采用E43型,手工焊。
综合运用力学和钢结构课程所学知识,在可不考虑抗震设防的前提下,查阅资料,利用所给荷载、几何参数等计算杆件内力、选取杆件材料、型号、尺寸以及节点处的连接(包括焊缝尺寸、焊缝长度)支座处的连接。
根据计算结果在cad上画施工图并书写设计说明书。
基本达到了巩固在课本上所学的知识的目的,增加了设计经验。
关键词:三角形屋架支撑荷载计算焊缝设计和验算目录1.设计背景 (1)1.1课程设计内容 (1)1.2 课程设计要求 (3)2.设计方案 (5)2.1钢屋架布置 (5)2.2材料选择 (5)3.方案实施 (6)3.1 设计资料 (6)3.2 屋架尺寸和檩条、支撑布置 (6)3.3 檩条的设计 (8)3.4 屋架节点荷载计算 (10)3.5 屋架杆件内力计算 (11)3.6 杆件截面选择 (12)3.7 节点设计 (17)4. 结果与结论 (23)5.收获与致谢 (24)6. 参考文献 (25)7. 附件 (26)1. 设计背景1.1课程设计内容1.建筑物基本条件厂房长度60m,檐口高度15m。
厂房为单层单跨结构,内设有两台中级工作制桥式吊车。
拟设计钢屋架,简支于钢筋混凝土柱上,柱的混凝土强度等级为C20。
柱顶截面尺寸为400mm mm。
钢屋架设计可不考虑抗震设防。
400厂房柱距选择:6m图1 建筑平面示意图2、设计题目(1)三角形钢屋架a1)属有檩体系:檩条采用槽钢[10,跨度为6m,跨中设有一根拉条φ10。
三角形钢屋架课程设计1 设计背景1.1 设计资料1.建筑物基本条件厂房长度96檐口高度15m。
厂房为单层单跨结构,内设有两台中级工作制桥式吊车。
拟设计钢屋架,简支于钢筋混凝土柱上,柱的混凝土强度等级为C20。
柱顶截面尺寸为400mm mm⨯。
钢屋架设计可不考虑抗震设防。
三角形(芬克式)屋架跨度、400柱距、屋面坡度、钢材型号见下表,屋面材料为波形石棉瓦(自重0.202kN m),厂房长度为96m,雪荷载为0.55 2kN m。
参数表2、设计题目(1)三角形钢屋架(b)1)属有檩体系:檩条采用槽钢,跨度为6m,跨中设有一根拉条φ10。
2)屋架屋面做法及荷载取值(荷载标准值):永久荷载:波形石棉瓦自重 0.20 kN/m2檩条及拉条自重 0.20 kN/m2保温木丝板重 0.25 kN/m2钢屋架及支撑重 (0.12+0.011⨯跨度) kN/m2可变荷载:雪荷载 0.55kN/m2屋面活荷载 0.40 kN/m2积灰荷载 0.30 kN/m 2 注:1、以上数值均为水平投影值;1.2 屋架形式图12 设计方案2.1 檩条设计根据屋面材料的最大容许檩距,可将檩条布置于上弦节点上(见上图1),檩距为节间长度。
在檩条的跨中设置一道拉条。
选用[18a 槽钢截面,由型钢表查得,x W =141.43cm ,y W =20.03cm ,x I =1272.74cm 。
1.荷载计算(对轻屋面,可只考虑可变荷载效应控制的组合)永久荷载:(坡面)沿屋面分布的永久荷载应乘以1/αcos =15.22+/2.5=1.077 波形石棉瓦自重: 0.20×2.555⨯1.077=0.550kN m 檩条和拉条自重: 0.20×2.555⨯1.077=0.550kN m 保温木丝板自重: 0.25×2.555⨯1.077=0.688kN mk g =1.788kN m 4可变荷载:(由于屋面活荷载为0.402m kN 小于雪荷载0.552m kN 故可不考虑屋面活荷载,只考虑雪荷载。
【精品】三角形钢屋架设计3 在设计三角形钢屋架时,需要综合考虑结构强度、稳定性以及施工便利性等多个因素。
以下是一个三角形钢屋架设计的详细步骤:一、设计准备1.需求分析:首先了解客户需求,明确屋架的用途、尺寸、承重等要求。
2.荷载分析:根据需求,进行屋面荷载、风载、雪载等作用的分析,以确定屋架的结构形式和尺寸。
3.材料选择:根据荷载大小、跨度等因素,选择合适的钢材型号。
二、结构设计1.形状设计:采用三角形作为屋架的形状,根据客户的要求和钢材料的特点进行设计。
2.节点设计:节点是钢屋架的关键部位,需要进行精细设计。
对于三角形钢屋架,可以采用焊接或螺栓连接的方式,确保节点的牢固性和稳定性。
3.尺寸优化:根据需求和材料规格,对三角形钢屋架的尺寸进行优化,以实现最优的结构性能。
三、细部设计1.防锈处理:钢材容易生锈,因此需要在表面进行防锈处理,如涂刷防锈漆等。
2.排水设计:考虑到屋面积水问题,需要在屋架设计时预留排水孔,并确保排水通畅。
3.通风设计:为了使室内具有良好的通风性,可以在屋架的高点设置通风口,以确保空气流通。
4.安装方式:确定三角形钢屋架的安装方式,如吊装或现场拼装等,并考虑人员和机械的操作空间。
四、施工图绘制与校核1.利用绘图软件绘制施工图纸,标注详细尺寸、材料和工艺要求等信息。
2.对施工图纸进行校核和审核,确保图纸的正确性和可行性。
五、施工指导与质量控制1.根据施工图纸,制定详细的施工方案和工艺流程。
2.对施工现场进行技术交底,确保施工工人了解施工图纸和工艺要求。
3.在施工过程中,进行质量检查和控制,确保每一道工序的施工质量都符合设计要求。
主要检查项目包括:钢结构连接点的质量、屋架的几何尺寸和形状、焊接质量、防锈处理等。
4.在施工结束后,进行质量验收,确保整个屋架的质量符合规范和设计要求。
六、维护与检修1.在使用过程中,定期对屋架进行检查和维护,确保其结构安全性和稳定性。
主要检查项目包括:连接部位的紧固情况、钢材的锈蚀情况、通风和排水设施的运行情况等。
三角形钢屋架课程设计三角形钢屋架课程设计任务书一、 设计题目啤酒厂A 线车间单层单跨厂房的三角形钢屋架。
二、 设计资料厂房,三角形屋架跨度14.7m ,间距6m ,设有两台工作级别 A4的软钩吊车,建筑平 面示意如图1所示,屋面材料采用上、下两层多波形压型钢板(自重 0.12 kN/m 2),中间用3100mm 厚玻璃丝棉保温层(自重 0.065kN/m ),屋面离地面高度约为 7m ,厂房长度12m 。
基本风压0.45kN / m 2,雪荷载为0.40kN /m 2。
屋架两端支撑于截面为 400mmX 400mm 的钢筋 混凝土柱上,柱混凝土等级为 C20。
Tr I I I IK1建筑平面示总图三、设计内容1、 选择钢屋架的材料。
2、 确定钢屋架的几何尺寸3、 屋架及屋盖支撑的尺寸4、 檩条的设计5、 钢屋架设计6、 绘制钢屋架施工图nT■■诃 1J 片 - IZ7T"1 . ■ 1 L -h —4&<1CLLn二 ____ ___ -12X6000-------- LnI四、参考资料1、 《钢结构设计规范》(GB50017—2002)。
2、 《建筑结构荷载规范》(GB50009— 2001 )。
3、 《建筑抗震设计规范》(GB50011 — 2001)。
4、 《建筑结构可靠度设计统一标准》(GB50068—2001 )。
5、 《建筑结构制图标准》(GB —T50101—2001 )。
6、 《建筑结构设计术语和符号标准》(GB/T50083—97)。
7、 《钢结构设计手册》,罗邦富等,中国建筑工业出版社,&《钢结构》(第二版),魏明钟主编,武汉理工大学出版社,三角形钢屋架课程设计计算书一、屋架尺寸和檩条、支撑布置1、 屋架尺寸屋架计算跨度:I 。
= I - 300 二 30000 - 300 二 29700mm屋面高度:h=4740mm上弦长度:L =23700/(2 0.9285) =112762mm 节间长度:a 二12762二 2127mm6屋面倾角::•二acrta n 」 21.802.5节间水平投影长度: a 二a cos 〉= 2127 0.9285 = 1975mm 屋架几何尺寸见图2。
三角屋架设计1 设计资料及说明1、单跨屋架,平面尺寸为60m×18m,S=6m,即单跨屋架结构总长度为36m,跨度为18m,柱距为6m。
2、屋面材料:规格长尺压型钢板。
3、屋面坡度i=1:3。
活(雪)载为0.35kN/m2,基本风压为0.70kN/m2。
4、屋架支承在钢筋混凝土柱顶,混凝土标号C30,柱顶标高8m。
5、钢材标号为Q235-B,其设计强度值为f=215N/mm2。
6、焊条型号为E43型。
7、荷载计算按全跨永久荷载+全跨可变荷载(不包括风荷载)考虑,荷载分项系数取:γG =1.2,γQ =1.4。
2 屋架杆件几何尺寸的计算根据所用屋面材料的排水需求及跨度参数,采用芬克式三角形屋架。
屋面坡度为i=1:3,屋面倾角α=arctg(1/3)=18.435°,sinα=0.3162,cosα=0.9487屋架计算跨度l0 =l-300=18000-300=17700mm屋架跨中高度h= l0×i/2=17700/(2×3)=2950mm上弦长度L=l0/2cosα≈9329mm节间长度a=L/6=9329/6≈1555m m节间水平段投影尺寸长度a'=acosα=1555×0.9487=1475mm根据几何关系,得屋架各杆件的几何尺寸如图1所示图1 屋架形式及几何尺寸3 屋架支撑布置3.1 屋架支撑1、在房屋两端第一个之间各设置一道上弦平面横向支撑和下弦平面横向支撑。
2、因为屋架是有檩屋架,为了与其他支撑相协调,在屋架的下弦节点设计三道柔性水平系杆,上弦节点处的柔性水平系杆均用该处的檩条代替。
3、根据厂房长度36m,跨度为4m,在厂房两端第二柱间和厂房中部设置三道上弦横向水平支撑,下弦横向水平支撑及垂直支撑。
如图2所示。
图2屋盖支撑布置4 荷载计算屋架支撑0.3(kN/m2)压型钢板015*3.16/3=0.158(kN/m2)檩条和拉条0.13(kN/m2)合计g k=0.588(kN/m2)可变荷载q k=0.3(kN/m2)檩条的均布荷载设计值q=γG g k+γQ q k=1.2×0.588+1.4×0.35=1.20kN/m2节点荷载设计值P=qa's=1.13×1.475×6=10.62kN5 屋架的内力计算5.1 杆件的轴力芬克式三角形桁架在半跨活(雪)荷载作用下,腹杆内力不变号,故只按全跨雪荷载和全跨永久荷载组合计算桁架杆件内力。
根据《建筑结构静力计算手册》,对于十二节间芬克式桁架,n=17700/2950=6。
先差得内力系数,再乘以节点荷载P=10.62kN,屋架及荷载是对称的,所以只需计算半个屋架的杆件轴力。
计算出的内力如表1所示。
注:负为压杆,正为拉杆。
5.2 上弦杆的弯矩由《钢结构与组合结构》查的,上弦杆端节间最大正弯矩:M1=0.8M0,其它节间最大正弯矩和节点负弯矩为M2=±0.6M0。
上弦杆节间集中载荷 P=10.62kN节间最大弯矩 M0= Pl/4 =10.62×1.475/6=3.92kN·m 端节间 M1=0.8M0=3.136kN·m 中间节间及节点 M2=±0.6M0=±2.35kN·m 6 屋架杆件截面设计在设计屋架杆件截面前,首先要确定所选节点板的厚度。
在三角形屋架中,节点板厚度与弦杆的最大内力有关。
根据弦杆最大内力Nmax=184.68kN ,查《钢结构设计及实用计算》P83页表5-1单壁式桁架节点板厚度选用表可选择支座节点板厚为10mm ,其它节点板厚为8mm 。
6.1 上弦杆整个上弦杆采用等截面通长杆,由两个角钢组成T 形截面压弯构件,以避免采用不同截面时的杆件拼接。
弯矩作用平面内的计算长度 lox=1555mm 侧向无支撑长度 l 1=2×1555=3110mm首先试选上弦截面为2∟100×7,查《钢结构》得其主要参数: 223.86A cm ,=3max 86.08x W cm ,=3min 31.36x W cm ,=3.10x i cm = 4.37x i cm截面塑性发展系数 γx1=1.05,γx2=1.2。
6.1.1 强度验算取AB 段上弦杆(最大内力杆段)验算: 轴心压力: N=184.68kN最大正弯矩(节间): Mx=M1=3.10kN·m ; My=M2=2.35kN·m截面强度验算由负弯矩控制。
γ⨯⨯+=+=<⨯⨯⨯362223min 184.6810 2.3510139.85/215/23.8610 1.231.3610x x x M N N mm N mm A w6.1.2 弯矩作用平面内的稳定性验算λx=l0x / ix=155.5/3.09=50.32<150, 按GB50017附录C 表C-2查得x ϕ=0.856λπ⨯⨯⨯⨯===233223.142061023.86101938.550EX x EAN KN按有端弯矩和横向荷载同时作用使弦杆产生反向曲率,故取等效弯矩系数为0.85mx β=max 0.81m xx x x Ex M NfAN W N βϕγ+≤⎛⎫- ⎪⎝⎭'⨯⨯⨯+=<⎛⎫⨯⨯⨯-⨯ ⎪⎝⎭3623184.68100.85 3.1010101.2215184.680.85623.8610 1.05*86.0810.82243mm mm补充验算:min 1 1.25mx xx x Ex M NfAN W N βγ-≤⎛⎫- ⎪⎝⎭'故平面内的稳定性得以保证。
6.1.3 弯矩作用平面外的稳定性验算此稳定性由负弯矩控制,验算上弦杆ABC 段在弯矩作用下平面外的稳定性 轴心压力 N1=184.86kN ,N2=171.30kN 。
loy= l1(0.75+0.25N2/N1)=2×155.5×(0.75+0.25×184.86/171.30)=317.15λy= loy / iy =305.36 / 4.39=69.56<150 查《钢结构》附表得0.844y ϕ=,对弯矩使角钢水平肢受压的双角T 形截面,查相关规范得整体稳定系数b ϕ可用下式计算:10.001710.00170.998b yϕϕ=-=-⨯= 在计算长度范围内弯矩和曲率多次改变向号,为偏于安全,取0.85tx mx ββ==。
βϕϕ⨯⨯⨯+=+=<⨯⨯⨯⨯362223min 184.86100.85 2.3510212.12150.88423.86100.99831.3610tx x y b x M N mm mm A W平面外长细比和稳定性均满足要求。
6.1.4 局部稳定验算对由2∟100*6组成的T 形截面压弯构件 翼缘:----===<10061014156b b t r t t 满足局部稳定要求。
腹板:--==<01415w b b t rt t亦满足要求。
所选上弦杆截面完全满足各项要求,截面适用。
6.2 下弦杆(轴心受拉杆件)整个下弦钢不改变截面,采用等截面通长杆。
在下弦节点I 处,下弦杆角钢水平肢上开有直径为17.5mm 的安装螺栓扩孔。
因此,计算下弦杆强度时,必须考虑及此。
此外,选截面时还要求角钢水平肢(开孔肢)的边长≥63mm ,以便开d 0=17.5mm 的安装螺栓孔。
首先按段AH 的轴心拉力N=175.23kN下弦杆的计算长度 lox=393.4cm (取下弦杆IJ 段的长度) loy=2×393.4=786.8cm 需要⨯≥=⨯=32175.2310108.15215n N A cm f[]393.41.124350oxx l i cm λ≥==[]786.82.248350oyy l i cm λ≥==选用2∟56×4的角钢,其截面相关参数为 A=8.78cm 2,ix=1.73cm ,iy=2.52cm 。
62.1 长度验算杆段AH An=A=8.78cm 2σ⨯===<⨯3222175.2310199.59/215/8.7810n N N mm N mm A 杆段HIσ⨯===<⨯3222143.3710163.29/215/8.7810n N N mm N mm A 杆段IJσ⨯===<⨯322295.5810108.86/215/8.7810n N N mm N mm A 6.2.2 长细比验算393.4227.43501.73ox x x l i λ===< 786.8312.223502.52oy y yl i λ===<下弦杆长细比满足要求,所以所选下弦杆截面适用。
6.3 腹杆5.3.1 中间竖腹杆JG对于中间竖腹杆,N=0,l =295cm对连接垂直支撑的桁架,采用2∟50×4组成十字形截面,cm i i ox 94.1min == 单个角钢∟50×4,m in i =0.99cm 0l =0.9 l =0.9×295=265.5cm0min265.5136.863501.94o l i λ===<可满足要求。
6.3.2 主斜腹杆IK 、KG主斜腹杆IK 、KG 两杆采用相同截面,lox=245.8cm ,loy=2245.8=491.6cm , 内力设计值 N=+79.65kN 所需净截面面积-⨯==⨯=32279.651010 3.7215N A cm f[]245.80.70350oxx l i cm λ≥==[]491.61.40350oyy l i cm λ≥==选用2∟30×4,T 形截面=⨯=>222 2.27 5.52 3.7A cm cm ,ix=0.90cm >0.7cm , iy=1.49>1.40cm 可以使用6.3.3 腹杆DINDI=-30.27kN ,lox=0.8 l=0.8×155.5=124.4cm ,loy=l =155.5cm 选用∟40×4,A=3.09cm 2,ix=1.22cm ,iy=1.96cm 刚度验算:124.41021501.22ox x x l i λ===< 155.5791501.96oy y yl i λ===<按b 类截面查表得0.542x ϕ=ϕ⨯==<⨯⨯322230.2710180.7/215/0.542 3.0910x N N mm N mm A 可满足要求。
6.3.4 腹杆BH 、CH 、EK 、FK4根杆均为压杆,受力及长度均有小于DI 杆,故可按DI 杆选用∟40×4,只不采用填板。