外协加工流程图
- 格式:docx
- 大小:38.28 KB
- 文档页数:1
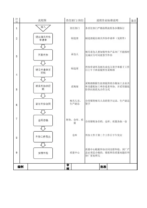
序号备注4
审核批准外协工件于第二个工作日下午发出仓库财务、仓库、质量合同要财务存档,仓库、质量各执一份质量中心根据外协合同安排外检,到厂产品必须是合格的,要把所有质量问题在外
协厂家处理完
质量中心制造部制造部提出相关外协申请单(见附件)相关承包人要知情外协产品本厂不能按时
完成后方可同意签字外协
采购部跟据生技部提供的合格加工企业名
单及最低加工单价连系外协,并采用最低
价供应商优先合作方式采购部89编制1235
67 相关人员、生产副总合同要附相关人员的签字记录,生产副总签字制造部外协申请单及相关承包人签字单据于工作
日上午下班前提供至采购部
承包人流程图责任部门/岗位流程作业标准说明责任部门各责任部门严格按照流程各步骤执行输入。
外协件加工信息和物料出入库流程单据/记录流程图工作内容负责单位己月生产计划外协投料计划坯料发货至外协单位送货单周要货订单零件送货单自检记录外协零件报验单外协零件检验报告/标识物料账册和ERP供应商交付绩效记录1 )每月根据交付计划编制外协加工计划2)根据物料物料盘点编制投料计戈U根据月度外协计划配置生产能力(设备、工装、操作者)根据月度外协计划、交付进度和零件加工周期发岀坯料1)清点数量,在送货单上签字,留下一联单据2)登记入账1)按照订单的要求的加工的零件进行生产2)按照PJ的图纸和技术协议要求进行加工3)按照双方验收协议进行质量检验和控制3)按照周要货订单规定的时间和数量发货每周向供应商发岀一次要货计划1)按照订单要求的零件名称、数量和时间发货,并带上周要货订单2)附上送货单和自检报告1)按照订单要求的零件名称、数量判定是否符合要求2)是否有附上送货单和自检报告1)接收零件并在送货单上签字2)收好自检报告和送货单3)发岀报验单至质量部(半小时内)1)按验收协议检验零件完成检验报告2)合格零件做好合格表示并在报验单上签字,不合格零件做好标识,并通知物流仓库,告知处置方式(2小时)1)质量合格零件入库梓专序2)报验单(质量部签字)、入库单、自检报告汇集,3)零件登记入账(在 4个小时之内)4)完成供应商交付绩效记录1)返工零件转入待处理库通知供应商调换零件或补上缺货数量,并再按照入库流程实施2)报废零件的坯料数量损失记录3)记录供应商交付绩效PJ物流部外协供应商PJ物流部外协供应商外协供应商PJ物流部外协供应商PJ物流部PJ物流部PJ物流部PJ物流部、成品入库流程(成品入库流程图在帖子下方的附件中)车间包装完成后,拉包工核对订单后,按实际数量开具《车间交货送货单》,若整单未完成,有欠数的,须在单据上注明“此单共多少,还欠多少”。
拉包工带上《车间交货送货单》,将实物拉到成品库,一般情况按规定区域摆放,特殊情况摆不下的可摆入其它区摆放必须遵守规则,零头要放在最上面,且做好标识。
查询系统程序流程图图查询系统查询流程包括17个查询模块的程序流程图(如下)1.原材辅料库存查询模块程序流程图2.半成品库存查询模块程序流程图3.产品库存查询模块程序流程图4.采购应付款查询模块程序流程图5.外协加工费应付款查询模块程序流程图6应收款查询模块程序流程图7.各种单据查询修改打印模块程序流程图8.计划类数据综合查询模块程序流程图9.采购类数据综合查询模块程序流程图10.材料进出数据综合查询模块流程图11.半成品进出数据综合查询模块程序流程图12.产品进出数据综合查询模块程序流程图13.销售类数据综合查询模块程序流程图14.投产及完成情况综合查询模块程序流程图15生产在线情况综合查询模块程序流程图16不良品数据综合查询模块程序流程图17外协加工类数据综合查询模块程序流程图1.原材辅料库存查询模块程序流程图流程图12.半成品库存查询模块程序流程图流程图23.产品库存查询模块程序流程图流程图34.采购应付款查询模块程序流程图流程图45.外协加工费应付款查询模块程序流程图流程图56应收款查询模块程序流程图流程图67.各种单据查询修改打印模块程序流程图思考构造中。
流程图8流程图910.材料进出数据综合查询模块流程图流程图10流程图11流程图1213.销售类数据综合查询模块程序流程图流程图1314.投产及完成情况综合查询模块程序流程图流程图1415生产在线情况综合查询模块程序流程图流程图1516不良品数据综合查询模块程序流程图流程图1617外协加工类数据综合查询模块程序流程图流程图17。
电子车间生产流程图电子车间生产流程图
外协加工PCB板自焊PCB板
外协员确认配料
仓库领料单
外协加工核对元器件数量
外协加工完成
外协员检查PCB
板的数量与质量N 并核对退回元器
件的数量 N
外协加工件检验
合格不合格焊接手工修整
合
格自检
合格不合格互检手工修整
合合格
格填写工艺流程卡
提交调试组
调试组核对数量
签收
不合格下载程序维修
合格合格不合格维修单板调试合格合格
填写工艺流程卡
喷漆
不合格提交装配组成品检验维修
合格合
装配组核对数量并签格填写工艺流程卡收半成品装配填写送检单
填写工艺流程卡提交质检部
提交调试组不合格质检部检验维修
合调试组核对数量合格
格
提交装配组不合格半成品检验维修
合格核对数量
合格填写工艺流程卡
成品包装提交装配组
入库产品老化
提交调试组结束
调试组核对数量
不合格维修老化后半成品验证
合格
合格填写工艺流程卡
提交装配组
装配组核对数量
整机装配
填写工艺流程卡
提交调试组
调试组核对数量。
附件: 外协流程图
1、如遇本流程未涵盖事宜,由外协人填写内部行文单上报总经理处
2、订单前道是经营部外协的,开发印单时只开具需加工工序即可
3、如外协产品以成品回厂时由品控部填写《外协验收单》后办理入库手续
4、《外协验收单》每月月底交至财务部
各相关人员开具外协单
总经理审批
质量数字由业务员负责
外协单交至业务员
财务编号签字确认
品控全检出厂
外协加工
品控全检验收
移交至生产部,生产部接收人在《外协验收单》上签字确认
交财务核账
填写《外协验收单》 注明扣款事宜
不合格时汇同生产、业务员评审判定
业务员填写
《外协验收单》 注明具体事项(含扣款)
加工
需回厂
合格
不合格
直接出货
①生产因产能饱和、设备、人员异动等
②经营部因无设备或设备不匹配,某些工序需外协的
③经营部所有工序全部需外协的 ④行政部办公表格外协
行政外协
行政部验收并填写《外协验收单》
所有工序外协的 ③④
行政部外协的需要总经办在样品上签字确认后才可进行下一步审批工作。
下单流程图
委外发料流程图
OEM加工流程说明及补充要求
1.考察多家OEM工厂,评估能符合我方加工要求的工厂
2.落实加工意向的二至三家工厂,提供沙发样板打样
3.给我们厂家报价,并以我们内部成本清单对照,讨论给加工商单价
4.进行报价评审,符合公司质量要求,交货期最快,成本合理者为重点合作对象,
并对其加工和管理实力的考核,并最终落实两家为合作对象
5.上面情况符合要求,双方签订加工合同(合同另议)
6.由公司业务或PMC制定每月或每星期的下单计划;PMC计划好要发给加工商的
五金件及面料数量后,把下单计划传真给OEM厂家(流程审核见上图)
7.PMC把计划单中要给的材料数量送给仓库,并由仓库负责运输给OEM并签收。
如果遇到我方材料问题,可根据上面退料流程办事,并根据退料多少补上合格数
8.OEM商在进行生产我司产品前,由我方质检或开发人员参与监督生产和技术指
导,并把产品质量工艺要求落实好
9.在生产完成每批次,公司安排质检到现场进行验收,并贴上特别识别合格标签
以识别是哪家OEM公司生产,经检验合格后对方才能包装,包装后定为合格产品运到公司指定地点
10.在以后的售后或潜在的生产造成、运输过程中出现的质量问题,经过公司质
检检查,是OEM方造成的由其负责维修,公司方责任由公司生产解决问题11.双方人员为了保证产品的质量和交货期要定期沟通或在紧急事情情况快速
处理好,要随叫随到的形式服务好外协订单
12.为了保证外协加工的质量和交货期,公司安排专责的有经验及技术的质量监
督员跟进其加工过程
13.公司安排PMC人员作为跟进OEM厂家的生产进度,并用进度表格记录每天完
成情况
委外加工进度明细表
李文。
外包过程控制程序1.目的为规范外包过程的质量控制,特制定本程序。
2.适用范围本程序适用于公司现有的产品外包过程。
包括试验外包、测量设备的校准和产品加工外包(以下简称产品外协)和其它服务性外包活动。
其它服务性外包包括委外运输、某些人员培训、技术服务(分析、计算、论证、咨询)、某些设备的维护和工艺装备的委外设计、生产等。
3.术语外包:组织在产品实现过程中、某些过程无法靠自身能力实现或实现成本很高的情况时,委托其他机构实施的过程。
4.职责4.1 副总经理负责外包项目的批准。
4.2 采购部负责本程序的归口管理及合同的监察。
4.3 采购部长的职责4.3.1负责产品外协过程的实施,包括外协计划的编制与审核;4.3.2负责产品外协供应商的选择、资质评价、风险分析、实地考察组织和策划、项目实施、业绩评价的具体实施和外协任务的日常监督管理工作。
4.4质量部的职责4.4.1负责检测外包、试验外包供应商的选择、资质评价、风险分析、业绩评价的具体实施和外包任务的管控。
4.4.2负责产品外协的质量检查和控制。
4.5 技术部的职责4.5.1负责技术服务供应商的选择、资质评价、风险分析、项目实施、业绩评价的具体实施和外协任务的日常监督管理工作。
4.5.2负责产品外协中产品重要度分类、验证要求及外包产品的技术标准(接收标准)。
4.6其它方面的外包,按照“职能相近”的原则,由公司内部与外包内容相近的业务负责。
5 工作流程及内容5.1公司的外包过程分类产品外包的所有过程:技术开发外包,生产外包、检测外包和其它服务类外包。
技术开发类外包:包括分析、计算、论证等。
生产外包:即产品或零(组)件的生产外包,工艺装备的委外设计、生产可参照执行。
检测外包:检测工序外包、试验外包、和测量设备的校准和周期检定外包。
其它服务类外包:委外运输、某些人员的培训、设备维护外包。
5.2典型外包流程详见附件1:外包过程流程图5.3 产品外协过程5.3.1 产品外协分类产品外协按其对产品后续加工质量及最终产品质量的影响分为三类:a) Ⅰ类产品外协:定制成件、关重件、特殊工艺件、组件;b) Ⅱ类产品外协:除上述Ⅰ类产品定义以外的外协件。
文件编号: Q/SC005-002生产中心各职能部门主要工作流程图一、计划信息管理版本号 /订正号:A/0 第1页共1页1、生产计划拟订流程图销售计划 /NO 发货计划库房理货发货订单任务年度生产主计划车间作业计划车间生产制造主生产计划评审/ 审批Y计划分解物料需求计划采买部采买库存标准委外加工计划外协加工生产差额计划评审 / 审批的权限区分:1.1、属定制 / 试制类或批量工程订单类的生产计划须经有关职能部门会审确认,生产副总审批后有效;1.2、惯例产品投产批量金额在元(含)以上的生产计划,须经部门经理审查,报生产副总审批后有效;1.3、惯例产品投产批量金额在元以下的生产计划,由部门经理审批后有效;2、月主生产计划编制与分解流程图核查成品NO库存状况需求计划 +生成计划数Y 查察物料清单查察上月生成主计划审查 /同意需求任务流量产品 BOM产能剖析挑选、分类核查配套件汇总物料需求 / 采买计划物料状况主计区分解Y审批自制加工计划/ 配套计划计划了案发货计划装置 / 包装计划核查配套件在制状况NO委外加工计划说明:2.1、需求计划主要指年度计划、销售计划、库存计划等;需求任务主要指订单任务、填库任务等。
2.2、审查、审批主要工作内容为改正原定计划交期,增减原定计划数目或规格品种等。
以下略。
2.3、计划了案主要工作内容有:检查计划的实质达成状况、依据计划的实质履行状况统计、剖析并实时订正实质产能依照、统计剖析计划的投入产出状况、统计各生产责任单位的计划达成率,并制作生产报表上交主管领导批阅等。
3、分计划的编制与下达流程图3.1 物料需求 / 采买计划计区分解 / 生成配套件、配套计划零零件需求数用料清单NO资料 BOM归类汇总生成物料需求审查/同意采买周期剖析生产计划/ 采买计划核查物料计需求数库存数Y划接单信息跟催计划了案实行采买采买部库房接收接收确认署名编制 / 日期:审查/日期:同意/日期:版本号 /订正号:A/0 生产中心各职能部门主要工作流程图第2页共1页3.2 自制加工计划物料需求 / 采买计划委外加工计划NO核查半成品计区分解/库存状况归类汇总配套计划核查在制生产计划需求数品状况产能剖析分解周 /生成自制审查/同意Y资源般配加工计划日计划剖析Y计划跟催接单信息计划了案自制生产分解 / 下达给制造部生产责任车间接收确认3.3 委外加工计划核查半成品库存状况物料需求 / 采买计划自制加工计划NO归类汇总半成品库计区分解 /配套计划核查外协在制状况委外产能剖析生成委外审查/同意生产计划加工计划需求数计划跟催Y接单信息计划了案委外加工分解 / 下达给采买部外协加工商接收确认Y接收3.4 装置 / 包装计划核查组件库存配套状况订单要求NO 归类汇总计区分解 /配套计划核查组件在制状况产能剖析生成装置 /审查/同意装置/ 包装包装计划计划需求数Y计划跟催接单信息计划了案装置/包装分解 / 下达给包装主管责任班组接收确认领料配料/发料半成品库接收Y3.5 发货计划核查成品库存状况订单任务核查产品在制状况计划了案订单要求NO归类汇总生成发货审批Y 成品库主管产能剖析计划信息接收确认计划跟催发货通知单反应Y物流主管办理交接手续发货打包·装车接收确认分解 / 下达给各成品库房理货·配货编制 / 日期:审查/日期:同意/日期:版本号 /订正号: A/0生产中心各职能部门主要工作流程图4、生产中心订单达成流程全图第3页共1页答复交期☆订单分解营销中心无货主计划员核查库存订单任务核查物料发 有产能剖析货货通 物控部知 单主生产计划计区分解采买部包装计划 制造单位 物料采买包装单位生产制造原资料库发装箱清单货 发货计划成品库房装置 /包装半成品库通 知单理货·配货发货票据 财务结算客户表记 / 唛头物流单位 打包·装车 发货 订单了案☆备注:关于定制 / 试制类或批量工程类订单,计划信息部须在招集有关责任单位负责人和主管领导进行订单评审后,方准向营销中心答复交期。
委外加工管理程序(IATF16949-2016/ISO9001-2015)1.0目的对外协加工的产品进行控制,以指导外协采购实施部门的工作。
2.0适用范围适用于外协加工单位,外协加工采购订单的审批。
3.0定义:外协物料:指我司有偿或无偿提供给外协公司并要求外协公司加工的物品。
4.0职责4.1开发部:负责外协加工的技术资料的提供。
4.2品管部:负责外协加工物料和产品质量的监控。
4.3生管部:负责外协加工计划、生产、物料的供应。
4.4采购部:负责外加工厂的评估、选择与签定外加协议。
4.5外协加工厂:负责产品的加工。
5.0程序5.1流程:外协加工流程图相关责任部门 相关记录/表单生管部 生产部生管部公司领导 采购部 开发部 品管部生管部/采购部生管部/采购部外加工厂外加工厂生管部品管部/外加工厂生管部财务部[委外加工申请单][供应商初选及合格供应商年审检查表][出货单] [物料清单][送货单][出厂检验报告][进料检验报告][收料单]5.2外协生产的时机:5.2.1生管部评估我司目前生产能力饱和;5.2.2经相关部门评估目前我司某工序无法满足客户的要求; 5.2.3某批订单生产交期急;5.2.4其他经公司领导同意外发的订单。
5.3申请外协生产:当出现以上情况的时候,由生管部提出委外加工申请,并填写[委外加工申请单]。
申请外协生产生产能力评估 退我司报废入库 外协送货 仓库送检外协生产 外协厂认证排单 仓库发料结算5.4批准:生管部将申请单交销售副总或总经理批准后,将[委外加工申请单]分发采购部、品管部和开发部。
5.5外协厂商的认证:5.5.1品管部:A.负责外协厂商的认证工作,并根据情况确定我司是否需要到外协厂商进行现场品质监督,填写[供应商初选及合格供应商年审检查表]。
B.外协产品检验。
C.提出外加工厂商的品质异常,及跟踪验证改善情况。
5.5.2采购部:A.负责与外协厂商的加工费确认及加工协议的制定,总经理对加工费及协议进行批准。
流程概述企业的生产任务管理通常是由生产计划部门制订生产计划,向生产部门下达生产计划,生产部门按照生产计划部门的生产计划安排车间生产。
在生产任务管理过程中需要处理各种来源的生产任务,有效掌握生产进度,及时了解物料和能力的可用情况,管理生产过程的物料流动,控制生产过程中的各种变化,按时按量生产合格的产品。
K/3生产任务管理提供从生产计划、投料管理、生产变更、物料控制、生产汇报、到产品检验入库等全过程业务的处理与控制。
生产任务管理以物料、物料清单、工艺路线为管理控制的依据,以生产任务单为核心控制物料耗用和人工成本,有效管理车间物料。
➢生产任务安排生产计划人员根据MPS/MRP计划订单投放生成生产任务单,生产任务单是生产任务管理系统唯一的需求来源,K/3系统提供多种生产任务单生成方式。
生产过程中如果有临时生产任务需要插单,生产计划人员可以在系统中手工建立生产任务单,然后下达任务单;如果原来安排一个单位执行的任务需要安排给多个生产单位,生产计划人员可以通过任务单的拆分,将一个任务单拆分成不同数量、不同加工单位的任务单;某些产品的配套性要求较高,需要配套下达生产安排,则生产计划人员可以先下达上级物料的任务单,再根据指定的任务单生成下级任务单,以满足配套生产的需求;对于严格按照客户订单生产的企业,生产计划人员可以直接根据销售订单生成任务单,以保证满足客户的需求;生产计划人员下达生产任务单后,通过系统提供的模拟发料功能,检查物料配套情况,及时发现物料的短缺,反馈缺料信息并尽早调整生产计划。
➢生产投料管理投料单是生产任务单的领料计划表,它不仅限额控制物料的领用数量,而且提供相关生产任务单的历史BOM的记录。
生产管理人员在生产任务单下达后,进入任务单对应的生产投料单,根据需要决定发料数量、发料日期以及发料仓库与仓位、选择是否使用替代物料、增加或删除投入物料,对单位用量、损耗率等进行调整。
如果下达的生产任务是返工生产任务或产品拆卸任务,生产管理人员可以为返工或拆卸的产品指定临时的BOM,灵活处理返工、产品拆卸等业务。
MRB作业流程(同特采流程)1.0 目的1.1建立不良品信息沟通及处理平台,及时处理不良品,加强品质管控;1.2快速合理的进行品质缺陷判定,明确品质责任承担;2.0范围2.1 本文件适用于生产急用但与品质标准存在差异,需承担客诉风险之物料,且制造加工单位(含供应商)自身无法处理的物料管理,包括下述内容:2.1.1进料类【外协加工/采购物料经检验判退物料】;2.1.2制程在途类【制程加工在途物料/半成品及配件经检验判退物料】;2.1.3仓储类【仓储半成品及配件等物料经检验判退物料】;3.0 权责3.1 MRB小组组长:判定不合格物料处理结果以及责任承担单位;3.2 MRB小组成员:参与不合格物料评估并执行MRB决议,明确品质异常经济责任承担;4.0 具体内容4.1 MRB小组成员界定4.1.1 MRB小组组长—品质部经理;4.1.2 MRB小组成员—生产部、计划部、采购部、技术部、销售部(相关业务员);4.1.3必要时将临时邀请相关人员;4.2物料异常产生及MRB提出4.2.1公司所有外协加工/采购物料由品质部IQC人员予以检验,如发现来料与品质标准存在差异,但属于生产急用之物料,由采购科/计划科填写《紧急放行单》,品质部召集召开MRB会议;4.2.2制程在途与仓储异常物料,本车间无法修补的,由车间填写《产品质量异常信息反馈单》反馈至品质部,由品质部判定是否召集召开MRB会议;4.3 MRB评估4.3.1计划科:提供客户交期、计划编制、出货排程及补单安排;4.3.2 生产部:提供异常物料所造成进度影响,明确执行单位能否协助代加工/挑选,并承诺完成时间;4.3.3 技术部:评估异常物料能否正常使用,并提供技术支持;4.3.4 采购科:供应商信息沟通,供应商生产状况及供应商之回复,明确MRB产生费用归属,回复供应商返工之完成时间并办理退货、补货手续;4.3.5 业务部:客户沟通及确认;4.3.6 品质部:明确异常物料品质影响程度,判定结果【特采/返工/代加工/挑选/退货/正常使用】,判定责任承担单位并跟进MRB执行结果确认;4.3.7责任承担按《品质异常经济责任承担管理办法》实施;4.4 MRB评估决议及决议执行4.4.1 MRB评估内容须达成决议【特采/返工/代加工/挑选/退货/正常使用】并由品质部以《MRB评审记录表》记录存档,并通过公司邮箱传递相关部门;4.4.2 MRB小组成员须在《MRB评审记录表》签名确认;4.4.3 属生产部协助供应商代加工/挑选,则由生产部记录耗损的成本【工时/材料】,并填写《返修耗时/耗料记录表》上报采购科/财务部门;4.4.4 属品质部MRB全检执行挑选或代加工的(包括本厂制程产生的不良),由品质部负责将MRB产生费用及责任进行划分,并填写《返修耗时/耗料记录表》上报采购科/财务部,财务部执行扣款;4.5 MRB执行结果监督及确认4.5.1 品质部对MRB决议执行之结果予以监督,并判定是否符合要求;4.6 MRB全检组成人员4.6.1品质部品检科下属检验人员为主要实施人员;4.6.2 生产执行车间属MRB临时实施人员;4.7 实施4.7.1《MRB作业管理办法》自颁发日起实施;5.0 附件5.1《产品质量异常信息反馈单》;5.2《MRB评审记录表》;5.3《返修耗时/耗料记录表》;5.4《紧急放行单》;5.5《品质异常经济责任承担管理办法》;MRB的全称是Material Review Board, 中文意思是材料审查会议,它是针对所有检验工作站发现产品异样状态暂时不能确定是否为缺陷的一种处理办法。