液压系统原理图
- 格式:ppt
- 大小:7.42 MB
- 文档页数:27
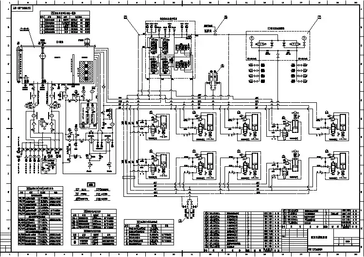
液压回路图及工作原理液压回路图示意图:```-------------------------------------| 油箱 |-------------------------------------||∨-------------------------------------| 油泵 |-------------------------------------||∨-------------------------------------| 油压阀 |-------------------------------------| || |∨∨-------------------------------------| 油缸(执行元件) |-------------------------------------```液压回路的工作原理:液压回路是通过液体(通常是液压油)在管道系统中传递压力和力量,从而实现对执行元件的控制。
它基于施加压力和使用液压油传递力量的原理。
液压回路由油泵、油压阀和油缸(执行元件)等组成。
工作过程如下:1. 液压回路的起始点是油箱,其中储存着液压油。
2. 油泵将液压油从油箱中吸入,然后通过压力产生装置向外压送。
3. 液压油通过管道进入油压阀,油压阀根据需要调整液压油的压力大小。
4. 调整后的液压油进入油缸(执行元件)中,推动或拉动相关机械件。
5. 液压油在执行元件中产生的力量将被转化为工作所需的力。
液压回路的工作原理是利用静水压力的性质,将液体作为传递压力和力量的介质。
液压油在管路中传递的压力通过油泵和压力阀等控制元件进行调节,从而控制执行元件的运动。
液压回路具有稳定的压力输出、较大的力量输出、动作平稳和可靠性高等优点,因此在许多工程领域广泛应用。
液压系统基本原理图机床。
它能完成钻、扩、铰、镗、铣、攻丝等工序和工作台转位、定位、夹紧、输送等辅助动作,可用来组成自动线。
这里只介绍组合机床动力滑台液压系统。
动力滑台上常安装着各种旋转着的刀具,其液压系统的功能是使这些刀具作轴向进给运动,并完成一定的动作循环。
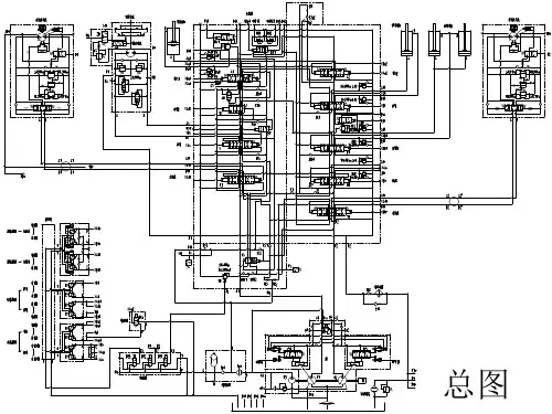
图8.1和表8.1分别表示YT4543型组合机床动力滑台液压系统原理图和动作循环表。
这个系统用限压式变量叶片泵供油,用电液换向阀换向,用行程阀实现快进和工进速度的切换,用电磁阀实现两种工进速度的切换,用调速阀使进给速度稳定。
在机械和电气的配合下,能够实现“快进→一工进→二工进→死挡铁停留→快退→原位停止”的半自动循环。
其工作情况如下所述。
1.快进按下起动按钮,电磁铁1YA通电吸合,控制油路由泵14经电磁先导阀11左位、→单向无杆腔的油路切断。
此时阀9的电磁铁3YA处于断电状态,调速阀4接入系统进油路,系统压力升高。
压力的升高,一方面使液控顺序阀2打开,另一方面使限压式变量泵的流量减小,直到与经过调速阀4后的流量相同为止。
这时进入液压缸无杆腔的流量由调速阀4的开口大小决定。
液压缸有杆腔的油液则通过液动阀12后经液控顺序阀2和背压阀1回油箱(两侧的压力差使单向阀3关闭)。
液压缸以第一种工进速度向左运动。
3.二工进当滑台以一工进速度行进到一定位置时,挡块压下行程开关,使电磁铁3YA通电,经阀9的通路被切断。
此时油液需经调速阀4与10才能进入液压缸无杆腔。
由于阀10的开口比阀4小,滑台的速度减小,速度大小由调速阀10的开口决定。
3.3.泵146→阀123.原位停止当滑台快退到原位时,挡块压下原位行程开关,使电磁铁1YA、2YA和3YA都断电,阀11和阀12处于中位,滑台停止运动,泵14通过阀12的中位卸荷(这时系统处于压力卸荷状态)。
YT4543型组合机床动力滑台液压系统包括以下一些基本回路:由限压式变量叶片泵和进油路调速阀组成的容积节流调速回路,差动连接快速运动回路,电液换向阀的换向回路,由行程阀、电磁阀和液控顺序阀等联合控制的速度切换回路以及中位为M型机能的电液换向阀的卸荷回路等。