三相异步电动机制动控制线路
- 格式:pptx
- 大小:1.04 MB
- 文档页数:13
时间原则控制的三相异步电动机单向反接制动控制线路实验目的实验目的:1.理解时间原则控制的概念和原理。
2.学习三相异步电动机的单向反接制动控制线路。
3.了解三相异步电动机的制动方式和控制方法。
4.掌握实验仪器的使用和实验操作。
一、实验介绍1.实验原理时间原则控制是通过合理地控制装置的接触器,在电动机的两相同时相内自动接上电源,而在一相失电时,自动断开电源。
时间原则控制制动电流并非立即传到电动机绕组上,而是随着时间流递向电动机绕组。
时间原则制动的基本控制方法是将三相开关合上,把电动机的相序切换成正向,这种切换方式叫单向反接制动。
2.实验仪器三相异步电动机、反接制动控制线路、接线板、电源、电动机转速计、电流表等。
3.实验步骤步骤一:接线将电源的U、V、W相分别通过接线板连接到反接控制线路的对应端子上,然后将反接控制线路的输出端子分别连接到电动机的U、V、W相。
步骤二:开启电源将电源接通,确保电动机正常运转。
步骤三:观察观察电动机的运行状态,包括制动时的电流变化、转速减小等。
步骤四:实验记录记录电流和转速的变化情况,并观察实验现象。
步骤五:实验分析对实验数据进行分析和总结,理解时间原则控制的原理和特点。
步骤六:实验操作要点注意安全操作,正确连接线路,避免电源过载。
二、实验原理时间原则控制的基本原理是通过控制接触器的操作时间和相序,来实现对电动机的制动控制。
在时间原则控制电路中,当电动机的两相同时相内自动接上电源,以保证电机连续运转;而一相失电时,自动断开电源,使电动机停止旋转。
三相异步电动机的单向反接制动是一种常用的制动方式,其工作原理如下:1.单向反接制动过程中,首先将三相接触器合上,将电动机的相序切换成正向。
2.然后断开制动回路一相电源,使电动机丧失力矩,进而阻力增加,电动机逐渐减速停止。
3.当电动机停止运转后,再断开制动回路另外两相电源,使电动机进入自由状态。
实验中,通过观察电动机的制动电流和转速的变化,可以验证时间原则控制的有效性和可靠性。
三相异步电动机的制动控制-反接制动反接制动是通过改变电动机定子绕组三相电源的相序,产生一个与转子惯性转动方向相反的旋转磁场,因而产生制动转矩。
反接制动时,转子与定子旋转磁场的相对转速接近电动机同步转速的两倍,所以定子绕组中流过的反接制动电流相当于全压直接启动时的两倍,因此反接制动转矩大,制动迅速。
为了减小冲击电流,通常在电动机定子绕组中串接制动电阻。
另外,当电动机转速接近零时,要及时切断反相序电源,以防电动机反方向启动,通常用速度继电器来检测电动机转速并控制电动机反相序电源的断开。
1.单向运行反接制动下图所示为单向运行反接制动控制线路,接触器 KM 控制接触器单向运行,接触器KM2为反接制动,KS为速度继电器,R为反接制动电阻。
工作过程:接通开关QS,按下启动按钮SB2,接触器KM1通电,电动机M启动运行,速度继电器KS常开触头闭合,为制动作准备。
制动时按下停止按钮SB1,KM1断电,KM2通电(KS常开触头未打开),KM2主触头闭合,定子绕组串入限流电阻R进行反接制动,当M的转速接近0时,KS常开触头断开,KM2断电,电动机制动结束。
2.可逆运行反接制动控制线路下图所示为可逆运行反接制动控制线路,KM1为正转接触器,KM2为反转接触器, KM3为短接电阻接触器,KA1、KA2、KA3为中间继电器,KS1为正转常开触头,KS2为反转常开触头,R为启动与制动电阻。
电动机正向启动和停车反接制动过程如下。
(1)正向启动时,接通开关QS,按下启动按钮SB2,KM1通电自锁,定子串入电阻R正向启动,当正向转速大于120r/min时,KS1闭合,因KM1的常开辅助触点已闭合,所以KM3通电将R短接,从而使电动机在全压下运转。
(2)停止运行时,按下停止按钮 SB1,接触器 KM1、KM3 相继失电,定子切断正序电源并串入电阻R,SB1的常开触头后闭合,KA3通电,常闭触点又再次切断KM3电路。
由于惯性,KS1仍闭合,且KA3(18-10)已闭合,使KA1通电,触点KA1(3-12)闭合,KM2通电,电动机定子串入R进行反接制动;KA1的另一触点(3-19)闭合,使KA3仍通电,确保KM3始终处于断电状态,R始终串入M的定子绕组。
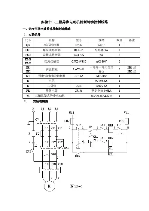
实验十二三相异步电动机能耗制动控制线路一、无变压器半波整流能耗制动线路1.实验组件代号名称型号规格数量备注QS 低压断路器DZ47 5A/3P 1FU1 螺旋式熔断器RL1-15 配熔体3A 3FU2 瓷插式熔断器RC1-5A 2A 2KM1KM2交流接触器CJX2-9/380 AC380V 2SB1 SB2 实验按钮LAY3-11一常开一常闭自动复位2SB1绿SB2红KT 通电延时时间继电器JS7-1A AC380V 1 R 电阻90Ω0.3A 1 D 二极管2CZ 1000V5A 1 FR 热继电器JR-36 整定电流0.63A 1 M 三相鼠笼式异步电动机380V0.45A120W 1 2.实验电路图3.实验特点该控制线路适用于10KW以下电动机,可以采用半波整流能耗制动自动控制电路,这种线路结构简单,附加设备较少,体积小,采用一只二极管半波整流器作为直流电源。
4.检测与调试经检查安装牢固与接线无误后,操作者可接通交流电源自行操作,若出现不正常故障,则应分析原因并排除使之正常工作。
二、有变压器全波整流能耗制动控制线路1.实验组件代号名称型号规格数量备注QS 低压断路器DZ47 5A\3P 1FU1 螺旋式熔断器RL1-15 配熔体3A 3FU2 瓷插式熔断器RC1-5A 2A 2KM1KM2交流接触器CJX2-9/380 AC380 2SB1 SB2 实验按钮LAY3-11 一常开一常闭自动复位2 SB1绿SB2红KT 通电延时时间继电器JS7-1A AC380V 1R 可调电阻BX7D-1/3 180Ω1.3A 1TC 变压器B-300-8 380V/110V 1 厂编VC 桥堆KBPC1510 15A 1FR 热继电器JR-36 整定电流0.63A 1M 三相鼠笼式异步电动机380V0.53A160W12.实验电路图KM2KM1FU1TC FRKM2KM2R111213KM2123FU2图12-2MU13U WV W13V13U12KMW12V12U11QSW11V11L1L3L2FRKM2KT KM1KM2597KTKM1SB14SB281063. 电路特点该控制线路适用于10KW 以上功率较大的电动机能耗制动,控制线路中的直流源由单相桥式整流器供给,电阻R 用以调节电流,从而调节制动强度。
三相异步电动机能耗制动控制线路的工作原理知识目标1.识记电动机能耗制动的原理2.掌握电动机能耗制动控制线路的工作原理能力目标1.能够分析电动机能耗制动控制线路的工作原理2.掌握电动机能耗制动控制线路特点及适用场合素养目标培养学生严密的逻辑思维和分析能力教学重点电动机能耗制动控制线路的工作原理教学难点电动机能耗制动控制线路的工作原理教学过程一、知识回顾反接制动控制线路的工作原理2.启动合上电源开关QS按下启动按钮KM1线圈得电M启动M启动后KS闭合按下制动按钮KM1线圈失电M制动4.反接制动的特点:制动转矩大,制动迅速,冲击大,易损坏传动零件,制动准确性差,制动能量消耗大,不宜经常制动。
二、新授课(一)能耗制动原理电动机脱离三相交流电源后,在定子绕组加直流电源,在定子、转子之间的气隙中产生起阻止旋转作用的静止磁场,电动机转子由于惯性仍沿原方向转动,则转子在静止磁场中切割磁力线,产生一个与惯性转动方向相反的电磁转矩,实现对转子的制动。
(二)能耗制动控制线路原理图分析1.电路结构①主电路②控制电路2.工作原理分析①全压启动电动机正常运转,合上闸刀开关QS,接通电源,按下正常运转启动按钮SB2,SB2的常开触头闭合,电路从1开始,经过FU4,FR,SB1,到已经闭合的SB2,KM2常闭触头,KM1线圈,回到0,形成这样一条回路,使得交流接触器KM1线圈得电,交流接触器KM1的常闭辅助触点断开,它的常开辅助触点闭合形成自锁,KM1的主触头闭合,电动机正常运转。
②能耗制动二电动机要制动时,按下制动按钮SB1,SB1的常闭触头断开,常开触头闭合,此时交流接触器线圈KM1失电,KM1的主触头断开,切除三相电源,与此同时KM1的辅助常闭触头恢复闭合,电路从1开始,经过FU4,FR,到已经闭合的SB1,已经复位的KM1常闭触头,再到KM2线圈,回到0,形成这样一条回路,使得交流接触器KM2线圈得电,KM2的常闭辅助触头断开,KM2的主触头闭合,此时电动机定子绕组加直流电源,在定子、转子之间的气隙中产生起阻止旋转作用的静止磁场,电动机转子由于惯性仍沿原方向转动,则转子在静止磁场中切割磁力线,产生一个与惯性转动方向相反的电磁转矩,实现对转子的制动。
2─18 三相异步电动机的制动控制线路2007-10-18 07:52:06| 分类:交流电动机实用控| 标签:|字号大中小订阅2─18三相异步电动机的制动控制线路某些生产机械,如车床等要求在工作时频繁的起动与停止;有些工作机械,如起重机的吊勾需要准确定位,这些机械都要求电动机在断电后迅速停转,以提高生产效率和保护安全生产。
电动机断电后,能使电动机在很短的时间内就停转的方法,称作制动控制。
制动控制的方法常用的有二类,即机械制动与电力制动,下面将这两种制动方法介绍如下。
一、机械制动机械制动是利用机械装置,使电动机迅速停转的方法,经常采用的机械制动设备是电磁抱闸,电闸抱闸的外形结构如图21801所示。
电磁抱闸主要由两部分构成:制动电磁铁和闸瓦制动器。
制动电磁铁由铁芯和线圈组成;线圈有的采用三相电源,有的采用单相电源;闸瓦制动器包括:闸瓦,闸轮,杠杆和弹簧等。
闸轮与电动机装在同一根转轴上. 制动强度可通过调整弹簧力来改变。
一)电磁抱闸制动控制线路之一电磁抱闸制动控制线路之一如图21802所示:电磁抱闸制动控制线路的工作原理简述如下:接通电源开关QS后,按起动按钮SB2,接触器KM线圈获电工作并自锁。
电磁抱闸YB线圈获电,吸引衔铁(动铁芯),使动、静铁芯吸合,动铁芯克服弹簧拉力,迫使制动杠杆向上移动,从而使制动器的闸瓦与闸轮分开,取消对电动机的制动;与此同时,电动机获电起动至正常运转。
当需要停车时,按停止按钮SB1,接触器KM断电释放,电动机的电源被切断的同时,电磁抱闸的线圈也失电,衔铁被释放,在弹簧拉力的作用下,使闸瓦紧紧抱住闸轮,电动机被制动,迅速停止转动。
电磁抱闸制动,在起重机械上被广泛应用。
当重物吊到一定高度,如果线路突然发生故障或停电时,电动机断电,电磁抱闸线圈也断电,闸瓦立即抱住闸轮使电动机迅速制动停转,从而防止了重物突然落下而发生事故。
二)电磁抱闸制动控制线路之二采用图21802控制线路,有时会因制动电磁铁的延时释放,造成制动失灵。
任务五:三相异步电动机能耗制动控制线路安装概述在工业生产中,三相异步电动机是一种普遍应用的电机类型。
然而,在电机运行时,其制动需要消耗大量的能源,给企业带来了不小的经济压力。
针对这一问题,设计一套能耗制动控制线路便成为了当务之急。
在本次任务中,我们将掌握三相异步电动机能耗制动控制线路的安装方法。
安装步骤1. 确定安装位置首先,需要确定三相异步电动机能耗制动控制器的安装位置。
通常情况下,应该选择在电机控制柜中安装,这样可以减小线路长度,降低能量传输的损耗。
2. 准备安装材料控制线路的安装需要准备相应的材料和工具,包括控制器、接线端子、导电线、绝缘胶带、铜排等。
在选择材料时应该注意质量和尺寸匹配,以确保线路的正常运行。
3. 接线端子安装首先,需要安装接线端子,采用 DIN 导轨固定。
并将导电线分别连接到接线端子上,务必确保连接正确,以免因连接不良导致电气故障,影响电机的正常运行。
4. 控制器和铜排安装将控制器固定到 DIN 导轨上,并连接铜排到控制器上,按照线路设计图进行接线连接。
在接线过程中,需要注意不要将正负极连接错误,以免对设备和人员造成不必要的损失。
5. 接线固定完成线路连接后,需要进行接线固定,将导电线绑扎,并用绝缘胶带进行绝缘处理,保证安装的安全性。
此外,应该对线路进行整理和防护,以避免受到外力和环境的损害。
安装注意事项•选择符合实际需要的控制器和材料;•确认线路连接正确;•确保绝缘胶带、导线等安装质量;•避免电路被人和周围环境物体所损坏;•定期检查与维护。
在本次任务中,我们学习了三相异步电动机的能耗制动控制线路的安装方法,对于岁数电机的控制和维护有很大的帮助。
同时,在实践过程中,也需要加强对电机安装、测试和维护的规范化管理,不断提高企业的运行效率和设备的使用寿命。