加热炉培训资料资料
- 格式:ppt
- 大小:3.16 MB
- 文档页数:59
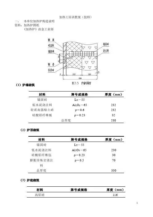
加热工培训教案(技师)一,本单位加热炉构造说明资料:加热炉图纸《加热炉》冶金工业部(1)炉墙砌筑材料牌号或规格厚度(mm)锚固砖Lz-55低水泥浇注料Al2O3-65 232轻质高强粘土砖ρ=0.6 232硅酸铝纤维板ρ=0.23 32总厚度530 (2)炉顶砌筑材料牌号或规格厚度(mm)锚固砖Lz-55低水泥浇注料Al2O3-65 230硅酸铝纤维毡ρ=0.23 30ρ=0.5 70 膨胀珍珠岩浇注料总厚度330 (3)炉底砌筑材料牌号或规格厚度(mm)高铝砖116耐火粘土砖N-3a 135ρ=0.8 68 轻质高强粘土砖高强绝热砖ρ=0.6 135无石棉硅钙板ρ=0.25 80 总厚度534 (4)支撑梁和立柱包扎材料牌号或规格厚度(mm)硅酸铝纤维毯ρ=0.2 20(压缩后)自流浇注料ρ=2.45 70 总厚度90 (5)主要耐火材料性能指标低水泥浇注料项目单位参数110℃×16h 1350℃×3h 使用部位炉墙、炉顶化学成分Al2O3≥65%,CaO≤2.0%体积密度Kg/m3 2650 2550耐压强度MPa 60 80抗折强度MPa 10 12线变化率% ±0.1 ±0.5℃1350长期使用温度℃1600最高使用温度项目单位参数110℃×16h 1500℃×3h 使用部位水梁及立柱管包扎牌号——化学成分Al2O3≥65体积密度 Kg/m3 2450耐压强度 MPa 30 65 抗折强度 MPa 8 12 线变化率 % ±0.2±0.5长期使用温度 ℃ 1350 最高使用温度℃1600项目 单位 参数 使用部位 炉墙、炉底牌号 ——化学成分 Al2O3:44%,SiO2:52%体积密度 Kg/m3 280 抗折强度 MPa ≥0.5线变化率 % <1.5(1000℃×3h )长期使用温度 ℃ <1000 导热系数W/m.K0.085(400℃)-:二, 本单位加热炉采用燃料,生产能力,各项指标情况说明;在那些方面具有挖掘潜力? 燃料:原煤经过煤气发生炉产生煤气供给加热炉。
油、气田加热炉培训资料山东骏马石油设备制造集团编制编制;李庆银电邮:sddyjunmalqux163x目录第一章概述 (1)第一节油田加热炉 (1)一、油田和长输管线加热炉的用途 (1)二、油田加热炉的技术装备现状 (2)第二节油田加热炉的炉型及根本结构 (2)一、油田加热炉的炉型 (2)一、热传递的根本概念 (5)二、压力和温度 (6)三、热力学的有关概念 (7)四、管式炉的工作参数 (8)五、水套炉的工作参数 (10)六、相变加热炉的工作参数 (11)第三章燃油、燃气及其燃烧 (11)第一节燃油及其主要特性 (12)一、燃油 (12)二、燃油的化学成分 (13)三、燃油的主要使用特性及油质指标 (14)第二节燃气及其主要特性 (21)一、燃气 (21)二、燃气的组成成分—组分 (21)三、燃气的主要使用特性及质量要求 (24)第三节燃油、燃气的燃烧 (27)一、燃烧所需空气量和生成的烟气量 (27)二、燃油的燃烧方式 (28)三、燃气的燃烧方式 (35)四、双燃料燃烧器 (38)六、燃烧器的点火 (41)第四章油田加热炉根本结构 (43)第一节火筒式加热炉根本结构 (43)一、炉型及分类选用 (43)二、火筒式加热炉设计一般要求 (44)三、火筒式加热炉根本结构形式 (47)第二节管式加热炉根本结构 (49)一、炉型及选用 (49)二、管式加热炉根本结构 (50)三、几种管式加热炉根本结构形式简介: (52)第三节加热炉新炉型及技术特点 (53)一、火筒式加热炉新炉型及技术特点 (53)二、管式加热炉新炉型及技术特点 (57)第五章调参、管理和维护 (64)第一节炉子的燃烧管理 (64)一、炉子的点火和升温 (64)二、油燃烧器的故障及处理 (64)三、气体燃烧器的故障及处理 (66)四、燃烧调节的任务和指标 (67)五、燃烧操作的平安规程 (67)六、燃烧过剩空气量的监控 (68)第二节炉子的操作范围 (72)一、工况调节 (72)二、热效率和操作负荷的关系 (75)三、提高加热炉热效率 (76)第三节管内结焦和烧焦 (78)一、结焦的形态 (78)三、影响结焦的因素及防止措施 (79)四、炉管的烧焦 (81)第四节炉管的损坏 (82)一、炉管报废标准 (82)二、炉管损坏的原因 (82)三、预防炉管损坏的措施 (83)四、由氧化减薄引起的损坏 (84)第六章油田加热炉的平安管理 (85)一、平安附件 (85)二、运行参数控制 (85)三、水套加热炉的操作与管理 (86)四、管式加热炉操作与管理 (88)第一章概述第一节油田加热炉一、油田和长输管线加热炉的用途油田和长输管线加热炉〔以下简称油田加热炉〕系指用火焰加热原油、天然气、水及其混合物等介质的专用设备。
加热炉操作培训计划一、培训目的加热炉是工业生产中常用的设备,用于将原材料或半成品进行加热处理。
正确操作加热炉对产品质量和生产效率有着重要的影响。
因此,本培训计划旨在通过系统的培训,提高员工对加热炉操作的理解和技能,确保安全生产和产品质量。
二、培训对象本培训对象为公司新员工和需要使用加热炉的生产工人。
三、培训内容1. 加热炉的工作原理和结构- 了解加热炉工作原理和组成部分,包括炉体、加热元件、控制系统等。
2. 加热炉的安全操作- 讲解加热炉的安全操作规程和注意事项,如炉体温度控制、防止爆炸或火灾、急救常识等。
3. 加热炉的操作方法- 学习加热炉的启动、停止和调节操作,包括温度控制、加热时间等。
4. 加热炉的维护保养- 了解加热炉的日常维护和保养方法,包括清洁、润滑、更换易损件等。
5. 加热炉的故障排除- 掌握加热炉常见故障的识别和处理方法,如电路故障、加热元件损坏等。
6. 实际操作演练- 安排实际的操作演练,让员工在实际工作中掌握加热炉的操作技能。
四、培训计划1. 第一天- 上午:开班仪式,介绍培训内容和目标- 下午:讲解加热炉的工作原理和结构2. 第二天- 上午:讲解加热炉的安全操作- 下午:学习加热炉的操作方法3. 第三天- 上午:讲解加热炉的维护保养- 下午:学习加热炉的故障排除4. 第四天- 上午:实际操作演练- 下午:总结培训内容,进行考核五、培训方案1. 知识讲解- 使用PPT等多媒体资料进行知识讲解,便于学员理解和记忆。
2. 案例分析- 结合实际案例,分析加热炉操作中的常见问题和解决方法。
3. 实操演练- 安排工位,让学员亲自操作加热炉,提高实际操作技能。
4. 答疑解惑- 设置互动环节,解答学员提出的问题,加深理解。
六、培训评估1. 考核方式- 培训结束后进行书面考核和实操考核,通过考核才能颁发证书。
2. 效果评估- 培训结束后进行效果评估,收集学员反馈和建议,为后续培训提供参考。
七、培训师资1. 内部培训师- 由公司内部技术人员担任培训师,具有丰富的加热炉操作经验。
轧钢厂技能培训试题(加热炉)
车间姓名成绩
1、加热炉热送正常轧制时:(1)285坯型煤气消耗量: Nm3/h 空气消耗量: Nm3/h
烟气生成量: Nm3/h (2) 330坯型煤气消耗量: Nm3/h 空气消耗量: Nm3/h 烟气生成量: Nm3/h
2、热坯出炉温度:℃。
130*285*8.5m坯料:预热段:℃,
加热段:℃,均热段℃。
130*330*8.5m坯料预热段:℃,加热
段:℃,均热段℃。
凉坯出炉温度:℃。
130*285*8.5m坯料预热段:℃,
加热段:℃,均热段℃。
130*330*8.5m坯料预热段:℃,加热
段:℃,均热段℃。
3、汽包补水泵工作范围1# mm; 2# mm
4、汽包液位计报警范围: mm
5、小平台煤气快速切断阀与煤气压力的连锁:当总管煤气压力低于时报警输
出,快速切断阀自动关闭。
6、三段快速切断阀与鼓风机空气压力的连锁:当鼓风机压力低于时报警输出,
快速切断阀自动关闭。
7、三段快速切断阀与煤气压力的连锁:当总管煤气压力低于时报警输出,快速切
断阀自动关闭。
8、三段快速切断阀与压缩空气压力的连锁:当鼓风机压力低于时报警输出,快
速切断阀自动关闭
9、小平台煤气快速切断阀与鼓风机空气压力的连锁:当鼓风机压力低于时报警输出,
低于快速切断阀自动关闭。
10、高炉快速切段阀与煤气压力的连锁:当管道阀前煤气压力低于时报警输出,低
于或等于时高炉快速切断阀自动关闭。
11、转炉快速切断阀与煤气压力的连锁:当管道阀前煤气压力低于时报警输出,低
于或等于时转炉快速切断阀自动关闭。