(完整版)验钞机的维修
- 格式:doc
- 大小:23.51 KB
- 文档页数:2
点钞机常见故障及解决方法一、点钞机无法启动1. 检查电源插头是否插好,电源线是否接触良好;2. 检查电源开关是否处于开启状态;3. 检查电源是否正常供电,可以尝试更换插座或使用电压表检测电源电压;4. 如果以上问题都排除了,可能是点钞机内部的电路故障,需要联系专业维修人员进行检修。
二、点钞机显示屏无法显示或显示不正常1. 检查显示屏连接是否松动或有杂质进入,可以尝试重新连接或清洁;2. 检查显示屏是否受到阳光直射或强光照射,可以调整点钞机的位置或遮挡阳光;3. 如果以上问题都排除了,可能是显示屏内部故障,需要联系专业维修人员进行检修或更换显示屏。
三、点钞机出现卡钞或卡币现象1. 检查点钞机内部是否有异物或杂质,可以使用吸尘器或软刷清洁;2. 检查点钞机的传感器是否灵敏,可以用纸币或卡片进行测试;3. 如果以上问题都排除了,可能是点钞机的机械部件出现故障,需要联系专业维修人员进行检修或更换零部件。
四、点钞机出现误差较大的情况1. 检查点钞机的传感器是否出现故障,可以使用专业的清洁剂或清洁卡进行清洁;2. 检查点钞机的传感器是否调整正确,可以根据使用说明书进行调整;3. 如果以上问题都排除了,可能是点钞机的软件或硬件出现故障,需要联系专业维修人员进行检修或升级。
五、点钞机出现卡纸或卡币现象1. 检查点钞机的进钞口和出钞口是否有纸屑或杂物堵塞,可以使用吸尘器或软刷进行清理;2. 检查纸币是否叠放过多,可以减少纸币的叠放数量;3. 如果以上问题都排除了,可能是点钞机的机械部件出现故障,需要联系专业维修人员进行检修或更换零部件。
六、点钞机出现计数错误的情况1. 检查点钞机的传感器是否清洁,可以使用专业的清洁剂或清洁卡进行清洁;2. 检查点钞机的传感器是否调整正确,可以根据使用说明书进行调整;3. 如果以上问题都排除了,可能是点钞机的软件或硬件出现故障,需要联系专业维修人员进行检修或升级。
总结起来,点钞机常见的故障包括无法启动、显示屏异常、卡钞或卡币、误差较大、卡纸或卡币、计数错误等。
点钞机通病处理方法1:鉴伪部分荧光灵敏度低1.光传感器有灰2,灵敏度没调好荧光检测真钞报警,1钞票洗过2,灵敏度高3,室内有强光照荧光检测假钞不报警1,不反射荧光的2,光传感器老化3,灵敏度低磁检真钞报警1,钞票上贴有纸片2,钞票飞钞或放钞方法不对3,磁性传感器表面有异物2:捻钞部分、磁性检测假钞不报警1,周围有强磁场2,磁性传感器故障漏记张数1,捻钞胶轮和阻力片摩擦力不够2,送钞舌过前,3,捻钞胶轮齿磨损4.阻力橡皮磨损凹槽过深落钞不畅1,捻钞胶轮和阻力橡皮摩擦力太大2,出错标志出错部位排除方法左计数传感器清除传感器灰尘右计数传感器清除传感器灰尘防漏接钞传感器清除传感器灰尘或取走接钞台上纸币电机错转速传感器积灰、电机或传动带故障扫灰或更换左xx传感器清除传感器灰尘右xx传感器清除传感器灰尘纸质1中光检可疑币嘟嘟嘟纸质2左右光检可疑币嘟嘟嘟纸质3左右磁信号可疑币嘟嘟嘟纸质4安全线信号可疑币嘟嘟嘟纸质5xx可疑币嘟嘟嘟残币残钞或下钞斜嘟嘟嘟券别错面值错误嘟嘟嘟◆点钞机常用传感器故障简易判别方法:点钞机中主要使用的传感器有如下三种:红外发射管、红外接收管、磁头(下计数红外管)1)磁头故障判别(包括长磁头与小磁头)a.拔下磁头接插件;b.用三用表电阻2KΩ档测量磁头1脚与3脚,其阻值应为几百欧姆。
若开路或短路均无磁信号,会造成相应票面张张误报。
c.用三用表测量磁头第二脚与磁头外壳应相连通且与机壳无短路现象,否则会造成磁信号干扰,相应票面误报会较高。
2)红外发射管(包括下计数红外管、防漏发射管、码盘发射管、启停发射部分)a.拔下相应接插件;b.将三用表置二极管档位,用红表笔接A 脚,黑表笔接K 脚,其管压降应为1.1V左右,如短路或断路均为连线或传感器故障。
红黑表笔互换测量应为开路。
3)红外接收管(包括上计数红外管、防漏接收管、码盘接收管、启停接收部分)a.关机拔下接插件;b.将三用表置2MΩ档,用红表笔接C 脚,黑表笔接e 脚测量电阻值应为几百KΩ,如短路或断路均为连线或传感器故障。
点钞机通病处理方法1:鉴伪部分荧光灵敏度低1.光传感器有灰2,灵敏度没调好荧光检测真钞报警,1钞票洗过2,灵敏度高3,室内有强光照荧光检测假钞不报警1,不反射荧光的2,光传感器老化3,灵敏度低磁检真钞报警1,钞票上贴有纸片2,钞票飞钞或放钞方法不对3,磁性传感器表面有异物2: 捻钞部分、磁性检测假钞不报警1,周围有强磁场2,磁性传感器故障漏记张数1,捻钞胶轮和阻力片摩擦力不够2,送钞舌过前,3,捻钞胶轮齿磨损4.阻力橡皮磨损凹槽过深落钞不畅1,捻钞胶轮和阻力橡皮摩擦力太大2,出错标志出错部位排除方法左计数左计数传感器清除传感器灰尘右计数右计数传感器清除传感器灰尘防漏接钞传感器清除传感器灰尘或取走接钞台上纸币电机错转速传感器积灰、电机或传动带故障扫灰或更换左红外左红外传感器清除传感器灰尘右红外右红外传感器清除传感器灰尘纸质1 中光检可疑币嘟嘟嘟纸质2 左右光检可疑币嘟嘟嘟纸质3 左右磁信号可疑币嘟嘟嘟纸质4 安全线信号可疑币嘟嘟嘟纸质5 红外可疑币嘟嘟嘟残币残钞或下钞斜嘟嘟嘟券别错面值错误嘟嘟嘟◆点钞机常用传感器故障简易判别方法:点钞机中主要使用的传感器有如下三种:红外发射管、红外接收管、磁头(下计数红外管) 1)磁头故障判别(包括长磁头与小磁头)a. 拔下磁头接插件;b. 用三用表电阻2KΩ档测量磁头1 脚与3 脚,其阻值应为几百欧姆。
若开路或短路均无磁信号,会造成相应票面张张误报。
c. 用三用表测量磁头第二脚与磁头外壳应相连通且与机壳无短路现象,否则会造成磁信号干扰,相应票面误报会较高。
2)红外发射管(包括下计数红外管、防漏发射管、码盘发射管、启停发射部分)a. 拔下相应接插件;b. 将三用表置二极管档位,用红表笔接A 脚,黑表笔接K 脚,其管压降应为1.1V 左右,如短路或断路均为连线或传感器故障。
红黑表笔互换测量应为开路。
3)红外接收管(包括上计数红外管、防漏接收管、码盘接收管、启停接收部分)a. 关机拔下接插件;b. 将三用表置2MΩ档,用红表笔接C 脚,黑表笔接e 脚测量电阻值应为几百KΩ,如短路或断路均为连线或传感器故障。
得⼒点验钞机维修⼿册得⼒点验钞机维修⼿册⼀、技术参数⼆、整机结构1、传动部分1.1、捻钞部分1.2、出钞部分1.3、接钞部分2、铁件架构3、控制电路部分4、传感器部分三、⼯作原理1、幅⾯(宽度)检测2、红外检测3、磁性检测四、万⽤表使⽤⽅法与元器件测量⽅法1、万⽤表使⽤⽅法2、主要元器件测量⽅法五、机器调试⽅法与主板简介六、参数简介七、开机⾃检故障处理⽅法⼋、点钞警⽰代码处理⽅法九、常见故障处理⽅法⼀、技术参数点钞速度>900张/分点钞尺⼨长度110-165mm宽度50-90mm厚度0.075-0.15mm ⼯作动态噪⾳<60dB ⼯作温升<20℃进钞容量≥120张接钞容量≥150张电源220V±10%保险管电流2A 功耗≤80W ⼯作环境温度0-40℃⼆、整机结构得⼒机型由传动部分(捻钞轮、送钞台、压钞轮、对转轮、接钞轮)、铁件机架、外壳塑料件、传感器部分(计数传感器、磁性传感器)、显⽰和控制电路等六部分组成。
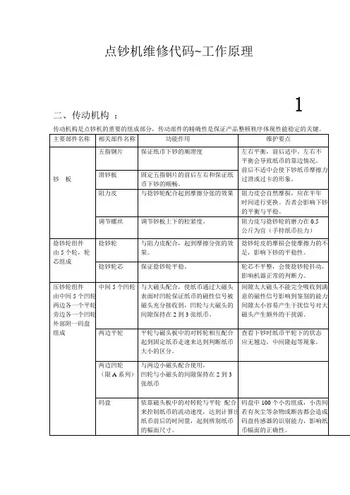
图(3)1、传动部分传动部分采⽤⼤电机驱动,由⼤电机通过传送带、传送轮将动⼒输送给各转动轴,带动捻钞轮、压钞轮、接抄轮转动⼯作(有⼩电机的接钞部分由⼩电机传动)图(2)1.1捻钞部分捻钞部分主要由送钞台和捻钞轮组成。
送钞台主要由进钞⾯板、五指钢⽚、阻⼒橡⽪、塑料钞板、调节螺丝等组成。
将要清点的钞票逐张捻出是保证计数准确的前提。
实现原理如下:捻钞轮捻⾛处于表⾯的第⼀张钞票,下⾯的钞票被阻⼒橡⽪粘住,使第⼀张钞票与下⾯的钞票分开,实现分张,这个过程不断重复进⾏,直到捻完最后⼀张钞票。
送钞台与捻钞轮主要起分钞作⽤,阻⼒⽪、五指钢⽚等对下钞速度与分钞效果有直接影响。
捻钞轮有⼀定的柔性,当捻钞轮磨损后会影响下钞的分钞性能,容易斜钞,捻钞轮磨损后只需更换捻钞轮,⽆需更换轮芯。
当下钞不顺容易斜钞误报或计数不准时,可适当调紧送钞台调节螺丝。
调节送钞台调节螺丝时注意不能过紧,否则捻钞轮、阻⼒⽪会加速磨损;也不能过松,否则容易斜钞,易出分钞不好的情况。
点钞机维修代码~工作原理二、传动机构:三、辅助部分:四、数码管信号参数说明图:五、点钞机维修代码:一、E01:右计数红外光敏管故障原因1、发射、接收计数管积灰尘,清扫即可。
2、接收管与发射管不对称,导致接收管电压超过1.8V,失去工作,对齐即可。
3、接收管、发射管失效,检验方法:A 发射管:把万用表到二极管档,用测发射管正向电阻为1000欧左右,反向电阻为无穷大(显示为1)者方良好,反之者失效。
B 接收管:把万用表选择到20M档,测接收管正向电阻为M欧,反向电阻则无穷大(显示为1),接收管为良好,反之失效。
二、E02左计数红外光敏管故障原因:(同上)三、E03数码传感器故障1、码盘间隔有积尘,清扫即可。
2、码盘光耦老化,转动时接收电压超过2.2V,调节102调位器,使之达到1.8V左右(顺时针,接收电压上升,反之者下降。
)3、码盘光耦失效,更换即可,检测方向同计数管发射管接收管相同。
四、E04喂钞传感器故障:1、进钞光耦积尘,清扫即可。
2、进钞光耦老化,更换即可。
五、E05防漏张传感器故障1、发射管,接收管积尘,清扫即可。
2、发射管,接收管陷进接钞对管支架里,凸出即可。
3.接钞对管失效,更换即可,检测方法:发射二极管(白色)用万用表测正向电阻为1000欧左右,反向电阻为无穷大(显示为 1 )接收二极管(黑色)测接收管正向电阻为M欧,反向电阻则无穷大(显示为1),接收管为良好,反之失效。
六、E10光检或紫光管故障逆时针调节104调位器即可。
七、EE1紫光报警逆时针调节104调位器即可。
八、EE2 磁性异常(C 型)1、钞板下钞不平整,调节钞板,使钞板受力平衡。
2、第五套人民币报警(1)则检查大磁头与槽轮之间间隔应在1-2张纸币。
3、大磁头损坏,更换大磁头即可。
或插子接触不好,重新插过。
4、第四套人民币报警:检查小磁头与平轮之间的间隔,应在1-2张纸币。
或小磁头损坏,更换即可。
九、EE6磁性异常报警(参照数码管磁脉冲信号图)1、第四套人民币报警:调节调位器(微调逆时针))到磁脉冲大于7为止,如果还报,把小磁头重新设置为7档。
验钞机常见故障及解决方法验钞机常见故障及解决方法 1.开机后无显示①检查电源的插座是否有电②检查点钞机的插头是否插好③检查点钞机的保险丝是否已熔断2.开机后出现故障提示代码一般点钞机具有故障自检功能,开机后点钞机就自诊是否有故障。
不同的点钞机,故障代码也不一样。
请参考《使用说明书》。
3.计数不准①调节托钞盘后部的垂直螺丝,顺时针拧一周或两周②清理光电记数传感器上的积尘(除尘)。
③清尘后不能恢复正常,阻力橡皮、捻钞轮是否严重磨损。
换完后再进行调整。
④调节送钞台光电计数器传感器的对正位置4.荧光鉴伪不报警或检伪灵敏度降低①调节电路板灵敏度按键或灵敏度调节电位器(荧光鉴伪的灵敏度)②荧光灯管光传感器(紫光灯探头)是否积灰尘③荧光灯管是否老化5.启停方式失灵①送钞传感器是否积灰尘②送钞传感器和主电路板连接开路,接好即可③点钞机皮带是否折断验钞机的维修所谓验钞机的维修是指验钞机捻钞部分对捻钞胶圈,采用加大外径,在外圆中间开一圈凹槽,来提高捻钞胶圈的耐磨性,并将胶圈轴向向截面改为锯齿形,使胶圈齿面相对钞票的接触面加大,提高胶圈齿面对钞票的附着力。
对附图橡皮,比较简单方法是采用阻力橡皮快换结构,用手压下滑钞板的后端,可很容易取出阻力橡皮进行更换。
验钞机出钞部分虽然增加一对过轮可以提高捻钞胶圈的使用寿命,但随之带来的问题是成本增加,结构复杂,维修不方便。
如果在不增加一对过轮的情况下,而采用的捻钞轴上装一个超越离合器(俗称单向轴承),可起到相同的作用,原理如下:单向轴承装在捻钞传动轮内,可以相对于捻钞轴逆时针转动。
捻钞时,捻钞传动轮顺时针转动,单向轴承不转动,起传递动力的作用,当钞票去到出钞胶轮时,即以两倍于原来的速度运动,在钞票的拖动下,由于单向轴承的作用,捻钞胶圈外缘以和钞票相同的速度运动,钞票和捻钞胶圈间没有相对滑动,因而可延长捻钞胶圈的使用寿命。
如果接收电路没有接收到信号而钞票又没有插到仓底,激光器并不马上关断。
验钞机常见故障及检修一、计数不准计数不准要分开两部分来看,第一种是数量相差比较大的现象,譬如点钞100张,而显示的只的40张、70张或者85张等等;第二种是是数量相差不大,都是在3张以内,譬如点钞100张,计数显示只有98张、99张。
我们常见到的是第二种故障现象。
第一种解决办法:此种故障现象的出现是跟计数管的损坏、老化、发射接收管没有对准位置等有关。
首先要测量计数发射管的电压,正常电压在左右,如果电压不正常,则须将发射管换掉;如果电压正常,则可先将发射管放一边,但还不能确定发射管是好的,因为不能排除发射管老化了。
跟着在用万用表的电阻档测量接收管,以确定接收管的好坏,接收管一般不容易坏,如真有故障,则更多的是导线与管脚开路了。
如果接收管也是没问题的,则最大可能是发射管老化了,须将发射管更换。
第二种故障解决办法:计数不准是我们常见的点钞机故障现象,计数不准我们一般是指少计。
计数准确与否最主要是由下钞台决定的。
我们首先须了解下钞台的结构组成原理,下钞台由下钞板、阻力橡皮、滑钞舌、滑钞板、调节螺丝、平衡装置、捻钞胶圈、捻钞轮芯等组成。
而阻力橡皮、滑钞舌、调节螺丝、捻钞胶圈将决定下钞准确与否。
首先要保证阻力橡皮的前沿不能起坑,如果起坑,要将阻力橡皮调转反面使用或更换新配件;滑钞舌的位置装配不能过前或过后,如若过前,则会容易使两张一下被捻走,造成计数不准,如若过后,则会下钞不顺畅,下钞慢;调节螺丝将会决定整个下钞台的拉力大小,顺时针调整调节螺丝,使调节螺丝往下沉,则会顶起下钞台,那么拉力将会增大,逆时针调整调节螺丝,使调节螺丝往上升,则会降低下钞台,那么拉力将会减小,如果拉力过小,则会计数不准,如果拉力过大,则会使钞票起皱;捻钞胶圈是一种带齿的橡胶轮,如果表面的齿磨平了或者沾上了一些油渍污垢,则会使摩擦力减小或打滑,最终导致计数不准,故须将捻钞胶圈更换新件。
而根据经验,出现计数不准的故障现象,最常用的解决办法是通过调整调节螺丝,增大拉力;出现下钞不顺畅的故障现象,最常用的解决办法则是通过调整滑钞舌的位置。
验钞机常见故障及检修验钞机常见故障及检修一、计数不准计数不准要分开两部分来看,第一种是数量相差比较大的现象,譬如点钞100张,而显示的只的40张、70张或者85张等等;第二种是是数量相差不大,都是在3张以内,譬如点钞100张,计数显示只有98张、99张。
我们常见到的是第二种故障现象。
第一种解决办法:此种故障现象的出现是跟计数管的损坏、老化、发射接收管没有对准位置等有关。
首先要测量计数发射管的电压,正常电压在左右,如果电压不正常,则须将发射管换掉;如果电压正常,则可先将发射管放一边,但还不能确定发射管是好的,因为不能排除发射管老化了。
跟着在用万用表的电阻档测量接收管,以确定接收管的好坏,接收管一般不容易坏,如真有故障,则更多的是导线与管脚开路了。
如果接收管也是没问题的,则最大可能是发射管老化了,须将发射管更换。
第二种故障解决办法:计数不准是我们常见的点钞机故障现象,计数不准我们一般是指少计。
计数准确与否最主要是由下钞台决定的。
我们首先须了解下钞台的结构组成原理,下钞台由下钞板、阻力橡皮、滑钞舌、滑钞板、调节螺丝、平衡装置、捻钞胶圈、捻钞轮芯等组成。
而阻力橡皮、滑钞舌、调节螺丝、捻钞胶圈将决定下钞准确与否。
首先要保证阻力橡皮的前沿不能起坑,如果起坑,要将阻力橡皮调转反面使用或更换新配件;滑钞舌的位置装配不能过前或过后,如若过前,则会容易使两张一下被捻走,造成计数不准,如若过后,则会下钞不顺畅,下钞慢;调节螺丝将会决定整个下钞台的拉力大小,顺时针调整调节螺丝,使调节螺丝往下沉,则会顶起下钞台,那么拉力将会增大,逆时针调整调节螺丝,使调节螺丝往上升,则会降低下钞台,那么拉力将会减小,如果拉力过小,则会计数不准,如果拉力过大,则会使钞票起皱;捻钞胶圈是一种带齿的橡胶轮,如果表面的齿磨平了或者沾上了一些油渍污垢,则会使摩擦力减小或打滑,最终导致计数不准,故须将捻钞胶圈更换新件。
而根据经验,出现计数不准的故障现象,最常用的解决办法是通过调整调节螺丝,增大拉力;出现下钞不顺畅的故障现象,最常用的解决办法则是通过调整滑钞舌的位置。
点钞机常见的故障及解决方法目录一、计数不准 (2)二、显示屏不亮 (3)三、电机故障 (3)四、不计数 (4)五、下钞走偏 (4)六、金额累加错误 (5)七、面额显示错误 (5)八、紫光灯不亮 (5)九、显示乱码 (5)十、误报 (6)十一、小电机不转 (7)十二、漏报 (8)十三、白纸都不报警 (8)十四、开机后显示屏的灯全亮,死机 (9)十五、进钞感应迟钝 (9)十六、开机不自检 (9)十七、不复位、不清零 (9)十八、电机反转 (9)十九、电机颤抖 (9)二十、噪音大 (10)二十一、显示不全 (10)二十二、卡钞/堵钞/飞钞 (10)二十三、开机长鸣 (10)二十五、下钞不顺畅 (10)一、计数不准计数不准要分开两部分来看,第一种是数量相差比较大的现象,譬如点钞100 张,而显示的只的40张、70 张或者85 张等等;第二种是是数量相差不大,都是在3张以内,譬如点钞100 张,计数显示只有98 张、99 张。
我们常见到的是第二种故障现象。
第一种解决办法:此种故障现象的出现是跟计数管的损坏、老化、发射接收管没有对准位置等有关。
首先要测量计数发射管的电压,正常电压在1.1V 左右,如果电压不正常,则须将发射管换掉;如果电压正常,则可先将发射管放一边,但还不能确定发射管是好的,因为不能排除发射管老化了。
跟着在用万用表的电阻档测量接收管,以确定接收管的好坏,接收管一般不容易坏,如真有故障,则更多的是导线与管脚开路了。
如果接收管也是没问题的,则最大可能是发射管老化了,须将发射管更换。
第二种故障解决办法:计数不准是我们常见的点钞机故障现象,计数不准我们一般是指少计。
计数准确与否最主要是由下钞台决定的。
我们首先须了解下钞台的结构组成原理,下钞台由下钞板、阻力橡皮、滑钞舌、滑钞板、调节螺丝、平衡装置、捻钞胶圈、捻钞轮芯等组成。
而阻力橡皮、滑钞舌、调节螺丝、捻钞胶圈将决定下钞准确与否。
首先要保证阻力橡皮的前沿不能起坑,如果起坑,要将阻力橡皮调转反面使用或更换新配件;滑钞舌的位置装配不能过前或过后,如若过前,则会容易使两张一下被捻走,造成计数不准,如若过后,则会下钞不顺畅,下钞慢;调节螺丝将会决定整个下钞台的拉力大小,顺时针调整调节螺丝,使调节螺丝往下沉,则会顶起下钞台,那么拉力将会增大,逆时针调整调节螺丝,使调节螺丝往上升,则会降低下钞台,那么拉力将会减小,如果拉力过小,则会计数不准,如果拉力过大,则会使钞票起皱;捻钞胶圈是一种带齿的橡胶轮,如果表面的齿磨平了或者沾上了一些油渍污垢,则会使摩擦力减小或打滑,最终导致计数不准,故须将捻钞胶圈更换新件。
飞利浦538点钞机常见故障排除步骤以飞利浦538点钞机常见故障排除步骤为标题,写一篇文章。
一、电源问题1. 确保点钞机已经插入电源,并且电源连接正常。
2. 检查电源线是否损坏,如有损坏需要更换。
3. 确认电源插座的供电正常,可以尝试更换插座或使用其他电器测试插座是否工作正常。
二、纸币进卡问题1. 检查纸币盘是否装载正确,纸张是否整齐。
2. 检查进卡传感器是否干净,如有灰尘或脏污需要清洁。
3. 调整进卡传感器的灵敏度,确保能够准确检测到进纸动作。
三、纸币卡住问题1. 检查纸币通道是否有异物或纸屑,如有需要清除。
2. 检查进纸轮是否顺畅运转,如有卡滞需要清理或更换。
3. 检查出钞口是否有纸币残留,如有需要清理。
四、纸币识别问题1. 检查传感器是否干净,如有灰尘或脏污需要清洁。
2. 检查传感器是否调整正确,如需要可以调整传感器的灵敏度。
3. 确认纸币是否损坏,如有损坏需要更换纸币。
五、显示屏问题1. 检查显示屏是否连接正常,如有松动需要重新连接。
2. 检查显示屏是否损坏,如有损坏需要更换显示屏。
3. 如果显示屏无法显示内容,可以尝试重新启动点钞机。
六、硬币识别问题1. 检查硬币传感器是否干净,如有灰尘或脏污需要清洁。
2. 检查硬币传感器是否调整正确,如需要可以调整传感器的灵敏度。
3. 确认硬币是否损坏,如有损坏需要更换硬币。
七、机器卡顿问题1. 检查机器是否有异常噪音,如有需要检查机器内部是否有异物或故障。
2. 检查机器是否有过热现象,如有需要停止使用并等待机器冷却后再次启动。
3. 如果机器卡顿严重,可以尝试重新启动或者恢复出厂设置。
八、网络连接问题1. 确认网络连接是否正常,可以尝试连接其他网络设备进行测试。
2. 检查网络线是否插入正确,如有需要可以更换网络线。
3. 如果仍然无法连接网络,可以尝试重新设置网络配置或者联系网络供应商进行协助解决。
九、报警提示问题1. 查看点钞机的报警提示,根据报警代码查询相关故障原因。
康艺9000a维修手册
1.开机后无显示
①检查电源的插座是否有电
②检查点钞机的插头是否插好
③检查点钞机的保险丝是否已熔断
2.开机后出现故障提示代码
一般点钞机具有故障自检功能,开机后点钞机就自诊是否有故障。
3.计数不准
①调节托钞盘后部的垂直螺丝,顺时针拧一周或两周
②清理光电记数传感器上的积尘(除尘)。
③清尘后不能恢复正常,阻力橡皮、捻钞轮是否严重磨损。
换完后再进行调整。
④调节送钞台光电计数器传感器的对正位置
4.荧光鉴伪不报警或检伪灵敏度降低
①调节电路板灵敏度按键或灵敏度调节电位器(荧光鉴伪的灵敏度)
②荧光灯管光传感器(紫光灯探头)是否积灰尘
③荧光灯管是否老化
5.启停方式失灵
①送钞传感器是否积灰尘
②送钞传感器和主电路板连接开路,接好即可
③点钞机皮带是否折断。
所谓验钞机的维修是指验钞机捻钞部分对捻钞胶圈,采用加大外径,在外圆
中间开一圈凹槽,来提高捻钞胶圈的耐磨性,并将胶圈轴向向截面改为锯齿形,使胶圈齿面相对钞票的接触面加大,提高胶圈齿面对钞票的附着力。
对附图橡皮,比较简单方法是采用阻力橡皮快换结构,用手压下滑钞板的后端,可很容易取出阻力橡皮进行更换。
验钞机出钞部分虽然增加一对过轮可以提高捻钞胶圈的使用寿命,但随之带
来的问题是成本增加,结构复杂,维修不方便。
如果在不增加一对过轮的情况下,而采用的捻钞轴上装一个超越离合器(俗称单向轴承),可起到相同的作用,原理如下:单向轴承装在捻钞传动轮内,可以相对于捻钞轴逆时针转动。
捻钞时,捻钞传动轮顺时针转动,单向轴承不转动,起传递动力的作用,当钞票去到出钞胶轮时,即以两倍于原来的速度运动,在钞票的拖动下,由于单向轴承的作用,捻钞胶圈外缘以和钞票相同的速度运动,钞票和捻钞胶圈间没有相对滑动,因而可延长捻钞胶圈的使用寿命。
如果接收电路没有接收到信号而钞票又没有插到仓底,激光器并不马上关
断。
因为延时关断电路将有8 秒左右的延时,但如钞票抵达仓底,则报警电路马上输出信号将其关断并将延时关断电路置零。
在电子产品的设计中,各种外在的干扰是每个产品必需克服的首要问题,产品的抗干扰能力直接影响到产品的稳定性。
也是决定一个产品成败的首要因素。
激光验钞机也不例外。
来自电网的各种干扰源,人体静电,来自激光器本身的红外线和纸币跟机仓磨擦所产生的静电等。
都是产品的置命干扰源。
点钞机常见故障及解决方法:
1.开机后无显示
①检查电源的插座是否有电
②检查点钞机的插头是否插好
③检查点钞机的保险丝是否已熔断
2.开机后出现故障提示代码
一般点钞机具有故障自检功能,开机后点钞机就自诊是否有故障。
不同的点钞机,故障代码也不一样。
请参考《使用说明书》。
3.计数不准
①调节托钞盘后部的垂直螺丝,顺时针拧一周或两周
②清理光电记数传感器上的积尘(除尘)。
③清尘后不能恢复正常,阻力橡皮、捻钞轮是否严重磨损。
换完后再进行调
整。
④调节送钞台光电计数器传感器的对正位置
4.荧光鉴伪不报警或检伪灵敏度降低
①调节电路板灵敏度按键或灵敏度调节电位器(荧光鉴伪的灵敏度)
②荧光灯管光传感器(紫光灯探头)是否积灰尘
③荧光灯管是否老化
5.启停方式失灵
①送钞传感器是否积灰尘
②送钞传感器和主电路板连接开路,接好即可
③点钞机皮带是否折断。