职业技能鉴定机构鉴定质量检查表
- 格式:doc
- 大小:42.50 KB
- 文档页数:2
职业技能鉴定现场质量督导报告表
填写说明
一、表中一般用“个、人、件、组”表示单位。
二、根据质量督导实际情况,在表中对应项目栏内画勾。
三、考场一般为标准间教室,原则上安排30人。
四、监考、考评人员与考生配备比例为:
知识考试考场一般为30个考生配备2名考评人员,不得低于此标准要求;
技能考场一般为3-5名考评人员给一个考生评分,但考评人员可同时交叉给几个考生评分。
五、考生证件一般应包括准考证和身份证(或工作证、学生证、军人证)。
六、“按时”指规定的考试时间;收、发试卷时间最多不超过规定时间的5分钟(特殊情况除外)。
七、质量督导人员意见栏要求质量督导人员对当次现场情况进行总体评价,指出主要问题,提出改进建议。
八、在现场督考结束后要对表中每项所得分数进行统计,90分以上的为优秀;75-89分为良好;60-74分为合格;60分以下的为不合格。
优秀的予以表扬,不合格的将不办理证书,重新申报考试。
天津市职业技能鉴定所(站)年度评估表
注:1.满分150分。
135分以上为优秀鉴定机构,90分至135分为合格鉴定机构, 90分以下为不合格鉴定机构。
2.如鉴定所(站)进行质量体系认证,总分加10分。
说明:
一、各种规章管理制度是指:鉴定工作规程(报名、收费、办证等)、考评员守则、考场规则、财务管理制度、档案管理制度、岗位责任制、设施、设备管理制度等。
二、所(站)基本情况档案是指:建所批文、职业技能鉴定所站许可证、收费许可证等。
鉴定档案是指考生鉴定报名档案,证书发放记录等。
职业技能鉴定所站质量管理表1. 背景随着经济的发展和时代的变迁,职业技能的重要性越来越被人们所重视。
作为职业技能认证的一种形式,职业技能鉴定所站的功能在社会各界中扮演着越来越重要的角色。
为了更好的保证职业技能鉴定的质量,职业技能鉴定所站需要建立质量管理表,以便对其工作进行全面监控和管理。
2. 质量管理表2.1 职能构成质量管理表主要职能包括以下方面:•管理职业技能鉴定所站的日常工作;•监控职业技能鉴定所站的工作流程;•收集上报职业技能鉴定所站工作中出现的问题,并加以解决;•持续改进职业技能鉴定所站的工作效率和质量;•提升职业技能鉴定所站的服务水平和客户体验。
2.2 管理内容2.2.1 人员管理人员管理是职业技能鉴定所站质量管理表的一个重要组成部分。
包括:•工作人员的业务培训、考核和晋升的管理;•工作人员的绩效评估、奖励和惩罚的管理;•工作人员的安全教育、健康管理和工作时间的管理。
2.2.2 资源配置资源配置是职业技能鉴定所站质量管理表的另一个重要组成部分。
包括:•职业技能鉴定所站设备的管理和维护;•职业技能鉴定所站场地的管理和维护;•职业技能鉴定所站系统的管理和维护。
2.2.3 工作流程工作流程是职业技能鉴定所站质量管理表的另一个重要组成部分。
包括:•鉴定项目的申报和审核的管理;•鉴定过程中的技能测试和技能评估的管理;•鉴定结果的登记和通知的管理。
2.3 监控和报告为了保证职业技能鉴定所站质量的有效管理,质量管理表需要设置监控和报告机制。
具体包括:•日常业务数据的监控和报告;•质量问题的监控和报告;•客户投诉的监控和报告;•管理改进的监控和报告。
3.职业技能鉴定所站质量管理表的制定是课程开发和教育培训机构的重要手段。
通过其有效管理,可以提高职业技能鉴定所站的服务质量和客户满意度,提升职业技能鉴定所站的声誉和市场竞争力。
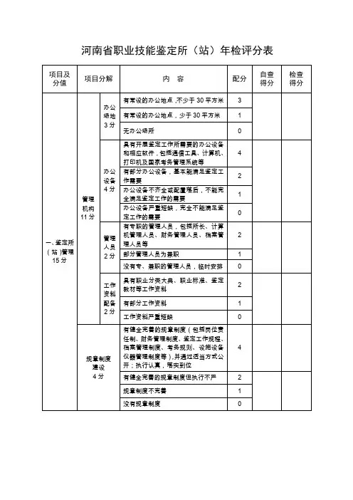
河南省职业技能鉴定所(站)年检评分表项目及分值项目分解内容配分自查得分检查得分一、鉴定所(站)管理15分管理机构11分办公场地3分有常设的办公地点,不少于30平方米 3有常设的办公地点,少于30平方米 1无办公场所0办公设备4分具有开展鉴定工作所需要的办公设备和相应软件,包括通信工具、计算机、打印机及国家考务管理系统等4有部分办公设备,基本能满足鉴定工作需要2办公设备不齐全或配置落后,不能完全满足鉴定工作的需要1办公设备严重短缺,完全不能满足鉴定工作的需要管理人员2分有专职的管理人员,包括所长、计算机管理人员、财务管理人员、档案管理人员等2部分管理人员为兼职 1没有专、兼职的管理人员,临时安排0工作资料配备2分具有职业分类大典、职业标准、鉴定教材等工作资料2有部分工作资料 1工作资料严重短缺0规章制度建设4分有健全完善的规章制度(包括岗位责任制、财务管理制度、鉴定工作规程、档案管理制度、考务规则、设施设备仪器管理制度等),并通过适当方式公开;执行认真,落实到位4有健全完善的规章制度但执行不严 2规章制度不完善 1没有规章制度0二、鉴定场所、设备设施20分理论考试场地设备4分有能够满足理论考试的教室及配套的课桌椅,采光、照明和通风条件良好,配有相应的投影、放相设备4教室面积较小,课桌椅较少,采光、照明和通风条件较好 2教室面积小,课桌椅很少,采光、照明和通风条件较差 1没有专用教室,临时租用0实际操作考核场地及设备12分场地设备可以满足20人同时鉴定的需要,完全符合环境保护、劳保、安全和消防等各项要求12场地设备能满足10人以上不能满足20人同时鉴定的需要,基本符合环境保护、劳保、安全和消防等各项要求8场地设备不能满足10人同时鉴定的需要,基本符合环境保护、劳保、安全和消防等各项要求4场地设备不能满足10人同时鉴定的需要,不符合环境保护、劳保、安全和消防等各项要求检测工具仪器仪表4分有满足相应工种相应等级鉴定需要的检测工具、仪器仪表,定期检验合格;保证考评员人手一套4有满足相应工种相应等级鉴定需要的检测工具、仪器仪表,定期检验基本合格;保证考评员两人一套2有部分工种相应等级鉴定需要的检测工具、仪器仪表 1没有满足相应工种相应等级鉴定需要的检测工具、仪器仪表,临时借用0三、考评人员使用、管理情况7分考评人员配备2分每个鉴定职业自有考评员达3名以上,考评人员证卡齐备 2每个鉴定职业自有考评员不足3名.考评人员证卡齐备 1每个鉴定职业自有考评员不足3名.考评人员证卡不齐0 考评人员使用2分按要求组成考评小组,考评员能严格执行鉴定规程和考场规则,群众反映好2考评员执行鉴定规程和考场规则比较真,群众反映较好 1考评员执行鉴定规程和考场规则不认真,群众反映差0考评人员管理3分能结合鉴定工作实际,经常组织考评员学习鉴定工作知识和有关政策、评分标准、程序3偶尔组织考评员学习鉴定工作知识和有关政策、评分标准、程序 1没有组织考评员学习鉴定工作知识和有关政策、评分标准、程序0四、鉴定工作开展情况和社会效果20分鉴定职业3分在许可证规定的职业(工种)范围内和本鉴定所场地实施鉴定 3超越许可证规定的职业(工种)范围实施鉴定;未经批准,在所外或异地进行鉴定鉴定人数12分核准的各个职业(工种)常年均开展鉴定工作,年鉴定总人数达1000人以上,并逐年有所增长12核准的职业中有的没有开展鉴定,年鉴定总人数700人以上不足1000人9 年鉴定总人数300人以上不足700人 3年鉴定总人数不足300人0社会效果5分社会评价高,鉴定对象反映好,学员就业率高,用人单位信赖,受到有关部门的表彰5社会评价高,鉴定对象反映好,学员就业率较高3 鉴定对象和用人单位反映较好,社会评价一般1 鉴定对象反映差,社会反映不好0五、考务管理28分鉴定公告4分对所鉴定的职业(工种)、等级、时间按规定及时发布鉴定公告,内容齐全4 能按规定发布鉴定公告,内容较齐全 3发布的公告内容不齐全 1未发布鉴定公告,或公告(广告)有失实内容组织报名5分依据职业标准和有关政策规定的申报条件,严格审查鉴定对象报名资格和有关资历证明,报相应劳动保障部门审批,核发准考证5资格审查不严,有放宽条件,降低标准现象2 没有进行资格审查0考场管理4分按要求设置考场,严格执行《考场守则》、《考务人员守则》等规定,监考人员能认真监考,做好考场记录4考场设置不规范,基本执行《考场守则》、《考务人员守则》等规定,监考人员监考较认真,能够做好考场记录2没有严格执行《考场守则》、《考务人员守则》等规定,监考人员监考不认真,考场记录内容有缺失项目及分值项目分解内容配分自查得分检查得分五、考务管理28分试卷交接与保管4分从省鉴定中心领取鉴定试卷,试卷有专人保管,手续齐全,符合保密要求;考试时,当场拆封4从省鉴定中心领取鉴定试卷;试卷没有安排专人保管,基本符合保密要求;考试时,当场拆封2没有从省鉴定中心领取鉴定试卷,私编试卷、使用过期试卷;试卷保管不符合保密要求;有试卷失密泄密现象发生评分汇总4分督促考评员严格履行职责,严格按照评分标准和要求评分,认真填写评分表,抽查试卷无差错4基本能督促考评员履行职责,按照评分标准和要求评分,认真填写评分表,抽查试卷差错率在1%以内2没有督促考评员履行好职责,严格按照评分标准和要求评分,抽查试卷差错率超过1%登分上报2分登分认真,无差错,表卷相符,表表相符 2抽样检查误差率在1%以内 1抽样检查误差率超过3%0考务管理系统使用5分使用国家职业技能鉴定考务管理系统进行鉴定数据的管理,包括录入、上报、统计、存档等5没有使用国家职业技能鉴定考务管理系统0六、档案资料管理6分资料保管科学、完整、有序、安全,档案资料按年限分批次建立,目录清楚、存放有序、查找方便,并建立了电子档案6档案资料整理不规范,各种考务套表不齐全,未按规定年限、批次保存 4 没有管理人员,没有固定的存放地点 2 档案资料杂乱无章或没有建立档案0七、执行收费标准4分严格执行省有关部门规定的收费项目和标准,使用规定的统一票据收费,帐目清楚,开支合理,自觉接受检查4基本能执行省有关部门规定的收费项目和标准,帐目清楚,未使用规定的统一票据收费,自觉接受检查2 帐目不清或无帐目,不自觉接受检查0说明:1、凡国家对鉴定所的管理制度、场地设施、工量具等有明确标准和规定的,要按国家标准和规定审查。
附件2示范职业技能鉴定所(站)质量管理评估表(试行)表2-1 评估内容评估分值评估方法和标准评估结果大项中项小项1.岗位职责和能力要求(15分)1.1所(站)长组织制定本所(站)的各项规章制度和质量管理的措施办法; 1现场提问、查阅工作记录。
50%以上的提问不能回答的、没有工作记录的不得分。
从人、财、物和工作措施等方面确保制度执行、工作运行、质量管理等必需的资源条件;1现场提问、查阅措施文件。
50%以上的提问不能回答的、没有措施文件的不得分。
定期组织全体人员学习国家和所属地方或行业的政策文件,提高管理、服务水平和质量意识。
1 查阅工作记录。
没有的不得分。
1.2副所(站)长定期向所长报告所(站)管理和服务业绩情况,并提出改进意见; 1查阅工作记录。
没有的不得分。
在职责范围内,定期组织管理、服务和质量方面的专项学习、技术培训和会议,以提高工作人员能力水平,增强鉴定服务质量;1 查阅工作记录。
没有的不得分。
负责本职范围内工作运行的管理、审核和监督检查。
1查阅工作记录和现场提问。
没有的不得分。
1.3综合管理责任人员负责综合性、协调性、联络性等有关工作的具体组织落实; 1查阅工作记录。
没有的不得分。
组织编制所(站)有关管理文件办法,组织设计鉴定过程质量的检查程序方案和表格记录并按照领导要求组织验证;1 查阅工作记录。
没有的不得分。
按照领导要求落实本所(站)人员能力建设工作,例如起草有关报告、组织培训等。
1 查阅工作记录和资料。
没有的不得分。
1.4考务管理责任人员负责鉴定考务管理和组织实施工作;负责编制考核鉴定管理、考评人员管理等相关管理办法;1 查阅工作记录和资料。
没有的不得分。
负责考核鉴定场所的验收,考评人员的使用和管理;确保考核鉴定过程符合国家有关规定;1 查阅工作记录。
没有的不得分。
定期向领导报告鉴定工作运行、质量控制情况,并提出改进建议。
1查阅工作记录。
没有的不得分。
—6——7—示范职业技能鉴定所(站)质量管理评估表(试行)表2-2评 估 内 容评估 分值评估方法和标准评估 结果大项中项小 项1.岗位职责和能力要求 (15分)1.5设施设备管理责任人员根据鉴定要求提出所需设施、设备、工具以及监视、测量装置等的配备意见,并负责编制设施、设备等管理维护文件和安全使用办法;1 查阅工作记录和有关资料。
职业技术判定机构判定质量检查评估表检查项目检查分项目检查内容1.1 拟订完好工作人员管理规章制度且回执1.2 履行考评人员交错、回避、轮换制度1.3 成立判定公示制度、保证判定工1、本机构管作的公然、公正理制度建设与履行状况1.4 拟订完好的判定档案管理制度且(30 分)履行1.5 履行判定考场规则1.6 履行判定保密制度,去事故发生2.1 具备符号国家职业标准规定的等级、类其他查核场所2.2 拥有符号国家职业标准规定的等级、类其他设备和设备2、职业技能判定条件(16分)2.3 拥有符号国家职业标准规定的等级、类其他检测仪器2.4 拥有符号国家职业标准规定的类型、等级要求的管人员开通使用国家职业资格工作网在《允许证》规定的职业(工种),范围内实行判定3、职业技术拟订判定工作计划并上报审批判定工作规范与程序依据规定条件审察报名资格并上(40 分)报按规定申请并使用试题试卷且无泄密事件发生评估标准检查结果配分得分1.完好切合52.部分切合23.没有制度01.完好切合52.部分切合23.不履行01.完好切合52.部分切合23.没成立01.完好符号52.部分符号23.未拟订01.完好切合52.部分符号23.未履行01.完好切合52.部分符号23.不履行有事故01.完好切合42.部分切合23.没有场所01.完好切合42.部分切合23.无设备01.完好切合42.部分切合23.无检测仪器01.完好切合42.部分切合23.人员0加 5 分1.完好切合52.不切合01.完好切合52.部分切合23.无计划01.完好切合52.部分切合23.不切合01.完好切合52.部分切合23.不按规定0职业技术判定所(站)判定质量检查评估表(续)检查分项目3、职业技术判定工作规范与程序4、履行质量督导状况(14 分)检查项目评估标准检查内容检查结果配分得分履行查核程序并有考场记录;1.完好履行5依据2考培分别要务实行判定活动 2.部分履行3.不履行0对有安全要求的职业(工种)能1.完好切合52.部分切合2依据安全生产规程实行判定3.不符号要求01.完好切合5依据规定进行阅卷、评分并上报 2.部分切合23.不按规定0使用判定考务管理软件并实时上1.完好切合52.部分切合2报数据3.未使用软件01.完好切合5接受上司质量督导 2.部分切合23.不符号要求01.完好切合4记录并保留质量督导资料 2.部分切合23.不切合0履行对证量督导人职工作评论反1.完好履行52.部分履行2馈制度3.未履行0整体评估总分:等级:注:满分为100 分85 分— 100 分优异; 70 分— 84 分为良; 60—69 分为中; 0 分— 59 分为差;。