纤维转盘滤布滤池系统技术描述
- 格式:doc
- 大小:82.50 KB
- 文档页数:10
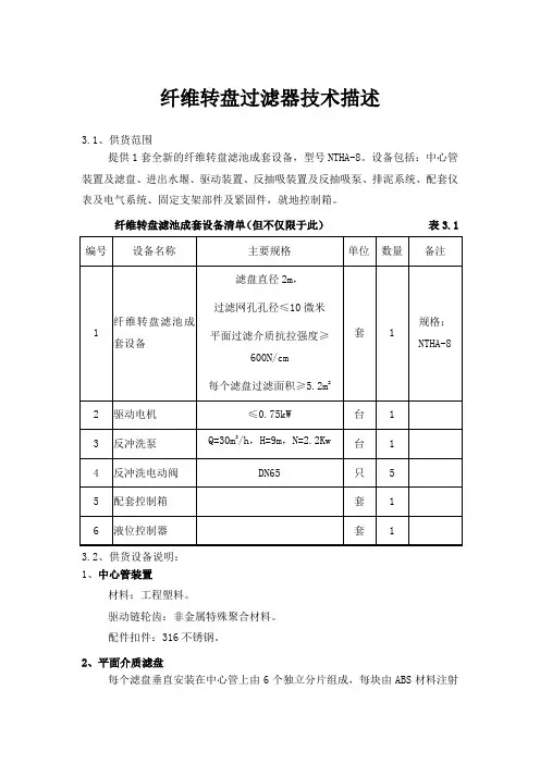
纤维转盘过滤器技术描述3.1、供货范围提供1套全新的纤维转盘滤池成套设备,型号NTHA-8。
设备包括:中心管装置及滤盘、进出水堰、驱动装置、反抽吸装置及反抽吸泵、排泥系统、配套仪表及电气系统、固定支架部件及紧固件,就地控制箱。
纤维转盘滤池成套设备清单(但不仅限于此)表3.13.2、供货设备说明:1、中心管装置材料:工程塑料。
驱动链轮齿:非金属特殊聚合材料。
配件扣件:316不锈钢。
2、平面介质滤盘每个滤盘垂直安装在中心管上由6个独立分片组成,每块由ABS材料注射成型一个框架,上面覆以平面过滤介质。
每一个分片都能够比较容易的从中心管道上移开,而不使用特殊工具,并允许在装置顶端移动和更换滤布。
系统不需要使用特殊工具。
每个滤布滤盘具有大于5.7平方米的有效浸没过滤面积。
过滤介质平均网孔直径小于10微米,有效过滤深度大于2mm。
3、反冲洗及排泥系统反冲洗管道系统一套设备的反冲洗系统由一套反冲管道、反冲泵、反冲洗阀、排泥阀等组成。
过滤系统包含4个DN65反冲洗电动阀和1个DN65排泥电动阀,法兰连接,不锈钢阀球和阀茎,配备220伏,单相,50Hz开关型电子伺服驱动器。
阀开关信号要求反馈至控制系统。
反冲洗系统可根据过滤水头自动冲洗或定时反冲洗,同时可以手动进行反冲洗操作。
反冲洗泵形式:离心泵材料:铸铁泵体、叶轮和轴流量: 30m3/h,扬程: 9m配套电机功率:2.2kW电源: 380VAC,50Hz4、驱动装置过滤器包括一个可调节的驱动装置,驱动装置由齿轮箱、驱动齿、驱动链和一个304不锈钢的链条罩组成,(可调节的是指位置调节)。
驱动齿轮:尼龙;驱动链条:不锈钢,不锈钢插销;设备运行噪声:小于≤70dB。
驱动电机功率:≤0.75kW。
5、配套仪表高位浮球开关浮球开关包括聚丙烯密封和一个聚氯乙烯三芯电缆。
压力传感器传感器作用:探测感知水位,控制反冲洗运行;材料:不锈钢防护隔膜密封,扩散型硅树脂半导体传感器输出信号:在0-0.35kg/cm2压力范围内,输出信号为4-20mA。
纤维转盘滤布滤池原理
纤维转盘滤布滤池是一种结构紧凑、运行可靠的滤池系统。
它的特点是增加了聚合技术的
使用,从而增加了滤池的流量。
它通常由纤维转盘、滤布滤池和离心式提锁机组装而成。
纤维转盘转盘为钢制复合材料,外形像梯形空心圆柱,内部由多边形小槽组成,每根槽中
填有金属丝与纤维混合物,再滤过滤布。
当纤维混合物在转盘上移动时,水流经过每一槽,悬浮物在转盘上游航、内层纤维丝离子吸附、外层气泡和调节模糊末尾。
逐步实现自动的
污染物的去除。
滤布滤池由挂衣网式滤网、底部旋流器、出口管线组成,水流从底部旋流器进入滤池,经
过滤布,水流中悬浮物和有机物离心力下沉,被吸附、逐渐沉积。
经过滤后的净水从出口
管线流出池体,承担着最终净化的任务,将污染物去除系统的的功能,同结合上面的纤维
转盘,从而实现污染物的有效处理。
纤维转盘滤布滤池作为来源水、工程水的过滤设备,很大的减少了污染物的排放,可起到
净化水质的清洗作用。
它通常应用于污水处理中,进行有很好的滤池效果,能够滤出大部
分病原体和有毒物质,提供清洁、洁净的水质。
污水深度处理技术——纤维转盘滤池纤维转盘滤池(滤布滤池)是目前世界上最先进的之一,目前在全世界已经有700个污水厂采用该项技术。
滤布转盘的处理效果好,出水水质高,设备运行稳定,拥有目前世界上唯一公认的中水回用证书-Title22证书。
滤布滤池主要用于冷却循环水处理、的深度处理后回用。
作为冷却水、循环水过滤后回用:进水水质SS80mg/L以下,出水水质SS10mg/L。
用于污水的深度处理,设置于常规活性污泥法、延时曝气法、SBR系统、氧化沟系统、滴滤池系统、氧化塘系统之后,可用于以下领域:①去除总悬浮固体②结合投加药剂可去除磷③可去除重金属等。
滤布转盘用于过滤活性污泥终沉池出水,设计水质:进水SS:30mg/L (最高可承受80-100mg/L),出水SS5mg/L,实际运行出水更优质。
滤布滤池与常规滤池相比的特点:(1)出水水质好并且稳定。
滤布转盘过滤器是采用滤盘外包滤布来代替传统滤池的砂,滤布孔径很小,可截留粒径为几微米(m)的微小颗粒,因此出水水质及出水稳定性都优于粒料滤池。
而常规滤池冲洗前因穿透问题水质较差,冲洗后会因滤层中残存的清洗水对出水有影响。
另外过滤的水量也随阻力的变化而变化。
(2)设计新颖,耐冲击负荷。
滤布转盘过滤器相当于是滤池及的结合,具有排泥的功能。
颗粒大的污泥直接沉淀到斗形池底,不会堵塞滤布,即不像普通滤池:所有的悬浮物(SS)都必须经过。
因此过滤周期长,清洗间隔长,而且可承受的水力负荷及污泥负荷也远远大于常规砂滤池,悬浮物(SS)负荷相当于普通砂滤池的1.5倍,滤速比普通滤池增加50%。
因此滤布转盘过滤器更耐高悬浮物浓度和大颗粒悬浮物的冲击。
(3)设备简单紧凑,附属设备少,整个过滤系统的投资低。
滤布转盘过滤器清洗时可连续过滤。
而砂滤池反冲洗时不能连续过滤,为保证连续,需要在砂滤池前设中间储水池或采用多台滤池交替工作。
滤布转盘过滤器采用小型水泵负压抽吸滤后水自动清洗,省去许多传统滤池需要的反冲洗水池、水塔等。
纤维转盘技术说明纤维转盘过滤器由中心转鼓、转盘、反洗系统和配套控制电气系统等组成。
转盘固定在中心转鼓周围,并与中心转鼓具有连通孔。
原水 (污水) 由中心转鼓的一端开口流入转鼓内,并通过连通孔进入各转盘,转盘两侧装有过滤布,过滤布为聚酯纤维编织而成,过滤孔径可达10μm。
原水通过过滤布过滤后,清水流出过滤布,从过滤水出口排出系统外。
随着过滤的进行,过滤布内侧的截留杂质不断增加,过滤压差随之增加,透过滤布的水量减小。
当杂质堆积到一定程度,中心转鼓液位达到设定值,需要进行反洗,将过滤布内侧堆积的杂质反洗出。
反洗水泵抽取透过过滤布的清水,喷洒到过滤布外侧,将过滤布内侧的截留杂质冲洗下来,冲洗后污水掉落在接液盘内,然后排出装置外。
反洗时转盘旋转,反洗水喷洒不同角度的过滤布,直至转盘旋转一周,过滤布全部经过清洗,反洗停止,重新进入静止过滤过程,直至再次进行反洗。
设备的核心装置就是中间的过滤转盘、反冲洗装置包括反抽吸吸盘,反抽吸水泵;排泥装置包括排泥泵(也是反抽吸水泵) 、斗型集泥槽,斗型集泥槽上面排布多孔的排泥管;还包括自控系统(PLC 自动控制盘)。
合同签署后提交以下资料:★1(3) 设备的安装、运行、维修手册。
★(5) 随机备品备件表。
( 6) 产品样本。
★ (7) 业绩要求。
(合同及用户证明)(8) ISO9000 、ISO14000 体系认证。
1.每台纤维转盘滤器可以有效过滤水中悬浮物。
2.每台工作能力应具备过水流量大于等于250m3/h。
1.工作原理:原水由中心进水管路进入中心转筒,并通过中心转筒的布水孔进入固定在转筒四周的滤盘内,滤盘两侧装有经不锈钢丝或聚酯丝编织而成的滤布,原水通过滤布过滤后,清水流出滤盘,从出水堰排出系统。
主要结构:2.过滤转盘:垛石厂由 6 块扇形组成,新市厂由4 块扇形组成,仁风厂由 4 块扇形组成。
上面包裹着滤布,属于插拔式结构,运输维修特别方便,过滤布为聚酯纤维编织而成,过滤孔径可达10μm。
【干货】纤维转盘滤池技术介绍纤维转盘滤池介绍纤维转盘滤池的作用在于去除污水中以悬浮状态存在的各种杂质,提高污水处理厂出水水质,使处理水SS指标能达到《城镇污水处理厂污染物排放标准》(GB18918-2002)中的一级A排放标准。
纤维转盘滤池结构如图1.1所示,它由用于支撑滤布的垂直安装于中央集水管的平行过滤转盘串联起来组成。
一套装置过滤转盘数量一般为2~20个,每个过滤转盘是由6小块扇形组合而成。
滤盘全部浸没在水中,过滤转盘由防腐材料组成,每片过滤转盘外包有滤布。
反冲洗装置由反洗水泵、反抽吸装置及阀门组成,排泥装置由排泥管、排泥泵及阀门组成,排泥泵与反洗水泵为同一水泵。
纤维转盘滤池的运行状态包括:过滤、反冲洗、排泥状态。
(1)过滤:污水重力流进入滤池,滤池中设有布水堰。
滤盘是完全浸没在污水中的,污水首先进入滤池,然后通过滤布过滤,过滤液通过中空管收集,重力流通过出水堰排出滤池。
整个过程为连续。
(2)清洗:过滤中部分污泥吸附于滤布外侧,逐渐形成污泥层。
随着滤布上污泥的积聚,滤布过滤阻力增加,滤池水位逐渐升高。
通过高位浮球液位计监测池内液位变化。
当该池内液位到达清洗设定值(高水位)时,PLC即可启动反洗泵,开始清洗过程。
滤布上的污泥通过反抽吸装置,经由反洗水泵,排出滤池体外。
清洗时,滤池可连续过滤。
过滤期间,过滤转盘处于静态,有利于污泥的池底沉积。
清洗期间,过滤转盘以1转/分钟的速度旋转。
反洗水泵负压抽吸滤布表面,吸除滤布上积聚的污泥颗粒,过滤转盘内的水自里向外被同时抽吸,并对滤布起清洗作用。
瞬时冲洗面积仅占全过滤转盘面积的1%左右。
反冲洗过程为间歇。
正常清洗时,2个过滤转盘为一组,通过自动切换抽吸泵管道上的电动阀控制,纤维转盘滤池一个完整的清洗过程中各组的清洗交替进行,其间抽吸泵的工作是连续的。
当进水水质突然恶化,反冲洗周期≤15分钟时,系统将启动应急措施,同时启动反冲洗泵,对过滤转盘进行反冲洗,直至反冲洗周期恢复正常(3)排泥:纤维转盘滤池的过滤转盘下设有斗形池底,有利于池底污泥的收集。
纤维转盘滤池纤维转盘滤池是一种常用于处理废水的环保设备,其原理是通过纤维转盘的旋转运动,将水中的杂质物质过滤出来,达到净化水质的效果。
纤维转盘滤池广泛应用于工业废水、生活污水、农田灌溉等领域,取得了良好的处理效果,受到用户的一致好评。
一、纤维转盘滤池的工作原理纤维转盘滤池通过纤维转盘的旋转运动,将污水从上部流入,经过纤维转盘的过滤层,其中的杂质物质被截留在纤维转盘上。
之后,通过电机的推动,纤维转盘将截留物质带到滤池的排出口,达到对水质进行净化的目的。
同时,纤维转盘滤池还设置有自动清洗装置,可以定期对纤维转盘进行清洗,保持滤池的良好运行状态。
二、纤维转盘滤池的特点和优势1.高效过滤:纤维转盘滤池具有较大的过滤面积和过滤孔隙,可以高效地过滤各种杂质物质,使水质达到排放或回用的标准。
2.运行稳定:纤维转盘滤池采用自动化控制系统,可以实现滤池的稳定运行和智能管理,减少操作人员的工作量。
3.节能环保:纤维转盘滤池采用低能耗电机和材料,具有低能耗和高效率的特点,减少了对环境的影响。
4.使用寿命长:纤维转盘滤池采用优质的材料,具有耐腐蚀、耐磨损的特点,可以保证设备的使用寿命长。
5.操作简便:纤维转盘滤池操作简单,只需设置工作参数和监控滤池的运行状态,即可实现自动化的运行。
6.适用范围广:纤维转盘滤池可以处理各种类型的水,包括工业废水、生活污水、农田灌溉等,具有广泛的应用领域。
三、纤维转盘滤池的应用案例1.工业园区的废水处理:通过纤维转盘滤池处理工业废水,将废水中的悬浮物、颗粒物等过滤出来,使废水符合排放标准,达到环保排放要求。
2.城市污水处理厂:采用纤维转盘滤池处理生活污水,将其中的有机物、悬浮物、细菌等物质过滤出来,使污水净化后可以进行再利用或安全排放。
3.农田灌溉系统:通过纤维转盘滤池处理农田灌溉用水,将其中的泥沙、微生物等过滤出来,保证灌溉水的清洁和安全,提高农作物的产量和质量。
四、纤维转盘滤池的发展前景随着环保意识的提高和对水资源利用的要求越来越高,纤维转盘滤池作为一种高效、节能、环保的废水处理设备,具有广阔的市场前景。
纤维转盘滤池纤维转盘滤池是一项由XXX自主研发的过滤技术。
自2002年开始研发,到2003年底,纤维转盘滤池的概念逐渐成熟。
在2004年初,第一台处理量为2000m3/d的中试装置开始在实验室进行运转,并对一系列参数进行了测试和调整。
2006年初,新的处理量为2000m3/d的中试装置在大连老虎滩污水处理厂运转,以处理二级生化处理后的实际污水。
中试试验进行了近8个月,对实际污水处理有了更全面地了解。
XXX已于2007年申请了发明和实用新型专利,到目前为止,已有的业绩近20个,所有完成的项目均取得了良好的处理效果,全部达到处理要求。
纤维转盘滤池的工作原理是深层过滤,利用过滤介质或多孔膜截留液体中的难溶颗粒。
它具有3~5mm的有效过滤深度,比砂滤类滤床深度浅,但密度比砂滤类大。
与表面过滤相比,纤维转盘滤池无纳污空间。
过滤可以分为深层过滤、膜过滤和表面过滤三大类。
不同尺寸颗粒所对应的过滤分离方式如图3-2所示。
维护方便纤维转盘滤池的结构紧凑,占地面积小,且操作维护方便。
清洗时,自动交替清洗,无需人工干预,减少人力成本。
3.适用范围广纤维转盘滤池的处理规模可根据需要进行调整,适用于不同规模的工程项目。
同时,池体结构也可以根据具体情况进行选择,更加灵活多样。
4.节能环保纤维转盘滤池采用反洗水回收技术,减少了用水量,同时也减少了废水排放,节能环保效果显著。
总之,纤维转盘滤池是一种高效、节能、环保的水处理设备,具有广泛的应用前景。
在实际项目中,应根据具体情况进行选用,并加强运维管理,确保设备的正常运行。
与传统的深层过滤单元不同,纤维转盘滤池将过滤面竖直起来,水流从左至右流动,可以在保证过滤面积足够大的前提下减少占地面积。
此外,设备简单紧凑,附属设备少,占用空间小。
纤维转盘滤池的所有滤盘几乎总处于过滤状态,设备闲置率低,总装机功率很低,对于改造项目尤其突出,可以不用扩容。
纤维转盘滤池反洗所需要的水量小,不会对前处理工艺产生影响。
转盘滤池技术说明一、总述1、概况污水经沉淀池沉淀后进入纤维转盘滤池。
据此,设备选型过滤部分采用纤维转盘滤池1座。
纤维转盘滤池设在钢混滤池内,滤池考虑检修,需设置超越管道。
2、滤池系统提供商资质要求(1)过滤系统制造商应具备承包规模为10000吨/日或以上的滤布滤池不少于3个的成功业绩,并且提供至少2个规模为10000吨/日或以上的滤布滤池的运行3年以上案例,需要提供相应的合同或验收证书和用户证明复印件,并提供原件和相应的项目地址,电话等联系方式,以便核查验证。
(2)供货商必须承诺:在本节2所标明的技术参数前提下,当进水SS(悬浮颗粒)小于30mg/l时,其提供设备应能始终有效处理污水,出水浊度小于5NTU,如供货商认为招标图滤布总面积不能有效保证出水符合要求,可以调增过滤布面积,也就是增加盘片数。
所需费用必须包含在投标报价中。
承包商必须将上述内容写入承诺函,投标时提交。
二、技术规范1、纤维转盘滤池性能参数2、参考标准引用的标准,应是在投标截止之前30天尚在通用的或最新版本。
所有提供的设备和制作工艺是按照国际标准化组织及国际电器技术委员会颁发的有关标准,这些标准应包括以下或优于以下的标准。
中国国家标准其它认可的中国标准国际化标准组织标准国际电工技术委员会标准国际电器制造业协会标准轴承使用标准工业控制保险标准3 资料提交(1)投标商应提交下列资料,但不限于以下内容:(2)滤布滤池按本项目施工图设计图纸的池体工艺设计尺寸要求的总体平面布置图、剖面图。
(3)安装方法的详细描述。
(4)列出用户所需的过滤单元备品备件单价及各阶段运转的备件计划.4 过滤系统工作流程要求过滤设备应为外进内出型。
污水通过重力或水泵进入滤布滤池,滤池中设有挡板消能设施,污水经滤布过滤后,滤后液通过中空管收集依重力流通过排水槽排出滤池。
过滤过程中部分悬浮物截留在滤布外侧,在滤布表面形成一层污泥层。
随着滤布表面悬浮物的不断累积,滤布的过滤阻力不断增加,导致滤池中的水位不断地上升。
纤维转盘滤布滤池工作原理
纤维转盘滤布滤池是一种被广泛应用于水处理系统的有效过滤器,主要用于清除系统中的有害悬浮物,有效改善水的质量。
纤维转盘滤布滤池的基本结构是由一系列与圆形框架相连的转盘滤布构成的,它们都是由特殊的经过处理的无纺布纤维制成的。
该系统可以有效地捕获有害悬浮物,并将其从水中除去。
纤维转盘滤布滤池的工作原理是将待处理的水送入滤池,压力会将水均匀地分散到每个滤布 suction box 上,当水穿过滤布纤维时,粒径小于滤布纤维密度的悬浮物会被扣留,而比滤布纤维密度稍大的悬浮物则会穿过滤布,随水流出滤池。
最后,滤池底部有一个储液池,收集滤后的水,使滤池的过滤效率可以达到设计要求的标准。
纤维转盘滤布滤池的设计参数有很多,其中最重要的是滤布的纤维密度和滤池的流量。
滤布纤维密度是指滤布空气孔率和滤布纤维密度的比率,通常用毫米(mm)来表示。
滤池的流量则根据需要进行调整,一般而言,滤池的流量应该尽可能的高,以保证处理效率的提高。
此外,纤维转盘滤布滤池还需要定期进行清洗和维护。
每次清洗时,滤布上的悬浮物需要被清理掉,以确保滤布的有效过滤。
此外,滤池也需要进行定期检测,以确保滤池的运行正常和安全。
综上所述,纤维转盘滤布滤池是一种广泛应用于水处理工程的有效过滤器,它能够有效地捕获有害悬浮物,并把它们从水中清除。
纤维转盘滤布滤池的设计要素包括滤布的纤维密度和滤池的流量,滤池也需要定期进行清洗和维护以保证滤池的正常运行。
世界上最先进的污水回用技术-----纤维转盘滤池。
纤维转盘滤池简介:1地表水的进一步净化2用于污水的深度处理与中水回用,设置于常规二级污水处理系统之后,可去除总悬浮固体,结合投加药剂可除磷,色度和重金属等3微滤布过滤机特别适用于已建污水处理厂的升级改造,结合加药可以使出水从一级B级到一级A.相比于沙滤池,其占地小,造价低,出水稳定;并且改造所需的工程量小,工期短微滤布过滤机过滤范围微滤布过滤机是目前世界上先进的过滤器之一,目前在全世界已经有350个污水厂采用该项技术。
微滤布过滤系统与砂滤相比,在技术和经济指标方面都有很多优势。
技术上:处理效果好并且水质水量稳定;运行维护简单方便。
经济上:设备闲置率低,总装机功率低;设备简单紧凑,附属设备少,整个过滤系统的投资低并且占地小。
微滤布过滤机的处理效果好,出水水质好。
常规二级污水处理厂出水深度处理工艺流程相对于传统的深度处理工艺,采用微滤布过滤机处理工艺主要有以下特点:①对于新建项目,由于设备水头损失小(约0.7m ),可取消提升装置及提升构筑物;②当进入过滤阶段处理水SS ≤30 mg/L 时,可省掉沉淀构筑物,采取微滤布过滤机直接过滤(必要时增加滤盘数量);③ 一般砂滤为防止滤料内长生物膜,需要采取前加氯措施,而微滤布过滤机滤布采用特殊材料及特殊构造,不存在长生物膜的问题;④当进水只要求处理SS 时,可省去加药环节;⑤由于滤布反冲洗时采用负压抽吸的方式,不需要反抽吸水池。
因此对于一般污水处理厂二级处理出水,采用简单的工艺处理流程(图8)就可大幅提高出水水质。
常规深度处理工艺流程 图7反冲洗水二级预处理排放微滤布过滤机处理工艺流程 图8微滤布过滤机的创新点:(1)单台设备过滤连续,冲洗时过滤也不间断(2)它可以在很小的占地上大大增加过滤面积,来提高过滤效率。
①以2000T/d为例:采用微滤布过滤机TH-2000,其过滤面积为10m2,占地8m2;若选压力过滤罐需3台Ф1.8m(2用1备),其过滤面积为5.1m2,占地约14 m2。
滤布滤池安装、维护、操作使用手册***********有限公司滤布滤池技术说明一、设备概述:1、转盘过滤器包括:中心管装置及滤布盘、驱动装置、反抽吸泵及排泥系统、反冲洗阀及排泥阀、配套仪表及测量自控系统、固定支架部件及紧固件、控制箱等。
2、滤布转盘过滤器主要用于污水的深度处理,设置于常规活性污泥法、延时曝气法、SBR系统、氧化沟系统、滴滤池系统、氧化塘系统之后,出水SS≤10mg/L,实际运行出水更优质。
3、工作原理:转盘过滤器布水后在水压的作用下,蓬松的纤维滤布会自动紧贴在底布上,形成密集的过滤层,悬浮物会在其表面逐渐堆积,此时固定在侧边支架上的吸槽通过反洗泵的作用,吸去附着在纤维滤布上的浮渣。
沉降到池底的悬浮物,通过设在池底的污泥管道反吸到厂区内污水井。
当反抽吸时,传动机构带动中心筒及旋转滤盘缓慢转动,同时开启旋转滤盘反抽吸电动阀,对旋转滤盘进行负压抽吸。
过滤后的清水从滤盘骨架内流入中心筒内再从出水口流出。
二、技术参数:滤盘直径:φ2200mm滤布材质:合成纤维三、设备主要部件材质:四、技术描述:1.转盘过滤器由一系列平行安装的滤盘组成,每个滤盘由8个的扇形过滤板组合而成,转盘上装有可方便拆卸的滤布,滤布的过滤孔径不大于10um。
2.转盘过滤器的运行状态包括:过滤、清洗、排泥状态。
3.转盘过滤器的过滤方向为外进内出式。
4.污水重力流进入滤池,通过滤布过滤,再经过重力流过出水堰排出滤池。
整个过程为连续式。
5.过滤中部分污泥吸附于滤布外侧,逐渐形成污泥层。
随着滤布上污泥的积聚,滤池过滤阻力增加,滤池进水侧水位逐渐升高。
通过液位计,监测液位变化,液位到达清洗设定值时,设备自带PLC即可启动反吸泵,开始反吸过程。
反吸时,滤池可连续过滤。
6.正常清洗时,设备自带清洗系统在PLC系统控制下对各滤盘进行逐片顺序清洗;当进水水质突然之间恶化,池内液位迅速上升到清洗液位,控制系统应同时启动所有清洗泵,可同时对几组滤盘进行清洗,直至清洗周期恢复正常。
纤维转盘过滤器技术描述3.1、供货范围提供1套全新的纤维转盘滤池成套设备,型号NTHA-8。
设备包括:中心管装置及滤盘、进出水堰、驱动装置、反抽吸装置及反抽吸泵、排泥系统、配套仪表及电气系统、固定支架部件及紧固件,就地控制箱。
纤维转盘滤池成套设备清单(但不仅限于此)表3.13.2、供货设备说明:1、中心管装置材料:工程塑料。
驱动链轮齿:非金属特殊聚合材料。
配件扣件:316不锈钢。
2、平面介质滤盘每个滤盘垂直安装在中心管上由6个独立分片组成,每块由ABS材料注射成型一个框架,上面覆以平面过滤介质。
每一个分片都能够比较容易的从中心管道上移开,而不使用特殊工具,并允许在装置顶端移动和更换滤布。
系统不需要使用特殊工具。
每个滤布滤盘具有大于5.7平方米的有效浸没过滤面积。
过滤介质平均网孔直径小于10微米,有效过滤深度大于2mm。
3、反冲洗及排泥系统反冲洗管道系统一套设备的反冲洗系统由一套反冲管道、反冲泵、反冲洗阀、排泥阀等组成。
过滤系统包含4个DN65反冲洗电动阀和1个DN65排泥电动阀,法兰连接,不锈钢阀球和阀茎,配备220伏,单相,50Hz开关型电子伺服驱动器。
阀开关信号要求反馈至控制系统。
反冲洗系统可根据过滤水头自动冲洗或定时反冲洗,同时可以手动进行反冲洗操作。
反冲洗泵形式:离心泵材料:铸铁泵体、叶轮和轴流量: 30m3/h,扬程: 9m配套电机功率:2.2kW电源: 380VAC,50Hz4、驱动装置过滤器包括一个可调节的驱动装置,驱动装置由齿轮箱、驱动齿、驱动链和一个304不锈钢的链条罩组成,(可调节的是指位置调节)。
驱动齿轮:尼龙;驱动链条:不锈钢,不锈钢插销;设备运行噪声:小于≤70dB。
驱动电机功率:≤0.75kW。
5、配套仪表高位浮球开关浮球开关包括聚丙烯密封和一个聚氯乙烯三芯电缆。
压力传感器传感器作用:探测感知水位,控制反冲洗运行;材料:不锈钢防护隔膜密封,扩散型硅树脂半导体传感器输出信号:在0-0.35kg/cm2压力范围内,输出信号为4-20mA。
纤维转盘滤布滤池工作原理
纤维转盘滤布滤池是一种有效的污染物捕集装置,它的基本结构是由不锈钢夹板、滤布、及外罩组成,采用水管、水泵分别与网站和净水池相连接,可以将水质污染物和有害污染物有效分离、捕集,保证出水水质。
纤维转盘滤布滤池工作原理很简单,外罩内装有一组由叶轮、滤布、轴承等部件组成的转盘,水管连接水泵的输出端,水泵的输入端接网站的水源,水泵将网站的饮用水和污水源混合,被抽入滤池内,在转盘的表面上装有潜水毡滤层,毡滤层的毛细纤维结构可以吸附和捕集水中的有害悬浮物、细小颗粒等污染物,滤镜上层的物体由水流逐渐移至边缘,经过倾斜转盘特殊结构,下沉进入集水槽,上层的水经过滤后,从滤池上游出口排出,起到了净化污水的作用。
在滤池内,转盘不停地旋转,旋转速度越快,滤池中的污染物被捕集越充分,有效清除痕量铝和其他有毒物质,同时也可以防止水泥结垢,净化水质。
纤维转盘滤布滤池在使用过程中,除了需要定期清理外,还要注意水压的变化及按时维护保养,才能保证安全可靠的运行。
水压的变化会影响转盘的旋转速度和效率,过大的水压会破坏转盘,影响滤布的净化效果,因此在使用纤维转盘滤布滤池时,要定期检查水压是否正常,维护保养时可根据设备及使用状况更换滤布,以确保滤池功能正常。
总之,纤维转盘滤布滤池的使用可以有效的过滤污染物、改善
水质,但在使用过程中,要注意操作安全,维护保养要及时,以保证设备的正常运行,达到最大滤净效果。
QGL3000-10纤维转盘过滤器技术描述一、主要技术参数1、全浸式外进内出式纤维转盘过滤器型号: QGL3000-10数量: 1套盘片外径: 3000mm中心筒尺寸:φ1120mm过滤面积: 12m2/单盘单套盘片数量: 10片单盘扇区: 12片组成(单片一次注塑成型,内衬托架)滤速度: 8-11m/h/ m2驱动减速机功率: 1.5kw电压:380V反洗水泵功率: 2.2KW反洗周期: 0-60min(或连续)进水水质: SS≤20mg/L出水水质: SS≤10mg/L工作压力:重力过滤(或连续过滤)安装形式:箱体结构滤网材质:纤维滤布骨架:一次注塑成型聚酯纤维尼龙骨架中心筒:不锈钢304,厚度8mm紧固件:不锈钢304链轮及链条:不锈钢304托轮及轴座:不锈钢304减速机: SEW控制柜:电器元件:施耐德,触摸屏昆仑通态控制柜不锈钢304二、供货设备说明1、中心管装置材料:304不锈钢,厚度 8mm。
驱动链轮齿:04不锈钢。
配件扣件:304不锈钢。
2、平面介质滤盘每个滤盘垂直安装在中心管上由8个独立分片组成,每块由聚酯纤维注射成型一个框架,上面覆以平面过滤介质。
每一个分片都能够比较容易的从中心管道上移开,而不使用特殊工具,并允许在装置顶端移动和更换滤布。
系统不需要使用特殊工具。
每个滤布滤盘具有大于6.2平方米的有效浸没过滤面积。
过滤介质平均网孔直径小于10微米.3、反冲洗及排泥系统反冲洗管道系统一套设备的反冲洗系统由一套反冲管道、反冲泵、反冲洗阀、排泥阀等组成。
过滤系统包含5个DN80反冲洗电动阀和2个DN80排泥电动阀,法兰连接,不锈钢阀球和阀茎,配备220伏,单相,50Hz开关型电子伺服驱动器。
阀开关信号要求反馈至控制系统。
反冲洗系统可根据过滤水头自动冲洗或定时反冲洗,同时可以手动进行反冲洗操作。
反冲洗泵形式:离心泵材料:铸铁泵体、叶轮和轴流量: 42m3/h,扬程: 9m配套电机功率:2.2kW电源: 380VAC,50Hz4、驱动装置过滤器包括一个可调节的驱动装置,驱动装置由齿轮箱、驱动齿、驱动链和一个304不锈钢的链条罩组成,(可调节的是指位置调节)。
纤维转盘滤布滤池设计计算纤维转盘滤布滤池是一种用于处理废水和污水的设备,通过物理和化学方法将废水中的固体颗粒、悬浮物和溶解性物质分离,从而实现废水的净化和处理。
在设计和计算纤维转盘滤布滤池时,需要考虑到滤布的尺寸、材料和结构,滤池的容积和流速,以及处理废水的具体特性和要求等因素。
一、设备介绍1.纤维转盘滤布滤池工作原理纤维转盘滤布滤池是一种利用纤维滤布进行过滤的设备,其主要工作原理是通过过滤布的微孔,让废水中的固体颗粒和悬浮物被截留,从而实现废水的净化。
滤布通过旋转转盘的动力,将被固体颗粒截留的滤布绕过水平旋转轴,使废水在滤布上得到连续、均匀的过滤。
废水通过滤布后,被过滤的固体颗粒和悬浮物被截留在滤布上,而相对清洁的水则流出滤布,经过净化处理达到可排放的标准。
2.纤维转盘滤布滤池结构和特点纤维转盘滤布滤池通常由转盘、滤布、电机、控制系统等部分组成。
滤布被固定在转盘上,以便于转盘的旋转带动滤布的移动,从而实现废水的过滤和净化。
这种设备具有结构简单、操作方便、处理效果好等特点,广泛应用于废水处理和工业生产中的水处理工艺中。
二、设计计算在设计计算纤维转盘滤布滤池时,需要综合考虑废水的特性和要求、滤布的选择和尺寸、滤池的容积和流速等因素。
1.废水的特性和要求在设计纤维转盘滤布滤池时,首先需要了解废水的特性和要求。
废水的特性包括废水的浓度、颗粒和悬浮物的粒径和密度、水质等。
废水的要求包括排放标准、处理效果、处理量等。
通过对废水的特性和要求进行分析,可以确定滤布的选择和尺寸、滤池的容积和流速等参数。
2.滤布的选择和尺寸选择适合的滤布对于纤维转盘滤布滤池的设计和计算至关重要。
滤布的选择应考虑废水的特性和要求,滤布的材料应具有良好的耐腐蚀性和耐磨性,可以有效地截留固体颗粒和悬浮物。
滤布的尺寸则可以根据处理废水的量和要求来确定,通常是根据滤布的长度、宽度和厚度来计算。
3.滤池的容积和流速滤池的容积和流速是纤维转盘滤布滤池设计和计算的关键参数之一。