转向灯线路图
- 格式:doc
- 大小:1.09 MB
- 文档页数:1
第二节桑塔纳2000轿车电气线路图一、桑塔纳2000轿车电气线路图概述桑塔纳2000系列轿车整车电气系统采用中央线路板方式,即大部分继电器和保险丝都安装在中央线路板正面(如图8-2-1和表8-2-1所示),主线来从中央线路板反面接插后通往各用电器(如图8-2-2所示)。
中央线路板上标有线束和导线接插位置的代号及接点的数字号。
主要线束的插件代号有A、B、C、D、E、G、H、L、K、M、N、P、R。
其中R插座插入常火线,R、K、M均为空位插孔。
查找时只要根据电路图中导线与中内线路板区域中下框线交点处的代号,就能了解其导线在某个线束中的第几个插头上。
桑塔纳2000系列轿车电路图中的符号说明如图8-2-3所示。
图8-2-1 中央线路板正面布置1-空位 2-进气歧管预热继电器 3-空位 4-空位 5-空调组合继电器 6-双音喇叭继电器7-雾灯继电器 8-X-接触继电器 9-拆卸保险丝专用工具 10-前风窗刮水及清洗继电器11-空位 12-转向继电器 13-冷却风扇继电器 14-摇窗机继电器 15-摇窗机继电器16-内部照明继电器 17-冷却液位指示继电器 18-后雾灯保险丝(10A) 19-过热保护器20-空调保险丝(30A) 21-自动天线保险丝(10A) 22-电动后视镜保险丝(3A)单位:A编号名称额定电流编号名称额定电流1 散热器风扇30 14 鼓风机(空调)202 制动灯10 15 倒车灯、车速传感器103 点烟器、收音机、钟、车内灯、中央集控门锁15 16 进气预热器温控开关、怠速切断电磁阀154 危险报警闪光灯15 17 双音喇叭105 燃油泵15 18 驻车制动、阻风门指示灯156 前雾灯15 19 转向灯107 尾灯和停车灯(左)10 20 牌照灯、杂物箱照明灯108 尾灯和停车灯(右)10 21 前照灯近光(左)109 前照灯远光(右)10 22 前照灯近光(右)1010 前照灯远光(左)10 23 后雾灯1011 前风窗刮水器及清洗装15 24 空调3012 电动摇窗机15 25 自动无线1013 后风窗加热器20 26 电动后视镜 327 ECU 10注:保险丝23~27为桑塔纳200OGSi型轿车的编号,插在中央线路板的旁边。
一、转向灯及危险报警灯电路在汽车起步、转弯、变更车道或路边停车时,需要打开转向信号灯以表示汽车的趋向,提醒周围车辆和行人注意。
转向信号灯系统由闪光继电器(简称闪光器)、转向开关、转向灯和转向指示灯等组成。
当接通危险报警信号开关时,所有转向信号灯同时闪烁,表示车辆遇紧急情况,请求其他车辆避让。
根据GB 7258—1997 机动车运行安全技术条件》规定,危险报警灯操纵装置不得受点火开关控制。
转向灯闪烁是由闪光器控制电流通断实现的,闪光频率规定为1.5HZ±0.5HZ。
有的车转向信号闪光器和危险报警闪光器共用,例如TJ7100轿车,如图6-20所示,还有的车转向信号闪光器和危险报警闪光器单独设置,例如切诺基汽车,如图6-21所示。
二、闪光器的工作原理常见闪光器有电容式、翼片式、晶体管式三类(图6-22)。
翼片式和带继电器的晶体管式闪光器结构简单体积小、闪光频率稳定、监控作用明显、工作时伴有响声,故被广泛使用。
1.电容式闪光器电容式闪光器结构如图6-23所示,它由一只大容量电解电容器和双线圈继电器组成。
工作原理:接通转向灯开关(左或右)后,串联线圈经触点、转向信号灯构成回路,且电流较大。
产生较强磁场,吸动衔铁,使触点张开。
此过程中,串联线圈通电时间极短,转向信号灯不亮。
触点张开后电容器经串联线圈、并联线圈、转向灯开关、转向灯及转向指示灯构成充电回路.由于充电电流很小,此时转向灯与转向指示灯不亮。
触点在串并联线圈的合成磁场(方向相同)作用下,仍保持张开状态。
电容器充足电后.并联线圈电流消失,铁心吸力减小,触点在复位弹簧作用下闭合,转向灯与转向指示灯亮;同时,电容器经并联线圈及触点放电,由于串联线圈与并联线圈磁场方向相反,铁心吸力极小,触点保持闭合状态。
当电容器放电结束后,并联线圈电流消失,在串联线圈磁场作用下,触点再次张开,转向灯与转向指示灯变暗,电容器再次充电。
如此周而复始,转向灯与转向指示灯不停地以此频率闪烁。
F0线束、连接器、搭铁命名规则S左后轮速传感器线束R右后轮速传感器线束三、连接器、搭铁命名规则对于连接器,按照阿拉伯数字对每条线束上的连接器进行排序。
例如A1,A2,A3……A16。
对互连连接器采取用不同线束字母代码组合后加数字的形式。
例如CA1,CA2,CH1。
在特殊连接器如3A、3B、1D、1H当中,1表示前舱配电盒,3表示仪表配电盒,后边的字母表序号。
搭铁使用“W+线束代码+数字”的形式表示,例如WA1,WC1。
四、继电器继电器用“数字+字母序号”表示。
例如1M、1N、5A、5B,其中1表示位于前舱配电盒,5表示位于左A柱仪表台管梁下,字母表示序号。
例外情况:1Q近光灯继电器,位于前舱右前减振支座旁;C33电动窗继电器,位于左A柱管梁前方。
五、保险保险用“F+配电盒编号/数字”的形式表示。
例如F1/7,F为Fuse 的缩写,其后的数字1代表前舱配电盒,2代表仪表配电盒,斜线后的数字7为保险编号。
组合仪表及仪表配电盒端子定义F0组合仪表同时作为F0配电盒,对车身用电设备进行配电。
在组合仪表背面配电盒中的相关接插件:F0前舱配电盒知识介绍一、前舱配电盒概述前舱配电盒主要用于整车供电。
继电器:保险:F0二、外观视图1、实物图和明细图(因状态变更,以实车为准)2、前舱配电盒 1A 保险丝盒连接器注意:引脚定义以正视图为准,读数从左至右,从上到下,电喷ECU接口除外。
3、前舱配电盒1B保险丝盒连接器4、前舱配电盒1C保险丝盒连接器5、前舱配电盒1D保险丝盒连接器6、前舱配电盒1F保险丝盒连接器7、AB1-接发动机线束连接器8、AB1-接发动机线束连接器F0线束接插件详解图7。
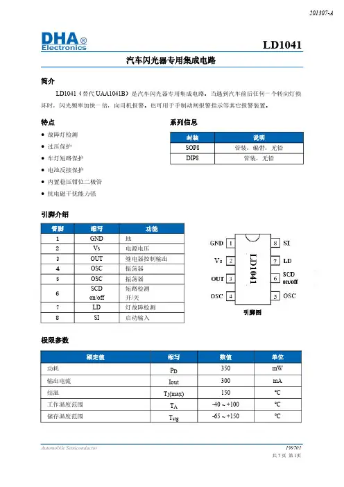
简介LD1041(替代UAA1041B )是汽车闪光器专用集成电路。
当遇到汽车前后任何一个转向灯损坏时,闪光频率加快一倍,向司机报警。
也可用于手制动闸报警指示等其它报警装置。
特点系列信息●故障灯检测●过压保护●车灯短路保护●电池反接保护●内置稳压钳位二极管●抗电磁干扰能力强引脚介绍极限参数引脚图汽车闪光器专用集成电路电参数(Ta=25℃)功能介绍LD1041用于驱动转向指示灯的闪光继电器。
图1所示的是带外围器件的典型应用电路图。
图中,R1、C1决定振荡器频率,并联电阻Rs用于检测故障灯和短路现象,限流电阻R2和R3用于在卸载瞬间保护集成电路。
电路有短路检测、故障灯指示和过压保护功能。
在实际应用中短路检测功能可以通过开关K2选择使用。
L1、L2、L3和L4是转向灯。
当开关K1接通后,经过延迟时间t1后继电器开始工作。
转向灯(L1、L2或L3、L4)将按振荡器频率闪烁。
K1断开,闪烁周期停止,电路回到初始状态。
过压保护集成电路可对电池电压进行检测。
当电源电压超过22V左右(12V闪光器)时,(这种情况可能在错误的将两块蓄电池组串接时发生),该继电器断开,停止工作,保护闪光灯不受损坏。
当电源电压恢复正常后,集成电路恢复工作。
故障灯检测集成电路通过对电阻Rs的电流检测来完成故障灯检测。
当某个转向灯故障时,闪烁频率将加快一倍来表示故障。
短路保护通过检测电阻Rs的电流是否过流(Ish>25A)来完成。
开始保护后继电器断开,停止工作。
只有当排除故障,并重新启动开关K1,集成电路恢复工作。
使用短路保护必须断开管脚6的连接开关K2,并在管脚1和管脚2之间连接电容C2。
不使用短路保护将管脚6和管脚2相连接,电容C2可以取消。
应用信息1.闭合开关K1启动闪烁周期。
开关位置检测是通过连接电阻R2和R灯泡输入到管脚8。
启动要求是Rst≤3.6kΩ,Rst=R2+R灯泡。
为了可靠工作,从管脚8到地的绝缘电阻必须大于5.6kΩ。
大众迈腾B8汽车转向灯故障诊断摘要:汽车在转弯、并线、超车、起步、停车,只要你的车辆需要打轮离开原车道,就需要提前开启转向灯,通过转向灯光的闪烁来警示车前或车后的行人或车辆。
如果汽车转向灯异常会给行车带来安全隐患。
本文介绍大众迈腾B8转向灯电路及转向灯故障诊断方法。
关键词:迈腾B8L 电路原理图电路分析一、迈腾B8汽车转向灯组成图一迈腾B8汽车转向灯组成二、迈腾B8汽车转向灯控制逻辑图二迈腾B8汽车转向灯控制逻辑三、迈腾B8汽车转向灯工作原理1、右转向控制:打开点火开关,向前拨动转向开关,接通开关内部右转向灯触点,随即转向柱电子装置控制单元J527接收到右转向灯开启模拟信号,J527将这个模拟信号转换成数字信号,通过舒适系统CAN总线将数据发送给车载电网控制单元J519、组合仪表控制单元、数据诊断接口J533、副驾驶员侧车门控制单元J387。
(1)J519接收到右转向灯开启信号后,接通右前转向灯和右后转向灯M7、M8,提醒行人以及车辆;(2)J285通过舒适CAN总线接收到右转向灯开启信号后,点亮仪表盘上右转向指示灯,提醒驾驶员转向灯状态;(3)J387通过舒适CAN总线接收到右转向灯开启信号后,点亮右侧后视镜上的右转向指示灯来提醒行人以及车辆;2、左转向控制:打开点火开关,向后拨动转向开关,接通开关内部左转向灯触点,随即转向柱电子装置控制单元J527接收到左转向灯开启模拟信号,J527将这个模拟信号转换成数字信号,通过舒适系统CAN总线将数据发送给车载电网控制单元J519、组合仪表控制单元、数据诊断接口J533、驾驶员侧车门控制单元J386。
(1)J519接收到右转向灯开启信号后,接通左前转向灯和左后转向灯M5、M6,提醒行人以及车辆;(2)J285通过舒适CAN总线接收到左转向灯开启信号后,点亮仪表盘上左转向指示灯,提醒驾驶员转向灯状态;(3)J387通过舒适CAN总线接收到左转向灯开启信号后,点亮左侧后视镜上的左转向指示灯来提醒行人以及车辆;四、迈腾B8汽车转向灯异常诊断(1)某个转向灯不亮的故障1 故障分析:根据故障现象,可以判断转向灯控制系统应是正常的,说明故障在故障转向灯与驱动转向灯控制单元之间的连接线、驱动转向灯控制单元、转向灯本身、搭铁等地方。
167转向灯、危险警示灯168线束连接器名称页码CA02接仪表线束2线束连接器20 CA12左前组合大灯线束连接器21 CA18右前组合大灯线束连接器21 DR01左前门接底板线束连接器53 DR05左侧车外后视镜线束连接器53 DR11右前门接底板线束连接器53 DR15右侧车外后视镜连接器53 IP07接发动机舱线束连接器31 IP10接底板线束连接器31 IP18灯光组合开关线束连接器31 IP28车身控制模块2线束连接器31 IP29车身控制模块1线束连接器31 IP31危险警示灯开关线束连接器31 IP49接底板线束连接器31 SO01接仪表线束连接器40/46 SO03接仪表线束连接器40/46 SO05接右前门线束连接器40/46 SO07接左前门线束连接器40/46 SO35(三厢)接行李舱线束连接器40 SO37右后组合尾灯线束连接器40/46 SO38(两厢)接尾门线束连接器46 SO41左后组合尾灯线束连接器40/46 SO46(两厢)接底板线束连接器47 SO51(三厢)接底板线束连接器40 G1A发动机舱接地60 G3发动机舱接地60 G7仪表盘接地61 G10(三厢)底板接地62 G11(三厢)底板接地62 G14(两厢)仪表盘接地63 G15(三厢)底板接地62 G20(两厢)背门接地64169制动灯170线束连接器名称页码CA02接仪表线束2线束连接器20 CA13ABS控制模块线束连接器21 IP05接室内保险丝、继电器盒线束连接器31 IP07接发动机舱线束连接器31 IP10接底板线束连接器31 IP30制动灯开关线束连接器31 SO03接仪表线束连接器40/46 SO33(三厢)高位制动灯线束连接器40 SO35(三厢)接行李舱线束连接器40 SO37右后组合尾灯线束连接器40/46 SO38(两厢)接尾门线束连接器46 SO41左后组合尾灯线束连接器40/46 SO46(两厢)接底板线束连接器47 SO51(三厢)接底板线束连接器40 SO63(两厢)高位制动灯线束连接器47 C01室内保险丝盒背面连接器15 G14(两厢)底板接地63 G15(三厢)底板接地62 G20(两厢)背门接地64171倒车灯172线束连接器名称页码CA10接发动机舱保险丝、继电器盒线束连接器320 CA27接发动机线束连接器21 EN04接仪表线束连接器25 EN22倒档开关线束连接器26 EN28接机舱配电盒线束连接器26 IP11接底板线束连接器31 IP29车身控制模块1线束连接器31 IP48接发动机线束连接器31 SO02接仪表线束连接器40/46 SO35(三厢)接行李舱线束连接器40 SO37右后组合尾灯线束连接器40/46 SO41(三厢)左后组合尾灯线束连接器40 SO51(三厢)接底板线束连接器40 C02室内保险丝盒背面连接器15 G14(两厢)底板接地63 G15(三厢)底板接地62连接点说明页码SO35-3(三厢)至倒车雷达控制模块SO40-16117 SO02-13(两厢)至倒车雷达控制模块SO40-16119173室内照明灯174线束连接器名称页码IP09接顶棚线束连接器31 IP21电子防盗天线线束连接器31 IP28车身控制模块2线束连接器31 IP43手套箱灯开关线束连接器31 IP44手套箱灯开关线束连接器31 IP47手套箱灯线束连接器31 RF01接仪表线束连接器37 RF04驾驶员侧化妆镜灯线束连接器37 RF05乘员侧化妆镜灯线束连接器37 RF06室内灯+天窗开关线束连接器37 RF07中间顶灯线束连接器37 G7仪表盘接地61 G7A仪表盘接地61175礼貌灯、行李箱灯176线束连接器名称页码DR01左前门接底板线束连接器53 DR06左前门锁电机线束连接器53 DR07左门迎宾灯线束连接器53 DR11右前门接底板线束连接器53 DR16右前门锁线束连接器53 DR17右门迎宾灯连接器53 IP05接室内保险丝、继电器盒线束连接器31 IP11接底板线束连接器31 IP28车身控制模块2线束连接器31 IP29车身控制模块1线束连接器31 SO02接仪表线束连接器40/46 SO05接右前门线束连接器40/46 SO07接左前门线束连接器40/46 SO34行李舱灯线束连接器40/46 SO35(三厢)接行李舱线束连接器40 SO38(两厢)接尾门线束连接器46 SO46(两厢)接底板线束连接器47 SO51(三厢)接底板线束连接器40 SO54(三厢)行李舱锁线束连接器40 SO55(两厢)后背箱锁线束连接器47 C01室内保险丝盒背面连接器15 G10底板接地62/63 G11底板接地62/63 G15底板接地62/63 G20(两厢)背门接地64连接点说明页码IP11-1至组合仪表IP03-32179 DR16-1参见中控锁135 DR06-6参见中控锁133。
二、捷达/捷达王轿车电气线路图捷达/捷达王轿车电气线路如图6-2-23~图6-2-49所示。
图6-2-23 发电机、蓄电池、起动机、点火开关电路图A-蓄电池J59-X-触点卸荷继电器ws-白色bl-蓝色B-起动机T1a-单孔接头——蓄电池附近sw-黑色gr-灰色C-发电机①接地线,蓄电池——车身ro-红色li-紫色C1-电压调节器②接地线,变速器——车身br-棕色ge-黄色D-点火开关–接地连接点1,前大灯线束内gn-绿色图6-2-24 散热器风扇、自动阻风门、进气歧管预热电路图F18-散热器风扇温度开关F26-自动阻风门温度开关* F35-进气管预热温度开关* F87-风扇起动温度开关J81-进气管预热继电器J138-散热器风扇起动控制单元N1-自动阻风门N52-加热电阻(部分负荷处喉管加热-化油器)N69-冷起动热时间阀T1n-单孔插头,左前大灯附近T2a-两孔插头,左前大灯附近V7-散热器风扇–接地连接点,发动机接地,右前线束内注:*不适用1.8L发动机图6-2-25 进气歧管预热、点火系统、超速切断电路图G40-霍尔传感器J130-超速切断控制器单元,仅用于1.8L发动机N-点火线圈N41-晶体管点火系统控制单元,压力通风舱左侧N51-进气管预热加热电阻N68-怠速-超速控制阀O-分电器P-火花塞插头Q-火花塞 -接地点,发动机舱左侧–接地连接点1,发动机舱线束内图6-2-26 仪表板连接、油压开关、冷却液温度传感器电路图F1-油压开关*(180kPa)F22-油压开关*(30 kPa)G-燃油表传感器G2-冷却液温度表传-远光警报灯K5-转向警报灯T28-28孔插头,在仪表板上–搭铁连接点1,感器K Array 1在发动机舱线束内注:*不适用1.8L发动机图6-2-27 仪表板(燃油表、油压报警、时钟、转速表)电路图G1-燃油表G3-冷却液温度表G5-转速表G54-速度传感器(仪表板内)J6-稳压器J243-油压和冷却液报警及转速度表控制单元K3-油压警报灯K28-冷却液温度警报灯L8-时钟照明灯L10-仪表板照明灯T1d-单孔插接件,继电器盘后面T11-11孔插接件,控制器J243上T28-28孔插接件,仪表板旁Y2-数字式时钟图6-2-28 手制动和制动液液面警报、磁带盒照明电路图F9-手制动指示灯开关F34-制动液面警报开关K7-双管路制动及手制动指示灯L66-磁带盒照明灯T2i-两孔插接件,仪表板后–接地点1,继电器盘旁–接地点1,发动机舱线束内–接地连接1,前大灯线束内图6-2-29 点烟器、收放机、鼓风机电路图E9-鼓风机开关L16-空调控制板照明灯L28-点烟器照明灯N23-鼓风机串联电阻R-收放机插头S24-过热保险丝T1b-单孔插接件,继电器盘后面T1c-单孔插接件,继电器盘后面T1m-单也插接件,仪表板的右后面T2V-两孔插接件,鼓风机串联电阻上T3a-3孔插接件,仪表板后T5e-5孔插接件,鼓风机串联电阻上T8-8孔插接件,收放机上U1-点烟器V2-鼓风机–连接点(30),仪表线束线束内图6-2-30 车内灯、行李仓照明灯、牌照灯电路图F2-左前门联锁开关F3-右前门联锁开关F5-行李舱照明灯开关F10-左后门联锁开关F11-右后门联锁开关T1e-单孔插接件,继电器盘上部T10-单孔插接件,继电器盘上部T2e-2孔插接件,行李舱左后部T21-2孔插接件,行李舱左侧W3-行李舱灯W15-带延迟关闭的内饰灯(室内灯)X-牌照灯–接地点1,继电器盘旁–接地点,行李舱左侧–接地点,后挡板右侧图6-2-31 前大灯远近光调节电路图E102-灯光距离调节器L54-灯光调节器照明灯T2f-2孔插接件,车身左前围板上V48-左灯光调节电机V49-右灯光调节电机–接地点1,断电器盘附近–接地点1,前大灯线束内–接地点2,前大灯线束内图6-2-32 前大灯、停车灯、变光及转向灯开关电路图E4-变光及转向灯开关L1-左前大灯双丝灯L2-右前大灯双丝灯M1-左停车灯M3-右停车灯T5b-5孔插接件,转向柱开关后面点2,前大灯线束内图6-2-33 转向信号和危险警报灯、驻车灯开关电路图E2-转向灯开关E3-遇险警报灯开关E19-驻车灯开关J2-遇险警报灯继电器(闪光器)K6-遇险警报灯T4c-4孔插接件,转向柱开关后T5b-5孔插接件,转向柱开关后T7a –7孔插接件,转向柱开关后图6-2-34 转向灯、尾灯电路图M2-右尾灯M4-左尾灯M5-左前转向灯M6-左后转向灯M7-右前转向灯M8-右后转向灯M18-左侧停车转向灯M19-右侧停车转向灯T1i-单孔插接件,左减震器支柱后T2d-2孔插接件,左减振器支柱后T6a-6孔插接件,左尾灯T6b-6孔插接件,右尾灯–接地点,行李舱盖左侧-接地点,行李舱盖右侧–接地点,左尾灯灯架处- 接地点,右尾灯灯架处–接地连接点1,前大灯线束内-接地点2,前大灯线束内图6-2-35 车灯开关、制动灯电路图E1-车灯开关E20-车灯控制开关和仪表F-制动灯开关L9-车灯开关照明灯M9-左制动灯M10-右制动灯T1m-单孔插接件,插在继电器位置10触点3上T6a-6孔插接件,左尾灯上T6b-6孔插接件,右尾灯上-接地点,左尾灯灯架上- 接地点,右尾灯灯架上图6-2-36 倒车灯、后窗加热、双音喇叭电路图E15-后风窗加热开关F4-倒车灯开关H1-双音喇叭J4-双音喇叭继电器K10-后风窗加热指示灯L39-后风窗加热开关照明灯M16-左倒车灯M17-右倒车灯T2b-2孔插接件,继电器盘后面T2e-2孔插接件,行李舱左后侧T6a-6孔插接件,左尾灯上T6b-6孔插接件,右尾灯上Z1-后风窗加热–接地点,行李舱右侧-接地点,左尾灯灯架上-接地点,右尾灯灯架上–接地连接点,双音喇叭线束内–电源线连接点,双音喇叭线束内图6-2-37 后雾灯电路图E23-前后雾灯开关K13-后雾灯指示灯L20-后雾灯灯泡L40-前、后雾灯开关照明灯T2g-2孔插接件,左后悬架上T6a-6孔插接件,左尾灯上- 接地点,右尾灯灯架图6-2-38 前风窗刮水器、清洗装置电路图E22-间歇工作的前风窗雨刷器开关H1-喇叭开关J31-清洗/刮水-间歇自动控制继电器T4c-4孔插接件,转向柱开关后T5c-5孔插接件,转向柱开关后T7a-7孔插接件,转向柱开关后V-前风窗雨刷电机图6-2-39 后风窗刮水器、清洗装置、杂物箱照明灯电路图J30-后风窗雨刷器和清洗器继电器T2 c-2孔插接件,仪表板右后部T2k-2孔插接件,行李舱左后部V12-后风窗雨刷电机V59-前、后风窗洗涤泵W6-杂物箱照明灯–接地点,后挡板右侧–接地连接点1,仪表线束内图6-2-40 空调开关、鼓风机电路图A-蓄电池E9-鼓风机开关E33-蒸发器温度开关(温度低开+1℃时断开)E35-空调开关F73-制冷液管路低压开关(压力低于200kPa时断开)J32-空调继电器N23-鼓风机串联电阻N62-怠速提升双通阀S23-主保险丝S24-过热保险丝T1a-单孔插接件,仪表板后T1c-单孔插接件,仪表板后T2a-2孔插接件,仪表板后T21-2孔插接件,发动机舱前T3a-3孔插接件,仪表板后T5a-5孔插接件,仪表板后T5b-5孔插接件,仪表板后V2-鼓风机–接地点1,继电器盘附近–接地点1,仪表线束内图6-2-41 电磁离合器、压力开关、散热器风扇电路图F 18-散热器风扇热敏开关 F 23-空调管路上的高压开关 J 69-起动继电器 J 138-散热器风扇控制单元 N 25-空调电磁离合器 T 1b -单孔插接件 T 2c -2孔插接件,发动机舱前 T 2e -2孔插接件,发动机舱前 T 2f -2孔插接件,发动机舱前 T 2g -2孔插接件,发动机舱前 T 21-2孔插接件,发动机舱前 V7-散热器风扇 –接地端1,左前线束内图6-2-42 前后雾灯开关、前雾灯电路图E23-前后雾灯开关J5-前雾灯继电器K13-后雾灯指示灯L22-左前雾灯L23-右前雾灯L40-前后雾灯开关照明灯T2b-2孔插接件,右前大灯附近T2g-2孔插接件,右前大灯附近T2h-2孔插接件,左前大灯附近–接地端1,前大灯线束内图6-2-43 收放机、前扬声器、拉杆天线电路图D-点火开关E20-开关及仪表照明调节器K-仪表部件L16-空调调节器照明灯L28-点烟器照明灯L39-后风窗加热开关照明灯L40-前、后雾灯开关照明灯R-带双音调谐的收放机R2-左前扬声器R3-右前扬声器R11-天线T1-单孔插接件,继电器盘后T2-2孔插接件,仪表板中后部T8-8孔插接件,收音机上T8a-8孔插接件,收音机上T28-28孔插接件,收音机上U1-点烟器–接地点,接线柱A-右下部–电源正极连接点(30a),仪表板线束内图6-2-44 多点喷射控制单元、点火系统、冷却液温度传感器电路图A-蓄电池 G 2-冷却液温度传感器 G 40-霍尔传感器 G 62-冷却温度传感器 J 220-多点喷射控制单元 N 79-加热电阻(曲轴箱通风) N 152-点火线圈 P-火花塞插头 Q-火花塞 T4-4孔插头 T8-8孔插头 T80-80孔插头 –接地点,在气缸盖上 –接地连接点1,在发动机舱线束内 –接地连接点(传感器接地),在发动机线束内 –正极连接点1(15),在发动机舱线束内–连接点1,在多点喷射控制单元线束内图6-2-45 多点喷射控制单元、节气门控制单元、爆震传感器1、进气温度传感器电路图F60-怠速开关G61-爆震传感器1 G69-节气门电位计G72-进气温度传感器G88-节气门调节器电位计J220-多点喷射控制单元J338-节气门控制单元T80-80孔接点V60-节气门调节器图6-2-46 多点喷射控制单元、发动机转速传感器、爆震传感器电路图B-起动机D-点火开关G28-发动机转速传感器G66-爆震传感器2 J220-多点喷射控制单元T3-3孔插头,靠近发动机转速传感器T80-80孔插头 -接地点,在发动机舱左侧–接地连接点(传感器接地),在发动机线束内ws-白色sw-黑色ro-红色br-棕色gn-绿色bl-蓝色gr-灰色li-紫色ge-黄色图6-2-47 多点喷射控制单元、空气流量计、燃油泵继电器、喷油器电路图G39-λ传感器G70-空气流量计J17-燃油泵继电器J220-多点喷射控制单元N30-1缸喷油器N31-2缸喷油嘴N32-3缸喷油器N33-4缸喷油器N4a-4孔插头T80-80孔插头TV2-30号接线柱,分线器,在继电器盘后–连接点(喷油阀),在发动机舱线束内ws-白色sw-黑色ro-红色br-棕色gn-绿色bl-蓝色gr-灰色li-紫色ge-黄色图6-2-48 多点喷射控制单元、燃油泵电路图A-蓄电池G-燃油表传感器G6-燃油泵J32-空调继电器,在继电器盘上J220-多点喷射控制单元N25-空调装置电磁离合器N80-活性磁罐电磁阀 1 S51-保险丝T8-8孔插头T16-16孔插头,V.A.G1551自诊断接口T80-80孔插头–接地连接点1,在仪表板线束内ws-白色sw-黑色ro-红色br-棕色gn-绿色bl-蓝色gr-灰色li-紫色ge-黄色注*散热器风扇接通控制单元图6-2-49 仪表板电路图F1-机油压力开关F22-机油压力开关(30kPa)G1-燃油表G3-冷却液温度表K-仪表板T8-8孔插头T28-28孔插头,在仪表板上ws-白色sw-黑色ro-红色br-棕色gn-绿色bl-蓝色gr-灰色li-紫色ge-黄色1、捷达轿车有几种车型?答:捷达轿车目前有12种车型。