YB系列隔爆型三相异步电动机
- 格式:doc
- 大小:916.00 KB
- 文档页数:12
佳木斯YB2型隔爆电机样本国内最权威的电机样本YB2系列隔爆型三相异步电动机产品样本佳木斯电机股份有限公司发布国内最权威的电机样本YB2系列隔爆型三相异步电动机产品样本一. 概述概述YB2系列隔爆型三相异步电动机是结合我公司几十年生产防爆电动机的实践经验而设计制造的优化系列,采用平行散热片等流行结构设计,具有结构紧凑、运行平稳、效率高、可靠性高、噪声低、重量轻、安装维护方便等优点。
本系列机座号范围80-400,功率等级和安装尺寸完全符合国际电工委员会(IEC)标准.该系列电动机满足了GB __-2022年《中小型三相异步电动机能效限定值及节能评价值》中的能效限值的要求。
本系列电动机防爆性能符合GB 3836.2-2022年《爆炸性气体环境用电气设备第2部分:隔爆型“d”》及MT451《煤炭用隔爆型低压三相异步电动机安全性能通用技术规范》的规定。
电动机制成隔爆型,分I类(煤矿非采掘工作面),防爆标志ExdI;Ⅱ类(工厂),防爆标志ExdⅡAT(1~4)、ExdⅡBT(1~4),(1~4)意义分别为T1、T2、T3及T4,适用于爆炸气体环境中机械设备的电力驱动。
如:矿山、化工、石油等行业。
根据环境的不同可以制成适应不同环境使用的产品,如户外场所(代号W)、湿热带场所(代号TH)、户外湿热带场所(代号WTH)、干热带场所(代号TA)、户外干热带场所(代号WTA)干湿热混合型场所(代号T)、干热沙漠型场所(代号TS)等二. 选型指南选型指南该造型指南提到的事项,目的是提示用户在选型时应注意或明确的事项。
1.型号的意义Y B2 200 S 1 - 8 - W环境代号,W-表示户外(户内无防护要求时省略)F1-防中等腐蚀型F2-防强腐蚀型TH-湿热带TA-干热带极数机座长及铁心序号电机中心高隔爆型(2表示第二次设计)异步电动机*L-长机座,M-中机座,S-短机座,1-为第一种铁心长度国内最权威的电机样本2.系列型谱(见表1)表1同步转速r/min机座号80M1 80M2 90S 90L 100L1 100L2 112M 132S1 132S2 132M1 132M2 160M1 160M2 160L 180M 180L 200L1 200L2 225S 225M 250M 280S 280M 315S 315M 315L1 315L2 355S1 355S2 355M1 355M2 355L1355L2 400S1 400S2 400M 400L3000 0.75 1.1 1.5 2.2 3 4 5.5 7.5 - 11 15 18.5 22 - 30 37 - 45 55 75 90 110 132 160 200 (185) (200) (220) 250 315 355 400 -1500 0.55 0.75 1.1 1.5 2.2 3 4 5.5 7.5 11 15 18.5 22 30 37 45 55 75 90 110 132 160 200 (185) (200) 220 250 315 355 400 4501000 0.37 0.55 0.75 1.1 1.5 2.2 3 4 5.5 7.5 11 - 15 18.5 22 - 30 37 45 55 75 90 110 132 160 (185)200 250 280 315 355750 0.18 0.25 0.37 0.55 0.75 1.1 1.5 2.2 3 4 5.5 7.5 - 11 15 18.5 22 30 45 55 75 90 110 132 16045 55 75 90 (90)110 132 160 (185)185 200 220 250- 75 90 110 - 132 160 185 200- 55 75 90 110 - 110 132 160- 55 75 90 - 110 132 -600 500 428 375功率kW----(280) (280)(220)(185)200 250 280 315国内最权威的电机样本3.电动机的绝缘等级:通常为F级或H级,两种绝缘结构的技术参数相同,只是温升限值不同。
佳木斯电机股份有限公司技术文件0EE.138.295-2016YBX4系列高效率隔爆型三相异步电动机产品样本(机座号80~355)2016-07-30发布2016-07-30实施佳木斯电机股份有限公司发布YBX4系列高效率隔爆型三相异步电动机产品样本(机座号80~355)1概述YBX4系列高效率隔爆型三相异步电动机是我公司自主开发设计的全封闭式高效率隔爆型三相异步电动机。
效率指标符合GB 18613-2012《中小型三相异步电动机能效限定值及能效等级》中1级电动机节能评价值的规定。
是目前全球范围内最高效率的三相异步电动机,也是三相异步电动机中的高端产品。
本系列电动机符合国家标准GB 3836.1《爆炸性环境第1部分:通用要求》和GB 3836.2《爆炸性环境第2部分:由隔爆外壳“d”保护的设备》的规定。
本系列电动机制成隔爆型,适用于爆炸性气体环境中机械设备的电力驱动。
防爆标志为ExdⅠMb,ExdIIAT(1-4) Gb,ExdIIBT(1-4)Gb,ExdIICT(1-4)Gb ,温度组别为T1、T2、T3、T4。
本系列电动机机座号范围为80~355,功率等级和安装尺寸符合GB/T4772.1/IEC 60072-1和GB/T4772.2/ IEC 60072-2标准的规定。
2产品特点YBX4系列电动机整体外观(见图1)。
图1 整体外观图产品主要有以下特点:a) 电动机主接线盒位于机座的顶部,可以左右旋转满足用户不同出线方式的要求;b)机座号H160及以上电机,可以根据用户需要提供定子测温装置(可选PTC或PT100)、轴承测温装置(PT100)、加热器、不停机注排油装置;c) 机座号H225及以上电机,可根据用户需要提供底脚调整螺栓孔;d) 接线盒、机座、端盖和风罩的外形美观、样式新颖,并且有利于降噪和通风;e) 电动机采用热分级为155级(可选180级)绝缘系统,从而延长电机的使用寿命;f) 电动机工作制为S1,冷却方式为IC411,外壳防护等级为IP55;g) 适用于各种应用场合,如:“W”、“TH”、“WTH”、“F1”、“F2”、“WF1”及“WF2”,其中:W为户外防轻腐蚀型;TH为湿热带;WTH为户外湿热带;F1为户内防中等防腐型;F2为户内防强腐蚀型;WF1为户外防中等腐蚀型;WF2为户外防强腐蚀型;h)电动机机座底部安装有防爆呼吸排水阀(卧式安装方式时);i)机座号80~180的2P、4 P、6 P、8P电机采用铸铜转子或者铜条转子,其它机座号电机采用铸铝转子;j) 电动机的高质量保证了高的运行可靠性;k)为了方便连接负载,在电动机轴伸端面均预留有C型中心孔(见表1)。
YBK2系列煤矿井下用隔爆型三相异步电动机
一、概述
YBK2系列煤矿井下用隔爆型三相异步电动机是为煤矿井下采掘工作面机械设计的专用电动机,机座由钢板焊接成形,风罩、接线盒、绝缘结构采取加强措施,电气性能、安装尺寸、额定功率等均与YB2电动机相同。
本系列电动机的防爆性能符合GB3836.1-2000《爆炸性气体环境用电气设备第1部分:通用要求》和GB3836.2-2000《爆炸性气体环境用电气设备第2部分:隔爆型“d”》标准的规定,制成隔爆型Exd Ⅰ.适用于煤矿井下采掘工作面。
二、主要技术参数:
1.额定电压:380V、660V、380/660V、660/1140V
2.额定频率:50Hz
3.防护等级:IP55
4.冷却方式:IC411
5.工作制:S1
6.绝缘等级:F
7.安装形式:IMB3、IMB5、IMB35等。
YB3系列隔爆型三相异步电动机规格型号技术参数表一、防爆基础知识1.防爆电动机使用场所防爆危险区分为:0区、1区、2区(见下表)2.电气设备分类Ⅰ类:煤矿井下电气设备。
Ⅰ类爆炸性气体环境主要为甲烷。
Ⅱ类:除煤矿外的其他爆炸性气体环境用电气设备。
Ⅱ类爆炸性气体的特性进一步分类为:ⅡA、ⅡB、ⅡC。
Ⅱ类常见可燃性气体、蒸汽、温度见下表。
不同温度组别对应电机表面最高温度见下表3.防爆原理隔爆型“Ex d”电机是防爆电机的一种形式,其原理是将设备在正常运行时,将可能产生火花、电弧或文献高温的部件至于隔爆外壳内,隔爆外壳能承受内部压力而不至损坏,并能保证内部的火焰气体通过间隙传播时,降低能力,不足以引爆壳外的气体。
二、产品概述YB3系列隔爆型三相异步电动机是YB系列的更新换代产品,是防爆电机基本系列,本系列电动机具有体积小、重量轻,外形美观、运行安全可靠、寿命长,性能优良,安装使用维护方便的特点。
本系列电动机的功率等级、安装尺寸符合国际电工委员会(IEC)标准,其对应关系与德国DIN42673标准相同,有利于出口设备的配套和引进设备的备品备件。
本系列电动机防爆性能符合GB3836.1《爆炸性气体环境用电气设备第1部分:通用要求》和GB3836.2-2000《爆炸性气体环境用电气设备第2部分:隔爆型“d”》的规定,也符合IEC79-1,BS4683和EN50018的规定,制成隔爆型。
防爆标志为Exd Ⅰ、Exd ⅡAT4、Exd ⅡBT4、Exd ⅡCT4适用于有爆炸性气体混合物存在的场所。
Exd Ⅰ适用于甲烷或煤尘的爆炸性混合物存在的煤矿井下非采掘工作面环境。
Exd ⅡAT4适用于工厂用Ⅱ类A级,温度组别为T1、T2、T3和T4组的爆炸性气体混合物存在的环境。
Exd ⅡBT4适用于工厂用Ⅱ类B级,温度组别为T1、T2、T3和T4组的爆炸性气体混合物存在的环境。
Exd ⅡCT4适用于工厂用Ⅱ类C级,温度组别为T1、T2、T3和T4组的爆炸性气体混合物存在的环境。
YB系列隔爆型三相异步电动机产品样本佳木斯电机股份有限公司发布YB系列隔爆型三相异步电动机产品样本1 概述YB(80-355)系列是在Y系列基础上派生的全封闭自扇冷式隔爆型三相异步电动机。
本系列电动机具有高效、节能、温升裕度大、寿命长、性能好、振动小、噪声低、可靠性高、使用维护方便等特点。
本系列电动机机座号范围(H63~H355)、功率等级和安装尺寸完全符合国际电工委员会(IEC)标准。
电动机采用F级绝缘,机座号H180以上有注排油装置,工作方式为S1,冷却方式为IC411,外壳防护等级为IP55。
可派生“W”户外、“TH”湿热带、“WTH”户外湿热带型电动机(即YB2-W 、YB2-TH 、YB2-WTH),也可按户内或户外腐蚀环境条件派生防腐型电动机。
(即YB2-(F1~F2),YB2-W(F1~F2);F1为防中等腐蚀,F2为防强腐蚀。
)本系列电动机的机座造型采用垂直水平的平行散热片结构。
接线盒在机座顶部。
接线盒的进线方式为橡套电缆,其接线端子分三个(供一种电压)或六个(供二种电压)两种结构。
本系列电动机符合GB3836.2-2000《爆炸性气体环境用电气设备第2部分:隔爆型“d”》的规定。
其隔爆结构和结构参数也参照了IEC60079-1《电气设备隔爆外壳的结构与试验》和EN50018《爆炸性环境用电气设备“d”》的规定。
电动机制成隔爆型。
适用于长期或暂时有爆炸性混合物存在的危险场所。
I类:dI,适用于有甲烷或煤尘爆炸危险性混合物存在的煤矿井下非采掘工作面用电气设备。
II类:适用于工厂用电气设备。
ExdIIAT4 适用于IIA级,T1、T2、T3、T4组爆炸危险性混合物存在场所。
ExdIIBT4 适用于IIA级、IIB级,T1、T2、T3、T4组爆炸危险性混合物存在场所。
ExdIICT4 适用于IIA级、IIB级、IIC级,T1、T2、T3、T4组爆炸危险性混合物存在场所。
也可按协议供货。
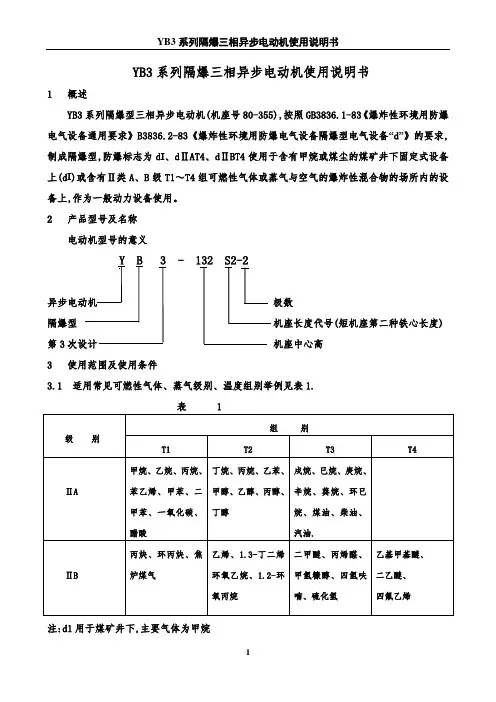
YB3系列隔爆三相异步电动机使用说明书1 概述YB3系列隔爆型三相异步电动机(机座号80-355),按照GB3836.1-83《爆炸性环境用防爆电气设备通用要求》B3836.2-83《爆炸性环境用防爆电气设备隔爆型电气设备“d”》的要求,制成隔爆型,防爆标志为dΙ、dⅡAT4、dⅡBT4使用于含有甲烷或煤尘的煤矿井下固定式设备上(dΙ)或含有Ⅱ类A、B级T1~T4组可燃性气体或蒸气与空气的爆炸性混合物的场所内的设备上,作为一般动力设备使用。
2 产品型号及名称电动机型号的意义Y B 3 - 132 S2-2异步电动机极数隔爆型机座长度代号(短机座第二种铁心长度) 第3次设计机座中心高3使用范围及使用条件3.1 适用常见可燃性气体、蒸气级别、温度组别举例见表1.表 1注:d1用于煤矿井下,主要气体为甲烷3.2 使用条件:3.2.1 环境空气温度随季节而变化,但不超过35℃(煤矿井下)或40℃(工厂),环境空气最低温度为-15℃3.2.2 海拔不超过1000m3.2.3 环境空气最大相对湿度不超过95%(当温度为25℃时)(煤矿井下)或最湿月月平均最高相对湿度为90%,同时该月月平均最低温度不高于25℃(工厂用).2.4 额定电压为380V、660V、380/660V.3.2.5 额定功率为50HZ3.2.6 电动机的定额是以连续工作制(SI)为基准的连续定额,允许满压起动.3.2.7 电动机采用F级绝缘,定子绕组的温升(电阻法)按80K考核.4 电动机的主要规格及安装结构型式4.1 本系列电动机的主要规格见表2表 2续表 2S、 M 、L后面的数字1、 2分别代表同一机座号和转速下不同的功率4.2 本系列电动机的机构及安装型见表3表 35 主要结构简述5.1 本系列电动机的接线盒位于电动机顶部,可4个方向进线,适用于橡套电缆(或塑料电缆)和钢管布线两种结构, 接线盒可分别制成3个或6个接线端子,内设一个接地端子,并按其规格分别制成一个(M16及以下)或二个(M10及以下)出线口5.2 本系列电动机中心高180~225机座号在结构上考虑了设置不停机注排油装置的位置,中心高250及以上机座号电动机设置了不停机注排油装置.5.3 本系列电动机3KW及以下为Y接(380V),其它功率电压为380V时Δ接,660V时Y接.6 防爆要点6.1 本系列电动机为隔爆型电动机,要求电动机内部的爆炸性混合物爆炸时,隔爆外壳不应损坏或产生影响隔爆性能的变形;内部爆炸火焰不允许通过外壳的隔爆接合面引起外部爆炸性混合物的爆炸,为此:a 组成隔爆外壳的零件如机座、端盖、轴承内盖、接线盒盖、接线盒座等,精加工后经1.0MP,历时1min水压试验合格b 隔爆结合面的长度、间隙、表面粗糙度、接线盒内部裸露导体之间、裸露导体与金属外壳之间的电气间隙及爬电距离应符合标准要求.c 连接隔爆外壳的螺栓均装有弹簧垫圈,防止自行松脱d 机座、端盖、轴承内盖、接线盒座、接线螺栓、端子套(或接线板) 、轴、密封圈是隔爆零部件.6.2 在额定工作状态下,电动机外壳表面温度,煤矿用不得超过+200℃,但有煤粉堆积在电动机外表面时,不得超过+150℃,工厂用不得超过表4的规定.进线口外的温度不得高于所用电缆的允许温度,以保证电缆运行可靠.表 47 安装与使用7.1 安装前的准备7.1.1 电动机开箱前应检查包装箱是否完整无损.7.1.2 电动机开箱后应小心清除电动机的尘土和防锈涂封.7.1.3 电动机安装前须进行下列各项检查,如不符合要求,则不准投入使用.a. 有防爆标志和防爆合格证编号,并与电动机的使用场所要求一致;b. 隔爆外壳各零部件联接正确,坚固可靠.c. 所有隔爆零件应无裂纹和影响隔爆性的缺陷(未拆过的新电机可不检查);d. 轴承润滑脂,注排油装置畅通;e. 定子绕组与机壳间绝缘电阻;额定电压380V时不低于0.38兆欧;额定电压660V 时,不低于0.66兆欧.7.2 电动机采用弹性联轴器传动,电动机与被传动的主机轴中心要保持一致,否则会引起轴承损坏和轴断裂.7.3 电动机与电源电缆的连接7.3.1 电源引入电缆的外径要与密封圈的孔径相符,密封圈材质为橡胶XH-21,规格及尺寸见图1(可根据引入电缆外径大小剥去密封圈同心圆).配合直径差不大于1mm,当压紧接线斗后,应保证密封圈与电缆之间及密封圈与接线盒之间无间隙,否则将失去隔爆性能.7.3.2 引入的电缆芯线要接在两弓型垫圈之间,注意芯线的飞刺不要突出,引入电缆还须用接线压板和弓行垫圈压紧固定,防止窜动.7.3.3六端子接线盒通过连接片改变接法,可适应两种不同的电压需要有两个进线口可引入二根多芯电缆的接线盒,当引入一根多芯电缆只使用一个进线口时,另一个进线口的2mm厚金属垫片不得拿掉,否则将失去防爆性能.7.3.4 电动机的相序U、V、W须与接入电源相序A、B、C相对应,电动机转向从轴伸端视之为顺时针方向,否则电动机将反转.7.3.5 外接地螺栓应可靠地接地.7.3.6 电动机接线后,经检查确认无误后方可接通电源进行空载试运行,并观察电机有无异常现象,待空转正常后投入负载运行.8 保养与维修8.1 电动机应定期检查和清扫,外壳不得堆积灰尘,不得用水龙头喷射清扫电机.8.2 电动机运行时的轴承允许温度不得超过95(温度计法),轴承每运行2500小时(约半年)至少检查一次,如发现轴承润滑脂变质必须及时更换,更换前,须将轴承外盖,贮油盒内的废油以及注排油装置的油管、油杯清理干净,并用汽油将轴承清洗干净,润滑脂采用锂基润滑脂3号(GB7324-87),加脂量2级电机为轴承室净容积的1/2,4级及以上的2/3、轴承牌号见表5.8.3 拆装电动机时应注意保护隔爆面,(H80~160)机座号的电动机没有轴承内外盖,轴承靠装在端盖轴承室内用挡圈实现轴向锁紧.拆卸电动机时,应先拆掉轴伸端的V型轴封环,拆去前端盖,再拆风扇端的风罩,后端盖的固定螺栓,将后端盖连同转子一起从风扇端抽出,将后端盖连同轴承孔用挡圈一起从转子取下,去掉孔用挡圈即可拆去轴承.电动机装配时,先将轴承装入后端盖轴承室,再将孔用挡圈装入端盖槽内,套到转子,固定后端盖,再装轴伸端轴承波形弹簧片,前端盖并上固定螺栓,再装两端V型轴封环,上好风罩,即完成电机装配.装配时,隔爆面需涂204-1防锈脂.8.4 电动机受潮时,必须干燥处理,可采用烘干炉或短路电流法.在干燥过程中,绕组温升应逐渐升高,且不超过155℃ ,用短路电流法干燥时,电动机处于短路状态,其输入电流为0.6~0.8倍额定电流值为宜,严重受潮电动机不宜用直流电干燥,以免发生电解现象.8.5 更换绕组时,须记下远绕组的型式尺寸,匝数线规,当丢失这些数据时,应向制造厂索取.随意改变原设计绕组会使电动机某项或几项性能恶化,以致不能使用.表 5地址:安徽省六安市寿春路电话: 传真: 邮编:237009注: H315-H355标套电缆双孔进线密封圈尺寸同H250~H280机座号进线方式密封圈型式αD1 D2 D3 D4 D5 D b1 bH80~H132橡套绝缘aΦ14 Φ20 Φ25 Φ42-0.62 18 19H160~H180 Φ14 Φ20 Φ26 Φ31 Φ35 Φ58-0.74 24 26 H200~H225 Φ20 Φ26 Φ32 Φ38 Φ42 Φ72-0.74 30 32 H250~H280 Φ25 Φ31 Φ36 Φ45 Φ50 Φ90-0.87 36 38H31~H355 标套电缆(单孔)Φ40 Φ46 Φ51 Φ57 Φ64 Φ105-0.5 42 45H80~H112钢管布线电缆bΦ10 Φ18 Φ18 Φ42-0.62 19H132~H180 98ºΦ15 Φ24 Φ26 Φ12 Φ58-0.74 26 H200~H225 105ºΦ18 Φ30 Φ36 Φ12 Φ72-0.74 32 H250~H280 105ºΦ25 Φ44 Φ48 Φ16 Φ90-0.87 40。
YB系列高压隔爆型三相异步电动机●概述YB400~YB710系列高压隔爆型三相异步电动机的功率等级、安装尺寸符合我国国家标准,功率范围从160KW~1400KW。
电动机符合中国国家标准GB3836.1-2000《爆炸性气体环境用电气设备第1部分:通用要求》和GB3836.2-2000《爆炸性气体环境用电气设备第2部分:隔爆型“d”》的规定,制成隔爆型dI、dIIAT4、dIIBT4,适用于具有爆炸性气体混合物的场所。
I 类:dI,适用于具有甲烷或煤矿爆炸危险性混合物存在的场所及煤矿井下非采掘工作面用电气设备;II类:适用于工厂用电气设备。
dIIAT4,工厂具有IIA级,T1、T2、T3、T4组爆炸性气体混合物存在的场所;dIIBT4,工厂具有IIA、IIB级,T1、T2、T3、T4组爆炸性气体混合物存在的场所;本系列电机主体外壳防护等级按IP54设计,可制成IP55;接线盒为IP54,可制成IP55;电动机的功率、转速及机座号的对应关系见表1(6000V)、表2(10000V),技术数据见表3(6000V)、表4(10000V);●●电动机型号意义(4、6、8)隔爆型(S、M)●●●结构说明电动机冷却方式为IC411,即带有内循环通风自扇冷式。
电动机绝缘等级为F级,定子线圈采用薄膜绕包扁铜线绕制,云母带半迭包,定子绕组经VPI真空压力浸漆后具有较高的电气强度、机械强度、防潮性能和热稳定性能。
电动机转子采用笼型结构。
电动机设置有定子测温,轴承测温和防冷凝加热装置等。
电动机采用滚动轴承结构,并设有注油装置,可不停机补充润滑脂。
●●●●使用条件额定电压:6000V、10000V额定频率:50Hz工作制:S1环境空气温度:-20℃~+40℃海拔高度:不超过1000m表2 Table2(10000V)YB2、YBK2系列低压隔爆型三相异步电动机●概述YB2、YBK2系列低压隔爆型三相异步电动机的功率等级、安装尺寸符合我国国家标准。
YB2系列(H63-355)隔爆型三相异步电动机使用维护说明书江苏苏华电机制造有限公司1、使用范围1.1 YB2系列隔爆型三相异步电动机(以下简称YB2系列电动机)是按照国家标准GB3836.1-2000《爆炸性气体环境用电气设备-第1部分:通用要求》和GB3836.2-2000《爆炸性气体环境用电气设备-第2部分:隔爆型“d”》的规定,制成隔爆型。
防爆标志为ExdI,ExdIIAT4,ExdIIBT4 分别使用于煤矿井下固定式设备上和工厂有最大试验安全间隙不小于IIB级且引燃温度不低于T4组的可燃性气体或蒸汽与空气形成的爆炸性混合物的场所的设备上,以作为传动机使用。
常见可燃性气体、蒸汽的级别及温度组别举例见表1(Ex dI用于煤矿井下,主要气体为甲烷)。
表1在电动机的外壳的明显处,须设置清晰的永久性凸纹标志“Ex”,防爆标志煤矿用以“Ex dI”表示,工厂用由防爆类型、级别、组别三部份组成。
本系列电动机的容量等级,安装尺寸及其对应关系符合德国标准DIN42673的规定。
1.2 电动机主体外壳的防护等级为IP55,接线盒为IP55,冷却方法为IC411全封闭自扇冷式。
1.3 电动机典型安装结构形式示意图及制造范围(机座号)见表2(第2页):1.4 工作条件:①环境空气温度随季节而变化,但不超过40℃;②海拔不超过1000m;③频率为50Hz;④电压分别为220、380、660、220/380、380/660V;⑤工作方式为S1(连续)。
允许满压起动;⑥绝缘等级为F级,但时机绕组温升不高于80K(电阻法)。
1.5 接线盒内制成三个或六个接线端子,适用于橡套电缆。
三个接线端子,适用于连接铜电缆。
六个接线端子:对YB2-112~355的机座号,适用于连接铜电缆或铝电缆。
表2e、机座、端盖、轴承内盖、接线盒座、接线盒盖、接线螺栓、端子套、轴、密封圈是隔爆零件、密封圈采用橡胶XH—50,其邵尔硬度45—55,并经老化试验考核合格(见图3)2.2 在额定工作状态下,电动机外壳表面温度用不得超过+195℃,但有煤粉堆积在电动机外表面时,不得超过+150℃,工厂用不得超过表4规定。
YB系列中型隔爆型三相异步电动机0EE.138.佳木斯电机股份有限公司二00二年十月一、概述电动机符合GB3836.1-2000《爆炸性气体环境用电气设备第1部分:通用要求》和GB3836.2-2000《爆炸性环境用电气设备第2部分:隔爆型“d”》的规定,制成隔爆型ExdI、ExdIIAT4、ExdIIBT4,适用于具有爆炸性气体混合物的场所。
根据用户要求亦可制成dIICT4。
I类:dI,适用于有甲烷或煤矿爆炸危险性混合物存在的场所及煤矿井下非采掘工作面用电气设备。
II类:用于工厂用电气设备。
dIIAT4,适用于IIA、IIB级、T1、T2、T3、T4组爆炸危险性混合物存在的场所。
本系列电动机还可制成YB-TH湿热型或YB-W户外型,以及F、F1、F2、防腐型。
二、电动机型号含义Y B 400 S 1 - 2 W户外(防护类型代号)异步电动机极数隔爆型同机座铁心长度代号电动机轴中心高机座长度代号(S-短机座、M-中机座)防护类型代号含义W-户外防轻腐蚀型WF1-户外防中腐蚀型WF2-户外防强腐蚀型F-户内防轻腐蚀型F1-户内防中腐蚀型F2-户内防强腐蚀型TH-湿热带WTH-户外湿热带型三、YB(H355~450mm)系列高压隔爆型三相异步电动机1.电动机的机座号与转速及功率的对应关系电动机冷却方式为IC411,即带有内循环通风自扇冷式。
电动机绝缘等级为F级,其定子绕组经VPI真空压力整体浸渍后具有很高的电气强度、机械强度良好的耐腐蚀性和耐潮性能。
电动机转子采用笼型结构。
电动机采用滚动轴承结构,并设有注油装置,可在运行中加注润滑脂。
电动机接线盒位于电动机顶部,接线口朝右(从轴伸端视之)。
接线口方向,根据用户需要,每隔30°选择一个方向。
盒内有宽敞的接线空腔,可连接铜、铝电缆,接线端子的绝缘采用优质电工陶瓷或DMC塑料。
根据用户需求电动机还可以设置定子测温,轴承测温,振动传感器及加热器等。
YB系列隔爆型三相异步电动机YB系列隔爆型三相异步电动机YB系列电动机具有高效、节能、温升裕度大、寿命长、性能好、噪声低、振动小、隔爆性能好、可靠性高、使用维护方便等优点。
该电动机采用了我国国家标准和国际电工委员会标准。
电动机符合GB3836.1—1983《爆炸性环境用电气设备通用要求》和GB3836.2—1983《爆炸性环境用电气设备隔爆型电气设备“d”》的规定。
电动机隔爆结构和参数的设计参照了IEC79—1(1979)《电气设备隔爆外壳的结构与试验》和EN50018(1978)《爆炸性环境用电气设备“d”》的规定。
电动机制成隔爆型,适用于有爆炸性气体混合物存在的场所。
“dⅠ”适用于甲烷或煤尘爆炸性混合物存在非采掘工作面的场所。
“dⅡAT4”适用于工厂用有ⅡA级T1、T2、T3和T4组爆炸性气体混合物存在的场所。
“dⅡBT4”适用于工厂用有ⅡB级T1、T2、T3和T4组爆炸性气体混合物存在的场所。
“dⅡCT4”适用于工厂用有ⅡC级T1、T2、T3和T4组爆炸性气体混合物存在的场所。
本系列电动机主体外壳防护等级为IP44或IP54,接线盒为IP54。
本系列电动机还可制成YB-TH湿热带型和YB-W户外型。
使用条件环境空气温度为随季节而变化,但不超过40℃;海拔不超过1000m;频率为50Hz;电压为380V、660V或380/660V;工作方式为连续工作制(S1)。
型号含义防爆结构具有dⅠ、dⅡA、dⅡB、dⅡC四季种型式。
电动机的绝缘等级为F级,定子绕组温升留有较大裕度。
电动机定子绕组经浸漆处理,成为一个整体,绕组及绝缘具有良好的电气、力学性能和防潮湿性能及热稳定性。
电动机的转子采用铸铝结构,转子经校正平衡,电动机运转平稳,振动值小。
轴承部位安装有注排油装置,可不停车加润滑脂。
接线盒具有良好的隔爆性能,盒内有较大的空腔便于接线,并且还留有安置电缆头的空腔,进线方式分橡套电缆(铠装电缆)和钢管布线两种。
目录1.概述 (3)2.执行标准 (4)3.结构说明 (4)4.使用条件 (9)5.技术数据 (10)6.安装和外形尺寸 (15)7.订货指南 (16)附录A 隔爆型无铠格兰接头 (34)附录B 隔爆型铠装格兰接头 (35)YBBP系列隔爆型变频调速三相异步电动机(机座号80~500)1.概述1.1.产品简述YBBP系列隔爆型变频调速三相异步电动机(以下简称为:电动机),是我公司根据市场需求而开发的新产品,与变频器配合使用,可以实现宽频率范围内无级调速,具有调速范围广、动态响应快、调速精度高等特点,是满足煤炭、石油、化工等存在爆炸性气体环境防爆要求的理想变频驱动产品。
本系列电动机的功率等级、安装尺寸符合国际电工委员会(IEC)标准,其对应关系与德国DIN42673标准相同,有利于出口设备的配套和引进设备的备品备件。
本系列电动机防爆性能符合GB3836.1-2010《爆炸性环境第1部分:设备通用要求》和GB3836.2-2010《爆炸性环境第2部分:由隔爆外壳“d”保护的设备》的规定,也附合IEC79-1,BS4683和EN50018的规定,制成隔爆型。
防爆标志为Ex d I Mb、Ex d IIA T4 Gb、Ex d IIB T4 Gb、Ex d IIC T4 Gb,适用于有爆炸性气体混合物存在的场所。
Ex d I Mb 适用于具有瓦斯气体环境(采掘工作面除外)。
Ex d IIA T4 Gb适用于工厂用IIA类,温度组别为T1、T2、T3和T4组爆炸性气体混合物存在的环境。
Ex d IIB T4 Gb 适用于工厂用IIB类,温度组别为T1、T2、T3和T4组的爆炸性气体混合物存在的环境。
Ex d IIC T4 Gb 适用于工厂用IIC类,温度组别为T1、T2、T3和T4组的爆炸性气体混合物存在的环境。
在YBBP基本系列电动机基础上,也可制成YBBP-W户外型、YBBP-TH湿热带型、YBBP-THW 户外湿热带型、YBBP-TA干热带型、YBBP-TAW户外干热带型、YBBP-WF1户外中等防腐蚀型等适用于不同环境条件的电动机。
YB2系列高压隔爆型三相异步电动机样本用,可广泛应用于石油、化工、制药、冶金、煤炭等行业的各种机械设备。
2.型号说明YB2系列高压隔爆型三相异步电动机的型号说明如下:例如:YB2-355M1-4YB2——系列名称355——定子铁心高度(mm)M1——安装方式,IMB34——极数3.结构说明本系列电动机采用全封闭式结构,外壳采用铝合金铸造而成,具有良好的防爆性能和散热性能。
定子绕组通过F级绝缘处理,转子采用铸铝工艺制成。
加强了电动机的稳定性和耐久性。
轴承采用进口或国产高品质轴承,保证电动机的稳定性和寿命。
电动机的转子采用双重压铸工艺,确保电动机的运行平稳、噪声低。
4.使用条件本系列电动机适用于环境温度为-15℃~40℃,海拔高度不超过1000m。
电源电压为380V,频率为50Hz,工作制度为S1(连续运行),使用于1区、2区爆炸性气体环境中的各种机械设备。
5.技术参数本系列电动机的额定功率范围为160kW~1000kW,额定电压为6kV、10kV、11kV、13.8kV,额定频率为50Hz,额定转速为3000r/min、1500r/min、1000r/min、750r/min、600r/min。
6.结构及安装和外形尺寸本系列电动机的结构及安装和外形尺寸见附表。
7.质量证明本系列电动机的质量证明文件包括:出厂合格证、质量保证书、产品检验报告、产品合格证等。
8.订货须知订货时请注明电动机的型号、额定功率、额定电压、额定频率、额定转速、安装方式、防护等级、冷却方式、轴伸方向、轴承品牌、防爆标志等。
如有特殊要求,请与我公司销售部门联系,我们将尽力满足您的需求。
XXX。
machinery。
petrochemical。
and power XXX。
such as compressors。
pumps。
crushers。
cutting machines。
conveyors。
and other equipment.ExdI is XXX-mining working faces underground.ExdⅡAT4 XXX with Class ⅡA and temperature groups of T1.T2.T3.and T4.ExdⅡBT4 XXX with Class ⅡB and temperature groups of T1.T2.T3.and T4.ExdⅡCT4 XXX with Class ⅡC and temperature groups of T1.T2.T3.and T4.Motors can be made for different climate ns。
YB系列中型隔爆型三相异步电动机0EE.138.佳木斯电机股份有限公司二00二年十月一、概述电动机符合GB3836.1-2000《爆炸性气体环境用电气设备第1部分:通用要求》和GB3836.2-2000《爆炸性环境用电气设备第2部分:隔爆型“d”》的规定,制成隔爆型ExdI、ExdIIAT4、ExdIIBT4,适用于具有爆炸性气体混合物的场所。
根据用户要求亦可制成dIICT4。
I类:dI,适用于有甲烷或煤矿爆炸危险性混合物存在的场所及煤矿井下非采掘工作面用电气设备。
II类:用于工厂用电气设备。
dIIAT4,适用于IIA、IIB级、T1、T2、T3、T4组爆炸危险性混合物存在的场所。
本系列电动机还可制成YB-TH湿热型或YB-W户外型,以及F、F1、F2、防腐型。
二、电动机型号含义Y B 400 S 1 - 2 W户外(防护类型代号)异步电动机极数隔爆型同机座铁心长度代号电动机轴中心高机座长度代号(S-短机座、M-中机座)防护类型代号含义W-户外防轻腐蚀型WF1-户外防中腐蚀型WF2-户外防强腐蚀型F-户内防轻腐蚀型F1-户内防中腐蚀型F2-户内防强腐蚀型TH-湿热带WTH-户外湿热带型三、YB(H355~450mm)系列高压隔爆型三相异步电动机1.电动机的机座号与转速及功率的对应关系电动机冷却方式为IC411,即带有内循环通风自扇冷式。
电动机绝缘等级为F级,其定子绕组经VPI真空压力整体浸渍后具有很高的电气强度、机械强度良好的耐腐蚀性和耐潮性能。
电动机转子采用笼型结构。
电动机采用滚动轴承结构,并设有注油装置,可在运行中加注润滑脂。
电动机接线盒位于电动机顶部,接线口朝右(从轴伸端视之)。
接线口方向,根据用户需要,每隔30°选择一个方向。
盒内有宽敞的接线空腔,可连接铜、铝电缆,接线端子的绝缘采用优质电工陶瓷或DMC塑料。
根据用户需求电动机还可以设置定子测温,轴承测温,振动传感器及加热器等。
1.概述YB系列为高压隔爆型三相异步电动机(如下简称为: 电动机)旳基本系列, YBS、YBP、YBD.YB-H、YB-W、YB-TH、YB-THW、YB-TA.YB-TAW、YB-T、YB-TW、YB-WF1等系列, 分别是在基本系列上派生旳水冷、变频、多速、船用、户外、湿热带、户外湿热带、干热带、户外干热带、热带、户外热带、户外中等防腐系列高压隔爆型三相异步电动机。
电动机旳防爆性能执行原则GB3836.1-2023《爆炸性气体环境用电气设备第1部分:通用规定》和GB3836.2-2023《爆炸性气体环境用电气设备第2部分:隔爆型“d”》旳规定。
合用于煤矿和工厂具有Ⅰ、ⅡA、ⅡB、ⅡC级, T1~T4组旳爆炸性气体混合物旳场所, 作为传动机用。
爆炸性气体混合物旳分级、分组举例见表1(Exd Ⅰ合用于煤矿和井下, 重要气体为甲烷)。
表在电动机外壳旳明显处设有清晰旳永久性凸纹标志“Ex”。
在电动机旳铭牌上还设有防爆标志, 其意义举例如下:Ex d ⅡB T4││││││││标志(防爆)────┘││└─────温度组别(T4)││││电气设备防爆型式(隔爆型) ────┘└──电气设备类别级别(Ⅱ类B级) 2.电动机型号及代表意义1.本阐明书合用于下列型号电动机YB.YBS、YBP、YBD.YB-H及环境代号(W、TH、THW、TA.TAW、T、TW、WF1)系列电动机。
其中电动机型号代号:Y——表达: 异步电动机;B——表达: 隔爆型;S——表达: 水冷;P——表达: 变频;D——表达: 多速;H——表达: 船用;环境代号:W——表达: 户外;TH——表达: 湿热带;THW ——表达: 户外湿热带TA——表达: 干热带;TAW——表达: 户外干热带;T——表达: 热带;TW——表达: 户外热带;WF1——户外中等防腐;2.电动机型号代表意义示例:Y B 560 M 1 4 W││││││││││││││异步──┘│││││└───特殊环境代号(户外型)│││││隔爆型────┘│││└─────极数(4极)│││机座旳中心高──────┘│└───────1号铁心长└─────────机座长度(M表长机座)3.电动机旳使用条件3.1电动机使用环境条件:3.1.1海拔不超过1000m。
YB系列隔爆型三相异步电动机YB系列电动机具有高效、节能、温升裕度大、寿命长、性能好、噪声低、振动小、隔爆性能好、可靠性高、使用维护方便等优点。
该电动机采用了我国国家标准和国际电工委员会标准。
电动机符合GB3836.1—1983《爆炸性环境用电气设备通用要求》和GB3836.2—1983《爆炸性环境用电气设备隔爆型电气设备“d”》的规定。
电动机隔爆结构和参数的设计参照了IEC79—1(1979)《电气设备隔爆外壳的结构与试验》和EN50018(1978)《爆炸性环境用电气设备“d”》的规定。
电动机制成隔爆型,适用于有爆炸性气体混合物存在的场所。
“dⅠ”适用于甲烷或煤尘爆炸性混合物存在非采掘工作面的场所。
“dⅡAT4”适用于工厂用有ⅡA级T1、T2、T3和T4组爆炸性气体混合物存在的场所。
“dⅡBT4”适用于工厂用有ⅡB级T1、T2、T3和T4组爆炸性气体混合物存在的场所。
“dⅡCT4”适用于工厂用有ⅡC级T1、T2、T3和T4组爆炸性气体混合物存在的场所。
本系列电动机主体外壳防护等级为IP44或IP54,接线盒为IP54。
本系列电动机还可制成YB-TH湿热带型和YB-W户外型。
使用条件环境空气温度为随季节而变化,但不超过40℃;海拔不超过1000m;频率为50Hz;电压为380V、660V或380/660V;工作方式为连续工作制(S1)。
型号含义防爆结构具有dⅠ、dⅡA、dⅡB、dⅡC四季种型式。
电动机的绝缘等级为F级,定子绕组温升留有较大裕度。
电动机定子绕组经浸漆处理,成为一个整体,绕组及绝缘具有良好的电气、力学性能和防潮湿性能及热稳定性。
电动机的转子采用铸铝结构,转子经校正平衡,电动机运转平稳,振动值小。
轴承部位安装有注排油装置,可不停车加润滑脂。
接线盒具有良好的隔爆性能,盒内有较大的空腔便于接线,并且还留有安置电缆头的空腔,进线方式分橡套电缆(铠装电缆)和钢管布线两种。
电动机允许沿任一方向旋转。
电动机的确良安装方式有B3和V1两种。
YB系列电动机的工作条件、型号含义及结构简介YB系列电动机的工作条件环境空气温度:随季节而变化,但不超过40℃;海拔:不超过1000m;频率:50Hz电压:220V、380、660V、220V/380V、380V/660V;工作方式:连续(S1);起动方式:满压直接超动。
H132及以上机座号选用6个接端子及2个出线口的接线盒时,也可用Y-△起动器或电抗器起动;传动方式:可采用弹性联轴器或正齿轮传动;电动机绝缘和温升:绝缘等级为F级,但温升按B级考核,限值为80K(电阻法),轴承允许温度不超过95℃(温度计法);电动机的防护等级:主体外壳防护等级为IP44,也可制成IP54,接线合为IP54;冷却方法:IC01141。
YB系列电动机适合用于长期或暂时有爆炸性混合物存在的场所类别I类:dI,适用于有甲烷或煤尘爆炸危险性混合物存在的煤矿井下非采掘工作面用电气设备;II类:适用于IIA、IIB级,T1、T2、T3、T4组爆炸危险性混合物存在的场所;对于DIICT4防爆等级的电动机也可按协议供货。
YB系列电动机出线盒根据进线方式分橡套电线和钢布线两种,按不同的起动要求分别制成一个或两个进线口,共11种类型,其代号含义如表1所示,T07、T11分别是T04、T08的派生型式,各增加三个铜铝接头。
表1防爆标志一进线口三接线柱一进线口六接线柱二进线口六接线柱布线方式dI T01 T02 T03 橡套电缆dIIAT4 T04 T05 T06 橡套电缆T08 T09 T10 钢管布线型号含义二、结构简介YB系列电动机的安装结构及适用范围,见表2。
B3:机座带底脚,端盖无凸缘。
B5:机座不带底脚,端盖有凸缘。
B35:机座带底脚,端盖带凸缘。
V1:机座不带底脚,端盖有凸缘,立式安装。
表2电机各部分结构特点外壳:机座(H80~280)、端盖、轴承盖均用高强度灰铸铁制成,具有足够的机械强度。
机座外表面铸有轴向散热片,有利于通风散热。
此外,H315机座为钢板焊接结构。
定子:绕组经浸烘外理,具有良好的电气、机械、防潮和热稳定的性能。
转子:转轴采用优质钢制成,转子经校动平衡,运转平稳。
接线盒:外壳防护等级为IP54,位于电动机的顶部,可以左右进线盒,内有较大空腔,便于接线。
进线方式分橡套电缆和钢管布线两种,按不同起动要求,分别制成一个进线口,可适用于电动机直接起动;双进线口可适用于Y-△起动。
接线盒空腔与机座主空腔之间采用螺纹隔爆结构。
接线盒座与接线斗之间配备一个连通节,密封用橡胶垫安置在里面,用户检修时,不必拆下橡胶垫,并确保电机的隔爆性能。
另外,改变连通节的安装方法,可合接线斗成下垂或水平方向。
根据用户需要,接线盒可以设计三个接线柱和六个接线柱。
盒内配有接地端子,安全可靠。
风扇:铸铝合金制成的,风扇与轴用键配合。
风罩:采用小方孔钢板结构,外型美观只需要卸去连通节,因而保护橡胶,刚性好,防护等级为IP20。
轴承:采用电机专用轴承,机座号132及以下,轴伸端为全封闭轴承,轴承牌号详见表7。
YB系列隔爆型三相异步电动机的主要技术数据表3机座号与功率和同步转速的对应关系型号同步转速/(r/min)3000 1500 1000 750 600功率/KWYB801 2 0.751.10.550.75---接线盒用的钢管布线及其出线线口螺纹YB系列电动机噪声不超过该表数值11 82 87 75 82 70 75 67 7215 82 87 77 82 70 78 70 7518.5 82 87 77 82 73 78 70 7522 87 92 77 82 73 78 70 7530 90 95 79 84 76 81 73 7837 90 95 79 84 76 81 73 7845 90 97 79 84 79 84 73 78 82 8755 92 97 81 86 79 84 82 87 82 8775 94 99 85 90 87 92 82 87 82 8790 94 99 85 90 87 92 82 87110 99 104 93 98 87 92 82 87132 99 104 96 101 87 92 82 87160 99 104 96 101 87 92200 99 104 96 101注:1.噪声容差为+3dB(A)2.对电动机的噪声限值一般按2级供货,如要求按1级供货须在订货合同中注明。
电动机在空载时测得的振动速度有效值不超过该表数值及轴承牌号机座号/mm 80~132 160~225 250~315振动速度/(mm/s) 1.8 2.8 4.5 轴承牌号中心高/mm轴伸端非轴伸端2极4极及以上2极4极及以上80 180 204z1 204z190 180205z1 205z1100 180206z1 206z1112 180306z1 306z1132 180308z1 308z1160 309z1 2309 z1 309z1180 310z1 2310 z1 310z1200 312z1 2312 z1 312z1225 313z1 2313 z1 313z1250 314z1 2314 z1 314z1280 314z1 2317 z1 314z1 317z1315 316z1 2319 z1 316z1 2319z1 YB系列电动机性能指标型号额定功率/KW额定电流(380v)/A额定转速/(r/min)效果(%)功率因数重量/kg同步转速3000r/min50HzYB801-2 0.75 1.8 2825 2.2 6.5 2.3 75.0 0.84 22 YB802-2 1.1 2.5 2825 2.2 7.0 2.3 77.0 0.86 24 YB90S-2 1.5 3.4 2840 2.2 7.0 2.3 78.0 0.85 33YB系列外形尺寸图(H80~315)B35、V15、V36安装(单位:mm)中心高ABCDEF×GDG级数 24、6、8 24、6、8 24、6、8 24、6、8 80 125 100 50 19 40 6×615.5 90S 140 56 24508×720.090L 125 100L 160 63 286024.0112M 190 14070 132S 2168938 80 10×8 33.0132M 160M 254178 108 4211012×8 37.0160L 210 180M 279 254 121 48 14×19 42.5 180L 241200L 318 279 133 55 16×1048.0225S 356305 149 556018×11 49.0 53.0 225M 286110 140 16×10250M 406 168 168 65 65 18×11 53.0 58.0 280S 457190190 657518×1120×1258.067.5280M 315S 508 216 65 8014018×1122×14 58 71315M315L140170中心高HKMNPST进线口 管螺纹ABAC ADHDL2极46极 880 80 Ф10 165 130 2004×ф123.5M30×2165 165 225340 330 90S 90 180 180 355 360 90L 385 100L 100 Ф12215 180 2504×ф154200 205 380 430 112M 112 225 230 400 460 132S 132265 230 300M36×2280 270 240470510 132M550160M160Ф15300 250 3504×ф195 330 325 530655160L 695180M180 355 360 565 730180L 750200L 200Ф19350 300 400M48×2390 400290625 805225S225 400 350 4508×ф19435 450 670840225M 840 870250M 250Ф24500 450 550 M64×2 490 500330770 935280S280 545 560 830 1010280M 1060315S315 ф28600 550 660 8×ф24 6 M64×2 640 630 400 1020 1240 1270315M 1320 1350 315L 1410 1440 YB系列外形尺寸图B5、V1、V3安装(单位:mm)中心高D E F×GD GM N P S进线线口管螺纹AC ADL极数2极46极8 2 4、6、8 2 4、6、8 2 4、6、8 2 4、6、880 19 40 6×6 15.5165 130 200 4×ф12M30×2 165 260 23090S24 50 8×7 20 180 265 36090L 385100L28 60 8×7 24 215 180 2504×ф15205230280 430112M 290 460132S38 80 10×8 33 265 230 300M36×2 270 340510132M 550160M42 110 12×8 37300 250 3504×ф19325 370655160L 695180M48 110 14×9 42.5 360 385 730(800)180L 750(820)200L 55 110 16×10 49 350 300 400M48×2 400 425 805(875)225S55 60 110 140 16×11 18×11 49 53 400 350 450 8×ф19450 445 845(915)225M 840(910) 870(940)250M 60 65140 18×11 53 58500 450 550 8×ф24M64×2500 520 (1025)280S65 75 18×11 20×12 58 67.5 560 550 (1100)280M (1150)315S 65 80140 170 18×11 22×14 5871600 500 660630 685 (1340) (1420) (1530) (1370)(1450)(1560)315M 315L注:1.括号内尺寸只适用于V1安装结构。