北京吉普P45用4G64-Z-J2发动机维修手册资料
- 格式:doc
- 大小:13.06 MB
- 文档页数:47
北京BJ40维修手册一、简介北京BJ40是一款具有越野性能的SUV,它的外观设计独特,动力性能出色。
为了确保您的BJ40始终保持最佳状态,本维修手册提供了从发动机到轮胎和车轮等各个方面的维修和保养指南。
二、发动机维修发动机是BJ40的核心部件,需要定期进行维护和保养。
请参照以下步骤进行操作:1.定期更换机油和机滤,确保发动机得到充分的润滑。
2.定期检查火花塞和点火线圈,确保发动机点火系统正常工作。
3.定期检查冷却液和冷却系统,确保发动机冷却充分。
4.定期检查进气系统和排气系统,确保发动机呼吸顺畅。
三、传动系统检查传动系统对于BJ40的性能至关重要。
请参照以下步骤进行操作:1.检查传动轴和半轴,确保它们没有松动或损坏。
2.检查变速箱油位和油质,确保变速箱正常工作。
3.定期更换变速箱油,延长变速箱使用寿命。
四、悬挂和转向系统维修悬挂和转向系统对于BJ40的操控性能至关重要。
请参照以下步骤进行操作:1.检查悬挂部件,如减震器、悬挂臂和衬套,确保它们没有损坏或松动。
2.检查转向系统和转向机,确保它们工作正常。
3.定期检查轮胎气压和磨损情况,确保轮胎与悬挂系统匹配。
五、制动系统维护制动系统对于BJ40的安全性能至关重要。
请参照以下步骤进行操作:1.检查制动盘和制动片磨损情况,及时更换磨损的部件。
2.检查制动液的液位和品质,确保制动系统工作正常。
3.定期检查制动管路,确保制动液流动畅通无阻。
六、冷却和暖风系统维修冷却和暖风系统对于BJ40的舒适性至关重要。
请参照以下步骤进行操作:1.检查冷却液的液位和品质,及时更换变质或污染的冷却液。
2.检查散热器和冷却风扇,确保冷却系统散热良好。
七、燃油和空气滤清器保养燃油和空气滤清器对于BJ40的性能和发动机寿命至关重要。
请参照以下步骤进行操作:1.定期更换燃油滤清器,确保燃油清洁。
2.定期清洁或更换空气滤清器,防止灰尘和杂质进入发动机。
3.定期检查油箱和燃油管路,确保燃油供应畅通。
第一章一般维修资料第一节车辆识别号车型标牌和车辆识别号(底盘号)分别在后围板上和打印在发动机舱后围板上。
如图1-1所示。
图1-1 车型标牌和车辆识别号A-车型标牌B-车辆识别号(底盘号)整车数据不干胶标签在《保养手册》中及行李箱备胎坑或行李箱地板上,标签的各部1——2——3——4——5——6——7——8——图1-2 整车数据不干胶标签1-车辆识别号2-车型代码/生产控制号3-车型说明4-发动机功率/排放标准/变速器5-发动机和变速器代码6-油漆号/内部装备识别号7-选装件代码8-空载重量/油耗/CO2排放发动机代码和发动机号对于不同车型,其位置也不同,4 缸汽油发动机号(指发动机代码和流水号)在缸体左侧,6缸汽油发动机号(指发动机代码和流水号)在缸盖和液压泵之间的缸体右内侧。
如图1-3所示。
整车数据标签上也有发动机代码。
(a)(b)(c)(d)图1-3 发动机代码和发动机号(a)ANQ发动机(b)AWL发动机(c)AEB发动机(d)A TX、APS发动机第二节交车检查交车检查的项目及内容见表1-1。
第三节维护与润滑一、定期维护定期维护的周期及内容见表1-2。
二、主要维护作业项目1、检查照明、用电器、开关、显示屏及其它控制元件功能(1)照明,大灯,前雾灯,转向灯,警报灯,尾灯,后雾灯,倒车灯,制动灯,停车灯。
(2)车内灯和阅读灯(前部车内灯自动切断装置),杂物箱照明,烟灰缸照明,点火钥匙照明。
(3)蜂鸣器(用于灯/收音机未关闭时)。
(4)副仪表板上的所有开关。
(5)驾驶员信息系统(FIS)。
(6)仪表板,包括所有的显示屏,计数器,灯及照明。
(7)双音喇叭。
(8)风窗刮水/清洗系统,大灯清洗系统。
(9)前、后点烟器。
(10)电动车外后视镜(可加热,可调整,可折起)。
(11)电动玻璃升降器。
(12)中央门锁,遥控装置,自动锁装置。
(13)电动座椅,安全带高度调节。
(14)加热式座椅。
(15)收音机。
2、检查电动玻璃升降器定位当断开蓄电池时,电动玻璃升降器的实际位置及单触功能失效。
长丰猎豹汽车4G64发动机电控系统的结构与检修第一节发动机结构特点与技术参数一、结构特点4G64发动机为日本三菱汽车公司开发,由沈阳航天三菱汽车发动机制造有限公司生产。
该发动机为直列四缸、水冷、单顶置凸轮轴(SOHC),每缸4气门,排量为2.350L,压缩比为9.5。
6G72闭环控制多点电喷发动机应用于CFA2030系列轻型越野车,由日本三菱汽车公司开发生产。
该发动机为V型六缸、水冷、顶置凸轮轴,每缸四气门,排量为2.972L。
二、技术参数发动机技术参数见表2-1,发动机皮带调整参数见表2-2,主要部件拧紧力矩见表2-3,发动机一般机械参数见表2-4。
表2-1发动机技术参数表2-2发动机皮带调整参数(驱动皮带挠度(98 N力的作用下))表2-4发动机一般机械参数第二节发动机机械部分检修一、发动机的拆装1.发动机的拆卸(图2-1至图2-4)图2-1 4G64发动机(一)1-护套;2-发动机罩锁支撑;3-前端中央杆;4-加速踏板拉索接头;5-节气门拉索接头(A /T);6-机油压力开关连接器;7-交流发电机连接器;8-分电器连接器;9-动力转向油压力开关连接器;10-点火线圈连接器;11-功率晶体管连接器;12-噪声滤波器连接器;13-发动机配线连接器;14-发动机冷却液温度传感器连接器;15-发动机冷却液温度开关连接器(A /c);16-节气门位置传感器连接器;17-怠速控制伺服电机,18-发动机冷却液温度表连接器;19-发动机冷却液开关连接器(A/T);20-真空软管接头;21-冷却水软管接头;22-燃油软管接头图2-2 4G64发动机(二)23-传动皮带;24-动力转向油泵总成;25-动力转向油泵储液罐总成;26-排气管接头;27-发动机支架前绝缘体螺栓;28-发动机总成图2-3 6G72发动机(一)1-点火线圈No.1连接器;2-点火线圈No.2连接器;3-点火线圈No.3连接器;4-凸轮轴位置传感器连接器;5-曲轴位置传感器连接器;6-点火功率晶体管连接器;7-电容器连接器;8-发动机冷却液温度传感器连接器;9-发动机冷却液温度表单元连接器;10-前部线束及喷射线束组合连接器;11-歧管压力传感器连接器;12-EGR电磁阀连接器;13-EVAP净化电磁阀连接器;14-左排气管氧传感器连接器(前);16-节气门位置传感器连接器;17-怠速空气控制电机连接器;18-发电机连接器;19-动力转向压力开关连接器;20-电磁离合器及制冷剂温度开关连接器;21-机油压力开关连接器图2—4 6G72发动机(二)22-油门拉索连接;23-节气门(A/T);24-回油软管连接;25-高压燃油软管连接;26-加热器软管连接;27-真空软管连接;28-动力转向传动带罩盖;29-动力转向泵皮带;30-动力转向泵总成;31-空调压缩机皮带;32-空调压缩机总成;33-热防护罩;34-发动机前绝缘支架连接螺栓;35-发动机前绝缘支架限位块;36-发动机总成;37-发动机前绝缘支架(1)拆卸发动机罩、发动机罩锁闩。
21-1离合器目录目录 (1)规格 (2)维修规格 (2)力矩规格 (2)润滑剂 (2)专用工具 (2)离合器 (3)离合器-规格21-2规格离合器解体与组装解体步骤:1. 离合器壳2. 离合器摩擦片3. 回位夹4. 离合器分离轴承5. 分泵6. 分离拨叉罩7. 分离拨叉8. 分离叉支杆1433567819N.mTRM1255维修离合器组件时,不允许用砂磨或用干刷子及压缩空气清洗,以免产生粉屑(应用蘸水布)。
离合器摩擦片含有“石棉纤维”,如果维修时产生粉屑,粉屑中的石棉纤维将悬浮于空气中,人吸入含有石棉纤维的空气时会对身体造成严重伤害。
检查离合器壳组件(1) 检查膜片弹簧的磨损及高度不均情况。
若有明显的磨损或高度差超过极限值,则需更换。
极限值:≤0.5mm(2) 检查离合器压盘表面有无磨损、裂纹及卡滞。
(3) 检查搭接板铆钉有无松动,若有则需更换离合器壳组件。
离合器摩擦片(1) 检查摩擦面铆钉是否松动、不均匀接触及因卡滞而引起的变质、润滑油或润滑脂附着等缺陷。
若有需更换离合器摩擦片。
(2) 测量铆钉下沉量。
若大于极限值,需更换离合器摩擦片。
极限值:≥0.3mm(3) 检查扭转弹簧有无游隙或损伤。
若有需更换离合器摩擦片。
(4) 将离合器摩擦片与输入轴组装在一起,在转动的情况下检查滑 动情况和间隙。
如果不能平稳滑动或间隙过大,应在清洗和组装后再检查。
若间隙过大,则需更换离合器摩擦片和/或输入轴。
铆钉下沉量6CL003·组装离合器时,应在每个需润滑的部件上涂适量的润滑脂,但不要过量,否则将引起离合器打滑或抖动。
安装要领(1) 离合器花键部位应用刷子涂抹润滑脂 规定的润滑脂三菱纯正润滑脂:代号0101011或相当品 (2) 使用专用工具安装离合器片。
离合器片离合器盖MD998127 飞轮6CL033。
燃油系统 13C-5专用工具工 具工具号 名 称用 途MB991223A : MB991219B : MB991220C : MB991221D : MB991222 线束组 A :测试线束 B :发光二极管线束 C :发光二极管线束 适配器 D :探针在故障排除期间,进行电压和电阻测量 A:连接插头触点压力检测 B:电源电路检测 C:电源电路检测 D :商业测试仪连接MB991502MUT-II 分总成l 读取故障码 l检查多点燃油喷射系统MB991348测试线束组l故障排除时测量电压l使用示波器检查MB991709测试线束l故障排除时测量电压l使用示波器检查 l 怠速控制阀检查MD998478测试线束(3针,三角形)l故障排除时测量电压l使用示波器检查13C-6燃油系统MB991536用于检查节气门位置传感器调整线束l故障排除时测量电压l节气门位置传感器调整MB991658测试线束l故障排除时测量电压 l检查氧传感器MD998709 接头软管 MD998742 软管接头MB991637 燃油压力表组 油压测量MD998299混合气调整螺钉旋具 检查混合气调整螺钉(可变电阻器)MD998706喷油器测试组MB991607喷油器测试线束MD998741喷油器测试MB991608卡子检查喷油器喷射状况燃油系统13C-7 多点燃油喷射系统图13C-8 燃油系统检修调整要点1.节气门(1)节气门体的清洁①起动发动机并预热直至冷却液温度升高到80°以上,然后停止发动机运转。
②自节气门体上拆下进气软管。
③用塞子堵住节气门体的旁通气道进口。
注意:不可让清洁剂进入旁通气道。
④通过节气门体进气口把清洁剂喷入阀内并保持5分钟。
⑤起动发动机,加速运转几次后再怠速运转约1分钟,如果由于旁通气道堵塞而怠速不稳定(或发动机熄火),可稍微开启节气门以保持发动机运转。
⑥如果节气门内的沉积物未被清除,则重复步骤④和⑤。
4G64发动机维修注意事项 郑州日产吴文金摘要:本文针对4G64发动机的特点,结合在培训期间学员反映的实际维修中遇到的故障现象及处理过程中容易出现的问题之处,而这些内容可能是维修手册中没有提到的或没有重点强调的地方,列出来供大家在实际维修中少走弯路。
1.关于三种螺栓,在维修中我们常用到普通螺栓、高强度螺栓、塑性螺栓,由于这三种螺栓制造工艺的差别,使用特性也不一样,因此其拧紧方式也不一样。
现在塑性螺栓在很多重要的零部件上都有应用,如: ▲气缸盖螺栓 ▲主轴承盖螺栓 ▲连杆螺栓 所普遍采用,塑性螺栓特性是利用螺栓在变形离散量很大时,而力矩离散量却很小来保证螺栓拧紧力矩的一致性。
力矩作用区域是材料的塑性区,最大的特点是产生塑性变形,因此塑性螺栓每次拧紧之后到力矩卸载,都会有伸长量,而塑性变形量是有一定范围的,超过塑性变形区会使螺栓发生断裂。
因此,在使用塑性螺栓之前都要测量其长度,如果超过使用极限长度,螺栓不能重复作用。
装配时的要点: 螺纹面及支承面均涂少许机油。
…拧紧后不得逆向调整,否则重新开始拧紧; …螺杆伸长超过一定长度后不得重新使用。
以下是缸盖螺栓的拧紧方法: A…在装配气缸盖螺栓时,应确认螺栓长度适合限定值,若大于限定值,应更换螺栓。
…极限值(A):99.4mm …对螺栓的螺纹部分和垫圈涂机油。
…按照拧紧顺序,将螺栓拧到规定的扭矩:78N.m …完全拧松所有螺栓。
… 再按照拧紧顺序,用20N.m的扭矩拧紧螺栓。
… 在气缸盖螺栓头部和气缸盖上,用油漆作直线标记。
… 按照拧紧顺序将气缸盖螺栓拧紧90°。
… 然后进一步将螺栓拧紧90°,确认气缸盖螺栓头部的油漆标记与气缸盖上的油漆标志成一直线。
… 注意:螺栓拧紧角度若小于90°,则不能期待正确的拧紧力矩。
所以进行拧紧时,应充分注意拧紧角度是否正确。
… 若过度拧紧螺栓时,应完全拧松螺栓,然后从步骤(1)重新开始拧紧。
汽车发动机缸盖维修手册第一章:发动机缸盖概述汽车发动机缸盖是发动机的重要部件之一,负责盖住发动机的气缸头部分,同时承载气缸垫片,防止气缸内的压力泄漏。
本章将对发动机缸盖的结构和功能进行详细介绍,以便更好地理解其维修原理。
1.1 发动机缸盖的结构发动机缸盖通常由铝合金或铸铁材料制成,具有高强度和耐热性能。
它包含凸轮轴、进气门、排气门、气缸垫片等相关部件,通过螺栓和发动机缸体密封连接。
1.2 发动机缸盖的功能发动机缸盖作为发动机气缸的上部封闭部件,主要具有以下功能:- 保护发动机气缸和凸轮轴等关键部件不受外界污染和损坏;- 安装进气门和排气门,实现气缸内气体的进出;- 承载气缸垫片,保证气缸内压力不泄漏。
第二章:发动机缸盖常见故障与维修发动机缸盖在汽车使用过程中可能出现各种故障,需要及时进行维修。
本章将介绍一些常见的发动机缸盖故障,并提供相应的维修方法。
2.1 气缸盖压力泄漏气缸盖压力泄漏是发动机缸盖最常见的故障之一,可能由气缸盖本身的损坏或气缸垫片的老化破裂引起。
对于此类故障,可以采取以下维修方法:- 检查气缸盖表面是否有裂纹或变形,如有需要更换气缸盖;- 检查气缸垫片是否老化破裂,如有需要更换气缸垫片。
2.2 气缸盖漏油气缸盖漏油是发动机缸盖另一个常见的故障,通常由气缸盖密封不良或气缸垫片老化破裂引起。
解决此类故障的方法包括:- 检查气缸盖与发动机缸体之间的密封,如有需要更换密封垫片;- 检查气缸垫片是否老化破裂,如有需要更换气缸垫片。
2.3 气缸盖崩裂气缸盖崩裂通常发生在高温、高脉冲负载的情况下,由于发动机过热或设计不合理引起。
对于气缸盖崩裂的维修,可以考虑以下方法:- 检查是否存在过热问题,如有需要检修发动机冷却系统;- 检查气缸盖是否适合车辆使用状况,如有需要更换高强度的气缸盖。
第三章:发动机缸盖的维修保养为了延长发动机缸盖的使用寿命,减少故障发生的可能性,合理的维修保养是必不可少的。
本章将介绍一些发动机缸盖的维修保养方法。
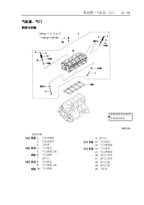
摇臂、凸轮轴拆卸与安装12.摇臂A13. 摇臂B14. 摇臂轴(进气侧)15. 液压挺柱16. 摇臂C17.摇臂轴(排气侧)18.液压挺柱19.油封20.止推盖21.O形环22.凸轮轴拆卸步骤1.通气软管2.P.C.V.软管3.PCV阀4.PCV阀垫5.加油口盖6.摇臂盖7.摇臂盖垫8.油封9.摇臂及摇臂轴10.摇臂及摇臂轴11.摇臂轴弹簧191 3245687171616161618101413111213121312131215111111922212018N.m31N.m3.9N.m安装时所有活动部位要涂抹发动机机油6EN1762拆卸须知(1) 拆卸摇臂与摇臂轴总成之前,使用如图所示安装专用工具,防止液压挺柱落下。
检查凸轮轴(1)测量凸轮高度标准值、使用极限值见下表 摇臂(1) 检查滚柱表面,若有任何痕迹,这表示损伤或卡住存在,应更换摇臂。
(2) 检查滚柱能否圆滑转动。
若转动不圆滑或有松动,应更换摇臂。
(3) 检查内径。
若有损伤或卡住,应更换摇臂。
液压挺柱注意: 1. 液压挺柱是个精密零件。
其表面不能有任何灰尘、异物等。
2.不许拆卸液压挺柱。
3.应使用清洁的柴油清洗液压挺柱。
(1) 准备三个容器和近五升柴油。
向每个容器内倾倒足够的柴油,使之完全淹没直立着的液压挺柱,然后按下面的步骤对液压挺柱进行操作。
(2) 把液压挺柱放入容器A 内,清洗其外表面。
注意:用尼龙刷去除硬的附着物。
6AE0160滚柱端 7EN0064外侧清洗 内侧清洗 添加柴油A B C6EN16986EN1699柴油(3) 把专用工具MD998441安装到液压挺柱上。
(4) 用专用工具MD998442轻轻推动内部钢球,移动柱塞5到10个行程,直到它平滑滑动。
另外还可消除柱塞滑动阻力,此操作可去除脏油。
注意:钢性球弹簧是特别软的,所以用空气泄漏金属线推动钢球时不要用力过猛,以免损伤液压挺柱。
若柱塞滑动阻塞或机械装置显示异常,则更换液压挺柱。
2019款大切诺基装配发动机A3.6L3.6升(219.7 CID) V-6发动机具有可变气门正时(VVT)、双顶置凸轮轴(DOHC)和60°配置下带有钢衬的高压压铸铝制缸体。
3.6升发动机带有一个链式驱动的带两级调压器的可变放油泵,以改善燃油经济性。
排气歧管被集成到气缸盖内部,以减小重量。
气缸从前到后进行编号。
右侧缸组编号为1、3、5,而左侧缸组则编号为2、4、6。
点火顺序为1–2–3–4–5–6。
发动机的序列号位于变速箱凸缘处缸体的左侧。
发动机,3.6升/气门正时/说明正时传动使用四个无噪音链条。
无噪音链条连杆设计加强了链轮的接合度并减小了噪音、振动和抖动(NVH)。
在两级设计中,由一条链条(5)驱动机油泵(4),以及三条链条驱动凸轮轴。
左侧副凸轮轴链条(1)使用带棘齿装置的由机油压力控制的链条张紧器(9)。
右侧副凸轮轴链条(8)使用不带棘齿的、由机油压力控制的张紧器(7)。
主链条(2)还使用不带棘齿的、由机油压力控制的张紧器(6)。
装有弹簧的张紧器(3)将松弛的机油泵链条(5)张紧。
链条导板和张紧器臂由带尼龙耐磨面掺入了玻璃的尼龙制成发动机正时验证Special Tools: Click to display a list of tools used in this procedureCAUTION:磁性正时轮(1)切勿与磁铁(拾取工具、托架、等等。
)或任何其他强磁场发生接触。
这可破坏正时轮正确地将凸轮轴位置中继到到凸轮轴位置传感器的能力。
正确的正时对于非活动轮设计的3.6L 发动机很关键。
可以通过下列步骤校对发动机正时:1. 拆下上进气歧管和两个气缸盖罩(参见09 - 发动机/气缸盖/气缸盖罩/拆卸和安装)。
2. 拆下火花塞(参见 08 - 电气/点火控制/火花塞/拆卸和安装)。
CAUTION:对齐正时标记时,始终通过转动曲轴而使发动机旋转。
未完成此步将导致气门和/或活塞损坏。
北京吉普P45用4G64-Z-J2发动机电喷管理系统原理及故障诊断手册目录一.系统原理 (3)二.多点燃油喷射系统图 (4)三.检修调整要领 (5)四.故障诊断与排除 (16)一.系统原理电子控制多点喷射系统(MPI),是以一个电子控制装置(又称电脑或ECU)为控制中心,利用安装在发动机不同部位上的各种传感器,测得发动机的各种工作参数,按预先在电脑中设定的控制程序,通过控制喷油器,精确地控制喷油量,使发动机在各种工况下都能获得最佳浓度的混合气。
此外,电子控制汽油喷射系统通过电脑中的控制程序,还能实现起动加浓、暖机加浓、加速加浓、全负荷加浓、减速调稀、强制怠速断油、自动怠速速度控制等功能,满足发动机特殊工况对混合气的要求,使发动机获得良好的燃料经济性和排放性,同时也提高了汽车的使用性能。
另外ECU也有几种故障诊断模式,可以简化寻找故障的工作。
•燃油喷射控制ECU控制喷油器驱动时间和喷油正时,使发动机在各种工况下都能获得最佳浓度的混合气。
每个缸的进气口均装有一只喷油器,燃油箱内的燃油泵将燃油泵出,送到燃油分配管内,燃油压力调节器使喷油压力保持稳定,喷油器将燃油直接喷射到每缸的气道内。
在发动机的每个工作循环中(曲轴每转两圈),各缸喷油一次(喷油顺序为1-3-4-2),这种喷射方式称为顺序喷射。
当发动机在冷车或高负荷状态下运转时,为保持良好的性能,ECU进行开环控制,提供较浓的混合气;当发动机在正常工作状态下(中小负荷),ECU通过氧传感器反馈的信号,进行闭环控制,以得到最佳的空燃比,使三元催化转换器达到最佳的净化效率。
•怠速速度控制根据怠速状况和怠速时发动机负荷的变化控制节气门的旁通空气量,使怠速速度保持在最佳的转速上。
根据发动机冷却液温度和空调负荷,ECU驱动怠速速度控制马达(ISC),使发动机在预设的目标怠速转速下运转。
另外,当发动机在怠速运转时,将空调开关打开或关闭,ISC马达将根据发动机的负荷状况调整旁通空气量,避免怠速不稳。
概要 (00)发动机 (11)离合器 (21)变速箱 (22)概要00-1 目录本书使用说明 (2)发动机、变速箱型号........................3 拧紧力矩 (4)密封胶(FIPG) (5)概要-本书使用说明00-2 本书使用说明保养步骤(1)前面画有各剖面图,可以掌握各零部件安装状态。
(2)用组成零件的编号表示作业步骤,同时标明不能重复使用零件(用标记表示)及拧紧力矩。
保养须知的区分当有保养须知与标准值、专用工具的使用方法等时,作为保养须知集中给以详细说明。
注润滑油、密封胶及粘接剂的标记在组成零件图中说明注润滑油、涂抹或补给密封胶及粘结剂的部位。
拆卸步骤:零件名称编号与组成零件图中编号相对应,表示拆卸步骤。
解体步骤:零件名称编号与组成零件图中的编号相对应,表示解体步骤。
安装步骤:不允许按与拆卸时相反的步骤安装时,应注明安装步骤。
允许按与拆卸时相反的步骤安装时,可以省略。
组装步骤:不允许按与拆卸时相反的步骤安装时,应注明安装步骤。
允许按与拆卸时相反的步骤安装时,可以省略。
:表示有拆卸或解体须知。
:表示有安装或组装须知。
……润滑脂[没特别指明时表示多种用途润滑脂。
]……密封胶或粘结剂……发动机机油或齿轮润滑油发动机-前盖、机油泵11-33分组名称分部名称页数前盖、机油泵拆卸与安装这些编号与拆卸、解体、安装及组装步骤的编号相对应。
9EN0040对拆卸和安装、解体和组装的保养要领及注意事项给以说明概要-发动机、变速箱型号 00-3 发动机、变速箱型号车辆型号发动机变速箱型号排量形式型号形式BJC P45 4G64-Z-J2 2,351毫升4缸、直列、SOHC R5M21-D-GCVL 5速手动变速箱概要-拧紧力矩 00-4 拧紧力矩一般的拧紧力矩指示于下表中。
特殊零件拧紧力矩指示于每组的开头。
螺栓、螺母的拧紧力矩螺栓直径螺距力矩 (公斤米)螺栓(带弹簧垫圈) 法兰螺栓头部标记4 头部标记7 头部标记10 头部标记4 头部标记7M6 1.0 -0.9 1.3 - 1.1 M8 1.25 1.1 1.8 3.0 1.4 2.4 M10 1.25 2.0 3.4 6.0 3.0 5.0 M12 1.25 3.6 6.2 10.8 5.5 9.0锥螺纹的拧紧力矩螺纹尺寸力矩 (公斤米)轻合金铸铁、钢NPTF 1/16 0.5 ~ 0.8 0.8 ~ 1.2PT 1/8 0.8 ~ 1.2 1.5 ~ 2.2PT 1/4 2.0 ~ 3.0 3.5 ~ 4.5NPTF 1/4 2.0 ~ 3.0 3.5 ~ 4.5PT 3/8 4.0 ~ 5.5 5.5 ~ 7.5PT 1/2 7.0 ~ 10.0 12.0 ~ 16.0概要-密封胶(FIGP) 00-5密封胶(FIPG)在发动机和变速箱上有不少部位使用着密封胶。
目录概述如何使用本手册………………………………………………………………………………GI-2 涉及范围…………………………………………………………………………………G I-2 维修程序…………………………………………………………………………………G I-2 符号………………………………………………………………………………………GI-4 咨询信息…………………………………………………………………………………G I-4 故障排除程序……………………………………………………………………………G I-5 单位……………………………………………………………………………………………GI-11 单位………………………………………………………………………………………GI-11 基本程序………………………………………………………………………………………GI-12汽车维护…………………………………………………………………………………GI-12 准备工具及检测设备……………………………………………………………………GI-12 专用维修工具……………………………………………………………………………GI-12 检查漏油情况……………………………………………………………………………GI-12 电瓶负极线断开…………………………………………………………………………GI-13 零部件拆卸………………………………………………………………………………GI-13 拆分………………………………………………………………………………………GI-13 零部件拆卸、拆卸过程中实施检查……………………………………………………GI-14 零部件排布………………………………………………………………………………GI-14 零部件清洁………………………………………………………………………………GI-14 重新装配…………………………………………………………………………………GI-14 调整………………………………………………………………………………………GI-15 橡胶部件以及管路系统…………………………………………………………………GI-15 软管夹具…………………………………………………………………………………GI-16 扭矩计算公式……………………………………………………………………………GI-16 虎钳……………………………………………………………………………………G I-16 测动机……………………………………………………………………………………GI-17 专用工具…………………………………………………………………………(SST)GI-17 收放机系统的安装……………………………………………………………………………GI-17 收放机系统的安装………………………………………………………………………GI-17 电气系统………………………………………………………………………………………GI-18 电气部件…………………………………………………………………………………GI-18 插头………………………………………………………………………………………GI-18 电气故障排除工具………………………………………………………………………GI-22 焊接前的防范措施………………………………………………………………………GI-23 举升部位、车辆提升部位(2个支撑点)、安全支架(刚性架)位置……………………GI-24 举升部位、车辆提升部位(2个支撑点)、安全支架(刚性架)位置………………GI-24 牵引……………………………………………………………………………………………GI-26 牵引………………………………………………………………………………………GI-26 牵引钩……………………………………………………………………………………GI-26 标识码位置……………………………………………………………………………………GI-28 汽车标识码(VIN)………………………………………………………………………GI-28发动机标识码……………………………………………………………………………GI-28 新标准…………………………………………………………………………………………GI-29新标准……………………………………………………………………………………GI-29 缩略语…………………………………………………………………………………………GI-31 缩略语……………………………………………………………………………………GI-31 交车前检查. …………………………………………………………………………………GI-32 交车前检查………………………………………………………………………………GI-32 维护日程表……………………………………………………………………………………GI-33 车辆维护日程表…………………………………………………………………………GI-33GI-1如何使用本维修手册涉及范围A6E201000001W01本维修手册中包括维修操作所需的所有程序,并且将程序划分为以下五个基本方面:——拆卸/安装——拆分/装配——更换——检查——调整对于一些只通过观察汽车外部就可以实施的简单操作(例如:部件的拆卸/安装、千斤顶顶起、汽车提升、零部件清洁以及外观检查等),本维修手册中予以省略。
北京吉普P45用4G64-Z-J2发动机电喷管理系统原理及故障诊断手册目录一. 系统原理 (3)二. 多点燃油喷射系统图 (4)三.检修调整要领 (5)四.故障诊断与排除 (16)一.系统原理电子控制多点喷射系统(MPI),是以一个电子控制装置(又称电脑或ECU)为控制中心,利用安装在发动机不同部位上的各种传感器,测得发动机的各种工作参数,按预先在电脑中设定的控制程序,通过控制喷油器,精确地控制喷油量,使发动机在各种工况下都能获得最佳浓度的混合气。
此外,电子控制汽油喷射系统通过电脑中的控制程序,还能实现起动加浓、暖机加浓、加速加浓、全负荷加浓、减速调稀、强制怠速断油、自动怠速速度控制等功能,满足发动机特殊工况对混合气的要求,使发动机获得良好的燃料经济性和排放性,同时也提高了汽车的使用性能。
另外ECU也有几种故障诊断模式,可以简化寻找故障的工作。
•燃油喷射控制ECU控制喷油器驱动时间和喷油正时,使发动机在各种工况下都能获得最佳浓度的混合气。
每个缸的进气口均装有一只喷油器,燃油箱内的燃油泵将燃油泵出,送到燃油分配管内,燃油压力调节器使喷油压力保持稳定,喷油器将燃油直接喷射到每缸的气道内。
在发动机的每个工作循环中(曲轴每转两圈),各缸喷油一次(喷油顺序为1-3-4-2),这种喷射方式称为顺序喷射。
当发动机在冷车或高负荷状态下运转时,为保持良好的性能,ECU进行开环控制,提供较浓的混合气;当发动机在正常工作状态下(中小负荷),ECU通过氧传感器反馈的信号,进行闭环控制,以得到最佳的空燃比,使三元催化转换器达到最佳的净化效率。
•怠速速度控制根据怠速状况和怠速时发动机负荷的变化控制节气门的旁通空气量,使怠速速度保持在最佳的转速上。
根据发动机冷却液温度和空调负荷,ECU驱动怠速速度控制马达(ISC),使发动机在预设的目标怠速转速下运转。
另外,当发动机在怠速运转时,将空调开关打开或关闭,ISC马达将根据发动机的负荷状况调整旁通空气量,避免怠速不稳。
•点火正时控制功率晶体管的开和关控制点火线圈内初级电流的导通。
点火正时的控制是为了获得最佳的点火时期以满足发动机变化工况的需求。
ECU根据发动机转速、进气量、进气温度、发动机冷却水温、(爆震传感器、)大气压力信号来确定点火时期。
•自我诊断操作•当某一传感器和执行器被探测到不正常时,发动机故障检查灯亮,用以提醒驾驶员。
•当某一传感器和执行器被探测到不正常时,与故障情况对应的故障代码即被输出。
•发动机ECU内同传感器和执行器有关的RAM数据,通过MUT-Ⅱ可以读到。
另外,在某一情况下,执行器能被强制驱动。
•其它控制操作•燃油泵控制•A/C继电器控制•净化电磁阀控制•EGR电磁阀控制二. 多点燃油喷射系统图进气温度传感器 空气流量传感器(内置大气压力传感器)*1*2 空气滤清器*7 *3 节气门位置传感器(内置怠速位置开关) *4 *6曲轴角度传感器*5凸轮轴位置传感器传*8水温传感器 ☆1喷射器到燃油箱燃油压力调节器自燃油泵 ☆4EGR 电磁阀净化电磁阀 ☆2☆3 怠速控制伺服电机 三元催化转化器 碳罐 *9三. 检修调整要领1. 节气门(1) 节气门本体的清洁① 发动发动机并预热直至冷却液温度升高到80℃以上,然后停止发动机运转。
② 自节气门体上拆下进气软管。
③ 用塞子堵住节气门体的旁通气道进口。
注意:不可让清洁剂进入旁通气道。
④ 通过节气门体进气口把清洁剂喷入阀内并保持5分钟。
⑤ 发动发动机,加速运转几次后再怠速运转约1分钟,如果由于旁通气道堵塞而怠速不稳定(或发动机熄火),可稍微开启节气门以保持发动机运转。
⑥ 如果节气门内的沉积物未被清除,则重复步骤④和⑤。
⑦ 拔去旁通气道进口的塞子。
⑧ 接上进气软管。
⑨ 用MUT -II 清除故障诊断代码。
⑩ 调整基本怠速备注:如果在调整基本怠速之后,发动机怠速运转时有不规则的振动,则脱开蓄电池负极(-)电缆约10秒钟以上,然后重新接上并怠速运转发动机约10分钟。
2. 节气门位置传感器(TPS) (1) 检查①从TPS 接头上摘下其线束接头②测量TPS 接头侧1号端子与4号端子之间的电阻值。
标准值:3.5~6.5K Ω③测量TPS 接头侧1号端子与3号端子之间的电阻④如果电阻在标准范围以外或电阻不平稳地变化,则应更换节气门位置传感器。
(2) 调整①将MUT -II 连接到故障诊断连接器上。
如果没有MUT -II ,则依照下列步骤进行调整。
(a). 拆下TPS 线束接头(b). 使用跨接线,在2号端子(怠速位置开关)与1号端子(TPS 搭铁)之间连接欧姆表。
TPS 接头 节气门位置传感器TPS 接头②在“固定SAS ”与节气门杆之间插入厚度为0.45mm 的厚薄规。
③将点火开关转到ON(但不要起动发动机)④拧松节气门位置传感器安装螺栓,然后将节气门位置传感器逆时针方向转到底。
⑤在此状态下,通过MUT -II “DATA LIST ”或欧姆表检查怠速位置开关是否在ON 位置。
(1号端子与2号端子之间导通)⑥顺时针方向缓慢旋转节气门位置传感器,直到怠速位置开关信号由ON 变成OFF 时停止(1号端子与2号端子不导通的那一点位置为止),在此位置下锁紧节气门位置传感器的固定螺栓。
⑦连接节气门位置传感器的接头。
⑧检查节气门位置传感器的输出电压。
标准值:400~1000mV 。
⑨如果偏离标准值,则应检查节气门位置传感器和相关线束。
⑩取下厚薄规。
⑪ 将点火开关转到OFF 位置,然后拆下MUT -II 。
3. 怠速位置开关的检查(1) 从TPS 接头上摘下其线束接头(2) 检查节气门位置传感器接头的1号和2号端子间的导通状况。
(3)备注:更换后,必须调整节气门位置传感器和怠速位置开关。
固定SAS固定SAS节气门杆厚薄规11 节气门位置传感器TPS 接头4. 固定SAS 的调整 备注: (a). 除非必要,请勿调整“固定SAS ”,因为固定SAS 在出厂前已做精密的调整。
(b). 如果固定SAS 已被任意转动过,请按下述步骤重新调整。
(1) 充分放松油门拉线。
(2) 松开“固定SAS ”的防松螺母。
(3) 逆时针方向退出“固定SAS ”,使节气门完全开关。
(4) 顺时针方向转动“固定SAS ”,直至达到接触节气门杆的那个点(即节气门开始开启的那点位置)。
(5) 保持“固定SAS ”不动的情况下,锁紧防松螺母。
(6) 调整油门拉线的张力。
(7) 调整基本怠速。
(8) 调整怠速位置开关以及节气门位置传感器。
5. 基本怠速的调整 备注:(a). 标准怠速已由制造厂在出厂前用怠速调整螺钉(SAS)调整好,因而通常就不必重新调整。
(b). 如果SAS 被误调整,导致发动机负载变化时,怠速过高或过低。
出现这种情况时,请按下述方法进行调整。
(c). 如果需要调整基本怠速,在调整前必须首先确认火花塞、喷油器、怠速控制伺服机构、压缩压力在正常状态。
(1) 在检查和调整之前,将汽车置于交货前的检查状态。
(2) 将MUT -II 连接到故障诊断连接器上。
备注:当连接MUT -II 时,诊断控制端子应该并已经搭铁了。
(3) 拆下点火正时调整接头的防水母接头。
(4) 使用跨接线,将点火正时调整端子搭铁。
(5) 发动发动机并保持在怠速运转。
(6) 检查怠速。
标准值:750±50rpm 备注 (a). 新车行驶500Km 以内时,发动机转速可能会低于标准值20~100rpm,但是这不需要调整。
(b). 如果发动机熄火或者车辆已行驶500 Km 以上而发动机转速仍低于标准值,可能是节气门有污垢,所以必须清洁节气门。
固定SAS跨接线(7) 如果怠速不在标准值内,调整怠速调整螺钉(SAS)。
备注:如果SAS 已完全转到底而怠速仍高于标准值时,检查“固定SAS ”是否被转动过。
如果“固定SAS ”已被转动,则重新调整“固定SAS ”。
(8) 将点火开关转至OFF 位置。
(9) 拆下跨接线并将接头装回原来的状态。
(10) 拆下MUT -II 。
(11) 再次起动发动机并怠速运转10分钟,确认怠速工况是否正常。
6. 进气温度传感器的检查(1) 拆下空气流量传感器线束接头。
(2) 测量空气流量传感器5号端子与6号端子之间的电阻值。
标准值:2.3~3.0K Ω(20℃时) 0.30~0.42K Ω(80℃时)(3) 用电吹风机加热进气温度传感器,再重新测量电阻值。
正常状态:温度升高,电阻减小。
(4) 如果电阻值偏离标准值或电阻值保持不变,则应更换空气流量传感器。
7. 水温传感器的检查注意:在拆下和安装时,小心不要让工具触碰连接器(树脂部分)。
(1) 拆下发动机水温传感器。
(2) 将水温传感器的温度传感部分浸在热水中,检查电阻。
标准值:2.1~2.7 K Ω(20℃时) 0.26~0.36K Ω(80℃时)(3) 如果电阻偏离标准值较大,则应更换传感器。
(4) 在螺纹部分涂密封胶。
规定的密封胶:3M NUT LOCKING PART NO.4171或等同品。
(5) 安装水温传感器并拧紧到规定力矩。
拧紧力矩:29N.m 。
水温传感器水温传感器接头8. 喷油器的检查端子之间电阻的测量: (1) 拆下喷油器线束接头。
(2) 测量喷油器端子之间的电阻。
标准值:13~16Ω(20℃) (3) 安装喷油器线束接头。
9. 怠速控制(ISC)伺服机构(步进电机)的检查 (1) 作动声音的检查①确认发动机水温低于20℃。
如果发动机水温高于20℃,则可拆下发动机水温传感器的线束接头,将另一低于20℃的水温传感器与其连接。
②当点火开关转到ON 时(不要起动发动机),检查可否听到步进电机的动作声。
③如果不能听到步进电机的动作声,则应检查步进电机的驱动电路。
如果驱动电路正常,则可能是步进电机或发动机ECU 不良。
(2) 线圈电阻的检查①脱开怠速控制伺服机构连接器,连接专用工具(测试用配线)。
②测量怠速控制伺服机构侧连接器的端子2(专用工具的白色夹子)与端子1(专用工具的红色夹子)之间的电阻值,或2号端子与3号端子(专用工具的蓝色夹子)之间的电阻值。
标准值:28~33Ω(20℃时)。
③测量怠速控制伺服机构侧连接器的端子5(专用工具的绿色夹子)与端子6(专用工具的黄色夹子)之间的电阻值,或5号端子与4号端子(专用工具的黑色夹子)之间的电阻值。
标准值:28~33Ω(20℃时)。
10. 废气再循环(EGR)控制系统的检查(1) 从EGR 阀上拆下真空软管(绿色条纹),使用三通管接头连接手动真空泵。
(2) 在发动机冷态或热态时,在高速空转发动机的情况下检查真空状态。
当发动机为冷态时(发动机水温:20℃以下),真喷油器 怠速控制伺服 EGR 阀 三通管接头 绿色条纹(3) 拆下三通管接头。