管子割刀的规格及使用
- 格式:ppt
- 大小:10.19 MB
- 文档页数:14
割管刀的使用方法割管刀是一种常见的工具,用于切割管道或管材。
它通常由刀片和手柄组成,能够有效地完成管道切割工作。
下面将介绍割管刀的使用方法,以帮助读者正确、安全地操作割管刀。
第一步,选择合适的割管刀。
割管刀有多种型号和规格,根据需要选择合适的刀具。
一般来说,小口径管道适合使用手持式割管刀,而大口径管道则需要使用电动割管刀或液压割管刀。
第二步,准备工作。
在开始使用割管刀之前,需要先检查管道是否已经排空,并确保没有任何液体或气体通过管道。
此外,还需要清理管道表面的污垢和锈蚀,以免影响切割效果。
第三步,固定管道。
将待切割的管道固定在合适的位置,以防止在操作过程中管道移动或晃动。
可以使用夹具或其他固定装置来固定管道,确保安全稳定。
第四步,调整刀片。
根据管道的直径和材质,调整割管刀的刀片。
刀片的位置应该与管道的切割线对齐,并且刀片应该紧贴着管道表面。
在调整刀片时,需要注意刀片的角度和切割深度,以确保切割质量和效率。
第五步,开始切割。
握住割管刀的手柄,用力将刀片推入管道表面。
根据管道的直径和材质,可能需要多次推动刀片,直到切割完成。
在切割过程中,要保持均匀的力量和节奏,避免过度用力或过快推动刀片,以免损坏刀片或管道。
第六步,检查切割质量。
在切割完成后,需要检查切割口的质量。
切割口应该平整、光滑,没有毛刺或裂缝。
如果发现问题,可以使用打磨工具对切割口进行修整,以确保管道连接的质量。
第七步,清理工作。
在使用割管刀完成切割后,需要清理切割区域的碎屑和污垢。
可以使用刷子或吸尘器清理切割口和周围的区域,保持工作环境整洁。
总结起来,割管刀的使用方法包括选择合适的刀具、准备工作、固定管道、调整刀片、开始切割、检查切割质量和清理工作。
正确使用割管刀可以提高工作效率,保证切割质量,同时也要注意安全操作,避免意外伤害。
希望本文对读者能有所帮助,让大家在使用割管刀时能够更加熟练、安全地完成工作。
第三章钳工工具钳工工具,顾名思义,就是钳工工作时所使用的工具。
所谓钳工,就是以锉、钻、铰刀、老虎钳等手工工具为主,进行机器的装配和零部件修整工作的工种叫钳工,从事钳工工作的工人也称为钳工。
钳工工具主要包括以下四类:虎钳类、锉类、锤类以及其它类。
一、虎钳类虎钳类工具的用途是用于夹紧工件,使之固定,以便进行锉削、铰扣、切割、切削等各种加工工作。
其规格均以钳口宽度表示。
1.台虎钳【别名】台口钳,普通台虎钳,老虎钳,虎钳子。
【用途】台虎钳装置在工作台(亦称钳工案子)上,用以夹紧工件,是钳工操作的必备工具。
(虎钳有台口钳和平口钳之分,台口钳就是台虎钳,用途如上。
平口钳也叫机用虎钳,其刚性和精度均优于台虎钳,是各种铣床、牛头刨床、钻床等机床上用于夹紧工件的辅助切削的工具。
)【规格】按结构型式,台虎钳分固定式和回转式(亦称转盘式)两种,回转式的,钳体能够旋转,可以把工件旋转到合适的工作位置;按其夹紧能力,台虎钳分为轻级(Q)和重级(Z)两种;台虎钳的规格以钳口宽度表示:公制(mm):75,90,100,115,125,150,200;英制(in):4″,5″,6″,8″,10″,12″。
2.桌虎钳【用途】桌虎钳的用途与台虎钳相同,但钳体安装方便,手动便可安装固定,可固定在桌子的边沿等狭小处。
桌虎钳适用于夹持小型工件。
【规格】钳口宽度(mm):25,40,50,60,65,75。
3.手虎钳【别名】手拿钳。
【用途】手虎钳是一种手持工具,用于夹持体积较小的轻巧工件,进行手持加工,如修配钥匙、锁链等。
【规格】钳口宽度:公制-25,40,50mm;英制-1″,1 1/2″,2″。
4.管子台虎钳【别名】龙门台虎钳,管子压力。
【用途】用于夹紧、固定金属管子,以便进行铰制螺纹、切断等作业。
其上下牙板的硬度为HRC45~55。
【规格】根据能夹持管子的直径(mm)范围,分为1~6号:规格(号数):1 2 3 4 5 6夹持范围:10~60 10~90 15~115 15~165 30~220 30~300二、锉类锉类工具的用途是用来锉削或修整金属以及其它硬性材料制品的表面,使之变成我们需要的形状、光洁度和精度。
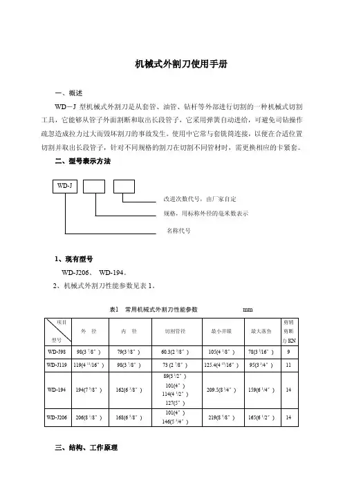
机械式外割刀使用手册一、概述WD -J 型机械式外割刀是从套管、油管、钻杆等外部进行切割的一种机械式切割工具,它能够从管子外面割断和取出长段管子,它采用弹簧自动进给,可避免司钻操作疏忽造成拉力过大而毁坏割刀的事故发生。
使用中它常与套铣筒连接,以便在合适位置切割并取出长段管子,针对不同规格的割刀在切割不同管材时,需更换相应的卡紧套。
二、型号表示方法1、现有型号WD-J206、 WD-194。
2、机械式外割刀性能参数见表1。
表1 常用机械式外割刀性能参数 mm三、结构、工作原理1、结构如图1所示,主要由上接头、筒体、卡紧套、上止推环、下止推环、弹簧、进刀环、剪销、滑环、刀头、引鞋等构成。
2、工作原理接下入井内到达预定切割位置后,上提割刀,割刀内卡紧套上的卡簧向上顶住钻杆(落鱼)接头(箍)台肩,继续上提割刀时,筒体通过剪销带动进刀环一起向上运动,于是弹簧受到强力压缩,当弹簧被全部压缩后,上提力超过剪销负荷,剪销被剪断,于是弹簧的压缩势能向下推动进刀环,进刀环下端向中心弯曲的五个刀头向割刀中心偏转,处于切割状态。
割刀的上、下止推相当于一组止推轴承,当外割刀转动时,由于上、下止推环之间非常滑,保证了上止推环和卡紧套固定在落鱼上不随割刀转动,这样就保证了卡紧套不致因旋转而被损坏,可以很好地顶住在落鱼接头(箍)的台肩上,而下止推环和其以下所有部份与筒体一起旋转进行切割。
由于弹簧的压缩势能作用,在切割过程中,弹簧推动进刀环逐渐下移,逐渐进刀,直至切断落鱼,切割断后卡紧套顶住已割断部份一起取出。
四、使用、操作图1 机械式外割刀1、下井前的准备(1)根据被切割管柱部位外径尺寸,选择规格适合的机械式外割刀,其参数应符合SY 5424-91规定。
(见表1)(2)检查刀片是否转动自如,上接头螺纹是否完好,剪销及其它部件安装是否正确,五个刀头的刀尖轴向位置公差应符合SY 5424—91规定见表2,卡紧套要活动灵活,六个卡簧与筒体的同轴度公差为0.8mm,轴向相对位置公差不大于0.2mm。
割管器使用方法
割管器是一种用来割断管道的工具,通常用于家庭装修、水电安装和其他一些需要切割管道的场合。
以下是割管器的基本使用方法:
1. 准备工作:确定要割断的管道尺寸,并选择合适的割管器。
检查割管器的刀片是否锋利,并确保工作场所的安全。
2. 清理管道:将管道两端的管接头丝扣和焊接点等杂物清理干净。
确保管道表面平整,以便割管器能够顺利割断。
3. 确定割断位置:使用尺子或其他工具测量出需要割断的位置,并用记号笔在管道上做标记。
4. 固定管道:用管夹将管道固定住,确保管道不会滑动或晃动。
这样可以增加割断的准确性和安全性。
5. 调整割管器:根据管道直径,调整割管器的刀片间距。
通常割管器有可调节的螺旋装置,可以根据需要将刀片调至合适的位置。
6. 割断管道:将割管器的刀片置于标记的位置上,沿着管道的周围旋转割断器。
根据管道的材质和大小,可能需要进行多次割断。
7. 检查和整理:完成割断后,检查管道是否割断整齐。
如果有需要,使用锉刀等工具修整管道的切口。
8. 清洁和保养:使用后清洁割管器,并将其存放在安全的地方。
定期检查刀片的锋利度,并更换磨损严重的刀片。
在使用割管器时,一定要注意安全,避免伤害自己或其他人。
在割断管道之前,最好先了解和熟悉使用割管器的具体说明书和安全注意事项。
如果对割断管道的操作不熟悉或不确定,建议请专业人士进行操作。
塑料管剪切刀执行标准
一、材料标准
1. 刀片应采用高强度、耐磨损的合金钢材料制造,以确保剪切性能和使用寿命。
2. 刀片表面应进行硬化处理,提高其抗磨损能力。
3. 刀片应无气孔、裂纹等缺陷,并应符合相关材料标准。
二、结构设计
1. 塑料管剪切刀应设计为手持式结构,操作简单、方便。
2. 刀片应设计为可更换式,以便于维修和更换。
3. 剪切刀应具备对刀功能,以便于调整刀片间隙和剪切角度。
4. 剪切刀应设有安全防护装置,以防止意外伤害。
三、剪切性能
1. 塑料管剪切刀应能剪切不同规格和类型的塑料管,包括PVC、PE、PP等材料。
2. 剪切性能应满足以下要求:剪切效率高、剪切面平整、无毛刺、无破损。
3. 剪切刀应能适应不同角度的剪切要求,角度调整范围应在90°-180°之间。
四、尺寸公差
1. 剪切刀的尺寸应符合设计要求,包括刀片长度、刀片宽度、手柄长度等。
2. 刀片间隙和剪切角度的调整应准确、可靠,符合设计要求。
3. 安全防护装置的位置和尺寸应准确、合理,确保有效防止意外伤害。
五、外观质量
1. 剪切刀表面应光滑、平整,无划痕、无锈蚀现象。
2. 塑料件应色泽均匀、无气泡、无杂质等缺陷。
3. 金属件应进行防锈处理,以防止生锈和腐蚀。
六、安全性
1. 剪切刀应设有安全开关,确保只有在打开安全开关后才能进行剪切操作。
2. 安全开关应具有可靠的锁定功能,防止误操作和意外触碰导致剪切刀启动。
管工工具及使用方法(1)割管刀割管刀也称为割管器,是专门切断紫铜管、铝管等金属管的工具。
割管刀的使用方法:将铜管放置在滚轮与割轮之间,铜管的侧壁贴紧两个滚轮的中间位置,割轮的切口与铜管垂直夹紧。
然后转动调整转柄,使割刀的切刃切入铜管管壁随即均匀地将割刀整体环绕铜管旋转。
如下图所示:(2)扩管器扩管器又称为涨管器。
主要用来制作铜管的喇叭口和圆柱形口,扩管器的夹具分成对称的两半,夹具的一端使用销子连接,另一端用紧固螺母和螺栓紧固。
两半对合后形成的孔按不同的管径制成螺纹状,目的是便于更紧的夹住铜管。
扩管器的使用方法:扩管时首先将铜管扩口端用锉刀锉修平整,然后把铜管放置于相应管径的夹具孔中,拧紧夹具上的紧固螺母,将铜管牢牢夹死,具体的扩口操作方法如下图:(3)硬钎焊(氧焊)硬钎焊也称为氧焊,所需要的焊具为焊枪(焊炬)。
所需要的焊接设备有氧气钢瓶、乙炔气钢瓶(或液化石油气钢瓶)、连接软管及减压表等,使用的焊料为铜磷合金焊条(铜焊条)。
制冷管道的焊接我们一般采用钎焊焊接,意思就是通过可燃气体(液化石油气)和助燃气体(乙炔)两者在焊炬中混合燃烧时产生的高温火焰,加热被焊材料,熔化焊料使之成为间隙的充填金属,而使焊件连接,这种焊接方法就称为钎焊。
焊枪操作方法:首先打开乙炔瓶的阀门开关、在打开氧气瓶的阀门开关,然后在焊枪处慢慢松开乙炔阀门使得焊嘴有乙炔气体排出(注:记得不要开得过大),接着用打火机点着焊嘴使得乙炔气体燃烧,再慢慢打开焊枪的氧气阀门(阀门1或阀门2都可以),调好火焰!在焊接前先对焊口进行清洁,并且对焊口或管道进行预热,当铜管的颜色呈暗红色时立即将焊条放在焊接处继续加热,直到焊条充分熔化流向间隙处,并牢固附在管道上时,移去火焰,焊接完毕。
然后先关闭焊枪的氧气阀门,再关闭乙炔阀门,最后关闭氧气、乙炔瓶阀门。
要特别注意在焊接毛细管与干燥过滤器的接口时,预热时间不能过长,焊接时间越短越好,以防止毛细管加热过度而熔化。
压力钳是用来夹持金属管以便进行套扣、切割或维修设备零件时所常用的工具,如图1-8所示。
图1-8 压力钳结构1.压力钳的技术规范:见表1-2表1-2 压力钳技术规范型号夹持管子最大外径〈mm)1 702 903 1104 1505 2006 2502.压力钳的结构:压力钳由底座、固定销、上下牙块、钳架、加紧丝杆、加力杆、导向轨、活动锁销、活动销架、插销组成。
3.压力钳的使用方法及注意事项:(1)选择合适的压力钳,夹持大管子时,压力钳后边要加一把管钳,防止滑脱,损坏管子和钳口。
(2)夹紧管子时不应用力过猛,应逐步旋紧,防止夹扁管子或钳牙吃管子太深,夹持长管应在管子尾部用三角架支撑。
(3)注意使用前要认真检查压力钳三角架及钳体, 要将三角架固定牢。
(4)使用后要在丝杆部分涂上润滑油。
五、管子割刀管子割刀是用来切割各种金属管材的工具,其结构如图1-9所示。
割刀是以刀型来确定其规格的,其规格如表1-3所示。
图1-9管子割刀结构图表1-3管子割刀技术规范号码割管范围(英寸) 割轮直径(毫米) 滚子直径(毫米)ⅡⅢⅣⅥ1/8~21~32~44~63240454527323838使用方法:将被割管件用管子压力钳夹牢后,旋转(推倒方向)加力杠能套进管件外,扶正,并缓慢旋紧加力丝杠,在感觉刀吃力时,边垂向绕管件旋转边均匀加力,最后直至割断管件。
使用及注意事项:(1)根据被割管径选择适当规格的管子割刀,以免刀片与滚轮之间的最小距离小于该规格割刀的最小割管尺寸,导致滑块脱离主体导轨;(2)检查割刀、加力丝杠、割刀架扶正轮等各部件是否完好;(3)将被割管件用管子压力钳夹牢,割刀片和滚轮与管子垂直,以防割刀片刀刃迸裂;(4)将被割管件按要求的长短划好线,松开刀口,将割刀卡在管件上,使刀刃对准划线,同时用加力丝杠逐渐进刀;(5)每次进刀用力不可过猛,进刀深度每次不超过螺杆半转为宜,初割时进刀量可稍大些,以便割出较深的刀槽;(6)使用时管子割刀各活动部分和被割管子表面均需加少量润滑油,以减少摩擦。
管工培训常用工具及基本操作一、钢卷尺的使用要求钢卷尺是长度的测量工具之一,它是由一条长而薄的钢带制成,钢带全长都卷入筒壳之中,卷尺的一面刻有公制单位刻度线。
按规格分为大钢卷尺和小钢卷尺。
大钢卷尺长度有l0m、20 m、30 m、50 m等规格,用于测量较长的直线或距离;小钢卷尺也叫做钢盒尺,有2 m、3 m、5 m三种规格,用于测量较短的直线或距离。
测量时将钢卷尺从盒中拉出,将钢卷尺的标度与直线尺寸直接比量读出得数。
钢卷尺用后要擦干净,以免腐蚀。
施工用钢卷尺要经过有相应资质的单位或部门检定后使用,计量检定周期为1年。
二、钢直尺和角尺的使用方法1.钢直尺钢直尺也叫做钢板尺,是测量长度的另一种工具。
一般用于测量工件上两点间的直线距离,规格有150 mm、300 mm、500 mm、1 000 mm,分度值为0.5 mm或1.0 mm。
有的钢板尺除刻有公制刻度线条外,另一面还刻有英制刻度线条。
用钢板尺测量工件时,要注意尺的零线与工件边缘相重合。
读数时视线必须与钢板尺的尺面垂直。
钢板尺用后要擦干净。
2.角尺角尺有木制和钢制两种,管道施工时广泛应用钢角尺。
角尺可用来检验工件角度、画垂直线及安装法兰。
角尺分为宽座角尺、扁直角尺、法兰角尺和活弯尺。
(1)宽座角尺宽座角尺也叫做宽座直角尺,用于检验直角、画线、安装定位以及检验法兰安装的垂直度、型钢的画线等。
(2)扁直角尺扁直角尺是管工经常使用的工具之一。
扁直角尺由长臂和短臂构成,两臂互成90°,并由相同厚度的薄钢板制成,尺的一侧刻有公制单位的刻度线,广泛用于放样、画线、预制煨弯和检验直角等管线预制工作中。
因此,在工作中需经常注意校对其角度是否准确。
校对的方法很多,其一是用直角规法,即把弯尺放到事先画好的直角线上检查;其二是用翻转法,即用扁直角尺本身画直角线并翻转180°,检查直角是否准确,如图所示。
如有误差,须经修理合格后方可使用。
(3)法兰角尺法兰角尺又称法兰弯尺,这种角尺小巧轻便,易于携带。
管道切割机使用说明书一、产品介绍管道切割机是一种用于切割各种类型管道的专业设备。
它适用于建筑工地、工业制造和管道安装等领域。
本使用说明书将详细介绍管道切割机的使用方法和注意事项。
二、安全须知1. 在使用管道切割机之前,请务必仔细阅读本说明书,并确保能够正确理解和遵守使用方法。
2. 在操作过程中,请佩戴适当的个人防护装备,包括耳塞、护目镜和手套等。
3. 在切割机工作时,请确保周围环境的通风良好,以减少有害气体和粉尘的吸入。
4. 请将切割机放置在平坦稳固的表面上,确保其稳定性,并避免因晃动而导致的意外伤害。
5. 在操作过程中,请确保工作区域干燥,并远离可燃物和易燃物。
6. 当切割机未使用时,请将其关闭,并拔出电源插头以避免意外启动。
三、使用方法1. 首先,将管道切割机正确连接到电源,并确保电源稳定。
2. 将需切割的管道放置在切割机的切割区域上,并确保固定牢固,避免在切割过程中移动。
3. 打开切割机的主电源开关,并调整切割机的切割速度和切割角度,以满足具体要求。
4. 通过控制切割机上的按钮或拉杆,手动或自动开始切割操作。
根据需要,可以选择连续切割或单次切割模式。
5. 在操作过程中,请确保双手都保持在安全位置,并不要触摸切割部件,以免造成意外伤害。
6. 切割完成后,等待切割机完全停止运转后再将管道取走。
7. 关闭切割机电源开关,并拔出电源插头以确保安全。
四、注意事项1. 在使用不同类型管道切割机时,请确保切割机的刀具与管道材质相匹配。
2. 在切割机运转时,请避免将手指或其他物体靠近切割部件,以防夹伤或其他伤害。
3. 在切割过程中,发现异常情况时,请立即停止使用切割机,并检查故障原因。
4. 切割机需要定期进行维护保养,包括清洁切割区域、加油润滑和更换切割刀具等。
5. 不要擅自拆解或修改切割机的任何部件,以免影响其性能和安全性。
6. 在长时间使用后,切割机可能会发热,请注意避免烫伤,等待其自然冷却后再进行操作。
、管钳管钳是用来转动金属管或其他圆柱形工件的,是管路安装和修理的常用工具。
管钳的结构和使用方法如图1-1-1所示。
管钳规格是指管钳合口时整体长度,如人们常说的:"24in 、36in 、48in "就是指的管钳长度,常用的管钳规格如表1- 1 - 1所列。
表1-1-1常用管钳技术规范管钳规格,mm (in )使用范围,mm 可钳管子最大直径,mm450(18) 40以下 60 600(24) 50~62 75 900(36) 62~76 85 1200(48)76~100110(1) 要选择合适的规格; (2)钳头开口要等于工件的直径(3) 钳头要卡紧工件后再用力扳,防止打滑伤人;常用工具的使用管惴把/ /图1-1-1管钳及使用示意图祜瑚帕I 】严(4) 用加力杆时长度要适当,不能用力过猛或超过管钳允许强度; (5)管钳牙和调节环要保持清洁。
二、扳手板手主要用来紧固和拆卸零部件,通常有四种类型,即梅花扳手、套筒扳手、活动扳手和 呆型扳手等。
1 •梅花扳手梅花扳手的扳头是一个封闭的梅花形,如图1-1-2所示。
当螺母和螺栓头的周围空间狭小,不能容纳普通扳手时, 就采用这种扳手。
梅花扳手常用的规格有:14 ~ 17mm 17— 19mm 22~ 24mm24〜27mm 30〜32mn 等。
图1-1-2梅花扳手示意图梅花扳手可以在扳手转角小于60°的情况下,一次一次地扭动螺母。
使用权用时一定要选配好规格,使用权被扭螺母和梅花扳手的规格尺寸相符,不能松动打滑,否则会将梅花菱角啃坏。
使用扳手时不能用加力杆,不能用手锤敲打扳手柄,扳手头的梅花沟槽内不能有污垢。
2 •套筒扳手当螺母或螺栓头的空间位置有限,用普通扳手不能工作时, 所示。
图1-1-3套筒扳手组成图使用套筒扳手的方法是:(1) 根据被扭件选规格,将扳手头套在被扭件上; (2) 根据被扭件所在位置大小选择合适的手柄;(3) 扭动前必须把手柄接头安装稳定才能用力,防止打滑脱落伤人;就需采用套筒扳手,如图1-1-30000丫衲(4)扭动手柄时用力要平稳,用力方向与补扭件的中心轴线垂直。
重负荷管割刀• RIDGID 重负荷管割刀可为最大至6英寸的钢管提供快速与质量的切割。
• 加固形刀架设计及加长手柄提供更为快速精准的切割。
• 高强度特种合金钢刀片,结实耐用。
单刀片/三刀片式重负荷管割刀• 可以手动和利用动力来快速、整齐地切割管道。
• 特长的导向套用以保护调整螺纹,加大的手柄便于快速方便地进行调节。
• 可将滚轮更换为割刀片,即变为三轮切管器。
2A和4S型切管器也可以定购三割刀片型切管器,以应用于无法作360°旋转之地使用。
型号:1-A & 2-A型号:3-S,4-S & 6-S宽滚轮式重负荷管割刀• 超宽滚轮的设计,非常适合于使用动力来切割管材。
• 超宽滚轮的设计还可以使刀片切割时轨迹不变,保证切口整齐。
绞接式重负荷管割刀• 用于厚壁钢管与铸铁管。
• 有11种型号可供选择,由于旋转角度小宜在狭窄空间下使用。
• 44-S 型拥有两个手柄,可以使两个人共同操作来切割较大直径的管子。
• 所有型号都配有4个重负荷型刀片。
型号:202型号:44-S型号:42-A铸铁管切管器RIDGID 为您提供切割水泥管和铸铁管的最佳工具,管径可由2"-8"。
226型铸铁管切管器• 结构紧凑,重量轻。
• 仅有43cm 长,是切割铸铁管、水泥管道的最佳工具,可在空间狭小的区域使用或在靠近墙壁的受限空间里使用。
• 226紧凑的链条和插销设计,保证了最大的切割效率。
238-P 型铸铁管切管器• RIDGID 238-P 型铸铁管切管器,能在狭窄空间里轻松快速切断最大至8''铸铁管。
• 可选不同动力源 – 可选用1.2''接口手枪钻或棘轮手柄。
• 切割范围大 – 使用手枪钻动力时可切割8''直径管道,使用手动棘轮手柄时可切割4''直径管道。
• 结构紧凑 – 手柄仅长11.5'',并可拆卸,刀片横截面窄,适合在狭窄区域进行操作。
切管机刀片有以下型号和规格:切割大口径薄壁厚(1-2.5mm)的管子选择型号为63100(HSS 63X1.35X16X100T)【大口径选择外径小的锯片、薄壁管选择齿小、多的锯片】切割大口径厚壁厚(2-7mm)的管子选择型号为6364(HSS 63X1.5X16X64T)【大口径选择外径小的锯片、薄壁管选择齿大、少的锯片】切割小口径厚壁厚(2-7mm)的管子选择型号为8044(HSS 80X2.0X16X44T)【小口径选择外径大的锯片、薄壁管选择齿大、少的锯片】切割小口径薄壁厚(1-2.5mm)的管子选择型号为8080(HSS 80X1.8X16X80T)【小口径选择外径大的锯片、薄壁管选择齿小、多的锯片】切割中间口径薄壁厚(1-2.5mm)的管子选择型号为6872(HSS 68X1.6X16X72T),(HSS 68X1.65X16X72T)切割中间口径厚壁厚(2-7mm)的管子选择型号为6844(HSS 68X1.8X16X44T),(HSS 68X1.8X16X44T) 注意事项厚管子选择齿大的齿少的刀片、薄管子选择齿多齿细的刀片小口径管子选择外径大的刀片、大口径管子选择外径小的刀片ExactV1000切管机(pipe cutter)超大型通风管道切割机切割范围为:75-1000mm。
切割管壁厚为:3mm。
ExactV1000切管机的详细介绍:ExactV1000切管机具有重量轻,易于携带和便于现场操作的功能。
你可以使用它切割钢铁,塑料,铜,铸铁,不锈钢和多层管。
公司已经成立40多年,我们的多种技术已处在世界领先地位,全球超过30多个国家和地区都有我们我们的用户,在众多客户的支持下,我们不断推出新产品,来满足不同客户的要求。
使用场合和范围:房屋建筑;船厂;汽车生产,工业管道设备,纸浆,造纸,化工,锅炉,水泵站等;工地淡水和废水系统;市政供暖和冷却系统;城市天然气管道;市政工程如医院,办公楼,建筑和大型公共建筑;维护和修理工作的中型和大型工业;发电站;安装公司,前集会在车间自动喷水灭火系统等;管道修理处理。