流程的标准格式
- 格式:doc
- 大小:46.00 KB
- 文档页数:3
车间生产流程卡一、引言生产流程卡是指在车间生产过程中,对每一个工序进行详细记录和管理的一种工具。
通过制定标准格式的生产流程卡,可以确保生产过程的规范化和高效化,提高产品质量和生产效率。
本文将详细介绍车间生产流程卡的标准格式和相关内容。
二、生产流程卡的标准格式1. 页眉信息生产流程卡的页眉应包含以下信息:- 公司名称:XXXX公司- 部门名称:生产部门- 流程卡编号:PC-2022-001- 产品名称:XXXX产品- 日期:2022年XX月XX日2. 产品信息生产流程卡的第一部份是产品信息,包括以下内容:- 产品名称:XXXX产品- 规格型号:XXXX型号- 批次号:XXXX批次- 计划生产数量:1000个- 实际生产数量:950个- 生产日期:2022年XX月XX日3. 工序信息生产流程卡的第二部份是工序信息,详细记录了产品的生产工序和流程。
每一个工序应包含以下内容:- 工序编号:001- 工序名称:XXXX工序- 工序要求:XXXX要求- 设备名称:XXXX设备- 操作人员:XXX工人- 生产时间:2022年XX月XX日 08:00-10:00- 生产数量:100个- 检验结果:合格- 备注:XXXX备注4. 质量控制生产流程卡的第三部份是质量控制信息,用于记录每一个工序的质量操纵情况。
包括以下内容:- 检验项目:XXXX项目- 检验标准:XXXX标准- 检验方法:XXXX方法- 检验结果:合格/不合格- 备注:XXXX备注5. 工时和产量统计生产流程卡的最后一部份是工时和产量统计,用于记录每一个工序的工时和产量情况。
包括以下内容:- 工序编号:001- 工序名称:XXXX工序- 实际生产数量:100个- 实际工时:2小时- 单位产量:50个/小时三、生产流程卡的使用方法1. 编制生产流程卡- 根据产品的生产工艺和流程,制定标准格式的生产流程卡。
- 填写产品信息、工序信息、质量控制信息和工时产量统计信息。
办公室流程模板
1. 流程名称:[具体流程名称]
2. 目的:[简要描述流程的目的和主要目标]
3. 范围:[说明流程适用的范围和相关部门/角色]
4. 主要步骤:
- 步骤 1:[详细描述第一步的具体操作和任务]
- 步骤 2:[继续描述后续步骤,直至完成整个流程]
- ...[依此类推,列出所有步骤]
5. 关键决策点:[指出流程中需要做出决策或判断的地方,并说明决策的标准或依据]
6. 输入和输出:[描述流程的输入信息和所需资源,以及流程的输出结果或产物]
7. 流程监控和控制:[说明如何对流程进行监控和控制,以确保流程的顺利进行和质量]
8. 异常处理:[描述在流程中出现异常情况时的处理步骤和程序]
9. 相关文档和记录:[列出与流程相关的文档、表格、记录等]
10. 培训和沟通:[说明对相关人员进行培训和沟通的要求,以确保他们了解和执行流程]
11. 审核和更新:[描述流程的审核频率和更新程序,以确保流程的有效性和适应性]
请注意,这只是一个示例模板,你可以根据具体的办公室流程进行调整和完善。
确保每个步骤和细节都被清晰描述,以确保流程的顺利运行和高效性。
物业管理安保管理流程图一、引言物业管理安保管理流程图是为了确保物业安全、维护住户权益而设计的一种管理工具。
本文将详细介绍物业管理安保管理流程图的标准格式和相关内容。
二、流程图标准格式物业管理安保管理流程图通常采用流程图的形式来展示,以下是其标准格式:1. 开始节点:用一个圆圈表示,标注为“开始”。
2. 输入/输出节点:用一个长方形表示,标注输入/输出的内容。
3. 流程节点:用一个长方形表示,标注具体的流程步骤。
4. 决策节点:用一个菱形表示,标注决策的条件。
5. 连接线:用箭头表示流程的先后顺序。
6. 结束节点:用一个圆圈表示,标注为“结束”。
三、物业管理安保管理流程图内容物业管理安保管理流程图包括以下内容:1. 报警处理流程:a. 开始:接到报警信息。
b. 确认报警:核实报警信息的真实性。
c. 联系住户:与住户联系确认情况。
d. 派遣安保人员:将安保人员派遣到现场进行处理。
e. 处理报警:安保人员根据具体情况采取相应措施。
f. 结束:报警处理完成。
2. 巡逻管理流程:a. 开始:安保人员开始巡逻。
b. 巡逻路线规划:确定巡逻路线和时间安排。
c. 巡逻记录:在巡逻过程中记录发现的问题和异常情况。
d. 异常处理:对发现的问题进行处理,如联系维修人员修理损坏设施。
e. 巡逻结束:巡逻任务完成。
3. 门禁管理流程:a. 开始:住户或者访客到达门禁处。
b. 身份验证:对住户或者访客进行身份验证。
c. 准入控制:根据身份验证结果决定是否准许进入。
d. 记录进出:记录住户或者访客的进出时间和目的。
e. 结束:门禁管理流程完成。
4. 突发事件处理流程:a. 开始:接到突发事件报告。
b. 确认事件:核实事件的真实性和严重程度。
c. 报告上级:向上级报告事件情况。
d. 紧急处置:根据事件的性质和严重程度采取紧急措施。
e. 通知住户:及时通知住户相关信息和应对措施。
f. 结束:突发事件处理完成。
四、总结物业管理安保管理流程图是物业管理中重要的管理工具,通过清晰地展示各项管理流程,可以匡助物业管理人员更好地组织和执行安保工作。
应急救援预案流程图应急救援预案流程图是指在突发事件发生时,为了保障人民的生命财产安全,组织和指挥救援行动的一种规范化的流程图。
下面将详细介绍应急救援预案流程图的标准格式及其内容。
一、应急救援预案流程图的标准格式应急救援预案流程图通常采用流程图的形式进行展示,以便清晰地展示各个环节的顺序和关联。
以下是应急救援预案流程图的标准格式:1. 标题:在流程图的顶部居中位置,写上“应急救援预案流程图”字样,字体为黑体,字号适中。
2. 流程图主体:流程图的主体部分是由多个环节组成的,每个环节之间通过箭头连接,形成流程的顺序。
每个环节使用矩形框表示,框内写上环节的名称,字体为宋体,字号适中。
箭头表示流程的方向,箭头从上到下或从左到右的方向。
3. 环节说明:在每个环节的下方或右侧,写上该环节的详细说明,包括该环节的具体操作步骤、所需资源和人员等。
说明文字使用宋体,字号适中。
4. 辅助图标:可以在流程图中添加一些辅助图标,以便更好地理解和辨识各个环节。
例如,火灾可以用火焰图标表示,医疗救援可以用医生图标表示,警察救援可以用警察图标表示等。
图标的大小和位置要与环节相匹配,以不影响整体的美观和清晰度为原则。
二、应急救援预案流程图的内容要求应急救援预案流程图的内容要根据实际情况进行编写,以下是一般情况下应包含的内容:1. 事件发生报告:当突发事件发生时,首先需要有人员及时向相关部门报告事件的发生,包括事件的性质、地点、规模等信息。
2. 事件评估:相关部门接到报告后,需要对事件进行评估,确定事件的紧急程度和影响范围。
评估结果将决定后续救援行动的优先级和资源调配。
3. 资源调配:根据事件的评估结果,相关部门需要及时调配相应的资源,包括人员、物资、设备等,以满足救援行动的需要。
4. 事故现场控制:在救援行动开始后,需要迅速将救援人员和物资送至事故现场,进行现场控制和处置。
这包括灭火、疏散人员、抢救伤员等操作。
5. 伤员救护:在事故现场控制后,需要对伤员进行救护和转运。
SOP标准作业流程模板一、背景介绍在任何组织或机构中,标准作业流程(SOP)都是非常重要的,它是一种流程化的指导文件,旨在确保在组织内的所有成员在执行特定任务或活动时遵循相同的流程和步骤。
SOP标准作业流程模板为制定SOP提供了标准化的格式和结构,使得SOP更加易于阅读、理解和执行。
二、SOP标准作业流程模板的组成部分1. 标题SOP标准作业流程模板中的标题应该简明扼要,能够清晰地反映SOP所涵盖的内容或主题。
2. 目的在SOP标准作业流程模板中,目的部分应明确说明制定该SOP的原因和目标,阐明这一SOP的重要性和意义。
3. 适用范围适用范围部分应明确指出此SOP适用的业务领域或工作范围,以确保SOP的正确应用和执行。
4. 定义在SOP标准作业流程模板中,定义部分应解释和阐明与此SOP相关的术语、缩写词或术语表述,以确保所有执行者对术语的理解一致。
5. 责任责任部分应清晰地列出涉及执行该SOP的各个部门或个人的责任和职责,确保各责任方明确自己在SOP中的定位和任务。
6. 流程在SOP标准作业流程模板中,流程部分应详细描述SOP的具体流程和步骤,确保每一个执行者都能按照正确的顺序和方法执行任务。
7. 相关文件相关文件部分应列出所有与此SOP有关的文档、表格或其他信息,以便执行者查阅和参考。
8. 修订记录修订记录部分应记录所有已对该SOP进行过修改或修订的历史信息,以保证SOP的时效性和可追溯性。
三、总结SOP标准作业流程模板是制定SOP的重要工具,它为SOP的内容和格式提供了规范和标准,有助于提高SOP的可读性和实用性。
通过遵循SOP标准作业流程模板,组织能够更加有效地管理和执行工作流程,提高工作效率和质量。
工作流程的格式及范文下载温馨提示:该文档是我店铺精心编制而成,希望大家下载以后,能够帮助大家解决实际的问题。
文档下载后可定制随意修改,请根据实际需要进行相应的调整和使用,谢谢!并且,本店铺为大家提供各种各样类型的实用资料,如教育随笔、日记赏析、句子摘抄、古诗大全、经典美文、话题作文、工作总结、词语解析、文案摘录、其他资料等等,如想了解不同资料格式和写法,敬请关注!Download tips: This document is carefully compiled by theeditor. I hope that after you download them,they can help yousolve practical problems. The document can be customized andmodified after downloading,please adjust and use it according toactual needs, thank you!In addition, our shop provides you with various types ofpractical materials,such as educational essays, diaryappreciation,sentence excerpts,ancient poems,classic articles,topic composition,work summary,word parsing,copy excerpts,other materials and so on,want to know different data formats andwriting methods,please pay attention!工作流程格式:1. 流程名称:清晰地描述工作流程的主题。
2. 目的:说明该流程的目标和意义。
生产计划流程图生产计划流程图是一个用于指导企业生产活动的工具,它通过图形化的方式展示了生产计划的各个环节和流程,帮助企业进行生产安排和资源调配。
下面将详细介绍生产计划流程图的标准格式及其内容要求。
一、生产计划流程图的标准格式生产计划流程图通常采用流程图的形式进行呈现,具有清晰、简洁、易于理解的特点。
标准格式包括以下几个要素:1. 标题:生产计划流程图的标题应明确反映其内容,简洁明了,方便读者快速了解图表的主题。
2. 图例:图例是用来解释图表中使用的符号和线条的含义,使读者能够准确理解图表的含义。
3. 节点:节点是生产计划流程图中的关键步骤或决策点,通常用圆圈或方框表示。
每个节点应标明名称和编号,以便于读者理解和参考。
4. 线条:线条用来表示生产计划流程中的流动或连接关系,通常用箭头表示流向。
每个线条应标明名称和说明,以便于读者理解和跟踪。
5. 文本说明:图表中可以包含一些文本说明,用于进一步解释节点或线条的含义,以便读者更好地理解整个流程。
二、生产计划流程图的内容要求生产计划流程图的内容应准确反映企业的生产计划流程,包括以下几个方面:1. 初始需求评估:生产计划流程的第一个节点通常是初始需求评估,用于评估市场需求和产品销售预测,确定生产计划的基础。
2. 生产资源评估:在初始需求评估的基础上,进行生产资源评估,包括设备、人力、原材料等资源的评估,以确定生产计划的可行性和资源需求。
3. 生产计划制定:根据需求评估和资源评估的结果,制定具体的生产计划,包括生产数量、生产周期、生产批次等。
4. 生产排程:根据生产计划,进行生产排程,确定每个生产任务的开始时间、结束时间和生产顺序,以确保生产进度的合理安排。
5. 原材料采购:根据生产计划和生产排程,进行原材料的采购工作,确保原材料的供应和库存的控制。
6. 生产执行:根据生产排程,进行生产任务的执行,包括生产设备的调度、人员的安排和生产过程的控制等。
7. 生产监控:对生产过程进行监控和控制,及时发现和解决生产中的问题,确保生产进度和质量的达标。
流程编写标准
流程编写一般遵循以下标准:
1. 清晰明确:流程内容应该清晰明确,能够让读者理解其中每个步骤以及他们之间的关系。
使用简单易懂的语言,避免术语和缩写的过度使用,同时尽量避免歧义和模糊的描述。
2. 逻辑严谨:流程步骤之间应该具有合理的逻辑顺序,确保流程能够按照正确的顺序进行。
步骤之间的依赖关系也应该明确表达,以便读者能够理解流程的执行顺序。
3. 简洁明了:避免在流程中包含无关的或冗余的信息,只保留必要的步骤和指导。
使用简短、简洁的语言表达每个步骤,避免冗长的叙述。
4. 可操作性:流程中的每个步骤都应该能够实际操作,避免含糊不清或无法操作的指示。
提供必要的细节,以便执行人员能够按照流程进行相关操作。
5. 格式整齐:流程应该使用统一的格式和排版,保持整体的可读性。
使用标题、编号、分块等方式来组织流程的结构,使之更易于阅读和理解。
6. 勘误和更新:如果流程内容需要修改或更新,应该及时进行勘误和更新,并通知相关人员。
流程应该定期进行审查和更新,以确保其与实际操作的一致性。
7. 监控和反馈:建立流程执行的监控机制,并提供反馈渠道,以便能够及时发现流程中存在的问题并进行改进。
监控机制可以包括数据收集、评估和定期审查等方式。
质量控制流程图一、引言质量控制流程图是指在产品或者服务的生产过程中,为了确保产品或者服务的质量符合标准要求,所制定的一系列控制措施和流程。
本文将详细介绍质量控制流程图的标准格式及其内容要求。
二、质量控制流程图的标准格式质量控制流程图通常采用流程图的形式进行展示,其标准格式如下:1. 流程图标题:在流程图的顶部中央位置,标明流程图的标题,以清晰地表达流程图的主题。
2. 流程图符号:质量控制流程图中使用的符号应符合国际通用的标准符号,以确保流程图的可读性和易理解性。
常用的符号包括开始/结束符号、流程步骤符号、判断符号、连接线符号等。
3. 流程步骤:在流程图中,每一个流程步骤应以清晰简洁的文字描述和对应的符号表示。
每一个步骤应按照流程的先后顺序进行罗列,以展示整个质量控制流程的逻辑关系。
4. 判断条件:在流程图中,如果存在需要进行判断的条件,应使用判断符号表示,并在符号内部清晰地描述判断条件。
判断条件的结果应包括两个分支,即“是”和“否”,分别对应不同的流程走向。
5. 连接线:流程图中的连接线应准确地连接各个流程步骤,以表达流程之间的逻辑关系。
连接线应使用箭头标识流程的走向,并确保箭头指向正确的流程步骤。
6. 说明文本框:在流程图的适当位置,可以添加说明文本框,用于对流程图中的某些步骤或者符号进行解释和补充说明。
说明文本框的内容应简明扼要,以增加流程图的可读性和易理解性。
三、质量控制流程图的内容要求质量控制流程图的内容要求主要包括以下几个方面:1. 流程步骤:质量控制流程图应准确地展示质量控制的各个步骤,包括质量计划、质量检测、质量分析、质量改进等。
每一个步骤应以清晰简洁的文字描述和对应的符号表示,以确保流程的准确性和易理解性。
2. 质量指标:在流程图中,应明确标明每一个质量控制步骤所涉及的质量指标。
质量指标应具体、可衡量,并符合相关的标准要求。
质量指标的设定应基于产品或者服务的特性和客户需求。
3. 质量控制方法:质量控制流程图应清晰地展示每一个质量控制步骤所采用的质量控制方法。
流程的格式及范文一、食材准备。
1.1 首先呢,咱得选一块上好的五花肉。
这五花肉啊,得是肥瘦相间的,就像那太极图似的,一层肥一层瘦,那才是做红烧肉的绝佳材料。
要是全是瘦的啊,吃起来就柴得很,全是肥的又腻得慌。
这就好比找对象,得找个合适的才好呢。
1.2 接着,准备好葱姜蒜这些小配料。
葱要那种大葱,切段就行,姜呢,切个几片,蒜也来个几瓣。
这就好比一个团队,虽然主角是五花肉,但是这些小配料也不可或缺,缺了它们就少了那股子香味。
二、前期处理。
2.1 把选好的五花肉洗干净喽,可不能马虎。
然后切成大小均匀的方块。
这切肉可是个技术活,不能太大,太大了不容易入味,也不能太小,太小了一煮就没了,这就叫恰到好处。
就像做人做事,过犹不及啊。
2.2 切好的肉块冷水下锅,再放入几片姜片和一点料酒。
这料酒可是去腥的好东西,就像给肉来个小净化似的。
冷水下锅是为了把肉里的血水慢慢煮出来,要是热水下锅啊,肉一下子就被烫熟了,血水就出不来了,那做出来的肉就会有腥味,这就像做事要循序渐进,不能急于求成。
2.3 等水开了,把浮沫撇去,然后把肉捞出来,用热水再冲洗一下。
这时候的肉啊,已经初步处理好了,就等着下锅大展身手啦。
三、烹饪过程。
3.1 锅里放一点油,油热了之后把葱姜蒜放进去炒香。
那香味一下子就出来了,就像放鞭炮似的,“噼里啪啦”地弥漫在厨房里。
然后把焯好水的肉放进去翻炒,这时候你就会看到肉慢慢变色,从原来的粉红色变成了白色,再慢慢有点微黄。
这就像给肉换了一身新衣裳似的。
3.2 接着加入生抽、老抽、冰糖、八角、桂皮等调料。
冰糖可是红烧肉上色的关键,放进去之后啊,小火慢慢炒,让冰糖融化,把肉裹上一层漂亮的焦糖色。
这就像给肉化个妆,让它变得更诱人。
然后加入适量的热水,没过肉块就好。
大火烧开之后转小火慢炖,这小火慢炖就像培养感情一样,得慢慢来。
炖个一个小时左右,直到肉变得软糯,汤汁也变得浓稠。
这时候的红烧肉啊,那味道真是香得不得了,满屋子都是肉香,就像勾魂儿似的,让人忍不住流口水。
质量控制流程单一、引言质量控制流程单是为了确保产品或者服务的质量达到预期标准而制定的一种标准化文件。
本文将详细介绍质量控制流程单的标准格式及其内容要求。
二、流程单的格式1. 标题:在文档的顶部居中位置,使用粗体字体,清晰地标明“质量控制流程单”字样。
2. 编号:在标题下方,右对齐位置,标明流程单的编号,以便于追踪和管理。
3. 日期:在编号下方,右对齐位置,标明流程单的编制日期,以确保流程单的时效性。
4. 版本:在日期下方,右对齐位置,标明流程单的版本号,以便于对流程单进行更新和管理。
5. 作者:在版本下方,右对齐位置,标明流程单的编制人员,以便于沟通和协作。
三、流程单的内容要求1. 质量目标:明确产品或者服务的质量目标,例如达到99%的合格率或者降低5%的缺陷率。
2. 流程描述:详细描述质量控制的流程步骤,包括质量控制的起始点、中间环节和结束点。
3. 责任人:明确每一个流程步骤的责任人,以确保质量控制的责任和权力明确。
4. 输入要求:描述每一个流程步骤所需的输入要求,例如原材料的规格、工艺文件的准确性等。
5. 输出要求:描述每一个流程步骤的输出要求,例如产品的合格报告、服务的满意度调查等。
6. 控制措施:列出每一个流程步骤中需要采取的控制措施,例如使用检测设备、进行抽样检验等。
7. 检验方法:描述每一个流程步骤中所需的检验方法,例如目测检查、物理测试等。
8. 纠正措施:明确每一个流程步骤中浮现问题时的纠正措施,例如停机维修、返工等。
9. 记录要求:说明每一个流程步骤中需要记录的内容,例如检验结果、问题描述等。
10. 审核要求:描述每一个流程步骤中需要进行审核的内容,例如工艺文件的审核、产品的审核等。
四、流程单的编制和使用1. 编制:流程单的编制应由质量管理部门或者质量控制人员负责,确保流程单的准确性和完整性。
2. 审核:流程单应经过相关部门或者人员的审核,以确保流程的合理性和可行性。
3. 发布:经过审核的流程单应及时发布,并通知相关人员进行使用和执行。
质量控制流程单一、流程单概述质量控制流程单是一种用于记录和管理质量控制流程的标准文档。
它详细描述了质量控制的各个阶段、步骤和相关要求,旨在确保产品或服务的质量符合预期标准。
本文将详细介绍质量控制流程单的标准格式,包括流程单的标题、编号、版本控制、编制人、审核人、批准人、有效性和修订记录等内容。
二、标准格式1. 流程单标题质量控制流程单的标题应简明扼要地描述所涉及的质量控制流程。
例如:"产品质量控制流程单"。
2. 流程单编号每个质量控制流程单应具有唯一的编号,以便于识别和管理。
编号应具有一定的规律和层次结构,例如:"QCP-2021-001",其中"QCP"代表质量控制流程,"2021"代表年份,"001"代表流程单的序号。
3. 版本控制质量控制流程单应进行版本控制,以确保使用的是最新版本。
版本号应以数字形式表示,例如:"V1.0"。
每次对流程单进行修改时,应更新版本号,并记录在修订记录中。
4. 编制人、审核人、批准人质量控制流程单应明确编制人、审核人和批准人的身份和职责。
编制人负责起草流程单的内容,审核人负责对流程单进行审核,批准人负责最终批准流程单的发布和实施。
5. 有效性质量控制流程单应明确流程单的有效期限。
有效期限可以根据实际情况进行设定,例如:"有效期为一年,自发布之日起"。
在有效期过期之前,应及时对流程单进行评估和修订,以确保其与实际质量控制流程的一致性。
6. 修订记录质量控制流程单的修订记录应详细记录每次对流程单进行修改的内容和日期。
修订记录应包括修订版本号、修订日期、修订内容和修订人等信息。
修订记录的目的是跟踪流程单的演变过程,以便于追溯和管理。
三、示例内容标题:产品编号:QCP-2021-001版本控制:V1.0编制人:张三审核人:李四批准人:王五有效性:有效期为一年,自发布之日起修订记录:- V1.0,2021年01月01日,初始版本,张三- V1.1,2021年03月15日,修订了流程步骤3,李四- V1.2,2021年07月10日,修订了流程步骤5,王五四、总结质量控制流程单是一种用于记录和管理质量控制流程的标准文档。
sop标准化格式模板SOP标准化格式模板。
一、背景介绍。
SOP(Standard Operating Procedure)即标准操作程序,是一种详细描述组织内部运作流程的文件,旨在确保工作的标准化和规范化。
SOP的编写对于组织内部的管理和运作至关重要,它可以帮助员工明确工作流程,提高工作效率,降低错误率,确保产品质量和服务质量。
二、编写目的。
SOP的编写目的在于规范组织内部的工作流程,明确各项工作的步骤和标准,保证工作的稳定性和可控性。
通过SOP的制定,可以使员工在工作中更加规范、高效地进行操作,提高工作质量和效率。
三、适用范围。
本SOP适用于公司内部各部门的工作流程,包括但不限于生产制造、质量控制、采购管理、人力资源等各个方面。
四、SOP编写要求。
1. SOP的编写应当遵循一定的格式和规范,确保内容的清晰易懂,逻辑严谨。
2. SOP的内容应当尽可能详细全面,包括工作流程、操作步骤、注意事项等。
3. SOP应当定期进行修订和更新,以确保其与实际工作流程的一致性。
五、SOP编写步骤。
1.明确编写目的,在编写SOP之前,首先要明确编写的目的和范围,明确需要规范化的工作流程。
2.调研分析,对需要编写SOP的工作流程进行调研分析,了解各个环节的具体操作步骤和要求。
3.撰写内容,根据调研分析的结果,开始撰写SOP的具体内容,包括工作流程、操作步骤、注意事项等。
4.内部审批,完成SOP的撰写后,需要进行内部审批,确保SOP的内容准确无误。
5.培训推广,完成SOP的审批后,需要对员工进行相关培训,推广SOP的使用,确保员工能够按照SOP的要求进行工作。
六、SOP编写注意事项。
1.清晰明了,SOP的内容应当清晰明了,避免出现歧义和误解。
2.简洁规范,SOP的语言应当简洁规范,避免出现冗长和复杂的描述。
3.及时更新,SOP应当定期进行修订和更新,以确保其与实际工作流程的一致性。
4.合理有效,SOP的内容应当合理有效,能够真实反映工作流程和要求。
流程的格式流程的格式:一、引言二、目的三、时间四、地点五、主要步骤六、结束引言:在工作和生活中,我们经常需要按照一定的顺序和步骤来完成一项任务。
为了更好地组织和管理这些任务,流程的格式被广泛应用。
流程的格式通常由引言、目的、时间、地点、主要步骤和结束几个部分组成。
目的:流程的格式的主要目的是为了指导和规范一项任务的执行过程,确保任务按照正确的步骤和顺序进行,从而提高工作效率和质量,并减少出错的可能性。
时间:在流程的格式中,时间是一个重要的因素,它指明了任务从开始到结束所需要的时间。
时间的设定应该尽量合理,既不能过长以致于造成资源的浪费,也不能过短以致于影响任务的完成质量。
地点:地点是指任务的执行场所。
在流程的格式中,地点的设定是为了保证任务能够在正确的地点进行,从而避免因为地点不当而导致任务无法完成或者出现问题。
主要步骤:主要步骤是流程的核心部分,它一般由若干个步骤组成,每个步骤都是任务执行的关键。
在流程的格式中,主要步骤应该被清晰地描述出来,每个步骤的执行顺序和具体操作都应该被明确说明,以确保任务能够按照正确的步骤和顺序进行。
结束:在流程的格式中,结束部分是对任务执行的总结和评估。
在结束部分,应该对任务的执行过程进行回顾和评价,总结任务的完成情况和存在的问题,并提出改进措施,以便在下次执行类似任务时能够更加高效和顺利地完成。
总结:流程的格式是一种重要的工作管理工具,它可以帮助我们组织和管理任务的执行过程,确保任务按照正确的步骤和顺序进行,提高工作效率和质量。
在使用流程的格式时,应该合理设定时间和地点,清晰描述主要步骤,并在结束部分对任务的执行过程进行总结和评估,以提高工作效果和效率。
车间生产流程卡一、引言车间生产流程卡是指在生产过程中用于记录和指导车间操作流程的一种工具。
它详细描述了产品的生产步骤、工艺参数、质量要求等信息,以确保生产过程的标准化和规范化。
本文将介绍车间生产流程卡的标准格式及其内容要求。
二、标准格式车间生产流程卡的标准格式包括以下几个部份:1. 产品信息- 产品名称:XX产品- 产品编号:XX-001- 产品规格:XX规格- 批次号:XX-2022-0012. 工艺流程- 工艺步骤:将产品的生产过程划分为若干个工艺步骤,按照顺序进行罗列。
- 工艺参数:对每一个工艺步骤,列出所需的工艺参数,如温度、压力、时间等。
- 工艺要求:对每一个工艺步骤,列出所需的工艺要求,如操作技能、设备要求等。
3. 检验要点- 检验项目:列出需要进行检验的项目,如外观检查、尺寸测量等。
- 检验方法:对每一个检验项目,说明具体的检验方法和要求。
- 检验标准:对每一个检验项目,列出合格的标准要求。
4. 质量控制- 质量控制点:在生产过程中,标明需要进行质量控制的关键点。
- 质量控制方法:对每一个质量控制点,说明具体的质量控制方法和要求。
5. 安全注意事项- 安全要求:列出在生产过程中需要注意的安全事项,如佩戴防护设备、操作规范等。
6. 记录和签名- 记录表格:为每一个工艺步骤提供记录表格,用于记录实际操作情况、检验结果等。
- 签名要求:要求操作人员在每一个工艺步骤完成后签名确认。
三、内容要求车间生产流程卡的内容要求如下:1. 精确明确的工艺步骤:对产品的生产过程进行细致划分,确保每一个工艺步骤都能被准确执行。
2. 准确的工艺参数和要求:对每一个工艺步骤,提供准确的工艺参数和要求,确保操作人员能够按照要求进行操作。
3. 明确的检验项目和方法:列出需要进行检验的项目,并提供准确的检验方法和要求,以确保产品质量符合标准。
4. 清晰的质量控制点和方法:标明需要进行质量控制的关键点,并提供具体的质量控制方法和要求,以确保产品质量稳定可靠。
办公室工作流程图一、引言办公室工作流程图是指将办公室内各项工作按照一定的顺序和流程进行规划和展示的图表。
通过工作流程图,可以清晰地了解办公室内各项工作的流程和关联,提高工作效率和协作能力。
本文将详细介绍办公室工作流程图的标准格式,包括图表的结构、内容和数据的编写方法。
二、办公室工作流程图的标准格式办公室工作流程图通常包括以下几个部分:开始节点、工作节点、决策节点、结束节点和箭头。
1. 开始节点:表示工作流程的起点,通常用圆形或椭圆形表示,并在内部写明“开始”字样。
2. 工作节点:表示具体的工作步骤,通常用矩形或长方形表示,并在内部写明工作的名称。
3. 决策节点:表示需要进行决策的环节,通常用菱形表示,并在内部写明决策的条件。
4. 结束节点:表示工作流程的终点,通常用圆形或椭圆形表示,并在内部写明“结束”字样。
5. 箭头:表示工作流程的流向,箭头从一个节点指向另一个节点,表示工作的先后顺序。
三、办公室工作流程图的内容编写方法办公室工作流程图的内容编写方法主要包括以下几个步骤:1. 确定工作流程:根据办公室的实际情况,确定需要展示的工作流程,包括各项工作的先后顺序和关联关系。
2. 标识开始节点和结束节点:根据确定的工作流程,在图表中标识开始节点和结束节点,并在内部写明相应的文字。
3. 标识工作节点:根据确定的工作流程,在图表中标识工作节点,并在内部写明相应的工作名称。
4. 标识决策节点:根据确定的工作流程,在图表中标识决策节点,并在内部写明相应的决策条件。
5. 连接节点:根据确定的工作流程,使用箭头将各个节点连接起来,表示工作的先后顺序。
四、办公室工作流程图的数据编写方法办公室工作流程图的数据编写方法主要包括以下几个步骤:1. 标识节点编号:为了方便对工作流程进行管理和查找,可以为每个节点标识一个唯一的编号。
2. 编写节点说明:在每个节点旁边,可以编写相应的说明文字,用于解释该节点的具体工作内容或决策条件。
文件格式规定
1 目的
使本公司管理文件格式统一、规范。
2范围
适用于本公司所有管理文件的编制。
3职责
文控部门负责文件格式的审核。
4内容和要求
4.1页面设置为:上下边宽为2.4cm,左边宽为2.3cm,右边宽为2.3cm,页眉距边界2.0 cm,页脚距边界1.5 cm。
4.2版面设置
4.2.1每页均有页眉、页脚,页眉为公司标志及文件编号,页脚为自动生成页码,页眉、页脚格式见本文件页眉、页脚。
4.2.2 首页:正文第一行空行(五号字体),空行后为文件名;最后一行为发布日期和实施日期,并有上划线,倒数第二行空行;具体格式及内容见本文件。
4.2.3 末页:正文结束加终止符“”,终止符单独占一行,长度为页面的1/4并居中,终止符后应有附加说明。
具体格式及内容见本文件。
4.2.4字体:正文字体采用五号宋体字,文件名称为三号黑体并加粗,条款号与标题为五号黑体并加粗;文字与条款号间空一格。
4.2.5文件条款以三位数字为限,若有更具体内容需区分,则用小写英文字母和带圈的数字作为区别。
4.2.6行距为1.5倍,段间距为零。
4.2.7对已有的文件或表格可直接引用,但必须写明引用文件和表格的名称,引用文件和表格的名称要有书名号。
4.3文件内容:1 目的,2范围,3职责,4内容与要求,5相关文件,6相关记录,7附件
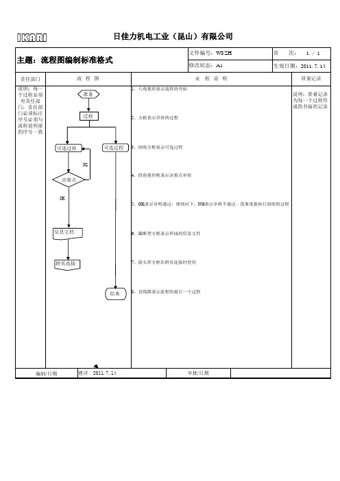
4.4文件的“内容和要求”可以用条款、流程图、流程图与条款混排三种表达方式。
4.4.1 文件的“内容和要求”用条款表达的文件格式:(见示例1)
4.4.2 文件的“内容和要求”全部用流程图表示的文件格式:(见示例2)
a)符号说明:
过程流向开始和结束活动
b)页面设置和版面设置与4.1、4.2同;
c)流程图图表为三列两行,三列为:流程图、说明、职责,其中流程图占版面12/44,说明占26/44,
职责占6/44。
第一行行高为最小值;
d)说明与流程图的活动对应,责任人与说明一一对应。
4.4.3文件的“内容和要求”用条款与流程图混合表示的格式:(见示例3)。
附:示例1
1目的XXXXXXXXXXXXXXXXXXXXXXXXXXXXXXXXXXXXXXXXXXXXXXXXXXXXXXXXXXX 2范围XXXXXXXXXXXXXXXXXXXXXXXXXXXXXXXXXXXXXXXXXXXXXXXXXXXXXXXXX XXXXXXXXXXXXXXXXXXXXXXXX
3职责
3.1XXXXXXXXXXXXXXXXXXXXXXXXXXXXXXXXXXXXXXXXXXXXXXX
3.2XXXXXXXXXXXXXXXXXXXXXXXXXXXXXXXXXXXXXXXXXXXXXXX
4 内容与要求
4.1XXXXXXXXXXXXXXX
4.1.1XXXXXXXXXXXXXXXXXXXXXXXXXXXXXXXXXXXXXXXXXXXXXXX
4.1.2 XXXXXXXXXXXXXXXXXXXXXXXXXXXXXXXXXXXXXXXXXXXXXXXXXXXXXXXXX XXXXXXXXXXXXXXXXXXX
a) XXXXXXXXXXXXXXXXXXXXXXXXXXXXXXXXXXXXXXXXXXXXXXXXXXXXXXXXXX
XXXXXXXXXXXXXXXXXXXXXXXXX
b) XXXXXXXXXXXXXXXXXXXXXXXXXXXXXXXXXXXXXXXXXXXXXXXXXXXXXX
①XXXXXXXXXXXXXXXXXXXXXXXXXXXXXXXXXXXXXXXXXXXXXXXXXXXXXX
②XXXXXXXXXXXXXXXXXXXXXXXXXXXXXXXXXXXXXXXXXXXXXXXXXXXXXXXXX
XXXXXXXXXXXXXXX
示例2: 4 内容和要求
示例3: 4 内容和要求
4.1 XXXXXXXXXXXXXXXXXXXXXXXXXXXXXXXXXXXXXXXXXXXXXXXXX 4.2
4.2.1 XXXXXXXXXXXXXXXXXXXXXXXXXXXXXXXXXXXXXXXXXXXXXXXXXXXXXXXXX 4.2.2 XXXXXXXXXXXXXXXXXXXXXXXXXXXXXXXXX
XX XX XX X。