(整理)485典型电路.
- 格式:doc
- 大小:69.50 KB
- 文档页数:6
典型接口电路EMC设计一、以太网接口EMI设计100M网口设计时必须设计Bob smith 电路:可以产生10dB的共模EMI衰减,为了更好的抑制共模信号通过线缆对外的辐射应注意下面几点:1 、不用的RJ45管脚4 、5、7、8按下图的方法处理。
2 、物理芯片侧的变压器中心抽头需通过0.01uF-0.1uF的电容接地。
3 、物理芯片侧的差模电阻(收端)应等分为二(100分为两个49.9),中心点通过1000pF 电容接地。
以太网口Bob smith电路原理图以82559为例说明网口设计PCB注意点,布局如下:以太网口布局示意图A、B要求尽量短,A不得超过1英寸,B可以根据实际情况放宽。
接口变压器PCB设计如下:以太网口变压器布局示意图布局要求:PCB布局示意图布线要求:1、变压器下面全部掏空处理,其余隔离带的宽度大于100mil;2、连接器与隔离变压器之间距离小于1000mil;3、晶振距离接口变压器和板边大于1000mil;4、灯线不要走到变压器下面,并且尽量不要与差分信号线同层走线,如果同层走线,需要与差分信号线相距30mil以上;5、差分信号线与变压器输出侧的过孔距离大于40mil。
二、以太网口的防护设计加防护电路的设计:增加防护器件电路原理图以上器件选型要求:1、变压器要选用隔离耐压3000Vac要求的。
2、气体放电管尽量选用3端气体放电管,启动电压为90V的;3、TVS管选用SLV2.8-4;三、485接口电路设计对于出户外的485端口,进行如下设计,采取气体放电管加TVS管加限流电阻组合方式。
选用90V陶瓷管(3R090)可承受10/700us,8KV雷击测试;64V固体管(P0640)只能承受10/700us,3KV雷击测试 。
TVS的选择为P6KE6.8CA ,去耦电阻选择为10Ω/1W 。
485隔离芯片参考电路485隔离芯片参考电路是一种常用于工业自动化领域的电子设备,用于解决信号隔离和传输过程中的干扰问题。
本文将介绍485隔离芯片参考电路的原理、组成部分以及应用。
1.原理485隔离芯片参考电路基于RS-485通信标准,采用差分传输方式来抵抗干扰。
其主要原理是通过差分传输,将信号分为两路正负极性相反的信号进行传输。
在发送端,芯片接收到逻辑信号后将其转换成差分信号,并通过输出端口发送到接收端。
在接收端,芯片将接收到的差分信号转换为逻辑信号,以达到数据的传输和隔离。
2.组成部分485隔离芯片参考电路主要包括发送端、接收端和隔离部分。
其中,发送端包括发送器、驱动器和电路保护部分;接收端包括接收器、解码器和电路保护部分;隔离部分包括隔离变压器和隔离器。
2.1发送端发送信号经过发送器引脚输入到驱动器,驱动器将逻辑信号转换为差分信号,并通过电路保护部分对信号进行电气保护,防止过压和过流。
2.2接收端接收端接收到差分信号后,经过电路保护部分进行电气保护,然后通过接收器将差分信号转换为逻辑信号,再经过解码器将逻辑信号转换为数据信号。
2.3隔离部分隔离部分主要由隔离变压器和隔离器组成。
隔离变压器用于实现信号的电气隔离,阻断信号的传导路径,降低传导干扰。
隔离器用于传输隔离的数据信号,实现信号的逻辑隔离。
3.应用485隔离芯片参考电路广泛应用于工业自动化领域,例如工业控制系统、仪器仪表、电力监测、通信设备等。
其主要优势包括:3.1抗干扰能力强485隔离芯片参考电路采用差分传输方式,具有抗干扰能力强的特点。
差分传输将信号分为两路正负极性相反的信号进行传输,可以减少干扰对信号的影响。
3.2传输距离远485隔离芯片参考电路能够实现较长距离的信号传输。
485通信标准规定了最大传输距离为1200米,能够满足工业自动化领域对信号传输的要求。
3.3多设备共享总线485隔离芯片参考电路支持多设备共享总线,能够实现多个设备之间的数据传输和通信。
RS485收发的3种典型电路-重点-自动收发电路三种常用电路如下:1、基本的RS485电路上图是最基本的RS485电路,R/D为低电平时,发送禁止,接收有效,R/D 为高电平时,则发送有效,接收截止。
上拉电阻R7和下拉电阻R8,用于保证无连接的SP485R芯片处于空闲状态,提供网络失效保护,提高RS485节点与网络的可靠性,R7,R8,R9这三个电阻,需要根据实际应用改变大小,特别是使用120欧或更小的终端电阻时,R9就不需要了,此时R7,R8使用680欧电阻。
正常情况下,一般R7=R8=4.7K,R9不要。
图中钳位于6.8V的管V4,V5,V6,都是为了保护RS485总线的,避免受外界干扰,也可以选择集成的总线保护原件。
另外图中的L1,L2,C1,C2为可选安装原件,用于提高电路的EMI性能.2、带隔离的RS485电路根本原理与基本电路的原理相似。
使用DC-DC器件可以产生1组与微处理器电路完全隔离的电源输出,用于向RS485收发器提供+5V电源。
电路中的光耦器件速率会影响RS485电路的通信速率。
上图中选用了NEC 的光耦PS2501,受其影响,该电路的通讯速率控制在19200bps下。
3、自动切换电路上图中,TX,RX引脚均需要上拉电阻,这一点特别重要。
接收:默认没有数据时,TX为高电平,三极管导通,RE为低电平使能,RO收数据有效,MAX485为接收态。
发送:发送数据1时,TX为高电平时,三极管导通,DE为低电平,此时收发器处于接收状态,驱动器就变成了高阻态,也就是发送端与A\B 断开了,此时A\B之间的电压就取决于A\B的上下拉电阻了,A为高电平、B为低电平,也就成为了逻辑1了。
发送数据0时,TX为低电平,三极管截止,DE为高电平,驱动器使能,此时正好DI是接地的,也就是低电平,驱动器也就会驱动输出B 为1,A为0,也就是所谓的逻辑0了。
理解自收发的作用,关键是要理解RE和DE的作用,尤其是DE为0时,驱动器与A\B之间就是高阻态,也就是断开状态,而且A\B都要有上下拉电阻。
光电隔离RS485典型电路一、RS485总线介绍RS485总线是一种常见的串行总线标准,采用平衡发送与差分接收的方式,因此具有抑制共模干扰的能力。
在一些要求通信距离为几十米到上千米的时候,RS485总线是一种应用最为广泛的总线。
而且在多节点的工作系统中也有着广泛的应用。
二、RS485总线典型电路介绍RS485电路总体上可以分为隔离型与非隔离型。
隔离型比非隔离型在抗干扰、系统稳定性等方面都有更出色的表现,但有一些场合也可以用非隔离型。
我们就先讲一下非隔离型的典型电路,非隔离型的电路非常简单,只需一个RS485芯片直接与MCU的串行通讯口和一个I/O控制口连接就可以。
如图1所示:图1、典型485通信电路图(非隔离型)当然,上图并不是完整的485通信电路图,我们还需要在A线上加一个的上拉偏置电阻;在B 线上加一个的下拉偏置电阻。
中间的R16是匹配电阻,一般是120Ω,当然这个具体要看你传输用的线缆。
(匹配电阻:485整个通讯系统中,为了系统的传输稳定性,我们一般会在第一个节点和最后一个节点加匹配电阻。
所以我们一般在设计的时候,会在每个节点都电阻,至于用还是不用,由现场人员来设定。
当然,具体怎么区分120Ω设置一个可跳线的.第一个节点还是最后一个节点,还得有待现场的专家们来解答呵。
)TVS我们一般选用的,这个我们会在后面进一步的讲解。
RS-485标准定义信号阈值的上下限为±200mV。
即当A-B>200mV时,总线状态应表示为“1”;当A-B<-200mV时,总线状态应表示为“0”。
但当A-B在±200mV之间时,则总线状态为不确定,所以我们会在A、B线上面设上、下拉电阻,以尽量避免这种不确定状态。
三、隔离型RS485总线典型电路介绍在某些工业控制领域,由于现场情况十分复杂,各个节点之间存在很高的共模电压。
虽然RS-485接口采用的是差分传输方式,具有一定的抗共模干扰的能力,但当共模电压超过RS-485接收器的极限接收电压,即大于+12V或小于-7V时,接收器就再也无**常工作了,严重时甚至会烧毁芯片和仪器设备。
查看文章RS485应用电路图2007年11月06日星期二下午 11:24摘要:就485总线应用中易出现的问题,分析了产生的原因并给出解决问题的软硬件方案和措施。
关键词:RS-485总线、串行异步通信1、问题的提出在应用系统中,RS-485半双工异步通信总线是被各个研发机构广泛使用的数据通信总线,它往往应用在集中控制枢纽与分散控制单元之间。
系统简图如图1所示。
图1. RS-485系统示意图由于实际应用系统中,往往分散控制单元数量较多,分布较远,现场存在各种干扰,所以通信的可靠性不高,再加上软硬件设计的不完善,使得实际工程应用中如何保障RS-485总线的通信的可靠性成为各研发机构的一块心病。
在使用RS-485总线时,如果简单地按常规方式设计电路,在实际工程中可能有以下两个问题出现。
一是通信数据收发的可靠性问题;二是在多机通信方式下,一个节点的故障(如死机),往往会使得整个系统的通信框架崩溃,而且给故障的排查带来困难。
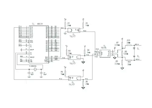
针对上述问题,我们对485总线的软硬件采取了具体的改进措施2、硬件电路的设计现以8031单片机自带的异步通信口,外接75176芯片转换成485总线为例。
其中为了实现总线与单片机系统的隔离,在8031的异步通信口与75176之间采用光耦隔离。
电路原理图如图2所示。
图 2 改进后的485通信口原理图充分考虑现场的复杂环境,在电路设计中注意了以下三个问题。
2.1 SN75176 485芯片DE控制端的设计由于应用系统中,主机与分机相隔较远,通信线路的总长度往往超过400米,而分机系统上电或复位又常常不在同一个时刻完成。
如果在此时某个75176的 DE端电位为“1”,那么它的485总线输出将会处于发送状态,也就是占用了通信总线,这样其它的分机就无法与主机进行通信。
这种情况尤其表现在某个分机出现异常情况下(死机),会使整个系统通信崩溃。
因此在电路设计时,应保证系统上电复位时75176的DE端电位为“0”。
RS485应用电路图什么是 RS485?RS485 是一种串行通信协议,它是微软通信协议(Microsoft Communications Protocol)和RS232串口协议的扩展型,最初是在1983年由美国电气和电子工程师协会(IEEE)制定的。
RS485协议是常用于远距离数据传输的标准,它可以使用差分信号方式实现多站点通信,适合于高噪声环境下的工业控制系统。
RS485 应用电路图以下是一种基于 RS485 串行通信协议的应用电路图:+--------------+ +--------------+| | A B | || RS485 |__\\ /____| RS485 || 驱动器 A | \\ / | 驱动器 B |+------>+--------------+ \\/ +--------------+<-------+| | | 120 ohm | | || | MAX485 +------------+ MAX485 | || | | | | | || +--------------+ | +--------------+ || GND |+----------------------------------------------------------------+在上面的电路图中,通过两根电缆(A,B)连接一个由两个 RS485 驱动器组成的串行通信系统。
每个驱动器均采用 MAX485 驱动芯片进行驱动,并与电阻 120ohm 相连。
此外,每个驱动器也与一个 DB9 应当连接(飞线),以便于连接外部电路。
RS485 通讯协议RS485 通讯协议是一种标准的串行通信协议,它可以传输多种类型的数据,例如 ASCII 字符、二进制数值、控制指令等。
在 RS485 协议中,每个设备都具有一个独特的地址,以便于通信时的识别。
数据传输的帧结构通常包括一个起始位、数据位(8 或 9 个),一个奇偶校验位和一个停止位。
rs485总线典型电路图
RS485电路全体上能够分为隔绝型与非隔绝型。
隔绝型比非隔绝型在抗搅扰、体系安稳性等方面都有更超卓的体现,但有一些场合也能够用非隔绝型。
咱们就先讲一下非隔绝型的典型电路,非隔绝型的电路十分简略,只需一个RS485芯片直接与MCU的串行通讯口和一个I/O操控口联接就能够。
如图1所示:
图1、典型485通讯电路图(非隔绝型)
当然,上图并不是无缺的485通讯电路图,咱们还需求在A线上加一个4.7K的上拉偏置电阻;在B线上加一个4.7K的下拉偏置电阻。
基地的R16是匹配电阻,通常是120Omega;,当然这个详细要看你传输用的线缆。
(匹配电阻:485悉数通讯体系中,为了体系的传输安稳性,咱们通常会在榜首个节点和究竟一个节点加匹配电阻。
所以咱们通常在方案的时分,会在每个节点都设置一个可跳线的120Omega;电阻,至于用仍是不必,由现场人员来设定。
当然,详细怎样区别榜首个节点仍是究竟一个节点,还得有待现场的专家们来答复呵。
)TVS咱们通常选用6.8V的,这个咱们会在后边进一步的解说。
RS-485规范界说信号阈值的上下限为plusmn;200mV。
即当A-
B200mV时,总线状况应标明为1;当A-Blt;-200mV时,总线状况应标明为0。
但当A-B在plusmn;200mV之间时,则总线状况为不断定,所以咱们会在A、B线上面设上、下拉电阻,以尽量防止这种不断定状况。
光电隔离RS485典型电路图
一、RS485($49.9800)总线介绍
RS485总线是一种常见的串行总线标准,采用平衡发送与差分接收的方式,因此具有抑制共模干扰的能力。
在一些要求通信距离为几十米到上千米的时候,RS485总线是一种应用最为广泛的总线。
而且在多节点的工作系统中也有着广泛的应用。
二、RS485总线典型电路介绍
RS485电路总体上可以分为隔离型与非隔离型。
隔离型比非隔离型在抗干扰、系统稳定性等方面都有更出色的表现,但有一些场合也可以用非隔离型。
我们就先讲一下非隔离型的典型电路,非隔离型的电路非常简单,只需一个RS485芯片直接与MCU的串行通讯口和一个I/O控制口连接就可以。
如图1所示:
图1、典型485通信电路图(非隔离型)
当然,上图并不是完整的485通信电路图,我们还需要在A线上加一个4.7K的上拉偏置电阻;在B线上加一个4.7K的下拉偏置电阻。
中间的R16是匹配电阻,一般是120Ω,当然这个具体要看你传输用的线缆。
(匹配电阻:485整个通讯系统中,为了系统的传输稳定性,我们一般会在第一个节点和最后一个节点加匹配电阻。
所以我们一般在设计的时候,会在每个节点都设置一个可跳线的120Ω电阻,至于用还是不用,由现场人员来设定。
当然,具体怎么区分第一个节点还是最后一个节点,还得有待现场的专家们来解答呵。
)TVS我们一般
选用6.8V的,这个我们会在后面进一步的讲解。
RS-485总线标准及几种常见的RS-485接口电路介绍本文主要简单介绍RS-485总线标准,以及比较几种常见的RS-485电路,并重点介绍美国模拟器公司(ADI)最新量产的具备±15 kV ESD保护功能的完全集成式隔离数据收发器ADM2582E/ADM2587E,一个集成隔离DC/DC电源,适合用于多点传输线路上的高速通信应用的数据收发器。
1.引言随着现代化社会生活的迅速发展,工业自动化的程度越来越高。
在工业控制、电力通讯、智能仪表等领域中,也常常使用简便易用的串行通讯方式作为数据交换的手段。
但是,在工业控制等环境中,常会有电气噪声干扰传输线路,使用RS-232通讯时经常因外界的电气干扰而导致信号传输错误;另外,RS-232通讯的最大传输距离在不增加缓冲器的情况下只可以达到15 米。
为了解决上述问题,RS-485标准通常被用作为一种相对经济、具有相当高噪声抑制、相对高的传输速率、传输距离远、宽共模范围的通信平台。
RS-485标准采用平衡式发送,差分式接收的数据收发器来驱动总线。
因为RS-485的远距离、多节点(256个)以及传输线成本低的特性,是EIA RS-485称为工业应用中数据传输的首选标准。
ADI公司的ADM2582E/ADM2587E器件针对均衡的传输线路而设计,符合ANSI/TIA/EIA RS-485-A-98和ISO 8482:1987(E)标准。
它采用ADI公司的iCoupler®技术,在单个封装内集成了一个三通道隔离器、一个三态差分线路驱动器、一个差分输入接收机和一个isoPower DC/DC转换器。
该器件采用5V或3.3V单电源供电,从而实现了完全隔离的RS-485解决方案。
2.RS-485 标准介绍电子工业协会(EIA)于1983 年制订并发布RS-485标准,并经通讯工业协会(TIA)修订后命名为TIA/EIA-485-A,习惯地称之为RS-485标准。
485通讯协议怎么使用(传统光电隔离的典型电路实例)RS485总线标准是工业中(考勤,监控,数据采集系统)使用非常广泛的双向、平衡传输标准接口,支持多点连接,允许创建多达3两个节点的网络;最大传输距离1200m,支持1200 m时为100kb/s的高速度传输,抗干扰能力很强,布线仅有两根线很简单。
RS485通信网络接口是1种总线式的结构,上位机(以个人电脑为例)和下位机都挂在通信总线上,RS485物理层的通信协议由RS485标准和PLC的多机通讯方式。
传统光电隔离的典型电路VDD与+5V1(VCC485)是两组不共地的电源,一般用隔离型的DC-DC来实现。
通过光耦隔离来实现信号的隔离传输,ISL3152EIBZ与MCU系统不共地,完全隔离则有效的抑制了高共模电压的产生,大大降低485的损坏率,提高了系统稳定性。
但也存在电路体积过大、电路繁琐、分立器件过多,传输速率受光电器件限制等缺点,对整个系统的稳定性也有一定影响。
第一步,配置好串口发送、接收端引脚和485控制引脚;因为RXD1引脚相对于STM32芯片来说是接收外来数据,所以设置为输入;TXD1引脚相对于STM32芯片来说是对外发送数据,所以设置为输出;TRE1 引脚是对外发送1或0高低电平命令,所以设置为输出;/******************************************************************函数名称:UART2Init*功能描述:对串口2参数进行设置、485控制端口初始化**输入参数:无*返回值:无*其他说明:无*当前版本:v1.0*-----------------------------------------------------------------*******************************************************************/void UART2Init(void){GPIO_InitTypeDef GPIO_InitStructure;USART_InitTypeDef USART_InitStructure;RCC_APB1PeriphClockCmd(RCC_APB1Periph_USART2,ENABLE);RCC_APB2PeriphClockCmd(RCC_APB2Periph_GPIOA,ENABLE);RCC_APB2PeriphClockCmd(RCC_APB2Periph_GPIOB,ENABLE);RCC_APB2PeriphClockCmd(RCC_APB2Periph_GPIOC,ENABLE);//使能外设时钟//GPIO结构的成员设置如下:/*--------------485控制端初始化------PA1----------*/GPIO_InitStructure.GPIO_Pin = GPIO_Pin_1 ;GPIO_InitStructure.GPIO_Speed = GPIO_Speed_50MHz; //50M时钟速度GPIO_InitStructure.GPIO_Mode = GPIO_Mode_Out_PP; //推挽输出GPIO_Init(GPIOA,GPIO_InitStructure);GPIO_InitStructure.GPIO_Pin = GPIO_Pin_2; //485_TXGPIO_InitStructure.GPIO_Speed = GPIO_Speed_50MHz;GPIO_InitStructure.GPIO_Mode = GPIO_Mode_AF_PP; //复用推挽输出GPIO_Init(GPIOA,GPIO_InitStructure);GPIO_InitStructure.GPIO_Pin = GPIO_Pin_3; //485_RXGPIO_InitStructure.GPIO_Mode = GPIO_Mode_IN_FLOATING; //浮空输入GPIO_Init(GPIOA,GPIO_InitStructure);//串口的结构成员设置如下:USART_ART_BaudRate = 9600;USART_ART_WordLength = USART_WordLength_8b;USART_ART_StopBits = USART_StopBits_1;USART_ART_Parity = USART_Parity_No;USART_ART_HardwareFlowControl = USART_HardwareFlowControl_None; USART_ART_Mode = USART_Mode_Tx | USART_Mode_Rx;USART_Init(USART2,USART_InitStructure);USART_Cmd(USART2,ENABLE);/*方法一:清发送完成标志*/// USART_ClearFlag(USART3,USART_FLAG_TC);/*方法二:获取串口1状态标志位*/USART_GeTITStatus(USART1,USART_FLAG_TC);}第二步:发送数据这里需要注意的是:/* CPU的小缺陷:串口配置好,如果直接Send,则第1个字节发送不出去如下两个方法语句解决第1个字节无法正确发送出去的问题*/方法一:USART_ClearFlag(USART3,USART_FLAG_TC); /*清发送完成标志,Transmission Complete flag */方法二:/*获取串口1状态标志位*/USART_GeTITStatus(USART1,USART_FLAG_TC);刚上电时出现乱码的原因:while(USART_GetFlagStatus(USART2,USART_FLAG_TXE)== RESET); // USART_FLAG_TXE---检测发送数据寄存器空标志位如果USART_FLAG_TC---发送完成标志位(1)当设为USART_FLAG_TXE---检测发送数据寄存器空标志位为空,但是发送移位寄存器不为空,数据还没有完全的发送出去,又有数据就被写进来了,所以就会容易出现乱码;(2)当设为USART_FLAG_TC检测发送完成标志位为空,即发送移位寄存器为空,数据才真正的发送出去,因此此时又有数据被写进来也不会发生乱码1STM32的数据发送有两个中断标志,一个是发送数据寄存器空标志,一个是发送完毕标志。
RS485 收发的三种常用电路
三种常用电路如下:
1、基本的RS485 电路
上图是最基本的RS485 电路,R/D 为低电平时,发送禁止,接收有效,
R/D 为高电平时,则发送有效,接收截止。
上拉电阻R7 和下拉电阻R8,用于保证无连接的SP485R 芯片处于空闲状态,提供网络失效保护,提高RS485 节点与网络的可靠性,R7,R8,R9 这三个电阻,需要根据实际应用改变大小,特别是使用120 欧或更小的终端电阻时,R9 就不需要了,此时R7,R8 使用680 欧电阻。
正常情况下,一般R7=R8=4.7K,R9 不要。
图中钳位于6.8V 的管V4,V5,V6,都是为了保护RS485 总线的,避免
受外界干扰,也可以选择集成的总线保护原件。
另外图中的L1,L2,C1,C2 为可选安装原件,用于提高电路的EMI 性能.
2、带隔离的RS485 电路
根本原理与基本电路的原理相似。
使用DC-DC 器件可以产生1 组与微处。
RS485芯片介绍及典型应用电路1. 高传输速率:RS485支持最高10Mbps的传输速率,可以满足大部分应用场景的需求。
2.长传输距离:RS485可以支持最长1200米的传输距离,适用于需要跨越大面积的数据传输场景。
3.多节点通信:RS485支持多节点的串行通信,最多可以连接32个节点,可以灵活实现多节点之间的数据传输。
4.抗干扰能力强:RS485采用差分信号传输方式,具有较强的抗干扰能力,适用于工业环境等电磁干扰较大的场景。
1.工业控制系统:RS485适用于工业自动化领域的数据传输需求,可以连接传感器、执行器等设备与主控系统进行数据交互。
例如,将温湿度传感器、压力传感器等设备通过RS485接口连接到PLC(可编程逻辑控制器)上,实时采集数据并控制工业过程。
2.电力系统监测:RS485经常用于电力系统的远程监测和控制,可以连接电表、断路器等设备与监测中心进行数据传输。
例如,电网运营商可以使用RS485通信将多个电表的电能数据传输到监测中心,实现对电力系统的远程监控和管理。
3.楼宇自动化系统:RS485可以应用于楼宇自动化系统中,实现楼宇内各种设备的控制和管理。
如,将空调、照明、门禁等设备连接到一台中央控制器,通过RS485通信与中央控制器进行数据传输,实现智能化的楼宇管理。
4.网络通信设备:RS485芯片可以用于网络通信设备的数据传输,如路由器、交换机等设备与服务器之间的通信。
通过RS485接口,这些设备可以实现高速、长距离的数据传输,提高网络通信的稳定性和可靠性。
在RS485通信电路中,常见的典型应用电路是星型拓扑结构和总线拓扑结构。
星型拓扑结构下,每个设备都与主控制器直接相连,主控制器可以独立与每个设备进行通信。
这种拓扑结构适用于相对较小的系统,例如楼宇自动化系统中的一栋大楼。
总线拓扑结构下,多个设备通过RS485通信连接成一条总线,主控制器与总线相连,可以与总线上的任意设备进行通信。
这种拓扑结构适用于较大规模的系统,例如电力系统监测中的多个监测点。
RS-485 接口电路RS-485 接口电路的主要功能是:将来自微处理器的发送信号TX 通过“发送器”转换成通讯网络中的差分信号,也可以将通讯网络中的差分信号通过“接收器”转换成被微处理器接收的RX 信号。
任一时刻,RS-485 收发器只能够工作在“接收”或“发送”两种模式之一,因此,必须为RS-485 接口电路增加一个收/发逻辑控制电路。
另外,由于应用环境的各不相同,RS-485 接口电路的附加保护措施也是必须重点考虑的环节。
下面以选用SP485R 芯片为例,列出RS-485 接口电路中的几种常见电路,并加以说明。
1.基本RS-485 电路图1为一个经常被应用到的SP485R芯片的示范电路,可以被直接嵌入实际的RS-485应用电路中。
微处理器的标准串行口通过RXD 直接连接SP485R 芯片的RO引脚,通过TXD直接连接SP485R芯片的DI引脚。
由微处理器输出的R/D 信号直接控制SP485R 芯片的发送器/接收器使能:R/D 信号为“1”,则SP485R 芯片的发送器有效,接收器禁止,此时微处理器可以向RS-485 总线发送数据字节;R/D 信号为“0”,则SP485R 芯片的发送器禁止,接收器有效,此时微处理器可以接收来自RS-485 总线的数据字节。
此电路中,任一时刻SP485R 芯片中的“接收器”和“发送器”只能够有1 个处于工作状态。
连接至A 引脚的上拉电阻R7、连接至B 引脚的下拉电阻R8 用于保证无连接的SP485R芯片处于空闲状态,提供网络失效保护,以提高RS-485 节点与网络的可靠性。
R7,R8,R9这三个电阻要根据实际应用而改变大小,特别在用120欧或更小终端电阻时,R9就不需要了,R7和R8应使用680欧电阻。
如果将SP485R 连接至微处理器80C51芯片的UART串口,则SP485R芯片的RO引脚不需要上拉;否则,需要根据实际情况考虑是否在RO引脚增加1个大约10K的上拉电阻。
光电隔离rs485典型电路概述
光电隔离的RS485典型电路通常包括以下几个部分:
1. 光电隔离器:光电隔离器是实现电信号隔离的主要元件,通过光电效应原理,将电信号转换为光信号,再通过光导纤维或反射镜等传输介质传输到接收端,然后再将光信号转换回电信号。
这样可以有效地隔离电路中的干扰和噪声,提高信号的传输质量和稳定性。
2. RS485收发器:RS485收发器是实现串行通信的关键元件,它可以实现TTL电平与RS485协议之间的转换,从而使得微控制器等TTL设备能够与RS485总线进行通信。
3. 终端电阻:终端电阻是为了消除信号反射、保证信号质量而设置的。
在总线的两端加上终端电阻,可以吸收信号的反射能量,保证信号的完整性。
4. 电缆:电缆是用来传输信号的,通常采用双绞线或同轴电缆等线缆。
在选择电缆时,需要根据实际需求选择合适的线径和材质,以减小信号的衰减和干扰。
在光电隔离的RS485典型电路中,发送数据时,微控制器通过串行口将数据发送给RS485收发器,然后经过光电隔离器将电信号转换为光信号,再通过光导纤维等传输介质传输到接收端。
在接收数据时,光信号被光电隔离器转换为电信号,然后经过RS485收发器将信号处理
后传输给微控制器。
这样就可以实现长距离、高可靠的通信传输。
RS485典型电路经典1 概述RS-485建议性标准作为⼀种多点差分数据传输的电⽓规范,现已成为业界应⽤最为⼴泛的标准通信接⼝之⼀,这种通信接⼝允许在简单的⼀对双绞线上进⾏多点双向通信,它所具有的噪声抑制能⼒、数据传输速率、电缆长度及可靠性是其他标准⽆法⽐拟的,因此许多不同领域都采⽤RS-485作为数据传输链路,它是⼀种极为经济并具有相当⾼的噪声抑制、传输速率、传输距离和宽共模范围的通信平台。
RS-485是⼀种在⼯业上作为数据交换的⼿段⽽⼴泛使⽤的串⾏通信⽅式,数据信号采⽤差分传输⽅式,也称作平衡传输,因此具有较强的抗⼲扰能⼒。
它使⽤⼀对双绞线,将其中⼀线定义为A ,另⼀线定义为B 。
通常情况下, RS-485的信号在传送出去之前会先分解成正负对称的两条线路(即我们常说的A 、B 信号线),当到达接收端后,再将信号相减还原成原来的信号。
发送驱动器A 、B 之间的正电平在+2~+6V ,是⼀个逻辑状态;负电平在-2~-6V ,是另⼀个逻辑状态;另有⼀个信号地C ,在RS-485中还有⼀“使能”端。
“使能”端是⽤于控制发送驱动器与传输线的切断与连接。
当“使能”端起作⽤时,发送驱动器处于⾼阻状态,称作“第三态”,即它是有别于逻辑“1”与“0”的第三态。
接收器也与发送端相对的电平逻辑规定,收、发端通过平衡双绞线将AA 与BB 对应相连,当在接收端AB 之间(DT)=(D+) - (D-)有⼤于+200mV 的电平时,输出正逻辑电平,⼩于-200mV 时,输出负逻辑电平。
接收器接收平衡线上的电平范围通常在200mV ⾄6V 之间。
该应⽤现已经被⼴泛⽤于公司批控仪,R7系列产品的485通讯。
Z LF2 主要性能指标DS75176B 芯⽚技术性能指标:供电电压范围:4.75V to 5.25V ;接收输⼊阻抗:12K ;最⼤接收器数量:32个;共模输⼊电压范围:-7V to 12V ;滞回电压:70mV ;关键芯⽚管脚说明:RE 管脚:接收器输出使能(低电平有效)。
故障保护技术是近两年产生的,一些新的RS-485芯片都采用了此项技术,如SN75276、
MAX3080~MAX3089。
什么是故障保护,为什么要有故障保护,如果没有故障保护会产生什么后果?
众所周知,RS-485接口采用的是一种差分传输方式,各节点之间的通信都是通过一对(半双工)或两对(全双工)双绞线作为传输介质。
根据RS-485的标准规定,接收器的接收灵敏度为±200mV,即接收端的差分电压大于、等于+200 mV时,接收器输出为高电平;小于、等于-200mV时,接收器输出为低电平;介于±200mV之间时,接收器输出为不确定状态。
在总线空闲即传输线上所有节点都为接收状态以及在传输线开路或短路故障时,若不采取特殊措施,则接收器可能输出高电平也可能输出低电平。
一旦某个节点的接收器产生低电平就会使串行接收器(UART)找不到起始位,从而引起通信异常,解决此类问题的方法有两种:
(1)使用带故障保护的芯片,它会在总线开路、短路和空闲情况下,使接收器的输出为高电平。
确保总线空闲、短路时接收器输出高电平是由改变接收器输入门限来实现的。
例如,MAX3080~MAX 3089输入灵敏度为-50mV/-200mV,即差分接收器输入电压UA-B≥-50mV时,接收器输出逻辑高电平;如果UA-B≤-200mV,则输出逻辑低电平。
当接收器输入端总线短路或总线上所有发送器被禁止时,接收器差分输入端为0V,从而使接收器输出高电平。
同理,SN75276的灵敏度为0mV/-300mV,因而达到故障保护的目的。
(2)若使用不带故障保护的芯片,如SN75176、MAX1487等时,可在软件上作一些处理,从而避免通信异常。
即在进入正常的数据通信之前,由主机预先将总线驱动为大于+200mV,并保持一段时间,使所有节点的接收器产生高电平输出。
这样,在发出有效数据时,所有接收器能够正确地接收到起始位,进而接收到完整的数据。
3.4 光电隔离
在某些工业控制领域,由于现场情况十分复杂,充分考虑现场的复杂环境,在电路设计中注意了以下三个问题。
二、RS485应用设计
1SN75176 485芯片DE控制端的设计
由于应用系统中,主机与分机相隔较远,通信线路的总长度往往超过400米,而分机系统上电或复位又常常不在同一个时刻完成。
如果在此时某个75176的DE端电位为“1”,那么它的485总线输出将会处于发送状态,也就是占用了通信总线,这样其它的分机就无法与主机进行通信。
这种情况尤其表现在某个分机出现异常情况下(死机),会使整个系统通信崩溃。
因此在电路设计时,应保证系统上电复位时75176的DE端电位为“0”。
由于8031在复位期间,I/O口输出高电平,故图2电路的接法有效地解决复位期间分机“咬”总线的问题。
2 隔离光耦电路的参数选取
在应用系统中,由于要对现场情况进行实时监控及响应,通信数据的波特率往往做得较高(通常都在4800波特以上)。
限制通信波特率提高的“瓶颈”,并不是现场的导线(现场施工一般使用5类非屏蔽的双绞线),而是在与单片机系统进行信号隔离的光耦电路上。
此处采用TIL117。
电路设计中可以考虑采用高速光耦,
如6N137、6N136等芯片,也可以优化普通光耦电路参数的设计,使之能工作在最佳状态。
例如:电阻
R2、R3如果选取得较大,将会
使光耦的发光管由截止进入饱和变得较慢;如果选取得过小,退出饱和也会很慢,所以这两只电阻的数值要精心选取,不同型号的光耦及驱动电路使得这两个电阻的数值略有差异,这一点在电路设计中要特别慎重,不能随意,通常可以由实验来定。
3 485总线输出电路部分的设计
输出电路的设计要充分考虑到线路上的各种干扰及线路特性阻抗的匹配。
由于工程环境比较复杂,现场常有各种形式的干扰源,所以485总线的传输端一定要加有保护措施。
在电路设计中采用稳压管D1、D2组成的吸收回路,也可以选用能够抗浪涌的TVS瞬态杂波抑制器件,或者直接选用能抗雷击的485芯片(如SN75LBC184等)。
考虑到线路的特殊情况(如某一台分机的485芯片被击穿短路),为防止总线中其它分机的通信受到影响,在75176的485信号输出端串联了两个20Ω的电阻R10、R11。
这样本机的硬件故障就不会使整个总线的通信受到影响。
在应用系统工程的现场施工中,由于通信载体是双绞线,它的特性阻抗为120Ω左右,所以线路设计时,在RS-485网络传输线的始端和末端各应接1只120Ω的匹配电阻(如图1中R8),以减少线路上传输信号的反射。
由于RS-485芯片的特性,接收器的检测灵敏度为± 200mV,即差分输入端VA-VB ≥+200mV,输出逻辑1,VA-VB ≤-200mV,输出逻辑0;而A、B端电位差的绝对值小于200mV 时,输出为不确定。
如果在总线上所有发送器被禁止时,接收器输出逻辑0,这会误认为通信帧的起始引起工作不正常。
解决这个问题的办法是人为地使A端电位高于B两端电位,这样RXD的电平在485总线不发送期间(总线悬浮时)呈现唯一的高电平,8031单片机就不会被误
中断而收到乱字符。
通过在485电路的A、B输出端加接上拉、下拉电阻R7、R9,即可很好地解决这个
问题。
图1 RS485应用典型电路
三、软件的编程
485芯片的软件编程对产品的可靠性也有很大影响。
由于485总线是异步半双工的通信总线,在某一个时刻,总线只可能呈现一种状态,所以这种方式一般适用于主机对分机的查询方式通信,总线上必然有一台始终处于主机地位的设备在巡检其它的分机,所以需要制定一套合理的通信协议来协调总线的分时共用。
这里采用的是数据包通信方式。
通信数据是成帧成包发送的,每包数据都有引导码、长度码、地址码、命令码、内容、校验码等部分组成。
其中引导码是用于同步每一包数据的引导头;长度码是这一包数据的总长度;命令码是主机对分机(或分机应答主机)的控制命令;地址码是分机的本机地址号;“内容”是这一包数据里的各种信息;校验码是这一包数据的校验标志,可以采用奇偶校验、和校验等不同的方式。
在485芯片的通信中,尤其要注意对485控制端DE的软件编程。
为了可靠的工作,在485总线状态切换时需要做适当延时,再进行数据的收发。
具体的做法是在数据发送状态下,先将控制端置“1”,延时1ms 左右的时间,再发送有效的数据,一包数据发送结束后再延时1ms后,将控制端置“0”。
这样的处理会使总线在状态切换时,有一个稳定的工作过程。