避雷器参数及选型原则.-共16页
- 格式:doc
- 大小:139.50 KB
- 文档页数:16
避雷器参数及选型原则金属氧化物避雷器的选择避雷器是电力系统中主要的防雷保护装置之一,只有正确地选择避雷器,方能够充分发挥其理应的防火维护促进作用。
1无间隙金属氧化物避雷器的挑选挑选的通常建议如下:(1)应按照使用地区的气温、海拔、风速、污秽以及地震等条件确定避雷器使用环境条件,并按系统的标称电压、系统最高电压、额定频率、中性点接地方式,短路电流值以及接地故障持续时间等条件确定避雷器的系统运行条件。
(2)按照被维护的对象确认避雷器的类型。
(3)按长期作用于避雷器上的最高电压确定避雷器的持续运行电压。
(4)按避雷器加装地点的暂时过电压幅值和持续时间挑选避雷器的额定电压。
(5)估算通过避雷器的放电电流幅值,选择避雷器的标称放电电流。
(6)根据被维护设备的额定雷电冲击耐热电压和额定操作方式冲击耐热电压,按绝缘协调的建议,确认避雷器的雷电过电压维护水平和操作方式过电压维护水平。
(7)估算通过避雷器的冲击电流和能量,选择避雷器的试验电流幅值,线路放电耐受试验等级及能量吸收能力。
(8)按避雷器加装处最小故障电流,挑选避雷器的压力释放出来等第1页共18页级。
(9)按避雷器安装处环境污染程度,选择避雷器瓷套的泄漏比距。
(10)按避雷器加装的引线拉力、风速和地震等条件,挑选它的机械强度。
(11)当避雷器不满足绝缘配合要求时,可采取适当降低其额定电压或标称放电电流等级或提高被保护设备的绝缘水平等补救措施。
2主要特性参数选择(1)持续运转电压uc。
中性点轻易接地系统的相对地并无间隙金属氧化物避雷器,其uc可以按不能高于系统最低接法挑选出。
在中性点非轻易接地系统,例如单相接地故障能够在10s以内切除术,其uc仍可以按不能高于挑选出,但由于我国大部分中性点非轻易接地系统中容许拎中剧故障运转2h以上,因此uc可以按以下原则挑选出:10s及以内切除术故障2h及以上切除故障3~10kv1.0~1.1ul,35~66kvuc≥ul至于10s~2h之间,可按2h以上选取,也可参照避雷器的工频电压耐受特性曲线选取。
5、避雷器与安装选型原则什么是避雷器?避雷器是用来保护建筑物和电气设备免受雷电侵害的一种设备。
它可以放电,分散雷击电流、电压,保护系统设施的安全性、可靠性。
根据不同的需求,避雷器类型也有所不同。
避雷器类型目前常见的避雷器类型有气体放电管避雷器、金属氧化物避雷器、组合式避雷器和电力高压避雷器等。
气体放电管避雷器气体放电管避雷器是一种振荡式的气体放电器件,在两个电极之间产生气体放电,阻断交流电的通路,强制通向接地的低电阻回路。
它有高接地率、长寿命、响应时间短等特点,适用于防护低压电力设施和电子设备。
金属氧化物避雷器金属氧化物避雷器也称为MOA避雷器,是一种元件化、可堆免维护的避雷器。
它利用MO层从个体小中的细微放电开始,保证氧化物非线性电阻与线性电阻的电流分配能力,并能吞噬数级电流激增,并形成极低阻抗的接地通路,具有响应快、过电压保护性能好等特点。
它主要适用于防护高压电力设施。
组合式避雷器组合式避雷器(简称combine)是由金属氧化物元件、间隙支撑和配套电气元件构成的一种避雷器。
它主要由金属氧化物避雷器的放电电极和气体放电管避雷器的接地端组成。
具有响应快、性能好等特点,并且价格相对于 MOA 避雷器较为便宜。
电力高压避雷器电力高压避雷器是一种特殊型号的避雷器,它采用陶瓷制品材料,具有防水、防火、耐热、抗冲击等特点。
它的基本结构由外壳、找线器、柱形绝缘子、针式电极等部分组成。
它适用于交流电、直流电传输线路的防雷工作,电压等级通常在220kV以上。
选型原则在选择避雷器时,需要考虑以下几方面因素:保护等级保护等级是避雷器的一个重要参数之一。
它通常是根据该设备能够承受的过电压水平和承受的雷电冲击次数来确定的。
所以,在选型时应该根据需要,选择合适的保护等级。
阻高度避雷器的阻高度是指避雷器放置的高度。
在大多数情况下,避雷器越高阻高度越高,能够接收雷电电流的丰富能力越强。
但是,在选择时也要考虑实际情况,如建筑物的高度、精度等,不要选择过高的避雷器。
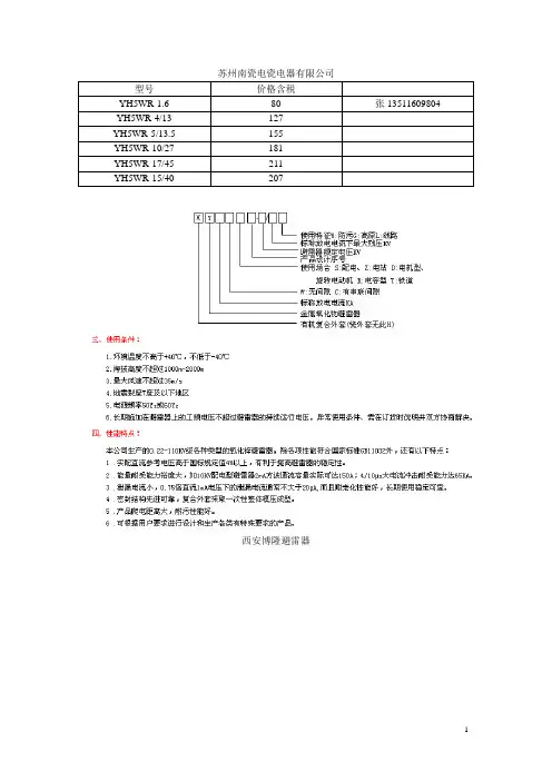
苏州南瓷电瓷电器有限公司型号价格含税YH5WR-1.6 80 张135****9804 YH5WR-4/13 127YH5WR-5/13.5 155YH5WR-10/27 181YH5WR-17/45 211YH5WR-15/40 207西安博隆避雷器类别避雷器型号避雷器额定电压(kV)系统标称电压(kV)持续运行电压(kV)直流1mA参考电压(不小于)(kV)0.75倍直流参考电压下漏流(不大于)(μA)陡坡冲击电流(不大于)(kV)雷电冲击电流(不大于)(kV)操作冲击残压(不大于)(kV)2mS方波通流容量(电流A、18次)并联补偿电容器(R)H(Y)5WR-8/13.5 5 3 4.0 7.2 40-13.5 10.5 400 6565-100 H(Y)5WR-10/27 10 6 8.0 14.4 40 27.0 21.0 400H(Y)5WR-17/44 17 10 13.6 24.0 50 46.0 35.0 400-1200H(Y)5WR-48/134(130,125) 48 35 38.1 73.0 50- 134(130,125)105 400-1200 65-100 H(Y)5WR-51/134(130,125) 51 35 40.8 73.0 50 105 400-1200 65-100H(Y)5WR-52.7/134(130,125) 52.7 35 42.2 73.0 50 105 400-1200 65-100 H(Y)5WR-54/134(130,125) 54 35 43.2 73.0 50 105 400-1200 65-100配电型无间隙金属氧化物避雷器电站型无间隙金属氧化物避雷器并联补偿电容器用无间隙金属氧化物避雷器电机型无间隙金属氧化物避雷器变压器中性点用无间隙金属氧化物避雷器带串联间隙金属氧化物避雷器电气化铁道保护用无间隙金属氧化物避雷器FCD3 系列阀式磁吹防爆避雷器低压避雷器一、概述金属氧化物避雷器是当前限制过电压最先进的一种保护电器,被广泛地用于发电、输变电、配电系统中,保护缘免受过电压的损害。
35kv金属氧化物避雷器技术参数35kV金属氧化物避雷器是一种用于保护电力设备免受雷击和过电压损害的重要设备。
它具有很高的技术参数,以下将会对其技术参数进行详细介绍。
1. 额定电压:35kV金属氧化物避雷器的额定电压为35kV,这是指避雷器能够正常工作的最高电压。
超过这个电压,避雷器可能会损坏或无法正常工作。
2. 额定放电电流:避雷器的额定放电电流是指在额定电压下,避雷器能够承受的最大放电电流。
这个参数决定了避雷器对雷击过电压的抵抗能力,一般情况下,额定放电电流越大,避雷器的抵抗能力越强。
3. 高压持续时间:35kV金属氧化物避雷器能够承受的高压持续时间是指在额定电压下,避雷器能够承受的最长时间。
这个参数决定了避雷器的工作稳定性和耐久性,一般情况下,高压持续时间越长,避雷器的工作寿命越长。
4. 耐受重复雷击次数:避雷器的耐受重复雷击次数是指在一定时间内,避雷器能够承受的雷击次数。
这个参数决定了避雷器的使用寿命和可靠性,一般情况下,耐受重复雷击次数越多,避雷器的可靠性越高。
5. 阻止电压:35kV金属氧化物避雷器的阻止电压是指在额定电压下,避雷器能够将过电压降低到的最低电压。
这个参数决定了避雷器对过电压的抑制能力,一般情况下,阻止电压越低,避雷器的保护能力越强。
6. 接地电阻:避雷器的接地电阻是指避雷器接地装置的电阻大小。
接地电阻的大小直接影响到避雷器的接地效果,一般情况下,接地电阻越小,避雷器的接地效果越好。
7. 外形尺寸:35kV金属氧化物避雷器的外形尺寸是指避雷器的物理尺寸。
外形尺寸的大小决定了避雷器在安装和使用过程中的便捷性,一般情况下,外形尺寸越小,避雷器的安装和使用越方便。
8. 重量:避雷器的重量是指避雷器的物理重量。
重量的大小决定了避雷器的搬运和安装难度,一般情况下,重量越轻,避雷器的搬运和安装越方便。
9. 安装方式:35kV金属氧化物避雷器的安装方式包括室内安装和室外安装两种。
室内安装适用于小型电力设备,室外安装适用于大型电力设备。
避雷器参数1.标称电压Un被保护系统的额定电压相符,在信息技术系统中此参数表明了应该选用的保护器的类型,它标出交流或直流电压的有效值。
2.额定电压Uc:能长久施加在保护器的指定端,而不引起保护器特性变化和激活保护元件的最大电压有效值。
3.额定放电电流Isn:给保护器施加波形为8/20μs 的标准雷电波冲击10 此时,保护器所耐受的最大冲击电流峋值。
4.最大放电电流 Imax:给保护器施加波形为8/20μs的标准雷电波冲击1次时,保护器所耐受的最大冲击电流峰值。
5电压保护等级上升:保护器在下列试验中的最大值:点火电压的1kV/ys斜率;额定放电电流的残余电压。
6响应时间TA:主要反映保护器中特殊保护元件的动作灵敏度和击穿时间。
在一定时间内的变化取决于Du/dt或di/dt的斜率。
7数据传输速率vs:表示每秒传输的比特数,单位为BPS,是数据传输系统中正确选择防雷装置的参考值,防雷装置的数据传输速率取决于系统的传输方式。
8插入损耗AE:在给定频率下插入保护器前后的电压比。
9回波损耗ar:表示保护设备(反射点)反射的前波所占的比例,是直接衡量保护设备是否与系统阻抗兼容的参数。
10最大纵向放电电流:当8/20us波形的标准雷电波对地一次时,保护器能承受的最大冲击电流的峰值。
11最大横向放电电流:在线路间施加波形为8/20μs的标准雷电波一次时,保护器能承受的最大冲击电流的峰值。
12线路阻抗UN为流过线路阻抗的总和。
它通常被称为“系统电阻13峰值放电电流:有两种:额定放电电流LSN和最大放电电流Imax。
13泄漏电流:指在75或80额定电压UN 下流过保护器的直流电流。
从安全运行的角度看,避雷器额定电压的选择还应遵循以下原则:1)避雷器的额定电压应高于安装现场可能出现的工频暂态电压。
在110kV及以上中性点接地系统中,可按上述方法选择。
②在110kV及以下的中性点非直接接地系统中,电力部门规程规定在单相接地情况下允许运行2h,有时甚至在断续地产生弧光接地过电压情况下运行2h以上才能发现故障,这类系统的运行特点对氧化锌避雷器在额定电压下安全运行10s构成严重威胁。
避雷器避雷器是电力系统中主要的防雷保护装置之一,只有正确地选择避雷器,方能发挥其应有的防雷保护作用。
1、无间隙金属氧化物避雷器的选择选择的一般要求如下:(1)、应按照使用地区的气温、海拔、风速、污秽以及地震等条件确定避雷器使用环境条件,并按系统的标称电压、系统最高电压、额定频率、中性点接地方式,短路电流值以及接地故障持续时间等条件确定避雷器的系统运行条件。
(2)、按照被保护的对象确定避雷器的类型。
(3)、按长期作用于避雷器上的最高电压确定避雷器的持续运行电压。
(4)、按避雷器安装地点的暂时过电压幅值和持续时间选择避雷器的额定电压。
(5)、估算通过避雷器的放电电流幅值,选择避雷器的标称放电电流。
(6)、根据被保护设备的额定雷电冲击耐受电压和额定操作冲击耐受电压,按绝缘配合的要求,确定避雷器的雷电过电压保护水平和操作过电压保护水平。
(7)、估算通过避雷器的冲击电流和能量,选择避雷器的试验电流幅值, 线路放电耐受试验等级及能量吸收能力。
(8)、按避雷器安装处最大故障电流,选择避雷器的压力释放等级。
(9)、按避雷器安装处环境污染程度,选择避雷器瓷套的泄漏比距。
(10)、按避雷器安装的引线拉力、风速和地震等条件,选择它的机械强度。
(11)、当避雷器不满足绝缘配合要求时,可采取适当降低其额定电压或标称放电电流等级或提高被保护设备的绝缘水平等补救措施。
2.主要特性参数选择(1)、持续运行电压Uc中性点直接接地系统的相对地无间隙金属氧化物避雷器,其Uc可按不低于系统最高相电压选取。
在中性点非直接接地系统,如单相接地故障能在10s以内切除,其Uc 何按不低于选取,但由于我国大部分中性点非直接接地系统中允许带接地故障运行2h以上,因此Uc可按以下原则选取:10s及以内切除故障U。
2U132h及以上切除故障3~ 10kV 1.0~ 1.1UL, 35~ 66kV Uc2UL至于10s~2h之间,可按2h以上选取,也可参照避雷器的工频电压耐受特性曲线选取。
复合外套氧化物避雷器参数选择1. 避雷器选型总体原则避雷器选型的一般原则如下。
(1) 根据被保护对象选择避雷器类型。
(2) 按系统中长期作用在避雷器上的最高电压确定避雷器的持续运行电压。
(3) 估算通过避雷器的雷电放电电流幅值,选择避雷器的标称放电电流。
(4) 根据被保护设备的额定雷电冲击耐受电压和操作冲击耐受电压,按照绝缘配合系数的要求,留够绝缘裕度,确定避雷器雷电冲击保护水平和操作冲击保护水平。
2、避雷器额定电压:施加避雷器端子间的最大允许工频电压有效值,按照此电压所设计的避雷器,能在所规定的动作负载试验中确定的暂时过电压下正确地工作。
(1)按IEC标准规定,避雷器在注入标准规定的能量后,必须能耐受相当于额定电压数值的暂时过电压至少10s。
(2)避雷器额定电压选择。
避雷器额定电压可按(下)式选择Ur > kUt (1)式中:Ur——避雷器额定电压,kV;k――切除短路故障时间系数,10s及以内切除故障k=1.0, 10s以上切除故障k=1.3;Ut——暂时过电压,kV在选择避雷器额定电压时,仅考虑单相接地、甩负荷和长线电容效应引起的暂时过电压,可按表3选取注* 4167即:10kV避雷器额定电压选17kV; 35kV避雷器额定电压选54KV3、避雷器的标称放电电流的选取避雷器的标称放电电流分IkA、1. 5kA、2. 5kA、5kA、10kA和20kA 共6个等级。
确定避雷器的额定电压后,对照《交流电力系统金属氧化物避雷器使用导则》中避雷器分类表,可查出相应的避雷器标称放电电流等级。
一般保护110kV一220kV设备的避雷器选10kA;保护35kV以下设备的避雷器选5kA;变压器中性点避雷器选1.5kA。
即:油田配电线路选取标称电流为5kA.在确定避雷器的标称放电电流时,按照《交流无间隙金属氧化物避雷器》GBII032--2000附录K给出的各标称放电电流等级的避雷器每单位额定电压下典型的最大残压范围,用各设备额定雷电冲击电流的耐受电压值除以1. 4得到允许的最大残压值,再除以相应电压等级下选定的避雷器的额定电压值得到一个比值(这个比值为允许的最大值),在附录K中,查出相应的额定电压和雷电冲击保护水平栏中对应的最相近的放电电流等级,也可得到选定的避雷器标称放电电流等级。
附件1:带脱离装置线路避雷器技术参数
1.110kV线路型复合外套氧化锌避雷器的雷电伏秒特性比瓷绝缘子串低17%以上,失效率小于万分之一,可靠性为99.99%以上。
2.线路型氧化锌避雷器本体整体结构先进。
芯体需采用技术手段,使避雷器两端双层密封,确保产品密封性能;芯体内外受力,机械强度高,有利悬挂安装。
线路型避雷器的复合外套采用硫化硅橡胶整体成型,质量稳定,密封可靠。
3.110kV线路型氧化锌避雷器带有脱离装置,脱离装置由脱离器、绝缘间隔棒等组成。
在正常情况下,通过雷电流和操作过电压电流,脱离器均不动作;在异常情况下,在避雷器发生故障损坏时,工频电流通过脱离器,脱离装置能可靠动作,使避雷器自动与导线脱离,保证不间断供电,并保持导线与避雷器之间有足够的绝缘距离。
4.避雷器需配套相应的安装附件。
其他需满足参数:
附件2:带串联间隙线路避雷器技术参数
1.110kV线路型复合外套氧化锌避雷器的雷电伏秒特性比瓷绝缘子串低17%以上,失效率小于万分之一,可靠性为99.99%以上。
2.线路型氧化锌避雷器本体整体结构先进。
芯体需采用技术手段,使避雷器两端双层密封,确保产品密封性能;芯体内外受力,机械强度高,有利悬挂安装。
线路型避雷器的复合外套采用硫化硅橡胶整体成型,质量稳定,密封可靠。
3.110kV线路型氧化锌避雷器带有支撑绝缘子外串间隙,间隙放电分散性小,正、负极性冲击放电电压差小,平均小于6%,并保持导线与避雷器之间有足够的绝缘距离。
4.避雷器需配套相应的安装附件。
其他需满足参数:。
3~220kV金属氧化物避雷器一、概述金属氧化物避雷器是当前限制过电压最先进的一种保护电器,被广泛地用于发电、输变电、配电系统中,保护电气设备的绝缘免受过电压的损害。
有机外套金属氧化物避雷器是有机绝缘材料和传统的瓷套式金属氧化物避雷器技术优点相结合的科研成果,它不仅具有瓷套式金属氧化物避雷器的优点,还具有电气绝缘性能好,介电强度高、抗漏痕、抗电蚀、耐热、耐寒、耐老化、防爆、憎水性、密封性能好等优点。
二、使用条件a)适用于户内、外;b)环境温度-40℃~+40℃;c)海拔高度不超过3000m(瓷套式不超过1000m);d)电源频率不小于48Hz、不超过62 Hz;e)长期施加在避雷器端子间的工频电压不超过避雷器的持续运行电压;f)地震烈度8度及以下地区;g)最大风速不超过35m/s。
三、产品型号说明依据JB/T 8459-1996《避雷器产品型号编制方法》、金属氧化物避雷器产品型号说明如下:□□□□□—□/□□-□防污等级附加特性代号标称放电电流下残压避雷器额定电压设计序号(用阿拉伯数字表示)使用场所结构特征标称放电电流产品型式产品型式:Y—表示瓷套式金属氧化物避雷器YH(HY)—表示有机外套金属氧化物避雷器结构特征:W—表示无间隙C—表示串联间隙使用场所:S—表示配电型Z—表示电站型R—表示并联补偿电容器用D—表示电机用T—表示电气化铁道用X—表示线路型附加特性:W—表示防污型G—表示高原型TH—表示湿热带地区用DL—表示电缆型避雷器(优点:产品采用全密封结构,缩小相间距离,爬电距离大。
)防污等级:3-表示Ⅲ级防污四、选型用户可根据被保护对象选用不同型号的避雷器,对使用场所的不同可选用防污型和高原型。
为满足市场的需求我厂可根据用户的要求设计各种非标产品。
五、金属氧化物避雷器用途及主要参数1.配电型是用于保护相应电压等级的开关柜、变电压、箱式变、电缆出线头、柱上油开关等配电设备免受大气和操作过电压的损坏。
避雷器参数选择参考
1.避雷器选型总体原则
避雷器选型的一般参照如下:
1.1.根据被保护对象来选择避雷器类型。
1.2.估算流过避雷器的雷电放电电流的幅值,依此选择避雷器的标
称放电电流。
1.3.按系统中长期作用于避雷器上的最高电压来确定避雷器的持
续运行电压。
1.4.按照被保护设备额定雷电冲击耐受电压值和操作冲击耐受电
压值,依据绝缘配合系数的要求,考虑绝缘裕度,从而确定避雷器的雷电冲击保护水平及操作冲击保护水平。
2.避雷器的额定电压:施加在避雷器端子间最大允许工频电压的有
效值,按照此电压所设计的避雷器,能够在所规定的动作负载试验中确定的暂时过电压下正常地工作。
2.1IEC标准规定,避雷器在注入标准规定的能量后,必须能耐
受相当于额定电压数值的暂时过电压至少10s。
2.2避雷器额定电压选择:
避雷器额定电压可按(下)式选择U r≥kU t (1)
式中:Ur:避雷器额定电压,kV;
K:切除短路故障时间系数,10s 及以内切除故障k=1.0,10s
以上切除故障k=1.3;
Ut:暂时过电压,kV。
3.避雷器的标称放电电流的选取
避雷器的标称放电电流分lkA、1.5kA、2.5kA、5kA、10kA和20kA 共6个等级。
在确定避雷器的额定电压之后,参照《交流电力系统金属氧化物避雷器使用导则》中的避雷器分类表,可查出相对应的避雷器标称放电电流等级。
一般保护110kV一220kV设备用避雷器选10kA;保护35kV 以下设备用避雷器选5kA;变压器中性点用避雷器选1.5kA。
避雷器的电气参数1.系统额定电压(有效值)(kV):与电力系统标称电压相对应。
2.避雷器额定电压(有效值)(kV)(灭弧电压):保证避雷器能灭弧的最高工频电压允许值。
3.工频放电电压(有效值)(kV):避雷器在工频电压下将放电的电压值。
由于火花间隙击穿的分散性,它有一个上限值和下限值。
工频放电电压不能低于下限值,以避免在能量大的内过电压下动作,使避雷器损坏或爆炸。
工频放电电压也不能高于上限值,因在一定的结构下工频放电电压和冲击放电电压有一定的影响关系,工频放电电压高了将使冲击放电电压提高,影响保护效果。
4.冲击放电电压:在冲击电压作用下避雷器发生放电的电压值(幅值)。
5.残压:当波形为8/20μs,5kA或10kA的冲击电流流过避雷器时避雷器两端的电压降,以幅值表示。
此残压为避雷器雷电放电时加于并接的被保护设备上的电压,当然低一点好。
6.避雷器持续运行电压:加于避雷器两端允许持续运行的工频电压有效值。
7.避雷器的直流参考电压U1mA:使恒定的1mA电流流过避雷器时施加于避雷器两端的电压。
避雷器额定电压是施加到避雷器端子间的最大允许工频电压有效值,按照此电压设计的避雷器,能在所规定的动作负载试验中确定的暂时过电压下正确地工作。
它是表明避雷器运行特征的一个重要参数,但它不等于系统标称电压。
由于电力系统的标称电压使该系统相间电压的标幺值,而避雷器一般安装在相对地之间,正常工作时承受的是相电压和暂时过电压,并且避雷器有它本身的特点,因此其额定电压与电力系统的标称电压以及其他电器的额定电压有不同意义。
按照国际电工委员会(IEC99-4)及GB11032对无间隙金属氧化物避雷器的规定,避雷器在60度的温度下,注入标准规定的能量后,必须能耐受相当于额定电压数值的暂时过电压至少1s。
避雷器额定电压建议值:非直接接地系统及小阻抗接地系统:1s及以内切除故障,10kV选用13kV避雷器1s以上切除故障,10kV选用17kV避雷器直接接地系统:110kV选用102kV避雷器并联电容器装置保护用氧化锌避雷器的选型问题唐耀胜(桂林电力电容器总厂,桂林541004))摘要:从我国电力系统实际情况出发,结合避雷器选型的历史回顾和新版本的避雷器国家标准,提出了使电力系统安全、可靠运行的并联电容器装置用氧化锌避雷器的选型方法,对变电站中并联电容器装置的设计具有一定的参考价值。
避雷器的选择与安装雷鸣闪电,是常见的自然现象.由于社会经济的发展,一方面高楼林立,且越来越高,使地面与雷云之间的距离缩短;另方面,工厂、汽车等排出的废气越来越多,污染了空气,使空气中的微粒增加,既利于雷云的形成,也利于雷电流的传导.所以,多雷的珠江三角洲,雷越来越多、越来越强、越来越低,给人们的生产和生活带来极大的威胁。
每年因雷击造成的建筑物或设备的损坏越来越严重.不少单位、家庭都遭受雷电的威胁和侵袭,使人们逐步意识到防雷的重要性。
雷电灾害分直击雷和感应雷两种,建筑物上安装符合要求的避雷针(带),能比较有效地防止直击雷的侵害。
感应雷害是避雷针(带)所不能防御的.感应雷侵害的范围广,它不管建筑物的高矮,只要有电源线或讯号线引入的地方,数公里以外产生雷电,都有可能受到感应,使设备遭受损坏。
在电力配电线路中,常用的避雷器有:阀型避雷器、管型避雷器、氧化锌避雷器等,低压配电系统提倡选用低压氧化锌避雷器.氧化锌阀片在正常运行电压下,阀片的电阻很高,仅可通过微安级的泄漏电流。
但在强大的雷电流通过时,却呈现很低的电阻,使其迅速泄入大地,实现限压分流的目的.阀片上的残压几乎不随通过电流的大小而变化,时常维持在小于被保护电器的冲击试验电压,使设备的绝缘得到保护,雷电流过后又恢复到原绝缘状态。
氧化锌避雷器具有优异的非线性伏安特性,残压随冲击电流波头时间的变化特性平稳,陡波响应特性好,没有间隙击穿特性和灭弧问题。
其电阻片单位体积吸收能量大,还可以并联使用,所以在保护超高压长距离输电系统和大容量电容器组特别有利。
对于低压配电网的保护也很适合,是低压配电网的主要保护措施.在避雷器使用前,都应该对其有关技术参数进行测量,以确保避雷器安装质量.1绝缘电阻的测量对35kV及以下氧化锌避雷器用2500V兆欧表摇测,每节的绝缘电阻应不低于1000MΩ。
进口氧化锌避雷器每节的绝缘电阻一般按厂家的标准。
如日本明电舍规定:对ZSE-C2Z型294kV氧化锌避雷器应使用1000V 兆欧表,绝缘电阻不低于2000MΩ。
架空输电线路中避雷器的选型简介架空输电线路中的避雷器是非常重要的保护设备,它们的选型对线路的安全运行起着至关重要的作用。
本文就架空输电线路中避雷器的选型进行探讨。
选型因素在选择适合的避雷器时,考虑以下因素是非常重要的:1. 预期工作电压:避雷器的额定电压必须与预期工作电压相匹配,以保证其有效工作。
2. 耐受电压等级:避雷器必须具备足够的耐受电压等级,以应对可能的过电压冲击。
3. 电流耐受能力:避雷器应具备足够的电流耐受能力,以保护线路免受过大的电流损害。
4. 温度适应性:避雷器应能适应所处环境的温度变化,确保其正常运行。
5. 安装便利性:选型时要考虑避雷器的尺寸、重量以及安装方式,以保证安装的便利性和可行性。
选型方法在进行避雷器选型时,可以采用以下方法:1. 参考标准和规范:参考相关电力行业标准和规范,了解避雷器的要求和性能指标。
2. 厂商建议:咨询避雷器生产厂商,了解其产品的性能和适用范围,并根据实际需求进行选择。
3. 经验法则:基于过往经验和实际案例,按照特定的规则和经验法则进行选型。
选型案例以下是一个选型案例,供参考:情境:架空输电线路的预期工作电压为110kV,需要选择合适的避雷器。
架空输电线路的预期工作电压为110kV,需要选择合适的避雷器。
根据参考标准,该线路对避雷器的额定电压要求至少为110kV,耐受电压等级要求为≥150kV。
我们咨询了两家厂商,厂商A的110kV避雷器额定电压为110kV,耐受电压等级为150kV,电流耐受能力为10kA,适应温度范围为-40℃~+80℃;厂商B的110kV避雷器额定电压为110kV,耐受电压等级为200kV,电流耐受能力为20kA,适应温度范围为-30℃~+70℃。
根据以上信息,我们可以初步判断厂商A的避雷器符合需求。
然而,还需要进一步考虑安装便利性和价格等因素,最终做出综合选择。
结论避雷器的选型对架空输电线路的安全运行至关重要。
选型时应考虑预期工作电压、耐受电压等级、电流耐受能力、温度适应性和安装便利性等因素。
避雷器的电气参数[ 2007-1-7 16:51:00 | By: 35dtb ]1.系统额定电压(有效值)(kV):与电力系统标称电压相对应。
2.避雷器额定电压(有效值)(kV)(灭弧电压):保证避雷器能灭弧的最高工频电压允许值。
3.工频放电电压(有效值)(kV):避雷器在工频电压下将放电的电压值。
由于火花间隙击穿的分散性,它有一个上限值和下限值。
工频放电电压不能低于下限值,以避免在能量大的内过电压下动作,使避雷器损坏或爆炸。
工频放电电压也不能高于上限值,因在一定的结构下工频放电电压和冲击放电电压有一定的影响关系,工频放电电压高了将使冲击放电电压提高,影响保护效果。
4.冲击放电电压:在冲击电压作用下避雷器发生放电的电压值(幅值)。
5.残压:当波形为8/20μs,5kA或10kA的冲击电流流过避雷器时避雷器两端的电压降,以幅值表示。
此残压为避雷器雷电放电时加于并接的被保护设备上的电压,当然低一点好。
6.避雷器持续运行电压:加于避雷器两端允许持续运行的工频电压有效值。
7.避雷器的直流参考电压U1mA:使恒定的1mA电流流过避雷器时施加于避雷器两端的电压。
避雷器额定电压是施加到避雷器端子间的最大允许工频电压有效值,按照此电压设计的避雷器,能在所规定的动作负载试验中确定的暂时过电压下正确地工作。
它是表明避雷器运行特征的一个重要参数,但它不等于系统标称电压。
由于电力系统的标称电压使该系统相间电压的标幺值,而避雷器一般安装在相对地之间,正常工作时承受的是相电压和暂时过电压,并且避雷器有它本身的特点,因此其额定电压与电力系统的标称电压以及其他电器的额定电压有不同意义。
按照国际电工委员会(IEC99-4)及GB11032对无间隙金属氧化物避雷器的规定,避雷器在60度的温度下,注入标准规定的能量后,必须能耐受相当于额定电压数值的暂时过电压至少1s。
避雷器额定电压建议值:非直接接地系统及小阻抗接地系统:1s及以内切除故障,10kV选用13kV避雷器1s以上切除故障,10kV选用17kV避雷器直接接地系统:110kV选用102kV避雷器并联电容器装置保护用氧化锌避雷器的选型问题唐耀胜(桂林电力电容器总厂,桂林541004))摘要:从我国电力系统实际情况出发,结合避雷器选型的历史回顾和新版本的避雷器国家标准,提出了使电力系统安全、可靠运行的并联电容器装置用氧化锌避雷器的选型方法,对变电站中并联电容器装置的设计具有一定的参考价值。
金属氧化物避雷器的选择避雷器是电力系统中主要的防雷保护装置之一,只有正确地选择避雷器,方能发挥其应有的防雷保护作用。
1、无间隙金属氧化物避雷器的选择选择的一般要求如下:(1)、应按照使用地区的气温、海拔、风速、污秽以及地震等条件确定避雷器使用环境条件,并按系统的标称电压、系统最高电压、额定频率、中性点接地方式,短路电流值以及接地故障持续时间等条件确定避雷器的系统运行条件。
(2)、按照被保护的对象确定避雷器的类型。
(3)、按长期作用于避雷器上的最高电压确定避雷器的持续运行电压。
(4)、按避雷器安装地点的暂时过电压幅值和持续时间选择避雷器的额定电压。
(5)、估算通过避雷器的放电电流幅值,选择避雷器的标称放电电流。
(6)、根据被保护设备的额定雷电冲击耐受电压和额定操作冲击耐受电压,按绝缘配合的要求,确定避雷器的雷电过电压保护水平和操作过电压保护水平。
(7)、估算通过避雷器的冲击电流和能量,选择避雷器的试验电流幅值,线路放电耐受试验等级及能量吸收能力。
(8)、按避雷器安装处最大故障电流,选择避雷器的压力释放等级。
(9)、按避雷器安装处环境污染程度,选择避雷器瓷套的泄漏比距。
(10)、按避雷器安装的引线拉力、风速和地震等条件,选择它的机械强度。
(11)、当避雷器不满足绝缘配合要求时,可采取适当降低其额定电压或标称放电电流等级或提高被保护设备的绝缘水平等补救措施。
2、主要特性参数选择(1)、持续运行电压Uc中性点直接接地系统的相对地无间隙金属氧化物避雷器,其Uc可按不低于系统最高相电压选取。
在中性点非直接接地系统,如单相接地故障能在10s以内切除,其Uc仍可按不低于选取,但由于我国大部分中性点非直接接地系统中允许带接地故障运行2h以上,因此Uc可按以下原则选取:10s及以内切除故障2h及以上切除故障3~10kV 1.0~1.1U L,35~66kV Uc≥U L至于10s~2h之间,可按2h以上选取,也可参照避雷器的工频电压耐受特性曲线选取。
(2)、额定电压UrUr是指避雷器两端间的最大允许工频电压的有效值,是在60℃温度下注入规定能量后,能耐受额定电压Ur10s,随后在Uc下,耐受30min,能保持热稳定。
(3)、暂时过电压U T暂时过电压UT是确定避雷器额定电压之依据,在选择U T时,主要考虑单相接地,甩负荷和长线电容效应所引起的工频电压升高,幅值可按下列条件选取。
①中性点非直接接地系统:3~10kV U T=1.1Um35~66kV,U T=Um②中性点直接接地系统:110~220kV线路侧(4)、相对地避雷器的额定电压相对地避雷器的额定电压可按表1确定。
(5)、工频电压耐受时间特性避雷器的工频电压耐受时间特性,是其在吸收了规定的过电压能量之后耐受暂时过电压的能力。
中性点直接接地系统中用的避雷器,或是带接地故障自动切除装置系统中用的避雷器,可耐受等于其额定电压的暂时过电压10s,若暂时过电压作用时间长,其耐受的幅值就低,反之就高。
故若暂时过电压作用时间短于或大于10s或其幅值低于或高于避雷器的额定电压,即可用该避雷器的工频耐受时间特性曲线进行校核。
(6)、标称放电电流国标GB11032《金属氧化物避雷器技术规范》规定的避雷器标称放电电流IB,如表2所列。
(7)、保护水平与绝缘配合系数雷电过电压保护水平是下面两项较高者:①标称放电电流下的最大残压。
②陡坡冲击电流下的最大残压除以1.15(指油浸绝缘类电器,其它类电气设备可有不同系数)。
操作过电压的保护水平是操作冲击电流下的最大残压。
按惯用法进行绝缘配合时,设备的绝缘水平与避雷器保护水平比值为配合系数。
1、雷电过电压配合系数:避雷器紧靠被保护设备时>1.25避雷器非紧靠被保护设备时>1.42、操作过电压配合系数>1.15避雷器的选择与安装雷鸣闪电,是常见的自然现象。
由于社会经济的发展,一方面高楼林立,且越来越高,使地面与雷云之间的距离缩短;另方面,工厂、汽车等排出的废气越来越多,污染了空气,使空气中的微粒增加,既利于雷云的形成,也利于雷电流的传导。
所以,多雷的珠江三角洲,雷越来越多、越来越强、越来越低,给人们的生产和生活带来极大的威胁。
每年因雷击造成的建筑物或设备的损坏越来越严重。
不少单位、家庭都遭受雷电的威胁和侵袭,使人们逐步意识到防雷的重要性。
雷电灾害分直击雷和感应雷两种,建筑物上安装符合要求的避雷针(带),能比较有效地防止直击雷的侵害。
感应雷害是避雷针(带)所不能防御的。
感应雷侵害的范围广,它不管建筑物的高矮,只要有电源线或讯号线引入的地方,数公里以外产生雷电,都有可能受到感应,使设备遭受损坏。
在电力配电线路中,常用的避雷器有:阀型避雷器、管型避雷器、氧化锌避雷器等,低压配电系统提倡选用低压氧化锌避雷器。
氧化锌阀片在正常运行电压下,阀片的电阻很高,仅可通过微安级的泄漏电流。
但在强大的雷电流通过时,却呈现很低的电阻,使其迅速泄入大地,实现限压分流的目的。
阀片上的残压几乎不随通过电流的大小而变化,时常维持在小于被保护电器的冲击试验电压,使设备的绝缘得到保护,雷电流过后又恢复到原绝缘状态。
氧化锌避雷器具有优异的非线性伏安特性,残压随冲击电流波头时间的变化特性平稳,陡波响应特性好,没有间隙击穿特性和灭弧问题。
其电阻片单位体积吸收能量大,还可以并联使用,所以在保护超高压长距离输电系统和大容量电容器组特别有利。
对于低压配电网的保护也很适合,是低压配电网的主要保护措施。
在避雷器使用前,都应该对其有关技术参数进行测量,以确保避雷器安装质量。
1 绝缘电阻的测量对35kV及以下氧化锌避雷器用2500V兆欧表摇测,每节的绝缘电阻应不低于1000MΩ。
进口氧化锌避雷器每节的绝缘电阻一般按厂家的标准。
如日本明电舍规定:对ZSE-C2Z型294kV氧化锌避雷器应使用1000V兆欧表,绝缘电阻不低于2019MΩ。
2 测量直流和泄漏电流测量直流电压U1mA及75%U1mA电压下的泄漏电流,目的是为了检查其非线性特性及绝缘性能。
U1mA为试品通过1mA直流时,被试避雷器两端的电压值。
《规程》规定:1mA电压值U1mA与初始值比较,变化应不大于±5%。
0.75U1mA电压下的泄漏电流应不大于50μA。
也就是说,在电压降低25%时,合格的氧化锌避雷器的泄漏电流大幅度降低,从1000μA降至50μA以下。
若U1mA电压下降或0.75U1mA下泄漏电流明显增大,就可能是避雷器阀片受潮老化或瓷质有裂纹。
测量时,为防止表面泄漏电流的影响,应将瓷套表面擦净或加屏蔽措施,并注意气候的影响。
一般氧化锌阀片U1mA的温度系数约为(0.05~0.17)%/℃,即温度每增高10℃,U1mA约降低1%,必要时可进行换算。
3 运行电压下交流泄漏电流测量用LCD-4型检测仪可以测得运行电压下避雷器的泄漏电流(全电流)及其有功分量(阻性电流)和无功分量(容性电流)、功率损耗Px等。
试验研究表明:当氧化锌避雷器阀片受潮或老化时,阻性电流幅值增加很快,因此监测阻性电流可以有效地监测避雷器绝缘状况。
《规程》规定:当泄漏电流有功分量增加到2倍初始值时,应停电进行检查。
国内有些单位自己制定了某些判断标准,如有的单位规定,当330kV氧化锌避雷器的阻性电流峰值超过0.3mA、110~220kV,氧化锌避雷器的阻性电流峰值超过0.2mA或测量值较初始值明显增加时,应进行停电试验,以判断绝缘优劣。
低压架空线路分布很广,尤其在多雷区单独架设的低压线路,很容易受到雷击。
同时,低压架空线直接引入用户时,低压设备绝缘水平很低,人们接触的机会又多,因此必须考虑雷电沿着低压线侵入屋内的防雷保护措施。
其具体措施如下:(1)3~10kV Y/Y或Y/Y接线的配电变压器,宜在低压侧装一组阀型避雷器或保护间隙。
变压器低压侧为中性点不接地的情况,应在中性点处装设击穿保险器;(2)对于重要用户,宜在低压线路引入室内前50m处,安装一组低压避雷器,入室后再装一组低压避雷器;(3)对于一般用户,可在低压进线第一支持物处,装一组低压避雷器或击穿保险器,亦可将接户线的绝缘子铁脚接地,其工频接地电阻不应超过30Ω;(4)对于易受雷击的地段,直接与架空线路相连接的电动机或电度表,宜加装低压避雷器或间隙保护,间隙距离可采用1.5~2mm,也可以采用通讯设备上用的500V放电间隙保护。
电源避雷器原则上与负载并联,目的是把雷电电压峰值限制在电器可以承受的范围内。
在比较筛选合格的避雷器后,在安装时还应考虑线路敷设和接地处理问题。
根据保护对象,对雷电压敏感情况,适度考虑屏蔽处理。
屏蔽是指利用各种屏蔽体来阻挡、衰减施加在电子设备上的电磁干扰和过电压能量。
屏蔽可以大到整栋楼层,小到设备机房、电缆线等。
测量结果表明:电缆屏蔽一端接地,可将高频干扰电压降低一个数量级,屏蔽两端接地,可降低两个数量级。
因此,屏蔽处理是线路敷设和避雷器安装必不可少的一项内容。
避雷器安装后,必须提供良好的接地装置,使雷电流迅速流向大地。
对于通信系统的直接接地,计算机网络系统的逻辑接地,与电源的工作接地、安全接地应该作等电位处理。
由广东省各市雷电灾害调查统计表中各项调查数据可知,感应雷所造成的经济损失,远比直击雷造成的损失大得多。
因此,在完善建筑物防直击雷设施的同时,亦应着重考虑设备的防感应雷设施,达到综合防雷要求,将雷电所带来的经济损失降到最低程度并联电容器装置保护用氧化锌避雷器的选型问题1 以往只考虑操作过电压和雷电过电压水平的避雷器选型及弊端国家标准规定,系统供电端电压应略高于系统的标称电压(或额定电压)Un的K倍,即K=Um/Un(Um是系统最高电压)。
电气设备的绝缘应能在Un下长期运行。
220kV及以下系统的K为1.15,330kV及以下系统的K=1.1。
避雷器设计的初期也遵守上述原则。
氧化锌避雷器之前是SiC避雷器。
10kV及以下SiC避雷器的灭弧电压设计是定在系统最高运行电压的1.1倍;35kVSiC避雷器的灭弧电压等于系统最高电压;110kV及以上SiC避雷器的灭弧电压为系统最高电压的80%。
对应以上的倍数分别有110%避雷器、100%避雷器和80%避雷器。
我国使用氧化锌避雷器初期,其额定电压是以SiC避雷器的灭弧电压为参考作设计的。
早期的6kV、10kV和35kV避雷器均遵守上述原则,如:Y5WR -7.6/26、Y5WR-12.7/45、Y5WR-41/130。
而最大长期工频工作电压为系统最高相电压,如Y5WR-12.7/45为:2 保证在单相接地过电压下运行且电力系统安全情况下的避雷器选型及必要性从安全运行角度,避雷器的额定电压的选择还应遵守如下原则:①氧化锌避雷器的额定电压,应该使它高于其在安装处可能出现的工频暂态电压。