晶闸管(可控硅)调功器的使用方法
- 格式:pdf
- 大小:220.57 KB
- 文档页数:4
晶体管电路的调试方法一、为什么必须对电路进行调试由晶体管放大电路的知识可知:晶体管在输入交流信号的同时,必须叠加一个直流电压,使被放大的信号不致产生失真。
为晶体管提供发射结正向偏压的直流偏置电路有图1中的a、b、c、d四种。
在各类偏置电路中,只有将晶体管集电极电流Ic调整在一个适当的范围内,才能保证晶体管的正常工作。
在电源电压Ec、集电极负载电阻Rc、发射极电阻Re(指图1c、d电路)一定时,Ic仅由晶体管电流放大系数β和基极电阻(称偏流电阻)Rb决定。
收音机各级偏置电路中的静态Ic值,都是针对晶体管一定的β值而设定的。
由于同一型号的晶体管的β值存在差异,我们在设置一级放大电路或更换晶体管时,都必须通过调整Rb来获得合适的Ic。
这一调整过程就是电路的调试,其实质是为晶体管寻求一个理想的工作点。
二、电路调试的基本方法调试之前必须弄清楚Rb的变化是如何改变Ic的。
在图1的a、b、c电路中,Rb是唯一的。
并且都是Rb增大时,Ic减小、Rb减小时Ic增大。
而在d电路中,调整Rb1和Rb2均可改变Ic,Rb1增大时Ic减小,但Rb2增大时Ic却亦增大,一般都通过调整Rb1来改变Ic。
电路调试的具体步骤如下:1.选取一只定值电阻和一只电位器(或微调电阻),串联后接入电路用以代替偏流电阻Rb。
定值电阻能对晶体管起保护作用,其阻值一般取电路图上标注的偏流电阻(标有★号)Rb阻值的一半。
而电位器的阻值通常取Rb的1~2倍。
例如电路图上Rb为62k时,可取30k的定值电阻与5lk~100k的电位器串联。
在调试开始前还应将电位器的阻值调至最大。
2.找到电路板上连接晶体管集电极与电源正极(指NPN管,下同)的铜箔条,条上一般都设计有一个供检测用的缺口(如若没有,可自行用刀片刻断铜箔条形成lmm宽的缝隙)。
将万用表直流毫安挡串联接入缺口,红表笔接电源正极一侧,黑表笔接集电极一侧,见图2。
毫安表的量程应为Ic值的2倍。
例如:需调Ic 为2.5—3mA时,可选用5mA挡。
可控硅的基本工作原理及在调光器中的使用篇一:led可控硅调光原理及问题LED晶闸管调光原理及问题时间:2021-11-1920:26:44来源:作者:1.前言如今,led照明已成为一项主流技术。
led手电筒、交通信号灯和车灯比比皆是,各个国家正在推动用led灯替换以主电源供电的住宅、商业和工业应用中的白炽灯和荧光灯。
换用高能效led照明后,实现的能源节省量将会非常惊人。
仅在中国,据政府*估计,如果三分之一的照明市场转向led产品,他们每年将会节省1亿度的用电量,并可减少2900万吨的二氧化碳排放量。
然而,仍有一个障碍有待克服,那就是调光问题。
白炽灯可以通过使用简单、低成本的前沿晶闸管调光器轻松实现调光。
因此,这种调光器随处可见。
固态照明替换灯必须能够使用现有的控制器和电路来实现调光,如果它们想要真正成功的话。
白炽灯泡是调光的理想选择。
具有讽刺意味的是,它们的低效率和由此产生的高输入电流是调光器正常工作的主要因素。
白炽灯泡中灯丝的热惯性也有助于掩盖调光器引起的任何不稳定性或振荡。
在尝试调光LED灯的过程中存在很多问题,往往会导致闪烁等意外情况。
为了找出原因,有必要了解晶闸管调光器的工作原理、LED灯技术以及它们之间的关系。
2.可控硅调光的原理图1显示了典型的前沿晶闸管调光器及其产生的电压和电流波形。
图1前沿可控硅调光器电位计R2调整双向晶闸管的相位角。
当vc2超过diac的击穿电压时,双向晶闸管将在每个交流电压的前端开启。
当晶闸管电流降至其保持电流(IH)以下时,晶闸管将关闭,并且在下半个循环中C2重新充电之前无法再次打开。
灯泡灯丝中的电压和电流与变光信号的相位角密切相关,相位角从0度(接近0度)到180度不等。
3.led调光存在的问题用于取代标准白炽灯的LED灯通常包含一个LED阵列,以确保均匀照明。
这些LED是串联的。
每个LED的亮度由其电流决定。
LED的正向压降约为3.4V,通常在2.8V和4.2V之间。
秦皇岛凯维科技有限公司一、电加热调功系统介绍1电加热调功系统概况IKWS-V型可控硅控制器,继承了IKWS-III型控制器的优点.并在它的基础上,研制开发的新一代控制系统.其核心采用目前处于技术领先地位,Philips公司生产的高可靠性和稳定性的ARM内核的计算机芯片.1991年ARM公司成立于英国剑桥,主要出售芯片设计技术的授权。
目前,采用ARM技术知识产权(IP)核的微处理器,即我们通常所说的ARM微处理器,已遍及工业控制、消费类电子产品、通信系统、网络系统、无线系统等各类产品市场,基于ARM技术的微处理器应用约占据了32位RISC微处理器75%以上的市场份额,ARM技术正在逐步渗入到我们生活的各个方面。
ARM是微处理器行业的一家知名企业,拥有大量高性能、耗能低的处理器,并配以相关技术及软件。
超大规模集成电路,能快速地采集和处理多路数据,具有较高的控制精度和速度,该芯片是一个嵌入式的实时操作系统,IKWS-V是由这种芯片组成的控制系统,该芯片是32位微处理器,该系统配此芯片并采用模块化设计的系统软件,使用户在决定应用何种控制方式时,进行简单的设置即可实现,从而实现了操作简单化,功能模块化,显示人性化,该系统选配七英寸低功耗触摸液晶显示器,可以同时显示采集到的电压、电流的数值、当前控制方式,系统工作状态、报警信息及历史纪录、当前年月日时间显示。
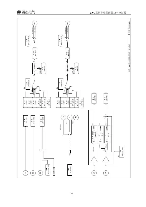
电加热调功系统主要由电源部分、控制系统部分、可控硅部分,负载部分组成,见图1 。
本系统采用IKWS-V 型可控硅调整器,方框图如下:4控制系统的功能和特点1.采用高性能检测器件,三相同步侦测技术,实现过零检测,抗干扰能力增强。
2.三相电源自动相序检测,触发时序自适应,简化安装与接线工作。
3.运用全数字脉冲串触发,优选最佳数字控制脉冲频率为6kHz 。
ARM 计算机主控单元 七英寸液晶触摸显示器ARM 计算机控制采集单元故障报警 变压器温度检测报警 触发单元主回路可控硅单元加热元件4.电压、电流采用真有效值检测,采样频率高达10kHz,有效提高输出控制精度。
晶闸管智能调功器的基础知识
一、关于电压、电流、电阻、负载等基本概念。
1.文字4P
2.图纸1P(曲线)
3.图纸1P(负载的四种接法)
二、晶闸管智能调功器的作用
1.几乎所有的用电设备都需要进行控制。
例如控制速度、压力或者温度。
对于加热设备,通常需要进行温度控制。
2.晶闸管智能调功器是一种对电加热设备进行温度控制的装置。
3.晶闸管智能调功器的作用及工作原理
作用:通过对电加热设备(负载)的电流或电压进行调整,达到控制器温度的目的。
原理:通过改变晶闸管(可控硅)的导通频率,或改变其导通角度,实现对负载电流或电压的改变。
(结合下一节进行详细介绍)
三、如何实现晶闸管智能调功器的控温作用
1.最简单的人工控温系统
2.有触电的自动控温系统
3.无触点的自动控温系统
图纸1P(几种不同的温控系统)
四、晶闸管智能调功器的工作原理
图纸1P(原理图)
五、晶闸管智能调功器的具体结构
1.调功器的主要部件:
主回路单元
周波控制器、温控仪(或PLC)
2.调功器的辅助部件:
断路器、电压表、电流表(电流互感器)、指示灯等
3.箱式晶闸管智能调功器
4.柜式晶闸管智能调功器
5.模块化(一体化)晶闸管智能调功器。
晶闸管控制器的使用方法及维护说明一、设备简介:KTY3S系列全数字三相晶闸管功率控制器,采用全数字化设计,集开环控制、恒电压、恒电流、恒功率、调功控制、LZ控制(相位/过零综合控制)等功能于一体。
优化的硬件设计,强大的软件功能,广泛应用于三相电力功率控制;标准的通讯接口和通讯协议,可以进行网络控制。
适用于阻性负载、感性负载、变压器一次侧。
二、操作面板:RUN: 运行指示灯。
工作时亮。
STOP: 停机指示灯。
故障或停机时亮。
A/M: 自动/手动指示灯。
当给定选择 1(1.15连接的信号为 1 时亮。
FAULT: 故障指示灯。
故障时,此灯闪烁。
三、操作方法:KTY3S 系列功率控制器设有 10 个常用子菜单,每个子菜单下设有数目不等的参数单元如图:下图以参数连接开关 1.11(给定 1)由默认连接 7.11(AI1 参数)改至连接到参数连接器 7.03(参数 1),实现键盘数字给定或者通讯修改 7.03 参数给定信号为例,说明参数的修改方法。
下图为数字或字母与7段LED数码管显示符号对照:四、参数设定:在连退5#连退线上电加热炉晶闸管控制器参数应按照以下参数设定:4.11=0(信号类型) 3.05=380(额定输出电压) 3.06=341(额定输出电流)2.12=0(负载性质) 2.14=0(触发选择1) 2.16=20(过零触发周期)6.02=8.15(故障复位) 4.28=8.21(Y1输出源) 4.29=8.38(Y2输出源)五、故障处理及保养维护:故障处理KTY3S 功率控制器具有多种保护功能。
出现故障时,控制器会自动保护,同时显示相应故障代码;用户可以根据故障代码确定故障范围,作相应处理对策。
如果显示板无显示,检查各控制板之间的连接线缆是否正确。
在控制器出现故障时,其故障代码及处理方法如下表:保养及维护由于环境的温度、湿度、粉尘及振动的影响,控制器内部的器件老化等诸多原因,都有可能导致控制器发生故障。
晶闸管的工作原理与应用晶闸管,又称为可控硅器件,是一种半导体器件,通过控制电流的输入使其在导通和关断之间切换,从而实现电能的控制和调节。
下面将详细介绍晶闸管的工作原理和应用。
晶闸管是由PNP型晶体管和PNP型二极管组成的四层结构。
它具有三个电极,分别是阳极(A端)、阴极(K端)和控制极(G端)。
晶闸管的工作原理可概括为以下五个阶段:1.断电状态:当外电源施加在晶闸管的阳极和阴极之间时,控制极无电压,晶闸管处于关断状态。
2.触发状态:当控制极施加一个正向电压时,晶闸管开始被触发,进入导通状态。
在此状态下,晶闸管的阳极和阴极之间的电流(也称为主电流)开始流动。
3.工作状态:一旦晶闸管被触发,晶闸管将持续一直到主电流下降到零。
即使控制极上施加的电压被移除或降低,晶闸管仍然保持导通。
4.关断状态:当主电流下降到零时,晶闸管将自动关断。
在此状态下,晶闸管的阻断电压(也称为封闭电压)为控制极和阳极之间的电压。
5.关断恢复状态:一旦晶闸管被关断,即使在问题电压下晶闸管的条件保持一段时间,它仍然不会被重新触发。
要重新触发晶闸管,需要重新施加电压来打开控制极。
晶闸管的应用:晶闸管具有较高的电流和电压承受能力,以及快速的开关速度,因此在各种电子和电力电路中得到广泛应用。
以下是晶闸管的主要应用领域:1.调光控制:晶闸管可以通过调整导通角来实现灯的亮度调节,用于家庭照明、道路照明等领域。
2.功率控制:晶闸管可以用于电力系统中的负载控制,如电动机调速、电阻炉加热控制等。
3.电源开关:晶闸管可以用于交流电源的整流和开关过程,实现直流电源的输出。
4.频率变换:晶闸管可以用于交流调制,实现交流电的频率变换。
5.电压调节:晶闸管可以作为稳压器,控制输出电压来保护负载设备。
6.电力因数校正:晶闸管可以用于改善电力系统的功率因数,提高系统效率。
7.电流开关:晶闸管可以用于过电流保护,当电流超过预设值时,晶闸管将自动关断以保护电路和设备。
zAc10c说明书
zAc10c周波控制器说明书:
概述
zAc10c周波控制器又称晶闸管(可控硅)交流调功器(semiconductor AC Power Contrcller),是半导体功率控制器的一种,是国际流行的新型无触点功率控制器。
用途
zAc10c周波控制器可与各种控温仪表、双向晶闸管(TRIAC)或反并联晶闸管(SCR)组成先进的PID调节自动/手动控温系统。
zAc10c周波控制器内装控制器和触发器,可完成晶闸管过零触发、手动控温、加热功率指示、过载保护等功能。
zAc10c周波控制器主要用于电阻炉、电热器、电烘箱等电热设备的温度控制。
是电炉、热处理、化工、轻工、塑料、喷涂、电子、食品等工业设备更新换代的新型控温装置。
特点
定周期或变周期改变输出周波数,连续调节输出功率,精度高,温度波动小。
各型号周波控制器均可触发双向晶闸管或反并联晶闸管,对晶闸管触
发电流及电流、电压上升率无需挑选。
正弦波过零触发,晶闸管输出完整的正弦波,其辐射干扰、传导干扰及负载电流的瞬态浪涌也最小。
触发电路在正弦波过零时发出一连串脉冲列,触发小晶闸管,小晶闸管对大电流(5~3000A)晶闸管强触发,快速开通,晶闸管不易损坏。
晶闸管运行时无噪音,寿命长,功率高(COSΦ=1),有利于节约电能。
简介晶闸管调功器1.什么是晶闸管调功器晶闸管调功器是一种以晶闸管(电力电子功率器件)为基础,以智能数字控制电路为核心的电源功率控制电器,简称晶闸管调功器。
由于晶闸管又俗称可控硅,所以晶闸管调功器又被叫做可控硅调功器,可控硅调整器,可控硅调压器,晶闸管调整器,晶闸管调压器,电力调整器,电力调压器,功率控制器等等。
2.晶闸管调功器具有的优点晶闸管调功器具有效率高、无机械噪声和磨损、响应速度快、体积小、重量轻等诸多优点。
晶闸管调功器通过对电压、电流和功率的精确控制,从而实现精密控温。
并且凭借其先进的数字控制算法,优化了电能使用效率,对节约电能起了重要作用。
3.晶闸管调功器的分类从功能上(触发方式)分可分为:a.过零触发过零触发又分为:变周期过零触发和定周期过零触发。
b.移相触发移相触发可进行电压反馈、电流反馈、功率反馈。
4.晶闸管调功器的应用领域晶闸管调功器广泛应用于以下领域:电炉工业:退火炉,烘干炉,淬火炉,烧结炉,坩埚炉,隧道炉,熔炉,箱式电炉,井式电炉,熔化电炉,滚动电炉,真空电炉,台车电炉,淬火电炉,时效电炉,罩式电炉,气氛电炉,烘箱,实验电炉,热处理,电阻炉,真空炉,网带炉,高温炉,窑炉,电炉等。
机械设备:包装机械,注塑机械,热缩机械,挤压机械,食品机械,回火设备,塑料加工,红外加热等。
玻璃工业:玻璃纤维,玻璃成型,玻璃融化,玻璃印制,浮法玻璃生产线,退火槽等。
汽车工业:喷涂烘干,热成型等。
焊接工业:高频焊接等。
节能照明:隧道照明,路灯照明,摄影照明,舞台灯光等。
化学工业:蒸馏蒸发,预热系统,管道加热,石油化工,温度补偿等。
其它行业:盐浴炉,工频感应炉,淬火炉温控,热处理炉温控,金刚石压机加热,大功率充磁/退磁设备等。
航空电源调压,中央空调电加热器温控,纺织机械,水晶石生产,粉末冶金机械,彩色显像管生产设备,冶金机械设备,石油化工机械,灯光平滑调节,恒压恒流恒功率控制等领域。
晶闸管调功器与带0-5V、4-20mA的智能PID调节器或PLC配套使用;主要用与工业电炉的加热节能控制、大型风机水泵软启动运行控制。
晶闸管调功器的使用方法晶闸管(又称为可控硅)调功器是一种用于控制交流电压和电流的电子器件,广泛应用于工业控制、电力调节和电动机调速等领域。
本文将详细介绍晶闸管调功器的使用方法。
首先,安装晶闸管调功器前需要确保系统断电,安装正确接线,接地可靠,以确保操作的安全性。
接下来,按照以下步骤使用晶闸管调功器。
1.检查调功器的电源输入,包括电压和频率,确保与系统要求相符。
将电源线接入到调功器的电源输入端口。
2.连接负载端。
将负载线连接到调功器的负载输出端口。
负载线和负载设备的接线需要符合电路设计要求,确保系统的稳定性。
3.连接控制信号。
晶闸管调功器一般具有外部控制接口,用于接收控制信号来调节输出电压和电流。
根据具体的设计,将控制信号线连接到对应的控制接口。
4.开机前检查。
在通电前,确保所有接线牢固可靠,避免短路或漏电等安全问题。
同时,检查控制信号是否接入正确。
5.加电。
打开电源开关,开始通电。
调功器一般具有指示灯,用于显示工作状态,检查指示灯是否正常亮起。
6.设置输出参数。
根据需求,通过控制信号来调节输出电压和电流。
可以通过改变控制信号的频率、脉冲宽度等方式来实现。
7.监测和调试。
在调功器工作期间,通过监测输出信号来检查调功器的工作状态。
可以使用示波器、电压表等设备来监测电压和电流波形,并确保其满足要求。
需要注意的是,在使用晶闸管调功器时1.高压注意事项。
晶闸管调功器通常用于高压和高功率的应用,因此在操作过程中应特别注意防止电击和电弧等危险。
2.温度控制。
晶闸管调功器在工作时会产生一定的热量,因此应确保调功器的散热能够正常工作,防止过热造成设备损坏。
3.维护保养。
定期维护调功器,清洁散热器和接线端子,检查电源线和控制信号线是否松动。
4.调节范围。
根据具体的设备和应用,了解晶闸管调功器的调节范围,以确保其可以满足系统的要求。
总结起来,晶闸管调功器是一个非常有用的电子设备,可以控制交流电压和电流,实现电源调节和电动机调速等功能。
JS36 系列三相晶闸管电压调整器用户手册上海杰顿自动化科技有限公司 电话:021-********(三线自动)传真:021-********http:e_mail: sales@目 录1 序 言Preliminary Remarks ⋯⋯⋯⋯⋯⋯⋯⋯⋯⋯⋯⋯⋯⋯⋯⋯⋯⋯⋯⋯⋯⋯⋯⋯⋯⋯⋯⋯⋯⋯⋯⋯⋯⋯⋯⋯⋯⋯⋯⋯⋯⋯⋯⋯⋯⋯--⋯⋯⋯⋯⋯⋯⋯⋯3-42 三相晶闸管调整器JS36系列Three Phase Thyristor Regulator Series JS36⋯⋯⋯⋯⋯⋯⋯⋯⋯⋯-⋯⋯⋯5-133 故障处理及维护Exception Handles ⋯⋯⋯⋯⋯⋯⋯⋯⋯⋯⋯⋯⋯⋯⋯⋯⋯⋯⋯⋯⋯⋯⋯⋯⋯⋯⋯⋯⋯⋯⋯⋯⋯⋯⋯⋯⋯⋯⋯⋯⋯⋯⋯⋯⋯⋯--⋯13序言感谢您使用杰顿公司生产的JS 系列三相晶闸管交流调整器。
JS 系列三相晶闸管交流调压/调功器,是移相触发型和过零触发型的晶闸管电力控制器。
调整器具有过流、缺相、晶闸管过热等多种保护功能;可广泛应用于工业各领域的电压、电流、功率的调节,适用于电阻性负载、电感性负载、变压器一次侧等,主要应用如下:◇ 以镍铬、铁铬铝、远红外发热元件及硅钼棒、硅碳棒等为加热元件的温度控制。
◇ 盐浴炉、工频感应炉、淬火炉、熔融玻璃的温度控制。
◇ 整流变压器、电炉变压器一次侧控制。
◇ 三相力矩电动机的速度控制。
◇ 电压、电流、功率、灯光等无级平滑调节。
◇恒压、恒流、恒功率控制。
1.1 开箱检查注意事项在开箱时,请认真确认:1.在运输过程中是否有破损现象;2.本机铭牌的额定值是否与您的订货要求一致。
如发现某种遗漏,请速与我们或供货商联系解决。
1.2 型号定义额定输出电流1单相,2两控三相,3三相图1-1 型号定义1.3 安全注意事项“危险”与“注意”的定义:由于没有按要求操作,可能造成严重设备损坏或人员伤亡的场合。
1.3.1 安装调整器应安装在金属等不可燃物上,否则有发生火灾的危险。
可控硅功率调节器原理
可控硅功率调节器是一种用于调节交流电的功率输出的装置。
它采用了可控硅(又称晶闸管)作为主要控制元件。
可控硅是一种具有双向导通能力的电子开关,它可以在控制信号的作用下,将交流电进行周期性控制。
可控硅功率调节器的工作原理是利用可控硅的导通和截止特性,通过改变可控硅的触发角来控制电压和电流的输出。
当控制信号为触发脉冲时,可控硅工作于导通状态,使得电压或电流得以通过;当控制信号为截止脉冲时,可控硅工作于截止状态,使得电压或电流无法通过。
可控硅功率调节器由触发电路、保护电路和负载组成。
触发电路通过控制信号的触发脉冲来控制可控硅的导通和截止,从而改变电压或电流的输出。
保护电路用于保护可控硅免受过电流和过压的损害,保证可控硅的正常工作。
负载则是需要输出功率调节的设备或系统。
在实际应用中,可控硅功率调节器可以实现电压调整、电流调整和功率调整。
通过改变控制信号的触发角,可以控制导通时间和截止时间的比例,进而改变电压或电流的幅值,实现对功率的精确调节。
可控硅功率调节器在工业控制、电力调节和变频调速等领域中有着广泛的应用。
晶闸管(可控硅)调功器的使用方法
一、概述
在工业现代化向工业4.0发展中北京富安时公司研发用晶闸管调功器SCR作为开关交流电的应用的控制器,一般控制交流电的时候,我们会使用交流接触器等SSR很多种方法,如:
1、使用继接触器
2、使用大功率的三极管或IGBT来控制:
3、使用整流桥加三极管:
4、使用两个SCR来控制:
5、使用一个Triac来控制:
晶闸管(Thyristor)又叫可控硅,按照其工作特性又可分单向可控硅(SCR)、双向可控硅(TRIAC)。
其中双向可控硅又分四象限双向可控硅和三象限双向可控硅。
同时可控硅又有绝缘与非绝缘两大类,如ST的可控硅用BT名称后的“A”、与“B”来区分绝缘与非绝缘。
单向可控硅SCR:全称Semiconductor Controlled Rectifier(半导体整流控制器)
双向可控硅TRIAC:全称Triode ACSemiconductor Switch(三端双向可控硅开关),也有厂商使用来表示双向可控硅或SSR。
二、可控硅的控制模式
现在我们来看一看通常的可控硅控制模式
1、On/Off控制:
对于这样的一个电路,当通过控制信号来开关Triac时,我们可以看到如下的电流波形
通常对于一个典型的阻性的负载使用该控制方法时,可以看到控制信号、电流、相电压的关联。
2、相角控制:
也叫导通角控制,其目的是通过触发可控硅的导通时间来实现对电流的控制,在简单的马达与调光系统中多可以看到这种控制方法
在典型的阻性负载中,通过控制触发导通角a在0~180之间变化,从而实现控制电流的大小。