地表水评价等级及范围
- 格式:ppt
- 大小:1003.00 KB
- 文档页数:104
地表水评价等级的划分地表水是指地球表面上的湖泊、河流、水库、水塘等自然形成的水体,也包括人工修建的水体。
地表水的质量直接关系到人类的生活和健康,因此评价地表水的质量等级非常重要。
对地表水的评价等级划分,一般可以从以下几个方面进行考虑:一、水质指标地表水的质量主要通过一些水质指标来评价,如溶解氧、氨氮、总氮、总磷、化学需氧量、五日生化需氧量等。
根据这些指标的含量,可以将地表水的质量等级划分为优、良、轻度污染、中度污染和重度污染五个等级。
二、水体透明度水体透明度是评价地表水质量的重要指标之一,透明度主要受到悬浮物质、浊度和溶解物质等因素的影响。
透明度较高的水体一般质量较好,反之则质量较差。
三、水体颜色水体颜色是反映地表水质量的重要指标之一,一般可分为无色、浅黄、深黄、灰黑等几个等级。
颜色较浅的水体一般质量较好,反之则质量较差。
四、水体气味水体气味也是评价地表水质量的重要指标之一,水体气味一般可分为无味、异味、恶臭等几个等级。
无味的水体一般质量较好,异味或恶臭的水体则质量较差。
五、水体生物水体中的生物也是评价地表水质量的重要指标之一,水体中的生物种类和数量可以反映出水体的富营养化程度和生态环境的健康状况。
水体中生物的丰富多样性和数量较多的水体一般质量较好,反之则质量较差。
根据以上几个方面的评价指标,可以将地表水的质量等级划分为优、良、轻度污染、中度污染和重度污染五个等级。
优质水体具有清澈透明、无色无味、富含溶解氧、无污染物质和富含生物等特点,适合人类生活和生产使用。
良好水体在一些指标上可能稍有不足,但对人类生活和生产影响较小。
轻度污染、中度污染和重度污染水体则对人类生活和健康产生较大的影响,需要采取相应的治理措施。
评价地表水的质量等级对于保护水资源、维护生态环境和人类的健康至关重要。
通过合理的评价等级划分,可以引导人们正确对待和使用地表水资源,同时也能够推动相关部门采取必要的措施保护和治理地表水资源,确保人类的生活安全和健康。
地表水二类水质标准地表水是指地球表面自然形成的水体,包括江河、湖泊、水库等。
地表水的水质直接关系到人类的生活和健康,因此对地表水的水质进行监测和评价就显得尤为重要。
地表水的水质标准分为不同等级,其中二类水质标准是指地表水的优良水质标准之一。
下面将对地表水二类水质标准进行详细介绍。
地表水二类水质标准是指地表水的水质达到GB 3838-2002《地表水环境质量标准》规定的二类标准。
根据该标准,地表水二类水质标准的主要指标包括溶解氧、化学需氧量、氨氮、总磷、PH值、五日生化需氧量、铬、铅、汞等多项指标。
其中,溶解氧是评价水体富氧情况的重要指标,化学需氧量和五日生化需氧量则是评价水体有机污染程度的重要指标,而氨氮、总磷、PH值则分别反映了水体对生物的适宜性、富营养化程度和酸碱度情况。
此外,铬、铅、汞等重金属的含量也是评价水体是否受到重金属污染的重要指标。
在地表水二类水质标准中,溶解氧的标准要求是每升水体中不低于7毫克,化学需氧量的标准要求是每升水体中不高于15毫克,五日生化需氧量的标准要求是每升水体中不高于20毫克,氨氮的标准要求是每升水体中不高于1.5毫克,总磷的标准要求是每升水体中不高于0.2毫克,PH值的标准要求是在6.5-8.5之间,铬、铅、汞等重金属的标准也有详细规定。
只有当地表水的各项指标都符合以上标准要求时,才能被评定为二类水质。
地表水二类水质标准的制定是为了保护地表水资源,维护生态平衡,保障人类健康。
只有地表水的水质达到二类水质标准,才能够被安全地用于饮用水源地、游泳场所、水产养殖等用途。
此外,地表水二类水质标准的制定也对于水环境的保护和治理起到了重要的指导作用,有利于减少水体污染,改善水质,保护水资源。
在日常生活中,我们应当重视地表水的保护和管理,避免向地表水中排放污水和废弃物,减少化肥农药等化学物质对地表水的污染,保持河湖湿地的生态平衡,共同努力维护地表水的良好水质。
同时,政府部门也应当加强地表水的监测和管理工作,严格执行地表水二类水质标准,加大对违法排放行为的打击力度,保护地表水资源,保障人民群众的生活用水安全。
地表水劣五类水质标准
为贯彻《环境保护法》和《水污染防治法》,加强地表水环境管理,防治水环境污染,国家环保总局与国家质量监督检验检疫总局联合发布。
《地表水环境质量标准》,该标准为强制性标准,二00二年四月二十六日颁布。
劣五类水,污染程度已超过五类的水。
Ⅰ类(一类地表水)主要适用于源头水、国家自然保护区;
Ⅱ类(二类地表水)主要适用于集中式生活饮用水地表水源地一级保护区、珍稀水生生物栖息地、鱼虾类产场、仔稚幼鱼的索饵场等;
Ⅲ类(三类地表水)主要适用于集中式生活饮用水地表水源地二级保护区、鱼虾类越冬场、洄游通道、水产养殖区等渔业水域及游泳区;
Ⅳ类(四类地表水)主要适用于一般工业用水区及人体非直接接触的娱乐用水区;
Ⅴ类(五类地表水)主要适用于农业用水区及一般景观要求水域。
对应地表水上述五类水域功能,将地表水环境质量标准基本项目标准值分为五类,不同功能类别分别执行相应类别的标准值。
水域功能类别高的标准值严于水域功能类别低的标准值。
同一水域兼有多类使用功能的,执行高功能类别对应的标准值。
实现水域功能与达功能类别标准为同一含义。
劣五类水,污染程度已超过V类的水
劣五类水要靠全民动员
即通过进一步加强环保基础设施建设,加大重点环境问题的整治力度,力争基本消灭劣五类水体,加大水环境保护改善步伐。
改善劣五类水是个系统工程,要依靠各方面的积极参与和共同努力,如企业要严格截污纳管、达标排放,农民要少用化肥农药,养殖业要进行生态化治理,城市居民的洗衣机用水等要自觉纳入污水管排放等等。
全民动员和参与,改善水质必定会有希望。
中国地表水标准
中国地表水标准根据水域环境功能和保护目标,分为五类:
1. 一级水:水质良好,符合饮用水和渔业用水标准,占总评价河流长度的28.1%。
2. 二级水:轻度污染,符合地面水水质卫生标准,可作渔业用水,经处理后可作饮用水,占总长度的39.5%。
3. 三级水:较重污染,可作农业灌溉用水,占总长度的19.5%。
4. 四级水:重污染,不符合农业灌溉要求,占总长度的6%。
5. 五级水:适用于一般工业用水区及人体非直接接触的娱乐用水区。
此外,地表水还根据功能分为以下几类:
1. 类:主要适用于源头水、国家自然保护区。
2. 类:主要适用于集中式生活饮用水地表水源地一级保护区、珍稀水生生物栖息地、鱼虾类产场、仔稚幼鱼的索饵场等。
3. 类:主要适用于集中式生活饮用水地表水源地二级保护区、鱼虾类越冬场、洄游通道、水产养殖区等渔业水域及游泳区。
4. 类:主要适用于一般工业用水区及人体非直接接触的娱乐用水区。
5. 类:主要适用于农业用水区及一般景观要求水域。
以上信息是根据我国相关部门对全国878条河流,总长度为87100k m的河流水体进行综合评价得出的。
地表水标准随着社会经济的发展、地表水恶化以及科技进步,可能会进行相应的调整。
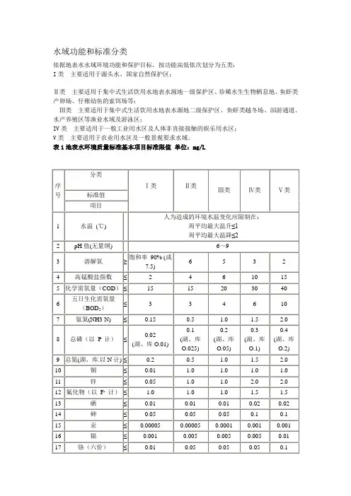
水域功能和标准分类依据地表水水域环境功能和保护目标,按功能高低依次划分为五类:I 类主要适用于源头水、国家自然保护区;Ⅱ类主要适用于集中式生活饮用水地表水源地一级保护区、珍稀水生生物栖息地、鱼虾类产卵场、仔稚幼鱼的索饵场等;类主要适用于集中式生活饮用水地表水源地二级保护区、鱼虾类越冬场、泅游通道、水产养殖区等渔业水域及游泳区;IV 类主要适用于一般工业用水区及人体非直接接触的娱乐用水区;V 类主要适用于农业用水区及一般景观要求水域。
表1地表水环境质量标准基本项目标准限值单位:mg/L序号分类Ⅰ类Ⅱ类Ⅲ类Ⅳ类Ⅴ类标准值项目1水温(℃)人为造成的环境水温变化应限制在:周平均最大温升≤1周平均最大温降≤22pH值(无量纲) 6~93溶解氧≥饱和率90% (或7.5)65324高锰酸盐指数≤2461015 5化学需氧量(COD)≤15152030406五日生化需氧量(BOD5)≤3346107氨氮(NH3-N)≤0.150.5 1.0 1.5 2.08总磷(以P 计)≤0.02(湖、库O.01)0.1(湖、库O.025)0.2(湖、库O.05)0.3(湖、库O.1)0.4(湖、库O.2)9总氮(湖、库.以N计) ≤0.20.5 1.0 1.5 2.0 10铜≤0.01 1.0 1.0 1.0 1.0 11锌≤0.05 1.0 1.0 2.0 2.0 12氟化物(以F-计)≤ 1.0 1.0 1.0 1.5 1.5 13硒≤0.01 0.010.010.020.02 14砷≤0.050.050.050.10.1 15汞≤0.000050.000050.00010.0010.001 16镉≤0.0010.0050.0050.0050.01 17铬(六价)≤0.010.050.050.050.118铅≤0.010.010.050.050.1 19氰化物≤0.0050.050.020.20.2 20挥发酚≤0.0020.0020.0050.010.1 21石油类≤0.050.050.050.5 1.0 22阴离子表面活性剂≤0.2 0.20.20.30.3 23硫化物≤0.050.10.20.5 1.0 24粪大肠菌群(个/L)≤2002000100002000040000表2集中式生活饮用水地表水源地补充项目标准限值单位:mg/L序号项目标准值1硫酸盐(以S0计) 2502氯化物(以C1计)2503硝酸盐(以N计) 104铁0.35锰0.1表3集表3集中式生活饮用水地表水源地特定项目标准限值单位:mg/L序号项目标准值1三氯甲烷0.062四氯化碳0.0023三溴甲烷0.14二氯甲烷0.025 1.2—二氯乙烷0.036环氧氯丙烷0.027氯乙烯0.00581,1—二氯乙烯0.0391,2—二氯乙烯0.0510三氯乙烯0.0711四氯乙烯0.0412氯丁二烯0.00213六氯丁二烯0.000614苯乙烯0.0215甲醛0.916乙醛0.0517丙烯醛0.118三氯乙醛0.0119苯0.0120甲苯0.7序号项目标准值41丙烯酰胺0.0005 42丙烯腈0.143邻苯二甲酸二丁酯0.003 44邻苯二甲酸二(2—乙基己基)酯0.008 45水合阱0.0146四乙基铅0.0001 47吡啶0.248松节油0.249苦味酸0.550丁基黄原酸0.005 51活性氯0.0152滴滴涕0.001 53林丹0.002 54环氧七氯0.0002 55对硫磷0.003 56甲基对硫磷0.002 57马拉硫磷0.0558乐果0.0859敌敌畏0.0521乙苯0.322二甲苯①0.523异丙苯0.25 24氯苯0.3 251,2—二氯苯 1.0 261,4—二氯苯0.327三氯苯②0.02 28四氯苯③0.02 29六氯苯0.05 30硝基苯0.017 31二硝基苯④0.5 322,4—二硝基甲苯0.0003 332,4,6—三硝基甲苯0.534硝基氯苯⑤0.05 352,4—二硝基氯苯0.5 362,4—一氯苯酚0.093 372,4,6—三氯苯酚0.238五氯酚0.009 39苯胺0.140联苯胺0.000260敌百虫0.0561内吸磷0.0362百菌清0.0163甲萘威0.0564溴氰菊酯0.0265阿特拉津0.003 66苯并(a)芘 2.8*10-6 67甲基汞 1.0*10-6 68多氯联苯⑥ 2.0*10-5 69微囊藻毒素—L R 0.001 70黄磷0.003 71钼0.0772钴 1.073铍0.002 74硼0.575锑0.005 76镍0.0277钡0.778钒0.0579钛0.180铊0.0001注:①二甲苯:指对—二甲苯、间—二甲苯、邻—二甲苯。
五类地表水的划分1. 引言地表水是指地球表面的湖泊、河流、湿地、沼泽、遗址等自然水体以及由人工开凿或形成的水体。
地表水是人类生活和经济发展的重要资源,对于维持生态平衡、保障人民生活用水和促进经济可持续发展具有重要的意义。
为了确保地表水的质量安全和合理利用,需要对地表水进行分类和划分。
2. 地表水的水质参数地表水的水质判断主要依据以下一些参数:•温度•pH值•溶解氧•电导率•化学需氧量(COD)•悬浮物•高锰酸盐指数(CODMn)•比电导率(TDS)•铜、铁等重金属离子含量•氨、氮、亚硝酸盐、硝酸盐等营养物质含量•细菌(总大肠菌群、大肠菌群等)3. 五类地表水划分标准根据《地表水环境质量标准》(GB3838-2002)以及相关技术规范,我们将地表水分为五类,分别是特殊用途水、一级水、二级水、三级水和劣V类水。
下面分别对这五类地表水进行详细解释。
3.1. 特殊用途水特殊用途水是指旨在满足特定需求的水,例如饮用水源、保护农田灌溉和鱼类养殖的水源等。
特殊用途水的水质要求最高,对人体健康的危害最小。
特殊用途水存在的主要问题是水源保护和水处理,需要避免污染源的直接排放和间接入侵。
水源保护的关键在于保护源头,禁止开垦保护区,加强生态修复和防护措施。
3.2. 一级水一级水是指供城市、农村居民、园林绿化等饮用的水源。
一级水的水质要求较高,对人体健康的危害较小。
一级水源应当保持清洁,禁止使用有毒、有害物质污染一级水源。
一级水要达到的水质标准包括: - 温度适宜; - pH值在6.5-8.5之间; - 溶解氧不低于5mg/L; - 化学需氧量(COD)不超过15mg/L; - 悬浮物不超过20mg/L;- 无臭、无味、无色。
3.3. 二级水二级水是指供工业和市政供水的水源,主要用于工业生产、生活用水、农业灌溉等。
二级水相对于一级水来说,水质标准要求较低。
二级水要达到的水质标准包括: - 温度适宜; - pH值在6-9之间; - 溶解氧不低于4mg/L; - 化学需氧量(COD)不超过20mg/L; - 悬浮物不超过30mg/L; - 无臭、无味、无色; - 能够满足农业灌溉要求。
地表水三类水质标准参数地表水是指地球上所有陆地水体和人工湖泊、水库、运河、河渠等非海洋水域中的水资源。
根据水质状况的不同,地表水可分为三类:Ⅰ类、Ⅱ类和Ⅲ类。
Ⅰ类水质标准参数:1.总大肠菌群:每升水样中不得检测出。
2.氨氮:不超过0.15毫克/升。
3.总氮(N):不超过1.0毫克/升。
4.总磷(P):不超过0.02毫克/升。
5.溶解氧:不低于6毫克/升。
6.五日生化需氧量(BOD5):不超过3毫克/升。
7.水温:一般不超过25摄氏度。
8.pH值:范围应在6.5到8.5之间。
9.电导率:应低于1500微西门子/厘米。
10.悬浮物:不超过20毫克/升。
11.阴离子表面活性剂(AS):不超过0.1毫克/升。
12.石油类:不超过0.1毫克/升。
Ⅱ类水质标准参数:1.总大肠菌群:每升水样中不得超过20个。
2.氨氮:不超过0.5毫克/升。
3.总氮(N):不超过2.0毫克/升。
4.总磷(P):不超过0.1毫克/升。
5.溶解氧:不低于5毫克/升。
6.五日生化需氧量(BOD5):不超过6毫克/升。
7.水温:一般不超过30摄氏度。
8.pH值:范围应在6.0到9.0之间。
9.电导率:应低于2000微西门子/厘米。
10.悬浮物:不超过30毫克/升。
11.阴离子表面活性剂(AS):不超过0.3毫克/升。
12.石油类:不超过0.2毫克/升。
Ⅲ类水质标准参数:1.总大肠菌群:每升水样中不得超过200个。
2.氨氮:不超过1.5毫克/升。
3.总氮(N):不超过15.0毫克/升。
4.总磷(P):不超过0.5毫克/升。
5.溶解氧:不低于4毫克/升。
6.五日生化需氧量(BOD5):不超过10毫克/升。
7.水温:一般不超过35摄氏度。
8.pH值:范围应在5.0到9.0之间。
9.电导率:应低于4000微西门子/厘米。
10.悬浮物:不超过50毫克/升。
11.阴离子表面活性剂(AS):不超过0.5毫克/升。
12.石油类:不超过0.5毫克/升。
附件:地表水环境质量评价办法(试行)二○一一年三月目录一、基本规定 (6)(一)评价指标 (6)1.水质评价指标 (6)2.营养状态评价指标 (6)(二)数据统计 (6)1.周、旬、月评价 (6)2.季度评价 (6)3.年度评价 (6)二、评价方法 (7)(一)河流水质评价方法 (7)1.断面水质评价 (7)2.河流、流域(水系)水质评价 (7)3.主要污染指标的确定 (8)(二)湖泊、水库评价方法 (9)1.水质评价 (9)2.营养状态评价 (10)(三)全国及区域水质评价………………………………………………………1 1三、水质变化趋势分析方法 (12)(一)基本要求 (12)(二)不同时段定量比较 (12)(三)水质变化趋势分析 (13)1.不同时段水质变化趋势评价 (13)2.多时段的变化趋势评价 (14)附录一:污染变化趋势的定量分析方法 (15)附录二:术语和定义 (17)为客观反映地表水环境质量状况及其变化趋势,依据《地表水环境质量标准》(GB3838-2002)和有关技术规范,制定本办法。
本办法主要用于评价全国地表水环境质量状况,地表水环境功能区达标评价按功能区划分的有关要求进行。
一、基本规定(一)评价指标1.水质评价指标地表水水质评价指标为:《地表水环境质量标准》(GB3838-2002)表1中除水温、总氮、粪大肠菌群以外的21项指标。
水温、总氮、粪大肠菌群作为参考指标单独评价(河流总氮除外)。
(湖泊水质?)2.营养状态评价指标湖泊、水库营养状态评价指标为:叶绿素a(chla)、总磷(TP)、总氮(TN)、透明度(SD)和高锰酸盐指数(COD Mn)共5项。
(二)数据统计1.周、旬、月评价可采用一次监测数据评价;有多次监测数据时,应采用多次监测结果的算术平均值进行评价。
2.季度评价一般应采用2次以上(含2次)监测数据的算术平均值进行评价。
3.年度评价国控断面(点位)每月监测一次,全国地表水环境质量年度评价,以每年12次监测数据的算术平均值进行评价,对于少数因冰封期等原因无法监测的断面(点位),一般应保证每年至少有8次以上(含8次)的监测数据参与评价。
地表水五类水质标准一、一级水质标准。
一级水质标准是对地表水的最高要求,适用于集中式生活饮用水源地的水质保护。
一级水质标准规定了水中各种物质的限量要求,如总大肠菌群、氨氮、总磷、重金属等。
一级水质标准的实施,可以有效保障人类的生活饮用水安全,保护自然水体的生态环境。
二、二级水质标准。
二级水质标准适用于集中式生活饮用水源地以外的地表水,如河流、湖泊等。
二级水质标准对水质的要求相对较低,但仍然要求水质清洁,适合人类生活和工农业用水。
二级水质标准规定了水中各种物质的限量要求,如浊度、PH值、溶解氧、化学需氧量等。
三、三级水质标准。
三级水质标准适用于一般工农业用水和景观水的水质要求。
三级水质标准对水质的要求相对较低,允许水中含有一定量的污染物质,但仍然要求水质清洁,适合工农业用水和景观水的需要。
三级水质标准规定了水中各种物质的限量要求,如水中氨氮、总磷、铬、铅等的含量。
四、四级水质标准。
四级水质标准适用于一般农田灌溉用水和一般工业冷却用水的水质要求。
四级水质标准对水质的要求相对较低,允许水中含有一定量的污染物质,但仍然要求水质清洁,适合农田灌溉用水和工业冷却用水的需要。
四级水质标准规定了水中各种物质的限量要求,如水中氯离子、硫酸盐、硫化物等的含量。
五、五级水质标准。
五级水质标准是对地表水的最低要求,适用于一般景观要求和农田排灌用水的水质要求。
五级水质标准对水质的要求相对较低,允许水中含有一定量的污染物质,但仍然要求水质清洁,适合景观要求和农田排灌用水的需要。
五级水质标准规定了水中各种物质的限量要求,如水中硒、锰、钡等的含量。
总结,地表水五类水质标准对地表水的水质进行了科学分类和管理,为保护水资源、维护生态环境提供了重要的依据。
各级水质标准的实施,可以有效保障人类的生活饮用水安全,促进经济社会的可持续发展。
我们每个人都应该珍惜水资源,从我做起,从身边的点滴做起,共同保护地表水,共同建设美丽家园。
地表五类水标准
地表水的质量标准通常由国家或地区的环保机构根据当地的法规和环境要求设定。
这些标准涉及多个指标,如化学物质含量、微生物水平、物理性质等。
以下是中国地表水五类标准的一般示例,这些标准可以用来评估水质:
中国地表水五类标准:
●I类(优质水):
主要用于集中式饮用水源地的保护,水质较好,适用于生活饮用。
●II类(良好水):
适用于一般的生活饮用水源地,水质良好,对人体基本无害。
●III类(较好水):
适用于一般工业用水区域,水质较好,但不适合直接饮用。
●IV类(中度污染水):
适用于一般农业用水区域,水质较差,不能用于饮用和工业用水。
●V类(重度污染水):
适用于一般农田灌溉区域,水质差,不适合任何饮用或工业用水。
这些标准一般包括对各种污染物的浓度上限要求,如重金属、化学物质、细菌等。
需要注意的是,不同国家和地区的地表水质量标准可能有所不同。
因此,在了解特定地区的地表水质量标准时,最好参考当地环保部门或相关法规文件。
地表水水域分类及相应的水质指标
1.水域分类
依据地表水水域环境功能和保护目标,按功能高低依次划分为五类:
Ⅰ类主要适用于源头水、国家自然保护区;
Ⅱ类主要适用于集中式生活饮用水地表水源地一级保护区、珍稀水生生物栖息地、鱼虾类产场、仔稚幼鱼的索饵场等;
Ⅲ类主要适用于集中式生活饮用水地表水源地二级保护区、鱼虾类越冬场、洄游通道、水产养殖区等渔业水域及游泳区;
Ⅳ类主要适用于一般工业用水区及人体非直接接触的娱乐用水区;
Ⅴ类主要适用于农业用水区及一般景观要求水域。
对应地表水上述五类水域功能,将地表水环境质量标准基本项目标准值分为五类,不同功能类别分别执行相应类别的标准值。
水域功能类别高的标准值严于水域功能类别低的标准值.同一水域兼有多类使用功能的,执行最高功能类别对应的标准值。
实现水域功能与达功能类别标准为同一含义.
2。
水质标准
表1地表水环境质量标准基本项目标准限值单位:mg/L
表2集中式生活饮用水地表水源地补充项目标准限值单位:mg/L
3.水质监测
3.1本标准规定的项目标准值,要求水样采集后自然沉降30分钟,取上层非沉降部分按规定方法进行分析。
3。
2地表水水质监测的采样布点、监测频率应符合国家地表水环境监测技术规范的要求。
3.3标准水质项目的分析方法应优先选用国标规定的方法,也可采用ISO方法体系等其他等效分析方法,但须进行适用性检验。
地表水水域分类及相应的水质指标
依据地表水水域环境功能和保护目标,按功能高低依次划分为五类:
Ⅰ类主要适用于源头水、国家自然保护区;
Ⅱ类主要适用于集中式生活饮用水地表水源地一级保护区、珍稀水生生物栖息地、鱼虾类产场、仔稚幼鱼的索饵场等;
Ⅲ类主要适用于集中式生活饮用水地表水源地二级保护区、鱼虾类越冬场、洄游通道、水产养殖区等渔业水域及游泳区;
Ⅳ类主要适用于一般工业用水区及人体非直接接触的娱乐用水区;
Ⅴ类主要适用于农业用水区及一般景观要求水域。
对应地表水上述五类水域功能,将地表水环境质量标准基本项目标准值分为五类,不同功能类别分别执行相应类别的标准值。
水域功能类别高的标准值严于水域功能类别低的标准值。
同一水域兼有多类使用功能的,执行最高功能类别对应的标准值。
实现水域功能与达功能类别标准为同一含义。
表1地表水环境质量标准基本项目标准限值单位:mg/L
表2集中式生活饮用水地表水源地补充项目标准限值单位:mg/L
3.水质监测
3.1本标准规定的项目标准值,要求水样采集后自然沉降30分钟,取上层非沉降部分按规定方法进行分析。
3.2地表水水质监测的采样布点、监测频率应符合国家地表水环境监测技术标准的要求。
3.3标准水质项目的分析方法应优先选用国标规定的方法,也可采用ISO方法体系等其他等效分析方法,但须进行适用性检验。
地表水水域分类及相应的水质指标
1.水域分类
依据地表水水域环境功能和保护目标,按功能高低依次划分为五类:
Ⅰ类主要适用于源头水、国家自然保护区;
Ⅱ类主要适用于集中式生活饮用水地表水源地一级保护区、珍稀水生生物栖息地、鱼虾类产场、仔稚幼鱼的索饵场等;
Ⅲ类主要适用于集中式生活饮用水地表水源地二级保护区、鱼虾类越冬场、洄游通道、水产养殖区等渔业水域及游泳区;
Ⅳ类主要适用于一般工业用水区及人体非直接接触的娱乐用水区;
Ⅴ类主要适用于农业用水区及一般景观要求水域。
对应地表水上述五类水域功能,将地表水环境质量标准基本项目标准值分为五类,不同功能类别分别执行相应类别的标准值。
水域功能类别高的标准值严于水域功能类别低的标准值。
同一水域兼有多类使用功能的,执行最高功能类别对应的标准值。
实现水域功能与达功能类别标准为同一含义。
2.水质标准
表1地表水环境质量标准基本项目标准限值单位:mg/L
表2集中式生活饮用水地表水源地补充项目标准限值单位:mg/L
3.水质监测
3.1本标准规定的项目标准值,要求水样采集后自然沉降30分钟,取上层非沉降部分按规定方法进行分析。
3.2地表水水质监测的采样布点、监测频率应符合国家地表水环境监测技术规范的要求。
3.3标准水质项目的分析方法应优先选用国标规定的方法,也可采用ISO方法体系等其他等效分析方法,但须进行适用性检验。
欢迎您的下载,
资料仅供参考!
致力为企业和个人提供合同协议,策划案计划书,学习资料等等
打造全网一站式需求。
按照《中华人民共和国地表水环境质量标准》,依据地表水水域环境功能和保护目标,我国水质按功能高低依次分为五类:
I类主要适用于源头水、国家自然保护区、。
II类主要适用于集中式生活饮用水地表水源地一级保护区、珍稀水生生物栖息地、鱼虾类产卵场、仔稚幼鱼的索饵场等。
III类主要适用于集中式生活饮用水地表水源地二级保护区、鱼虾类越冬场、洄游通道、水产养殖区等渔业水域及游泳区。
IV类主要适用于一般工业用水区及人体非直接触的娱乐用水区。
V类主要适用于农业用水区及一般景观要求水域。
其中,I类水质良好,地下水只需消毒处理,地表水经简易净化处理(如过滤)、消毒后即可供生活饮用。
II类水质受轻度污染,经常规净化处理(如絮凝、沉淀、过滤、消毒等)后,可供生活饮用。
III类水质经过处理后也能供生活饮用。
IV类以下水质恶劣,不能作为饮用水源。
分类指标
(见表1)
表1 地下水质量分类指标
根据地下水各指标含量特征,分为五类,它是地下水质量评价的基础。
以地下水为水源的各类专门用水,在地下水质量分类管理基础上,可按有关专门用水标准进行管理。
[1]。