两台电动机按顺序启动逆序停止的电路图
- 格式:doc
- 大小:73.00 KB
- 文档页数:2
电机正反转作为最基本的电路,学习电工是一定要了解的。
要学习电机电机正反转电路一定要了解电机正反转工作原理,就是当我们按下正转启动按钮的时候,电机会正转,这时候按下反转启动按钮是不起作用的,只有按下停止按钮,电动机停止以后才能启动电机反转。
电机正反转电路图首先,要连接电机正反转电路需要一个停止按钮,一个正转启动按钮,一个反转启动按钮,还需要两个接触器,两个接触器一定要常开常闭的辅助触点都有的,比如说1211的接触器。
按上图的电路图连接。
按下正转启动按钮,电动机正转此时按下反转启动按钮没有作用当我们按下正转启动按钮的时候,电动机正转,松开启动按钮,电动机自锁,此时正转接触器的常闭触点是断开的,在这个时候按下反转启动按钮的时候是没有作用的。
按下停止按钮只有当我们按下停止按钮,电动机停止,正转接触器失电,常闭触点恢复接通状态。
按下反转启动按钮电动机反转的时候按下正转启动按钮此时,按下反转启动按钮,电动机反转自锁,相应的,这个时候再去按正转启动按钮也是没有效果的。
这就是电动机正反转的原理,也是接触器的互锁原理,在电工取证的时候很常用,所以一定要了解。
前面我讲过了电机的自锁电路和互锁电路,而在我们工作中还会经常碰到过这样的问题,就是有两台电机1和2,必须要电机1启动以后电机2才能启动,在停止的时候必须先停止电机2才能停止电机1。
电机顺序启动逆序停止电路图如果按照自锁电路接两台电机,就必须要人为注意启动顺序,但是也会有出错的时候,怎样才能避免误操作呢,就是今天要讲的,电机顺序启动和逆序停止。
上图就是电机顺序启动,逆序停止的电路图。
接下来我们看一下仿真动作。
按下电机启动2,电机没有动作按下启动开关1,电机1启动在上面的图中我们可以看到,在没有启动电机1,直接启动电机2的情况下,电机2是不能启动的,但是当我们按下电机1的启动按钮时,电机1是可以正常启动的。
按下启动开关2,电机2启动当电机1启动以后,再按下电机2的启动按钮,此时电机2也可以正常启动了。
两台电动机顺序停止控制
电路原理图
The Standardization Office was revised on the afternoon of December 13, 2020
两台电动机顺序停止控制电路原理图
电路分析如下:
启动:
1、按控制按钮SB2或SB4可以分别使接触器KM1或KM 2线圈得电吸合,主触点闭合,M1或M2通电电机运行工作。
2、接触器KM1、KM2的辅助动合接点同时闭合电路自锁。
停止:
1、按控制按钮SB3按纽,接触器KM2线圈失电,电机M2停止运行。
2、若先停电机M1按下SB1按纽,由于KM2没有释放,KM2动合辅助触点与SB1的动合触点并联在一起并呈闭合状态,所以按钮SB1不起作用。
只由当接触器KM2释放之后,KM2的动合辅助触点断开,按钮SB1才起作用。
保护方法:
1、电动机的过载保护由热继电器FR1和FR2分别完成。
2、FR2保护电动机M2,但FR1动作保护后,M2电动机也必须停止工
两台电动机顺序停止控制电路接线示意图。
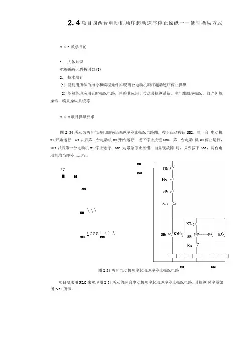
2.4项目四两台电动机顺序起动逆序停止控制一一延时控制方法2.4.1 教学目的 1. 基本知识掌握编程元件定时器(T) 2. 技能培养(1) 能利用所学的指令和编程元件实现两台电动机顺序起动逆序停止控制(2) 能熟练地应用延时控制电路,并将其应用于传送带控制系统、生产线顺序控制、 灯光闪烁控制、喷泉控制系统等2.4.2 项目控制要求图2-34所示为两台电动机顺序起动逆序停止控制电路图。
按下起动按钮SB2,第一台 电动机M1开始运行,5s 之后第二台电动机M2开始运行;接下停止按钮SB3,第二台电动 机M2停止运行,10s 之后第一台电动机M1停止运行;SB1为紧急停止按钮,当出现故障 时,只要按下SB1,两台电动机均立即停止运行。
图2-34两台电动机顺序起动逆序停止控制电路项目要求用PLC 来实现图2-34所示的两台电动机顺序起动逆序停止控制电路,其控制 时序图如图2-35所示。
KTi KT2FU2L J ■FU2QSFUiKMiI p p p l L 〕力 FRiFR2\\\图2-35控制时序图利用PLC的定时器及其通电延时控制电路可实现上述控制要求。
2.4.3项目预备知识1.编程元件(T)—通用定时器PLC中的定时器(T)相当于继电器控制系统中的通电型时间继电器。
它可以提供无限对常开常闭延时触点。
定时器中有一个设定值寄存器(一个字长),一个当前值寄存器(一个字长)和一个用来存储其输出触点的映像寄存器(一个二进制位),这三个量使用同一地址编号,定时器采用T与十进制数共同组成编号,如TO、T98、T199等。
FX2N系列中定时器可分为通用定时器、积算定时器两种。
它们是通过对一定周期的时钟脉冲计数实现定时的,时钟脉冲的周期有1ms、10ms、100ms三种,当所计脉冲个数达到设定值时触点动作。
设定值可用常数K或数据寄存器D来设置。
项目中所用为通用定时器。
(1)100ms通用定时器100ms通用定时器(T0〜T199)共200点,其中T192〜T199为子程序和中断服务程序专用定时器。
二台电效果程序停止统造电路本理图之阳早格格创做
电路分解如下:
开用:
1、按统造按钮SB2或者SB4不妨分别使交触器KM1或者KM 2线圈得电吸合,主触面关合,M1或者M2通电电机运止处事.
2、交触器KM1、KM2的辅帮动合交面共时关合电路自锁.
停止:
1、按统造按钮SB3按纽,交触器KM2线圈得电,电机M2停止运止.
2、若先停电机M1按下SB1按纽,由于KM2不释搁,KM2动合辅帮触面取SB1的动合触面并联正在所有并呈关合状态,所以按钮SB1不起效率.只由当交触器KM2释搁之后,KM2的动合辅帮触面断开,按钮SB1才起效率.
呵护要领:
1、电效果的过载呵护由热继电器FR1战FR2分别完毕.
2、FR2呵护电效果M2,但是FR1动做呵护后,M2电效果也必须停止工
二台电效果程序停止统造电路交线示企图。
一、两台电动机顺序起动控制电路(组图)两台电动机顺序起动控制电路原理图顺序控制电路是在一个设备启动之后另一个设备才能启动的一种控制方法,如图KM2要先启动是不能动作的,因为SB4和KM1是断开状态,只有当KM1吸合实现自锁之后,SB4按纽才起作用,使KM2通电吸合,这种控制多用于大型空调设备的控制电路。
常见故障:1、不能顺序启动KM2可以先启动;分析处理;KM2先启动说明KM2的控制电路有电,用电试电笔检查FR2控制接点有电,这可能是FR2接点上口的7号线,错接到了FR1上口的3号线或5号线位置上了,这就使得KM2不受KM1控制而可以直接启动。
一、FR2的7号线错接到3号线,就成了两个单方向控制电路。
但受FR1控制,过电流时全停止运行。
二、FR2的7号线错接到5号线,没有顺序启动,但有总停控制。
三、FR2的7号线错接到1号线,就成了两个独立的单方向控制电路。
两台电动机顺序起动控制电路接线示意图二、两台电动机顺序停止控制电路(组图)两台电动机顺序停止控制电路原理图三、两台电动机顺序起动、顺序停止电路(组图)两台电动机顺序起动、顺序停止电路原理图顺序启动、停止控制电路是在一个设备启动之后另一个设备才能启动运行的一种控制方法,常用于主、辅设备之间的控制,如上图当辅助设备的接触器KM1启动之后,主要设备的接触器KM2才能启动,主设备KM2不停止,辅助设备KM1也不能停止。
但辅助设备在运行中应某原因停止运行〔如FR1动作〕,主要设备也随之停止运行。
工作过程:1、合上开关QF使线路的电源引入。
2、按辅助设备控制按钮SB2,接触器KM1线圈得电吸合,主触点闭合辅助设备运行,并且KM1辅助常开触点闭合实现自保。
3、按主设备控制按钮SB4,接触器KM2线圈得电吸合,主触点闭合主电机开始运行,并且KM2的辅助常开触点闭合实现自保。
4、KM2的另一个辅助常开触点将SB1短接,使SB1失去控制作用,无法先停止辅助设备KM1。
两台电机顺序启动顺序停止控制线路的设计与分析班级:姓名:学号:2012年10月30日摘要本文介绍了基于电力拖动的一种电动机的启动停止的设计方案,将两台电动机成功的顺序启动,逆序停止。
我们运用其原理的思路是:用两套异步电机M1和M2,在M2控制回路中串入常开触头,实现只有先开M1才能后开M2,在M1停机按钮上并联一常开触头,实现只有先停M2才能后停M1。
系统用到的元件有常开常闭开关,熔断器,继电器等一些常用的电气元件。
绘制电路图与工作流程图,并进行改进。
因为三相电机的仿真具有很高的难度,在短时间内无法完成,故只使用原理图和电路图进行说明。
关键词:异步电机 M1和M2;常开常闭开关;熔断器;继电器AbstractThis paper introduces the electric drive based on a motor start stop design scheme, the two electric motors successful sequence startup, inverted order to stop. We use the train of thought of its principle is: with two sets of asynchronous motor M1 and M2, in M2 control loop of the string into normally open contacts, realize only first open M1 after can open M2, in M1 stop button on the parallel a normally open contacts, realize only first stop M2 can stop after the M1. The system use components have normally open normally closed switch, fuse, relay and so on some commonly used electrical components. Draw circuit diagram and working flow chart, and makes some improvement. For the simulation of the three-phase motor has high difficulty, unable to complete in a short time, so only use principle diagram and the circuit diagram shows.Keywords: asynchronous motor M1 and M2; Normally open normally closed switch; Fuse; relay目录摘要 (2)ABSTRACT (3)第一章绪论 (5)1.1课题意义 (5)1.2系统参数和要求 (6)1.3选用的电动机 (6)第二章所用元件介绍 (7)2.1熔断器的原理 (7)2.2继电器 (8)2.3常开常闭开关器的选择 (9)第三章工作原理 (10)3.1两台电动机的顺序启动的原理 (10)3.2两台电动机逆序停止的原理 (11)3.3保护方法 (12)参考文献 (12)第一章绪论1.1课题意义与单相异步电动机相比,三相异步电动机运行性能好,并可节省各种材料。
课题20 两台电机顺序起停控制线路20.1实训目的1.掌握两台电动机顺序启动、顺序停止控制线路的安装。
2.掌握两台电动机时间继电器控制顺序启动、顺序停止控制线路的安装。
3.掌握两台电动机顺序启动、逆序停止控制线路的安装。
4.掌握两台电动机顺序启动、逆序停止控制线路的检修。
20.2实训理论基础在装有多台电动机的生产机械上,各电动机所起的作用是不同的,有时需按一定的顺序,启动或停止,才能保证操作过程的合理和工作的安全可靠。
例如:X62W型万能铣床上要求主轴电动机启动后,进给电动机才能启动;M7120型平面磨床的冷却泵电动机,要求当砂轮电动机启动后才能启动。
像这种要求几台电动机的启动或停止必须按一定的先后顺序来完成的控制方式,叫做电动机的顺序控制。
如图20-1所示,设M1为油泵电动机,在车床中可为齿轮箱提供润滑油;M2为主拖动电动机。
将控制油泵电动机M1的接触器KM1的常开辅助触点串入控制主电动机M2的接触器KM2的线圈支路,则可实现电路只在润滑泵电动机启动后主电动机方向可启动的顺序联锁控制。
图20-1两台电动机顺序启动、顺序停止控制线路在图20-2中,电路采用了时间继电器,属于按时间顺序控制的电路。
时间继电器的延时时间可调。
即可预置M1启动n秒后电动机M2再启动。
工作过程:合上QS,按下SB2,接触器KM1线圈、时间继电器KT线圈同时通电,且由KM1辅助常开触点形成自锁,电动机M1启动。
延时n秒时间到,KT延时闭合触点闭合,接触器KM2线圈通电并自锁,则电动机M2启动,同时KM2的常闭触点断开,切断KT线圈支路,完成M1、M2电动机的按预定时间的顺序启动控制。
174图20-2两台电动机时间继电器控制顺序启动、顺序停止控制线路图20-3两台电动机顺序启动、逆序停止控制线路,在图20-3中由于KM1常开辅助触点和接触器KM2线圈相串联,所以启动时必须先按下启动按钮SB2,使KM1线圈通电,M1先启动运行后,再按下启动按钮SB4,使KM2线圈得电,M2方可启动运行,M1不启动M2就不能启动,也就是说按下M1启动按钮SB2之前,先按M2启动按钮SB4将无效。
2.4项目四两台电动机顺序起动逆序停止控制一一延时控制方法2.4.1 教学目的 1. 基本知识掌握编程元件定时器(T) 2. 技能培养(1) 能利用所学的指令和编程元件实现两台电动机顺序起动逆序停止控制(2) 能熟练地应用延时控制电路,并将其应用于传送带控制系统、生产线顺序控制、 灯光闪烁控制、喷泉控制系统等2.4.2 项目控制要求图2-34所示为两台电动机顺序起动逆序停止控制电路图。
按下起动按钮SB2,第一台 电动机M1开始运行,5s 之后第二台电动机M2开始运行;接下停止按钮SB3,第二台电动 机M2停止运行,10s 之后第一台电动机M1停止运行;SB1为紧急停止按钮,当出现故障 时,只要按下SB1,两台电动机均立即停止运行。
图2-34两台电动机顺序起动逆序停止控制电路项目要求用PLC 来实现图2-34所示的两台电动机顺序起动逆序停止控制电路,其控制 时序图如图2-35所示。
KTi KT2FU2L J ■FU2QSFUiKMiI p p p l L 〕力 FRiFR2\\\图2-35控制时序图利用PLC的定时器及其通电延时控制电路可实现上述控制要求。
2.4.3项目预备知识1.编程元件(T)—通用定时器PLC中的定时器(T)相当于继电器控制系统中的通电型时间继电器。
它可以提供无限对常开常闭延时触点。
定时器中有一个设定值寄存器(一个字长),一个当前值寄存器(一个字长)和一个用来存储其输出触点的映像寄存器(一个二进制位),这三个量使用同一地址编号,定时器采用T与十进制数共同组成编号,如TO、T98、T199等。
FX2N系列中定时器可分为通用定时器、积算定时器两种。
它们是通过对一定周期的时钟脉冲计数实现定时的,时钟脉冲的周期有1ms、10ms、100ms三种,当所计脉冲个数达到设定值时触点动作。
设定值可用常数K或数据寄存器D来设置。
项目中所用为通用定时器。
(1)100ms通用定时器100ms通用定时器(T0〜T199)共200点,其中T192〜T199为子程序和中断服务程序专用定时器。
两台电动机顺序启动逆序停止电路图
有些生产机械需要两台电动机按先后顺序起动,并且按顺序停止。
如下图所示电路中,两台电动机起动和停止的动作顺序为:电动机M1先起动,M2才能起动;停止时,M2先停止,M1才能停止。
当合上电源开关Q,按下起动按钮SB1时,接触器KM1的线圈得电并自锁。
电动机Ml起动运转。
这时再按下起动按钮SB2,接触器KM2才能得电并自锁,电动机M2起动运转。
两台电动机顺序启动和顺序停止控制电路图
当需要停止时,必须先按下停止按钮SB3, KM2断电释放,M2停止运转。
KM2断电释放的同时,并联在停止按钮SB两端的常开触点断开,这时再按下SB,
KM1断电释放,M1停止转动。
本电路适用于需两台电动机按顺序起动和停止的生产机械。
如铣床的主轴电动机和进给电动机控制。
两台电动机按顺序启动逆序停止的电路图
在某些工作过程中,要求第二台电动机停车后,才允许第一台停车。
本例电路能适应这一运行程序的要求。
电路图
两台电动机按顺序启动逆序停止的控制电路图所示
工作原理:
按下SB2,接触器KM1得电吸合并自锁,其主触点闭合,电动机M1启动运转。
由于KM1的常开辅助触点作为KM2得电的先决条件串联在KM2线圈电路,所以只有在M1启动后M2才能启动,实现了按顺序启动。
需要停车时,如果先按下电动机M1的停止按钮SB1,由于KM2的常开辅助触点作为KM1失电的先决条件并联在SB1的两端,所以M1不能停止运转,只有在按下电动机M2的停止按钮SB3后,接触器KM2失电释放,M2停止运转,这时再按下SB1,电动机M1才能停止运转。