长安铃木天语SX4原厂维修手册 发动机机械部分PPT幻灯片课件
- 格式:ppt
- 大小:14.27 MB
- 文档页数:33
故障诊断 3 离车修理情况可能原因修正/参考项目油泵故障检查. 如果不行(NG),更换. 行星齿轮卡滞或断裂 检查. 如果不行(NG),更换. No.2单向离合器故障 检查. 如果不行(NG),更换. 驱动板损坏 检查. 如果不行(NG),更换. 在所有档程内均不能运行 液力变矩器故障更换.2档/4档制动器故障 检查. 如果不行(NG),更换. 1 → 2 换档不良,换档冲击过大或打滑No.1单向离合器故障 检查. 如果不行(NG),更换 O/D档离合器故障 检查. 如果不行(NG),更换. 2 → 3换档不良,换档冲击过大或打滑2档/4档制动器故障 检查. 如果不行(NG),更换 滑行离合器故障 检查. 如果不行(NG),更换. 0号单向离合器故障 检查. 如果不行(NG),更换. 3 ↔ 4档(O/D)换档不良,换档冲击过大或打滑2档/4档制动器故障 检查. 如果不行(NG),更换. TCC(锁止)系统不工作。
阀体组件故障 更换.油泵故障 检查. 如果不行(NG),更换. 油滤器堵塞。
更换。
前进档离合器故障 检查. 如果不行(NG),更换. 0号和/或1号单向离合器故障 检查. 如果不行(NG),更换. “N” → “D” 时滞过长“D”档程油压回路泄漏检修或更换阀体总成。
油泵故障 检查. 如果不行(NG),更换 倒车档离合器故障 检查. 如果不行(NG),更换. 油滤器堵塞。
更换。
第1档和倒车档制动器故障 检查. 如果不行(NG),更换. “N” → “R” 时滞过长 “D”档程油压回路泄漏检修或更换阀体总成向下换档至“2”档时,发动机制动不良3档/4档制动器故障 检查. 如果不行(NG),更换. 向下换档至“L”档时,发动机制动不良1档/倒档制动器故障检查. 如果不行(NG),更换故障诊断码DTC P0602:控制模块编程错误系统说明发动机控制模块(ECM)中安装了内部控制模块。
故障诊断码DTC检测条件和故障区域故障诊断码DTC检测条件故障区域数据编程错误(1驾驶循环检测逻辑)变速器控制模块(TCM)故障诊断码DTC确认程序1)在点火开关关闭OFF的情况下,将检测仪连接到数据集线器(DLC)。
行星齿轮零部件1. 卡环 12. 支架前滚柱推力轴承 23. 后齿圈法兰2. 前行星齿圈 13. 支架前滚柱推力轴承座圈 24. 0号单向离合器3. 1号单向离合器 14. 行星齿轮组件 25. 后行星齿圈4. 1号单向离合器内齿圈 15. 超速离合器毂 26. 0号单向离合器外环5. 止推垫圈 16. 卡环 27.0号单向离合器挡圈6. O型圈 17. 太阳轮组件 28. 卡环1417. 前齿圈止推垫圈 18. 太阳轮滚柱推理轴承 29. 后齿圈滚柱推力轴承 8. 前齿圈滚柱推力轴承座圈 19. 太阳轮滚柱推力轴承座圈30. 后齿圈滚柱推力轴承座圈9.前齿圈滚柱推力轴承 20. 支架后滚柱推力轴承座圈 31. 止推垫片 10. 前齿圈法兰 21. 支架后滚柱推力轴承 :用AT油11. 卡环22. 卡环:不能重复使用142行星齿轮工况检查参照M18A:“AT组件的拆卸和组装”。
单向离合器1) 安装前进档离合器组件和超速/滑行离合器组件到变速箱后盖。
2) 安装后行星齿圈组件到超速和滑行离合器组件。
3) 确保0号单向离合器能顺时针(A)转动,不能逆时针(B)转动。
、4) 确保1号单向离合器能逆时针(A)转动,不能顺时针(B)转动。
行星齿轮的拆卸和组装参照M18A:“行星齿轮工况检查”。
拆卸行星齿轮组件1) 拆卸卡环(1)以拆下下列零件。
● 超速离合器毂(2) ● 行星齿轮组件(3)● 2个止推轴承座圈(4)2)拔出支架前滚柱推力轴承(1)。
支架前滚柱推力轴承尺寸外径: 83.5 mm (3.29 in.)内径: 68.1 mm (2.68 in.)厚度: 2.7 mm (0.11 in.)3)拆卸卡环(2),拆下1号单向离合器(1)。
4)拆卸前齿圈止推垫片(1)。
前齿圈止推垫片尺寸外径: 85.5 mm (3.67 in.)内径: 70.0 mm (2.76 in.)厚度: 2.0mm (0.08 in.)5)拆卸前齿圈滚柱推力轴承座圈(1)。
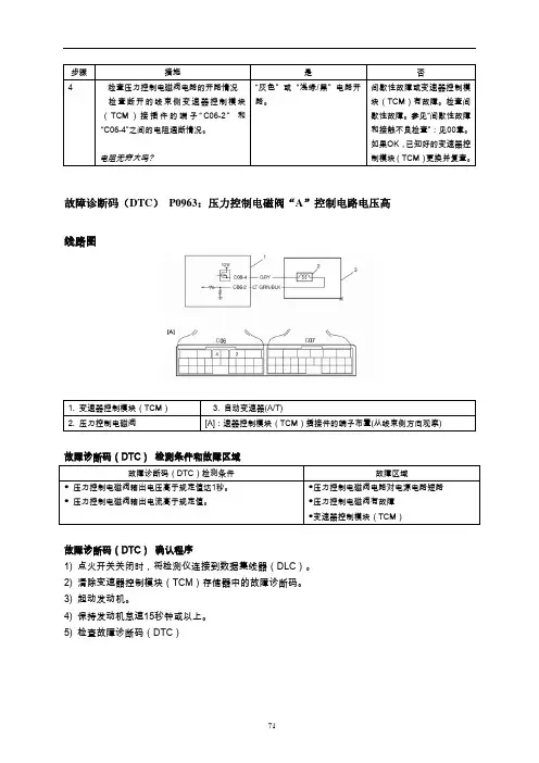
步骤 措施是否4检查压力控制电磁阀电路的开路情况 检查断开的线束侧变速器控制模块(TCM )接插件的端子“C06-2” 和 “C06-4”之间的电阻通断情况。
电阻无穷大吗?“灰色” 或 “浅绿/黑” 电路开路。
间歇性故障或变速器控制模块(TCM)有故障。
检查间歇性故障。
参见“间歇性故障和接触不良检查”:见00章。
如果OK,已知好的变速器控制模块(TCM)更换并复查。
故障诊断码(DTC ) P0963:压力控制电磁阀“A ”控制电路电压高线路图1. 变速器控制模块(TCM) 3. 自动变速器(A/T)2. 压力控制电磁阀[A]:速器控制模块(TCM)插接件的端子布置(从线束侧方向观察)故障诊断码(DTC) 检测条件和故障区域故障诊断码(DTC)检测条件故障区域● 压力控制电磁阀输出电压高于规定值达1秒。
● 压力控制电磁阀输出电流高于规定值。
●压力控制电磁阀电路对电源电路短路 ●压力控制电磁阀有故障 ●变速器控制模块(TCM)故障诊断码(DTC) 确认程序1) 点火开关关闭时,将检测仪连接到数据集线器(DLC)。
2) 清除变速器控制模块(TCM)存储器中的故障诊断码。
3) 起动发动机。
4) 保持发动机怠速15秒钟或以上。
5) 检查故障诊断码(DTC)故障诊断码(DTC)故障检修步骤 措施 是 否1 执行了 “自动变速器(A/T) 系统检查”吗?到第2步。
到 “自动变速器(A/T) 系统检查”:M18A。
2 检查压力控制电磁阀电路对点火电路的短路情况1) 连接阀体线束插接件。
2) 断开变速器控制模块(TCM)插接件。
3)检查变速器控制模块(TCM)的端子 “C06-2” 和 “C06-4”的连接情况。
4)如果连接OK,测量已断开的线束侧变速器控制模块(TCM)插接件的端子 “C06-4”与地之间的电压。
电压是0 –2 V?到第3步。
“灰色” 或 “浅绿/黑”电路对电源电路短路。
3 检查压力控制电磁阀电阻1) 关闭点火开关。
未检测到输入轴转速传感器信号,尽管检测到了输出轴转速传感器信号。
●输入轴转速传感器或其电路有故障 ●输入轴转速传感器安装不正确●直接档离合器鼓损坏●有异物附在传感器或鼓上●变速器控制模块(TCM)故障诊断码(DTC) 确认程序警告:● 当进行道路试验时,选择一个没有行人汽车的或不会发生车祸的地方。
而且必须十分小心在试验期间要保证避免车祸的发生。
● 道路试验应该由两人进行,一位是驾驶员,另一位是试验人员,在平坦的路面进行试验。
1) 将检测仪连接到数据集线器(DLC)前,将点火开关OFF。
2) 清除变速器控制模块(TCM)存储器中的故障诊断码并起动发动机。
3)将换档选择杆置于“D”档程,并以25 km/h (15 mile/h) 或更大的速度在“3”档上行驶至少1km (0.6mile)。
4)停车,检查故障诊断码(DTC)。
故障诊断码(DTC) 故障检修步骤 措施 是 否1 执行了 “自动变速器(A/T) 系统检查”吗? 到第2步 到“自动变速器(A/T) 系统检查”:M18A。
2 检查输入轴转速传感器电路1) 断开变速器控制模块(TCM)插接件,点火开关 OFF。
2) 检查输入轴转速传感器端子 “C07-6” 和 “C07-16” 的连接是否正确。
3) 如果OK,检查传感器电路电阻。
输入轴转速传感器技术条件端子“C07-6” 和 “C07-16”之间:387 -473 Ω,温度条件 20 °C (68 °F)端子 “C07-6” / “C07-16” 与地之间:不通检查结果令人满意吗?到第4步。
到第3步。
3 检查 输入轴转速传感器1) 检查输入轴转速传感器,参见 “输入轴转速传感器检查”:M18A。
“白色” 或 “黑色” 电路开路或短路。
更换输入轴转速传感器。
检查结果满足这个值域吗4目测检查输入轴转速传感器和直接档离合器鼓的下列情况• 没有损坏 • 没有沾附异物 • 安装正确它们都情况良好吗?间歇性故障或变速器控制模块(TCM)故障。
11 M18A最终确认试验1) 清除故障诊断码(DTC),如果有。
2) 进行最终确认试验。
是否存在故障症状,DTC或异常条件?到第6步。
结束。
第1步. 客户投诉分析记录下问题的细节,诸如故障和用户的投诉,以及用户的叙述的引起这些事情的原因。
为了达到此目的,可以采取填写这样一种调查表的形式以有助于收集诊断和分析所需要的最相关信息。
用户问题调查表(举例)用户名称 车型 VIN:签发日期 上牌照时间 出问题时间 里程数问题症状□ 汽车不能挂入(R、D、3、2、L和其他任何档位)□ 不能自动向高档换档(□第1档到第2档,□第2档到第3档,□第3档到第4档(超速档),□2档,□D档程)□ 不能自动向低档换档 (□第3档到第2档,□第2档到第1档,□第4档(超速档) 到第3档,□2档程,□D档程)□ 不能手动换档(□第1档—第3档,□第3档—第4档)□ 液力变矩器离合器(TCC)未锁止,□液力变矩器离合器(TCC)未分离□ 自动换档点太高或太低。
□ 换档冲击过大(第1档/第2档/第3档/第4档(超速行驶档)/倒挡)□ 不能换低挡□ 变速器打滑,在(第1档/第2档/第3档/第4档(超速行驶档)/倒挡)□ 其他问题发生时的车辆和环境条件环境条件气候 温度 频率 行驶道路 □晴天、□多云、□下雨、□正常、□其他( ℃/ ℉)□热、□温、□凉爽、□寒冷、□正常、□经常、□有时(次数/天、月),□仅一次,□在特定条件下□市区、□郊区、□高速、□山地、□上坡、□下坡、□柏油路、□砂砾路、□其他 汽车条件发动机及变速器情况 □冷车、□暖机阶段、□已暖机发动机转速(R/MIN)节气门开度(□怠速、□大约开度 %、□全开度)□超速行驶切断开关(O/D)(□ON、□OFF) 汽车条件 □停车/□行驶(□恒速、□加速、□减速、□制动)□右转弯、□左转弯、□车速( km/h mile/h)□其他“超速行驶(O/D)OFF”关闭灯 □闪烁、□总是ON、□有时ON、□总是OFF、□情况良好 故障指示灯 □闪烁、□总是ON、□有时ON、□总是OFF、□情况良好第1次检查、□无代码、□故障代码( ) 诊断故障代码第2次检查、□无代码、□故障代码( )注意:此表为标准范例。