板料折弯机液压系统设说明书
- 格式:doc
- 大小:615.15 KB
- 文档页数:24
一、机床外型图三、机器的性能及特点本机器是用来对各种金属材料进行折弯的,如选用适当的模具,可折弯下面例图所示的截面形状。
本机器可供飞机、船舶、汽车、机车车辆、装潢、仪表、电器、无线电等工厂使用。
本机器为液压上动式,工作时滑块的终点位置由布置在油缸内的机械挡块控制,滑块移动时由扭曲同步机构控制本机器机械挡块及后挡料装有计数器显示行程,使用方便、直观,本机样可实现快速下降、慢降加压、保压、快速回程等程序,工作方便可靠。
同步,因此工作精度及重复定位精度都较高,抗偏载性能较好。
上模具有微调机构,能方便地调节上模各部分的高度位置,保证在折弯工作时上下模之间有均匀的间隙,能显著地提高折弯的角度,精度。
折弯压力根据板厚,下模开口尺寸,所折板料宽度,由板料折弯压力表中可查得所需折弯力。
折弯截面形状举例(选用适当的上下模具,可折成下列截面形状)图二图三图四六、机器的电气部分本机器采用380V,50HZ,3PH交流电源供电,电动机为Y132S-4,额定功率为5.5KW,电气原理图见12页,电气元件清单见13页。
本机电源开关为带开门断电连锁机构的DZ47系列空气开关,开关本身采用短路保护和过载保护的功能。
机械联锁机构的操作方法,结合下图叙述如下:A.当面板上操作手柄指向中间断开位置时,自动开关能断开电源电器。
B.当面板上的操作手柄指向闭合位置时,自动开关接通电源。
用钥匙插入锁心用力压进并旋转90°,便可锁住开关和柜门。
C.当面板上的操作手柄指向开门位置时,自动开关自行切断电源,可以开启柜门。
也不能接通电源。
起到开门断电作用,这时再用钥匙插入锁心,用力压进旋转90°,即把开关锁在电源断开位置。
起到安全保护作用,防止滑块动作。
电器箱上的电器元件功能电动机起动接通电源,电源指示灯亮,即可点动电机,如电机不能起动,电机可能缺相;如不缺相,则按电气原理图顺序检查,在点动电机时,必须检查电机的转向,电动机的旋向与油泵箭头方向一致,方可正常运转,否则将会损坏油泵。
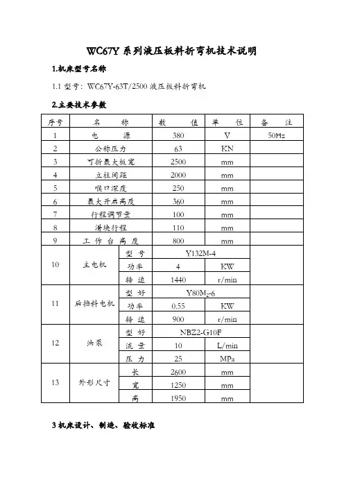
WC67Y系列液压板料折弯机技术说明1.机床型号名称
1.1型号:WC67Y-63T/2500液压板料折弯机
2.主要技术参数
3机床设计、制造、验收标准
JB/T2257.1-1992《板料折弯机技术条件》
GB/T14349-2011《板料折弯机精度》
JB10148-1999《板料折弯机安全技术要求》
GB5226.1-2008《机械电气安全机械电气设备第一部分通用技术要求》4机床结构性能特点
4.1全钢焊接结构,震动消除应力,机械强度高、刚性好。
4.2液压上传动,平稳可靠。
机械挡块扭轴同步,精度高。
4.3后挡料距离、上滑块行程电动调节、手动微调装置、数字显示。
4.4上模配有扰度补偿机构。
5机床关键元器件明细表
6随机附件、配套件清单:
7随机技术文件清单:。
PR6C系列数控液压板料折弯机使用说明书金方圆数控机床目录页第一章机床的外形、技术参数和使用环境 (1)1.1机床的外形 (1)1.2 技术参数 (2)1.3 数控系统参数 (6)1.4机床的使用环境 (6)1.5 安全说明 (6)第二章机床的主要用途、结构、性能和工作原理 (7)2.1机床的主要用途 (7)2.2机床的主要结构 (7)2.3机床的性能及工作原理 (11)第三章机床的吊运和安装调试 (14)3.1机床的吊运 (14)3.2 基础安装 (15)3.3 清理 (20)3.4水平 (20)3.5 安装 (20)3.6调试 (23)3.7折弯试验及工作精度检测 (24)3.8模具选择 (23)3.9机床操作流程框图 (26)第四章液压系统工作原理 (29)4.1本机床的液压工作状态 (29)4.2液压系统的工作原理: (29)4.3 液压原理图 (31)第五章维修、保养 (43)5.1维修、保养注意事项 (43)5.2数控系统诊断程序 (43)5.3 输入/输出信号 (51)5.4调整及维护 (52)5.5机床故障原因分析与处理方案 (63)5.6维护保养 (68)前言阅读本产品《使用说明书》和《操作手册》将有益于操作者对机床的了解以及明确如何按照规定正确使用和操作机床。
按照产品《使用说明书》中的指示,机床上的安全警告标志是根据一些可预见的情况进行归纳和总结出来的,这些是对机床操作和维护人员的一些最基本的要求。
能使机床操作人员安全地、符合规定地和经济地使用机床,其中的一些注意项也有助于避免危险,同时也减少机床的维修费用和时间的损失,并能延长机床的使用寿命。
此产品《使用说明书》和《操作手册》应由机床操作者借阅并保管,供经常阅读使用。
操作这台机床的工作人员都必须仔细阅读本产品《使用说明书》和《操作手册》,对照机床实体熟悉本机床的结构,性能、操作规程和安全符号标志的容要求。
除了本机床实体上的安全符号标志容和使用说明书中提及的安全说明以外,还应注意使用各国自订的相关的事故预防措施以及获承认的专门技术安全规定和合法的工作制度。
WC67Y系列液压板料折弯机使用说明书W C67Y-80/2500公称力:800K N工作台长:2500m m出厂编号:_____中华人民共和国山东沃力锻压设备有限公司四、机器的折弯压力v 4 6 8 10 12 14 16 18 20 24 28 32 36 40 45 50 55 60 65 70 80 90 100 120 b 2.8 4 5.5 7 8.5 10 11 12.5 14 17 20 22 25 28 31 35 38 42 46 49 56 63 70 85 r 0.7 1 1.3 1.6 2 2.3 2.6 3 3.3 3.8 4.5 5 6 6.5 7 8 9 10 10.5 11 13 14 15 16s 0.5 40 30表中数值:当L=1米时的折弯压力(KN)例:S=4mmL=1mmV=32mm查表得P=330KN0.6 60 40 30 300.8 70 50 40 301 110 80 70 601.2 120 100 80 70 601.5 150 120 110 90 802 220 190 170 150 130 1102.5 259 220 200 170 150 1303 330 290 250 210 180 1603.5 400 330 290 250 220 200 1004 440 370 330 290 260 230 2104.5 470 410 370 330 300 270 2505 510 450 400 360 330 270 2506 520 470 430 390 360 340 3008 700 640 600 520 460 420 10 810 720 65012 950计算公式:P=650S2L/V(KN)S=所折弯板料的厚度mmL=所折板料宽度m V=下模开口尺寸mm液压板料折弯机说明书第5页图2油缸及机械挡块示意图4、机架机架由左右立柱、油箱。
2500WC67Y-100 / 液压板料折弯机32004000使用说明书公称压力:1000 KN 工作台长度:2500/3200/4000 mm 出厂编号:江苏宏威重工机床制造有限公司WC67Y—系列液压板料折弯机使用说明书共25页第1页目录1.目录…………………………………………………………1 2.机器的主要特点和用途………………………………………2-4 3.机器的主要技术参数………………………………………… 5 4.机器的主要结构………………………………………………6-11 5.机器的电气系统………………………………………………12-14 6.机器的液压系统………………………………………………15-16 7.机器的吊运及安装……………………………………………17-18 8.机器的润滑……………………………………………………19 9.机器的调整及使用……………………………………………20-21 10.机器的维护、保养及常见故障的排除………………………22 11.随机附带基本附件表…………………………………………23 12.随机附带备用易损件表………………………………………23 13.用户自制易损件表附:易损件图样 (23)14.上、下模具图…………………………………………………24-25 WC67Y—系列液压板料折弯机使用说明书2、机器的主要特点和用途共25页第2 页随件提供的该使用说明书是指导用户正确使用和维护保养机器的主要技术资料,请妥善保存!操作人员须仔细阅读理解,掌握使用方法可进行操作。
本机器采用钢板焊接结构,具有较好的强度和刚度。
液压传动保证工作时不致因使用不当造成严重起载事故。
该机工作平稳、安全可靠、操作方便。
上模装有补偿机构,可保证获得较高的折弯工作精度。
用户只需配备各种不同的模具,就可将板料折弯或各种不同形状的工件(见图2),还可以进行冲载、剪加工艺。
当折弯不同厚度板料时,应选择不同的下模开口尺寸,同时由板料折弯压力表(见图1)或折弯力计算公式得出折弯力,再相应调整液压系统压力。
折弯机说明书折弯机的压力换算方法(航天天田机床)提供正确换算表如下:P=加工压力(吨)S=板材厚度(毫米)L=板材长度=1000(毫米)V=底模 V 槽尺寸(毫米)R=内半径H=板材最少脚长(毫米)P=65S2L/V折弯机使用方法按普通的液压折弯机加工Q235板料来做简单介绍:1、首先是接通电源,在控制面板上打开钥匙开关,再按油泵启动,南通宏利机床有限公司这样你就听到油泵的转动声音了。
(此时机器不动作)2、行程调节,折弯机使用必须要注意调节行程,在折弯前一定要试车。
折弯机上模下行至最底部时必须保证有一个板厚的间隙。
否则会对模具和机器造成损坏。
行程的调节也是有电动快速调整和手动胃调。
3、折弯槽口选择,一般要选择板厚的8倍宽度的槽口。
如折弯4mm的板料,需选择32左右的槽口。
4、后挡料调整一般都有电动快速调整和手动微调,方法同剪板机。
5、踩下脚踏开关开始折弯,折弯机与剪板机不同,可以随时松开,松开脚折弯机便停下,在踩继续下行。
折弯机保养与维护:在进行机床保养或擦机前,应将上模对准下模后放下关机,直至工作完毕,如需进行开机或其它操作,应将模式选择在手动,并确保安全。
其保养内容如下:1、液压油路a.每周检查油箱油位,如进行液压系统维修后也应检查,油位低于油窗应加注液压油;b.本机所用液压油为ISO HM46或MOBIL DTE25;c.新机工作2000小时后应换油,以后每工作4000~6000小时后应换油,每次换油,应清洗油箱;d.系统油温应在35℃~60℃之间,不得超过70℃,如过高会导致油质及配件的变质损坏。
2、过滤器a.每次换油时,过滤器应更换或彻底清洗;b.机床有相关报警或油质不干净等其它过滤器异常,应更换;c.油箱上的空气过滤器,每3个月进行检查清洗,最好1年更换。
3、液压部件a.每月清洁液压部件(基板、阀、电机、泵、油管等),防止脏物进入系统,不能使用清洁剂;b.新机使用一个月后,检查各油管弯曲处有无变形,如有异常应予更换,使用两个月后,应紧固所有配件的连接处,进行此项工作时应关机,系统无压力液压折弯机包括支架、工作台和夹紧板,工作台置于支架上,工作台由底座和压板构成,底座通过铰链与夹紧板相连,底座由座壳、线圈和盖板组成,线圈置于座壳的凹陷内,凹陷顶部覆有盖板。
液压板料折弯机使用说明书一、安全须知1.机器在搬运过程中⼀定要注意重⼼位置,避免倾倒可能。
2.在操作本机床前⼀定要仔细阅读说明书,对机床了解后⽅可操作。
3.⼯作中注意运动部件的运动范围内不得有⼈及物品,以免造成挤压划伤。
4.对液压系统各阀本机均做好调整,⼀般情况下不必更动。
若确实需要,⼀定要请专业⼈员进⾏。
5.若需维修必须将滑块落下垫实,并注意⼈避开⾼压油可能射到的范围。
6.折弯时注意⼯件折后的⽅向,勿使碰伤。
7.本机设有急停按钮,如有紧急情况可迅速停⽌。
8.机床电机部分维修应持有电⼯维修操作证书的有经验的⼈员⽅可维修,严禁任何⽆电⼯操作证书的⼈员触及本机床电器部件。
9.机床电源引进线必须按图纸要求的线径⼤⼩及可靠的安全接地线。
10.机床移动导线上不能压锐器及重物。
⼆、机器的⽤途和适⽤范围机器对折弯⾦属板料具有较⾼的劳动⽣产率和较⾼的⼯作精度。
折弯不同厚度的料时,应选择下模不同开⼝尺⼨的V形槽。
选择V形槽开⼝尺⼨⼀般应⼤于倍板料厚度。
采⽤不同形状的上下模具,可折弯成各种形状的⼯件(见图1)。
板料折弯⼒表(见表1)和折弯⼒——油压换算图(见图2)或折弯计算公式可算出折弯⼒。
滑块⾏程⼀次即可对板料进⾏⼀次折弯成型,经过多次折弯即可获得较复杂形状的⼯件。
机器采⽤钢板焊接结构,具有⾜够的强度和钢度。
机液压传动可保证⼯作时不因板料厚度变化或下模V形槽选择不当⽽引起严重超载事故。
机器具有⼯作平稳,操作⽅便,噪⾳⼩,安全可靠等特点。
上模的补偿结构可在折弯板料时补偿⼯作台和滑块的绕度,保证获得较⾼的⼯作精度。
同时,油缸中设有机械挡块能确保滑块的重复定位精度,从⽽保证批量⽣产时折弯⾓度的⼀致性。
机器配备相应的装备后能作冲孔⽤。
机器滑块⾏程可任意调节,并具有点动,单次和连续⾏程等动作规范。
采⽤点动规范可⽅便地进⾏试模和调整。
机器技术先进,性能可靠是较理想的板料形成设备之⼀,它可⼴泛⽤于飞机、汽车、造船、电器、机械、轻⼯等⾏业。
WC67Y系列液压板料折弯机使用说明书W C67Y-80/2500公称力:800K N工作台长:2500m m出厂编号:_____四、机器的折弯压力v 4 6 8 10 12 14 16 18 20 24 28 32 36 40 45 50 55 60 65 70 80 90 100 120 b 2.8 4 5.5 7 8.5 10 11 12.5 14 17 20 22 25 28 31 35 38 42 46 49 56 63 70 85 r 0.7 1 1.3 1.6 2 2.3 2.6 3 3.3 3.8 4.5 5 6 6.5 7 8 9 10 10.5 11 13 14 15 16s 0.5 40 30表中数值:当L=1米时的折弯压力(KN)例:S=4mmL=1mmV=32mm查表得P=330KN0.6 60 40 30 300.8 70 50 40 301 110 80 70 601.2 120 100 80 70 601.5 150 120 110 90 802 220 190 170 150 130 1102.5 259 220 200 170 150 1303 330 290 250 210 180 1603.5 400 330 290 250 220 200 1004 440 370 330 290 260 230 2104.5 470 410 370 330 300 270 2505 510 450 400 360 330 270 2506 520 470 430 390 360 340 3008 700 640 600 520 460 420 10 810 720 65012 950计算公式:P=650S2L/V(KN)S=所折弯板料的厚度mmL=所折板料宽度m V=下模开口尺寸mm液压板料折弯机说明书第5页图2油缸及机械挡块示意图4、机架机架由左右立柱、油箱。
撑挡等工件焊接成整体框架,工作台紧固联接于左右立柱下部。
江南大学机电一体化专业《2001届》毕业设计****:***设计者:宋丽娜设计题目: WE67K-500/4000液压板料折弯机设计时间:2005年3月目录一、设计的意义 (2)二、设计计算步骤 (6)三、使用说明 (24)四、设计收获与体会 (43)五、参考文献 (44)一、设计的意义板料折弯机是一种使用最广泛的板料弯曲设备,用最简单的通用模具对板料进行各种角度的直线弯曲,操作简单,通用性好,模具成本低,更换方便,机器本身只有一个基本运动---上下往复直线运动。
凡是大量使用金属板料的部门,大都需要使用折弯机。
因此折弯机的品种规格繁多,结构形式多样,功能不断增加,精度日益提高,已经发展成为一种精密的金属成形机床。
本次所需设计折弯机,用户是电力机车厂车箱分厂,用户本身已有多台板料折弯机,有机械式,也有液压式,都是普通电气控制。
现用户为提高产品精度和工作效率,扩大加工能力,要求定购在4m宽度能折弯20mm厚度板料的折弯机,所加工产品精度要高过国家标准一级,加工过程半自动化(工作人员只需踩按开关就能加工出所需工件)。
根据用户的具体要求,计划设计WE67K-500/4000数控电液同步折弯机。
折弯机的传动形式有气动、液压和机械三种。
气动折弯机一般应用于小吨位。
对于本机来说已不适合。
机械板料折弯机是由机械压力机演变而成的,基本结构特征与机械压力机相同,采用曲柄连杆机构、离合器和制动器,通过飞轮释放能量产生折弯压力。
机械折弯机的优点是滑动与工作台平行精度高,能承受偏载,比较适合冲孔工序。
机械折弯机的缺点是:1)行程和速度都是固定的,不能调整;2)压力不能控制,在滑块下行程中从曲轴转角的最后15度~20度开始到行程下死点之间,才能达到额定压力,而在行程的中间位置,有效压力只有额定压力的65%左右;3)机器结构布局灵活性差,难以实现数控化和半自动化操作。
由于以上分析,机械式折弯机也不适合本机的设计要求。
随着液压折弯机的发展,机械式折弯机的这些优点已不明显,液压折弯机的平行精度更高,也更能承受偏载,并能进行冲孔。
河北机电职业技术学院毕业设计论文多功能棒料折弯机液压系统设计2011 届机械工程系专业机械制造及自动化学号 02020123080110学生姓名张伟龙指导教师王明耀完成日期 2011 年 6 月 18 日摘要折弯机属于锻压机械中的一种,主要作用就是金属加工行业。
产品广泛适用于:轻工、航空、船舶、电器、不锈钢制品、钢结构建筑及装潢行业。
液压传动系统采用压力补偿型柱塞泵供油,回油节流调速,能量利用合理,立式液压缸设有平衡和锁紧措施,工作安全可靠;同时以液压缸作为执行元件,夹紧力大,折弯动力也大,系统进行棒料折弯时工作性能好。
这次对棒料折弯系统、液压泵站等液压系统进行了回路设计,并对泵站的结构、布局以及一些非标准零件进行了设计,在设计过程中,力求结构紧凑,布局合理,制造简单。
目录1.前言 (6)2.绪论 (7)2.1液压技术概况 (7)2.2本课题主要研究内容 (7)2.3设计步骤 (8)3.液压系统的工作要求 (10)3.1液压系统的组成 (10)3.2液压折弯机的工作原理 (10)3.3折弯机的技术要求 (10)3.4液压系统参数计算 (11)4拟订液压系统图 (17)4.1确定液压系统方案 (17)4.2绘制液压系统图 (18)4.3液压元件的计算和选择 (19)4.3.1确定液压泵的压力、流量和选择泵的规格 (19)4.3.2确定管道尺寸 (20)4.4液压系统性能验算及确定压力阀调整值 (21)4.4.1验算压力损失 (21)4.4.2确定压力阀的调整值 (22)5液压缸的设计 (22)5.1液压缸主要尺寸的确定 (22)5.2液压缸的结构设计 (24)6液压站的设计 (27)6.1液压站简介 (27)6.2油箱设计 (28)6.2.1油箱有效容积的确定 (28)6.2.2油箱的结构设计 (29)6.2.3油箱的结构: (31)6.3液压站的结构设计 (32)6.3.1液压泵的安装方式 (32)6.3.2液压泵与电动机的连接 (33)6.4辅助元件 (33)6.4.1滤油器 (33)6.4.2液压油 (34)6.4.3液压控制装置的集成 (34)6.5绘制装配图 (35)7 液压系统油温过高的危害及预防 (36)7.1液压油油温过高的危害 (41)7.2液压油油温过高的原因及预防措施 (42)7.3油温发热的原因 (43)7.4温度过高的危害 (44)7.5防治措施 (45)8 液压系统清洗使用与维护 (38)8.1清洗液压系统 (38)8.2系统的使用和维护 (39)9 结论10谢辞11参考文献1.前言毕业设计是我们在学完大学全部课程及进行完生产实习和《机械制造技术》、《液压传动》等多门课程设计之后进行的,它是对我们大学三年学习的一次深入的综合性考察,也是我们步入社会所要从事工作的提前预测,同时还是我们将在校期间所学到的理论基础知识运用到实践中去解决问题的一次很好的锻炼。
WC67Y系列液压板料折弯机使用说明书WC67 Y-80/2500公称力:800 KN工作台长:2500 mm出厂编号: __________中华人民共和国山东沃力锻压设备有限公司液压板料折弯机说明书目录• • • 1一、冃U 言...............二、机器的基本参数......... • (2)三、机器的主要特点和用途•• (3)四、机器的折弯压力......... • (4)五、机器的主要结构......... •…5-11六、机器的吊运及安装••• • • 12-13•七、机器的安全规则......... • • • 14八、机器的调整及使用•• • • 15-19•九、机器的电气系统......... • • • 20-22十、机器的液压系统......... …23-26十、机器的润滑及液压油・• • • 27-28十二、机器的维护、保养及常见故障的排除.................. • • • 29-30十三、随机附带基本附件表・• (31)十四、报价单、机器的基本参数三、机器的主要特点和用途液压板料折弯机说明书第3页液压板料折弯机说明书第4页液压板料折弯机说明书第5页四、机器的折弯压力计算公式:P=65OS1/V (KN ) S 二所折弯板料的厚度 mm L=所折板料宽度mV=下模开口尺寸mm液压板料折弯机说明书第6页图2油缸及机械挡块示意图4、机架机架由左右立柱、油箱。
撑挡等工件焊接成整体框架,工作台紧固联接于左右立柱下部。
图3 机器结构示意图液压板料折弯机说明书第7页液压板料折弯机说明书第8页5、同步机构由扭轴、摆臂组成的机械强迫同步机构,结构简单,性能稳疋可靠,同步精度咼图4 同步机构示意图6、前托料架装置前托料装置用来支撑托住工件。
图5前托料架装置示意图液压板料折弯机说明书 第10页图7模具示意图、液压板料折弯机说明书第11页②更换模具应小心,模具轻放在机床旁的模架上,以免损坏。
一.设计一台板料折弯机的液压系统。
该机压头的上下运动用液压传动,其工作循环为快速下降、慢速下压(折弯)、快速退回。
给定条件为:折弯力 1.11×106N滑块重量 1.15×104N快速空载下降 行程 199 mm速度(1υ) 23.3 mm/s工作下压 (折弯) 行程 31.1 mm速度 (2υ) 13.2 mm/s快速回程 行程 210 mm速度 (3υ) 54.5 mm/s液压缸采用V 型密封圈,其机械效率91.0=cm η。
要求拟订液压系统图,计算和选择液压元件。
学生课程设计说明书题目:板料折弯机液压系统设计摘要立式板料折弯机是机械、电气、液压三者紧密联系,结合的一个综合体。
液压传动与机械传动、电气传动并列为三大传统形式,液压传动系统的设计在现代机械的设计工作中占有重要的地位。
因此,《液压传动》课程是工科机械类各专业都开设的一门重要课程。
它既是一门理论课,也与生产实际有着密切的联系。
为了学好这样一门重要课程,除了在教学中系统讲授以外,还应设置课程设计教学环节,使学生理论联系实际,掌握液压传动系统设计的技能和方法。
液压传动课程设计的目的主要有以下几点:1、综合运用液压传动课程及其他有关先修课程的理论知识和生产实际只是,进行液压传动设计实践,是理论知识和生产实践结合起来,从而使这些知识得到进一步的巩固、加深提高和扩展。
2、在设计实践中学习和掌握通用液压元件,尤其是各类标准元件的选用原则和回路的组合方法,培养设计技能,提高学生分析和嫁接生产实际问题的能力,为今后的设计工作打下良好的基础。
3、通过设计,学生应在计算、绘图、运用和熟悉设计资料(包括设计手册、产品样本、标准和规)以及进行估算方面得到实际训练。
关键词板料折弯机,液压传动系统,液压传动课程设计。
目录摘要1任务分析 (1)1.1 技术要求 (1)1.2 任务分析 (1)2 方案的确定 (2)2.1运动情况分析 (2)2.1.1变压式节流调速回路 (2)2.1.2容积调速回路 (2)3 负载与运动分析 (3)4 负载图和速度图的绘制 (4)5 液压缸主要参数的确定 (4)6系统液压图的拟定 (6)7 液压元件的选择 (8)7.1 液压泵的选择 (8)7.2 阀类元件及辅助元件 (8)7.3 油管元件 (9)7.4油箱的容积计算 (10)7.5油箱的长宽高确 (10)7.6油箱地面倾斜度 (11)7.7吸油管和过滤器之间管接头的选择 (11)7.8过滤器的选取 (11)7.9堵塞的选取 (11)7.10空气过滤器的选取 (12)7.11液位/温度计的选取 (12)8 液压系统性能的运算 (13)8.1 压力损失和调定压力的确定 (13)8.1.1沿程压力损失 (13)8.1.2局部压力损失 (13)8.1.3压力阀的调定值计算 (14)8.2 油液温升的计算 (14)8.2.1快进时液压系统的发热量 (14)8.2.2 快退时液压缸的发热量 (14)8.2.3压制时液压缸的发热量 (14)8.3油箱的设计 (15)8.3.1系统发热量的计算 (15)8.3.2 散热量的计算 (15)9 参考文献 (17)致 (18)1 任务分析1.1技术要求设计制造一台立式板料折弯机,该机压头的上下运动用液压传动,其工作循环为:快速下降、慢速加压(折弯)、快速退回。
给定条件为:折弯力 6110N ⨯滑块重量 41.510N ⨯快速空载下降 行程 180mm速度(1v ) 23/mm s慢速下压(折弯) 行程 30mm速度(2v ) 12/mm s快速回程 行程 210mm速度(3v ) 53/mm s1.2任务分析根据滑块重量为41.510N ⨯,为了防止滑块受重力下滑,可用液压方式平衡滑块重量,滑块导轨的摩擦力可以忽略不计。
设计液压缸的启动、制动时间为0.2t s =。
折弯机滑块上下为直线往复运动,且行程较小(210mm ),故可选单杆液压缸作执行器,且液压缸的机械效率0.91cm η=。
因为板料折弯机的工作循环为快速下降、慢速加压(折弯)、快速回程三个阶段。
各个阶段的转换由一个三位四通的电液换向阀控制。
当电液换向阀工作在左位时实现快速回程。
中位时实现液压泵的卸荷,工作在右位时实现液压泵的快速和工进。
其工进速度由一个调速阀来控制。
快进和工进之间的转换由行程开关控制。
折弯机快速下降时,要求其速度较快,减少空行程时间,液压泵采用全压式供油。
其活塞运动行程由一个行程阀来控制。
当活塞以恒定的速度移动到一定位置时,行程阀接受到信号,并产生动作,实现由快进到工进的转换。
当活塞移动到终止阶段时,压力继电器接受到信号,使电液换向阀换向。
由于折弯机压力比较大,所以此时进油腔的压力比较大,所以在由工进到快速回程阶段须要一个预先卸压回路,以防在高压冲击液压元件,并可使油路卸荷平稳。
所以在快速回程的油路上可设计一个预先卸压回路,回路的卸荷快慢用一个节流阀来调节,此时换向阀处于中位。
当卸压到一定压力大小时,换向阀再换到左位,实现平稳卸荷。
为了对油路压力进行监控,在液压泵出口安装一个压力表和溢流阀,同时也对系统起过载保护作用。
因为滑块受自身重力作用,滑块要产生下滑运动。
所以油路要设计一个液控单向阀,以构成一个平衡回路,产生一定大小的背压力,同时也使工进过程平稳。
在液压力泵的出油口设计一个单向阀,可防止油压对液压泵的冲击,对泵起到保护作用。
2方案的确定2.1运动情况分析由折弯机的工作情况来看,其外负载和工作速度随着时间是不断变化的。
所以设计液压回路时必须满足随负载和执行元件的速度不断变化的要求。
因此可以选用变压式节流调速回路和容积式调速回路两种方式。
2.1.1变压式节流调速回路节流调速的工作原理,是通过改变回路中流量控制元件通流面积的大小来控制流入执行元件或自执行元件流出的流量来调节其速度。
变压式节流调速的工作压力随负载而变,节流阀调节排回油箱的流量,从而对流入液压缸的的流量进行控制。
其缺点:液压泵的损失对液压缸的工作速度有很大的影响。
其机械特性较软,当负载增大到某值时候,活塞会停止运动,低速时泵承载能力很差,变载下的运动平稳性都比较差,可使用比例阀、伺服阀等来调节其性能,但装置复杂、价格较贵。
优点:在主油箱,节流损失和发热量都比较小,且效率较高。
宜在速度高、负载较大,负载变化不大、对平稳性要求不高的场合。
2.1.2容积调速回路容积调速回路的工作原理是通过改变回路中变量泵或马达的排量来改变执行元件的运动速度。
优点:在此回路中,液压泵输出的油液直接进入执行元件中,没有溢流损失和节流损失,而且工作压力随负载的变化而变化,因此效率高、发热量小。
当加大液压缸的有效工作面积,减小泵的泄露,都可以提高回路的速度刚性。
综合以上两种方案的优缺点比较,泵缸开式容积调速回路和变压式节流调回路相比较,其速度刚性和承载能力都比好,调速围也比较宽,工作效率更高,而发热却是最小的。
考虑到最大折弯力为6110N ,数值比较大,故选用泵缸开式容积调速回路。
23 负载与运动分析 要求设计的板料折弯机实现的工作循环是:快速下降工作下压(折弯)快速回程停止。
主要性能参数与性能要求如下:折弯力F=6110⨯N ;板料折弯机的滑块重量G =41.510⨯N ;快速空载下降速度123/v mm s ==0.023m/s ,工作下压速度212/0.012/v mm s mm s ==,快速回程速度353/v mm s ==0.053m/s ,板料折弯机快速空载下降行程1180L mm ==0.18m ,板料折弯机工作下压行程230L mm ==0.03m ,板料折弯机快速回程:H=210mm=0.21m ;启动制动时间s t 2.0=∆,液压系统执行元件选为液压缸。
液压缸采用V 型密封圈,其机械效率0.91cm η=。
由式 m v F m t∆=∆ 式中 m —工作部件总质量 v ∆—快进或快退速度 t ∆—运动的加速、减速时间求得惯性负载41.5100.0231769.80.2mv G v F m t g t N ∆∆⨯==•=⨯=∆∆ 再求得阻力负载 静摩擦阻力 40.2 1.5103000sf F N =⨯⨯=动摩擦阻力 40.1 1.5101500fd F N =⨯⨯=表一 液压缸在各工作阶段的负载值 (单位:N)工况 负载组成 负载值F 推力/cm F η起动sf F F = 3000 3297 加速fd m F F F =+ 1676 1842 快进fd F F = 1500 1648 工进fd F F F =+ 1001500 1100549 快退fd F F = 1500 1648 注:液压缸的机械效率取0.91cm η=34 负载图和速度图的绘制负载图按上面数据绘制,如下图a)所示。
速度图按己知数值123/v mm s =,212/v mm s =,353/v mm s =,1180L mm =,230L mm =,快速回程3210L mm =图一 板料折弯机液压缸的负载图和速度图a)负载图 b)速度图5 液压缸主要参数的确定由表11-2和表11-3可知,板料折弯机液压系统在最大负载约为242KN 时工作压力130P MPa =。
将液压缸的无杆腔作为主工作腔,考虑到缸下行时,滑块自重采用液压方式平衡,则可计算出液压缸无杆腔的有效面积,取液压缸的机械效率ηcm =0.91。
2max 16111005490.040.913010cm F A m p η===⨯⨯⨯ 液压缸径: 1440.040.225225A D m mm ππ⨯⨯==== 参考[1],按GB/T2348-1993,取标准值D=230mm=23cm根据快速下降与快速上升进的速度比确定活塞杆直径d:22253 2.3023VD VD d ===- 195.619.70d mm cm ⇒==取标准值d=200mm=20cm则:无杆腔实际有效面积222123415.544A D cm ππ==⨯=有杆腔实际有效面积222222()(2320)101.344A D d cm ππ=-=⨯-=液压缸在工作循环中各阶段的压力和流量计算见表5.1。
液压缸在工作循环中各阶段的功率计算见表5.2表5.2 工作循环中各阶段的功率5根据以上分析与计算数据处理可绘出液压缸的工况图5.1:图5.1 液压缸的工况图6 系统液压图的拟定考虑到液压机工作时所需功率较大,固采用容积调速方式;(1)为满足速度的有极变化,采用压力补偿变量液压泵供油,即在快速下降的时候,液压泵以全流量供油。
当转化成慢速加压压制时,泵的流量减小,最后流量为0;(2)当液压缸反向回程时,泵的流量恢复为全流量供油。
液压缸的运动方向采用三位四通Y型电磁换向阀和二位二通电磁换向阀控制。