10KV隔离开关技术参数
- 格式:doc
- 大小:79.50 KB
- 文档页数:4
gn19-10q型隔离开关参数GN19-10Q型隔离开关是一种常用的高压开关设备,具有很多重要的参数。
以下将详细介绍这些参数,并对其作用进行解释。
1.额定电压(Rated Voltage):GN19-10Q型隔离开关的额定电压一般为10kV。
额定电压是指设备能够正常工作的电压范围,超过该电压范围可能会导致设备损坏或失效。
2.额定电流(Rated Current):GN19-10Q型隔离开关的额定电流一般为630A。
额定电流是指设备可以安全工作的电流范围,超过该电流范围可能导致设备过载,甚至发生火灾等危险。
3.隔离开断能力(Isolation Breaking Capacity):GN19-10Q型隔离开关的隔离开断能力一般为20kA。
隔离开断能力是指设备可以安全切断电路的能力,超过该能力可能导致开关无法正常切断电路。
4.雷电冲击耐受能力(Lightning Impulse Withstand Voltage):GN19-10Q型隔离开关的雷电冲击耐受能力一般为75kV。
雷电冲击耐受能力是指设备可以安全承受雷电冲击的能力,超过该能力可能导致设备受损。
5.支路电流耐受能力(Short-time Withstand Current):GN19-10Q型隔离开关的支路电流耐受能力一般为20kA。
支路电流耐受能力是指设备可以安全承受短时间的大电流冲击的能力,超过该能力可能导致设备受损。
6.短路开断能力(Short-circuit Breaking Capacity):GN19-10Q型隔离开关的短路开断能力一般为20kA。
短路开断能力是指设备可以安全切断电路的能力,超过该能力可能导致开关无法正常切断电路。
7.防护等级(Protection Level):GN19-10Q型隔离开关的防护等级一般为IP4X。
防护等级是指设备对外界固体物质、液体物质和外界触摸的保护能力,数字越高表示防护能力越强。
8.操作机构额定操作力(Rated Operating Force):GN19-10Q型隔离开关的操作机构额定操作力一般为≤200N。
技术规定4.2.110kV金属铠装中置式高压开关柜4.2.6.1概述对10kV户内交流金属铠装中置式高压开关柜(以下简称开关柜)的电气参数、结构和出厂试验等方面的具体要求如下:(1)卖方提供的设备应是符合本技术条件要求,适用于交流10(12)kV,频率50Hz电力系统,完整的成套开关设备,在符合使用环境条件情况下,接通电源即能使用。
(2)本文件提出的技术条件是高压成套开关设备的最低技术要求。
卖方应保证提供的产品是符合本技术条件和产品标准的优质产品。
生产和验收应符合以下标准:GB3906-2006 3.6kV~40.5kV交流金属封闭开关设备和控制设备IEC60298(1990)额定电压1kV以上50kV及以下交流金属封闭开关设备和控制设备GB/T 311.2-2002 绝缘配合第2部分:高压输变电设备的绝缘配合使用导则GB/T762-2002 标准电流等级GB763-1990 交流高压电器在长期工作时的发热GB1984-2003 高压交流断路器GB1985-2004 高压交流隔离开关和接地开关GB/T11022-1999 高压开关设备和控制设备标准的共用技术条件SD318-89 高压开关柜闭锁装置技术条件GB11032-2000 交流无间隙金属氧化物避雷器DL/T404-2007 3.6kV~40.5kV交流金属封闭开关设备和控制设备以上所引用技术标准均应按现行标准执行。
但不仅仅限于这些标准。
4.2.6.2电气参数10kV高压开关柜电气参数详见电气设备规格数据表:4.2.6.2-1~4.2.6.2-13。
电气设备数据表4.2.6.2-1电气设备数据表4.2.6.2-2电气设备数据表4.2.6.2-3电气设备数据表4.2.6.2-4电气设备数据表4.2.6.2-5电气设备数据表4.2.6.2-6电气设备数据表4.2.6.2-7电气设备数据表4.2.6.2-8电气设备数据表4.2.6.2-9电气设备数据表4.2.6.2-10电气设备数据表4.2.6.2-11电气设备数据表4.2.6.2-12电气设备数据表4.2.6.2-134.2.6.3结构(1)对于额定参数和结构相同而需要替代的元器件应能互换。
一、柱上隔离开关(1)额定频率:50Hz。
(2)额定电压:12kV。
(3)额定电流:630A。
(4)绝缘水平:见下表。
柱上隔离开关额定绝缘水平 kV二、柱上真空断路器(一)技术参数1.主要技术参数(见下表)柱上真空断路器主要技术参数2.技术规范(1)环境条件1)海拔高度:≤3000m。
2)最大风速:30m/s。
3)环境相对湿度:日平均值95%;月平均值90%。
4)地震烈度:8度。
5)污秽等级:3级。
(2)使用条件1)系统电压:10kV;系统最高电压:12kV;系统额定频率:50Hz;系统中性点接地方式:非有效。
2)安装地点:户外。
3)安装方式:柱上垂直。
(3)技术性能要求1)断路器应在规定的各种工作情况下达到开断性能的要求而不发生拒动或误动。
2)噪声:户外不大于55dB。
3)操动机构。
形式:弹簧机构或永磁电动机构;操作方式:手动操作或电动操作。
4)辅助回路。
辅助回路应能长期承载10A电流,温升不超过GB/T 11022—1999《高压开关设备和控制设备标准的共用技术要求》规定值。
辅助触点10对,其中5对动合触点,5对动断触点,并能按需要改换。
采用阻燃端子,留有15%备用端子排。
5)一次端子。
断路器提供连接导线的板式端子,端子受力:水平750N;垂直500N;横向400N。
断路器端子型式和尺寸应满足GB/T 5273—1985《高压器、高压电器和套管的接线端子》标准中有关规定。
6)断路器瓷套的爬电距离不小于31mm/kV(42kV以下)。
7)接地。
每台断路器应装设满足接地热稳定电流要求的接地极板,并配有与接地线连接用的接地螺栓,螺栓的直径不小于12mm。
8)寿命。
机械寿命(连续操作不调整):10000次;电气寿命:开断100%额定开断短路电流30次。
9)每台断路器配有位置指示器。
合闸为红色;分闸为绿色。
10)所有支架按工程需要要进行热镀锌的防腐处理。
11)有符合国标的铭牌,铭牌用耐腐蚀的材料制成,字样、符号应清晰耐久,铭牌在正常运行时安装位置应明显可见。
云南电网公司二级物资招标采购2014年第一批10kV户外隔离开关(站用)技术规范书2013年12月前附表:货物供货一览表目录1 总则 (4)2. 技术特性要求 (6)3. 技术参数及使用条件 (9)4 试验 (11)5. 质量保证及管理 (11)6. 技术服务、设计联络、工厂检验和监造 (12)7. 包装及标志 (12)8 投标人响应部分 (14)附录A 项目单位提供的其他资料 (16)1 总则1.1.本技术规范书主要用于云南电网公司基建配网工程物资采购,10kV隔离开关(以下简称“设备”)的招标,包括隔离开关本体、操动机构及附件、传动部分的连接件(包括相间连杆及与操动机构间的连杆)、备品备件及专用工具等。
本技术规范书主要提出通用的技术要求,具体的交货期及交货目的地以商务合同为准。
1.2.投标方应按设备不同的电压等级、额定一次电流、额定短时耐受电流及接地方式等相关技术要求进行报价,投标方的报价应为单价,并应对报价的适用范围进行说明。
投标方中标后,采购方有权根据具体工程的需要对局部技术要求提出更改,若不涉及主要技术参数的修改,供货方不应对中标单价提出更改。
具体工程的技术要求以相应工程的技术协议为准。
1.3.投标方所生产的隔离开关必须是通过完善化技术审查的产品,并提供针对瓷瓶断裂、操作失灵、导电回路过热、锈蚀等易发故障进行的完善化技术措施证明。
1.4.本技术规范书提出的是最低限度的技术要求,并未对一切技术细节作出规定,也未充分引述有关标准和规范的条文,供货方应提供符合本规范书和国家标准的优质产品。
1.5.投标技术文件中应对投标产品的技术性能详细描述,提供不低于所供产品技术要求的全部型式试验报告,并提供对应招标技术规范书的技术偏差表,偏差表中未提及的条款,则视同完全同意本技术规范书的要求。
1.6.投标人或供货方 (包括分包厂)应已设计、制造和提供过同类设备,且技术参数应与本工程相类似,或较规定的条件更严格,至少有3组2年以上的商业运行经验。
10kv户内隔离开关技术参数一、背景介绍1.1 10kv户内隔离开关的作用10kv户内隔离开关作为配电系统中的重要组成部分,主要用于在10kv配电系统中对线路进行隔离操作,保障人员和设备的安全。
1.2 10kv户内隔离开关的应用领域10kv户内隔离开关广泛应用于城市建筑、工矿企业、高速公路、铁路等各种电力配电系统中。
二、技术参数2.1 额定电压10kv户内隔离开关的额定电压为10kv,能够在10kv配电系统中稳定运行。
2.2 额定电流10kv户内隔离开关的额定电流通常包括200A、400A、630A等多个规格,用户可根据具体的电力负载情况进行选择。
2.3 隔离开关类型10kv户内隔离开关根据结构形式可分为固定式和可移动式两种类型,以满足不同场合的使用需求。
2.4 隔离开关操作机构10kv户内隔离开关的操作机构通常采用手动和电动两种方式,能够实现远程和现场操作,方便用户使用。
2.5 隔离开关动作次数10kv户内隔离开关的动作次数通常大于xxx次,保证了设备的使用寿命和可靠性。
2.6 隔离开关的绝缘水平10kv户内隔离开关的绝缘水平符合国家标准,能够在高压环境下保持良好的绝缘性能。
2.7 隔离开关的防护等级10kv户内隔离开关的防护等级通常达到IP40或IP54,保证了设备在恶劣环境下的可靠运行。
2.8 其它技术参数如开关的短时耐受电流、分断能力、闭合电压等参数,都是影响10kv 户内隔离开关性能的重要因素。
三、产品优势3.1 安全可靠10kv户内隔离开关经过严格的设计和检测,具有良好的绝缘性能和稳定的分断能力,能够在高压环境下安全可靠运行。
3.2 灵活多样10kv户内隔离开关提供多种规格和型号选择,同时具有固定式和可移动式两种结构形式,能够满足不同场合的使用需求。
3.3 操作便捷10kv户内隔离开关的操作机构灵活多样,可实现手动和电动两种操作方式,方便用户进行远程和现场操作。
3.4 维护保养简便10kv户内隔离开关设计合理,维护保养简便,节省了用户的维修成本和时间。
一、柱上隔离开关(1)额定频率:50Hz。
(2)额定电压:12kV。
(3)额定电流:630A。
(4)绝缘水平:见下表。
柱上隔离开关额定绝缘水平 kV二、柱上真空断路器(一)技术参数1.主要技术参数(见下表)柱上真空断路器主要技术参数2.技术规范(1)环境条件1)海拔高度:≤3000m。
2)最大风速:30m/s。
3)环境相对湿度:日平均值95%;月平均值90%。
4)地震烈度:8度。
5)污秽等级:3级。
(2)使用条件1)系统电压:10kV;系统最高电压:12kV;系统额定频率:50Hz;系统中性点接地方式:非有效。
2)安装地点:户外。
3)安装方式:柱上垂直。
(3)技术性能要求1)断路器应在规定的各种工作情况下达到开断性能的要求而不发生拒动或误动。
2)噪声:户外不大于55dB。
3)操动机构。
形式:弹簧机构或永磁电动机构;操作方式:手动操作或电动操作。
4)辅助回路。
辅助回路应能长期承载10A电流,温升不超过GB/T 11022—1999《高压开关设备和控制设备标准的共用技术要求》规定值。
辅助触点10对,其中5对动合触点,5对动断触点,并能按需要改换。
采用阻燃端子,留有15%备用端子排。
5)一次端子。
断路器提供连接导线的板式端子,端子受力:水平750N;垂直500N;横向400N。
断路器端子型式和尺寸应满足GB/T 5273—1985《高压器、高压电器和套管的接线端子》标准中有关规定。
6)断路器瓷套的爬电距离不小于31mm/kV(42kV以下)。
7)接地。
每台断路器应装设满足接地热稳定电流要求的接地极板,并配有与接地线连接用的接地螺栓,螺栓的直径不小于12mm。
8)寿命。
机械寿命(连续操作不调整):10000次;电气寿命:开断100%额定开断短路电流30次。
9)每台断路器配有位置指示器。
合闸为红色;分闸为绿色。
10)所有支架按工程需要要进行热镀锌的防腐处理。
11)有符合国标的铭牌,铭牌用耐腐蚀的材料制成,字样、符号应清晰耐久,铭牌在正常运行时安装位置应明显可见。
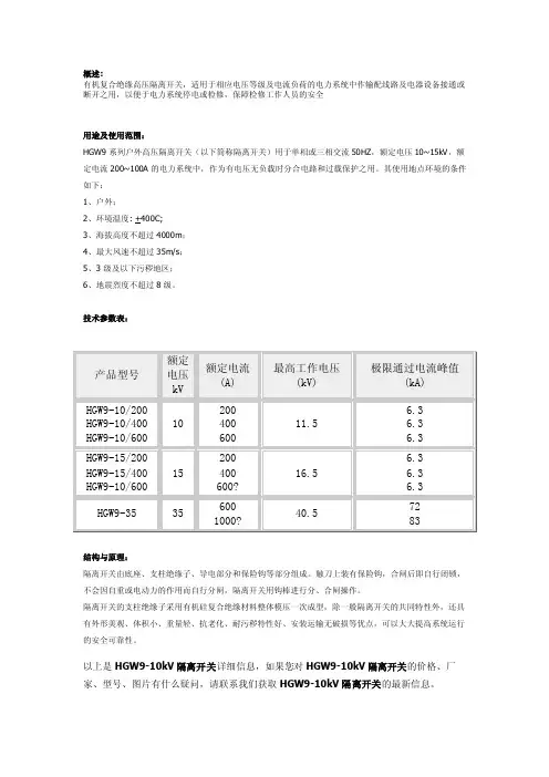
有机复合绝缘高压隔离开关,适用于相应电压等级及电流负荷的电力系统中作输配线路及电器设备接通或断开之用,以便于电力系统停电或检修,保障检修工作人员的安全用途及使用范围:HGW9系列户外高压隔离开关(以下简称隔离开关)用于单相或三相交流50HZ,额定电压10~15kV,额定电流200~100A的电力系统中,作为有电压无负载时分合电路和过载保护之用。
其使用地点环境的条件如下:1、户外;2、环境温度: +400C;3、海拔高度不超过4000m;4、最大风速不超过35m/s;5、3级及以下污秽地区;6、地震烈度不超过8级。
0技术参数表:010kV交流高压户外隔离开关技术规范书工程项目:广西电网公司年月目录1 总则2 使用环境条件3 技术参数和要求4 试验5 供货范围6 技术资料和图纸交付进度7 运输要求8 技术服务1总则1.1本设备技术规范书适用于10kV系统户外隔离开关和接地开关,本技术规范书提出了该产品的功能设计、结构、性能、和试验等方面的技术要求。
1.2需方在本规范书中提出了最低限度的技术要求,并未规定所有的技术要求和适用的标准,未对一切技术细则作出规定,也未充分引述有关标准和规范的条文,供方应提供一套满足本规范书和现行有关标准要求的高质量产品及其相应服务。
1.3如果供方没有以书面形式对本规范书的条款提出异议,则意味着供方提供的设备(或系统)完全满足本规范书的要求。
如有异议,应在投标书中以“对规范书的意见和与规范书的差异”为标题的专门章节加以详细描述。
1.4本设备技术规范书经需供双方确认后作为订货合同的技术附件,与合同正文具有同等的法律效力。
1.5供方须执行现行国家标准和行业标准。
应遵循的主要现行标准如下。
本技术规范出版时,所示版本均为有效。
所有标准都会被修订,供需双方应探讨使用下列标准最新版本的可能性。
有矛盾时,按现行的技术要求较高的标准执行。
GB1985-2003 交流高压隔离开关和接地开关DL/T486-2000交流高压隔离开关和接地开关订货技术条件2 使用环境条件2.1周围空气温度:最高气温:+40℃最低气温:-15℃最高日平均气温:+30℃最高年平均气温:+20℃最大日温差:25K2.2 海拔:不超过1000m;2.3 风速:不大于35m/s;2.4 环境湿度:月平均值不大于90%;日平均值不大于95%;2.5 耐地震能力地震烈度:8级2.6安装地点的倾斜度:不大于3°2.7考虑日照、污秽、凝露及自然腐蚀的影响。
10kV 高压开关柜技术规范书建设单位:编制单位:二零零九年月日表1货物需求及供货范围一览表注:投标人应用详细的一次接线图和布置图说明供货范围。
表 2 必备的备品备件、专用工具和仪器仪表供货表表 3 推荐的备品备件、专用工具和仪器仪表供货表(投标人填写)1、总则1.1、本设备技术规范书适用于额定电压为10KV高压开关柜、它提出了高压开关柜的功能设计、结构、性能、安装和试验等方面的技术要求。
1.2、本设备技术规范书提出的是最低限度的技术要求,并未对一切技术细节做出规定,也未充分引述有关标准和规范的条文,卖方应提出供符合本规范书和工业标准的优质产品。
1.3、如果卖方没有以书面形式对本规范书的条文提出异议,则表示卖方提供的设备完全符合本规范书的要求。
如有异议,不管是多么微小,都应在报价书中以“对规范书的意见和同规范书的差异”为标题的专门章节中加以详细描述。
1.4、本设备技术规范书所使用的标准如遇与卖方所执行的标准不一致时,按较高标准执行。
1.5、本设备技术规范经买、卖双方确认后作为定货合同的技术附件,与合同正文具有同等的法律效力。
1.6本技术规范书未尽事宜,由买、卖双方协商确定。
2、技术要求2.1、应遵循的主要现行标准GB156-1993 标准电压GB311.1-1983 高压输变电设备的绝缘配合GB311.2~311.6-1983 高电压试验技术GB1408-1989 固体绝缘材料工频电气强度的试验方法GB3309-1989 高压开关设备常温下的机械试验GB7354-1987 局部放电测量GB11022-1989 高压开关柜设备通用技术条件SD/T318-1989 高压开关柜闭锁装置技术条件DL/T402-1991 交流高压断路器订货技术条件DL/T486-1992 交流高压隔离开关订货技术条件DL/T539-1993 户内交流高压开关柜和元部件凝露及污秽试验技术条件DL/T593-1996 高压开关设备的共用订货技术条件GB2706-1989 交流高压电器动热稳定试验方法GB763-1990 交流高压电器在长期工作时的发热GB5582 高压电力设备外绝缘污秽等级GB2900 电工名词术语GB1984-89 交流高压断路器2.2工程概况及系统情况2.1.1工程项目名称:2.1.2工程地址:宁夏境内2.1.3交通、运输:汽运到现场2.1.4电力系统情况:a :系统标称电压:10kVb:系统最高电压:12 kVc:系统额定频率:50Hzd:系统中性点接地方式:非有效性接地e:安装地点:户内3使用条件表4 使用条件4技术参数和性能要求技术参数和技术偏差表卖方应认真填写技术参数响应表中买方保证值。
一、10KV户内高压隔离开关《GN22-10/3150A》称说明概述10KV户内高压隔离开关《GN22-10/3150A》称可在工作电流范围内进行频繁的操作或多次开断短路电流;机械寿命可高达30,000次,满容量短路电流开断次数可达50次。
《GN22-10/3150A》适于重合闸操作并有极高的操作可靠性与使用寿命。
《GN22-10/3150A》(普通型)采用了立式的绝缘筒防御各种气候的影响;且在维护和保养方面,通常仅需对操作机构做间或性的清扫或润滑。
《GN22-10/3150A》(极柱型)采用了固体绝缘结构—集成固封极柱,实现了免维护。
《GN22-10/3150A》在开关柜内的安装形式既可以是固定式,也可以是可抽出式的,还可安装于框架上使用动静触头允许磨损累计厚度mm 3四、《GN22-10/3150A》选型用户可根据被保护对象选用不同型号的《GN22-10/3150A》,对使用场所的不同可选用防污型和高原型。
为满足市场的需求我厂可根据用户的要求设计各种非标产品。
《《GN22-10/3150A》10KV户内高压隔离开关》五、《GN22-10/3150A》使用条件:1.适用于户内、外;2.环境温度-40℃~+40℃;3.海拔高度不超过3000m(瓷套式不超过1000m);4.电源频率不小于48Hz、不超过62 Hz;5.长期施加在《GN22-10/3150A》端子间的工频电压不超过《GN22-10/3150A》的持续运行电压;6.地震烈度8度及以下地区;7.大风速不超过35m/s。
8.《GN22-10/3150A》保护发电厂、变电站的交流电气设备免受大气过电压和操作电压的损坏。
《GN22-10。
10KV变配电室高低压设备参数(一)高压进线柜主要技术参数:1、开关柜形式:金属封闭铠装移开中置式高压开关柜额定电压: 12KV额定电流: 630A额定频率: 50HZ额定动稳定电流(峰值):80 KA热稳定电流(有效值): 31.5KA热稳定电流持续时间: 4S一分钟工频耐受电压(有效值)主绝缘对地: 42KV隔离断口间的绝缘: 48KV雷电冲击水平(全波、峰值)主绝缘对地: 75KV隔离断口间的绝缘: 85KV防护等级: IP4X2、隔离开关: 630A额定电压: 12KV额定电流: 630A额定频率: 50HZ一分钟工频耐受电压(有效值)主绝缘对地: 42KV隔离断口间的绝缘: 48KV雷电冲击水平(全波、峰值)主绝缘对地: 75kV隔离断口间的绝缘: 85Kv额定短路开断电流: 25KA额定峰值耐受电流: 50KA额定短路关合电流: 50KA额定短时耐受电流/电流持续时间:20KA/3S额定有功负载开断电流: 630A额定闭环开断电流: 630A额定电流充电电流:10A机械寿命:≥5000次3、熔断器:2A额定电流:2A额定开断电流:50KA当通过熔断器的电流为其额定电流的1.3倍时,1小时内不熔断; 当通过熔断器的电流为其额定电流的2倍时,1小时内熔断。
(二)高压出线柜主要技术参数:1、开关柜形式:KYN28A-12 金属封闭铠装移开中置式高压开关柜额定电压: 10KV额定电流: 630A额定频率: 50HZ额定动稳定电流(峰值):80 KA热稳定电流(有效值): 31.5KA热稳定电流持续时间: 4S一分钟工频耐受电压(有效值)主绝缘对地: 42KV隔离断口间的绝缘: 48KV雷电冲击水平(全波、峰值)主绝缘对地: 75KV隔离断口间的绝缘: 85KV防护等级: IP4X2、真空断路器: 630A额定电压: 12KV额定电流: 630A额定短路开断电流: 25KA额定峰值耐受电流: 63KA额定短路关合电流: 63KA额定短时耐受电流/电流持续时间:25KA/4S操作电源:DC110V额定操作顺序:分-0.3s-合分-180s-合分机械寿命:≥20000次平均合闸速度:0.5-0.8m/s平均分闸速度:0.9-1.2m/s3、电流互感器: LZZBJ9-10二次额定电流: 5A准确度等级及容量: 0.5/10P10 15/15VA4、综合保护装置: /输入交流电压: 100V二次额定电流: 5A(三)低压进线柜、低压联络柜主要技术参数:1、开关柜形式: GCK 交流低压抽出式开关柜额定电压: 400V额定电流:主母线5000A、2000A额定绝缘电压: 660V额定耐受电压: 2500V(1分钟工频)额定短时耐受电流: 65kA防护等级: IP3X2、框架断路器: 5000A/4P、2000/4P额定电压: 400V额定电流: 2000A额定极限分断能力: 65kA额定运行分断能力: 55kA断路器不带失压脱扣器,框架断路器采用电子微处理器脱扣器,液晶显示,中文菜单操作及参数整定;框架断路器采用三段保护。
技术规定4.2.110kV金属铠装中置式高压开关柜4.2.6.1概述对10kV户内交流金属铠装中置式高压开关柜(以下简称开关柜)的电气参数、结构和出厂试验等方面的具体要求如下:(1)卖方提供的设备应是符合本技术条件要求,适用于交流10(12)kV,频率50Hz电力系统,完整的成套开关设备,在符合使用环境条件情况下,接通电源即能使用。
(2)本文件提出的技术条件是高压成套开关设备的最低技术要求。
卖方应保证提供的产品是符合本技术条件和产品标准的优质产品。
生产和验收应符合以下标准:GB3906-2006 3.6kV~40.5kV交流金属封闭开关设备和控制设备IEC60298(1990)额定电压1kV以上50kV及以下交流金属封闭开关设备和控制设备GB/T 311.2-2002 绝缘配合第2部分:高压输变电设备的绝缘配合使用导则GB/T762-2002 标准电流等级GB763-1990 交流高压电器在长期工作时的发热GB1984-2003 高压交流断路器GB1985-2004 高压交流隔离开关和接地开关GB/T11022-1999 高压开关设备和控制设备标准的共用技术条件SD318-89 高压开关柜闭锁装置技术条件GB11032-2000 交流无间隙金属氧化物避雷器DL/T404-2007 3.6kV~40.5kV交流金属封闭开关设备和控制设备以上所引用技术标准均应按现行标准执行。
但不仅仅限于这些标准。
4.2.6.2电气参数10kV高压开关柜电气参数详见电气设备规格数据表:4.2.6.2-1~4.2.6.2-13。
电气设备数据表4.2.6.2-1电气设备数据表4.2.6.2-2电气设备数据表4.2.6.2-3电气设备数据表4.2.6.2-4电气设备数据表4.2.6.2-5电气设备数据表4.2.6.2-6电气设备数据表4.2.6.2-7电气设备数据表4.2.6.2-8电气设备数据表4.2.6.2-9电气设备数据表4.2.6.2-10电气设备数据表4.2.6.2-11电气设备数据表4.2.6.2-12电气设备数据表4.2.6.2-134.2.6.3结构(1)对于额定参数和结构相同而需要替代的元器件应能互换。
产品类目:电气>>开关类>>隔离开关>>高压隔离开关>>名称:10kV户外高压隔离开关价格:元规格:色彩:放入购买清单放入预采购清单生产厂商..........................................................................................简介..........................................................................................广泛适用于额定电压10kV、频率50HZ的单相户外装置,用在有电压而无负载时分、合电路。
促销信息..........................................................................................详细信息..........................................................................................一、产品概述HGW9-10型复合绝缘户外高压隔离开关广泛适用于额定电压10kV、频率50HZ的单相户外装置,用在有电压而无负载时分、合电路。
本系列隔离开关采用了各种最新技术及最新工艺,性能可靠,维护方便,具有瓷绝缘开关产品所不能比拟的的优越性,是配电线路尤其是重污秽线路的首选产品:1.绝缘外套采用最先进配方的硅橡胶材料生产,具有优异的电气性能。
2.产品复合绝缘结构设计科学合理,较好解决了瓷外套防污能力差、易开裂的问题。
选用优质的环氧树脂玻璃棒作内支架材料,抗拉强度高达3.5kN以上。
3.绝缘支柱采用一次成型工艺,工艺先进,性能可靠。
闸刀采用槽型结构,增大了散热面积,提高了闸刀的机械强度,动热稳定性大大提高。
煤焦化有限公司备煤环保改造工程(10kV配电设备)技术规格书2015年7月16日1 总则1.1 本协议书的使用范围,仅限于高压开关柜,柜内设备的功能设计、结构、性能、安装和试验等方面的技术要求。
1.2 本设备技术规范书提出的是最低限度的技术要求,并未对一切技术细节作出规定,也未充分引述有关标准和规范的条文,供方应提供符合本规范书和工业标准的优质产品。
1.3 如果供方没有以书面形式对本规范书的条文提出异议,则需方可以认为供方提供的设备(或系统)完全符合本规范书的要求。
1.4 本设备技术规范书所使用的标准如遇与供方所执行的标准不一致时,按较高标准执行。
1.5 本设备技术规范书经供、需双方确认后作为订货合同的技术附件,投标文件及供、需双方签订的技术澄清文件也作为订货合同的技术附件,与合同正文具有同等法律效力。
1.6 供方所提供的产品应在相应工程或条件下有1至2台运行并已超过两年,以证明安全。
1.7 本设备规范书未尽事宜,由供、需双方协商确定。
2 技术要求2.1 应遵循的主要现行标准GB156 《标准电压》GB311.1-1997 《高压输变电设备的绝缘配合》GB11022 《高压开关设备通用技术条件》GB1984 《交流高压断路器》GB2706 《交流高压电器动热稳定试验方法》GB763 《交流高压电器在长期工作时的发热》GB5582 《高压电力设备外绝缘污秽等级》GB2900 《电工名词术语》GB1985 《交流高压隔离开关和接地开关》GB1408 《固体绝缘材料工频电气强度的试验方法》GB3309 《高压开关设备常温下的机械试验》GB3804 《3—63KV交流高压负荷开关》GB7354 《局部放电测量》GB14808 《交流高压接触器》IEC420 《高压交流负荷开关—熔断器的组合电器》SD/T318 《高压开关柜闭锁装置技术条件》DL/T 726 《电力用电压互感器订货技术条件》DL/T 725 《电力用电流互感器订货技术条件》DL/T 744 《微机型电动机保护装置通用技术条件》DL/T402 《交流高压断路器订货技术条件》DL/T486 《交流高压隔离开关订货技术条件》DL/T539 《户内交流高压开关柜和元部件凝露及污秽试验技术条件》DL/T593 《高压开关设备的共用订货技术条件》GB/T13540 《抗地震性能试验》ANSI—C37 《金属封闭具有开断装置的开关设备》IEC—298 《1KV以上52KV及以下高压交流金属封闭开关设备和控制设备》GB3906—《金属封闭开关设备》GBN193—《出口机械、电工、仪器仪表通用技术条件》GB—191—《包装贮运标志》JB—1580—《铝制焊接容器技术条件》DL/T671-1999 《微机发电机变压器组保护装置通用技术条件》电安[1994]191号《电力系统继电保护及安全自动装置反事故措施要点》GB/T7261-2000 《继电器及继电保护装置的基本试验方法》DL478-1992 《静态继电保护及安全自动装置通用技术条件》GB/T13729-1992 《远动终端通用技术条件》(idt IEC870)2.2 名称10kV金属铠装中置式全封闭真空断路器开关柜2.3 型号KYN28A-12(Z)型。
2010年10kV隔离刀闸技术要求六盘水供电局二○一○年五月技术要求一、必需满足标准符合《中国南方电网公司企业标准—110kV及以下配电网装备技术导则》的要求。
符合《贵州电网公司设备技术准则》的要求。
二、使用环境条件设备形式:户外高原型海拔高度:2000米环境温度:-20°~+40°,日平均气温30°最大风速:35M/S覆冰厚度:20MM日照:0.1W/M2污秽等级:Ⅳ级地震烈度:8度水平:0.25G 垂直:0.125G考虑水平与垂直同时作用,安全系数不小于1.67三、技术参数额定电压:10K V最高工作电压:12K V额定电流:630A动稳定电流:50K A4S热稳定电流:20K A额定频率:50HZ1MIN工频耐受电压:相对地:42K V断口:48K V雷电冲击耐受电压:相对地:75K V断口:85K V额定端子静态机械负荷水平纵向≥1000N额定端子静态机械负荷水平横向≥1000N额定端子静态机械负荷垂直力≥1000N无线电绕水平:500ΜV表面爬电比距:满足Ⅳ级污秽等级要求机械寿命:4000次四、技术要求导体材质:隔离开关主触头及接线端子等所有的导电部分均采用电铜制成,导体尺寸应能满足通过正常负荷电流及短路电流的要求。
电气连接部分的螺栓不少于2个。
触头:主刀片应有自动导向合闸及自清洁能力,对中性好,能有效减少合分闸时的机械应力和侧向抖动,提高整体稳定性及使用寿命。
操作机构:隔离开关的操作为单相式钩棒操作方式,操作机构拉环与转动锁销的杠杠应有特殊的设计方式,易于分合闸操作,自锁装置可将隔离开关锁定在合闸位置。
绝缘子:采用硅橡胶绝缘子,具备高机械强度、高抗电弧能力、抗污能力,爬电比距满足Ⅳ级污秽等级要求。
非导体金属件须采用热浸锌防腐工艺的高强度钢板,配备导水通道及安装孔以确保可靠操作及防腐性能。
五、出厂试验项目要求型式试验:应包含如下内容,并提供型式试验报告绝缘水品试验温升试验主回路电阻试验机械试验主回路及接地回路动热稳定试验结构检查绝缘试验主回路电阻试验机械特性试验机械操作试验参加投标的厂家投标时必须同时提供产品样品。
产品类目:电气>>开关类>>隔离开关>>高压隔离开关>>
名称:10kV户外高压隔离开关
价格:元
规格:
色彩:
放入购买清单放入预采购清单
生产厂商
..........................................................................................
简介
..........................................................................................
广泛适用于额定电压10kV、频率50HZ的单相户外装置,用在有电压而无负载时分、合电路。
促销信息
..........................................................................................
详细信息
..........................................................................................
一、产品概述
HGW9-10型复合绝缘户外高压隔离开关广泛适用于额定电压10kV、频率50HZ的单相户外装置,用在有电压而无负载时分、合电路。
本系列隔离开关采用了各种最新技术及最新工艺,性能可靠,维护方便,具有瓷绝缘开关产品所不能比拟的的优越性,是配电线路尤其是重污秽线路的首选产品:
1.绝缘外套采用最先进配方的硅橡胶材料生产,具有优异的电气性能。
2.产品复合绝缘结构设计科学合理,较好解决了瓷外套防污能力差、易开裂的问题。
选用优质的环
氧树脂玻璃棒作内支架材料,抗拉强度高达3.5kN以上。
3.绝缘支柱采用一次成型工艺,工艺先进,性能可靠。
闸刀采用槽型结构,增大了散热面积,提高
了闸刀的机械强度,动热稳定性大大提高。
4.重量轻、免维护,使用方便,便于安装和运输。
二、型号说明
H G W 9—10 / 630—20
H 复合绝缘 G 隔离开关W 户外装置
9 设计序号10 额定电压(Kv)630 额定电流(A)20 热稳定电流(有效值Ka)
三、标准规范
GB1985-89 《交流高压隔离开关和接地开关》
GB/T16927.1~2—1997 《高电压试验技术》
GB3309-89 《高压开关设备常温下的机械试验》
GB763—90 《交流高压电器长期工作时的发热试验》
GB2706—89 《交流高压电器动热稳定试验方法》
DL486-92 《交流高压隔离开关订货技术条件》
JB1557-75 《高压开关产品型号编制办法》
四、技术条件
1.运行环境
(1)安装地点:户外
(2)海拔高度:≤1000m
(3)环境温度: -40℃~+55℃
(4)耐受地震能力:不大于8度
(5)最大风速:(指离地面20m高处的10分钟的平均最大值)30m/S
(6)覆冰厚度: 10mm
(7)最大月平均相对湿度: 90%
(8)运行地区的污秽等级盐密: 0.35mg/cm2
(9)额定频率: 50Hz
(4) 产品验收后,无论是否立即安装使用,皆应妥善保管和存放。
六、使用须知
1.安装前的准备
(1)检查连锁装置是否灵活,机械摩擦部分是否涂有工业凡士林。
(2)本产品的安装高度一般为2.5~6米。
(3)确定产品的安装位置时,应注意在分、合闸时其带电部分对地绝缘距离应不小于200mm,其相间的中心距离不小于600mm。
2.安装后的检查
(1)产品必须按技术条件规定的机械参数调整好。
(2)产品调整好后进行3~5次分、合闸操作,不允许有卡住及其它妨碍动作的现象。
(3)触刀与静触头的接触应良好,应保证有2/3视在接触面积。
(4)接地线的接触必须良好,接地回路电阻不大于3Ω。
(5)接线端与母线连接必须良好,牢固可靠。
七、订货须知
★ 订货时请写明以下内容:产品型号、额定电压、额定电流,如有特殊要求请写明技术参数和具体要求。