换热器水压试验检修图片讲解
- 格式:docx
- 大小:8.46 MB
- 文档页数:8
一级换热器
H1-3600A-00
管程水压试验工艺
1、试验前的准备及要求:
(1)试验前,管程的B类焊缝应经100%X射线检测,Ⅱ级合格;该B类焊缝和管程上的角焊缝(m接口除外)进行100%MT,Ⅰ级合格。
m接口角缝100%PT,Ⅰ级合格。
(2)所有焊缝表面质量检查合格。
(3)所有连接螺栓、螺母配备齐全并紧固(试压用密封垫片用F4)。
(4)水压用压力表的量程为4.0Mpa,压力表精度不得低于1.5级。
容器上至少使用2只量程相同的压力表,表盘直径不小于100mm。
压力表应经计量部门校验合格。
(5)试压前必需的资料由品质管理科负责审查,报驻厂监检签署意见,合格后确定试压时间。
(6)试压场地应有可靠的安全保护措施,耐压试验过程中,不得进行与试验无关的工作,无关人员不得在试验现场停留。
2、水压试验
具体按水压试验曲线。
3、试验后的事项
试验合格后汇总资料,出具试验报告。
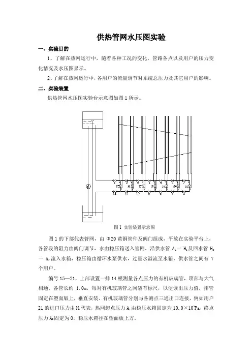
供热管网水压图实验一、实验目的1、了解在热网运行中,随着各种工况的变化,管路各点以及用户的压力变化情况及水压图显示。
2、了解在热网运行中,各用户的流量调节对系统总压力及其它用户的影响。
二、实验装置供热管网水压图实验台示意图如图1所示。
图1的下部代表管网,由Φ20黄铜管件及阀门组成,平放在实验平台上,各管段的阻力由阀门调节,水由稳压箱送入管网,沿供水管A1一H1及回水管H2一A2流入水箱,稳压箱由循环水泵供水,过量水溢流至水箱,供水管之间有7个用户。
编号15—21,上部设置一排14根测量各点压力的有机玻璃管,顶部与大气相通,各管长约 1.0m,每对有机玻璃管之间装有标尺,以便读出压力值,排管固定在塑面版上,垂直安装。
有机玻璃管分别与各测点三通出口连接,例如用户21的进口压力由H1代表,热网起点压力A1由稳压水箱固定为10.0×103Pa,终点压力A2固定为0,稳压水箱挂在塑面板上方。
图1 实验装置示意图图1 实验装置示意图本装置可作多种水力工况的实验,现用三种最基本的工况以验证教学内容。
三、实验方法启动水泵,打开水管阀门,引水入水箱,并使水流入系统,排除系统中空气,保持水箱内水位稳定。
(一) 正常运行状况时的水压图调节各管段的阻力,使各测点之间有一定压差,并使水压图接近图2所示的正常水压图形。
情况稳定后,记录各点的压力。
(二) 关小供水管中阀门3时的水压图将阀门3稍许关小一些,这时热网水流速降低,单位长度的压力降减少,因此供水管水压线和回水管水压线都比正常情况时平坦些,在阀3处压力突然降低。
阀3以前的用户、由于压头增加,流量都有所增加,接近阀4的用户增加越多,阀4以后各用户流量则越少,减少的比例相同,即所谓等比失调,记录各点压力,并绘制正常情况与新情况下的水压图,进行对比,并计算各用户的水量变化程度。
图2 热网三种基本工况的水压图(三)关闭用户17时的水压图把阀3恢复原状,各点压力一般不会绝对恢复到原来的读数,为了节省时间,不必强求符合,可重新记录各点压力作为新的正常水压图,关闭阀17,记录新水压图的各点压力。
换热器打压标准一、管式换热器超高温杀菌机管式换热器水压试验: 警告:水压试验只针对管式换热器内的内管,不允许对管式换热器的外壳进行水压试验(特别注意MTR 奶奶交换管)。
水压试验压力2Mpa(2000Kpa)。
1.管路连接:图示一图示二 图示三A.将供水管连接到打压工具的进水口(见图示一的进水口)B.将高压供水软管有活节的一端连接到打压工具的出水口(见图示一),另外有法兰一端连接到管式换热器的进口。
C.将带有手动球阀的法兰安装在管式换热器的出口。
D.将高精度压力表安装在手动球阀3处(见图示一)。
E.检查管路。
注意:水压试验管路不能经过管式换热器的外壳,不能经过带有压力表或温度探头的管道,没有必要经过蛋白稳定管或保温管(Holding Tube)。
2打压测试:A.打开管式换热器出口的球阀,打开打压工具的手动球阀1(见图示一),打开手动球阀2和手动球阀3,打开供水阀,将管内的空气排尽。
B.关闭手动球阀1,启动气动泵,观察压力表值,当压力达到 2000Kpa (2MPa),关闭气动泵(注意打压时,压力要缓慢增加,不可急剧境加),保持5—10分钟。
刚保持时因温度的影响压力可能会有少许下降,但压力如果持续下降,不能维持,将是异常的。
C.水压试验完成后要取开供水管,慢慢打开手动球阀1放水泄压,对发现有异常的列管:要将列管抽出用约0.3Mpa---0.4Mpa 的压缩空气通入管内,将列管完全放入水中查找并确认是否泄漏。
二、板式换热器压力测试标准:组装后须对两侧分别进行单侧压力试验,达到规定的试验压力后保压10-30min;然后降至设计压力保压,且保压时间不少于30min。
液压测试合格后将内部积水排出。
换热器检修作业场景分析
一、存在的共性问题
1.在系统不停车情况下,局部抢修要有方案,进行设备检修作业要考虑停车处理对周围设备的影响。
2.作业识别中,拆卸过程要考虑到吊装作业管理。
有完善的吊装方案,划定警戒线,设置安全标志,禁止非施工人员进入。
3.临时用电的票证办理。
临时用电设施应有漏电保护器,用电设备、线路容量、负荷应符合要求。
所使用的的临时电气设备和线路须达到相应的防爆等级。
4.加盲板可实现有效隔绝,防止火星窜入其他设备或易燃物侵入动火设备,对此,要切断与动火设备相连通的的设备管道并加盲板隔断,挂牌,办理《盲板抽堵作业证》。
5.要考虑动火作业(如存在螺栓生锈,卸不动的情况),高处动火作业要办理《高处作业证》,并采取措施,防止火花飞溅。
6.高压清洗要考虑潜在的危险,高压水枪的风险没有识别。
7.出口管线有放空,形成负压,蒸汽返回,易造成危险;冲洗水放至地沟,如地沟未有效隔离,易造成危险。
8.清洗回装后要试压,通过水压试验打压试漏,验证检修质量。
8.要充分考虑与常规作业活动的不同之处。
10.关于风险分级计算的情况。
如《山东省化工企业安全风险分级管控实施指南》中,事故发生的可能性L的等级从1-5,事故后果
严重性S的等级从1-5,风险度为L×S,等级为1级巨大(20-25);2级,重大(15-16);3级中等(9-12);4级可接受(4-8);5级可忽略(< 4)。
二、拆装维修换热器作业安全风险分析(JHA)记录表
单位:作业活动:拆装维修换热器封头分析人:日期:
三、作业活动隐患排查表。
板式换热器属于热交换设备,制造完工的板式换热器应对换热器管板的连接接头,管程和壳程进行耐压试验或增加气密性试验,耐压试验包括水压试验和气压试验。
板式换热器一般进行水压试验,但由于结构或支撑原因,不能充灌液体或运行条件不允许残留试验液体时,可采用气压试验。
在使用之前要进行试压,换热器的试压系统由换热器、试压泵、金属软管、压力表、盲板和试压环等组成。
换热器设备的试压主要包括:介质试验、气密试验、水压试验。
压力试验顺序及要求1、固定管板式(1)、壳程试压。
检查壳体、换热管与管板相连接接头及有关各部位。
(2)、管程试压。
检查管箱及有关部位。
2、U形管式换热器、釜式重沸器(带u形管束)及填料函式换热器(1)、壳程试压(用试验压环)。
检查壳体、管板、换热管与管板连接部位及有关部位。
(2)、管程试压。
检查管箱的有关部位。
3、浮头式换热器、釜式重沸器(带浮头式管束)(1)、用试验压环和浮头专用试压工具进行管与管板相连接接头试压。
对釜式重沸器,还应配备管与管板连接接头试压专用壳体,检查换热管与管板连接接头及有关部位。
(2)、管程试压。
检查管箱、浮头盖及有关部位。
(3)、壳程试压:检查壳体、换热管与管板连接接头及有关部位。
4、当管程的试验压力高于壳程压力时,接头试压。
应按图样规定,或按生产和施工单位双方商定的方法进行。
5、重叠换热器接头试压单台进行。
当各台换热器程间连通时,管程及壳程试压在重叠组装后进行。
检查接管法兰处的密封。
6、换热器试压后内部积水应放净。
必要时应吹干。
验收1、设备投用运行一周,各项指标达到技术要求或能满足生产需要。
2、设备防腐、保留完整无损,达到完好标准。
3、提交下列技术资料(1)、设计变更及材料代用通知单,材质、零部件合格证。
(2)、检修记录。
(3)、焊缝质量检验(包括外观检验和无损探伤等)报告。
(4)、对整个换热器的实验过程记录。
试压后板式换热器若能满足换热器的检修质量和工期要求,则可以进行使用了。
u型管换热器水压试验步骤U型管换热器是一种常见的换热设备,用于加热或冷却流体。
在使用前,需要进行水压试验以确保其安全性和正常运行。
下面是U型管换热器水压试验的步骤。
1. 准备工作在进行水压试验前,需要对U型管换热器进行检查和准备工作。
首先,检查设备是否有损坏或松动的部件,如管道、阀门、法兰等。
其次,清洗设备内部和外部的污垢和杂物,确保设备干净。
最后,检查设备的压力等级和试验压力,确定试验压力不超过设备的承受能力。
2. 进行水压试验在准备工作完成后,可以开始进行水压试验。
首先,将U型管换热器的进出口阀门关闭,并将试验水泵接入设备的进口管道。
然后,打开试验水泵并调节出水压力到设定的试验压力。
在设定的试验时间内,观察设备内部是否有渗漏现象,并记录试验期间的压力变化情况。
3. 停止试验当试验时间结束或达到设定的试验次数后,需要停止试验并进行处理。
首先,将试验水泵关闭,并将设备内的水排放干净。
然后,检查设备内部是否有渗漏现象,并记录试验结果。
如果设备存在渗漏现象或其他问题,需要进行修理或更换部件。
4. 清洗和保养在完成水压试验后,需要对U型管换热器进行清洗和保养。
首先,排放设备内部的水和杂物,并用清水冲洗设备内部和外部。
其次,检查设备的各个部件是否有损坏或松动现象,并进行维护和保养。
最后,对设备进行防腐处理和涂漆,以延长设备的使用寿命。
总之,U型管换热器水压试验是确保设备安全性和正常运行的重要步骤。
在进行试验前,需要进行充分的准备工作,并按照规定的步骤进行操作。
在试验结束后,需要对设备进行清洗和保养,以确保其长期稳定运行。
换热器检修后试压标准-概述说明以及解释1. 引言1.1 概述概述部分的内容可以从以下角度进行阐述:换热器作为工业生产中常用的设备之一,在经过一段时间的长时间运行后,往往需要进行检修和维护。
而检修过程中试压是其中一项重要的环节,它主要是用来对换热器进行密封性能和耐压性能的验证。
换热器的检修工作是确保设备在使用过程中能够正常运行的关键环节之一。
在换热器长时间运行后,由于内外压力和温度的变化,设备内部密封性能可能会出现一定的损坏或者漏水现象,这时就需要进行相应的检修工作。
而试压作为检修的重要环节之一,通过对设备内部充入一定压力的液体,来验证设备的密封性能和耐压性能。
试压的标准是换热器检修过程中非常重要的一个指导依据。
试压标准的制定需要考虑到换热器的设计参数、操作条件、使用环境等多方面因素。
在检修后,试压标准能够帮助工作人员明确试压的具体要求,以确保换热器的正常运行和安全性。
试压标准的合理性和严谨性是检修工作中不可或缺的一部分,它直接关系到设备在使用中的安全性和稳定性。
因此,本文将重点从换热器检修的背景、试压标准的重要性以及检修后的试压标准三个方面进行阐述。
通过对这些内容的分析和探讨,旨在全面了解换热器检修后试压标准的意义和作用,以及对未来工作的展望。
这将有助于提高换热器检修工作的质量和效率,为工业生产提供更加可靠和安全的设备。
1.2 文章结构文章结构部分的内容应该介绍文章的整体结构和各个章节的主要内容。
以下是一个可能的写作示例:在本篇文章中,将讨论换热器检修后试压标准的问题。
文章分为引言、正文和结论三个部分。
引言部分包括概述、文章结构和目的三个小节。
概述将简要介绍换热器检修后试压标准的背景和重要性。
文章结构部分用于向读者介绍整篇文章的结构,使其能够清晰地理解各个章节之间的逻辑关系。
目的部分则明确指出本文的主要目的是为读者提供对检修后试压标准的理解和重要性的认识。
正文部分是文章的核心,包括换热器检修的背景、试压标准的重要性以及检修后的试压标准三个小节。
换热器水压试验
完整程序:一、试压法兰试压,管箱端装试压法兰,浮头端装胀胎;从壳程注水,如果管束小孔漏水则堵管,赌好再补充试压,直至管束不漏为止,此部分主要是管箱内侧垫片。
二、拆试压法兰,加管箱,小浮头,从管程注水,主要试管箱外垫和小浮头垫片。
不漏
水则进入下一步。
三、加装大封头,从壳程灌水,主要试管箱内垫和大浮头垫片是否漏水。
炼油五部,腐蚀性不是太强,加装管箱,小浮头,先试管程,如果没有漏水,能保住压力,直接加大浮头进行壳程试压。
(如果漏水,拆管箱和小浮头,加试压法兰试压,完成后加管箱小浮头试压,再加大浮头)。