U型换热器管束通用试压工装的研制
- 格式:pdf
- 大小:185.84 KB
- 文档页数:3
摘要换热器是重要的化工单元操作设备之一。
其中管壳式换热器在化工生产中应用最为广泛。
根据管壳式换热器的结构特点,可分为固定管板式、浮头式、U型管式、填料函式和釜式再沸器五类。
近年来,尽管受到其它新型换热器的挑战,但管壳式换热器仍占主导地位。
本文主要讨论U型管式换热器的设计。
U型管式换热器是将换热管弯成U型,管子两端固定在同一块管板上。
由于换热管可以自由伸缩,所以壳体与换热管无温差应力。
因U型管式换热器仅有一块管板,结构较简单,而且管束可从壳体内抽出,壳侧便于清洗,但管内清洗困难,管内介质必须清洁且不易结垢。
U型管式换热器一般用于高温高压情况下,尤其是壳体与换热管金属壁温差较大时。
它具有结构简单紧凑、密封性能好、金属耗量小、造价低、热补偿性能好及承压能力强。
本文第一部分对设计方案进行论证,第二部分对U型管式换热器进行工艺设计计算,主要是传热系数、传热面积、压强降的计算。
第三部分是结构设计、强度计算及其校核。
本次设计采用Auto CAD软件绘制工程图。
图纸符合机械制图国家标准,结构合理。
设计计算结果比较准确,与实际运行设备参数基本相符。
关键词:换热器;传热系数;U型管;工艺设计AbstractHeat exchanger is one of the most important chemical unit operation equipments, among which shell and tube heat exchanger is used most widely in chemical engineering production. According to the structure characteristic of the shell and tube exchanger, heat exchanger can be divided into fixed tube-sheet, floating head-style, U-tube, the function and kettle-reboiler. Recently, although it has been challenged by other new type exchangers, the shell and tube heat exchanger still take unirreplacable role.This thesis is mainly about the design of U-tube exchanger. U-tube exchanger is made by exchanger which is bent into U-shaped, and both end of the tubes fix in the same piece of board. Exchanger can be stretched out and drawn back freely, so shell and tube have no pressure on the temperature difference. It is easy to clean the outside of the shell because the structure of the U-tube is simple with only one tube, and the tube can be pulled out from the shell. But the inside of the tube is difficult to clean for we have to keep the media clean and hard to be dirty. U-tube exchanger is usually used in the circumstance under high temperature and high voltage, especially when the difference in temperature of metal wall between shell and tube is apparent. It also has the feature that simple and compact structure, well sealed, low consumption of the mental, low price,heat and pressure compensation for good performance and strong pressure capacity.The first part of this thesis is to give the demonstration to the design. The second part is to compute the U-tube exchanger from the perspective of process design, mainly including the calculation of heat transfer coefficient, heat transfer area and pressure drop. The third part consists of the structure design, strength calculation and checking. This design makes full use of the Auto CAD to draw the engineering plat. The blueprint is correspond to the mechanical drawing of the national standards, which has reasonable structure. The result of the design calculation is basically correct and tally with the practical parameters of the operation of equipment.Key Word: Heat exchanger;Heat transfer coefficient;U-tube,;Process design.目录1绪论 (1)1.1换热器的概述 (1)1.2管壳式换热器的分类及其特点 (1)1.3U型管式换热器的结构及优点 (2)1.4机械设计的基本要求与内容 (3)1.5换热器发展趋势 (3)2设计方案的论证及选择 (5)2.1工艺简介 (5)2.2操作条件 (5)2.3设计方案的论证及选择 (5)3工艺设计计算 (9)3.1换热面积的计算 (9)3.1.1计算热负荷和流量 (9)3.1.2计算两流体的平均温度差 (10)3.1.3换热面积的计算 (10)3.2核算压强降 (13)3.2.1管程压强降 (13)3.2.2壳程压强降 (13)3.3核算总传热系数 (15)4机械设计计算 (18)4.1换热器壳体壁厚的计算 (18)4.1.1壳体壁厚的设计计算 (18)4.1.2管箱壁厚的设计计算 (19)4.2封头的计算 (20)4.3管箱接管壁厚计算 (23)4.3.1接管名义壁厚计算 (23)4.3.2接管有效壁厚 (24)4.3.3接管最小壁厚 (24)4.4壳程接管壁厚计算 (24)4.4.1接管名义壁厚 (24)4.4.2接管有效壁厚 (25)4.4.3接管最小壁厚 (25)4.5管子拉脱力计算 (26)4.5.1在操作压力下,每平方米胀接周边所产生的力 (26)4.5.2在温差作用下,管子每平方米胀接周边所产生的力 (26)4.6容器法兰的设计与校核 (27)4.6.1壳体法兰的选择 (27)4.6.2法兰强度的校核 (28)4.6.3法兰应力校核 (32)4.7螺栓设计 (32)4.7.1垫片的选用 (32)4.7.2螺栓的设计 (34)4.8开孔补强 (35)4.8.1补强结构 (35)4.8.2补强计算 (36)4.9管板设计 (37)4.9.1符号说明 (37)4.9.2设计计算和校核 (39)4.10支座设计 (40)4.10.1鞍座的设计计算 (40)4.10.2鞍座内力分析 (42)4.10.3圆筒应力计算与校核 (44)4.11爆破片的设计 (49)4.11.1爆破片的类型 (49)4.11.2爆破片的设计计算 (50)5结构设计 (52)5.1折流板设计 (52)5.1.1折流板结构设计 (52)5.1.2折流板缺口高度 (52)5.1.3折流板间距 (52)5.2拉杆的设计 (53)5.3防冲板的设计 (55)5.4挡管的设计 (55)5.5工艺接管设计 (55)5.6容器法兰的结构尺寸设计 (56)5.7焊接结构 (56)5.7.1焊接要求 (56)5.7.2主要焊接区结构 (57)6加工制造要求 (59)6.1制造技术要求 (59)6.2加工制造 (60)6.2.1容器筒体部分的制造 (60)6.2.2滚圆工艺 (60)6.2.3设备的组对装配 (61)6.2.4组对的基本工序及工具 (62)6.2.5换热器内部管件组对 (63)参考文献 (64)致谢 (65)附录 (66)1绪论1.1换热器的概述换热器是实现两种或两种以上温度不同的流体相互换热的设备。
U型管式换热器设计摘要本文介绍了U型管换热器的整体结构设计计算。
U型管换热器仅有一个管板,管子两端均固定于同一管板上,管子可以自由伸缩,无热应力,热补偿性能好;管程采用双管程,流程较长,流速较高,传热性能较好,承压能力强,管束可从壳体内抽出,便于检修和清洗,且结构简单,造价便宜。
U型管式换热器的主要结构包括管箱、筒体、封头、换热管、接管、折流板、防冲板和导流筒、防短路结构、支座及管壳程的其他附件等。
本次设计为二类压力容器,设计温度和设计压力都较高,因而设计要求高。
换热器采用双管程,不锈钢换热管制造。
设计中主要进行了换热器的结构设计,强度设计以及零部件的选型和工艺设计。
关键词:U型管换热器,结构,强度,设计计算U-TUBE HEAT EXCHANGER DESIGNABSTRACTThis paper introduces the U-tube heat exchanger design and calculation. U-tube heat exchanger has only one tube sheet, tubes are fixed at both ends of boards in the same tube, and tubes could telescopic freely, non-thermal stress, thermal performance and compensation; use of double-tube process, the process is longer, higher speed, better heat transfer performance, pressure capacity, and control can be extracted from the shell with easy maintenance and cleaning, and simple structure cost less. The main structure of U-tube heat exchanger, includes Equipment control, shell, head, exchanger tubes, nozzles, baffled, impingement baffle, guide shell, anti-short-circuit structure, support and other shell-tube accessories.This time I designed a second category pressure vessel, which has high design temperature and high design pressure. Thus the design demands are strict. It has dual heat exchanger tube, stainless steel heat exchanger manufacturers. I mainly carried out the design of heat exchanger structural design, strength of design and parts selection and process design.KEYWOEDS: U-tube heat exchanger, frame, intensity, design and calculation目录中文摘要.................................... 错误!未定义书签。
毕业论文 U型管式换热器机械设计及三维建模、工作仿真第一章绪论在工业生产中,为了实现物料之间热量传递过程的一种设备,统称为换热器。
它是化工、煤油、动力、原子能和其它许多工业部门广泛应用的一种通用工艺设备。
对于迅速发展的化工、煤油等工业生产来说,换热器尤为重要。
通常在化工厂的建设中,换热器约占总投资的10%~20%。
在石油炼厂中,换热器约占全部工艺设备投资的35%~40%。
在化工生产中,为了工艺流程的需要,往往进行着各种不同的换热过程:如加热、冷却、蒸发和冷凝。
换热器就是用来进行这些热传递的设备,通过这种设备,以便使热量从温度较高的流体传递给温度较低的流体,以满足工艺的需要。
总之换热器在化工生产中的应用是十分广泛的,任何化工生产工艺几乎都离不开它。
而在这些换热设备中,使用量最大的是管壳式换热器,它与其它形式的换热器相比较,最突出的优点是,单位体积内能够提供较大的传热面积,传热效果比较好,由于它的结构坚固,而且可以选用的材料范围较广,故适应性强,操作弹性大,因此,它广泛应于许多工业部门,尤其是化工生产中。
换热过程的强化是炼厂节能工作中的重要一环。
随着节能工作的深入发展,炼油厂各装置内部及装置间的换热量明显增大,而换热器冷热流之间的温度差则不断减小。
为了节约投资,不过多地增加换热面积,提高换热器的总传热系数就成了一个十分紧迫的任务。
本设计用螺纹管代替普通换热器的光管能有效的提高管外表面积,可以在管外给热系数不组的情况下,大大提高总传热系数,强化了传热,故使用螺纹管换热器可以做为强化传热的一个方向。
1.1设计条件:1.1.1设计原始参数管程介质:汽油壳程介质:汽油管程设计压力:2.43Mpa 壳程设计压力:2.45Mpa 管程设计温度:200? 壳程设计温度:200? 地震烈度:7级场地土类别:二类管程腐蚀余量:2mm 壳程腐蚀余量:3mm2 容器类别:二类换热面积: 170 m1U型管式换热器机械设计及三维建模、工作仿真1.1.2设计要求:1、查阅相关科技资料及英文资料2、进行换热器的结构论证及材料选择论证3、进行换热器机械设计及强度校核(传热性能及传热量的计算和校核)4、在Pro /E环境下进行换热器的三维建模及工作动态仿真模拟5、编号设计说明书(不少于20000字,含英文摘要)6、科技译文(不少于5000字)7、绘制换热器零部件机械图纸1.1.3设计主要内容1、绪论(1)设计内容、说明思想、设计特点(2)换热器在炼油装置中简单工艺流程及应用(3)主要设计参数的确定及说明2、材料的选择及论证3、换热器结构选择及论证(1)换热器整体结构型式及特点(2)前管箱、壳体和后端盖结构型式及特点(3)管束分程和分程隔板的布置及特点(4)管子尺寸及排列、数量、偏差和总传热面积的确定(5)折流板、拉杆、定距管等零件的结构及特点(6)管子与管板的连接说明(7)接管、法兰、管箱法兰、外头盖法兰、浮头法兰的结构及特点(8)支耳、支座、排气管、排液管的结构及作用(9)换热器密封结构型式及密封点的说明4、换热器零部件强度计算与校核(1)封头、壳体厚度计算(管子厚度计算)(2)管板强度计算与校核2第一章绪论(3)开孔补强计算(4)法兰强度计算与校核(5)鞍座强度校核5、绘制工程图纸6、对换热器零部件进行三维建模及工作动态仿真制作7、英文翻译1.2设计思想工程设计是一项政策性很强的工作,因而,要求工程设计人员必须严格地遵守国家的有关方针和法律规定以及有关行业规范,特别是国家的工业经济法规、环境保护法规和安全法规。
U型管式换热器的设计摘要本设计着重就PN2.0DN700 U型管式换热器的设计,并简要论述了其加工制造过程,就以所给物性参数与生产量为基础,利用传热原理和传热计算所得换热面积确定U型管式换热器的基本形式.依据GB150—1998《钢制压力容器》和GB151—1999《管壳式换热器》等标准对换热器各零件结构与强度进行了设计,包括筒体、管箱管板以及进出口管等。
最后还介绍了U型管换热器检验、安装、维修的内容。
【关键词】:传热面积传热系数U型式换热器管壳式换热器前言使热量从热流体传递到冷流体的设备称为换热设备,换热器是化学工业,石油工业及其它行业中广泛使用的热量交换设备。
通常在化工厂的建设中,换热器约占总投资10-20%,在石油炼油厂中,换热器约占全部工艺设备投资的35-40%。
石油、化工装置中的换热设备,应用得最为广泛的是管壳式换热器。
虽然现在出现大量结构紧凑高效的换热设备,例如:波纹板换热器、板翅式换热器、螺旋板换热器、散板换热器等,但在各行业的换热设备中,管壳式换热器仍占据着主导地位。
因为许多工艺过程都具有高温、高压、高真空、有腐蚀等特点,而管壳式换热器具有选材范围广(可为碳钢、低合金钢、高合金钢、铝材、铜材、钛材等),换热表面清洗较方便,适应性强,处理能力大,特别是能承受高温和高压等特点,所以管壳式换热器被广泛应用于化工、炼油、石油化工、制药、印染以及其它许多工业中,它适用于冷却、冷凝、加热、蒸发和废热回收等方面。
U型管换热器的结构特点是:只有一块管板,管束由多根U形管组成,管的两端固定在同一块管板上。
由于受弯管曲率半径的限制,其换热管排布较少,管束最内层管间距较大,管板的利用率较低,壳程流体易形成短路,对传热不利。
当管子泄露损坏时,只有管束外围处的U形管才便于更换,内层换热管坏了不能更换,只能堵死,而坏一根U形管相当于坏两根管,报废率较高。
U型管式换热器结构比较简单,价格便宜,承压能力强,适用于管、壳壁温差较大或壳程介质结垢需要清洗,又不适宜采用浮头式和固定管板式的场合。
U形管换热器管板的优化设计1概述管壳式换热器换热是为了实现物料之间的热量传递过程的一类设备,它在化工、能源、动力医药装置设备中应用最为广泛 ,因为管壳式换热器的结构非常坚固 ,并且能够选择多种材料进行制造 ,所以适应能力极强 ,尤其是在高温、高压和大型装置中得到了普遍性的应用。
【1】在管壳式换热器的各种型式中,U形管式换热器具有结构简单紧密、密封性能好、金属消耗小、制造价格低、热补偿性好、承压能力强等诸多优点,适用于高温、高压等工况。
U形管换热器的结构设计须要考虑材料、温度、压力、结垢情况、壁温差、流体性质以及检修与清理等多种因素,综合上述因素才能考虑来设计其结构形式。
[2]1-分程隔板;2-管箱;3-筒体;4-纵向隔板;5-U 形管;6-椭圆封头;7-拉杆;8-定距环; 9-折流板;10-支座;11-管板图1 U型管换热器结构图2换热器管板分析方法的发展世界上每个国家都有自己的管壳式设计规范,我国目前通用的是 99 年修订过的GB151-1999《管壳式换热器》。
国际上比较早出现的管板设计规范是美国的管壳式换热器制造商协会(TEMA)标准,虽然计算公式简单,但是适用范围和计算精度都有比较大的限制。
【3】前人对管板的研究以及各国的规范大多都采用等效板理论,这种方法在管板的实际设计中得到了非常广泛的应用"但是等效板法以弹性薄板理论为基础,用于厚管板分析的时候可能会存在较大的偏差;同时,各国的范都是基于管板载荷与约束均具有轴对称性而导出来的,实际上除了单管程和单壳程换热器的管板外,其余种类换热器管板都不可能满足这个条件;另外,采用无孔等效板还不能准确的模拟管板上温度场,尤其是在采用胀接与管子连接的同时,对管板温度场有重要的影响。
【4】计算机技术突飞猛进的发展使的有限元数值分析法在管板设计与研究上的应用成为了一种可能,该方法的最大优点就是可以充分的模拟管板的真实结构,和真实的载荷边界条件,而不受到管板厚度或者其他结构形式的限制和影响,所以越来越受到重视。
95一种U 型换热管弯管工装的改进王海波,贺旭明,武风雷,杨 昆(西部金属材料股份有限公司,陕西 西安 710201)摘要:介绍了采用简易的工装煨制U 型换热器中的换热管,对于大直径的换热器能有效节约材料成本,控制费用。
在实际生产过程中已取得较好的效果。
关键词:U 型管;冷弯工装U 形管式换热器,是管壳式换热器的一种,它由管板、壳体、管束等零部件组成。
U 形管换热器的换热面积在同等直径下比其它类型的换热器面积大。
U 形管换热器只有一块管板,结构简单、紧凑、密封性能高。
因只有一端固定,另一端可以根据温度自由伸缩,所以热补偿性能好,适用于高温、高压等膨胀量较大的场合。
在高温、高压下金属耗量最小、造价最低。
但是在换热器制造过程中需要大批量制作胎具完成换热管的煨制,对于不同规格的换热管需要不同规格的胎具,无形中提高了制造成本。
对于大直径换热器若采用常规做法会极大的提高成本。
而且若换热管直径不一样需要再次加工弯管工装。
因此,本次对原弯管机进行改进以减少材料及加工成本。
1 结构改进如图1所示为弯管机改造前的结构。
换热管穿入4夹紧装置中拧动螺栓夹紧换热管,1弯管模以2固定销轴为圆心转动完成煨管。
此结构随着U 型管所需半径增加,1弯管模所需的材料会越重,工装成本会越高。
4夹紧装置处结构也随着U 型管半径的变化而变化,需要加工多种不同长度的装置。
现将弯管工装改进如图2,弯管模如图3所示。
改进后4夹紧套与2弯管模通过内六角螺栓连接。
夹紧套尺寸不会随U 型管半径的变化而加长,只需一组即可,减少了加工成本。
对2的筋板焊接组成。
改进后弯管模中心为空心的,减少了用料,同时减轻了工装重量。
筋板的数量根据外圆环的大小可适当增加,保证弯管时外圆的强度。
在下料时需增加外圆的余量,这样才能留有多余的加工量,从而保证两圆的同心度。
2 弯管模组装在组装时将下好的两圆环放在平台上,大致找好两圆中心,然后对中焊接筋板。
焊接筋板时分多次焊接防止焊接变形。
周华盛等:U 型换热器管束通用试压工装的研制U 型换热器管束通用试压工装的研制周华盛 王亚 吕青灿(乌石化公司设备安装公司 830019)摘要:本文在分析实际生产过程出现的问题的基础上,设计了一种新的U 型换热器管束试压装置:在壳体与管束之间加直边斜锥大小头作为渡段,巧妙地将不同规格的U 型换热器管束和固定试压壳体连为一体,从而满足不同型号的U 型管束的压力试验。
关键词:U 型换热器管束 壳体 直边斜锥 试压装置【现有背景】U 型换热器管束在试压时,由于此结构的特殊性,在对此管束进行压力试验的同时对管接头角焊缝进行泄漏检查。
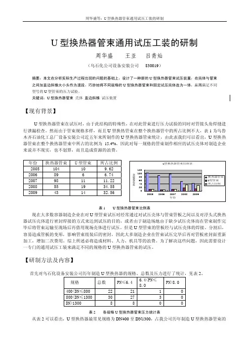
然而由于管束规格多样,而且U 型换热管束在整个换热器管中的所占比例不大,表1为乌鲁木齐石油化工总厂设备安装公司近五年来所制作的U 型换热器管束统计,由此表我们可以看出,U 型换热器管束在整个换热器管束中所占的比例为15.4%,因此对每一规格的管束制作相应的试压壳体对制造企业来说并不现实,也不划算,而且造成资源的浪费。
年份 换热器管束 U 型管束 所占比例 2005 104 10 9.62 2006 89 6 6.74 2007 98 11 11.22 2008 55 19 34.55 2009 43 14 32.56表1 U 型换热器管束比例表 现在大多数容器制造企业在对U 型管束试压时经常通过对试压壳体与管束管板之间以及对浮头式换热器试压壳体进行密封焊接的方式来达到试压的目的,或者由于制造场地由于缺少试压壳体而在管束制作完毕后将管束运输至现场后再借用现场壳体进行试压。
但是U 型管束的管板经与试压壳体的焊接、分割后,容易造成管板的变形,影响管束组装后的密封,因此大多制造企业在管束试压完毕后再对管板密封面重新加工,增加二次费用。
综上所述必将造成材料、人力、机具等的浪费。
为了解决这些问题,因此需要设计一专门的通用试压工装来满足不同的规格的U 型换热器管束的试压。
【研制方法及内容】首先对乌石化设备安装公司历年制造U 型换热器的规格、总数及压力进行了统计,见表2。
周华盛等:U 型换热器管束通用试压工装的研制
U 型换热器管束通用试压工装的研制
周华盛 王亚 吕青灿
(乌石化公司设备安装公司 830019)
摘要:本文在分析实际生产过程出现的问题的基础上,设计了一种新的U 型换热器管束试压装置:在壳体与管束
之间加直边斜锥大小头作为渡段,巧妙地将不同规格的U 型换热器管束和固定试压壳体连为一体,从而满足不同
型号的U 型管束的压力试验。
关键词:U 型换热器管束 壳体 直边斜锥 试压装置
【现有背景】
U 型换热器管束在试压时,由于此结构的特殊性,在对此管束进行压力试验的同时对管接头角焊缝进行泄漏检查。
然而由于管束规格多样,而且U 型换热管束在整个换热器管中的所占比例不大,表1为乌鲁木齐石油化工总厂设备安装公司近五年来所制作的U 型换热器管束统计,由此表我们可以看出,U 型换热器管束在整个换热器管束中所占的比例为15.4%,因此对每一规格的管束制作相应的试压壳体对制造企业来说并不现实,也不划算,而且造成资源的浪费。
年份 换热器管束 U 型管束 所占比例 2005 104 10 9.62 2006 89 6 6.74 2007 98 11 11.22 2008 55 19 34.55 2009 43 14 32.56
表1 U 型换热器管束比例表 现在大多数容器制造企业在对U 型管束试压时经常通过对试压壳体与管束管板之间以及对浮头式换热器试压壳体进行密封焊接的方式来达到试压的目的,或者由于制造场地由于缺少试压壳体而在管束制作完毕后将管束运输至现场后再借用现场壳体进行试压。
但是U 型管束的管板经与试压壳体的焊接、分割后,容易造成管板的变形,影响管束组装后的密封,因此大多制造企业在管束试压完毕后再对管板密封面重新加工,增加二次费用。
综上所述必将造成材料、人力、机具等的浪费。
为了解决这些问题,因此需要设计一专门的通用试压工装来满足不同的规格的U 型换热器管束的试压。
【研制方法及内容】
首先对乌石化设备安装公司历年制造U 型换热器的规格、总数及压力进行了统计,见表2。
规格 总数 PN≤6.4 6.4<PN≤8.0
PN>8.0 400<DN≤800 222110
800<DN≤1300 302730
DN>1300 8800
表2 各规格U 型换热器管束压力统计表
从表2可以看出,U 型换热器最常见规格为DN400至DN1300,占我公司历年制造U
型换热器管束的
第十五次全国焊接学术会议论文集,2010年7月2-8日,青海西宁
86.7%,从经济利益考虑,我们将此分为DN400至DN800和DN900至DN1300两个层次,在这两个层次中,我们分别制作2个试压壳体,分别为DN800和DN1300,对现制的DN800和DN1300壳体怎么样才能满足此层次内的U型换热管束的试压呢,我们想到了直角斜锥大小头可以变径的原理,通过在现有壳体法兰处加变径短节来满足不同规格管束的穿入,连接方式如图1所示:
图1 连接图
1.试压壳体
2.试压管束
3.工装法兰
4.变径段
5.假法兰
但是,每一台管束的试验压力又不一样,此试压壳体能否满足不同级别的压力等级呢,从表2的数据我们可以看出设计压力在PN=6.4MPa以下的U型管束占我公司历年制造管束总数的93.3%,因此我们在设计时将我们所需要的试压壳体的设计压力定为6.4MPa,这样就基本上可以满足我们常见的换热器压力试验了。
下面就以DN800试压壳体为例不阐述一下的实施方法。
1.设计与制造
从前面的分析我们知道,如果满足DN800层次的不同规格的换热器管束的试压我们需制作以下规格的件号3变径段:DN800/700、DN800/700、DN800/600、DN800/500、DN800/400。
我们对件号1壳体和件号4变径段按设计压力6.4MPa、设计温度常温、介质为水这些参数委托设计部门进行设计,对件号1的内径为DN800,件号4按上面所列变径方式进行设计。
根据设计图纸,按照相关规定和要求对试压壳体和变径段进行制造和验收。
2.连接
根据不同的换热器管束,选用不同的变径段、相应的假法兰和垫片按前图的连接方式连接后按图纸要求既可完成试压。
3.非标U型换热器管束的试压
当然,在实际应用中,我们上面制作的这些工装可能满足不了非标准U型换热器管束的试压。
遇到这种情况时,我们可以通过测量所试压U型管束的实际尺寸来制作所需工装,方便简捷,并且为以后遇到同型号的U型换热器管束的试压提前作好准备。
【工装投用的好处】
1.新工装投入使用后,可减少原试压方法中的焊接、分割、管板的重新加工以及运输等环节。
2.只要在试压的时候根据所需试压U型换热器管束的规格选用相应的变径段来进行试压即可。
3.试压时所用的垫片、螺栓等可回收重复利用。
周华盛等:U型换热器管束通用试压工装的研制
4.节省了材料和相关费用。
5.简化了工序,使用方便,快捷。
【结论】
通过制作U型换热器管束固定试压工装壳体,引用壳体与管束之间加直边斜锥大小头作为过渡段的原理,巧妙地将不同规格的U型换热器管束与固定试压壳体连为一体,从而满足了U型管束的压力试验。
此工装的研制节省了材料和相关费用,简化了工序,而且新工装的研制也是一次投资,永久受益。
参考文献
1. «管壳式换热器»GB151-1999。