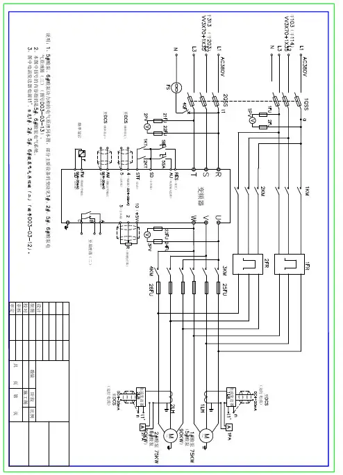
变频器控制原理图 变频起动
- 格式:dwg
- 大小:48.43 KB
- 文档页数:1
变频器工作原理图解1 变频器的工作原理变频器分为 1 交---交型输入是交流,输出也是交流将工频交流电直接转换成频率、电压均可控制的交流,又称直接式变频器2 交—直---交型输入是交流,变成直流再变成交流输出将工频交流电通过整流变成直流电,然后再把直流电变成频率、电压、均可控的交流电又称为间接变频器。
多数情况都是交直交型的变频器。
2 变频器的组成由主电路和控制电路组成主电路由整流器中间直流环节逆变器组成先看主电路原理图三相工频交流电经过VD1 ~ VD6 整流后,正极送入到缓冲电阻RL中,RL的作用是防止电流忽然变大。
经过一段时间电流趋于稳定后,晶闸管或继电器的触点会导通短路掉缓冲电阻RL ,这时的直流电压加在了滤波电容CF1、CF2 上,这两个电容可以把脉动的直流电波形变得平滑一些。
由于一个电容的耐压有限,所以把两个电容串起来用。
耐压就提高了一倍。
又因为两个电容的容量不一样的话,分压会不同,所以给两个电容分别并联了一个均压电阻R1、R2 ,这样,CF1 和CF2 上的电压就一样了。
继续往下看,HL 是主电路的电源指示灯,串联了一个限流电阻接在了正负电压之间,这样三相电源一加进来,HL就会发光,指示电源送入。
接着,直流电压加在了大功率晶体管VB的集电极与发射极之间,VB的导通由控制电路控制,VB上还串联了变频器的制动电阻RB,组成了变频器制动回路。
我们知道,由于电极的绕组是感性负载,在启动和停止的瞬间都会产生一个较大的反向电动势,这个反向电压的能量会通过续流二极管VD7~VD12使直流母线上的电压升高,这个电压高到一定程度会击穿逆变管V1~V6 和整流管VD1~VD6。
当有反向电压产生时,控制回路控制VB导通,电压就会通过VB在电阻RB释放掉。
当电机较大时,还可并联外接电阻。
一般情况下“+”端和P1端是由一个短路片短接上的,如果断开,这里可以接外加的支流电抗器,直流电抗器的作用是改善电路的功率因数。
变频器的工作原理图1、变频器的主回路电压型变频器主电路包括:整流电路、中间直流电路、逆变电路三部分组,交-直-交型变频器结构见附图11)整流电路:VD1~VD6组成三相不可控整流桥,220V系列采用单相全波整流桥电路;380V系列采用桥式全波整流电路。
2)中间滤波电路:整流后的电压为脉动电压,必须加以滤波;滤波电容CF除滤波作用外,还在整流与逆变之间起去耦作用、消除干扰、提高功率因素,由于该大电容储存能量,在断电的短时间内电容两端存在高压电,因而要在电容充分放电后才可进行操作。
3)限流电路:由于储能电容较大,接入电源时电容两端电压为零,因而在上电瞬间滤波电容CF的充电电流很大,过大的电流会损坏整流桥二极管,为保护整流桥上电瞬间将充电电阻RL串入直流母线中以限制充电电流,当CF充电到一定程度时由开关SL将RL短路。
4)逆变电路:逆变管V1~V6组成逆变桥将直流电逆变成频率、幅值都可调的交流电,是变频器的核心部分。
常用逆变模块有:GTR、BJT、GTO、IGBT、IGCT等,一般都采用模块化结构有2单元、4单元、6单元5)续流二极管D1~D6:其主要作用为:(1)电机绕组为感性具有无功分量,VD1~VD7为无功电流返回到直流电源提供通道(2)当电机处于制动状态时,再生电流通过VD1~VD7返回直流电路。
(3)V1~V6进行逆变过程是同一桥臂两个逆变管不停地交替导通和截止,在换相过程中也需要D1~D6提供通路。
6)缓冲电路由于逆变管V1~V6每次由导通切换到截止状态的瞬间,C极和E极间的电压将由近乎0V上升到直流电压值UD,这过高的电压增长率可能会损坏逆变管,吸收电容的作用便是降低V1~V6关断时的电压增长率。
7)制动单元电机在减速时转子的转速将可能超过此时的同步转速(n=60f/P)而处于再生制动(发电)状态,拖动系统的动能将反馈到直流电路中使直流母线(滤波电容两端)电压UD不断上升(即所说的泵升电压),这样变频器将会产生过压保护,甚至可能损坏变频器,因而需将反馈能量消耗掉,制动电阻就是用来消耗这部分能量的。
目前,通用型变频器绝大多数是交—直—交型变频器,通常尤以电压器变频器为通用,其主回路图(见图1.1),它是变频器的核心电路,由整流回路(交—直交换),直流滤波电路(能耗电路)及逆变电路(直—交变换)组成,当然还包括有限流电路、制动电路、控制电路等组成部分。
1)整流电路如图1.2所示,通用变频器的整流电路是由三相桥式整流桥组成。
它的功能是将工频电源进行整流,经中间直流环节平波后为逆变电路和控制电路提供所需的直流电源。
三相交流电源一般需经过吸收电容和压敏电阻网络引入整流桥的输入端。
网络的作用,是吸收交流电网的高频谐波信号和浪涌过电压,从而避免由此而损坏变频器。
当电源电压为三相380V时,整流器件的最大反向电压一般为1200—1600V,最大整流电流为变频器额定电流的两倍。
2)滤波电路逆变器的负载属感性负载的异步电动机,无论异步电动机处于电动或发电状态,在直流滤波电路和异步电动机之间,总会有无功功率的交换,这种无功能量要靠直流中间电路的储能元件来缓冲。
同时,三相整流桥输出的电压和电流属直流脉冲电压和电流。
为了减小直流电压和电流的波动,直流滤波电路起到对整流电路的输出进行滤波的作用。
通用变频器直流滤波电路的大容量铝电解电容,通常是由若干个电容器串联和并联构成电容器组,以得到所需的耐压值和容量。
另外,因为电解电容器容量有较大的离散性,这将使它们随的电压不相等。
因此,电容器要各并联一个阻值等相的匀压电阻,消除离散性的影响,因而电容的寿命则会严重制约变频器的寿命。
3)逆变电路逆变电路的作用是在控制电路的作用下,将直流电路输出的直流电源转换成频率和电压都可以任意调节的交流电源。
逆变电路的输出就是变频器的输出,所以逆变电路是变频器的核心电路之一,起着非常重要的作用。
最常见的逆变电路结构形式是利用六个功率开关器件(GTR、IGBT、GTO等)组成的三相桥式逆变电路,有规律的控制逆变器中功率开关器件的导通与关断,可以得到任意频率的三相交流输出。
海尔变频空调电路原理及图纸海尔变频空调电路原理及图纸海尔牌变频空调器早期在市场上主要有:KFR-20Gw/(BP)、KFR-28GW/A(BP)、KFR-32Gw/(BP)、KFR-36GW /(BP)、KFR-40Gw/(BP)、KFR-50Lw/(BP)和带有负离子发生器的健康型空调器KFR-25Gw/BP×2(F)、KFR-50LW/(BPF)等。
他们的变频控制原理基本相同,本文主要以KFR-50LW(BP)金元帅柜机王为例,分析控制电路的工作原理,以抛砖引玉。
图1是室内机控制电路原理图,图2是室外机控制电路原理图,两个原理图均是作者依据实物绘制,仅供参考。
一、室内机控制电路原理室内机控制电路采用变频空调专用芯片47C862AN-Gc5l。
该芯片内部除了写入空调器专用程序外,还包含有CPU 微处理器、程序存贮器、数据存贮器、输入输出接口和定时计数器电路等电路,可对输入的信号进行运算和比较,根据运算和比较的结果,对室外机、风机、定时、制冷制热、抽湿等工作状态进行控制。
1.ICI(47C862AN-GC51)主要引脚功能(1)35、64脚为供电端,典型的工作电压为+5V。
(2)芯片的32、33、34、39、48、60为接地端。
(3)31脚是蜂鸣器接口。
CPU每接到一次用户指令,31脚便输出一个高电平,蜂鸣器鸣响一次,以告知用户CPU 已接到该项指令。
若整机已处于关机状态,遥接器再输出关机指令,蜂鸣器也不响。
(4)36、37、38是温度采集口,其中36、37脚为室内机热交换器温度输入口,38脚为室内温度输入口。
(5)复位电路由20脚和ICl03、R101、D101、C103、C109构成,低电平有效。
空调器每次上电后,复位电路产生一个低电压,使CPU程序复位。
当机器正常工作时,复位端为高电平。
(6)62脚为开关控制端开关控制口(多功能口),低电平有效。
应急运转时,按住电源开关,使该脚连续3秒以上持续高电平,蜂鸣器连响两下,机器即可进入应急运转状态。
变频器工作原理与结构图文详解—变频器的功能作用分析变频器变频器(Variable-frequency Drive,VFD)是应用变频技术与微电子技术,通过改变电机工作电源频率方式来控制交流电动机的电力控制设备。
变频器主要由整流(交流变直流)、滤波、逆变(直流变交流)、制动单元、驱动单元、检测单元微处理单元等组成。
变频器靠内部IGBT的开断来调整输出电源的电压和频率,根据电机的实际需要来提供其所需要的电源电压,进而达到节能、调速的目的,另外,变频器还有很多的保护功能,如过流、过压、过载保护等等。
随着工业自动化程度的不断提高,变频器也得到了非常广泛的应用。
变频器基本组成变频器通常分为4部分:整流单元、高容量电容、逆变器和控制器。
整流单元:将工作频率固定的交流电转换为直流电。
高容量电容:存储转换后的电能。
逆变器:由大功率开关晶体管阵列组成电子开关,将直流电转化成不同频率、宽度、幅度的方波。
控制器:按设定的程序工作,控制输出方波的幅度与脉宽,使叠加为近似正弦波的交流电,驱动交流电动机。
变频器的结构与原理图解变频器的发展也同样要经历一个徐徐渐进的过程,最初的变频器并不是采用这种交直交:交流变直流而后再变交流这种拓扑,而是直接交交,无中间直流环节。
这种变频器叫交交变频器,目前这种变频器在超大功率、低速调速有应用。
其输出频率范围为:0-17(1/2-1/3 输入电压频率),所以不能满足许多应用的要求,而且当时没有IGBT,只有SCR,所以应用范围有限。
变频器其工作原理是将三相工频电源经过几组相控开关控制直接产生所需要变压变频电源,其优点是效率高,能量可以方便返回电网,其最大的缺点输出的最高频率必须小于输入电源频率1/3或1/2,否则输出波形太差,电机产生抖动,不能工作。
故交交变频器至今局限低转速调速场合,因而大大限制了它的使用范围。
变频器电路结构框架图矩阵式变频器是一种交交直接变频器,由9个直接接于三相输入和输出之间的开关阵组成。
变频器时序图及说明1) 变频器启、停时序图:电机转速停机指令主控就绪冷却风扇高压开关请求启动变频就绪变频运行请求运行运行指令高压电源图8 变频器启、停时序图2)时序说明:A 、 变频器在系统条件允许(柜门已关、控制电源正常、风扇开关正常和没有其它电气故障)情况下,延时30秒发出“请求启动”信号;B 、DCS 在接收到“请求启动”信号后,便可以启动变频器即合10kV 高压开关; C 、 变频器在接收到10kV 高压开关已合信号后,启动冷却风扇,风扇启动延时20秒后变频器给DCS 一个“请求运行”信号;D 、 DCS 在接受到“请求运行”信号后,发出“运行指令”。
在接收到“运行指令”信号后变频器开始运行,同时给DCS 一个“变频运行”状态信号,运行频率从0Hz 按照设定的时间升频至给定频率值;E 、DCS 可以在变频器启动以前将“频率给定信号”给定到预定值。
3)正常停机时序说明:A 、 在运行时需要正常停机时,DCS 给出“停机命令”信号;B、变频器接收到“停机”信号后,运行频率按照设定的时间降至0Hz,然后断开“变频运行”信号,同时给出“断10kV高压开关”信号;C、DCS在接收到“运行状态”信号断开后,延时2秒断开停机指令信号。
(时序图中的180秒是指电机装转速从0升到额定转速的时间和从额定转速降到0时的时间,而实际运行时转速随时可以调整,不一定是额定转速,所以停机命令的脉宽不是固定的,需要检测到“变频运行”状态信号断开后延时2秒方可断开。
)4)紧急停机时序说明在运行时需要紧急停机时,用户可以直接断开10kV高压开关,建议用户一般情况不要进行此项操作。
变频调速基本原理及控制原理1.基本原理:目前使用较多的是“交—直—交”变频,原理如图1所示,将50Hz交流整流为直流电Ud,再由三相逆变器将直流逆变为频率可调的三相交流供给鼠笼电机实现变频调速。
2.控制原理:变频调速装置主电路(见图2)由空气开关QF1,交流接触器KM1和变频器VF组成,由安装在配电柜面板上的转换开关SA,复位开关SB;或安装在现场防爆操作柱上启动按钮SB 和停止按钮SB2控制VF的运行:(1)启动VF时必须先合上QF1和QF2,使SA置于启动位置,KM1便带动电触点闭合,来电显示灯HL2亮;此时按下SB,也可以按下现场SB1使KA1带电触点闭合,VF投入运行同时运行指示灯HL3亮。
(2)需要停止VF时,按下SB2使KA1失电,VF停止运行,此时HL3灭;置SA于停止位置,KM1断开同时HL1亮表示停机。
(3)如果在运行过程中VF有故障FLA、FLC端口将短接,KA2带电,KM带电其触点断开,同时故障指示灯HL3亮并报警。
由于工艺条件复杂,实际运行过程中有多方面不确定因素,为安全其见,每台变频器均加有一旁路接触器KM2;如果KM1或VF发生故障时保证电机仍能变频运行。
变频调速实行闭环负反馈自动控制即由仪表装置供给变频器1V和CC端口4~20MA电信号,靠信号大小改变来控制VF频率高低变化达到调节电动机转速和输出功率的目的,使泵流量和实际工艺需求最佳匹配,实现仪表电气联合自动控制体系。
二、实际运用分析1.变频调速实行工艺过程控制,由于生产流程和工艺条件的复杂性;不通过实践有些问题不被人们认识,只有通过实践才能找出解决这此问题方法和途径。
在闭环控制回路中,变频器作用类似风开式调节阀,对于实用风关式调节阀控制回路需在变频器上设定最低下降频率,当仪表装置故障时变频器输出最低频率,保证电机运转,维持工艺流程最低安全量,不至于生产中断。
变频器下限频率设定必须通过实际测试,不能随意变动。
就拿P6101A 脱丙烷塔进料泵来说,当时调试时当仪表信号4AM时,变频器输出频率10Hz,此时根本达不到工艺需要流量,通过仪表、电气专业人员多测试设定4MA信号输出23Hz能达到最低安全量,故23Hz 便没定为法定下限参数,这样既可保证工艺安全运行又有27Hz的频率调节范围。
变频器原理图
变频器是一种能够改变电源频率的电子设备,其原理图如下所示:
1. 电源模块,变频器的电源模块主要包括整流器和滤波器。
整流器将交流电源
转换为直流电源,而滤波器则用于过滤电源中的杂波和谐波,确保输出的电源干净稳定。
2. 逆变模块,逆变模块是变频器的核心部件,它能够将直流电源转换为可调节
的交流电源。
逆变器采用现代功率半导体器件,如IGBT和MOSFET,通过PWM
技术来控制输出电压和频率,实现对电机转速的精确控制。
3. 控制模块,控制模块包括主控制器和信号处理器。
主控制器负责接收外部控
制信号,并根据设定的参数来控制逆变器的工作状态。
信号处理器则用于处理各种传感器反馈的信号,保证系统的稳定性和可靠性。
4. 保护模块,变频器的保护模块包括过流保护、过压保护、欠压保护、过载保
护等功能。
这些保护功能能够有效地保护电机和变频器本身,延长设备的使用寿命。
变频器的工作原理是通过控制逆变器输出的电压和频率来控制电机的转速和转矩。
通过改变输出电压的幅值和频率,可以实现对电机的精确控制,满足不同工况下的需求。
总结,变频器原理图中的各个模块相互配合,共同完成对电源的调节和控制,
实现对电机的精确控制。
通过变频器,可以实现电机的无级调速,提高设备的运行效率,降低能耗,延长设备的使用寿命,是现代工业生产中不可或缺的重要设备之一。
变频器工作原理图解(总5页) -本页仅作为预览文档封面,使用时请删除本页-变频器工作原理图解1 变频器的工作原理变频器分为 1 交---交型输入是交流,输出也是交流将工频交流电直接转换成频率、电压均可控制的交流,又称直接式变频器2 交—直---交型输入是交流,变成直流再变成交流输出将工频交流电通过整流变成直流电,然后再把直流电变成频率、电压、均可控的交流电又称为间接变频器。
多数情况都是交直交型的变频器。
2 变频器的组成由主电路和控制电路组成主电路由整流器中间直流环节逆变器组成先看主电路原理图三相工频交流电经过VD1 ~ VD6 整流后,正极送入到缓冲电阻RL中,RL的作用是防止电流忽然变大。
经过一段时间电流趋于稳定后,晶闸管或继电器的触点会导通短路掉缓冲电阻RL ,这时的直流电压加在了滤波电容CF1、CF2 上,这两个电容可以把脉动的直流电波形变得平滑一些。
由于一个电容的耐压有限,所以把两个电容串起来用。
耐压就提高了一倍。
又因为两个电容的容量不一样的话,分压会不同,所以给两个电容分别并联了一个均压电阻R1、R2 ,这样,CF1 和CF2 上的电压就一样了。
继续往下看,HL 是主电路的电源指示灯,串联了一个限流电阻接在了正负电压之间,这样三相电源一加进来,HL就会发光,指示电源送入。
接着,直流电压加在了大功率晶体管VB的集电极与发射极之间,VB的导通由控制电路控制,VB上还串联了变频器的制动电阻RB,组成了变频器制动回路。
我们知道,由于电极的绕组是感性负载,在启动和停止的瞬间都会产生一个较大的反向电动势,这个反向电压的能量会通过续流二极管VD7~VD12使直流母线上的电压升高,这个电压高到一定程度会击穿逆变管V1~V6 和整流管VD1~VD6。
当有反向电压产生时,控制回路控制VB导通,电压就会通过VB在电阻RB释放掉。
当电机较大时,还可并联外接电阻。
一般情况下“+”端和P1端是由一个短路片短接上的,如果断开,这里可以接外加的支流电抗器,直流电抗器的作用是改善电路的功率因数。